马头门开挖
- 格式:doc
- 大小:979.50 KB
- 文档页数:14
城市暗挖地铁马头门开挖施工工法马头门开挖施工是城市暗挖地铁施工的一种常用工法。
本文将对马头门开挖施工工法进行全面介绍,包括工法特点、适应范围、工艺原理、施工工艺、劳动组织、机具设备、质量控制、安全措施、经济技术分析和工程实例等内容以满足要求。
一、前言城市地铁建设是现代城市发展的重要组成部分,马头门开挖施工工法作为城市暗挖地铁的一种重要方法,具有高效、安全、经济的特点,得到了广泛应用和认可。
二、工法特点马头门开挖施工工法以箱形拱作为临时支护,通过顶板和侧墙的局部加固来保证挖掘面的稳定。
该工法具有施工速度快、施工面积大、施工成本低、对环境影响小等特点。
三、适应范围马头门开挖施工工法适用于地质条件复杂、施工空间狭窄、建筑密集区域的地铁线路开挖施工,适用于岩石与软土地层。
四、工艺原理马头门开挖施工工法是在土木工程理论基础上,结合地铁施工的实际需求和工程特点而形成的。
其根据实际工程情况设计挖斗形状及大小,并采用分阶段施工方法,保证开挖工程的安全和稳定。
五、施工工艺马头门开挖施工工法包括以下几个阶段:准备工作、施工洞口施工、马头门安装、挖掘、拱片施工、支护与排水、初期固结、终期固结、补强加固和收尾工作。
每个阶段都有具体的施工措施和流程,确保施工过程的顺利进行。
六、劳动组织马头门开挖施工涉及各个工种的协同作业,需要合理安排施工队伍和工人数量,确保施工进度和质量。
同时,要进行科学的人员培训和施工现场管理,保证人员的安全和工作效率。
七、机具设备完成马头门开挖施工需要使用一系列机具设备,包括挖掘机、起重设备、拱片安装设备、水泵和排水设备等。
这些设备要具备适应施工需要的特点和性能,确保施工工作的顺利进行。
八、质量控制马头门开挖施工过程中,需要严格控制施工质量,包括施工工艺的合理性、材料的质量和使用方法、施工过程中的监控和检验等。
只有确保质量控制到位,才能保证施工工程的安全和稳定。
九、安全措施马头门开挖施工存在一定的安全风险,特别是在施工过程中,需要注意挖掘面的泥泞、坍塌、水槽突发事故等。
盾构井马头门破除施工方案在盾构施工中,盾构井的马头门破除方案是一个至关重要的环节。
盾构井的马头门是盾构机从井口进出的通道,其破除需要一定的施工技术和方案。
本文将从盾构井马头门破除的必要性、施工前准备、破除方法等方面进行探讨。
一、破除的必要性目前盾构井马头门在盾构施工完成后往往成为一个阻碍施工设备进出的障碍物,需要及时破除。
破除马头门可以提高盾构设备的进出效率,节约施工时间,降低施工成本。
此外,破除马头门还可以为后续的盾构机维护和保养提供方便,保证盾构机设备的长期稳定运行。
二、施工前准备在进行盾构井马头门破除前,需要做好以下准备工作:1.安全评估:进行安全评估,确保破除施工过程中安全措施到位,减少风险。
2.施工方案设计:根据具体情况制定破除的施工方案,包括工艺流程、设备选择等。
3.材料准备:准备好破除所需的材料和工具,确保施工顺利进行。
4.人员培训:对参与破除施工的人员进行培训,提供必要的安全保护措施和操作技能。
三、破除方法盾构井马头门的破除可以采用以下方法之一:1.切割破除:使用切割设备对马头门进行切割,逐步移除,需要注意安全防护,避免火灾和损伤。
2.钻孔爆破:在马头门上进行钻孔,然后注入爆破药物,通过爆破破除马头门,操作人员要严格遵守爆破作业规范。
3.液压撬杆:利用液压撬杆等设备对马头门进行撬动,逐步拆除。
四、施工注意事项在进行盾构井马头门破除施工时,需要注意以下事项:1.安全第一:确保施工现场的安全,严格遵守安全操作规程,预防事故发生。
2.严格执行施工方案:执行制定好的施工方案,按照流程进行操作,保证施工质量。
3.及时清理:破除完成后及时清理施工现场,确保施工环境整洁。
4.监测记录:对施工过程进行实时监测并记录,为后续工作提供参考依据。
结语通过对盾构井马头门破除施工方案的探讨,可以看出,盾构井马头门的破除对于盾构施工的顺利进行具有重要意义。
合理的施工方案设计和严格的施工操作,将为盾构施工的高效进行奠定基础。
马头门施工安全技术措施马头门施工方法马头门施工采用小导硐先行掘进到位,再从外向里刷大成型的施工方案。
小导硐选择在马头门顶部中心位置,为便于掘进,导硐规格设为宽×高=4×3m。
1、掘进:马头门掘进采用7655型风钻配长2.2mφ22mm钻钎、φ42m一字型钻头打眼。
导硐采用斜眼掏槽,掏槽眼深度2.2m,辅助眼和周边眼深度2m。
采用从外向里刷大时,顶部打眼采用垫碴打眼,刷大时,炮眼深度2.0m,要求掌握好周边眼角度,防止超挖。
爆破炸药选用2#岩石乳化炸药,1~5段毫秒延期电雷管,串联,正向装药,通过立井放炮电缆在地面起爆室内用380V交流电源起爆。
2、排矸:在掘进马头门时,由于不能直接利用立井抓岩机抓矸,人工转矸速度太慢。
为加快施工马头门出矸速度,在马头门施工时,用P-60B耙岩机主机(不用耙岩机溜槽段)和耙斗直接下井,放置在正在施工的马头门对面的井筒内,用耙头将马头门工作面的矸石全部耙到井筒内,在将耙岩机主机和耙斗用转移到马头门内,再用立井抓岩机将矸石装到吊桶内,利用立井排矸系统将矸石排掉。
在码头门掘进爆破时,用10t稳车将耙岩机主机和耙斗悬吊在下层吊盘下。
3、临时支护:如果马头门在掘进过程中,发现岩层破碎,则在施工导硐时,对拱部进行锚网喷厚度50mm的C20混凝土做临时支护,在刷大成型时,再对二拱及两帮进行锚喷支护。
拱部锚杆选用Φ18mm、长度2m的树脂锚杆,网片用Φ6.5mm钢筋网,网格100×100mm,喷射混凝土厚度50mm,强度等级C20。
喷射混凝土时,混凝土喷射机设置在井筒内,喷射料在地面用搅拌机搅拌后,用底卸式混凝土吊桶装运下放到喷射机旁,人工上料。
马头门与井底车场连接的渐变断面5m巷道,永久支护为100mm厚的C20喷射混凝土,其施工方法与上叙述相同。
4、混凝土砌碹支护:马头门设计为C20混凝土支护,支护厚度350mm。
支护工作待马头门全部掘进完成后再统一进行。
竖井马头门施工方案编制:审核:审批:1.1 马头门施工竖井马头门即竖井与横通道交叉处,受力比较复杂。
常见的马头门施工有两种,一种是竖井施工完成后,破壁开洞,另一种是竖井开挖至横通道上台阶后,先行将横通道上半断面进洞,通过对两种开挖方式洞察口处受力的简单分析。
采用第一种方法施工时,洞口下半断面应力集中,为了避免马头门处的应力集中,保证施工安全,拟采用第二种开马头门方式,即竖井挖至横通道上半断面时,上半断面先行开挖约5m,并架设工20a型钢横撑。
马头门施工前,沿横通道开挖轮廓线掌子面范围内,在竖井壁测放出隧道开挖轮廓线位置,并准确标出超前小导管位置,沿开挖方向布设注浆小导管,进行掌子面注浆及拱部超前注浆,对开挖土体进行预加固。
联络通道断面预注格栅架立就位后立即封闭,再开挖架立下一榀格栅,逐段支护,预留掌子面井壁混凝土,用方木支撑固定。
格栅封闭完成后,分层破除掌子面混凝土,施作隧道钢横撑,隧道上半断面形成封闭环,有利于洞口稳定。
横通道的马头门高度为8.8米,宽度为 5.2米,拱顶标高为16.428,位于中风化泥岩地层。
(1)打设超前小导管及注浆洞口处换撑措施作完毕后,应尽快在井壁上放出横通道开挖外轮廓线的位置,并标出超前小导管的位置,为了加大洞口处加固地层范围,且尽量与隧道中线保持平行,超前注浆加固地层。
(2)分部破除马头门处井壁砼,割除钢格栅支撑注浆完毕后,即破除马头门处上部竖井井壁砼,割除该部位钢格栅支撑,按照设计要求连续架立五榀格栅钢架,加强锁脚锚管的施工。
并将其主筋与周围的竖井井壁钢格栅焊接牢固,并及时喷射砼,并在初支上做框架梁作为加强环,加强洞门。
按隧道的土体开挖及初期支护的方法将上部向前推进约5m并架设临时支撑,待竖井施作到底部并施作井身封底混凝土浇筑后,破除下部竖井壁砼,割除该部位的钢格栅支撑,架设下部第一榀格栅拱架,同样将其主筋与周围的竖井钢格栅焊接牢固,并及时喷射砼。
(3)竖井马头门处的格栅一定要架到位,防止侵入竖井净空。
浅谈地铁暗挖施工中马头门施工技术方案和安全保证措施摘要:地铁暗挖施工中马头门是施工中一个关键工序,特别是采用PBA工法施工时,导洞非常多,马头门的施工显得十分重要。
本文以北京地铁12号线工程土建施工13合同段西坝河车站竖井横通道马头门施工为例,简要介绍车站暗挖施工中马头门施工技术方案及安全保证措施。
关键词:地铁;马头门施工;保证措施1、引言现在城市在修建地铁施工中,由于拆迁难度较大,多采用暗挖施工。
其优点是拆迁量小且不影响交通,工期可控。
在暗挖施工中马头门的施工是竖井转向横通道施工,或横通道转向正线施工的关键步骤,在施工中由于应力转换,是比较大的安全隐患,所以在施工中要重点关注,必须制定严格的施工技术方案和安全保证措施。
2、工程概况北京地铁12号线工程土建施工13合同段西坝河站(M12)是12号线与17号线的换乘车站。
西坝河站位于北三环东路与西坝河南路路口,北三环东路与西坝河交叉口东侧,沿北三环东路敷设。
M12车站形式为地下暗挖两层分离岛式站台车站,总建筑面积23890m2,车站总长约326.6m。
车站采用PBA暗挖法施工。
车站设置3个施工竖井,采用倒挂井壁法施工;车站附属结构除出入口敞口段采用明挖法施工外,其余均采用暗挖法施工。
3、施工方法及措施横通道马头门施工由于破除井壁混凝土,破坏整个竖井结构出现洞口段应力重新分布,在此以竖井横通道马头门为例来介绍马头门施工中的施工技术措施及安全保证措施。
马头门施工主要是以下三个步骤:打设超前小导管及注浆,分部破除马头门处井壁砼,割除钢格栅支撑,马头门开挖支护。
详见图3-1:马头门开挖支护流程图。
具体施工方法是竖井开挖至施工通道拱部位置时,在竖井内沿施工横通道马头门外轮廓线打设超前注浆小导管加固地层。
然后分区凿除施工横通道马头门范围井壁混凝土,同步分段架设施工横通道格栅钢架,前三榀格栅密排,待架设完成后,进行施工通道开挖。
图3.1 马头门开挖支护流程图3.1马头门加固在竖井施作至马头门拱部完毕后,根据监测数据地表沉浆趋于稳定后,尽快在井壁上方标出横通道开挖外轮廓线的位置,竖井开马头门前,应在竖井内对应马头门拱顶位置预先打设两道Φ42,环向间距300mm,L=4000mm的超前小导管,并及时注浆超前加固隧道拱部土体及洞口处地层,注浆采用1:1水泥浆,注浆压力控制在0.3~0.5MPa。
竖井马头门施工工法一、引言竖井马头门是一种常用的建筑施工工法,用于保护竖井进出口的安全,并确保施工过程中其他工作区域的封闭性和安全性。
本文将介绍竖井马头门的施工工法,包括施工前的准备、马头门的安装、施工期间的使用注意事项等内容。
二、施工前的准备1. 施工方案设计:在进行竖井马头门的施工之前,需要由专业的工程师进行施工方案的设计。
施工方案应考虑到竖井的尺寸、地下水位、土壤条件等因素,以确保马头门的安装与使用符合工程要求。
2. 材料准备:竖井马头门的施工需要准备好相应的材料,包括钢材、焊接材料、涂料等。
材料的选取应符合相关标准,并经过严格的质量检验,以保证马头门的牢固度和耐久性。
3. 竖井准备:施工前需对竖井进行必要的准备工作。
清理竖井口周围的杂物、泥土等,确保施工区域的整洁度。
同时,检查竖井井筒的内外壁,修复或加固竖井的部分,以确保马头门的安装质量。
三、马头门的安装1. 制作马头门:根据施工方案的设计要求,制作合适尺寸的马头门。
马头门通常由钢材制成,以确保强度和稳定性。
确保马头门的平整度和表面的光滑度。
2. 马头门的焊接:将马头门与竖井井口固定相连,通过焊接方式进行固定。
焊接工作需要由经验丰富的焊工进行,确保焊接接头的牢固度和密封性。
3. 表面处理:针对已经焊接的马头门进行表面处理,可采用刷涂方式或喷涂方式进行。
表面处理可以增加马头门的防腐性能,延长使用寿命并美化外观。
四、施工期间的使用注意事项1. 安全防护措施:施工期间,需要对竖井马头门进行相关的安全防护措施。
包括安装防护栏杆、防护网等,确保工作人员的安全,并防止工具或材料从竖井口掉落。
2. 环境保护措施:施工期间,需注意对周围环境的保护。
采取措施避免噪声、灰尘等对周围居民或其他工作区域的影响。
3. 施工质量监控:对竖井马头门的施工质量进行监控和检查,并及时处理施工中出现的问题,确保施工质量符合相关标准和要求。
5. 使用维护与保养1. 定期检查:使用马头门后,需要定期检查马头门的固定性和密封性,发现问题及时处理。
竖井马头门开洞施工技术摘要:大连地铁二号线207标东纬路车站1#施工竖井井深29.647m,马头门段地质为全风化辉绿岩,采用爆破+人工开挖施工。
为加快施工进度,减少工序衔接时的互相干扰,节省成本,在地质条件允许的情况下,马头门处的格栅加工成异形格栅,省掉混凝土破除工作。
竖井的施工也随横通道的施工进度而施工或停止,爆破施工的竖井不能一次开挖至井窝再施工马头门,受爆破冲击影响无法搭立作业平台。
关键词:竖井全风化辉绿岩爆破异形格栅监测一.工程简介1号竖井平面开挖尺寸为13.2m×6m,井深29.647m,竖井马头门段地质情况设计为全风化辉绿岩。
二. 施工工艺及方法1.现场地质情况:根据竖井开挖情况可以看到,竖井马头门实际穿越岩层拱部是全风化辉绿岩,下部岩层为强风化辉绿岩,遇水不稳定,且地下水较丰富,西侧拱墙有多处渗水点。
2.施工工艺流程见图2-1所示3.施工准备:3.1施工测量3.1.1 平面控制测量为满足现场施工需要,严格的按四等导线测量规范增设导线点,并在施工竖井处适当位置增设精密导线和精密水准点。
将新增设的控制点与地面首级控制网进行了联测。
确保竖井的设计位置在多方控制中。
井口平面位置根据图纸尺寸,采用极坐标法逐点定出。
并用相邻控制进行检校,各部尺寸、误差在规范允许内方可施工。
竖井施工中,主要依靠井口十字线控制各部尺寸,高程采用钢尺悬吊法。
当竖井挖深至马头门设计标高时,马头门施工测量利用竖井十字线,采用串线法控制马头门中线。
3.1.2竖井定向控制联系测量竖井施工完成到设计标高时,根据现场的实际情况和现有的仪器设备,采用投点仪投点。
如图3.1.2所示为了提高校点精度,在竖井口长边对角适当位置设置投点P1、P2点。
然后利用地面上的控制网进行联测,将测量数据进行平差后。
计算出P1、P2各点坐标,(或用前方交会法定出P1、P2各点),将P1、P2点投在井下的投点板上。
为了检校投点精度,在井上作两次投点,投在投点板上的P1′、P2′、P1″P2″点,然后将全站仪架设在P1′、P2″点上。
目录1、工程概况 (2)2、地质及水文概况 (2)2.1.马头门的地质条件 (3)2.2.水文地质情况 (4)3、马头门的施工顺序 (4)4、马头门破除前的措施 (6)5、施工前准备工作 (7)5.1.技术要求 (7)5.2.施工具备的条件 (7)5.3.施工人员 (8)5.4.施工设备 (9)5.5.施工材料的准备 (10)6、马头门破除施工顺序 (10)7、施工质量要求及标准 (13)7.1.施工技术要求 (13)7.2.施工控制标准 (14)8、监测 (15)8.1.洞内外情况观察 (15)8.2.沉降监测 (16)8.3竖井净空收敛监测 (16)8.4拱顶下沉及隧道净空收敛 (16)9、安全技术措施 (16)9.1.施工过程中注意的问题 (16)9.2.文明施工 (17)1、工程概况***图1 广~双区间施工竖井及横通道结构剖面图2、地质及水文概况2.1.马头门的地质条件马头门顶部土层主要为中粉质粘土⑥中粗砂⑤1层及粉土⑥2层(特性如表1);均属Ⅵ级围岩,稳定性差,很难形成自然拱,施工过程中容易发生坍塌,施工时需要及时施作超前支护。
同时,由于管线渗漏等原因,场地内不排除存在上层滞水的可能性,在少量地下水的滴蚀作用下,圆砾及砂土中的细颗粒很容易被带走,在隧洞顶形成空洞,留下落顶的隐患,施工时需密切关注洞顶漏水问题,并及时采取有效措施,切断补给水源。
表1 马头门岩土特性表2.2.水文地质情况根据区间马头门地质剖面图所示,结合设计说明。
本段现赋存二层地下水,类型分别为潜水(二)和承压水(三),但是由于大气降水、管线渗漏等原因,不排除局部存在上层滞水的可能性。
承压水(三)处于马头门拱顶处,对马头门施工影响很大。
承压水(三)的含水层厚度大、水量补给较充分,且含水层透水性较好,在施工过程中,地下水可能产生潜蚀作用,并造成流砂、坍塌现象,承压水(三)水压极高,施工过程中可能会产生涌水、涌砂和坍塌等现象,影响施工安全。
(2)马头门破除平台搭设;严格按照脚手架规范进行搭设,搭设完毕后经验收合格后方可使用。
(3)上台阶肥槽砖墙破除:①轨排井主体结构与围护结构之间为60Omm肥槽,肥槽采用砖砌筑,肥槽中包含围护结构钢腰梁与锚索,钢腰梁拆除时先割断锚索,再将钢腰梁分段拆除。
②肥槽砖墙破除为环形破除,为方便操作,破除预留“核心土”。
如下如所示:③待肥槽破除完成后,支立上台阶钢格栅,挂网、焊接连接筋、喷射混凝土,钢格栅直立在距主体结构迎上面140Innl处,喷混凝土时喷射成140*25Onlnl的钝角,方便以后区间防水与轨排井的防水顺接。
(4)上台阶围护结构网喷与围护桩破除①用风钻钻眼打设超前小导管并做注浆加固围护桩附近及桩后土体。
②沿开挖轮廓线环形破除上台阶范围内围护桩,清理桩间土,围护桩破除宽度为0.8'lm,深度为0.5m,架设洞门上台阶第一幅格栅,格栅主筋与围护桩主筋焊接为整体;审核人交底人接受交底人③上台阶第一根格栅架设并与围护桩钢筋焊接完成后,与肥槽格栅连接,立即挂钢筋网、喷射混凝土封闭;密排架设第二幅格栅,格栅主筋与围护桩主筋焊接为整体;⑤上台阶第二槁格栅架设并与围护桩钢筋焊接完成后,立即挂钢筋网、喷射混凝土封闭;技术交底记录表C2T编号工程名称交底日期施工单位分项工程名称交底提要 轨排井马头门破除交底内容:⑥将上台阶剩余围护桩全部破除,架设洞口上台阶第三根格栅,前三根(格栅密排布置,并与围护班主筋焊表C2T工程名称交底日期施工单位分项工程名称交底提要 轨排井马头门破除编号交底内容:技术交底记录 2、当做分项工程施工技术交底时,应填写“分项工程名称“栏,其他技术交底可不填写。
接为整体,上台阶第三福格栅架设完成后,立即挂钢筋网、喷射混凝土封闭;⑦向前开挖上台阶第四根并架设格栅,挂钢筋网、喷射混凝土封闭,格栅步距调整为0.5叱⑧依次进行上台阶后续开挖及支护,预留核心土;⑨待上台阶进尺7m后,同样工序破除下台阶围护桩,进行下台阶开挖及支护。
马头门施工方案1. 引言马头门是一种常见的建筑装饰元素,通常用于门前或者建筑入口处作为装饰和标识。
其独特的形状和精美的雕刻工艺赋予了建筑更加华丽和庄重的气质。
本文将介绍马头门施工方案,包括施工准备、施工流程、材料选用和质量控制等内容。
2. 施工准备在开始施工前,需要进行一系列的准备工作,以确保施工顺利进行。
以下是施工准备的主要任务:2.1 设计确定首先,需要根据建筑设计图纸确定马头门的具体尺寸和形状,以及材料的选用和雕刻图案的设计。
这一步是保证后续施工能够按照设计要求进行的关键。
2.2 材料准备根据设计要求,准备所需的材料,包括木料、石料、金属等。
同时,需要检查材料的质量和数量,以确保施工过程中不会出现材料短缺或者质量问题。
2.3 施工工具准备根据施工要求,准备好相应的施工工具,例如锤子、切割机、雕刻刀等。
确保工具的安全和可靠性,以防止在施工过程中产生意外。
2.4 施工环境准备清理施工环境,确保施工现场的整洁和安全。
同时,准备好必要的安全设施,例如安全帽、手套、护目镜等,以保护施工人员的安全。
3. 施工流程马头门的施工流程可以大致分为以下几个步骤:3.1 制作马头门雕刻图案首先,根据设计要求,将马头门的雕刻图案打印或绘制到纸上。
然后,将纸贴在马头门上,用铅笔或者刻刀勾勒出图案轮廓。
3.2 马头门材料加工根据图案轮廓,在所选用的材料上进行切割或雕刻。
例如,如果使用木制材料,可以使用锯子或雕刻刀进行切割和雕刻。
如果使用石料或金属,可以使用切割机或刻刀进行加工。
3.3 马头门组装将雕刻好的各个部件进行组装。
根据设计要求,使用合适的接口和连接件将各个部件固定在一起。
确保组装的稳固和美观。
3.4 表面处理根据需要,对马头门的表面进行处理。
例如,可以使用砂纸将木制马头门的表面打磨光滑,或者使用喷漆对其进行上色。
3.5 安装调整将制作好的马头门安装在建筑入口或门前的位置。
根据实际情况,使用合适的工具和支架将马头门固定在合适的位置,并进行调整,以确保其垂直和水平。
二级建造师2020市政实务常考知识点:马头门施工技术备考的时间不多了,为了做好备考工作,下面由小编为你精心准备了“二级建造师2020市政实务常考知识点:马头门施工技术”,持续关注本站将可以持续获取更多的考试资讯!二级建造师2020市政实务常考知识点:马头门施工技术马头门施工技术(1)竖井初期支护施工至马头门处应预埋暗梁及暗桩,并应沿马头门拱部外轮廓线打入超前小导管,注浆加固地层。
(2)破除马头门前,应做好马头门区域的竖井或隧道的支撑体系的受力转换。
(3)马头门开挖施工应严格按照设计要求,并应采取加强措施。
(4)马头门的开挖应分段破除竖井井壁,宜按照先拱部、再侧墙、最后底板的顺序破除。
隧道掘进方式为环形开挖预留核心土法时,马头门施工步序如下:1)开挖上台阶土方时应保留核心土。
2)安装上部钢格栅,连接纵向钢筋,挂钢筋网,喷射混凝土。
3)上台阶掌子面进尺3~5m时开挖下台阶,破除下台阶隧道洞口竖井井壁。
4)开挖下台阶土方。
5)安装下部钢格栅,连续纵向钢筋,挂初支钢筋网,喷射墙体及仰拱混凝土。
(5)马头门处隧道应密排三榀格栅钢架;隧道格栅主筋应与格栅主筋、连接筋焊接牢固;隧道纵向连接筋应与竖井主筋焊接牢固。
(6)马头门开启应按顺序进行,同一竖井内的马头门不得同时施工。
一侧隧道掘进15m后,方可开启另一侧马头门。
马头门标高不一致时,宜遵循“先低后高”的原则。
(7)施工中严格贯彻“管超前、严注浆、短开挖、强支护、勤量测、早封闭”的十八字方针。
(8)开挖过程中必须加强监测,一旦土体出现坍塌征兆或支护结构出现较大变形时,应立即停止作业,经处理后方可继续施工。
(9)停止开挖时,应及时喷射混凝土封闭掌子面;因特殊原因停止作业时间较长时,应对掌子面采取加强封闭措施。
第1章编制依据1.1编制依据1、《地下铁道工程施工及验收规范》(GB50299-1999)2、《锚杆喷射混凝土支护技术规范》(GB50086-2001)3、《混凝土结构工程施工质量验收规范》(GB50204-2002)4、《钢筋焊接及验收规程》(JGJ18-96)5、《钢筋焊接接头试验方法》(JGJ/T127-2001)6、《建筑施工安全检查标准》(JGJ59-99)7、《建筑机械使用安全技术规程》(JGJ33-2001)8、《施工现场临时用电安全技术规程》(JGJ46-2005)9、《建设工程施工现场供用电安全技术规范》(GB50194-93)10、《混凝土质量控制标准》(GB50164-92)11、《混凝土强度检验评定标准》(GBJ107-87)12、《工程测量规范》(GBJ50026-93)13、《地下工程防水施工及验收规范》GB50208-200214、《铁路隧道施工技术安全规则》TBJ404-8715、《铁路隧道喷锚构筑技术规范》GBTB10108-200216、《组合钢模板技术规范》GBJ214-8917、《市政基础设施工程资料管理规程》DBJ01-71-200318、《建设工程项目管理规范》GB/T50326-20011.2编制原则1、以科学管理和措施保障的有效实施,确保实现本工程所要求的质量、安全、环保目标和工期。
2、方案编制充分考虑本工程的环境特点、工艺重点及施工难点。
3、充分发挥技术实力、机械设备配套能力及项目管理优势。
4、以总体施工部署、施工进度安排、主要施工项目及关键工序的施工方案和技术保证措施作为施工方案的重点内容。
第2章工程概况2.1工程概述本工程为北京地铁十号线车道沟站~长春桥站区间暗挖工程,左线隧道为K53+910.459~K54+129.898(219.439米),右线隧道为K53+864.109~K54+129.898(265.789米)。
本工程施工竖井采用区间盾构竖井。
2.1.1场地位置车道沟站~长春桥站区间位于京密引水渠西岸,区间由车道沟站出发,沿蓝靛厂南路及路西新建绿地向北,经远大南一街丁字路口达到长春桥站。
车~长区间示意图2-1-1盾构竖井位于车道沟桥北,蓝靛厂南路西侧绿化带内。
北侧为水源三厂水井院,东侧紧邻蓝靛厂南路辅路。
2.1.2构筑物及地下管线1、竖井东北侧有三座水源井,距离基坑围护结构最近的水源井距离约27m,水源井编号340#(产权归属北京市自来水公司水源三厂),无需保护。
盾构竖井周边环境平面示意图2-1-22、蓝靛厂南路辅路人行步道下有一条南北走向军缆,与进出现场道路相垂直,需铺盖钢板保护。
3、基坑围护结构西北角斜穿三条直埋电缆,需悬吊保护。
4、基坑北侧有一座箱式变压器,位于盾构始加固段,无需单独保护。
具体详见“盾构竖井周边环境平面示意图2-1-2”。
2.1.3工程地质及水文条件2.1.3.1工程地质马头门位于第四纪晚更新世冲洪积层卵石⑤层:杂色,密实,湿,最大粒径不小于290mm,一般粒径20~60mm,粒径大于20mm颗粒物含量约为50~70%,母岩成份主要为石英砂岩、辉绿岩、安山岩、硅质白云岩,砾石、中粗砂充填,局部夹粉质粘土透镜体。
层底标高34.06~34.17m。
2.1.3.2水文条件地下水类型为层间水(三),水位埋深31.15m,水位标高26.12m,含水层主要为卵石⑦层,观测时间为2009年3月16日,主要接受大气降水,侧向径流补给,以人工开挖和侧向径流方式排泄。
地下水位距离竖井基坑底面(35.583)9.463m,因此竖井施工无需进行降水。
水文地质构造详见下图2-1-3。
地质纵剖图示意图2-1-32.2 工程原因及概况由于竖井南侧区间为暗挖区间,暗挖区间施工前需在竖井结构预留暗挖洞口,如下图所示:竖井暗挖洞口示意图2-2暗挖洞口需进行马头门施工。
马头门施工前必须在竖井二次结构施工前(结构底板混凝土浇筑完成后)在暗挖隧道拱顶沿拱部120°环向打设超前小导管,通过超前导管向地层压注改性水玻璃,进行地层土体加固,以确保暗挖施工安全。
第3章施工部署及方案设计3.1 施工部署3.1.1 施工总体目标1、工程质量目标:工程质量合格率100%。
2、安全生产目标:无责任重伤、亡人事故发生,杜绝重大责任机械设备事故、坍塌事故、火灾事故,杜绝责任交通事故。
3、文明施工目标:以《北京市建设工程现场文明施工管理办法》及公司有关安全文明要求为标准,确保“达标工地”,为公司赢得声誉,为业主增光添彩,为环保工作做出贡献。
3.1.2 施工管理组织体系施工管理组织机构图3-13.1.3 材料机械准备主要材料:1、超前小导管Q195 4*6 52根(L=5米),2、水泥、水玻璃(配比2:1,用量依实际注入量确定)。
主要设备:1、风镐 C-10A2、注浆泵JZB-2型3、砂浆搅拌机 LG—3004、电钻机:KA114。
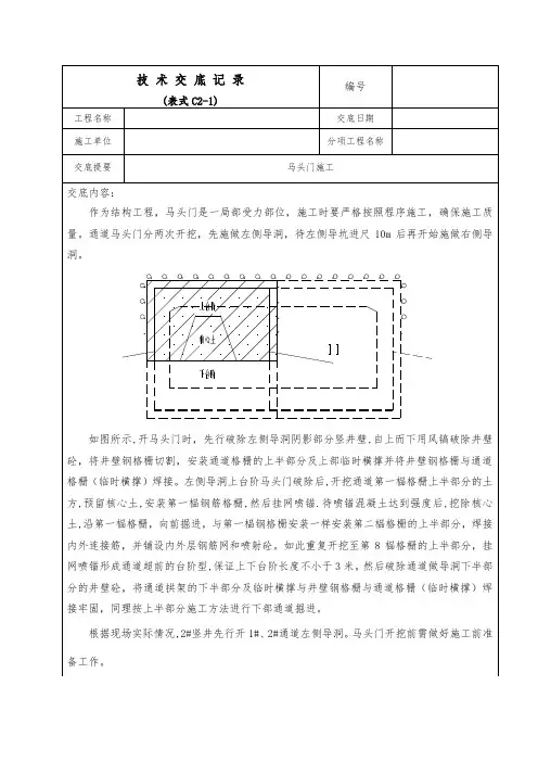
3.2主要设计内容作为隧道暗挖结构工程马头门是一个局部受力部位,施工时要严格按照程序施工,确保施工质量。
同一竖井内的马头门不能同时开门,先开的马头门进尺达到全断面封闭30m后再开下一个马头门。
3.3主要施工方法竖井二次结构施工前(结构底板混凝土浇筑完成后),在暗挖隧道拱顶土方开挖到暗挖隧道拱顶时须沿拱部120°环向打设超前小导管,确保马头门结构的稳定性。
通过超前导管向地层压注改性水玻璃,加固地层。
超前小导管为φ42mm,小导管端头成锥型,四周打8~10mm孔洞,环向间距0.2m。
由于盾构竖井围护结构采用的是围护桩,故马头门位置小导管从上到下分三层打入(见附图《马头门位置超前小导管示意图》),长度为5米,纵向间距为200mm(中对中),横向间距见《马头门超前小导管展开示意图》;仰角8°~12°。
隧道内小导管从第二排起为单层,长度均为2米,仰角12°~15°。
3.3.1超前小导管施工1、小导管加工制作2、小导管安装小导管采用电钻钻孔,打入时用风镐锤振入。
3、浆液选择、配制及注浆设备a、浆液的选择根据本工程地质情况及图纸设计要求浆液选用改性水玻璃浆。
b、浆液参数注浆压力为0.3~0.5MPa。
c、注浆工艺注浆管联接好后,注浆前先压水试验管路是否畅通,然后开动注浆泵,通过小导管压入地层,注浆工艺详见下图。
4、注浆关键技术措施a、严格控制配合比与凝胶时间,初选配合比后,用凝胶时间控制调节配合比,并测定注浆固结体的强度,选定最佳配合比。
b、注浆过程中,严格控制注浆压力,注浆终压必须达到设计要求,并稳压,保证浆液的渗透范围,注浆过程中要防止出现结构变形、串浆、危及地下构筑物、地面建筑物的异常现象。
c、注浆施工前要制定详细的配浆及注浆方案,确保人身安全及浆液质量。
第4章质量管理措施4.1 质量目标在暗挖马头门工程中,应以严格的组织管理体系和科学严谨的质量体系来保证工程质量。
确保本工程满足《合同条款》以及《主要技术标准及要求》规定的工程质量验收标准,工程一次性验收合格,工程质量达到优良等级。
4.2 质量控制1)工程质量严格按照本工程制度,并经甲方和监理工程师认可的施工方案执行,严格按国家有关技术规范‘规程’标准控制施工。
2)严格执行图纸会审和技术交底制度;坚持自检制度,坚持质量双检制、隐蔽工程签证制、质量挂牌、质量讲评、质量奖罚制、质量事故分析等制度,对作业人员坚持定期质量教育和考核;坚决实行质量一票否决权;施工管理人员和特殊工种实施持证上岗制度;制定各类工艺和技术质量标准细则。
加强质量教育活动,提高全员质量意识;实行全面质量管理及质量计划;关键岗位、关键工种先培训后上岗。
并配戴上岗标志牌。
实行施工全过程质量控制;建立质量情报信息网络;强化质量自控能力;落实质量责任终身制;正确处理进度和质量关系;落实技术、质检人员工点质量责任制。
3)技术控制加强施工人员技术培训与标准学习;择优选配专业施工队伍;规范施工操作;强化施工过程中的检测、监控、观测、试验。
1、超前导管和管棚支护、注浆加固施工中,钻孔的外插角允许偏差不大于5‰,钻孔由高位孔向低位孔进行,钻孔的孔径控制在比钢管直径大30~40mm。
施工中遇到卡钻、塌孔时注浆后重钻。
钻孔合格后及时安装钢管。
2、注浆的浆液必须充满钢管及周围的空隙并密实。
其注浆量和注浆压力根据试验进行确定。
注浆结束后检查注浆效果,不合格的进行补浆。
注浆的浆液达到设计强度后方可进行开挖。
注浆的浆液不得溢出地面及超出有效注浆范围。
4)原材料质量控制⑴采购、存放、发料措施材料由项目部集中采购,采购前对供方进行评定,选择合格的厂家购料。
所购材料必须附有说明书、合格证、技术检验证等质量证件。
购料计划须经审批,合同上表明质量标准、材质等方面的要求。
建立健全进场前检查验收、取样送检和发料制度。
⑵试验检测保证措施以试验室为中心,通过试验检测使进入工地的材料符合规范和设计要求。
按国家有关标准和材料使用要求,分项进行抽样检查试验,试验结果报监理审核,作为确定使用依据。
第5章安全保证体系和措施5.1 安全保证体系执行国家有关安全施工的规定,建立健全安全保证体系,实行“事故易发点”控制制度,把事故隐患消灭在萌芽状态,实现安全生产。
5.2 管理组织机构、人员及职责分工⑴、安全管理组织机构成立以项目经理为组长,各管理部门为成员的安全领导小组,项目部及施工组设专职安全员,建立安全责任制,对现场违章及时纠正。
实行安全一票否决制度。
安全管理组织机构见下图。
安全管理机构图 5-1⑵、施工安全措施①对施工操作人员进行安全教育,使施工人员对所使用的设备性能及安全措施有较全面的了解,并在操作中严格执行劳动保护制度。
②配备必要的工作服、安全帽、安全带和手套等劳动保护用品。
③施工完毕,未用完的材料应及时清理入库。
⑶、消防措施①配备必要的消防器材,对职工进行消防教育训练,熟练掌握防火、灭火知识和消防器材的使用方法。
②现场设明显的防火宣传标志,定期进行防火检查。
③施工现场有明火作业的,必须开具用火证,方可施工。
④消除一切可能造成火灾、爆炸事故的根源,施工现场严禁吸烟,严格控制火源。
⑤搬运地严禁火源火种。
⑥生活区及施工现场特别是材料库配足灭火器材,加强安全防范工作,真正做到“防患于未然”,把事故消灭在萌芽状态。
5.3 安全保证措施1、施工人员进入施工现场,必须按规定佩戴安全防护用品,上岗工作前严禁饮酒。
2、施工现场出入口设有安全防护措施,必要时设专人监护,以防伤害行人。
3、施工现场各种防护装置、设施和安全标志齐全。
4、加强用电管理,所有带电机械设备按规范要求设置,并有防雨措施,电动设备安装触(漏)电保护器。
5、加强机械设备检查、维修、保养,不得带病工作,严格操作规程。
6、钻孔中遇到障碍,必须停止钻进作业,待采取措施,并确认安全后,方可继续钻进,严禁强行钻进。