砌筑工程标准做法
- 格式:docx
- 大小:2.52 MB
- 文档页数:14
砌筑工程标准要求
1、宜2~3层石块组成一工作层,每工作层的水平缝应大致找平。
立缝应相互错开,不得贯通;应选择大尺寸的片石砌筑砌体下部;转角外边缘处应用较大及较方正的片石长短交替与内层砌块咬砌。
2、墙体外圈定位行列与转角石应先选择表面较平、尺寸较大的石块,浆砌时,长短相间并与里层石块咬紧,上下层竖缝错开,缝宽不大于,分层砌筑应将大块石料用于下层,每处石块形状及尺寸应合适。
竖缝较宽者可塞以小石子,但不能在石下用高于砂浆层的小石支垫。
排列时,应将石块交错,坐实挤紧,尖锐凸出部分应敲除。
3、砌筑处露面应选择有平面的石块。
使砌体表面整齐,不得使用小石块镶垫。
4、砌体中的石块应大小搭配、相互错叠、咬接牢固,较大及较方正的片石应宽面朝下,石块之间应用砂浆填灌密实,不得干砌。
5、勾缝:勾缝具有防止有害气体和风、雨等侵蚀砌体内部,延长构筑物使用年限及装饰外形美观等作用。
本分项工程挡土墙勾缝采用凹缝进行施工。
勾缝宜采用1:1.5~1:2的水泥砂浆,并应嵌入砌缝内约。
勾缝前,应先清理缝槽,用水冲洗湿润,再在缝内抹适量水泥净浆。
勾缝应保持砌后自然缝,不应有瞎缝、丢缝、裂纹和粘结不牢等现象。
成活的灰缝水平缝与竖直缝应深浅一致、交圈对口、密实光滑,搭接处平整,阳角方正,阴角处不能上下直通,不能有丢缝、瞎缝现象。
灰缝应整齐、拐角圆滑、宽度一致、不出毛刺,不得空鼓、脱落。
砌墙!砌墙!规范标准化详细做法一、砌体组成形式砌筑材料±0.000以上外墙为加气混凝土砌块,内墙为空心砌块砌筑。
±0.000以下用混凝土空心砌块墙(如涉及节能要求墙体可选用Mb5加气混凝土专用砂浆砌A5加气混凝土砌块)。
1、实行工序质量控制管理办法技术负责人对砌墙工序向施工班组及相关管理人员进行技术交底,栋号施工员、观砌、项目质量员跟踪控制及过程检查,负责砌体实测偏差控制,对不符合规范要求的予以拆除。
各相关人员要努力做到以工作质量保证工序质量,以工序质量保证产品质量。
2、严格执行首件样板制度砌体工程要做好如下几项的首件样板,由栋号施工员和质量员负责实施:a、地下室混凝土空心砖填充墙,上部结构加气混凝土砌块及混凝土空心砖b、混凝土导墙、构造柱、过梁混凝土3、工程质量及隐蔽工程验收严格执行“三级”管理验收制先由操作班组方自行检查,报栋号施工员检验,质量员复检,合格后再报监理最终验收,验收通过合格后,才能进行下一道工序施工。
砌体工程的隐蔽工程项目:墙拉结、构造柱。
二、技术措施砌体砌筑:1、混凝土空心砖、加气混凝土砌块强度必须符合设计要求,并具有质量保证资料。
砖块进场时必须严格验收,要求尺寸正确、表面平整、无凹凸弯曲变形、无缺楞掉角、无裂纹,对几何尺寸偏差控制在2mm以内,对偏差大的坚决予以退回,这是保证砌体工程质量的前提,由材料员、质量员负责把关。
2、加气混凝土砌块应防止雨淋,由材料员负责材料保护。
3、观砌要严格控制砌体的放线精度,放线允许偏差+5mm,栋号施工员、技术负责人负责对砌体放线进行技术复核。
4、砌筑前应先弹出水平线和墙身线,所有线必须考虑内外立面观系,各种线经复核后方可使用。
扫清墙身部位浮灰,冲水湿润。
5、砂加气混凝土砌块砌筑时,用专用粘结剂砌筑严禁浇水。
6、观砌根据砌体高度立皮数杆,在皮数杆上划出每皮砌块、灰缝厚度和圈过梁位置,栋号施工员、技术员负责对皮数杆进行技术复核。
1砌体工程施工工艺1、填充墙砌筑1)施工工艺作业准备→商品砂浆→砌块排列→铺砂浆→砌块就位→校正→砌筑斜砖→竖缝灌砂浆→勒缝2)作业准备框架的填充砌块,施工前应先做砌块排列,以准备砌块砌筑。
砌体施工前,应将基础面或楼层结构面按标高找平,放出第一皮砌块的轴线、砌体边线和洞口线。
3)商品砂浆采用预拌商品砂浆。
砂浆应随到随用,一般水泥砂浆和水泥混合砂浆须在拌成后3h~4h内使用完,不允许使用过夜砂浆。
应按照试验的相应规范的规定取样制作砂浆试块。
4)砌块排列在墙体线范围内分块定尺、划线,排列砌块的方法和要求如下:砌块砌体在砌筑前,应根据工程设计施工图,结合砌块的品种、规格、绘制砌体砌块的排列图,经审核无误,按图排列砌块。
砌块排列应从结构基面或±0.000面排列,排列时尽量可能采用主规格的砌块,砌体中主规格砌块应占总量的75%~80%。
砌块排列上、下皮应错缝搭砌,搭砌长度一般为砌块的1/2,不得小于砌块高度的1/3,也不应小于150mm,如果搭错缝长度满足不了规定的压搭要求,应采取压砌钢筋网片的措施,具体构造按设计规定。
外墙转角及纵横墙交接之处,应将砌块分皮咬槎,交错搭砌,如果不能咬槎时,按设计要求采取其他的构造措施;砌体垂直缝与门窗洞口边线应避开通缝,且不得采用页岩砖镶砌。
砌体水平灰缝厚度一般为15mm,如果加钢筋网片的砌体,水平灰缝厚度为20~25mm,垂直灰缝宽度为20mm。
大于30mm的垂直缝,应用C20的细石砼灌实。
砌块排列尽量不镶砖或少镶砖,必须镶砖时,应用整砖平砌,且尽量分散,镶砌砖的强度不应小于砌块强度等级。
砌块墙体与结构构件位置有矛盾时,应先满足构件布置。
5)铺砂浆砌体在施工前,要将砌筑面适当浇水湿润,先按实地摆块,将砂浆通过吊斗、灰车运至砌筑地点,在砌块就位前,用大铲、灰勺进行分块铺灰,较小的砌块量大铺灰长度不得超过1500mm。
6)砌块就位与校正砌块砌筑前一天应进行浇水湿润,冲去浮尘,清除砌块表面的杂物后方可吊、运就位。
砌体施工工艺流程标准做法图文详细1、施工工艺流程2、施工要点(1)定位放线根据建筑图纸放好细部线,包括门窗洞口和竖向线盒统一留置的高度.【说明】砌体工程施工前核对好放样尺寸,核对实际的轴线、尺寸、位置、标高、门窗的实际尺寸是否与设计相符;使用的砌筑预埋件,其规格质量要符合设计要求。
结构经验收合格后,把砌筑基层楼地面的浮浆残渣清理干净,并根据设计图纸进行墙身、门窗洞口位置弹线,同时在结构墙柱上标出标高线.(2)卫生间反坎制作凡厕、厨房间的墙体部位应设置高出楼地面不小于150mm的现浇混凝土坎台,厚度与墙体同。
【说明】根据墙体净高度、砌块的高度及灰缝厚度计算皮数,选择合适的组合排砖方法,确定砖块的层数。
应注意考虑门窗洞口过梁及圈梁高度和位置,根据排版情况在加气砼砌块底部设置200mm 高左右蒸压水泥砖调节圈梁高度及位置和顶部斜砌高度,在厨房、卫生间露台、外阳台等经常受干湿交替作用的墙体根部,浇筑宽度同墙厚、高度不小于 200mm 的 C20 素混凝土墙垫。
根据墙体净高度、砌块的高度及灰缝厚度计算皮数,选择合适的组合排砖方法,确定砖块的层数。
(3)拉结筋制作砌体与钢筋混凝土框架柱的拉结预埋筋位置应准确,要依据全高及策划的构造位置针对性的留设,拉结于墙体内砌长度应符合设计要求。
【说明】竖向间距满足规范和砌体的模数要求。
拉结筋应平直,于墙体内有弯钩,在拉结筋段内的水平灰缝砂浆饱满度应大于85%,不得使用膨胀螺栓固定焊接拉结筋。
砌体与结构或构造柱的拉结预埋筋位置应准确, 拉结于墙体内砌长度应符合设计要求.钻孔深度必须满足设计要求;孔洞的清理要求用专用电动吹风机,确保粉尘的清理效果;墙体拉接筋抗拔试验合格后才能进行砌筑. 砌块墙体的转角处和交接处应同时砌筑,严禁无可靠措施的内外墙分砌施工;对不能同时砌筑而且必须留置的临时间断处应砌成斜槎,斜槎水平投影长度不得小于高度的 2/3。
临时间断处补砌时应将接槎处灰浆及杂物清理干净,浇水湿润,并用砂浆填实保持灰缝顺直。
⾼精度砌块砌筑⼯程标准做法(修订)碧桂园集团SSGF⼯业化建造体系⾼精度砌块砌筑⼯程标准做法(2017试⾏版)⽬录⼀、⽬的 (3)⼆、适⽤范围 (3)三、编制说明 (3)四、砌筑⼯程标准做法 (3)(⼀)⼯具准备 (3)(⼆)原材料 (4)(三)图纸深化 (6)(四)集中加⼯ (6)(五)⼯作⾯准备 (7)(六)砌筑过程 (7)(七)节点要求 (9)(⼋)特殊部位处理 (10)五、管理动作 (11)⼀、⽬的明确⾼精度砌块砌筑⼯程的标准做法,提⾼砌筑实测质量、观感质量、现场整洁度,实现薄抹灰或免抹灰要求,从⽽提升客户对于⼯程质量的满意度。
⼆、适⽤范围适⽤于碧桂园在建及新建采⽤SSGF⼯业化建造体系(⾮预制内墙板)的项⽬标准层⾮卫⽣间区域(厨房、⽔电井取消混凝⼟反坎,采⽤陶瓷墙板反坎代替)。
三、编制说明原则上要求所有新建SSGF⼯业化建造体系的项⽬采⽤预制内墙板施⼯,如确因墙板资源有限,则必须选⽤⾼精度砌块砌筑内墙,按本标准做法执⾏。
四、砌筑⼯程标准做法(⼀)⼯具准备齿形刮⼑橡胶锤吊线锤⽑刷卷尺勾缝器不锈钢连接⽚射钉、射钉枪扫把(⼆)原材料1.砌块要求:(1)尺⼨偏差:长、宽、厚分别为±2mm、±1.5mm、±1.5mm (2)龄期:≥28天(3)强度等级(Mpa):抗压强度≥A5.0。
2.运输要求:(1)采⽤专⽤叉车装车、卸货,减少⼈⼯搬运造成的损坏。
3.砌块存放:(1)砌块从⼚家运到⼯地后,集中堆放场地必须上盖下垫:(2)上盖:采⽤搭棚的⽅式,棚的外檐超出砌块外边⾄少1⽶,有效防⾬(或彩条布等防⾬布覆盖);(3)下垫:⽅⽊+模板铺平台,平台⾼出周边⾄少10公分、并能有效排⽔。
4.砌筑砂浆:(1)采⽤蒸压加⽓混凝⼟专⽤砂浆(聚合物⼲粉砂浆),强度等级≥5.0MPa,砌体与砂浆之间粘结强度≥0.2MPa ,保⽔率≥99%(见GB/T25181-2010预拌砂浆)。
5.⽔电管线槽封堵采⽤专⽤聚合物修补加固砂浆。
砌筑工程施工方法(1)施工流程:楼面清理→墙体放线→砌体浇水→制备砂浆→三皮灰砂砖打底→砌块排列→铺砂浆→砌块就位→校正→砌筑→竖缝灌砂浆→勾缝(2)砌墙前先弹出建筑物的主要轴线及砌体的控制边线,按砌块尺寸计算皮数和排数,编制排列图。
按排列图从墙体转角处或定位砌块处开始砌筑。
(3)砌块运至现场后在指定地点堆码整齐,堆码不宜过高,堆垛上设立标志。
水泥进入现场时必须附有出厂检验报告和准用证。
按照规范进行复试;配制砂浆用洁净的中砂,过筛,且含泥量不超过5%。
根据所用材料委托有资质的试验室进行砌筑砂浆配合比试配工作。
(4)根据墙体施工平面放线和设计图纸上的门、窗位置大小,层高、砌块错缝、搭接的构造要求和灰缝大小,在每片墙体砌筑前应按预先绘制好的墙面砌块排列图把各种规格的砌块按需要砌砖的规格尺寸进行排列摆放、调整。
(5)砌块宜提前2天浇水湿润。
表面有浮水时不得进行砌筑。
砌筑前应根据砌体皮数制作皮数杆,并在墙体转角处及交接处竖立,皮数杆间距不得超过15m。
(6)填充墙的施工根据《框架轻质填充墙构造图集》及结构说明中所提供的构造作法进行施工。
(7)水平灰缝应平直、厚度均匀,砂浆饱满,按净面积计算的砂浆饱满度不应低于80%,一般应控制在8~12mm。
应边砌边勾缝,不得出现通缝,严禁出现透亮缝。
竖向灰缝应采用加浆方法,使其砂浆饱满,不得出现瞎缝、透明缝。
(8)所有填充墙纵横交接及转角处均错缝搭砌,无构造柱处应用钢筋拉结。
(9)专业管线的安装:专业管线的安装与砌筑施工协调配合,做好预留预埋。
(10)所有填充墙与柱、混凝土墙连接,门窗过梁、配筋带配筋均按指定标准图集施工。
填充墙构造柱按照规范及设计要求留设。
(11)挂线:砌筑必须双面挂线,如果长墙几个人均使用一根通线,中间应设几个支线点,小线要拉紧,每层砖都要穿线看平,使水平缝均匀一致,平直通顺;砌一砖厚混水墙时宜采用外手挂线,可照顾砖墙两面平整,为下道工序控制抹灰厚度奠定基础。
分项工程质量控制标准文件编号GC-HD-01 版本号Ⅰ生效日期金地集团华东区域砌筑工程标准做法修改状态修订情况生效日期IIIIIIIV起草职务日期审核职务日期审核职务日期审核职务日期审核职务日期签发职务日期1目的:明确砌筑施工工艺标准控制流程,提升砌筑工程实体及观感质量,进而提升客户对于工程质量的满意度。
2适用范围:适用于金地(华东区域)公司所有在建及新建项目。
3砌筑工程标准做法:3.1节点构造案例砌筑观感、门窗洞口尺寸:窗台板植筋不符合要求或漏植筋;未伸入墙体或伸入墙体长度不足,收面不平整。
空鼓/开裂:抹灰工序导置,基层未甩浆、构造柱未植筋浇筑完成已下道工序施工且一次性成活。
3.2砌筑施工质量控制(图一)基层结构板清扫(图二)基层结构板润湿(图三)无防水返坎设置(图四)厨卫间砼导墙设置(图五)线管预埋在墙内,用砂浆塞实(图六)砌筑至一步架停歇(图七)墙体砌筑完双面勾缝(图八)预留斜顶砌位置(图九)沉降14D砌筑斜顶3.3优差做法对比错误做法:卫生间返坎支模过于简单不牢固,浇筑砼时不敢用力振捣,导致蜂窝麻面、不密实。
正确做法:采用定型模具,保证模板稳固支撑,保证返坎成型质量。
错误做法:墙体砌筑时,未及时预埋线管,导致后期开槽下管。
正确做法:墙体砌筑时,预埋线管在墙内,并用砂浆填实。
错误做法:砌筑墙体预埋线盒不正,且未出墙考虑抹灰厚度。
正确做法:砌筑墙体预埋线盒水平并出墙考虑抹灰厚度。
错误做法:砌筑墙体相邻预埋线盒不在同一水平线。
正确做法:砌筑墙体相邻预埋线盒在同一水平线上。
错误做法:墙体砌筑赶活但未考虑通缝。
正确做法:正确排砖保证砌筑墙体质量。
错误做法:窗台压顶未伸入两侧墙体。
正确做法:现浇窗台板宽同墙厚,高度≥100mm,每边入墙内250mm(不足250mm通常设置)。
错误做法:砌体砌筑砂浆不饱满,存在瞎缝,通缝透亮、瞎洞情况。
正确做法:保证灰缝砂浆饱满度,并勾缝。
错误做法:墙体未分层砌筑,一次性砌筑至斜砖底。
砖基础砌筑1 范围本工艺标准适用于一般工业与民用建筑砖混和外砖内模结构的基础砌筑工程。
2 施工准备2.1 材料及主要机具:2.1.1 砖:砖的品种,强度等级须符合设计要求,并应规格一致。
有出厂证明、试验单。
2.1.2 水泥:一般采用325号矿渣硅酸盐水泥和普通硅酸盐水泥。
2.1.3 砂:中砂,应过5mm孔径的筛。
配制M 5以下的砂浆,砂的含泥量不超过10%;M5及其以上的砂浆,砂的含泥量不超过5%,并不得含有草根等杂物。
2.1.4 掺合料;石灰膏,粉煤灰和磨细生石灰粉等,生石灰粉熟化时间不得少于7d。
2.1.5 其它材料:拉结筋、预埋件、防水粉等。
2.1.6 主要机具:应备有砂浆搅拌机、大铲、刨锛、托统板、线坠、钢卷尺、灰槽、小水桶、砖夹子、小线、筛子、扫帚、八字靠尺板、钢筋卡子、铁抹子等。
2.2 作业条件:2.2.1 基槽:混凝土或灰土地基均已完成,并办完隐检手续。
2.2.2 已放好基础轴线及边线;立好皮数杆(一般间距15~20m,转角处均应设立),并办完预检手续。
2.2.3 根据皮数杆最下面一层砖的底标高,拉线检查基础垫层表面标高,如第一层砖的水平灰缝大于20mm时,应先用细石混凝土找平,严禁在砌筑砂浆中掺细石代替或用砂浆垫平,更不允许砍砖合子找平。
2.2.4 常温施工时,粘土砖必须在砌筑的前一天浇水湿润,一般以水浸入砖四边1.5cm左右为宜。
2.2.5 砂浆配合比已经试验室确定,现场准备好砂浆试模(6块为一组)。
3 操作工艺3.1 工艺流程:3.2.1 砂浆配合比应采用重量比,并由试验室确定,水泥计量精度为±2%,砂,掺合料为±5%。
3.2.2 宜用机械搅拌,投料顺序为砂→水泥→掺合料→水,搅拌时间不少于1.5min。
3.2.3 砂浆应随拌随用,一般水泥砂浆和水泥混合砂浆须在拌成后3h和4h内使用完,不允许使用过夜砂浆。
3.2.4 基础按一个楼层,每250m3砌体,各种砂浆,每台搅拌机至少做一组试块(一组六块),如砂浆强度等级或配合比变更时,还应制作试块。
砌筑工程施工工艺(一)、普通实心砖墙砌筑1适用范围本工艺标准适用于作一般七层及七层以下的民用住宅墙体和工业厂房围护的墙体。
2引用标准砌体工程施工质量验收规范(GB50203—2002)3术语3.1砖墙为民用与工业建筑最为常用的墙体形式。
3.2通缝砌体中,上下皮材搭接长度小于规定数值的竖向灰缝。
3.3假缝为掩盖砌体竖向灰缝内在质量缺陷,砌筑砌体时仅在表面作灰缝处理的灰缝。
4材料要求4.1烧结普通砖砖的品种、强度等级必须符合设计要求,并应规格一致;有出厂合格证或试验单。
4.2毛石用坚实、未风干、无裂缝、夹层、杂质的石料,强度等级不底于MU20,尺寸一般以高宽在20~30cm、长在30~40cm之间为宜,毛石表面的水锈、浮土、杂质应清刷(洗)干净。
4.3水泥采用强度等级32.5普通硅酸盐水泥或矿渣硅酸盐水泥,应有出厂合格证或试验报告。
4.4砂用中砂,并通过5mm筛孔。
配制M5(含M5)以上砂浆,砂的含泥量不应超过5%;M5以下砂浆,砂的含泥量不应超过10%,不得含有草根等杂物。
4.5掺合料有石灰膏、磨细生石灰粉、电石膏和粉煤灰等,石灰膏的熟化时间不应少于7d,严禁使用冻结或脱水硬化石灰膏。
4.6外加剂多使用微沫剂或各种不同品种的有机塑化剂,其掺量、稀释办法、拌合要求和使用范围应严格按有关技术规定执行,并由试验室试配确定。
5施工准备5.1作业条件5.1.1砌筑前,基础及防潮层应经验收合格,基础顶面弹好墙身轴线、墙边线、门窗洞口和柱子的位置线。
5.1.2办完地基、基础工程隐检手续。
5.1.3回填完基础两侧及房心土方,安装好暖气沟盖板。
5.1.4在墙转角处、楼梯间及内外墙交接处,已按标高立好皮数杆;皮数杆的间距以15~20m为宜,并办好预检手续。
5.1.5砌筑部位(基础或楼板等)的灰渣,杂屋清除干净,并浇水湿润。
5.1.6砂浆由试验室做好试配,确定配合比;准备好砂浆试模。
5.1.7随砌随搭好的脚手架;垂直运输机具就绪。
砌体工程施工标准1 填充墙顶部处理1.1 材料:砖、三角混凝土预制块、成品斜砌块、砌筑砂浆。
1.2 工具:切割机、灰刀、线绳。
1.3 工序:砌斜砖位置留设切砖砌斜砖、安放三角混凝土预制块清缝。
1.4 工艺方法:填充墙砌至梁、板底时,留80~200mm空隙,根据斜砌需要把砖切成平行四边形。
在填充墙砌完间歇7天后将顶部空隙斜砌,斜砌角度为45~60°,逐块斜砌挤紧,灰缝厚度控制在8~12mm,两端、中间用三角混凝土预制块砌筑。
1.5 控制要点:留置高度、斜砌角度。
1.6 质量要求:斜砌砖应逐块挤紧,砂浆饱满。
1.7 做法详图:图1-1 填充墙顶部斜砌砖示意图1.8效果图:图1-2 填充墙顶部斜砌效果图2 构造柱马牙槎砌筑2.1 材料:砖或砌块、砌筑砂浆、背胶海绵条。
2.2 工具:Φ16螺杆或镰刀卡、切割机。
2.3 工序:排砖砌筑、留孔贴海绵条支模。
2.4 工艺方法:构造柱与砌体连接处砌成马牙槎,马牙槎先退后进,退后尺寸为每边60mm ,高度不大于300mm ,进槎下口砖裁成宽60mm ,角度45°的斜角。
随砌随留穿墙孔,留孔水平距离不大于600mm ,竖向间距不大于400mm ,第一个孔离板面不大于200mm 。
支模前构造柱马牙槎边缘贴海绵条,空心砖朝向构造柱的水平砖孔应封堵,防止漏浆。
2.5 控制要点:马牙槎高度、斜口、海绵条、螺栓孔。
2.6 质量要求:构造柱马牙槎进退位置尺寸偏差±5mm 。
2.7 做法详图:图2-1 构造柱马牙槎留置示意图2.8 效果图:图2-2 构造柱马牙槎留置效果3 填充墙与混凝土墙交界处理3.1 材 料:界面剂、聚合物砂浆、弹性腻子、无纺布、白乳胶。
3.2 工具:抹子、刷子。
3.3 工序:填充墙与混凝土接触面甩浆填充墙砌筑接缝抹角大面抹灰拉缝填缝贴布。
3.4 工艺方法:砌筑前,在填充墙与混凝土接触面上用界面剂甩浆形成毛面,砌筑时与混凝土接缝处砂浆填塞密实。
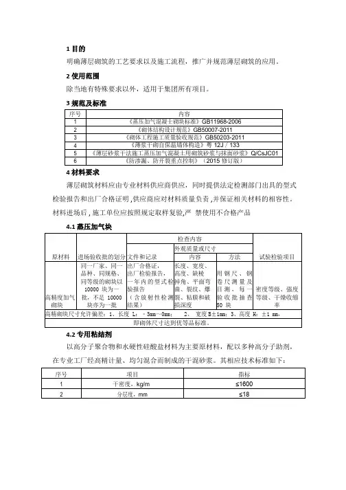
1 目的明确薄层砌筑的工艺要求以及施工流程,推广并规范薄层砌筑的应用。
2 使用范围除当地有特殊要求以外,适用于集团所有项目。
3 规范及标准4 材料要求薄层砌筑材料应由专业材料供应商供应,同时提供法定检测部门出具的型式检验报告和出厂合格证明 ,供应商应对材料质量负责 ,并保证相关材料的相容性。
材料进场后 , 施工单位应按照规定取样复验,严禁使用不合格产品4.1 蒸压加气块4.2 专用粘结剂以高分子聚合物和水硬性硅酸盐材料为主要原材料,配以多种高分子助剂,在专业工厂经高精计量、均匀混合而制成的干混砂浆。
其相应技术标准如下:4.3 专用 L 型铁件以镀锌薄钢板为材料,经模具折边、钻孔而形成的直角铁件;被广泛运用于蒸压加气块节能材料的施工中,已基本代替了传统混凝土柱用拉结筋与墙体的连接。
其相应规格尺寸及技术标准如下:5、施工方法5.1 施工准备5.1.1 排砖图施工前需熟悉图纸,画好排砖图,原则上砌体尺寸要求不少于标准(600mm 长)的 1/3 且不应少于 200mm。
5.1.2 施工机具5.1.3 作业条件准备(1)弹好墙身轴线、墙边线、门窗洞口的位置线,且对构造柱、门窗洞口位置进行了复核。
(2)对作业人员作好详细的技术交底,并作好安全教育。
(3)根据统一标高控制线及窗台、窗顶标高,预排出砌块的皮数线,皮数线可划在柱、墙上,并经质量部门验收合格。
(4)随砌随搭好脚手架;垂直运输机具准备就绪。
5.2 二次结构植筋施工工艺5.2.1 施工流程弹线定位→钻孔→清孔→注胶→植筋→固化养护→抗拔试验5.2.2 施工操作(1)弹线定位根据设计图的配筋位置及数量,错开原结构钢筋位置,标注出植筋位置并请监理、甲方验线,合格后方可钻孔。
(2)钻孔冲击钻钻孔,钻头直径应比钢筋直径大 4-8mm 左右,孔深 10d,.钻孔时,钻头始终与柱面保持垂直。
(3)清孔清孔是植筋中最重要的一个环节,孔钻完后内部会有很多灰粉、灰渣,直接影响植筋的质量,使用毛刷、气筒清理孔内碎渣和粉尘,使孔洞内达到清洁。
第一节砌筑准备工作1、根据设计及规范要求将厨卫间有砼翻边要求的位置,用墨线在楼面进行放线便于支模。
2、按墙段实量尺寸、洞口位置和砌块规格尺寸作砌体排版。
排版测量放线第二节混凝土翻边1、模板内侧设内衬,同时外侧用U型模板条控制翻边厚度(过梁、圈梁和压顶均采用此方法加固)。
2、厨卫间、外墙砼翻边高度不低于120mm(但也得结合砌块模数,一般填充墙翻边为200高);3、水电预埋应在浇筑前完成,要求定位准确,加固牢靠,不得后凿。
砼翻边成型和水电预埋圈梁,过梁加固翻边混凝土加固、浇筑第三节砌筑要点1、砌筑时一定要设置皮数杆并带线,保证“上跟线,下跟棱,左右相邻要对平”。
2、灰缝砂浆饱满,内墙水平和垂直灰缝饱满度均应≥80%,外墙灰缝饱满度均应100%,砌筑墙面应横平竖直,阴阳角方正;落地灰及时回收利用,产生的垃圾随时清理归堆。
3、蒸压加气砌块灰缝水平厚度为15~20mm,其他为8 ~12mm。
4、蒸压加气砌块采用切割机或专用工具切割,严禁用刀或斧砍。
设置皮数杆专用切割机灰缝饱满且横平竖直第四节构造柱和拉结钢筋1、构造柱纵向钢筋及箍筋符合设计。
2、构造柱纵向钢筋顶部和底部应锚入混凝土梁或板中。
3、拉结钢筋应沿砌筑全高设置,间隔满足规范及设计要求。
拉结钢筋构造柱钢筋第五节构造柱和拉梁1、砌体填充墙净高>4.0m时设置拉梁(腰带);砌体填充墙长>2H时或墙长>5m时设构造柱,同时应满足设计要求。
构造柱和拉梁(腰带)第六节构造柱(1):马牙槎和浇筑口1、构造柱与墙体交接处留出马牙槎,马牙槎先退后进,宽度为60mm,上下对齐。
2、沿砌体马牙槎凹凸边缘贴上海绵条。
3、顶部模板装成喇叭式进料口,进料口应比构造柱高出100mm。
4、浇筑砼时应把进料口也满浇,拆模后将突出的混凝土打凿掉即可。
浇筑口设置留置马牙槎第六节构造柱(2):模板加固1、构造柱模板的对拉螺杆宜设置于构造柱中,不宜在墙上打、钻孔。
2、对拉螺杆距离上下各150mm,中间距离≤600mm。
碧桂园集团SSGF工业化建造体系高精度砌块砌筑工程标准做法(2017试行版)目录一、目的 (3)二、适用范围 (3)三、编制说明 (3)四、砌筑工程标准做法 (3)(一)工具准备 (3)(二)原材料 (4)(三)图纸深化 (6)(四)集中加工 (6)(五)工作面准备 (7)(六)砌筑过程 (7)(七)节点要求 (9)(八)特殊部位处理 (10)五、管理动作 (11)一、目的明确高精度砌块砌筑工程的标准做法,提高砌筑实测质量、观感质量、现场整洁度,实现薄抹灰或免抹灰要求,从而提升客户对于工程质量的满意度。
二、适用范围适用于碧桂园在建及新建采用SSGF工业化建造体系(非预制内墙板)的项目标准层非卫生间区域(厨房、水电井取消混凝土反坎,采用陶瓷墙板反坎代替)。
三、编制说明原则上要求所有新建SSGF工业化建造体系的项目采用预制内墙板施工,如确因墙板资源有限,则必须选用高精度砌块砌筑内墙,按本标准做法执行。
四、砌筑工程标准做法(一)工具准备齿形刮刀橡胶锤吊线锤毛刷卷尺勾缝器不锈钢连接片射钉、射钉枪扫把(二)原材料1.砌块要求:(1)尺寸偏差:长、宽、厚分别为±2mm、±1.5mm、±1.5mm (2)龄期:≥28天(3)强度等级(Mpa):抗压强度≥A5.0。
2.运输要求:(1)采用专用叉车装车、卸货,减少人工搬运造成的损坏。
3.砌块存放:(1)砌块从厂家运到工地后,集中堆放场地必须上盖下垫:(2)上盖:采用搭棚的方式,棚的外檐超出砌块外边至少1米,有效防雨(或彩条布等防雨布覆盖);(3)下垫:方木+模板铺平台,平台高出周边至少10公分、并能有效排水。
4.砌筑砂浆:(1)采用蒸压加气混凝土专用砂浆(聚合物干粉砂浆),强度等级≥5.0MPa,砌体与砂浆之间粘结强度≥0.2MPa ,保水率≥99%(见GB/T25181-2010预拌砂浆)。
5.水电管线槽封堵采用专用聚合物修补加固砂浆。
砌筑工程及墙体抹灰工程标准化做法(附图参考)一、砌筑说明:1、砌体工程的顶层和底层应设置通长现浇钢筋混凝土窗台梁,高度不宜小于120㎜,纵向配筋不少于4φ10,箍筋φ6@200;其他层在窗台标高处,应设置通长现浇钢筋混凝土板带,板带的厚度不小于60mm,混凝土强度等级不应小于C20,纵向配筋不宜少于3φ8 ;2、顶层门窗洞口过梁宜结合圈梁通长布置,若采用单独过梁时,过梁伸入两端墙内每边不少于600mm,且应在过梁上的水平灰缝内设置2~3道不小于2φ6@300通长焊接钢筋网片。
3、顶层及女儿墙砌筑砂浆的强度等级不应小于M7.5。
粉刷砂浆中宜掺入抗裂纤维或采用预拌砂浆。
二、住宅工程质量通病控制标准混凝土小型空心砌块、蒸压加气混凝土砌块等轻质墙体,当墙长大于5m时,应增设间距不大于3m的构造柱;每层墙高的中部应增设高度为120mm,与墙体同宽的混凝土腰梁,砌体无约束的端部必须增设构造柱,预留的门窗洞口应采取钢筋混凝土框加强。
当框架顶层填充墙采用灰砂砖、粉煤灰砖、混凝土空心砌块、蒸压加气混凝土砌块等材料时,墙面粉刷应采取满铺镀锌钢丝网等措施。
屋面女儿墙不应采用轻质墙体材料砌筑。
当采用砌体结构时,应设置间距不大于3m的构造柱和厚度不少于120mm的钢筋混凝土压顶。
洞口宽度大于2m 时,两边应设置构造柱。
墙体砌筑15天以上方可砌筑斜砖或塞缝;斜砖角度60度,留缝为40~50mm;三、砌体工程材料的控制1、砌筑砂浆应采用中、粗砂,严禁使用山砂和混合粉。
2、蒸压灰砂砖、粉煤灰砖、加气混凝土砌块的出釜停放期不应小于28d,不宜小于45d;混凝土小型空心砌块的龄期不应小于28d。
四、砌筑施工质量控制1、填充墙砌至接近梁底、板底时,应留有一定空隙,填充墙砌筑完并间隔15d以后,方可将其补砌挤紧;补砌时,对双侧竖缝用高强度等级的水泥砂浆嵌填密实。
2、框架柱间填充墙拉结筋应满足砖模数要求,不应折弯压入砖缝。
拉结筋宜采用预埋法留置。
墙体砌筑细部做法施工工艺流程:放出墙体边线、门窗洞口线,标出构造柱位置→报验→拉接筋、构造柱打孔、清孔→报验→墙拉筋及构造柱钢筋定位、植筋→报验→浇水润湿砌筑部位结构基层→用水泥标砖砌筑墙底部(厨卫间部位在模板支设完毕后,现浇墙厚×200mm高C20砼翻边)→构造柱钢筋绑扎→墙体砌筑及墙拉筋绑扎,并按要求放置墙体拉接钢筋,以及过梁钢筋设置(过程中控制混凝土带设置及圈梁设置)→构造柱、过梁模板支设→浇筑构造柱、过梁→构造柱、圈梁拆模→清理墙面及室内落地灰以及室内作业杂物→报验1、测量放线检查结果误差为0卫生间、衣帽间墙线检查在保证放线尺寸允许偏差的前提下,尽量将测量放线误差控制在最小。
测量放线精度应控制在±2mm以内。
测量放线应全数检查。
2、构造柱、过梁及墙体拉结筋植筋墙体拉结筋定位填充墙与剪力墙、构造柱的连接处应设置拉结筋2Φ6,沿墙全长贯通,竖向间距600mm。
墙体拉结筋、构造柱、过梁钻孔示意图当遇见墙筋时重新打孔检查钻孔深度使用风钻或电锤进行钻孔,直径为Φ6钢筋,孔径为10mm;直径为Φ12钢筋,孔径为16mm;根据楼板厚度,钻孔深度为15d,楼板处植筋深度为100mm。
在钻孔过程中,(1) 若遇到钻孔部位钢筋太密而无法按要求位置钻孔时,可在其附近钻一附加孔洞,植入钢筋,原钢筋仍按正确位置放置(即搁在正确钻孔部位上)。
(2) 若遇到专业线管不允许在继续钻孔,可在其附近钻一附加孔洞,植入钢筋,原钢筋仍按正确位置放置(即搁在正确钻孔部位上)构造柱植筋孔清理方法:气筒打压吹扫墙拉筋植筋孔清理方法:气筒打压吹扫、法高压水冲洗清孔:钻孔成型后应对残积于孔内的灰尘进行清理,首先使用圆形长条毛刷进行反复刷扫,扫出大部分的粉尘,余下的利用气筒打压吹扫处理完毕,对于墙体上的植筋孔墙拉筋植筋孔清理方法:气筒打压吹扫、法高压水冲洗,构造柱植筋孔清理方法:气筒打压吹扫,注意在构造柱植筋前在清理一次,清理完毕马上植筋,避免灰尘、杂物落入孔内。
砌体工程施工工艺标准1. 总则1.1 本标准适用于建筑工程中的砌体工程施工,包括砌砖、石、砌块及轻质墙板等内容。
1.2 本标准应结合设计图纸、施工规范及施工现场实际情况进行施工。
2. 材料要求2.1 材料进场时必须有出厂合格证及性能检测报告。
不同品种不同标号的水泥严禁混合使用,水泥应有产品合格证书和复检报告。
2.2 检测报告应包括抗压强度、干燥收缩值、抗冻性、导热系数、外观质量、块型尺寸等检测数据。
2.3 现场应对每批次的材料进行尺寸、外观的检查。
2.4 预拌砂浆用搅拌输送车运至工地妥善存储,设置砂浆池,楼层设置砂浆斗或垫钢板,并在规定时间内使用完毕。
3. 施工准备3.1 砌体砌筑施工前应把施工场地清理干净,根据设计图纸轴线、标高(1m线)、墙体位置、门洞位置、构造柱位置、预留洞口等进行现场放线,现场施工管理人员应根据设计图纸校核放线尺寸。
3.2 卫生间、厨房、存在平楼层空调板或大线条外墙均做200mm高的混凝土反坎,宽度同墙宽,关模前凿毛到位;另外在所有砖墙底下做200mm高的实心砖导墙,有效的控制加气混凝土砌块吸水反潮问题。
3.3 砌体拉结筋至少提前一周值筋;预制过梁、顶砖用的预制三角块门边预制砼块也需提前做好计划;构造柱的设置,钢筋植筋绑扎准备工作提前进行;砌体班组进场前要实施样板先行制度。
4. 砌体施工4.1 墙体灰缝饱满、灰缝厚度均匀一致、墙面清洁、构造柱浇筑密实、后塞口高度和砌块斜度一致、门窗过梁浇筑密实、搁置长度满足规范要求、观感质量好。
砌体成形质量达到重庆市优质结构”标准。
4.2 砌体施工前楼层清洁,砌体施工后楼层清洁。
楼层内空心砖堆码整齐。
4.3 门过梁、墙垛浇筑密实、无麻面。
预制过梁标明浇筑日期,标字的面为底面,以免安装反向。
过梁底面拉毛以增强与抹灰砂浆的粘结力。
4.4 构造柱成形质量。
施工准备:对施工班组进行技术交底,明确施工做法。
楼层清洁完毕,完成工作面移交手续。
砌体施工的前三层由管理人员带领施工班组共同放线,进入标准层后由施工班组自行放线,管理人员检查放线是否准确。
砌筑工程施工方案1.砌筑原则:1.1测量人员放出轴线,砌筑施工人员根据图纸、依据轴线弹好墙体边线及门窗洞口位置。
1.2墙体砌筑时应单面挂线,随着砌体的增高要随时用靠尺校正平整度、垂直度。
1.3砌筑时必须遵守“反砌”原则,即砌块底面向上砌筑,上下皮应错缝搭砌。
1.4水平灰缝应平直、砂浆饱满,按净面积计算砂浆的饱满度不应底于90%,竖向灰缝应采用加浆方法,使其砂浆饱满。
严禁用水冲浆灌缝,不得出现瞎缝、透明缝,其砂浆饱满度不宜低于80%。
1.5砌块砌筑时,其灰缝为15~20mm,灰浆饱满平直,做到随砌随抹砖缝,墙与隔墙应用顺砖砌合,并确保墙体垂直平整,墙角方正等标准。
1.6墙体转角处即交接处应同时砌筑,如不能做到,应留斜槎。
1.7在砌筑砂浆终凝前后时间内,应将灰缝刮平。
2.材料准备及要求:2.1水泥:32.5普通硅酸盐水泥;2.2砂:中砂,含泥量不超过5%,使用前过5×5mm孔径的筛;2.3砖:100、200、250厚加气混凝土砌块;2.4其它:φ6钢筋等。
3.砌筑施工作业条件:3.1工程结构验收完毕,并经有关部门验收合格。
3.2弹好墙身线、轴线,根据现场砌块的实际规格尺寸,再弹出门窗洞口位置线,经验线符合设计图纸的尺寸要求。
3.3立皮数竿:用30mm×40mm木料制作,皮数杆上标有门窗洞口、木砖、拉结筋、砼现浇带、过梁的尺寸标高。
转角处及墙的两端距墙角或墙皮50cm,设置皮数杆,两相对皮数杆之间拉准线。
皮数杆应垂直、牢固、标高一致。
3.4根据最下面第一皮砖的标高,拉通线检查,如水平缝厚度超过20mm,用1:3水泥砂浆找平。
4.施工工艺及技术措施4.1清理基层:将砌筑陶粒空心砌块部位的楼地面,清理剔凿高出撂底面的凝结灰浆,清扫干净,浇水湿润。
4.2墙体放线→砌块浇水→砌块排列→铺砂浆→砌块就位→校正→竖缝灌砂浆→勒缝。
4.3砌体施工前,应将楼层结构面按标高找平,依据施工图放出第一皮砌块的轴线、砌体边线和门窗洞口线。
1.目的:
明确砌筑工程的标准做法,提高砌筑实测质量、观感质量、现场整洁度,从而提升客户对于工程质量的满意度。
2.适用范围:
适用于所有在建及新建项目。
3.编制说明
本标准做法原则上要求所有在建及新建项目均按此做法执行。
4.砌筑工程标准做法
4.1原材料
(1):散装砌块。
上墙龄期不能少于28天。
采用干法砌筑工艺(2):打包砌块。
采用专用叉车装车、卸货,减少人工搬运造成的损坏。
上墙龄期不能少于28天。
堆放场地必须上盖下垫: 1、上盖:采用搭棚的方式,棚的外檐超出砌块外边至少1米,有效防雨;2、下垫:方木+模板铺平台,平台高出周边至少10公分、并能有效排水。
(1):楼层堆放必须采用移动式堆砖平台垫底。
砌块运到楼层后,应轻拿轻放,如有破损必须运回集中加工堆放场
(2):移动式堆砖平台:采用1张模板与4条方木钉在一起,平面尺寸900mm×1800mm,堆砖数量控制在4×3×4=48块设置破损砌块集中堆放场地,破损的砌块必须集中切割成小砖后方可使用,以有效控制上墙砌块的质量
绘制墙体定位控制图,经监理和甲方确认后
实施
绘制砌筑排砖图,经监理和甲方确认后实施
绘制皮数杆图,须将反坎、拉结钢筋、腰梁、顶砖位置表达清楚,经监理和甲方确认后实施绘制门窗洞口定位控制图,须将洞口左右、上下定位表达清楚,经监理和甲方确认后实施
绘制墙体水电定位控制图,须将电箱/电盒、水电管线的定位表达清楚,经监理和甲方确认后实施建筑与结构图纸叠图,经监理和甲方确认后实施。
主要目的是反映砌体墙与梁的位置关系、核对建筑与结构尺寸是否吻合
设置二次构件集中加工区,加工过梁、三角砖、空调孔预制块、门窗洞口边预制块预制三角砖预制过梁
空调孔预制块(1):门窗洞口边预制块
设置“傻瓜式”配合比牌,将重量换算成容
器计量,便于现场操作
配备称量设备,适时校对。
左图为改装的吊
秤;建筑面积5万平米以上须采用集中搅拌,
电子计量方式控制配合比
4.5工作面准备
(1):砌筑双控制线(2):管道井、烟道也须设置双控线。
成品
烟道和水电预留孔,在结构施工阶段,须放
线定位
门窗洞口放线定位:通过将控制线引到梁、墙、地面进行洞口定位
立皮数杆,植筋位置用粉笔标识立皮数杆定好位后,植墙体拉结钢筋,
2φ6通长设置
外墙、厨卫间设置反坎,新旧混凝土接触面凿毛并预留2φ6@400拉结,卡箍间距≤500mm
外墙、厨卫间混凝土反坎浇筑密实、棱角顺直,高度≥200mm,其余截面尺寸符合要求构造柱、腰梁、反坎等二次构件必须经过监理验收后,方可浇筑混凝土
挂线、拉线,并清扫基面之后,座浆打底第一匹砖必须严格按照皮数杆、控制线精确
定位
砌筑过程进行拉线、挂线;长度超过3米的
墙体端头立皮数杆,以便控制每排砖的水平
度
窗台卧梁须由里往外找坡,坡度≥10%
外墙标高的中部设置通长腰梁(有窗则设在
窗台标高)高度≥120mm
计四方会签,作为指导施工、结算的依据
混凝土构造柱须浇筑密实、表观优质内墙门窗洞口边采用200mm*200mm预制块,
间距≤400mm
斜顶砖砌筑间隔不得少于7天,角度45°~
斜顶砖的端头及中部采用预制砼三角块60°,灰缝饱满、双面勾缝
铺浆面
挤浆黏结面
挤浆黏结面
门窗洞设置过梁,搁置长度≥300mm 空调孔位置采用预制块砌筑,PVC 管不得向内倒坡
水平及竖向灰缝宽度8~12mm ,均匀一致,双面勾缝
设置正手墙、反手墙 大面施工前,须做户型样板的确认,由总包、监理、甲方项目部、甲方设计师会签
4.8 特殊处理部位
电盒/电箱、水电管线通过控制线定位,同一室内底盒标高差≤5mm ,并列插座开关面板高度差≤0.5mm 配电箱部位预留孔洞
管线开槽尺寸要求:线槽深度≤dn+20mm ,线槽宽度≤dn+60mm 管线固定:水泥钉+铜丝固定管线,固定钉间距不超过300mm
管线固定后,采用干粉砂浆将线槽填平,然后挂钢丝网,单根线管每侧≥50mm 管线集中位置:装管后,采用微膨胀混凝土浇筑密实 4.9 可视化管理
通过标高线控制
标高
双控先引上墙控制左右位置
排砖图张贴到现场预留位置现场进行标识
整体砌筑效果
实测数据上墙,总包、监理、甲方分别以白、
蓝、红三种颜色
4.10 工完场清
砌筑砂浆采用灰斗盛放砌筑过程中,砌块材料堆放整齐;砌筑完成
后,当天将破损的砖块、落地灰清理干净
砌筑完成后,现场干净整齐。
无落地灰、控
制线保留完整
4.11管理动作
4.11.1、构造柱、腰梁、反坎等二次构件必须经过监理验收后,方可浇筑混凝土;
4.11.2、总包、监理须每日抽查砂浆使用情况,并存档影像记录和纸质文件。
4.12质量标准
4.12.1、正手墙面平整度偏差≤5mm,垂直度偏差≤5mm,房间方正偏差≤6mm,外门窗洞口尺寸偏
差为[-5,5]mm;
4.12.2、本标准未尽事项,必须满足国家和地方的规范/规程的质量要求。