功率放大器原理及电路图共56页
- 格式:ppt
- 大小:5.80 MB
- 文档页数:22
功率放大器原理功率放大器原理图要说功率放大器的原理,我们还是先来看看功率放大器的组成:射频功率放大器(RF PA)是各种无线发射机的重要组成部分。
在发射机的前级电路中,调制振荡电路所产生的射频信号功率很小,需要经过一系列的放大一缓冲级、中间放大级、末级功率放大级,获得足够的射频功率以后,才能馈送到天线上辐射出去。
为了获得足够大的射频输出功率,必须采用射频功率放大器。
射频功率放大器是发送设备的重要组成部分。
射频功率放大器的主要技术指标是输出功率与效率。
除此之外,输出中的谐波分量还应该尽可能地小,以避免对其他频道产生干扰。
功率放大器原理高频功率放大器用于发射机的末级,作用是将高频已调波信号进行功率放大,以满足发送功率的要求,然后经过天线将其辐射到空间,保证在一定区域内的接收机可以接收到满意的信号电平,并且不干扰相邻信道的通信。
高频功率放大器是通信系统中发送装置的重要组件。
按其工作频带的宽窄划分为窄带高频功率放大器和宽带高频功率放大器两种,窄带高频功率放大器通常以具有选频滤波作用的选频电路作为输出回路,故又称为调谐功率放大器或谐振功率放大器;宽带高频功率放大器的输出电路则是传输线变压器或其他宽带匹配电路,因此又称为非调谐功率放大器。
高频功率放大器是一种能量转换器件,它将电源供给的直流能量转换成为高频交流输出。
在“低频电子线路” 课程中已知,放大器可以按照电流导通角的不同,将其分为甲、乙、丙三类工作状态。
甲类放大器电流的流通角为360o,适用于小信号低功率放大。
乙类放大器电流的流通角约等于180o;丙类放大器电流的流通角则小于180o。
乙类和丙类都适用于大功率工作。
丙类工作状态的输出功率和效率是三种工作状态中最高者。
高频功率放大器大多工作于丙类。
但丙类放大器的电流波形失真太大,因而不能用于低频功率放大,只能用于采用调谐回路作为负载的谐振功率放大。
由于调谐回路具有滤波能力,回路电流与电压仍然极近于正弦波形,失真很小。
常用功率放大电路的原理单只三极管输出的功放电路输出小、效率低,日用电器中已很少见。
目前常采用的是推挽电路形式。
图1是用耦合变压器的推挽电路原理图。
它的特点是三极管静态工作电流接近于零,放大器耗电及少。
有信输入时,电路工作电流虽大,但大部分功率都输出到负载上,本身损耗却不大,所以电源利用率较高。
这个电路中每只三极管只在信号的半个周期内导通工作,为防止失真,所以采用两只三极管协调工作的方式。
图中输入变压器Bl的次级有一个接地的中心抽头。
在音频信号输入时,BI次级两个大小相等、极性相反的信号分别送到BGl和BG2的发射结。
在输入信号的正半周时间里,BGl管因加的是反向偏压而截止,只有BG2能将信号放大,从集电极输出;而在信号负半周,BGl得到正高偏压,能将这半个周期的信号放大输出,而BG2却截止。
电路中的两只三极管虽然各自放大了信号的半个同期,但它们的输出电流是分先后通过输出变压器B2的,所以在B2的次级得到的感应电流又能全成一个完整的输出信号。
这个功放电路中,为了解决阻抗匝配和信号相位等问题,输入与输出变压器是不可少的。
但是,优质变压器的制作在材料和工艺上都比较困难,它本身总还要消耗一部分能量,降低电路的效率,而且变压器的频率特性不好,使电路对不同频率信号输出很不均匀,会造成失真,所以为了提高功放质量,人们更多地使用无变压器(OTL)功率放大电路。
图2是互补对称推挽功放电路原理图。
这里用了两只放大性能一样,而导电极性相反的三极管(称为互补管)。
图中BGl是NPN管。
放大器输入交流信号的正半周时,对BGl管来说,基极电压为正极性,发射极为负极性,发射结有正向偏压,三极管能够工作。
但BG2却因发射结加了反向偏压而截止。
因此,信号的正半周由BGl管放大。
在信号负半周时,情形正相反,BG2管能够工作,将信号的负半周放大。
放大后的信号由两只三极管轮流送出,在扬声器上重新合成完整的信号。
推挽电路中的两只三极管各放大信号的半个周期,这就要求两管放大性能相近(B值相差10%以内),否则放大后的信号两半周期幅度不同,将出现明显失真。
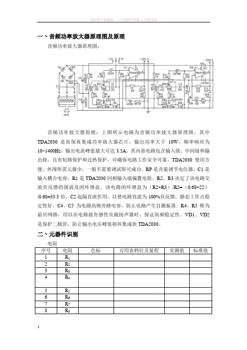
一丶音频功率放大器原理图及原理音频功率放大器原理图:音频功率放大器原理:上图所示电路为音频功率放大器原理图,其中TDA2030是高保真集成功率放大器芯片,输出功率大于10W,频率响应为10~1400Hz,输出电流峰值最大可达3.5A。
其内部电路包含输入级、中间级和输出级,且有短路保护和过热保护,可确保电路工作安全可靠。
TDA2030使用方便、外围所需元器少,一般不需要调试即可成功。
RP是音量调节电位器,C1是输入耦合电容,R1是TDA2030同相输入端偏置电阻。
R2、R3决定了该电路交流负反馈的强弱及闭环增益。
该电路闭环增益为(R2+R3)/R2=(0.68+22)/0.68=33.3倍,C2起隔直流作用,以使电路直流为100%负反馈。
静态工作点稳定性好。
C4、C5为电源高频旁路电容,防止电路产生自激振荡。
R4、R5称为茹贝网路,用以在电路接有感性负载扬声器时,保证高频稳定性。
VD1、VD2是保护二极管,防止输出电压峰值损坏集成块TDA2030。
二丶元器件识别电阻序号电阻色标万用表档位及量程实测值标准值1 R12 R23 R34 R45 R56 R67 R78 R89 R9序号电容性质万用表档位及量程实测值标准值1 C12 C23 C34 C45 C56 C6集成功率放大器TDA2030。
RP为碳膜电位器。
C1、C2为电解电容器,耐压为16V,C3、C4、C5为瓷介电容。
R1、R2、R3为碳膜电阻,额定功率为1/8W。
R4为碳膜电阻,额定功率为1/4W。
VD1、VD2为IN4007小功率整流二极管。
三丶元器件的安装元件分布图根据元件分布图上的元件分布将对应的元器件放置在对应的位置。
由于TDA2030输出功率较大,因此需加散热器。
而TDA2030的负电源引脚(3脚)与散热器相连,所以在装散热器时,要注意散热器不能与其他元器件相接触。
四丶焊接的工艺焊接工艺的流程:按清单归类元器件—插件—焊接—剪脚—检查—修整。
功率放大器的工作原理功率放大器是音频系统中非常重要的一种组件,它的作用是将输入的小功率信号放大到满足扬声器的要求,以及将相应的低压、低功率信号转换为高功率、高压电信号,以使扬声器发出音量足够大、质量足够高的音色。
由于功率放大器的工作原理关系到音频系统的音质,因此,分析和理解功率放大器的工作原理对正确使用和选择功率放大器具有非常重要的意义。
功率放大器的工作原理其实很简单,它是利用集成电路将输入信号增加,从而提高输出功率的设备。
功率放大器的输入端口一般有非线性信号输入、线性信号输入和数字信号输入,输出端口一般有多种功放,可以根据需求配置多种功率放大器输出级别,例如2瓦、4瓦、8瓦等。
功率放大器模块的主要电路分为有源底层电路和无源运放电路,有源底层电路是该模块的重要组成部分,它负责完成信号放大、噪声抑制、电压调整等功能,最终使得输出信号更加清晰。
无源运放电路则负责将放大的信号发送到输出端,其中的运放的功能和参数决定了功率放大器的输出电压大小和功率大小。
功率放大器的运行过程是,当音频信号输入到功率放大器的输入端时,有源底层电路将此信号放大,然后将放大后的信号输入到无源运放电路,再经由运放输出到输出端,实现将输入信号放大为输出电压高、功率大的信号。
这样就实现了将弱信号放大为有力的音频信号,以此满足扬声器的工作要求。
由于功率放大器起着将信号放大的作用,因此,它的质量也会影响到音频系统整体的音质。
一般来说,功率放大器衰减小,带宽宽,噪声低才能满足要求,而输入信号和输出功率要求在实际应用中也是很重要的要求。
因此,当我们选择功率放大器时,应根据实际使用要求,仔细考虑输入信号和输出功率的要求,选择能提供最佳性能的功率放大器,这样才能获得较好的音效。
总之,功率放大器的工作原理概述以上,它的作用是将输入的低功率信号转换为高功率、高压的电信号,以满足扬声器的工作要求,由于功率放大器的质量会影响整个音频系统的音质,因此,在选择功率放大器时,要综合考虑输入信号和输出功率的要求,以满足较好的音效要求。
一、O PA300放大电路OPA300放大电路功能说明:通过设定电阻R4=3R3 来设定该放大器的放大倍数为四倍,即Vout=(1+Rf / R) Vin ,将VCA810的输出信号放大到能满足检波需要的信号。
二、高栅负压的电子管功放电路图下图中R3既是前级的直流负载电阻。
又是给后级提供栅负压的偏值电阻。
它适用于栅负压较高的功率管制作的功放电路。
电路比较简单。
电路中两个竹子的灯丝接地端。
应接在各自阴极电阻的下端。
同样要求电源变压器有两个灯丝绕组,功率级与前级的灯丝分别供电。
电路是用6Pl做的实验,虽然栅负压较低,但工作很正常,说明电路是成功的。
同样要注意的是:一定要在插上前级管子后再开电源,否则不能加电。
三、推挽式功率放大级的正偏压电路此电路用EL34管。
在两只功放管阴极电路中串入一只50Ω左右的线绕电位器或半可变线绕电阻,中点接地即可。
调整电位器W使两管的阴极电压平衡、对称,再放音就会有出色的表现。
正偏压的方式也可以用在ABI类自给偏压的推挽式功率放大级中。
四、AD8656双运放芯片组成的接收放大电路使用AD8656双运放芯片组成接收放大电路。
该运放适合+2.7~+5.5 V电源电压供电,是具有低噪声性能的精密双运算放大器。
AD8656型CMOS放大器在满共模电压(VCM)范围内提供250 mV精密失调电压最大值,且在10 kHz处提供低电压噪声谱密度和0.008%的低真,无需外部三极管增益级或多个并行的放大器以减小系统噪声。
通过干电池提供3V单电源供电,接收放大电路如图2所示。
放大电路由AD8656进行两级放大,抵消线圈所感应到的信号电压幅值因距离的增加而产生的衰减,放大所接收到的微弱信号,增加无线传输距离。
系统接收电路经D8656放大后的输出电压输至单片机进行A/D转换,对数据进行编解码,而未采用检波解调电路,可有效简化电路结构。
五、高频信号放大电路的性能比较分析一、高频管(UHF)9018fTl00(MHz)的信号放大电路电视高频头输出的第一中频信号和音频信号通过高频管9018放大后也确有显效。
详解OCL功率放大器电路OCL基本功率放大电路(1)电路结构如图10-11所示为OCL基本功率放大电路,图中VT 1 和VT 2 是特性相同但极性不同的配对管。
VT 1 和VT 2 两管的集电极分别与对称的正、负直流电源相连,两管的基极相连是信号的输入端,两管的发射极相连是信号的输出端。
图10-11 OCL基本功率放大电路(2)工作原理静态时,两管均处于截止状态。
由于两管特性相同,内阻一样,又采用对称的直流电源供电,所以输出端 O 点静态电压为0V。
在输入信号正半周时,两管的基极电位同时升高,由于两管的极性不同,基极上的输入信号使VT 1 发射结正向偏置,VT 1 处于放大状态;而正半周的输入信号使VT 2 发射结反偏截止。
此时,流过扬声器的电流方向是自上而下的,如图中的带箭头的实线所示。
在输入信号负半周时,两管的基极电位同时下降,使VT 1 发射结反偏截止,VT 2 进入放大状态。
此时流过扬声器的电方向是自下而上(因地比负电源高)的,如图中的虚线所示。
从以上分析可以看出,OCL功率放大电路利用了NPN型和PNP 型对管的互补特性,用一个信号同时激励晶体管VT 1 、VT 2 轮流导通与截止,分别放大交流信号的正、负半周,负载上得到的是一个放大了的完整信号。
这种电路通常称为无变压器耦合互补推挽放大电路。
(3)电路特点①要采用良好平衡性的对称正、负直流电源供电,电源结构复杂。
②输出端直流电压为0V,不需要输出耦合电容,低频特性好。
③由于扬声器一端接地,直接与放大器相连,故障时直流电压升高,而扬声器的直流电阻很小,所以需加设保护电路。
④负载可获得的最大功率为⑤OCL功率放大电路主要用于输出功率较大的场合,如组合音响、扩音机电路中。
实用OCL功率放大电路OCL基本功率放大电路,由于没有直流偏置电路,在正负半周的交界处,输入电压较低,输出对管都截止,输出电压与输入电压不存在线性关系,存在一小段死区,会出现如图10-4所示的交越失真现象。
功率放大器工作原理
功率放大器是一种电子元件,它的基本原理是将输入信号的幅度增大,并输出一个高功率的信号。
通过控制输出信号的幅度和波形,功率放大器能够在各种电路和设备中发挥重要作用。
功率放大器通常由一个放大器和一个功率输出级组成。
放大器负责放大输入信号的电压、电流或功率,而功率输出级则负责将放大的信号转化为高功率输出。
功率放大器的工作原理可以分为两个主要方面来解释:放大器的电路原理和功率输出级的工作原理。
首先,放大器的电路原理涉及到放大器的增益和输入输出特性。
放大器中的活动元件(例如晶体管或真空管)接收输入信号并将其放大。
活动元件的工作方式取决于电路的类型,例如共射、共基或共集电路。
放大器通过调整输入信号的增益和相位来实现对输出信号的放大。
其次,功率输出级的工作原理是将放大的信号从放大器传输到输出负载中。
功率输出级通常包含功率晶体管、功率管或功率集成电路。
这些元件能够处理高功率信号,并将其传输到输出负载中,例如扬声器、电动机或射频天线。
功率输出级还可以提供对输出信号的电流和电压进行匹配,以确保最大功率的传输。
通过将放大器和功率输出级组合在一起,功率放大器能够将输入信号的幅度增加数倍或更多,并输出一个高功率的信号。
这
使得功率放大器在各种应用中都能发挥作用,例如音频放大、射频放大、电力系统等。
综上所述,功率放大器通过放大信号的电压、电流或功率,并将其转化为高功率输出,实现对输入信号的放大。
功率放大器的工作原理涉及到放大器的电路原理和功率输出级的工作原理,它们共同协作以实现高功率信号的放大和传输。
功率放大器原理功率放大器原理图要说功率放大器的原理,我们还是先来看看功率放大器的组成:射频功率放大器(RF PA)是各种无线发射机的重要组成部分。
在发射机的前级电路中,调制振荡电路所产生的射频信号功率很小,需要经过一系列的放大一缓冲级、中间放大级、末级功率放大级,获得足够的射频功率以后,才能馈送到天线上辐射出去。
为了获得足够大的射频输出功率,必须采用射频功率放大器。
射频功率放大器是发送设备的重要组成部分。
射频功率放大器的主要技术指标是输出功率与效率。
除此之外,输出中的谐波分量还应该尽可能地小,以避免对其他频道产生干扰。
功率放大器原理高频功率放大器用于发射机的末级,作用是将高频已调波信号进行功率放大,以满足发送功率的要求,然后经过天线将其辐射到空间,保证在一定区域内的接收机可以接收到满意的信号电平,并且不干扰相邻信道的通信。
高频功率放大器是通信系统中发送装置的重要组件。
按其工作频带的宽窄划分为窄带高频功率放大器和宽带高频功率放大器两种,窄带高频功率放大器通常以具有选频滤波作用的选频电路作为输出回路,故又称为调谐功率放大器或谐振功率放大器;宽带高频功率放大器的输出电路则是传输线变压器或其他宽带匹配电路,因此又称为非调谐功率放大器。
高频功率放大器是一种能量转换器件,它将电源供给的直流能量转换成为高频交流输出。
在“低频电子线路” 课程中已知,放大器可以按照电流导通角的不同,将其分为甲、乙、丙三类工作状态。
甲类放大器电流的流通角为360o,适用于小信号低功率放大。
乙类放大器电流的流通角约等于180o;丙类放大器电流的流通角则小于180o。
乙类和丙类都适用于大功率工作。
丙类工作状态的输出功率和效率是三种工作状态中最高者。
高频功率放大器大多工作于丙类。
但丙类放大器的电流波形失真太大,因而不能用于低频功率放大,只能用于采用调谐回路作为负载的谐振功率放大。
由于调谐回路具有滤波能力,回路电流与电压仍然极近于正弦波形,失真很小。
下面是[高频功率放大器电路原理图]的电路图高频功率放大器电路原理图为了在较宽的通带内使功率放大器增益相对稳定,电路由甲类、丙类两级功率放大器组成。
甲类功率放大器的输出信号作为丙类功率放大器的输入信号,丙类功率放大器作为发射机末级功率放大器以获得较大的输出功率和较高的效率。
电路原理如图1所示。
根据设计要求和晶体管实际参数,采用Philip s公司的NPN型高压晶体管2N5551作为放大管,三极管Q1、电感L1、电容C2组成甲类功率放大器,工作在线性放大状态。
三极管Q2和由电感L3、电容C7、C6构成的负载回路组成丙类功率放大器。
R1、R2、R3、R4 组成第1 级静态偏置电阻,调节R2、R3可改变放大器的增益。
L1、C2组成一级调谐回路,L2、R5、C4组成的部分在丙类功率放大器基极处产生负偏压馈电, R7为射级反馈电阻,调整R7 可改变丙类功率放大器的增益。
C6、C7、L3组成末级调谐回路, C6 用来微调谐振频率以获得最佳工作状态。
C8、C9和L4 组成滤波回路,起到改善波形的作用。
R9和C10、R11和C11以及R8和C12均为负载回路外接电阻。
集电极可选择连接不同的负载。
当基极输入的正弦信号频率取值在L1、C2 谐振频率附近时,集电极输出正弦信号电压增益最大。
C5为射级旁路电容,有效地控制了可能由于射级电阻R3、R4过大而引起电压增益下降的问题。
当甲类功率放大器输出信号大于丙类功率放大器三极管Q2的be间负偏压时, Q2才导通工作。
当L3、C7处谐振频率与从甲类功率放大器集电极获得的放大输出正弦信号的频率一致时,丙类功率放大器工作于谐振状态,集电极将获得最大的电压增益,达到功率放大的目的。
(责任编辑:电路图)。
MOS管功率放大器电路图与原理图文及其解析放大器电路的分类本文介绍MOS管功率放大器电路图,先来看看放大器电路的分类,按功率放大器电路中晶体管导通时间的不同可分:甲类功率放大器电路、乙类功率放大器电路和丙类功率放大器电路。
甲类功率放大器电路,在信号全范围内均导通,非线性失真小,但输出功率和效率低,因此低频功率放大器电路中主要用乙类或甲乙类功率放大电路。
功率放大器是根据信号的导通角分为A、B、AB、C和D类,我国亦称为甲、乙、甲乙、丙和丁类。
功率放大器电路的特殊问题(1)放大器电路的功率功率放大器电路的任务是推动负载,因此功率放大电路的重要指标是输出功率,而不是电压放大倍数。
(2)放大器电路的非线形失真功率放大器电路工作在大信号的情况时,非线性失真时必须考虑的问题。
因此,功率放大电路不能用小信号的等效电路进行分析,而只能用图解法进行分析。
(3)放大器电路的效率效率定义为:输出信号功率与直流电源供给频率之比。
放大电路的实质就是能量转换电路,因此它就存在着转换效率。
常用MOS管功率放大器电路图MOS管功率放大器电路图是由电路稳压电源模块、带阻滤波模块、电压放大模块、功率放大模块、AD转换模块以及液晶显示模块组成。
(一)MOS管功率放大器电路图-系统设计电路实现简单,功耗低,性价比很高。
该电路,图1所示是其组成框图。
电路稳压电源模块为系统提供能量;带阻滤波电路要实现50Hz频率点输出功率衰减;电压放大模块采用两级放大来将小信号放大,以便为功率放大提供足够电压;功率放大模块主要提高负载能力;AD转换模块便于单片机信号采集;显示模块则实时显示功率和整机效率。
(二)MOS管功率放大器电路图-硬件电路设计1、带阻滤波电路的设计采用OP07组成的二阶带阻滤波器的阻带范围为40~60 Hz,其电路如图2所示。
带阻滤波器的性能参数有中心频率ω0或f0,带宽BW和品质因数Q。
Q值越高,阻带越窄,陷波效果越好。
2、放大电路的设计电压放大电路可选用两个INA128芯片来对微弱信号进行放大。