雨水调蓄池容积计算
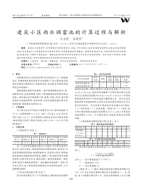
- 格式:xlsx
- 大小:8.77 MB
- 文档页数:6
雨水调蓄池计算范文雨水调蓄池是一种通过收集和储存雨水,用于农田灌溉、景观绿化、城市补水等的水资源利用措施。
它能够有效降低城市排水系统的负荷,减少洪水发生的可能性,同时也能够为城市提供水资源补给。
本文将对雨水调蓄池的计算进行详细介绍。
首先是容积计算。
容积是指雨水调蓄池可以储存的雨水量,它需要根据实际情况进行合理的计算。
容积计算可以按照雨水调蓄池的设计目的和使用要求进行。
1.降雨量:需要根据当地的降雨量数据来确定雨水调蓄池的储水量。
可以参考相关的气象数据或历史降雨数据来计算。
2.储水期限:需要确定雨水调蓄池的储水期限,即在多长时间内需要利用储存的雨水。
根据储水期限的不同,储水容积也会有所变化。
3.社会需求:需要根据当地的实际需求来确定雨水调蓄池的容积。
如果用于农田灌溉,需要计算农田需水量;如果用于景观绿化,需要计算绿化区域的需水量。
容积计算的公式如下:容积=降雨量×储水期限×社会需求流量计算是指雨水调蓄池接收和排出水流的能力。
它需要根据调蓄池的设计参数和流量特征来进行合理的计算。
流量计算需要考虑以下几个因素:1.雨水收集面积:需要根据实际情况确定雨水调蓄池的收集面积。
收集面积越大,收集的雨水量就越多。
2.排放方式:需要确定雨水调蓄池的排放方式,即通过溢流、渗漏或抽排等方式进行排放。
不同的排放方式对流量计算有不同的影响。
3.雨水流速:需要根据实际情况确定雨水调蓄池的雨水流速。
雨水流速越大,调蓄池的流量就越大。
流量计算的公式如下:流量=雨水收集面积×雨水流速需要注意的是,在进行雨水调蓄池的计算时,还需要考虑一些其他的因素,如雨水渗透系数、土壤类型、地下水位等。
这些因素对雨水调蓄池的设计和计算也有一定的影响。
总之,对于雨水调蓄池的计算,需要综合考虑容积和流量两个方面。
通过合理计算,可以得到适合实际情况的雨水调蓄池容量和流量。
这样就能够更好地利用雨水资源,降低排水系统的负荷,提高城市水资源的利用效率。
按设计规范,雨水储存设施的有效容积不宜小于集水面重现期1—2年的日雨水设计径流总量扣除设计初期径流弃流量。
根据《绿色建筑评价标准》中规定,本设计的场地年径流总量控制率取70%,其对应的设计日降雨量为11.6mm,雨水设计径流总量按下式计算:W=10φc h y F式中W ——雨水储水池容积,m3 ;φc——雨量径流系数;取0.4h y——设计日降雨量,mm/d ;取11.6mmF ——汇水面积,hm2,为4.0hm2。
则:W=10×0.44×11.6×4.0=204.16m³按设计规范,屋面雨水初期弃流可采用2-3mm径流厚度,地面雨水初期弃流可采用3-5 mm径流厚度,初期径流弃流量按下式计算:W i=10×δ×FW i——初期弃流量,m3 ;δ——初期径流厚度;取3mm;F ——汇水面积,h㎡。
则:W i=10×3×4=120m³则本设计蓄水池的体积为:V=W-W i=84.16m³根据甲方提供资料,本次项目占地面积69000㎡,绿化率35%,即绿化占地面积约24150㎡,道路及车库面积为31211㎡;雨水收集回用系统提供全部的绿化浇灌用水和30%的冲洗道路及车库用水,计算如下:查《建筑给排水设计手册》,浇洒道路及绿化用水定额都取为2.5L/㎡.d,则依据下式计算:Q=q×s/1000式中:Q——日用水量q——用水定额则绿化浇灌日用水量:Q1=2.5×24150/1000=60.38m³/d道路浇洒日用水量:Q1=2.5×31211/1000=78.02m³/d雨水收集系统存储可回用蓄水天数为3—7天,本设计取3天,则雨水收集模块容积为:W=3×(78.02×0.3+60.38)=251.34m³清水池容积取日用水量的25%—30%,本设计取25%,则清水池容积为:w=0.25×(60.38+78.02×0.3)=20.85。
雨水调蓄池和储蓄池均是雨水利用系统中的重要设施。
都具有一定的滞留雨水和消减流量作用,但二者的侧重点不同。
雨水调蓄池侧重洪峰调节,雨水储蓄池侧重储蓄利用。
构筑物设置上主要区别在于是否设有出口设施。
雨水调蓄池主要根据降雨流量过程作为计算参数进行确定,雨水储蓄池主要根据降雨量或需水量进行确定。
本文首先针对雨水调蓄池和雨水储蓄池进行分析界定,其次分别对雨水调蓄池和储蓄池的容积计算方法进行归纳总结,以此为雨水利用提供参考。
一、雨水调蓄池和储蓄池的区别雨水调蓄池和储蓄池均是雨水利用系统中的重要设施,都具有一定的滞留雨水和消减流量作用,但二者的侧重点不同。
(1)雨水调蓄池:侧重雨水调节,是暂时存蓄雨水径流的设施,主要用于消减洪峰流量,延迟洪峰形成时间。
一般设置排水口,可单独与雨水管相连接,也可与市政排水管道相连,其排至下游的出口峰值流量通常远小于入流峰值流量,渗透和蒸发作用一般可以忽略不计。
(2)雨水储蓄池:侧重雨水储存,一般用于小区域集流面或者由于水质原因不允许出流排放的地区,作用是收纳来自汇水区的地面径流,对其加以循环利用,一般不将其排放。
对于蓄存的雨水,若是露天储蓄,则须考虑渗透和蒸发损耗。
总之,雨水调蓄池和雨水储蓄池的主要区别在于是否设有出口设施和可排放。
二、雨水调蓄池容积设计计算2.1国外计算方法目前,雨水利用在国外发达国家较为成熟,通常采用的雨水调蓄池容积计算方法有美国、英国、日本。
(1)美国调蓄池容积的计算方法。
美国调蓄池容积的初步估计采用三角形过程线法。
式中,V,为估算的调蓄池容积,Q为入流峰值流速,Q为出流峰值流速,T为入流历时。
(2)英国调蓄池容积的计算方法。
英国调蓄池容积计算的基本原理是:假定洪峰流量调蓄池在每场降雨前排空,那么每次的蓄水容积为:式中,S为蓄水容积,V为总的入流量,Vo为总的出流量。
(3)日本调蓄池容积的计算方法。
日本主要依靠模拟试验,确定合理的调蓄池容量。
式中,V为必要调节容量,m³r为降雨强度曲线上任意降雨历时,t对应的降雨强度,mm/h,r为调节池出流过流能力值对应的降雨强度,mm/h,ti为任意的降雨历时,s,f为开发后的径流系数,A为流域面积,hm²。
方案一:(压力流外排)设计参数:用于削减排水管道洪峰流量时,雨水调蓄有效容积按《室外排水设计规范》(GB50014—公式计算:V=[−(0.65n1.2+bt?0.5n+0.2+1.10)lg(α+0.3)+0.215n0.15]?Q?t式中:α—脱过系数,取值为调蓄池下游设计流量和上游设计流量之比,取;Q—调蓄池上游设计流量,参考方案二计算结果,为55m3/min;b、n—暴雨强度公式参数,分别为和;t—降雨历时(min),按2小时计。
雨水池容积和外排流量计算:1)V=[−(0.650.751.2+11.259120?0.50.75+0.2+1.10)lg(0.3+0.3)+0.2150.750.15]?55?120=4356m32)外排雨水流量为==272L/s水泵参数选取:设2台潜水泵,单台流量490m3/h。
2台水泵合用一根出水管,出水管管径采用DN400钢管,流速为s,满足要求。
方案二:(重力流外排)设计参数:1)采用广州市暴雨强度公式:q=(1+)/(t+);式中:q--暴雨强度t--降雨历时(min) 按2小时计算;P—设计重现期,取5年。
2)雨水量采用计算公式:Q=ψ·q·F式中:ψ--径流系数,综合径流系数采用F--汇水面积(公顷);汇水范围为万达广场以西暹岗村地势较高的区域,约15公顷。
3)雨水管的流速应大于V=0.75m/s,小于V=5m/s,雨水管按满流计算。
雨水量计算:Q=ψ·q·F =[(1+)/(120+)]X15=908L/s,外排雨水管设计管径采用d800,设计坡度,流速2m/s。
方案三:(重力流外排)计算过程同方案二,排水路径和管道敷设方式不同而已,设计管径采用d800,设计坡度,流速s。
基于容积法的海绵城市雨水调蓄池的计算 ——以海南某新建小区为例分析赖童菁发布时间:2023-06-29T02:39:34.500Z 来源:《工程建设标准化》2023年8期作者:赖童菁[导读] 在海绵城市设计中,雨水调蓄池设置的目的在于削减洪峰流量、雨水滞留以及净化后回用。
海绵雨水调蓄池容积的确定,取决于当地规划要求的海绵强制性指标以及项目本身的绿色设施设置情况。
本文以海南某新建小区为例,采用容积法计算该新建小区所需雨水调蓄池容积,为类似工程计算提供参考。
海南元正建筑设计咨询有限责任公司第三设计事务所海南三亚 572000摘要:在海绵城市设计中,雨水调蓄池设置的目的在于削减洪峰流量、雨水滞留以及净化后回用。
海绵雨水调蓄池容积的确定,取决于当地规划要求的海绵强制性指标以及项目本身的绿色设施设置情况。
本文以海南某新建小区为例,采用容积法计算该新建小区所需雨水调蓄池容积,为类似工程计算提供参考。
关键词:海绵城市;雨水调蓄池;容积法;0 引言雨水调蓄池作为一种雨水滞洪、调峰、净化的手段,广泛使用于全世界。
雨水调蓄池最初仅是作为暂存过多雨水的设施,常用与天然的池塘或洼地等进行储水,随着人们对雨水洪灾和污染的日益重视,雨水调蓄池的功能和形式逐渐多样化[1],包括湿塘、蓄水池、雨水罐、调节池等。
海绵城市设计中的雨水调蓄池不同于传统给排水雨水调蓄池设计思路,其目的也有所差别。
传统调蓄池设计思路先根据需回收雨水量计算出对应的汇水面积,该部分雨水收集进入雨水回收池,处理后回用,其他汇水面积的雨水直接有组织排入市政管网。
海绵城市设计中的雨水调蓄池设计思路是先根据当地规划要求的强制性目标,考虑项目本身情况和经济因素,确定渗透设施类型及规模,即灰色设施的调蓄容积及绿色设施的类型及配比,围绕绿化设施划分汇水面积,组织雨排水[2]。
本文以海南某新建小区为例,采用容积法计算该新建小区所需雨水调蓄池容积,为类似工程计算提供参考。
1 项目概况1.1 概况本项目位于海南省南部某市中心城区,项目北、东、南面均为市政道路,且市政基础设施完善。
雨水调蓄池容积计算蓝色表格计算流程参照:/content/130125.72020940103.1853116076.44260129055.50338912043.8149716绿色区域计算流程:依据《建筑与小区雨水控制时间(min)暴雨强度q5293.0235810229.73115620161.8311516076.44260129055.50338912043.814971615036.319968618031.088745921027.221887624024.242444950012.6846857W-调蓄承担的水量t-排空时间97.22222222数据中心13881.00怀来最高日降水4250.0010163.0028294.000.741707.07350.001357.070.5920.59135.22排空时间考虑按照t=6h0.6为系数为调控平均值与峰值的比值蓄水池容积V(m3)171.04262.04352.37409.26375.59323.43/content/16/0928/12/35494618_59435734 6.shtmlV=max(60/1000*(Q-Q')*tm)蓄水池容积V(m3)161.5540169243.0751437314.4319892334.6617765332.2347248295.4561136204.886596495.82292378水控制及利用工程技术规范》9.0.5条手机众智版如图:V=max(60/1000*q*F*(Ψ-0.2)*tm)蓄水池容积V(m3)135.5184244212.4935087299.376625424.2408425462.0487294486.3283078503.9210408517.6085926528.7657302538.1624949538.16249490.2-建设项目开发前径流系数q-暴雨强度取值2年,径流时间考虑为10min~15min F-调蓄汇水面积227.48376怀来最高日降水量(mm)81(参照北京最高日水量)上一页下一页。
雨水调蓄池计算公司标准化编码 [QQX96QT-XQQB89Q8-NQQJ6Q8-MQM9N]方案一:(压力流外排)设计参数:用于削减排水管道洪峰流量时,雨水调蓄有效容积按《室外排水设计规范》(GB50014—2006)中的条公式计算:V=[−(0.65n1.2+bt?0.5n+0.2+1.10)lg(α+0.3)+0.215n0.15]?Q?t式中:α—脱过系数,取值为调蓄池下游设计流量和上游设计流量之比,取;Q—调蓄池上游设计流量,参考方案二计算结果,为55m3/min;b、n—暴雨强度公式参数,分别为和;t—降雨历时(min),按2小时计。
雨水池容积和外排流量计算:1)V=[−(0.650.751.2+11.259120?0.50.75+0.2+1.10)lg(0.3+0.3)+0.2150.75]?55?120=4356m32)外排雨水流量为==272L/s水泵参数选取:设2台潜水泵,单台流量490m3/h。
2台水泵合用一根出水管,出水管管径采用DN400钢管,流速为s,满足要求。
方案二:(重力流外排)设计参数:1)采用广州市暴雨强度公式:q=(1+)/(t+);式中:q--暴雨强度t--降雨历时 (min) 按2小时计算;P—设计重现期,取5年。
2)雨水量采用计算公式:Q=ψ·q·F式中:ψ--径流系数,综合径流系数采用F--汇水面积(公顷);汇水范围为万达广场以西暹岗村地势较高的区域,约15公顷。
3)雨水管的流速应大于V=0.75m/s,小于V=5m/s,雨水管按满流计算。
雨水量计算:Q=ψ·q·F =[(1+)/(120+)]X15=908L/s,外排雨水管设计管径采用d800,设计坡度,流速2m/s。
方案三:(重力流外排)计算过程同方案二,排水路径和管道敷设方式不同而已,设计管径采用d800,设计坡度,流速s。
建筑小区雨水调蓄池容积计算分析2014-11-21给水排水[题记] 如何设计合理的调蓄池容积,既符合规范要求,又能兼顾经济因素,是小区雨水调蓄系统设计的关键。
本文是北京市《雨水控制与利用工程设计规范》(DB 11/685-2013)编制过程中进行的专项研究成果,可供借鉴探讨。
李斯1许萍1郑克白2张雅君1(1 北京建筑大学,北京100044; 2 北京市建筑设计研究院有限公司,北京100045)0引言为解决大型城市的城市内涝和雨水管理利用等问题,近年来,在建筑小区的雨水调蓄系统设计中越来越多地采用低影响开发理念,强调在源头控制雨水径流,削减建筑与小区外排雨水峰值流量和径流总量,从而减轻市政雨水管网的排水压力,达到控制城市内涝的目的。
在小区建设中可采取设置下凹式绿地、透水铺装、雨水调蓄设施等来实现对雨水外排流量、峰值径流系数及雨水外排总量的控制。
国外城市化发展得较早,大型城市的城市内涝和水资源短缺等问题使得雨水控制与利用的概念应运而生。
美国的雨水管理(Stormwater Management)是最早提出的雨水控制与利用概念,随后产生的美国最佳管理措施理论(BMP)及低影响开发理论(LID)都是基于对雨水控制与利用问题的研究和经验总结发展而来的。
雨水控制主要分为水量控制和水质控制两方面,在各国的雨水控制概念中都把雨水调蓄视为雨水控制的关键因素,是解决城市内涝,实现雨水管理和雨水资源化利用的最有效途径。
美国绿色建筑认证(LEED)也在雨水调蓄中设立了重要得分点。
雨水调蓄的内容主要分为3个方面:(1)雨水滞蓄,在降雨期间滞留和蓄存部分雨水以增加雨水的入渗、蒸发并收集回用。
(2)雨水储存,在降雨期间储存未经处理的雨水。
(3)雨水调节,也称调控排放,在降雨期间暂时储存(调节)一定量的雨水,削减向下游排放的雨水峰值径流量、延长排放时间,但不减少排放的总量。
设置雨水调节池的主要目的在于减小雨水外排的流量,减轻市政管网的压力。
雨水调蓄池容积的简易计算方法探讨
俞珏瑾
【期刊名称】《城市道桥与防洪》
【年(卷),期】2011(000)009
【摘要】真如城市副中心因地区功能定位的提高,局部区域的暴雨重现期由P=1 a 提高到P=3 a,导致已建排水系统中部分排水设施无法满足设计标准,雨水管道须翻排,雨水泵站须扩容。
设置雨水调蓄池可在减少已建排水设施改建工程量的基础上,提高已建排水系统的设计标准。
该文以真如城市副中心增设雨水调蓄池方案为例,使用目前几种较为常用的调蓄池容积简易计算方法确定调蓄池的容积,分析影响雨水调蓄池容积的因素,为类似工程的计算提供参考。
【总页数】6页(P97-102)
【作者】俞珏瑾
【作者单位】同济大学,上海200092;上海市城市建设设计研究院,上海200125【正文语种】中文
【中图分类】TU992.24
【相关文献】
1.下凹式立交桥区雨水调蓄池容积计算方法研究
2.建筑小区雨水调蓄池容积计算分析
3.雨水调蓄池(储蓄池)容积的计算方法探讨
4.雨水调蓄池容积有限差分设计计算研究
5.下凹式立交桥区雨水调蓄池容积计算方法研究
因版权原因,仅展示原文概要,查看原文内容请购买。
蓝色表格计算流程参照:
/c
ontent/16/0928/12/35494
618_594357346.shtml
雨水调蓄池容积计算公
式
Q'=W/t79.030875
时间(min)暴雨强度q
5293.02358
10229.731156
20161.831151
30125.720209
40103.185311
6076.4426012
9055.503389
12043.8149716
绿色区域计算流程:依据《建筑与小区雨水
如图:
时间(min)暴雨强度q
5293.02358
10229.731156
20161.831151
6076.4426012
9055.503389
12043.8149716
15036.3199686
18031.0887459
21027.2218876
24024.2424449
50012.6846857 Q'=W/t
W-调蓄承担的水量
t-排空时间
97.22222222
数据中心
13881.00
4250.00
10163.00
28294.00
0.74
1707.07
350.00
1357.07
0.592
0.59
135.22
排空时间考虑按照t=6h
0.6为系数为调控平均值与峰值的比值
蓄水池容积V(m³)
171.04
262.04
352.37
409.26
375.59
323.43
V=max(60/1000*(Q-Q')*tm)
蓄水池容积V(m³)
161.5540169
243.0751437
314.4319892
334.6617765
332.2347248
295.4561136
204.8865964
95.82292378
区雨水控制及利用工程技术规范》9.0.5条 手机众智版如图:
V=max(60/1000*q*F*(Ψ-0.2)*tm)
蓄水池容积V(m³)
135.5184244
212.4935087
299.376625
424.2408425
462.0487294
486.3283078
503.9210408
517.6085926
528.7657302
538.1624949
538.1624949
Q'=0.2qF
0.2-建设项目开发前径流系数
q-暴雨强度取值2年,径流时间考虑为10min~15min F-调蓄汇水面积
227.48376
怀来最高日降水量
(mm)
81(参照北京最高日水量)。