清华大学结构力学2007-2011真题
- 格式:pdf
- 大小:243.48 KB
- 文档页数:19
华中科技大学土木工程与力学学院《结构力学》考试卷2007~2008学年度(下)1、确定图示结构用位移法求解时的最少未知量个数,并在图上标出。
(每题5分,共10分)图(a )图(b )解:图(a )未知量:∆,但对AB 分析时,除了∆外,AB 的A 结点还要转过1个转角l∆。
图(b )未知量:BV ∆,B ϕ。
图(a )图(b )2、用位移法计算图示结构,所有杆件的EI 为常数,只需做到建立好位移法方程即可。
(15分)BB△BV解:1)未知量:B ϕ,BH ∆2)杆端弯矩:330BA B M i ϕ=-643BD B iM i ϕ=+∆623DB B iM i ϕ=+∆BC B M i ϕ=3)建立方程0B M ∑=82300B i i ϕ+∆-= ① 取以下隔离体:0x F ∑= 0Q B D F =64033QBD B i iF ϕ=--∆=4203B ii ϕ--∆= ②3、图(c )所示的刚架,取图(d )所示的基本体系,请求出位移法方程中的F 1P 、F 2P 、F 3P 、F 4P 。
(20分)图(c )图(d )解:1)画出基本体系在支座移动下的弯矩图取A 结点: 取A 结点:0A M ∑=0A M ∑=1632P i i F i a b l l θ=--238P ql F =-取隔离体: 取隔离体:0x F ∑=0x F ∑=22612P QAB i iF F a l lθ==-+ 40P QAB F F ==2)画出基本体系在荷载作用下的弯矩图62i i lθ-3i a 2i lθ-2P F 21ql 3P F 3P F 218ql4PF4、利用对称性对图示结构进行简化,画出半刚架,并指出可用哪些方法进行计算,几个未知量,杆件的EI为常数。
(10分)解:=5kN5kN +kNkN1)用位移法计算,未知量12,,,E F ϕϕ∆∆,或,E F ϕϕ。
2)用力法计算,未知量2个。
3)用无剪力分配法计算,EF 杆,FH 杆是一端固定、一端滑动的。
《结构力学》课程习题集一、单项选择题1. 弯矩图必定发生突变的截面是()。
A. 有集中力作用的截面;B.剪力为零的截面;C.荷载为零的截面;D.有集中力偶作用的截面。
2. 图示梁中 C 截面的弯矩是()。
12kN . m 4kN 3kN / mC4m 4m 2mA.12kN.m( 下拉 );B.3kN.m( 上拉 );C.8kN.m( 下拉 );D.11kN.m( 下拉 )。
3. 静定结构有变温时,()。
A. 无变形,无位移,无内力;B.有变形,有位移,有内力;C.有变形,有位移,无内力;D.无变形,有位移,无内力。
4. 图示桁架 a 杆的内力是()。
A.2P ;B. -2P;; D. - 3P。
P P Pda3 d5. 图示桁架,各杆EA 为常数,除支座链杆外,零杆数为()。
A. 四根;B. 二根;C.一根;D. 零根。
P PaP Pl = 6a6. 图示梁 A 点的竖向位移为(向下为正)()。
A. Pl 3 /( 24 EI ) ;B. Pl 3 /(16 EI ) ;C. 5Pl3/( 96EI );D. 5Pl3/(48 EI )。
P2 EI EIl/ 2 A l/ 27. 静定结构的内力计算与()。
A.EI 没关;B.EI 相对值相关;C.EI 绝对值相关;D.E 没关, I 相关。
8. 图示桁架,零杆的数量为:()。
A.5 ;;; D.20 。
9. 图示结构的零杆数量为()。
A.5 ;B.6 ;; D.8 。
10. 图示两结构及其受力状态,它们的内力切合()。
A. 弯矩同样,剪力不一样;B.弯矩同样,轴力不一样;C.弯矩不一样,剪力同样;D.弯矩不一样,轴力不一样。
P P P P2P 2PEI EI EI EIh 2EI EIl ll l11. 刚结点在结构发生变形时的主要特点是()。
A. 各杆能够绕结点结心自由转动;B.不变形;C.各杆之间的夹角可随意改变;D.各杆之间的夹角保持不变。
第一部分选择题(共40分)一、单项选择题(本大题共20小题,每小题2分,共40分)在每小题列出的四个选项中只有一选项是符合题目要求的,请将正确选项前的字母填在题后的括号内。
1.当某剪力墙连梁刚度较小,墙肢刚度较大时(相当于α<10的情况),说明该剪力墙为()A.整体墙B.小开口剪力墙C.联肢墙D.壁式框架2.在确定高层建筑防震缝最小宽度时,下列说法不正确的是()A.设防烈度越高,最小缝宽取值越大B.结构抗侧移刚度越小,最小缝宽取值越大C.相邻结构单元中较低单元屋面高度越高,最小缝宽取值越大D.相邻结构单元中较高单元屋面高度越高,最小缝宽取值越大3.有4个单质点弹性体系,其质量与刚度分别为=120t,K =6×kN/m; =180t, =9 kN/m. =240t, =12 kN/m;=300t, K =15×kN/m若它们的自振周期分别为、、、,则自振周期之间的关系是()A. < < <B. > > >C. ==D. ===4.震级大的远震与震级小的近震对某地区产生相同的宏观烈度,则对该地区产生的震害是()A.震级大的远震对刚性结构产生的震害大B.震级大的远震对高柔结构产生的震害大C.震级小的近震对高柔结构产生的震害大D.震级大的远震对高柔结构产生的震害小5.已知某剪力墙墙肢为大偏压构件,在其他条件不变的情况下,随着轴向压力N的降低(注N<0.2 )()A.正截面受弯承载力降低,斜截面受剪承载力提高B.正截面受弯承载力降低,斜截面受剪承载力降低C.正截面受弯承载力提高,斜截面受剪承载力提高D.正截面受弯承载力提高,斜截面受剪承载力降低6.为满足地震区高层住宅在底部形成大空间作为公共建筑的需要()A.可在上部采用剪力墙结构,底部部分采用框架托住上部剪力墙B.可在上部采用剪力墙结构,底部全部采用框架托住上部剪力墙C.在需要形成底部大空间的区域,必须从底层至顶层都设计成框架D.必须在底部设置附加裙房,在附加裙房内形成大空间7.在设计框架时,可对梁进行弯矩调幅,其原则是()A.在内力组合之前,对竖向荷载作用的梁端弯矩适当调小B.在内力组合之前,对竖向荷载作用的梁端弯矩适当调大C.在内力组合之后,对梁端弯矩适当调小D.在内力组合之后,对梁端弯矩适当调大8.高度39m的钢筋混凝土剪力墙壁结构,其水平地震作用的计算方法,应当选择()A.底部剪力法B.振型分解反应谱法C.时程分析法D.底部剪力法,时程分析法作补充计算9.伸缩缝的设置主要取决于()A.结构承受荷载大小B.结构高度C.建筑平面形状D.结构长度10.水平荷载作用下的多层框架结构,当某层其他条件不变,仅上层层高变小时,该层柱的反弯点位置()A.向上移动B.向下移动C.不变D.向上移动至层高处11.单层厂房下柱柱间支撑一般布置于伸缩缝区段的()A.中央B.两端C.距两端的第二个柱距内D.任意一端12.钢筋混凝土柱下扩展基础的高度主要是由()A.地基抗压承载力确定B.地基抗剪承载力确定C.基础抗冲切承载力确定D.基础底板抗弯承载力确定13.我国抗震规范在结构抗震设计中采用三水准要求,两阶段设计方法。
2007年真题【题目】1、用三刚片规则对图示体系进行几何组成分析时,三刚片应选为:( )A 、△AFD 、△BDE 、基础;B 、△AFD 、FE 、基础;C 、△AFD 、△BDE 、△FED ;D 、△BDE 、CF 、基础;【题目】2、图示三铰刚架,支座A 的水平反力和铰C 右侧截面的弯矩分别为:( )A 、(上拉);m .k 24),(k 3N M N H CE A =←=B 、(下拉);m .k 24),(k 3N M N H CE A =→=C 、(下拉);m .k 24),(k 3N M N H CE A =←=D 、;0),(k 3=←=CE A M N H【题目】3、图示桁架a 、b 杆的轴力为:( )A 、;N N N N k 75,k 20b a =-= B 、;N N N N k 75-,k 20b a =-=C 、;N N N N k 75,k 20b a == D 、;N N N N k 75-,k 20b a ==【题目】4、图示超静定结构,用力法和位移法求解时的基本未知量个数分别为:()A、5,6;B、6,5;C、5,5;D、6,6;【题目】5、矩阵位移法中,求等效结点荷载时,应用的等效原则是等效结点荷载与原非结点荷载的__相同。
()A、结点位移;B、杆端内力;C、内力;D、应变能;【题目】6、下列叙述正确的是:()A、力矩分配法既可求解连续梁,也可求解一般超静定刚架;B、两刚片规则、三刚片规则和二元体规则是相通的;C、力法的基本结构只能是静定结构;D、位移法是求解超静定结构的基本方法,不能用来求解静定结构;【题目】7、用力法计算图示结构并作弯矩图。
【题目】8、用位移法计算图示结构并作弯矩图。
边长均为6m。
【题目】9、用力矩分配法计算图示连续梁并作弯矩图。
已知cm m N EI 1,.k 108.14=∆⨯=。
【题目】10、利用影响线求图示结构的K B B Q R M 和、的值。
专业课原理概述部分一、选择题(每题1分,共5分)1. 在结构力学中,下列哪个概念不是静定结构的特征?A. 未知反力个数等于独立方程个数B. 结构的位移可以通过静力平衡方程求解C. 结构的稳定性取决于结构的初始条件D. 结构的受力与位移之间存在线性关系2. 下列哪个因素不影响结构的内力计算?A. 结构的材料属性B. 结构的初始条件C. 结构的边界条件D. 结构的荷载分布3. 在结构力学中,下列哪个方程属于力法方程?A. 平衡方程B. 力法方程C. 位移法方程D. 虚功方程4. 在结构力学中,下列哪个概念属于位移法?A. 虚位移原理B. 力法C. 最小势能原理D. 能量法5. 在结构力学中,下列哪个方程属于虚功方程?A. 平衡方程B. 力法方程C. 位移法方程D. 虚功方程二、判断题(每题1分,共5分)1. 静定结构在任何情况下都只有一个未知反力。
()2. 结构的内力可以通过静力平衡方程求解。
()3. 力法计算过程中,可以任意选择基本结构。
()4. 位移法计算过程中,必须先求解位移,再求解内力。
()5. 虚功方程可以用来求解结构的位移。
()三、填空题(每题1分,共5分)1. 结构力学的基本假设包括______、______、______。
2. 力法计算的基本思路是______、______、______。
3. 位移法计算的基本思路是______、______、______。
4. 虚功方程可以用来求解______、______、______。
5. 结构力学中,位移法与力法的主要区别是______。
四、简答题(每题2分,共10分)1. 简述结构力学的基本假设。
2. 简述力法计算的基本思路。
3. 简述位移法计算的基本思路。
4. 简述虚功方程的应用。
5. 简述结构力学中,位移法与力法的主要区别。
五、应用题(每题2分,共10分)1. 请计算一个简支梁在均布荷载作用下的内力。
2. 请说明力法计算过程中,如何选择基本结构。
一.是非题(将判断结果填入括弧:以O 表示正确,X 表示错误)(本大题分4小题,共11分)1 . (本小题 3分)图示结构中DE 杆的轴力F NDE =F P /3。
( ).2 . (本小题 4分)用力法解超静定结构时,只能采用多余约束力作为基本未知量。
( )3 . (本小题 2分)力矩分配中的传递系数等于传递弯矩与分配弯矩之比,它与外因无关。
( )4 . (本小题 2分)用位移法解超静定结构时,基本结构超静定次数一定比原结构高。
( )二.选择题(将选中答案的字母填入括弧内)(本大题分5小题,共21分) 1 (本小题6分)图示结构EI=常数,截面A 右侧的弯矩为:( )A .2/M ;B .M ;C .0; D. )2/(EI M 。
2. (本小题4分)图示桁架下弦承载,下面画出的杆件内力影响线,此杆件是:( ) A.ch; B.ci; C.dj; D.cj.F p /2M2a2a a aa aA F p /2F p /2 F p /2F p F pa a aa F PED3. (本小题 4分)图a 结构的最后弯矩图为:A. 图b;B. 图c;C. 图d;D.都不对。
( )( a) (b) (c) (d)4. (本小题 4分)用图乘法求位移的必要条件之一是: A.单位荷载下的弯矩图为一直线; B.结构可分为等截面直杆段; C.所有杆件EI 为常数且相同; D.结构必须是静定的。
( ) 5. (本小题3分)图示梁A 点的竖向位移为(向下为正):( ) A.F P l 3/(24EI); B. F P l 3/(!6EI); C. 5F P l 3/(96EI); D. 5F P l 3/(48EI).三(本大题 5分)对图示体系进行几何组成分析。
A l /2l /2EI 2EIF Pa d c eb fgh iklF P =11j llM /4 3M /4M /43M /43M /4M /4M /8 M /2EIEIM四(本大题 9分)图示结构B 支座下沉4 mm ,各杆EI=2.0×105 kN ·m 2,用力法计算并作M 图。
一.名词解释(本大题分5小题,每小题4分,共20分)1.准永久组合:2.预应力混凝土结构:3.剪力墙结构:4.极限状态:5.荷载效应:二.简答题(本大题分6小题,共50分)1、钢筋与混凝土粘结作用有哪些,并简述之?(9分)2、在什么情况下采用双筋矩形截面梁?(8分)4、什么是混凝土结构耐久性?混凝土耐久性的影响因素是什么?(8分)5、混凝土强度等级根据什么确定的?我国《混凝土结构设计规范》规定的混凝土强度等级有哪些?(8分)6、钢筋混凝土构件裂缝控制等级有那些?具体有何要求?(9分)三.计算题(本大题分2小题,共30分)1.级为C30 (f c=14.3N/mm2 f t=1.43N/mm2),钢筋采用HRB335级(f y=f y’=300N/mm2 ,ξb=0.55),承受的弯矩设计值为M=650kNm,环境类别为一类,取a s=60mm,试求受拉钢筋的截面面积As。
(15分)2、钢筋混凝土框架柱的截面尺寸为400mm×400mm,承受轴向压力设计值N=2500kN,柱的计算长度l0=5.0m,混凝土强度等级为C30 (f c=14.3N/mm2),钢筋采用HRB335级(f y'=300 N/mm2),要求确定纵筋数量As'。
(15分)《混凝土结构设计原理》试题A答案及评分标准2006-2007学年第二学期土木2004-1~8班一、名词解释(4分×5=20分)1、准永久组合:正常使用极限状态验算时,对可变荷载采用准永久值为荷载代表值的组合。
2、预应力混凝土结构:由配置受力的预应力钢筋通过张拉或其他方法建立预加应力的混凝土制成的结构。
3、剪力墙结构:由剪力墙组成的承受竖向和水平作用的结构。
4、极限状态:整个结构或结构的一部分超过某一特定状态就不能满足设计指定的某一功能要求,这个特定状态称为该功能的极限状态。
5、荷载效应:由荷载引起的结构或结构构件的反应,例如内力、变形和裂缝等。
全国2007年4月高等教育自学考试结构力学(二)试题课程代码:02439一、单项选择题(本大题共10小题,每小题2分,共20分)在每小题列出的四个备选项中只有一个是符合题目要求的,请将其代码填写在题后的括号内。
错选、多选或未选均无分。
1.图示结构K 截面弯矩M K 为( ) A.)(2Pl 3下侧受拉B.)(2Pl上侧受位 C.)(2Pl下侧受位 D.02.图示刚架,EI=常数,铰B 的竖向线位移为( )A.EI 3Pl 3B.EI 3Pl 23C.EI Pl 3D.EI3Pl 433.图(a )所示结构的基本结构如图(b ),EI=常数,则力法典型方程系数( )A.δ11>0,δ12>0B.δ11>0,δ12=0C.δ11>0,δ12<0D.δ11=0,δ12=04.下列说法错误..的是( ) A.力法只能求解超静定结构 B.力法基本结构不唯一 C.力法基本结构可以是超静定结构D.力法基本未知量是结点位移5.图示结构,在力偶M 作用下杆端弯矩的数值存在以下关系:( )A.M KA=M KBB.M KB=M KCC.M KC=M KDD.M KD=M KA6.机动法作静定结构内力影响线依据的是:()A.刚体系虚位移原理B.刚体系虚力原理C.位移互等定理D.反力互等定理7.图示连续梁上作用可以任意布置的均布荷载,若求截面C弯矩的最小值,则荷载应分布在:()A.(1)、(4)跨 B.(1)、(3)跨C.(2)、(3)跨D.(2)、(4)跨8.平面刚架单元坐标转换矩阵[T]是()A.正交矩阵B.对称矩阵C.奇异矩阵D.对角矩阵9.图示结构直接结点荷载为()A.[10kN 0 0 30kN 0 0]TB.[30kN 0 0 0 0 0]TC.[10kN 0 0 20kN 0 0]TD.[0 0 0 30kN 0 0]T10.图示荷载对结构的作用()A.可看成是静荷载还是动荷载,取决于P 值的大小B.可看成是静荷载还是动荷载,取决于结构的自振频率C.可看成静荷载D.可看成动荷载二、填空题(本大题共10小题,每小题2分,共20分) 请在每小题的空格中填上正确答案。
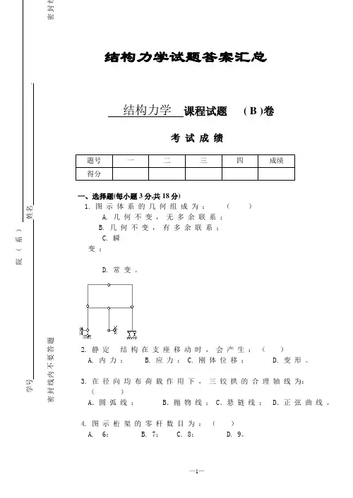
.系程工筑建名姓)系(院院学明三号学封⋯密⋯⋯⋯⋯⋯⋯⋯⋯⋯⋯⋯⋯⋯⋯⋯⋯⋯⋯⋯⋯⋯⋯⋯⋯⋯⋯⋯⋯⋯⋯⋯⋯⋯⋯⋯⋯⋯⋯⋯⋯⋯⋯⋯⋯⋯⋯题⋯答⋯要⋯不⋯内⋯⋯线⋯封⋯密⋯结构力学试题答案汇总一、选择题 (每小题 3 分,共 18 分 )1.图示体系的几何组成为:(A)A.几何不变,无多余联系;B.几何不变,有多余联系;C.瞬变;D.常变。
(第 1题)(第4题)2.静定结构在支座移动时,会产生:(C)A.内力;B.应力;C.刚体位移;D.变形。
3.在径向均布荷载作用下,三铰拱的合理轴线为:(B)A.圆弧线;B.抛物线;C.悬链线;D.正弦曲线。
4.图示桁架的零杆数目为:( D)A. 6;B.7;C.8;D.9 。
5.图 a 结构的最后弯矩图为:( A )A.图 b ; B .图 c; C .图 d; D .都不对。
6.力法方程是沿基本未知量方向的:( C)A.力的平衡方程;B.位移为零方程;C.位移协调方程;D.力的平衡及位移为零方程。
—1—二、填空题(每题3分,共 9分)1.从几何组成上讲,静定和超静定结构都是___几何不变____体系,前者___无__多余约束而后者____有___多余约束。
2.图b是图a结构___B__截面的__剪力__影响线。
3.图示结构AB杆B端的转动刚度为___i___,分配系数为____1/8 ____,传递系数为___-1__。
三、简答题(每题 5 分,共 10 分)1.静定结构内力分析情况与杆件截面的几何性质、材料物理性质是否相关?为什么?答:因为静定结构内力可仅由平衡方程求得,因此与杆件截面的几何性质无关,与材料物理性质也无关。
2.影响线横坐标和纵坐标的物理意义是什么?答:横坐标是单位移动荷载作用位置,纵坐标是单位移动荷载作用在此位置时物理量的影响系数值。
四、计算分析题,写出主要解题步骤(4 小题 ,共63 分)1.作图示体系的几何组成分析(说明理由),并求指定杆 1 和 2 的轴力。
清华大学研究生院2007年考试科目:结构力学 题号:0901一.计算图1所示珩架指定杆的轴力()12,N N (10分)二.结构仅在ACB 部分温度升高t 度,并且在D 处作用外力偶M 。
试求图示刚架A,B 两点间水平向的相对位移。
已知:各杆的EI 为常值,α为线膨胀系数,h 为截面高度。
(20分)三.用力法分析图3所示结构,绘M 图。
计算时轴力和剪力对位移的影响略去不计。
各杆的EI 值相同。
(20分)半圆弧积分表:2211sin sin 2,cos sin 22424x x xdx x xdx x =-=+⎰⎰四.试用位移法求解图4所示刚架并绘M 图。
计算时不考虑轴力变形时对位移的影响。
(20分)杆端力公式:21,08f f AB BA ql M M =-=,53,88f f AB BA ql ql Q Q ==-一.试用力矩分配法计算图5所示连续梁并绘M 图。
(10分)二.求图示结构的自振频率和主振型,并作出振型图。
已知:122,,m m EI m m ===常数,忽略阻尼影响。
(20分)清华大学研究生院2008年招收硕士生入学试题考试科目:结构力学(包含结构动力学基础)题号:0901一.选择题:在正确答案处画“√”。
每题4分。
1.图示平面体系的几何组成性质是:A.几何不变且无多余联系的B.几何不变且有多余联系的C.几何可变的D.瞬变的2.图示结构A截面的剪力为:A. –PB. PC. P/2D. –P/23.图示珩架内力为零的杆为:A.3根B.6根C.8根D.7根3.图示结构的超静定次数为:A.6次B.4次C.5次D.7次4.图示梁当EI=常数时,B端的转角是:A. 3ql EI(顺时针)5/48B. 3ql EI(逆时针)5/48C. 37/48ql EI(逆时针)D. 3ql EI(逆时针)9/48二.计算题1.已知图示结构的M图,做Q.N图。
(10分)图(2.若P=1在梁AB上移动,试绘出M的影响线。
院(系) 学号 姓名 .密封线内不要答题 密封……………………………………………………………………………………………………………………………………………………结构力学试题答案汇总结构力学课程试题 ( B )卷考 试 成 绩题号 一二三四成绩得分一、选择题(每小题3分,共18分)1. 图 示 体 系 的 几 何 组 成 为 : ( ) A. 几 何 不 变 , 无 多 余 联 系 ; B. 几 何 不 变 , 有 多 余 联 系 ; C. 瞬变 ; D. 常 变 。
2. 静 定 结 构 在 支 座 移 动 时 , 会 产 生 : ( )A. 内 力 ;B. 应 力 ;C. 刚 体 位 移 ;D. 变 形 。
3. 在 径 向 均 布 荷 载 作 用 下 , 三 铰 拱 的 合 理 轴 线 为: ( )A .圆 弧 线 ;B .抛 物 线 ;C .悬 链 线 ;D .正 弦 曲 线 。
4. 图 示 桁 架 的 零 杆 数 目 为 : ( )A. 6;B. 7;C. 8;D. 9。
5. 图 a 结构的最后弯矩图为:()A.图 b; B.图 c ; C.图 d ; D.都不对。
6. 力法方程是沿基本未知量方向的:()A.力的平衡方程;B.位移为零方程;C.位移协调方程; D.力的平衡及位移为零方程。
二、填空题(每题3分,共9分)1.从几何组成上讲,静定和超静定结构都是_________体系,前者_________多余约束而后者_____________多余约束。
2. 图 b 是图 a 结构 ________ 截面的 _______ 影响线。
3. 图示结构 AB 杆 B 端的转动刚度为 ________, 分配系数为________, 传递系数为 _____。
三、简答题(每题5分,共10分)1.静定结构内力分析情况与杆件截面的几何性质、材料物理性质是否相关?为什么?2.影响线横坐标和纵坐标的物理意义是什么?四、计算分析题,写出主要解题步骤(4小题,共63分)1.作图示体系的几何组成分析(说明理由),并求指定杆1和2的轴力。
题目部分,(卷面共有100题,1232.0分,各大题标有题量和总分)一、非客观(100小题,共1232.0分)(12分)[1]求作图示结构的弯矩图。
EI =常数,二力杆EA =∞.q =3kN/m(12分)[2]图示体系各柱EI =常数,柱高均为l ,θ=(/())183EI ml 。
求最大动力弯矩。
(12分)[3]求图示体系的自振频率及绘主振型图。
l l /2/2/2(12分)[4]求图示结构中BE 杆的伸缩变形。
已知:EA EI ==⋅10310552kN kN m ,。
4m 2m(12分)[5]求作图示结构的M 图及结点B 的转角ϕB 。
EI =常数。
10kN/m3m(12分)[6]求图示结构D 截面的转角ϕD 。
EI =常数。
l/l ll/2l/2(12分)[7]作图示结构的M 图。
除注明者外,其余各杆EI =常数。
l(12分)[8]求图示梁结构刚度矩阵的各元素K K K K 11122122,,,。
C (12分)[9]图示结构,已知EI 及B支座的弹簧系数k EI l =33/,试用位移法计算,并作M 图。
(10分)[10]求作图示刚架的M 图。
EI =常数。
l /2l l /3l /3(12分)[11]求图示结构杆C 轴力及B 支座反力。
a /2a /2a /2(12分)[12]图示梁端支承抗转弹簧刚度k 12700=⋅kN m /rad ,梁的弹性模量E =⨯200106kN /m ,2 m 4I =⨯-160106。
求作梁的弯矩图。
B k 1q(12分)[13]图示刚架,EI =常数,P =1在AB 间移动。
求反力矩M C 的影响线。
l(12分)[14]求作图示结构的弯矩图。
各杆相对线刚度如图所示。
(12分)[15]利用结构的对称性,选择恰当的方法计算,并作出图示结构的M 图。
EA =∞。
EA EA(11分)[16]绘图示梁的M C 、Q C 的影响线。
(12分)[17]用力法计算图示结构,并绘出M 图。
第三章 静定结构的位移计算一、判断题:1、虚位移原理等价于变形谐调条件,可用于求体系的位移。
2、按虚力原理所建立的虚功方程等价于几何方程。
3、在非荷载因素(支座移动、温度变化、材料收缩等)作用下,静定结构不产生内力,但会有位移且位移只与杆件相对刚度有关。
4、求图示梁铰C 左侧截面的转角时,其虚拟状态应取:A.;;B.D.C.=15、功的互等、位移互等、反力互等和位移反力互等的四个定理仅适用于线性变形体系。
6、已知M p 、M k 图,用图乘法求位移的结果为:()/()ωω1122y y EI +。
M kM p21y 1y 2**ωω( a )M =17、图a 、b 两种状态中,粱的转角ϕ与竖向位移δ间的关系为:δ=ϕ 。
8、图示桁架各杆E A 相同,结点A 和结点B 的竖向位移均为零。
aa9、图示桁架各杆EA =常数,由于荷载P 是反对称性质的,故结点B 的竖向位移等于零。
二、计算题:10、求图示结构铰A 两侧截面的相对转角ϕA ,EI = 常数。
qlll /211、求图示静定梁D 端的竖向位移 ∆DV 。
EI = 常数 ,a = 2m 。
a a a10kN/m12、求图示结构E 点的竖向位移。
EI = 常数 。
ll l l /32 /3/3q13、图示结构,EI=常数 ,M =⋅90kN m , P = 30kN 。
求D 点的竖向位移。
P 3m3m3m14、求图示刚架B 端的竖向位移。
q15、求图示刚架结点C 的转角和水平位移,EI = 常数 。
q16、求图示刚架中D点的竖向位移。
EI =常数。
l ll/217、求图示刚架横梁中D点的竖向位移。
EI=常数。
18、求图示刚架中D点的竖向位移。
E I = 常数。
qll l/219、求图示结构A、B两截面的相对转角,EI=常数。
l/23l/320、求图示结构A、B两点的相对水平位移,E I = 常数。
ll21、求图示结构B点的竖向位移,EI = 常数。
全国2007年4月高等教育自学考试结构力学(二)试题课程代码:02439一、单项选择题(本大题共10小题,每小题2分,共20分)在每小题列出的四个备选项中只有一个是符合题目要求的,请将其代码填写在题后的括号内。
错选、多选或未选均无分。
1.图示结构K 截面弯矩M K 为( ) A.)(2Pl 3下侧受拉B.)(2Pl上侧受位 C.)(2Pl下侧受位 D.02.图示刚架,EI=常数,铰B 的竖向线位移为( )A.EI 3Pl 3B.EI 3Pl 23C.EI P l 3D.EI3Pl 433.图(a )所示结构的基本结构如图(b ),EI=常数,则力法典型方程系数( )A.δ11>0,δ12>0B.δ11>0,δ12=0C.δ11>0,δ12<0D.δ11=0,δ12=04.下列说法错误..的是( ) A.力法只能求解超静定结构 B.力法基本结构不唯一 C.力法基本结构可以是超静定结构D.力法基本未知量是结点位移5.图示结构,在力偶M 作用下杆端弯矩的数值存在以下关系:( )A.M KA=M KBB.M KB=M KCC.M KC=M KDD.M KD=M KA6.机动法作静定结构内力影响线依据的是:()A.刚体系虚位移原理B.刚体系虚力原理C.位移互等定理D.反力互等定理7.图示连续梁上作用可以任意布置的均布荷载,若求截面C弯矩的最小值,则荷载应分布在:()A.(1)、(4)跨 B.(1)、(3)跨C.(2)、(3)跨D.(2)、(4)跨8.平面刚架单元坐标转换矩阵[T]是()A.正交矩阵B.对称矩阵C.奇异矩阵D.对角矩阵9.图示结构直接结点荷载为()A.[10kN 0 0 30kN 0 0]TB.[30kN 0 0 0 0 0]TC.[10kN 0 0 20kN 0 0]TD.[0 0 0 30kN 0 0]T10.图示荷载对结构的作用()A.可看成是静荷载还是动荷载,取决于P 值的大小B.可看成是静荷载还是动荷载,取决于结构的自振频率C.可看成静荷载D.可看成动荷载二、填空题(本大题共10小题,每小题2分,共20分) 请在每小题的空格中填上正确答案。
结构⼒学-习题集(含答案)《结构⼒学》课程习题集⼀、单选题1.弯矩图肯定发⽣突变的截⾯是(D )。
A.有集中⼒作⽤的截⾯;B.剪⼒为零的截⾯;C.荷载为零的截⾯;D.有集中⼒偶作⽤的截⾯。
2.图⽰梁中C截⾯的弯矩是( D )。
4m2m4mA.12kN.m(下拉);B.3kN.m(上拉);C.8kN.m(下拉);D.11kN.m(下拉)。
3.静定结构有变温时,(C)。
A.⽆变形,⽆位移,⽆内⼒;B.有变形,有位移,有内⼒;C.有变形,有位移,⽆内⼒;D.⽆变形,有位移,⽆内⼒。
4.图⽰桁架a杆的内⼒是(D)。
A.2P;B.-2P;C.3P;D.-3P。
5.图⽰桁架,各杆EA为常数,除⽀座链杆外,零杆数为(A)。
A.四根;l= a66.图⽰梁A点的竖向位移为(向下为正)(C)。
A.)24/(3EIPl; B.)16/(3EIPl; C.)96/(53EIPl; D.)48/(53EIPl。
PEIEI A l/l/2227. 静定结构的内⼒计算与( A )。
A.EI ⽆关;B.EI 相对值有关;C.EI 绝对值有关;D.E ⽆关,I 有关。
8. 图⽰桁架,零杆的数⽬为:( C )。
A.5;9. 图⽰结构的零杆数⽬为( C )。
A.5;B.6;C.7;D.8。
10. 图⽰两结构及其受⼒状态,它们的内⼒符合( B )。
A.弯矩相同,剪⼒不同;B.弯矩相同,轴⼒不同;C.弯矩不同,剪⼒相同;D.弯矩不同,轴⼒不同。
PP2EI EI EIEI 2EI EIllhl l11. 刚结点在结构发⽣变形时的主要特征是( D )。
A.各杆可以绕结点结⼼⾃由转动; B.不变形; C.各杆之间的夹⾓可任意改变; D.各杆之间的夹⾓保持不变。
12. 若荷载作⽤在静定多跨梁的基本部分上,附属部分上⽆荷载作⽤,则( B )。
A.基本部分和附属部分均有内⼒;B.基本部分有内⼒,附属部分没有内⼒;C.基本部分⽆内⼒,附属部分有内⼒;D.不经过计算,⽆法判断。
2007年成人学位考试结构力学试卷一、是非题(正确的打√,错误的打×)(每小题3分) 1、横截面抗弯刚度均为EI ,图(a)中C 点竖向线位移小于图(b)中C 点竖向线位移。
( √ )EA(a ) (b ) 2、虚位移原理中的虚功方程等价于静力平衡方程,虚力原理中虚功方程等价于变形协调方程。
( √ )3、对于图(a )(b )(c )所示三种结构,其梁式杆的最大弯矩(绝对值)排序为:(a )>(b )>(c )。
( √ ) =40kN/m =40kN/m二、选择题(选择一个正确答案)(每小题3分)1、图示体系的几何组成是 ( D )B2、图示有一切口的圆,外侧降温,内侧升温,切口处水平相对位移、铅直相对位移和相对转角的符号为(设虚力状态分别为图a 、图b 和图c ) ( C ) A. 大于0、小于0,等于0 B. 大于0、等于0,小于0C. 等于0、小于0,大于0D. 小于0、小于0,等于0(a) (b) (c)3、图示结构,EI=常数,用力矩分配法计算时,分配系数μAE =( A )。
三、填空题(每小题3分)1、图(a )所示结构A 支座的弯距大小为A M ,则图(b )所示结构A 支座的弯距大小为 3 M A .A 、无多余约束的几何不变体系B 、几何可变体系C 、有多余约束的几何不变体系D 、瞬变体系(A) .21 (B) . 54(C ). 52 (D). 51(a)(b)2、图示桁架结构中内力为零的杆件的数目(包括支座连杆)为 11 。
3、图示结构中AB 杆B 截面的弯矩BA M =____0______________。
(设内侧受拉为正)五、(1.)计算并作出图示结构的弯矩图(10分), (2.)计算出该结构中E 点平方向的位移,各杆EI 为常数(12分)。
解:(1)绘制结构的弯矩图,见图(a )(2)E 点沿水平方向虚设单位力1=F ,绘M 图,见)(b 图利用图乘法,图)(b 与图)(a 的弯矩图图乘,即∑=∆EIwy E C水平 其中:3824311=⨯⨯=w 232431=⨯=C y 844212=⨯⨯=w 2231076103138322=-=⨯-⨯=C y844213=⨯⨯=w 36831256123138323=+=⨯+⨯=C y442214=⨯⨯=w 35232824283112324=+=⨯+⨯=C y EIEI EI EI EI y w y w y w y w EI EI wy E C 292)1121764(1)33361764(1)32085441764(1)352436882282338(1)(144332211水平=++=++=-++=⨯-⨯+⨯+⨯=-++==∆∑六、作图示结构M 图,各杆EI 相同。