变频调速时电动机的机械特性分析
- 格式:pdf
- 大小:384.50 KB
- 文档页数:3
第六章 交流异步电动机变压变频调速系统本章主要问题:1. 在变频调速中变频时为什么要保持压频比恒定?2. 交-直-交电压源型变频器调压、调频的有哪几种电路结构,并说明各种电压结构的优缺点。
3. SPWM 控制的思想是什么?4. 什么是1800导通型变频器?什么是1200导通型变频器? 5. 电压、频率协调控制有几种控制方式,各有哪些特点?6. 在转速开环恒压频比控制系统中,绝对值单元GAB 的作用?函数发生器GFC 的作用?如何控制转速正反转。
7. 总结恒11U 、恒1ωg E 、恒1ωr E 三种控制方式的特点。
————————————————————————————————————————§6-1 交流调速的基本类型要求:掌握交流调速哪几种基本类型有以及各种调速方法的特点。
目的:能根据不同应用场合选择出相应的调速方式。
重点、难点:变频调速时基频以下和基频以上调速的特点 主要内容(交流调速的基本类型、变频调速的基本要求)思考: 1. 交流异步电动机调速的方式有哪几种?并写出各方式的优缺点?2. 在变频调速中变频时为什么要保持压频比恒定?教学设计:交流调速的基本类型采用多媒体课件讲授,用大量的实例,说明几种类型的应用场合。
复习感应电动机转速表达式:)1(60)1(10s n f s n n p-=-=异步电动机调速方法:⎪⎪⎪⎩⎪⎪⎪⎨⎧⎪⎪⎩⎪⎪⎨⎧型变频调速:绕线式、笼:绕线式串级调速(转差电压)电磁转差离合器调转子电阻:绕线式、调压(定子电压)变转差率调速变极调速:笼型异步机异步电动机§6-2 变频调速的构成及基本要求目的、教学要求:掌握变频调速时基频以下和基频以上调速的特点 重点、难点:变频调速时基频以下和基频以上调速的特点 主要内容(变频调速的基本要求)思考:在变频调速中变频时为什么要保持压频比恒定?教学设计:教师从交流异步电动机的结构、工作原理出发,利用多媒体课件讲解。
三、交流异步电动机变频调速的理论基础问题3-1:在电动机调速时,为什么要保持每极磁通量为额定值不变?对直流电机和交流异步电机,分别采用什么方法使电机每极的磁通恒定?异步电机的气隙磁链在每相定子中的感应电动势E g =4.44f 1N 1k N1Φm 如果使Eg/f 1=K 气隙磁链保持不变,要保持直流电机的磁通恒定,因为其励磁系统是独立的,只要对电枢反应的补偿合适,容易做到保持磁通恒定。
要保持交流异步电机的磁通恒定,必须采用恒压频比控制。
问题3-2:交流异步电动机的恒压频比控制有哪三种方式?试就其实现难易程度、机械特性等方面 进行比较。
Eg/f 1=K ,气隙磁链在每相定子中的感应电动势/输入频率为恒值,机械特性非线性,难实现,加定子电压补偿的目标,改善低速性能。
T max ,n m 与频率无关,机械特性平行,硬度相同,类似于直流电动机的降压调速,属于恒转矩调速。
U 1/f 1=K ,定子相电压/输入频率为恒值,U 1定子相电压,机械特性非线性,易实现。
f 1接近额定频率时,T max 变化不大,f 1的降低,T max 变化较大,在低速时甚至拖不动负载。
实际上U 1/f 1=常数,由于频率很低时定子电阻损耗相对较大, 不可忽略,故必须进行定子电压补偿。
E 2/f 1=K ,转子磁链在每相定子中的感应电动势/输入频率为恒值,E 2转子磁链在每相定子中的感应电动势(忽略转子电阻损耗)转子磁链恒值,机械特性线性, 稳态性能和动态性能好,最难实现。
这是矢量控制追求的目标。
问题3-3:交流异步电动机变频调速系统在基速以上和基速以下分别采用什么控制方法,磁通、转矩、功率呈现怎样的变化规率?并请用图形表示。
恒磁通调速(基频以下)U 1/f 1=常数,并补偿定子电阻损耗。
恒功率调速(基频以上)升高电源电压时不允许的,f 1Φm =KE g 0f T f带定子电压补偿的U 1/f 1=KφφmU1fnUnnT在频率上调时,只能保持电压不变。
变频调速的四象限运行张燕宾1 异步电动机的机械特性1.1 概述电力拖动系统就是电动机带动生产机械运动(大多数为旋转运动)的系统。
进一步说,则是电动机的电磁转矩克服了生产机械的阻转矩,把生产机械带动到一定转速的运行系统。
如图1所示,拖动系统主要由三大部分构成:图1 电力拖动系统的构成(1) 电动机是把电能转换成机械能的装置。
在拖动系统里,起原动机的作用。
(2) 生产机械是拖动系统的工作对象,如鼓风机、水泵、起重机械、机床等。
也是电动机的负载。
(3) 传动机构是把电动机输出的机械能传递给生产机械的装置。
在大多数情况下是一种减速装置,有时也能在一定范围内进行调速。
常见的传动机构如皮带、齿轮、联轴器等。
拖动系统的主要物理量是:(1) 转速n拖动系统的基本工况是由电动机带动生产机械以一定的速度运行。
因此,转速n是拖动系统的工作目的。
本文中,电动机输出轴上的转速用n M表示;生产机械输入轴上的转速用n L表示。
(2) 转矩T对于电动机,这是拖动系统得以转动的原因,是原动力。
由于电动机的转矩是由电流和磁场相互作用而产生的,故称为电磁转矩,用T M表示。
描绘转速n与转矩T之间的关系n=ƒ(T)是至关重要的,称之为机械特性。
在异步电动机内,电磁转矩的大小与电流和磁通量的乘积成正比:T M=K T I1Ф1cosö2 (1) 式中,K T为转矩常数;I1为定子电流;Ф1为每个磁极的磁通量;cosö2为转子电流的功率因数。
作为拖动生产机械的原动转矩,应该是电动机轴上的输出转矩。
是电磁转矩克服了电动机内部的磨擦损失和通风损失的结果。
但由于磨擦损失和通风损失都很小,为了简化分析的过程,常粗略地把异步电动机的电磁转矩直接看作是电动机轴上的输出转矩。
1.2 自然机械特性与速度变化电动机在没有人为地改变其参数时的机械特性,称为自然机械特性。
异步电动机的自然机械特性如图2所示。
其主要特征可由三个点来描述:图2 异步电动机的自然机械特性(1) 理想空载点(N0点)电动机输出轴上的转矩为0(T=0),称为理想空载。
<变频调速技术>课程标准一. 课程概述(一)课程性质变频调速技术是机电一体化专业、电气自动化专业必修课,是针对电气维修工艺员、电气设备安装维护工从事的机电设备的维护检修和试验、故障排除及维护管理工作等岗位需要的实际工作能力而设置的一门核心课程。
通过本课程的学习要求学生能够熟练掌握交流变频系统的工作原理、实现方法、机械特性、运行特点及适用场合,使学生在掌握本课程的基础上,经过实验环节有能力分析和设计交流变频系统。
本课程要求学生必须掌握本专业的必备基础理论知识和专业知识,掌握从事机电一体化专业领域实际工作的基本能力和基本技能,具有对交流变频系统的安装、调试、电气控制设备的运行与维护及故障检修等能力。
(二)课程设计思路《变频调速技术》是3年制机电类专业学生必须掌握的一门理论性和实践性都很强的专业基础课,该课程的主要目标是为了提高学生选择、使用和维护变频器及电气控制设备的能力;使学生掌握变频器的结构、基本工作原理、运行特性;熟悉变频器电气控制设备的分析调试维护方法,培养学生培养学生辩证唯物主义观点、实事求是的科学态度、逻辑思维能力、分析生产实际问题和解决实际问题的能力,培养学生的团队协作、勇于创新、敬业乐业的工作作风。
在对按照工作任务要求后,设定了认识变频器、变频器的的基本运行、变频器与继电器组合控制、变频器运行与分析、变频调速应用五个学习情境。
这五个学习情境按照基于工作过程的教学模式展开教学,用六步法(资讯、计划、决策、实施、检查、评估)对每一个情境进行教学实施,有助于提高学生的动手能力、自学能力、创新能力以及岗位能力等各项素质。
二. 培养目标根据3年制中职电类专业教学计划的要求,本课程应该达到以下教学目标:(一)知识目标:1、掌握异步电动机变频调速的控制方法和机械特性2、变频器的分类与特点3、晶闸管变频器、脉宽调制型变频器4、掌握转速开环的晶闸管变频调速系统、转差频率控制的转速闭环变频调速系统的组成和工作原理5、了解矢量变换控制的基本思想。
电磁调速电机和变频调速电机的区别一、技术特点不同1、电磁调速电机:具有调速范围广、速度调节开环、起动转矩大、控制功率小、有速度负反馈、自动调节系统时机械特性硬度高等一系列优点。
2、变频调速电机:噪声低,通过优化电磁设计、通风状况、结构尺寸等技术,电动机的噪声较低。
,轴承负载能力高,电动机选用深沟球轴承,寿命长。
二、原理不同1、电磁调速电机:由普通鼠笼式异步电动机、电磁滑差离合器和电气控制装置三部分组成。
异步电机作为原动机使用,当它旋转时带动离合器的电枢一起旋转,电气控制装置是提供滑差离合器励磁线圈励磁电流的装置。
2、变频调速电机:利用电力半导体器件的通断作用将工频电源变换为另一频率的电能控制装置。
三、应用不同1、电磁调速电机:在印刷机及骑马订书机、无线装订、高频烘干联动机、链条锅炉炉排控制中都得到广泛应用。
2、变频调速电机:特别是随着变频器在工业控制领域内日益广泛的应用,变频电机的使用也日益广泛起来,可以这样说由于变频电机在变频控制方面较普通电机的优越性,凡是用到变频器的地方我们都不难看到变频电机的身影。
电磁调速电机电磁调速异步电动机又称滑差电机,它是一种利用直流电磁滑差恒转矩控制的交流无级变速电动机。
由于它具有调速范围广、速度调节开环、起动转矩大、控制功率小、有速度负反馈、自动调节系统时机械特性硬度高等一系列优点,因此在印刷机及骑马订书机、无线装订、高频烘干联动机、链条锅炉炉排控制中都得到广泛应用。
变频调速电机变频调速电机简称变频电机,是变频器驱动的电动机的统称。
实际上为变频器设计的电机为变频专用电机,电机可以在变频器的驱动下实现不同的转速与扭矩,以适应负载的需求变化。
变频电动机由传统的鼠笼式电动机发展而来,把传统的电机风机改为独立出来的风机,并且提高了电机绕组的绝缘性能。
在要求不高的场合如小功率和频率在额定工作频率工作情况下,可以用普通鼠笼电动机代替。
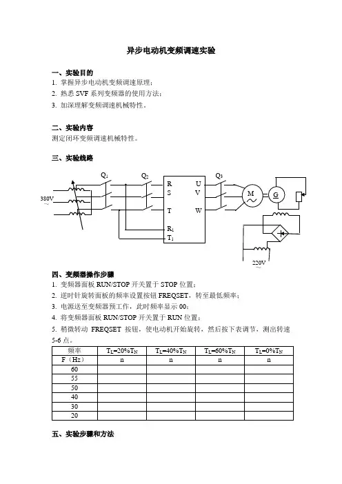
异步电动机变频调速实验
一、实验目的
1. 掌握异步电动机变频调速原理;
2. 熟悉SVF 系列变频器的使用方法;
3. 加深理解变频调速机械特性。
二、实验内容
测定闭环变频调速机械特性。
三、实验线路
四、变频器操作步骤
1. 变频器面板RUN/STOP 开关置于STOP 位置;
2. 逆时针旋转面板的频率设置按钮FREQSET ,转至最低频率;
3. 电源送至变频器预工作,此时频率显示00;
4. 将变频器面板RUN/STOP 开关置于RUN 位置;
5. 稍微转动FREQSET 按钮,使电动机开始旋转,然后按下表调节,测出转速5-6点。
五、实验步骤和方法
~
~
1. 电源通过三相变压器输出380伏电压输入至变频器R1和T1端,使变频器内部先工作(即合上开关Q1);
2. 将开关Q2闭合,然后再将开关Q3合上接通异步电动机。
调节变频器频率至表中所要求点;
3. 在相同频率下调节励磁电流,使测功机转矩为给定大小,测出转速,改变转矩(20%,40%,60%,0%)T N,测出不同转速填入表格。
4. 改变频率f=(60,55,50,40,30,20)Hz,重做步骤3;
六、实验报告
1. 画出给定负载时的变频调速曲线;
2. 画出不同频率时电机的机械特性曲线。
七、思考题
1. 频率变化时机械特性硬度如何变化?为什么?
2. 根据机械特性分析低频时电动机的过载能力。
变频调速的基本方式在电机调速时,一个重要的因素就是希望保持磁通不变量m Φ为额定值不变。
如果磁通太弱没有充分利用铁心,是一种浪费;若要增大磁通,从而导致过大的励磁电流,严重时会因绕组果然热而损坏电机。
对于直流电机,励磁系统是独立的,只要对电枢反应的补偿合适,保持m Φ不变时很容易做到的。
在交流异步电机中,磁通是定子和转子磁势合成产生的。
三相异步电机每相电动势的有效值:·m N g k N f E Φ=11144.4 (1—1)式中:g E ——气隙磁通在定子每相中感应电动势有效值,单位为V ;1f ——定子频率,单位为Hz ; 1N ——定子每相绕组串联匝数; 1N k ——基波绕组系数; m Φ——每极气隙磁通,单位Wb由(1—1)式可知,只要控制好感应电动势和定子频率,便可以达到控制磁通的目的,因此需要考虑基频以下和基频以上两种情况。
基频以下调速由式(1—1)可知,要保持m Φ不变,当频率从额定值n f 1向下调节时,必须同时降低g E 使常值=1f E g(1—2) 即采用固定的电动势频比的控制方式。
然而,绕组中感应电动势是难以控制的,当电动势值较高时,可以忽略定子绕组的漏磁阻抗压降,而认为定子相电压g U U ≈1,则得到:常值=11f U (1—3) 这是恒压频比的控制方式。
低频时,1U 和g E 都较小,定子阻抗压降所占的分量就比较显著,不能再忽略。
这时,可以认为的把电压1U 抬高一些,以便近似的补偿定子压降。
带定子压降补偿的恒压频比控制特性曲线有补偿的如图中的b 线,物补偿的如图中的a 线。
O Us f 1图6-1 恒压频比控制特性a b基频以上调速在基频以上调速,频率可以从n f 1往上增高,但电压1U 却不能增加得比额定电压n U 1还要大,最多只能保持n U U 11 。
由式(1-1)可知,这将迫使磁通与频率成反比的降低,相当于直流电机弱磁升速的情况。
把基频以下和基频以上两种情况合起来,可得到如图所示的异步电动机变频调速的控制特性。
交流电机调速的三种基本方法与特点
交流电机调速的三种基本方法分别是:
1. 变频器调速:变频器是利用电力电子元件控制交流电机转速的方法。
通过改变变频器输入的频率和电压,可以控制电机的转速和转矩。
变频器调速具有精度高、调速范围广、机械特性硬等优点,适用于各种交流电机的调速控制。
2. 串级调速:串级调速是指通过在电机转子回路中串入可调节的附加电势来改变电机的转差,达到调速的目的。
该方法适用于风机、水泵等需要调速的场合,具有效率高、调速范围广等优点。
3. 变极对数调速:变极对数调速方法是通过改变定子绕组的接线方式来改变笼式电动机定子极对数达到调速目的。
该方法适用于金属切削机床等需要平滑调速的场合,具有机械特性较强、稳定性好等优点,但调速范围较小。
变频器恒压频比控制中调速特性及修正【摘要】本文从变频器的恒压频比控制原理入手,通过对其机械特性的分析,提出实际应用中实现转矩提升的修正方法,供读者参考。
【关键词】变频器;恒压频比;机械特性;转矩提升变频器问世之前,在需要进行调速控制的拖动系统中基本上都是采用直流电机。
随着电力电子技术的不断发展,通过变频技术改变交流电的频率和电压来实现对交流电机的平滑调速成为可能。
如今,变频器凭借其低功耗、高效率、控制电路简单等优点,成为了电气传动控制系统中的重要组成部分。
目前,变频器主要的控制方式包括:恒压频比控制(恒控制)、转差频率控制(SFC)、矢量控制(VC)和直接转矩控制(DTC)等方式。
其中,恒控制作为最基本的变频调速控制方式,广泛应用于各行各业的交流电机调速系统中。
但是,这种控制方式也有其不足之处,在实际应用中应该引起足够的重视,并通过正确的方法对其予以修正。
1 恒控制原理由于三相异步电动机的转速,在电机磁极对数和转差率s一定时,则有,即电机转速正比于电源频率。
由此可见,只要平滑地改变三相异步电动机的电源频率,就可使电机的转速得到平滑调节。
但事实上,仅仅依靠改变电源频率并不能实现对电机的正常无极调速。
对于三相异步电机而言,每相定子绕组的反电动势为。
式中,为电源频率,为每极气隙主磁通量。
如果电机一旦选定,其结构常数和定子绕组匝数也就确定了,即为一常数,则有。
在额定频率(=)时,由于电源电压U1?U,在忽略电动机定子绕组压降VU的情况下,则有U1=E1+VU≈E1∝。
由此可见,若使电机定子绕组电压U1恒定,则E1也恒定,那么改变电机的电源频率必将引起主磁通的相应变化。
如果主磁通太弱,就不能充分利用电机的铁芯,是对电机的浪费;如果主磁通过大,又会使铁芯过饱和,这将使励磁电流急剧升高,从而使铁芯损耗急剧增加,线圈绕组过热,导致电动机不能正常工作,甚至损毁。
由此可见,在变频调速时单纯调节电源频率是行不通的。
因此,对三相异步电动机进行调速时,通常希望使主磁通保持恒定。
1-1交流异步电动机的变频调速方式与其他调速方式相比有什么优势?可以从低速到高速都保持很小的转差率,效率高,并且可以通过连续改变供电频率,实现无极调速,调速范围大,精度高,是一种较理想的调速方法,所以这是现在交流异步电动机的最常用的调速方式。
1-2什么是交流异步电动机的恒压频率比控制方式?什么是恒电动势频率比控制方式?各具有什么特点?改变定子绕组供电电源频率f1(1为下脚标,下面类同)进行变频调速时,同时协调地改变定子绕组的供电电压U1,使电压和频率比为常数,这就是变频调速中的恒压频率比控制方式,简称V/f 控制;在改变定子绕组供电电源频率f1进行变频调速时,若要维持磁通Φ1恒定,必须同时协调地改变定子绕组的感应电动势E1,使电动势和频率比为常数,这就是变频调速中的恒电动势频率比控制方式。
特点母鸡呀!1-3为什么采用V/f 控制方式时,低频时要采用电压补偿?V/f 控制的主要问题是低频工作时的输出转矩下降过大,这时若要维持每极气隙中主磁通量的恒定,定子绕组的漏阻抗上的压降不能再忽略,需要人为地把电压U1适当调高,近似地补偿定子绕组漏阻抗上的压降,因此现代变频器中均设置有相应的转矩提升功能或称为电压补偿功能。
1-4变频调速运行时,交流异步电动机的机械特性有什么特点?基频以下变频调速:交流电动机采用恒压频率比控制方式时,随着定子供电电压频率的降低,其机械特性是在额定频率下机械特性的一簇平行曲线,其最大转矩随频率的降低而减小。
基频以上变频调速:随着供电频率的升高,最大转矩随之减小。
由于同步转速随频率升高,电磁功率基本保持不变,机械特性随之上移,与他励直流电动机弱磁升速相似。
1-5生产机械的负载特性包括哪些类型,各有什么特点?包括:恒转矩负载、平方降转矩负载和恒功率负载。
恒转矩负载基本特点:负载转矩T L =常数;负载功率P L =n ∝kw 9550n T L )( 平方降转矩负载基本特点:负载转矩T L =k T n 2;负载功率P L =P k 9550n T L n 3 恒功率负载基本特点:;负载功率P L =常数;负载转矩T L =n 1∝n 9550P L 1-6负载特性包含什么特性,分别指的是哪些物理量之间的关系?包括:负载机械特性和负载功率特性。
三相异步电动机的变频调速改变三相异步电动机电源频率fi,可以改变旋转磁通势的同步转速,从而达到调速的目的。
如果电源频率连续可调,可以平滑调节电动机的转速。
额定频率称为基频,变频调速时可以从基频向上调,也可以从基频向下调,下面分别进行分析。
忽略定子漏阻抗压降,三相异步电动机每相电压U¡≈E¡=4.44fW1kw1Фm(2.63)如果保持电源电压为额定值,降低电源频率,则随着fi的下降,气隙每极磁通Φ增加。
电动机磁路本来就刚进入饱和状态,Φ增加,磁路过饱和,励磁电流会急剧增加,电机的功率因数下降,负载能力减小,甚至导致无法正常运行。
因此,降低电源频率时,必须同时降低电源电压。
降低电源电压U有两种控制方法。
1.保持E/f=常数降低电源频率f1的同时,保持E/f=常数,则Φ=常数,是恒磁通控制方式。
当改变频率f时,若保持E:/f=常数,最大转矩Tm一常数,与频率无关,并且最大转矩对应的转速落降相等,也就是不同频率的各条机械特性曲线是近似平行的,机械特性的硬度相同。
这种调速方法与他励直流电机降低电源电压调速相似,机械特性较硬,在一定的静差率要求下,调速范围宽,而且稳定性好。
由于频率可以连续调节,因此变频调速为无级调速,平滑性好。
另外,电动机在正常负载运行时,转差率s较小,因此转差功率P,较小,效率较高。
2.保持U/fi=常数当降低电源频率f时,保持U/fx=常数,则气隙每极磁通Φ≈常数。
U、/f、=常数时的机械特性不如保持E/fi=常数时的机械特性,特别是当低频低速时,机械特性变坏了。
升高频率向上调速时,升高电源电压是不允许的,只能保持电压UN 不变,频率越高,磁通Φ越低,因此是一种弱磁升速的方法,类似他励直流电机弱磁调速。