作业日报汇总表表格格式
- 格式:docx
- 大小:6.90 KB
- 文档页数:1
工作日志统计表格模板一、基本信息。
日期员工姓名部门。
[具体日期] [姓名] [部门名称]二、工作任务详情。
(一)任务分类。
任务类型任务描述。
项目相关 [项目名称]:负责[具体项目任务,如模块开发、市场调研等]日常工作 [如邮件处理、文件整理等日常事务的简单描述]临时任务 [临时接到的任务,如紧急会议安排、协助其他部门等](二)任务优先级。
任务优先级(高/中/低)设定优先级的原因。
[任务1名称] 高该任务直接影响项目的关键节点,若不及时完成会导致整个项目进度延迟。
例如,项目中的核心代码开发任务,需要在规定时间内完成测试并交付,否则后续的集成测试无法进行。
[任务2名称] 中虽然重要但有一定的时间缓冲。
像常规的文件整理工作,虽然需要完成,但可以在本周内的某个时间段完成,不会立即影响其他工作的开展。
[任务3名称] 低对整体工作影响较小且有较长的时间跨度。
例如一些不紧急的资料收集任务,在未来一段时间内完成即可。
(三)任务开始与结束时间。
任务开始时间结束时间实际花费时长是否按时完成。
[任务1名称] [开始时间点,如9:00] [结束时间点,如12:00] 3小时是。
[任务2名称] [13:30] [15:00] 1.5小时是。
[任务3名称] [15:30] [17:00] 1.5小时否(原因:遇到[具体困难,如数据缺失需要重新查找])三、工作成果。
(一)已完成任务成果。
任务成果描述成果衡量标准。
[任务1名称] 成功完成[项目任务的具体成果,如开发的模块通过初步测试] 测试用例通过率达到[X]%以上。
[任务2名称] 整理并归档了[X]份文件,建立了新的文件索引系统文件分类清晰,通过索引能够在[X]分钟内准确找到所需文件。
(二)未完成任务进展。
任务目前进展预计完成时间面临的困难及解决方案。
[未完成任务名称] 已完成[X]%,完成了[具体部分,如数据收集的大部分工作] [新的预计完成时间] 困难:[如技术难题,缺乏相关知识]。
生产管理必须坚持安全第一、预防为主的方针,建立健全安全生产的责任制度和群防群治制度。
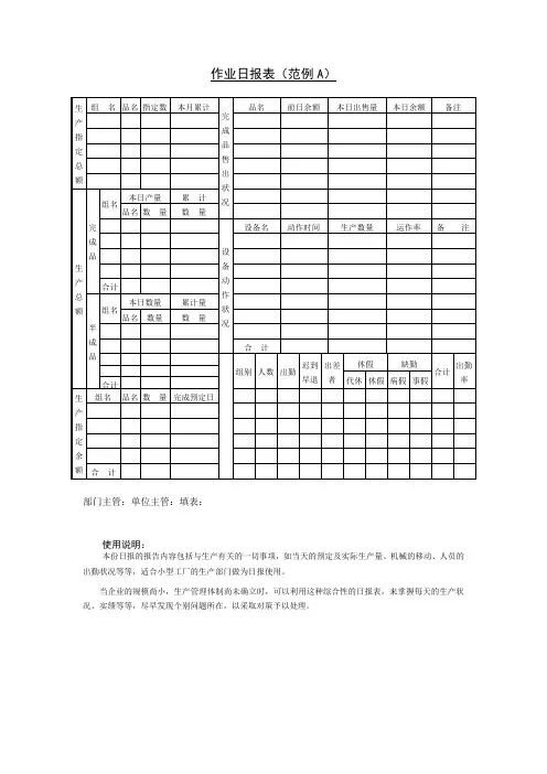
作业日报表(范例A)
部门主管:单位主管:填表:
使用说明:
本份日报的报告内容包括与生产有关的一切事项,如当天的预定及实际生产量、机械的移动、人员的出勤状况等等,适合小型工厂的生产部门做为日报使用。
当企业的规模尚小,生产管理体制尚未确立时,可以利用这种综合性的日报表,来掌握每天的生产状况、实绩等等,尽早发现个别问题所在,以采取对策予以处理。
生产管理必须坚持安全第一、预防为主的方针,建立健全安全生产的责任制度和群防群治制度。
附带:样品制作单。
工作总结日报表格式
日期:20xx年xx月xx日
工作总结:
1、工作任务完成情况:
任务名称\t任务完成情况\t存在问题\t解决方法
1. 客户反馈处理\t已处理完毕\t暂无\t无
2. 会议纪要整理\t已完成并审核\t某些内容表述不明确\t重新编辑并优化表述
3. 宣传方案制定\t制定了初步方案\t方案内容需要进一步优化\t组织讨论并与业务部门沟通,完善方案
2、遇到的困难及解决方法:
困难描述\t解决方法\t解决结果
1. 遇到审核人员审核意见不同\t认真听取审核人员意见、进行修改\t最终审核通过
2. 编辑纪要时写作思路不清晰\t请教同事、查阅文献\t成功完稿
3. 制定方案时业务部门协作困难\t组织讨论、多次沟通业务部门\t成功制定初步方案并得到业务部门认可
3、下一工作日工作计划:
1. 完善宣传方案,着重优化方案内容;
2. 跟进之前提出的问题并及时解决;
3. 安排客户回访时间并确定回访内容;
4. 组织售后人员进行客户回访。
4、其他:
1. 提醒财务部门及时核实账单,以免出现错误;
2. 对即将到来的业务拓展会进行准备,确保会议顺利召开;
3. 在下一工作日结束前完成所有任务,保证工作效率及成果。
作业日报表(范例A)
部门主管:单位主管:填表:
使用说明:
本份日报的报告内容包括与生产有关的一切事项,如当天的预定及实际生产量、机械的移动、人员的出勤状况等等,适合小型工厂的生产部门做为日报使用。
当企业的规模尚小,生产管理体制尚未确立时,可以利用这种综合性的日报表,来掌握每天的生产状况、实绩等等,尽早发现个别问题所在,以采取对策予以处理。
表格说明(使用时删除):
1、该表格主要用途包含不局限于学校、公司企业、事业单位、政府机构,主要针对对象为白领、学生、教师、律师、公务员、医生、工厂办公人员、单位行政人员等。
2、表格应当根据时机用途及需要进行适当的调整,该表格作为使用模板参考使用。
3、表格的行列、文字叙述、表头、表尾均应当根据实际情况进行修改。
日总结表格日总结表格是用来总结一天工作或生活的情况的,一般包括日期、时间、工作内容、完成情况、问题和解决办法等等。
在这个表格中,我将详细记录我今天的工作和生活情况,以便进行分析和总结。
日期:2021年5月25日时间工作内容完成情况问题解决办法8:00 准备工作完成无无9:00 开始项目A 完成无无10:30 团队会议完成无无11:00 处理邮件完成无无12:00 午餐休息完成无无13:00 开始项目B 未完成时间不够下班后继续15:30 客户电话完成无无16:00 处理文件完成无无17:00 结束工作完成无无18:00 运动锻炼完成无无19:00 晚餐休息完成无无20:00 学习新知识完成无无22:00 睡前阅读完成无无今天的工作总体上还算不错,大部分任务都按时完成了。
早上的准备工作比较顺利,没有遇到什么问题。
项目A是我和团队合作的一个项目,我们在规定的时间内完成了任务。
团队会议也很有效,大家的想法都得到了充分的交流。
接下来,我处理了一些邮件,没有遇到什么困难。
午餐休息后,我开始进行项目B的工作,但是由于时间不够,我没有完成任务。
这是一个需要花费较长时间的任务,我决定下班后继续工作,以确保能够按时完成。
下午的工作比较轻松,我接听了一个重要的客户电话,并成功解决了客户的问题。
之后,我处理了一些文件,也没有遇到什么困难。
下班前,我顺利地完成了当天的工作任务。
下班后,我去进行了一些运动锻炼,以放松身心。
晚餐休息后,我利用晚上的时间进行了一些学习,以提升自己的能力。
最后,我在睡前阅读了一段时间,为明天的工作做好了准备。
综上所述,今天的工作总体上是比较顺利的。
虽然在下午没有完成项目B,但我已经计划在下班后继续努力。
同时,我也将继续学习和成长,提升自己的能力。
通过总结每天的工作情况,我可以更好地评估自己的表现,发现问题并寻找解决办法。
这对于我的个人成长和职业发展都非常重要。
工作日报记录表格模板工作日报记录表格模板如下:
工作日报
日期:____年__月__日星期:____
一、今日工作概述
1. 完成任务:
(1)任务1:(具体描述)
(2)任务2:(具体描述)
(3)任务3:(具体描述)
2. 进行中的任务:
(1)任务4:(具体描述)
(2)任务5:(具体描述)
3. 遇到的问题及解决方案:
(1)问题1:(具体描述)
解决方案:(具体描述)
(2)问题2:(具体描述)
解决方案:(具体描述)
二、明日工作计划
1. 需要完成的任务:
(1)任务6:(具体描述)
(2)任务7:(具体描述)
(3)任务8:(具体描述)
2. 需要配合的工作:
(1)工作9:(具体描述)
(2)工作10:(具体描述)
三、工作心得及建议
1. 工作心得:(具体描述)
2. 改进建议:(具体描述)
四、领导批示(如有领导批示,请在此处填写)
________________________________________
注:以上模板仅供参考,具体内容可根据实际工作需要进行调整和补充。
每日工作总结表格工作总结表格日期:______ 年______ 月______ 日序号工作内容完成情况问题/待解决责任人1.2.3.4.5.6.7.8.9.10.工作总结今天工作中,我主要完成了以下工作:1. [工作内容],完成情况:[完成情况],问题/待解决:[问题/待解决],责任人:[责任人]2. [工作内容],完成情况:[完成情况],问题/待解决:[问题/待解决],责任人:[责任人]3. [工作内容],完成情况:[完成情况],问题/待解决:[问题/待解决],责任人:[责任人]4. [工作内容],完成情况:[完成情况],问题/待解决:[问题/待解决],责任人:[责任人]5. [工作内容],完成情况:[完成情况],问题/待解决:[问题/待解决],责任人:[责任人]6. [工作内容],完成情况:[完成情况],问题/待解决:[问题/待解决],责任人:[责任人]7. [工作内容],完成情况:[完成情况],问题/待解决:[问题/待解决],责任人:[责任人]8. [工作内容],完成情况:[完成情况],问题/待解决:[问题/待解决],责任人:[责任人]9. [工作内容],完成情况:[完成情况],问题/待解决:[问题/待解决],责任人:[责任人]10. [工作内容],完成情况:[完成情况],问题/待解决:[问题/待解决],责任人:[责任人]总结:1. 日常工作要认真负责,保证工作质量和进度。
2. 工作中遇到的问题要及时处理,发现问题后要及时报告并想出解决方案。
3. 同事间要多沟通合作,共同完成各项工作任务。
4. 要严格要求自己,提高自身工作能力和素质,努力做好各项工作任务。