作业日报汇总表表格格式
- 格式:docx
- 大小:11.28 KB
- 文档页数:1
说明:
1、本表每日下班半小时前将本日作业评价、次日工作计划填写完毕报部门负责人
2、本部门负责人签批意见、整理发行政部专职备案及作业人留底;
3、行政部专职人员按部门整理汇总,包括未完成项目、上级优差评价等通报总工
4、进度符合情况填写未完成、完成,多日连续作业项目进行中根据进度计划填写
5、评价意见填写不合格、一般、好;
6、交办事项由上级主管或本人自行添写;
7、淡紫色格内为上级填写项目,交办事其他均有作业人填写,参照原工作日志。
8、本表考核要点:①自评价与上级评价是否一致;②交办事项占工作计划比例;
9、外勤人员可每天晚9点前
将本日作业评价、次日工作
负责人;
报总工办及部门负责人;划填写符合、不符合;
日志。
比例;③计划调整事项的数量与频次;。
工作总结日报表格式
日期:20xx年xx月xx日
工作总结:
1、工作任务完成情况:
任务名称\t任务完成情况\t存在问题\t解决方法
1. 客户反馈处理\t已处理完毕\t暂无\t无
2. 会议纪要整理\t已完成并审核\t某些内容表述不明确\t重新编辑并优化表述
3. 宣传方案制定\t制定了初步方案\t方案内容需要进一步优化\t组织讨论并与业务部门沟通,完善方案
2、遇到的困难及解决方法:
困难描述\t解决方法\t解决结果
1. 遇到审核人员审核意见不同\t认真听取审核人员意见、进行修改\t最终审核通过
2. 编辑纪要时写作思路不清晰\t请教同事、查阅文献\t成功完稿
3. 制定方案时业务部门协作困难\t组织讨论、多次沟通业务部门\t成功制定初步方案并得到业务部门认可
3、下一工作日工作计划:
1. 完善宣传方案,着重优化方案内容;
2. 跟进之前提出的问题并及时解决;
3. 安排客户回访时间并确定回访内容;
4. 组织售后人员进行客户回访。
4、其他:
1. 提醒财务部门及时核实账单,以免出现错误;
2. 对即将到来的业务拓展会进行准备,确保会议顺利召开;
3. 在下一工作日结束前完成所有任务,保证工作效率及成果。
作业日报汇总表使用说明:日报表不要只将他当作一张报表来看,而必须把它集合起来做为一种全体效率与提高产能的相关资讯。
本汇总表就是以此为目标,将各现场提出的日报表由管理部门统一收集、分析,以便于设定或变更标准工数,做为提高作业效率、加速运转的资料。
品味人生1、不管鸟的翅膀多么完美,如果不凭借空气,鸟就永远飞不到高空。
想象力是翅膀,客观实际是空气,只有两方面紧密结合,才能取得显着成绩。
2、想停下来深情地沉湎一番,怎奈行驶的船却没有铁锚;想回过头去重温旧梦,怎奈身后早已没有了归途。
因为时间的钟摆一刻也不曾停顿过,所以生命便赋予我们将在汹涌的大潮之中不停地颠簸。
3、真正痛苦的人,却在笑脸的背后,流着别人无法知道的眼泪,生活中我们笑得比谁都开心,可是当所有的人潮散去的时候,我们比谁都落寂。
4、温暖是飘飘洒洒的春雨;温暖是写在脸上的笑影;温暖是义无反顾的响应;温暖是一丝不苟的配合。
5、幸福,是一种人生的感悟,一种个人的体验。
也许,幸福是你风尘仆仆走进家门时亲切的笑脸;也许,幸福是你卧病床上百无聊赖时温馨的问候;也许,幸福是你屡遭挫折心灰意冷时劝慰的话语;也许,幸福是你历经艰辛获得成功时赞赏的掌声。
关键的是,你要有一副热爱生活的心肠,要有一个积极奋进的目标,要有一种矢志不渝的追求。
这样,你才能感受到幸福。
6、母爱是迷惘时苦口婆心的规劝;母爱是远行时一声殷切的叮咛;母爱是孤苦无助时慈祥的微笑。
7、淡淡素笺,浓浓墨韵,典雅的文字,浸染尘世情怀;悠悠岁月,袅袅茶香,别致的杯盏,盛满诗样芳华;云淡风轻,捧茗品文,灵动的音符,吟唱温馨暖语;春花秋月,红尘阡陌,放飞的思绪,漫过四季如歌。
读一段美文,品一盏香茗,听一曲琴音,拾一抹心情。
8、尘缘飞花,人去楼空,梦里花落为谁痛?顾眸流盼,几许痴缠。
把自己揉入了轮回里,忆起,在曾相逢的梦里;别离,在泪眼迷朦的花落间;心碎,在指尖的苍白中;淡落,在亘古的残梦中。
在夜莺凄凉的叹息里,让片片细腻的柔情,哽咽失语在暗夜的诗句里。
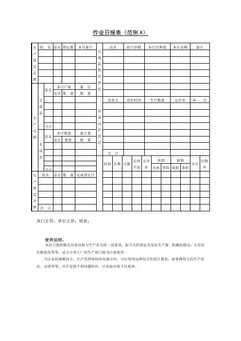
作业日报表(范例A)
部门主管:单位主管:填表:
使用说明:
本份日报的报告内容包括与生产有关的一切事项,如当天的预定及实际生产量、机械的移动、人员的出勤状况等等,适合小型工厂的生产部门做为日报使用。
当企业的规模尚小,生产管理体制尚未确立时,可以利用这种综合性的日报表,来掌握每天的生产状况、实绩等等,尽早发现个别问题所在,以采取对策予以处理。
表格说明(使用时删除):
1、该表格主要用途包含不局限于学校、公司企业、事业单位、政府机构,主要针对对象为白领、学生、教师、律师、公务员、医生、工厂办公人员、单位行政人员等。
2、表格应当根据时机用途及需要进行适当的调整,该表格作为使用模板参考使用。
3、表格的行列、文字叙述、表头、表尾均应当根据实际情况进行修改。
作业日报表(范例D)
单位:科组班年月日
班
别小组进货商机种别或品名批号
制造
预定数
加工数良品数
比例
%
实际作业时间时间外作业
每小时
加工数
每小
时标
准量
作业
时间
准备
时间
等待
时间
离值计时间休息
实作
时间
`
(出勤状况)
在职人员人出勤者人缺勤者人迟到早退计分钟材料、交货期、质量状况技术性问题
(设备运转状况)
正常运转
不正常运转故障时间
闲置时间
(主要批示命令事项与处置)(建议事项)(联络事项)(备注)
部门主管:单位主管理:填表:
使用说明:
这张日报表必须由现场作业组或班来填写。
这种日报表是以当日的总生产量、人员和时间为主。
这种日报表光以数字来表示实际业绩是不够的,例如上班或休假,材料、技术、质量、设备运转、建议、联络事项等无法以数字表达的情报,就必须文字来表达,内容越详细,管理就越彻底。
工作日报记录表格模板工作日报记录表格模板如下:
工作日报
日期:____年__月__日星期:____
一、今日工作概述
1. 完成任务:
(1)任务1:(具体描述)
(2)任务2:(具体描述)
(3)任务3:(具体描述)
2. 进行中的任务:
(1)任务4:(具体描述)
(2)任务5:(具体描述)
3. 遇到的问题及解决方案:
(1)问题1:(具体描述)
解决方案:(具体描述)
(2)问题2:(具体描述)
解决方案:(具体描述)
二、明日工作计划
1. 需要完成的任务:
(1)任务6:(具体描述)
(2)任务7:(具体描述)
(3)任务8:(具体描述)
2. 需要配合的工作:
(1)工作9:(具体描述)
(2)工作10:(具体描述)
三、工作心得及建议
1. 工作心得:(具体描述)
2. 改进建议:(具体描述)
四、领导批示(如有领导批示,请在此处填写)
________________________________________
注:以上模板仅供参考,具体内容可根据实际工作需要进行调整和补充。