管道支吊架安装记录
- 格式:doc
- 大小:80.50 KB
- 文档页数:2
管道安装工程表格编号:(管—1)~(管—30)液压(润滑)系统设备安装检查记录()系统站(泵)安装检查记录液压(气动)阀台安装检查记录管道煨(冷)弯检查记录管004工程编号分项工程施工单位单位工程管道规格分部工程安装图号施工日期年月日序号检查项目技术要求(mm)检查结果备注1 管道弯制不得有裂纹、分层缺陷2 壁厚减薄率:高压管≤10%中、低压管≤15%3 椭园率:高压管≤5% 中、底压管≤8%4 中、低压管弯曲角度偏差△±3/1000 当直管长度大于3m时,总偏差±105 高压管弯曲角度偏差△±1.5/1000最大值±56 中、低压管内侧波浪度H ≤波距值t≥4H ≥简图及说明:图4.2.8 弯曲角度及管端中心偏差自检:班组长:施工负责人:技术负责人:质检员意见:质检员:液压管道安装检查记录管005工程编号分项工程施工单位单位工程工作压力分部工程安装图号施工日期年月日序号检查项目技术要求(mm)检查结果备注1 管道切口平面与管道轴线垂直度不得大于管外径的1%≤2 管道弯制后椭园率≤8% 弯曲角度偏差±1.53 安装座标偏差(纵向/横向)±104 标高偏差±105 平管水平度≤2‰6 立管铅垂度≤2‰7 焊缝表面不得有裂缝、气孔夹渣、熔合性飞溅等缺陷8 焊缝咬肉:深度e1<0.5长度≤10%·L,且<100 ≤L—焊缝长度9 焊缝余高e: ≤I、II级:e≤1+0.1b1,且≤3 b1—焊缝宽度III级:e≤1+0.2b1,且≤510 接头外壁错边e2: ≤I、II级:e2≤0.15S,且≤3 S—管壁厚度III级:e2≤0.25S,且≤511 焊缝表面凹陷:I、II级不允许III级焊缝:深度e1≤0.5长度≤10%·L,≤<100 ≤L—焊缝长度简图及说明:自检:电烛工及钢印号:施工负责人:质检员意见:干(稀)油润滑管道安装检查记录管006工程编号分项工程施工单位单位工程安装图号分部工程管段号施工日期年月日序号检查项目技术要求(mm)检查结果备注1管道切口平面与管道轴线垂直度为管外径的1/100 ≤2管道弯制后椭园率≤8%弯曲角度偏差±1.53 安装坐标偏差±104 安装标高偏差±105 平管水平度≤2/10006 立管铅垂度≤2/10007 焊缝表面不得有裂缝、气孔夹渣、熔合性飞溅等陷8 焊缝咬肉:深度e1≤0.5长度≤10%·L 且最长<100 ≤L—焊缝长度9 焊缝余高e ≤b1—焊缝宽度10 接头外壁错边e2≤S—管壁厚度11 焊缝表面凹陷e1≤0.5简图及说明:自检:班组长:施工负责人:技术负责人:质检员意见:质检员:()管道焊接记录管道系统脱脂检查记录管008工程名称:环境温度:脱脂介质:脱脂液温度:管道规格、长度:施工单位:施工日期:管道系统酸洗检查记录管009工程名称:酸洗工艺:循环酸洗口,槽式酸洗口脱脂介质:施工单位:管道系统中和、钝化检查记录管010工程名称:管道规格、长度:中和介质:环境温度:填表年月日管道系统冲洗、吹扫检查记录卷焊管道制作检查记录弯头、三通、变径管制作检查记录管013工程编号分项工程施工单位单位工程管道规格分部工程安装图号施工日期年月日序号检查项目技术要求检查结果年月日1 焊制弯头周长偏差Dg>1000 ±6 Dg≤1000 ±42 焊制弯头端面等与中心线垂直偏差不得大于管外径的1%≤最大值≤33 三通端面等与中心线垂直偏差不得大于管外径的1%≤最大值≤34 焊制变径管椭园度不得大于各端外径的1%最大值≤55 同心变径管两端中心线的偏心值不得大于大端外径的1%≤最大值≤5简图及说明:自检:班组长:施工负责人:技术负责人:质检员意见:质检员:管014工程编号分项工程施工单位单位工程设备名称分部工程安装图号施工日期年月日序号检查项目技术要求检查结果备注1 无热位移的管道、吊架应垂直安装2 有热位移的管道吊点应设在位移的相反方向,按位移值的1/2偏位安装3 固定支架应安装牢固可靠,并应在补偿器预拉伸之前固定4 导向支架或滑动支架的滑动面应洁净平整,不得歪斜和卡阻。
提 示
一、本表可与管道隐蔽记录配套使用。
二、埋地管道安装:
1.管道应填写管下部垫层状态(如:细砂厚度≥100mm,宽度≥管径的
2.5倍,坡度与管道坡度相同,管顶回填细土或砂的厚度≥200mm。
)
2.给水塑料管穿基础应加钢套管,套管长度与基础宽度相同。
3.给水塑料管水平管与立管连接处用2个45°弯头,下部设支墩,支墩不得设在末经处理的土层上。
三、吊顶内安装,说明栏应填写:
1、当管道采用吊架时应说明吊架与楼板连接处理情况,如预埋钢板、吊杆与钢板双面焊接长度,如有膨胀螺栓应说明膨胀螺栓直径、连接角钢规格及吊杆及角钢双面焊缝长度。
2、如采用支架应说明支架埋设深度(一般不小于200mm)。
3、支、吊架防腐情况(如刷沥青漆二遍)。
4、支吊架间距栏,应按现场实际支、吊架间距填写。
支、吊架最大间距见《建筑给水排水和采暖工程质量验收规范》有关条文的要求。
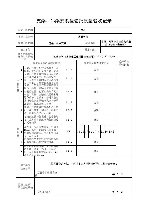
消火栓灭火系统管道支架制作安装检查记录工程名称建设单位设计单位施工单位安装日期年月日至年月日检查日期年月日施工依据GB50242-2002焊接要求焊接质量要求加强高度(mm)(附图或标注)焊缝饱满,无气孔及虚焊现象 2备注支吊架制作,切割钻孔应使用无齿锯或钻床,严禁使用气割。
管道编号支吊架防晃支架应设数量安装数量应设数量安装数量地下室64 646060 一至二层16 16三至四层16 16五至六层16 16七至八层16 16九至十层16 16存在问题及处理:无任何不良现象监理(建设)单位监理工程师(项目专业技术负责人):技术负责人质检员施工员消火栓灭火系统管道防腐记录工程名称天气晴建设单位湿度设计单位温度16施工单位施工日期年月日防腐方法:三油二布管道编号遍数使用材料颜色每遍间隔时间(h)干燥方法备注名称配比与规格1 3 沥青黑24 自然风干12 玻璃丝布白24 自然风干存在问题及处理:无任何不良现象监理(建设)单位监理工程师(项目专业技术负责人):技术负责人质检员施工员消防配电线路敷设检查记录编号:10工程名称建设单位设计单位施工单位敷设日期年月日至月日检查日期年月日电线电缆名称编号规格型号起—终全长m线径缆径敷设方式线缆保护线缆中间点数中间点处理结果电线ZRRV 地下层按实 1.5 穿管线管无无合格电线ZRRV 一层按实 1.5 穿管线管无无合格电线ZRRV 二层按实 1.5 穿管线管无无合格电线ZRRV 三层按实 1.5 穿管线管无无合格电线ZRRV 四层按实 1.5 穿管线管无无合格电线ZRRV 五层按实 1.5 穿管线管无无合格电线ZRRV 六层按实 1.5 穿管线管无无合格电线ZRRV 七层按实 1.5 穿管线管无无合格电线ZRRV 八层按实 1.5 穿管线管无无合格电线ZRRV 九层按实 1.5 穿管线管无无合格电线ZRRV 十层按实 1.5 穿管线管无无合格存在问题及处理:无任何不良现象监理(建设)单位监理工程师(项目专业技术负责人):技术负责人质检员施工员消火栓灭火系统水源设施安装检查记录工程名称建设单位施工单位检查日期年月日设施名称检查内容检查情况结论消防设置部位及取水口设置地下室合格水池有效容量及保障措施180 合格补水措施有合格管道穿池处理柔性防水套管合格防冻措施已保温合格其他消设置部位屋顶合格防水箱有效容量及保障措施18 合格水箱间主通道畅通合格钢板水箱四周检查通道畅通合格水箱顶距楼板或顶板间距无合格水位指示器、单向阀的安装符合要求合格补水措施有合格防冻措施已保温合格其他存在问题及处理:无任何不良现象监理(建设)单位监理工程师(项目专业技术负责人):技术负责人质检员施工员。
10 竣工验收10.1 当施工单位按合同规定的范围完成全部:工程项目后,应及时向用户(或其指定的工程监理部门)办理交接验收手续。
10.2 单位工程或分部工程进行交接验收时,应由施工工地的技术负责人和用关的专业技术人员会同用户代表,对交验的管道实施现场检查并确认下列内容:10.2.1 工程的范围和包括的内容符合合同规定。
10.2.2 竣工工程符合设计文件、图纸的最终(最新)版的要求及设计部门、用户提出的书面修改文件。
10.2.3 管道系统按照设计文件指定的或现行的国家标准、行业标准进行施工和检验,质量符合要求。
10.3 施工单位应向用户提供下列文件(或相当):10.3.1 当地质量技术监督部门批准本项施工工程的审批表。
10.3.2 管道组成件、支承件的合格证、质量证明书或复验补验报告。
10.3.3 设计修改文件及材料代用报告。
10.3.4 对于100%射线检验的管线,要有准确表明焊缝位置、焊缝编号、焊工代号、无损检测方法,焊缝补焊位置、热处理位置的单线圈。
10.3.5竣工图10.3.6 施工记录和试验报告:10.3.6.1 阀门试验记录。
10.3.6.2 安全阀最终调试记录。
10.3.6.3 隐蔽工程(封闭)记录。
10.3.6.4 管道补偿装置安装记录。
10.3.6.5 焊接记录。
10.3.6.6 热处理报告。
10.3.6.7 管道系统压力试验记录。
10.3.6.8 管道系统吹扫及清洗记录。
10.3.6.9 射线照相检验报告。
10.3.6.10 超声检测报告。
10.3.6.11 磁粉检测报告。
10.3.6.12 渗透检测报告。
Q/GYT-C06-2002 第0次修改10.3.6.13 竣工测量资料。
10.3.6.14 其它检验报告。
焊接工艺作业指导书广东省源天工程公司焊接工艺评定报告广东省源天工程公司注:详图中应指明坡口尺寸、焊接层次和焊接顺序。
焊接工艺卡广东省源天工程公司QT/GYT-02.01-2002 第0次修改YLGD-03焊材库温、湿度记录广东省源天工程公司广东省源天工程公司广东省源天工程公司管道补偿器安装记录广东省源天工程公司固定管架及弹簧支、吊架调整记录广东省源天工程公司管道接地测试记录广东省源天工程公司安全附件安装记录广东省源天工程公司压力表、温度计检查记录广东省源天工程公司管道系统吹扫清洗记录广东省源天工程公司阀门试验记录广东省源天工程公司安全阀最终调试记录广东省源天工程公司管道系统压力试验记录广东省源天工程公司管道气密性试验记录广东省源天工程公司管道防腐工程施工记录广东省源天工程公司。
管道支吊架检查表
概述
本文档是为了记录和管理管道支吊架的检查情况而编制的检查表。
通过定期检查和记录管道支吊架的状态,可以及时发现问题并
采取措施修复,确保管道系统的稳定运行。
检查内容
1. 支吊架的安装和固定
- 检查支吊架的安装位置是否准确、牢固。
- 检查支吊架和管道的连接是否牢固、无松动。
2. 支吊架的损坏和腐蚀
- 检查支吊架是否出现严重的损坏或腐蚀,如严重变形、断裂、丧失承载能力等。
- 检查支吊架的防腐涂层是否完好,如有破损应及时修复。
3. 支吊架的调整和维护
- 检查支吊架的调整螺栓和螺母是否紧固,如有松动应及时调整。
- 清理支吊架表面的灰尘和杂物,并进行适当的润滑。
4. 支吊架的标识
- 检查支吊架的标识是否清晰可见,如需要重新标识应及时更换。
检查频率
根据管道支吊架的使用情况和环境条件,建议每月进行一次表面检查,每季度进行一次全面检查。
如发现异常情况或重大问题,应及时进行修复和处理。
记录和报告
每次检查应记录检查日期、检查人员、检查内容、检查结果和处理情况,并存档备查。
如发现重大问题,应及时向相关负责人汇报并采取必要的措施修复。
其他注意事项
在进行管道支吊架的检查过程中,应注意安全操作,避免损伤自己或他人。
如发现有需要进一步处理的问题,应及时寻求专业人员的意见和帮助。
表C2-1技术交底记录纹应光洁整齐,无断丝和毛刺等缺陷。
管卡宜用镀锌成型件,单管管卡由扁钢制作,其内圆弧部分应与管子外径相符。
具体见后。
支、吊架的各部件应在组焊前校核其尺寸;确认无误后再进行组对和点固焊。
点焊成型后用角尺或标准样板校核组对角度。
并在工作台上整形,最后完成所有焊缝的焊接。
支吊架制作、安装流程如下:支吊架制作具体要求如下:3.1管道支吊架间距要求:3.1.1钢管(含镀锌钢管、螺旋钢管)管道支架最大间距如下表钢管管道支架最大间距表公称直径(mm) 15 20 25 32 40 50 70 80 100 125 150 200 250 300支架间距单位:米保温 2 2.5 2.5 2.5 3 3 4 4 4.5 6 7 7 8 8.5 不保温 2.5 3 3.5 4 4.5 5 6 6 6.5 7 8 9.5 11 123.1.2薄壁不锈钢管道支架最大间距如下表薄壁不锈钢管道支架最大间距表公称直径DN 15 20 25 32 40 50 65 80 100 125 150 200 支架间距水平管 1.0 1.5 1.5 2.0 2.0 2.5 2.5 3.0 3.0 3.0 3.0 3.03.2.1管井支架选型参照宁夏建筑标准设计图集宁02N4《管道支架、吊架》。
①混凝土墙单立管(不保温)滑动支架参照宁02N4图集100页Ⅱ型施工;单立管(保温)滑动支架参照宁02N4图集103页Ⅱ型施工。
管道公称直径小于25参照DN25管道制作、安装。
如下图:②混凝土墙双管滑动支架参照宁02N4图集109页(保温、不保温);双管固定支架参照宁02N4图集111页。
管道公称直径小于25参照DN25管道制作、安装。
如下图:③混凝土墙单排(三管)、双排(六管)参照宁02N4图集112页。
见下图:④混凝土墙单排(四管)、双排(八管)参照宁02N4图集113页。
如下图:⑤混凝土墙单排(五管)、双排(十管)参照宁02N4图集114页。
管道支吊架安装记录日期:xxxx年xx月xx日地点:xxxx安装人员:xxxx安装管道:xxxx安装过程:1.在安装前,检查管道支吊架的质量和数量是否符合施工图设计和规范要求,确保充足的材料供应和正确的规格尺寸。
2.根据管道系统的布局和图纸设计,确定支吊架的安装位置和数量。
在管道系统的转弯处、并线点和重要冷却设备附近,应设置额外的支吊架,确保管道的稳定和安全。
3.根据设计要求,在支吊架安装位置标明点位,保证各支吊架在安装过程中的位置准确。
5.根据管道支吊架的类型,分别设置焊接固定或者螺栓固定方式。
采用焊接固定的需进行打磨、预热、焊接,焊接完成后需要进行外观质量检查,确保焊缝的牢固。
采用螺栓固定的需要按照图纸要求的规格将螺栓、螺母等附件固定在支吊架上。
6.安装后需要检查支吊架的平整度和水平度。
对于焊接固定的支吊架,要进行焊缝检查,确保焊接质量达到标准要求。
7.监测管道在支吊架的承载能力,确保支吊架能够承受管道系统的重量,以免发生变形和破坏。
8.根据施工图纸,逐个记录每个支吊架的安装情况,包括所用材料、焊接工艺和结果等。
安装注意事项:1.在安装过程中,要注意人员的安全。
使用相关的安全设备,遵守施工现场相关规定,确保人员不会因为高处坠落或其他事故而受伤。
2.管道支吊架的安装位置要准确无误,并且要符合设计要求,确保管道系统的稳定性和安全性。
3.对于支吊架焊接工艺的选择和操作要符合规范要求,焊接质量要达到标准要求,确保支吊架的牢固度。
4.安装过程中需要进行检测和监测,确保支吊架能够承受管道系统的重量。
5.完成安装后,要对安装过程进行记录和整理,以备后续的检查和维护。
此份管道支吊架安装记录详细记录了管道支吊架的安装过程和注意事项,通过严格的操作和监测,确保管道系统的稳定性和安全性。
记录的详细信息有助于后续的检查和维护工作,提高了管道系统的效率和可靠性。
同时,安装人员要严格按照相关规定进行操作,确保工作的安全和质量。
抗震支吊架安装隐蔽验收记录范本好嘞,今天咱们聊聊抗震支吊架的安装隐蔽验收记录。
听起来是不是有点正式,其实这事儿可轻松了。
抗震支吊架,顾名思义,就是为了抵御地震的“保护伞”,让咱们的建筑在摇晃中依然稳如泰山。
这玩意儿可不简单,很多人对它了解不多,今天我就带你们走一遭,看看这隐蔽验收的过程。
咱们得说说安装的地方。
那些水管、电缆、通风管道,一看就是“你中有我,我中有你”的密集组合。
真是让人眼花缭乱呀!这时候,抗震支吊架就像个“指挥官”,把它们稳稳当当地支撑起来。
你想,这一排排的支架可不是随随便便就能安上的,得有规有矩,才能达到咱们的验收标准。
记住了,标准可不是随便说说的,得有真材实料。
咱们验收的时候,心里其实都有点小紧张。
毕竟,谁也不想在关键时刻出岔子。
走到现场,一眼望去,各种管道规规矩矩地排列着,支吊架也安得稳稳的,真是一幅美丽的画面。
检查的第一步,就是要看这些支吊架的数量。
少一根可不行,得保证每个地方都像小孩的玩具一样,玩得尽兴又不失安全。
就得仔细看看这些支架的材质了。
俗话说,酒香不怕巷子深,咱们可不能被表面蒙蔽了眼睛。
要知道,这些支架可是要承受大压力的。
要是材质不过关,那可就像盖了个纸糊的房子,风一吹就倒。
于是,咱们得摸一摸、敲一敲,确保它们结实得很,绝对不能含糊。
然后,咱们要注意支架的安装位置。
要是安装得歪歪扭扭的,真是让人心里发毛。
就像画画,画得再美,线条一歪,整体效果就大打折扣。
于是,我们一个个仔细比对,看看有没有偏差,确保它们跟设计图纸一模一样。
做到这一点,心里就踏实了不少。
别忘了安全距离哦!这支吊架和周围的管道、电缆可不能太近,要留出合适的空间,给它们“喘口气”的机会。
要不然,一旦地震来袭,支架没撑住,后果可就不堪设想了。
说白了,就是要给这些小家伙们留足余地,让它们好好发挥作用。
完成这些检查后,咱们可不能急着就此打住。
记得拍个照片,留下证据。
这就像上学时的毕业照,时刻提醒咱们曾经的努力。
弹簧支吊架安装检验记录哎呀,今天咱们聊聊弹簧支吊架安装检验这事儿。
说到这玩意儿,大家可能第一反应就是“这是什么神奇的东西?”其实吧,它在工业里可是个大角色,就像家里的顶梁柱,没了它,整个系统都得“趴下”。
想象一下,热气一冒,管道要是晃来晃去,那可真是不得了,仿佛一场“管道摇滚音乐会”。
所以,咱们可得好好检查这些支吊架,确保它们稳稳当当,才能让整个系统安心工作。
安装前得先看看这些弹簧支吊架是不是符合标准,万一哪儿有个小问题,那就像吃了个“定时炸弹”。
这可不是开玩笑哦,检查的时候要目不转睛,认真得像找丢了的钥匙。
要是发现不合格的,赶紧通知上面,这可不能拖。
咱们可不能让这玩意儿出问题,毕竟一旦出了乱子,后果可大了。
心里得有数,不能掉以轻心。
大家说“千里之行,始于足下”,这话真没错。
接着就是安装过程了,哎呀,那可得小心翼翼。
工具得准备齐全,像个“大厨”备齐了所有调料。
把弹簧支吊架一一装上,就像拼积木一样,要确保每个连接都稳固。
每一颗螺栓,都是整个平台的保障,松动了可就成了“隐患之王”。
别忘了,安装过程中得时不时用工具敲敲,听听那声音,就像调音师在调整乐器。
要是声音“咕咕”的,赶紧查查是不是哪里有问题,绝对不能大意。
好了,装完之后就得检验了。
哎,真是“千辛万苦”才装好的,检验可不能马虎。
这就像考试前的复习,得认真仔细。
检查的时候,得看有没有变形、锈蚀啥的。
咱可不能让它“长虫”,这可是在自找麻烦。
每一项检查都得记录下来,像做个小日记,方便后续查阅。
这就好比是在给这些支吊架“体检”,谁都希望自己的身体健康,咱们的设备也是一样。
再说了,检验完毕,得把结果整理出来。
总结的时候,得像讲故事一样,把每一步都说清楚。
看看有没有异常情况,整理好数据,心里才能踏实。
像写信一样,把所有的信息清清楚楚地列出来。
那感觉,简直像“写春联”,字字句句都得讲究。
报告的最后别忘了加上点幽默的调料。
比如说,写个“这些支吊架虽然长得普通,但绝对能扛住重任,真是个默默无闻的英雄!”这种小插曲,总能让工作气氛轻松点,大家哈哈一笑,心情瞬间就变好了。