2消费者投诉登记及处理记录
- 格式:doc
- 大小:42.00 KB
- 文档页数:2
消费者投诉管理制度范文第一章概述第一条目的和依据为了建立有效的消费者投诉管理制度,加强企业对消费者投诉的管理和处理,提高客户满意度,根据《中华人民共和国消费者权益保护法》和相关法规规定,制定本制度。
第二条适用范围本制度适用于本企业内的所有消费者投诉的管理与处理工作。
第二章投诉管理流程第三条投诉受理1. 消费者可以通过以下途径向本企业提出投诉:电话、邮件、网站留言等。
2. 系统接到投诉后,由相关人员进行登记,并向消费者确认投诉事项和核实消费者身份信息。
第四条投诉调查1. 确认投诉事项后,相关人员应立即进行调查。
2. 调查人员应在规定时间内完成调查,并记录相关调查情况、证据等。
第五条投诉处理1. 根据调查结果,相关人员进行投诉处理,提出解决方案,并将方案提交给相关部门审批。
2. 审批通过后,相关人员与消费者沟通并解释处理结果。
3. 如投诉需赔偿,相关人员应按程序进行赔偿,同时保留相关赔偿记录。
第六条投诉登记及分析1. 工作人员应及时将投诉信息记录在投诉登记簿上,并进行分类整理。
2. 定期分析投诉数据,发现问题并提出改进措施。
第七条投诉统计报告每月底,应由投诉管理部门提供当月的投诉统计报告,包括投诉数量、处理结果等数据,并提交给领导层。
第三章投诉受理标准第八条必须受理的投诉1. 消费者提供的投诉符合相关法律法规规定的,必须受理。
2. 消费者提供的投诉事项涉及产品质量、服务态度等重要问题的,必须受理。
第九条不予受理的投诉1. 消费者提供的投诉与企业产品、服务无关的,不予受理。
2. 消费者提供的投诉事项不明确、不完整的,要求其提供完整的投诉材料。
第四章投诉处理结果第十条处理结果通知1. 经过处理后,相关人员应向消费者及时通知处理结果。
2. 处理结果通知应明确说明问题处理的结果、存在的问题以及相关措施。
第十一条不服处理结果1. 消费者对处理结果不服的,可以要求再次处理,并提供更多的证据和材料。
2. 针对不服处理结果的投诉,应由更高一级的相关人员进行处理。
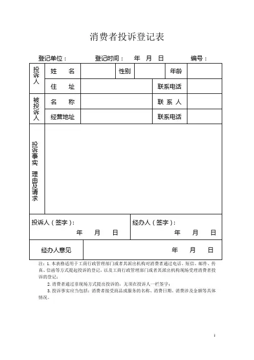
消费者投诉登记表注:1.本表格适用于工商行政管理部门或者其派出机构对消费者通过电话、短信、邮件、传真、信函等方式提起投诉的登记,以及工商行政管理部门或者其派出机构现场受理消费者投诉的登记;2.消费者通过非现场方式提出投诉的,无须在投诉人一栏签字;3.投诉事实应当包括:消费者接受商品或服务的名称、消费日期、消费涉及金额等具体情况。
消费者投诉转办通知书工商﹝﹞第号工商行政管理局(所):现转去于年月日关于的投诉。
请你局(所)对投诉反映问题调查核实,依法予以处理。
并将处理情况于年月日前及时报告(回复)我局。
附:相关材料份,共页。
年月日(印章)注:本通知适用于省、自治区、直辖市工商行政管理部门或者市(地、州)工商行政管理部门及其设立的12315消费者投诉举报中心将收到的消费者投诉分送有管辖权的工商行政管理部门或者其派出机构处理。
消费者投诉分送情况告知书工商﹝﹞第号:我局于年月日收到你关于的投诉。
根据《工商行政管理部门处理消费者投诉办法》有关规定,我局已将你反映的问题分送至经营者所在地(经营行为发生地)的工商行政管理局(所)调查处理(联系人:,联系电话:)。
特此告知。
年月日(印章)注:1. 本告知书适用于省、自治区、直辖市工商行政管理部门或者市(地、州)工商行政管理部门及其设立的12315消费者投诉举报中心将收到的消费者投诉分送有管辖权的工商行政管理部门或者其派出机构处理后,告知投诉人分送情况;2. 本告知书中“联系人”、“联系电话”指有管辖权工商部门或者其派出机构负责处理消费者投诉相关工作人员及其联系电话;3. 本告知书可以通过电话、短信、邮件、传真或者信函等便捷方式告知投诉人。
受理消费者投诉告知书工商〔〕第号:我局(所)于年月日收到你关于的投诉材料,经审查,符合《工商行政管理部门处理消费者投诉办法》规定的受理条件,我局(所)决定受理。
联系人:,联系电话:。
特此告知。
年月日(印章)注:1. 本告知书适用于有管辖权的工商行政管理部门或者其派出机构决定受理消费者投诉后,告知投诉人受理情况;2. 本告知书中“联系人”、“联系电话”指受理消费者投诉的工商部门或者其派出机构负责处理消费者投诉相关工作人员及其联系电话;3. 本告知书由有管辖权的工商行政管理部门加盖印章;工商行政管理部门派出机构以自己名义处理投诉的,使用派出机构印章;4. 本告知书可以通过电话、短信、邮件、传真或者信函等便捷方式告知投诉人。
工作程序12315“五进”消费维权服务站基本工作程序是:.(一)受理。
依法解答消费者的咨询,认真登记消费者的投诉,并填写《“消费维权服务站”消费投诉登记表》。
(二)处理。
耐心听取消费者的诉求,依据法律法规的规定和向消费者的承诺提出处理意见,与消费者进行协商和解。
和解不成的,告知消费者可以向工商行政管理等有关部门申诉。
(三)审核。
对与消费者初步达成和解协议的,报送本单位有关领导审核,及时按照和解协议的约定履行义务。
(四)反馈。
对于消费者的诉求,当即难以答复和处理的,可以与消费者约定答复时间,研究处理意见后,及时向消费者反馈。
(五)归档。
消费者投诉处理完毕后,将《“消费维权服务站”消费投诉登记表》中的简要信息按照时间顺序记录到《“消费维权服务站”受理和处理消费投诉登记薄》,并及时归档岁妥善保存。
同时认真填写《“消费维权服务站"受理和处理消费投诉情况汇总表》,按照经营者不同类型在相应栏目中填写数据,并按季度报送辖区工商所,由辖区工商所汇总填写到《12315“五进”工作情况统计表》中按照规定和程序报送。
工作制度12315“五进”消费维权服务站要建立健全以下工作制度:1、受理和处理制度。
明确受理、处理、审核、反馈、归档等基本工作程序,做到消费者投诉件件有登记,事事有结果。
2、信息报送和分析制度。
按照要求向辖区工商分局(所)报送投诉处理情况、意见建议以及消费者投诉相对集中的问题等·。
定期对受理和处理的消费者咨询、投诉等情况进行汇总分析,了解掌握消费者咨询、投诉的热点问题。
3、管理和责任制度。
根据消费者咨询和投诉情况,有针对性地加强和完善内部经营管理,进一步健全商品质量承诺、不合格商品退市、消费纠纷和解、工作考核等各项内部管理制度和责任制度,构建长效管理机制,切实履行消费维权的社会责任。
工作职责12315“五进”消费维权服务站主要职责是:(一)建立健全食品质量和服务规范承诺、不合格商品退市、消费纠纷和解与消费侵权赔偿等制度;(二)向本单位职工宣传有关消费维权的法律法规;(三)解答消费者有关咨询二受理和处理消费者的投诉,做好消费者投诉和解记录;(四)定期汇总、报送和分析消费者诉求情况,有针对性地进行防范和加强自律;(五)对消费者投诉集中的问题、及时向工商等有关部门反映;(六)协助工商部门对假冒伪劣商品进行调查及处理;(七)完成工商行政管理机关交办的其他消费维权的相关工作。
12315消费者投诉举报文书式样广西壮族自治区工商行政管理局目录1. 消费者投诉登记表(文书式样一)2. 消费者投诉转办通知书(文书式样二)3. 消费者投诉分送情况告知书(文书式样三)4. 受理消费者投诉告知书(文书式样四)5. 不予受理(终止受理)消费者投诉告知书(文书式样五)6. 消费者权益争议调解通知书(文书式样六)7. 终止消费者权益争议调解告知书(文书式样七)8. 消费者权益争议调解书(文书式样八)9. 处理消费者投诉情况报告书(文书式样九)10. 消费者投诉(举报)一次性告知书(文书式样十)11. 消费者权益争议调解笔录(文书式样十一)12. 消费者投诉撤回书(文书式样十二)13.消费者举报登记表(文书式样十三)14.消费者举报转办通知书(文书式样十四)15.消费者举报不予立案通知书(文书式样十五)16.消费者举报立案告知书(文书式样十六)17. 消费者投诉举报案件督办通知书(文书式样十七)18. 授权委托书(文书式样十八)19. 鉴定委托书(文书式样十九)消费者投诉登记表注:1.本表格适用于工商行政管理部门或者其派出机构对消费者通过电话、短信、邮件、传真、信函等方式提起投诉的登记,以及工商行政管理部门或者其派出机构现场受理消费者投诉的登记;2.消费者通过非现场方式提出投诉的,无须在投诉人一栏签字;3.投诉事实应当包括:消费者接受商品或服务的名称、消费日期、消费涉及金额等具体情况。
消费者投诉转办通知书工商﹝﹞第号工商行政管理局(所):现转去于年月日关于的投诉。
请你局(所)对投诉反映问题调查核实,依法予以处理。
并将处理情况于年月日前及时报告(回复)我局。
附:相关材料份,共页。
年月日(印章)注:本通知适用于省、自治区、直辖市工商行政管理部门或者市(地、州)工商行政管理部门及其设立的12315消费者投诉举报中心将收到的消费者投诉分送有管辖权的工商行政管理部门或者其派出机构处理。
消费者投诉分送情况告知书工商﹝﹞第号:我局于年月日收到你关于的投诉。
消费者(含职业打假⼈)投诉举报处理实务详解最近,私信⽼五咨询处理消费者投诉、包括应对职业打假⼈的情况不少,由于具体情况不同,处理的策略也不同,为此,感到有必要综合⼀下,对市场监管部门在处理消费者权益保护⼯作中的实务操作,进⾏详细说明,供⼴⼤基层市场监管⼈员参考。
在市场监管执法中,如何处理消费者投诉举报,⼀直是基层⼯作者深感头痛的事,特别是近来来职业打假⼈的出现,⼤⼤提⾼了消费者权益保护的⼯作量,⼀旦要求得不到满⾜,动辄提起⾏政复议和诉讼,或者通过政府热线、纪检监察部门进⾏投诉,已成为⼀⼤社会问题。
社会问题等待着通过法律规范去解决,⽽基层⼯作者则出于履⾏职责和保护⾃⾝的需要,⼀定要严格遵守各项法律法规规定,依法开展⼯作,既要切实履⾏职责,保护真正消费者的合法权益,⼜要注意⼯作的⽅法技巧,避免出现履职不当引起的问责现象。
⼀、受理环节:开展五项审查,确定是否受理。
⽬前消费举报投诉的来源有三种:⼀是消费者直接投诉,包括来信来访等形式;⼆是通过12315举报投诉平台进⾏投诉;三是通过123345政府呼必应平台进⾏转办。
(⼀)审查是否受理:但⽆论是哪⼀种来源,接到投诉之后的第⼀步就是进⾏审查,以决定是否受理,审查的重点有五项:1.审查是否属于本部门职能:类似于⾏政处罚的管辖权确定,确定投诉举报事项是否属于市场监管执法监管范围,如果不属于市场监管执法监管范围,则不予受理;如属于市场监管执法监管范围,但不属于本部门管辖,则告知其直接向有处理权限的市场监督管理部门提出。
2.审查投诉举报⼈主体信息:审查投诉举报⼈是否如实提供了姓名、电话号码、通讯地址或委托资料。
书⾯投诉,应当表明以上信息,当⾯投诉,执法⼈员应当记录以上信息,拒不提供以上信息者,不予受理。
3.审查投诉举报事项是否存在重复处理:发现投诉事项已存在诉讼、仲裁或其它⾏政机关受理或处理中的事项,则不予受理。
4.审查是否属于消费者权益纠纷:要排除不属于消费⾏为的单纯民事合同纠纷,如购买⾏为的⽬的是⽤于⽣产经营等,如果不是由于消费⾏为引起的纠纷,则不予受理。
国家工商总局关于印发《工商行政管理部门处理消费者投诉文书式样》的通知文章属性•【制定机关】国家工商行政管理总局(已撤销)•【公布日期】2014.03.12•【文号】工商消字[2014]51号•【施行日期】2014.03.12•【效力等级】部门规范性文件•【时效性】现行有效•【主题分类】消费者权益保护,工商管理综合规定正文国家工商总局关于印发《工商行政管理部门处理消费者投诉文书式样》的通知(工商消字[2014]51号)各省、自治区、直辖市及计划单列市、副省级市工商行政管理局、市场监督管理局:新修改的《消费者权益保护法》和总局第62号令《工商行政管理部门处理消费者投诉办法》将于今年3月15日起施行。
为更好地保护广大消费者合法权益,提高解决消费纠纷工作效能,进一步推动工商行政管理部门处理消费者投诉工作制度化、规范化建设,总局制定了《工商行政管理部门处理消费者投诉文书式样》,现予印发,请各地结合本地实际参照执行。
依托12315专线和信息化网络处理消费者投诉的地方,应当积极推进文书电子化。
附件:工商行政管理部门处理消费者投诉文书式样工商总局2014年3月12日附件工商行政管理部门处理消费者投诉文书式样(国家工商行政管理总局制定)目录1. 消费者投诉登记表(文书式样一)2. 消费者投诉转办通知书(文书式样二)3. 消费者投诉分送情况告知书(文书式样三)4. 受理消费者投诉告知书(文书式样四)5. 不予受理(终止受理)消费者投诉告知书(文书式样五)6. 消费者权益争议调解通知书(文书式样六)7. 终止消费者权益争议调解告知书(文书式样七)8. 消费者权益争议调解书(文书式样八)9. 处理消费者投诉情况报告书(文书式样九)文书式样一消费者投诉登记表注:1.本表格适用于工商行政管理部门或者其派出机构对消费者通过电话、短信、邮件、传真、信函等方式提起投诉的登记,以及工商行政管理部门或者其派出机构现场受理消费者投诉的登记;2.消费者通过非现场方式提出投诉的,无须在投诉人一栏签字;3.投诉事实应当包括:消费者接受商品或服务的名称、消费日期、消费涉及金额等具体情况。
12315消费者投诉举报文书式样广西壮族自治区工商行政管理局目录1. 消费者投诉登记表(文书式样一)2. 消费者投诉转办通知书(文书式样二)3. 消费者投诉分送情况告知书(文书式样三)4. 受理消费者投诉告知书(文书式样四)5. 不予受理(终止受理)消费者投诉告知书(文书式样五)6. 消费者权益争议调解通知书(文书式样六)7. 终止消费者权益争议调解告知书(文书式样七)8. 消费者权益争议调解书(文书式样八)9. 处理消费者投诉情况报告书(文书式样九)10. 消费者投诉(举报)一次性告知书(文书式样十)11. 消费者权益争议调解笔录(文书式样十一)12. 消费者投诉撤回书(文书式样十二)13.消费者举报登记表(文书式样十三)14.消费者举报转办通知书(文书式样十四)15.消费者举报不予立案通知书(文书式样十五)16.消费者举报立案告知书(文书式样十六)17. 消费者投诉举报案件督办通知书(文书式样十七)18. 授权委托书(文书式样十八)19. 鉴定委托书(文书式样十九)消费者投诉登记表注:1.本表格适用于工商行政管理部门或者其派出机构对消费者通过电话、短信、邮件、传真、信函等方式提起投诉的登记,以及工商行政管理部门或者其派出机构现场受理消费者投诉的登记;2.消费者通过非现场方式提出投诉的,无须在投诉人一栏签字;3.投诉事实应当包括:消费者接受商品或服务的名称、消费日期、消费涉及金额等具体情况。
消费者投诉转办通知书工商﹝﹞第号工商行政管理局(所):现转去于年月日关于的投诉。
请你局(所)对投诉反映问题调查核实,依法予以处理。
并将处理情况于年月日前及时报告(回复)我局。
附:相关材料份,共页。
年月日(印章)注:本通知适用于省、自治区、直辖市工商行政管理部门或者市(地、州)工商行政管理部门及其设立的12315消费者投诉举报中心将收到的消费者投诉分送有管辖权的工商行政管理部门或者其派出机构处理。
消费者投诉分送情况告知书工商﹝﹞第号:我局于年月日收到你关于的投诉。
12315消费者投诉举报文书式样广西壮族自治区工商行政管理局目录1. 消费者投诉登记表(文书式样一)2。
消费者投诉转办通知书(文书式样二)3. 消费者投诉分送情况告知书(文书式样三)4。
受理消费者投诉告知书(文书式样四)5. 不予受理(终止受理)消费者投诉告知书(文书式样五)6. 消费者权益争议调解通知书(文书式样六)7。
终止消费者权益争议调解告知书(文书式样七)8。
消费者权益争议调解书(文书式样八)9。
处理消费者投诉情况报告书(文书式样九)10. 消费者投诉(举报)一次性告知书(文书式样十)11。
消费者权益争议调解笔录(文书式样十一)12. 消费者投诉撤回书(文书式样十二)13。
消费者举报登记表(文书式样十三)14。
消费者举报转办通知书(文书式样十四)15。
消费者举报不予立案通知书(文书式样十五)16.消费者举报立案告知书(文书式样十六)17. 消费者投诉举报案件督办通知书(文书式样十七)18。
授权委托书(文书式样十八)19. 鉴定委托书(文书式样十九)消费者投诉登记表注:1.本表格适用于工商行政管理部门或者其派出机构对消费者通过电话、短信、邮件、传真、信函等方式提起投诉的登记,以及工商行政管理部门或者其派出机构现场受理消费者投诉的登记;2.消费者通过非现场方式提出投诉的,无须在投诉人一栏签字;3.投诉事实应当包括:消费者接受商品或服务的名称、消费日期、消费涉及金额等具体情况。
消费者投诉转办通知书工商﹝﹞第号工商行政管理局(所):现转去于年月日关于的投诉。
请你局(所)对投诉反映问题调查核实,依法予以处理.并将处理情况于年月日前及时报告(回复)我局.附:相关材料份,共页.年月日(印章)注:本通知适用于省、自治区、直辖市工商行政管理部门或者市(地、州)工商行政管理部门及其设立的12315消费者投诉举报中心将收到的消费者投诉分送有管辖权的工商行政管理部门或者其派出机构处理。
消费者投诉分送情况告知书工商﹝﹞第号:我局于年月日收到你关于的投诉。
12315消费者投诉举报文书式样-CAL-FENGHAI.-(YICAI)-Company One112315消费者投诉举报文书式样广西壮族自治区工商行政管理局目录1. 消费者投诉登记表(文书式样一)2. 消费者投诉转办通知书(文书式样二)3. 消费者投诉分送情况告知书(文书式样三)4. 受理消费者投诉告知书(文书式样四)5. 不予受理(终止受理)消费者投诉告知书(文书式样五)6. 消费者权益争议调解通知书(文书式样六)7. 终止消费者权益争议调解告知书(文书式样七)8. 消费者权益争议调解书(文书式样八)9. 处理消费者投诉情况报告书(文书式样九)10. 消费者投诉(举报)一次性告知书(文书式样十)11. 消费者权益争议调解笔录(文书式样十一)12. 消费者投诉撤回书(文书式样十二)13.消费者举报登记表(文书式样十三)14.消费者举报转办通知书(文书式样十四)15.消费者举报不予立案通知书(文书式样十五)16.消费者举报立案告知书(文书式样十六)17. 消费者投诉举报案件督办通知书(文书式样十七)18. 授权委托书(文书式样十八)19. 鉴定委托书(文书式样十九)消费者投诉登记表登记单位:时间:性质:□商品类□服务类编号:注:1.本表格适用于工商行政管理部门或者其派出机构对消费者通过电话、短信、邮件、传真、信函等方式提起投诉的登记,以及工商行政管理部门或者其派出机构现场受理消费者投诉的登记;2.消费者通过非现场方式提出投诉的,无须在投诉人一栏签字;3.投诉事实应当包括:消费者接受商品或服务的名称、消费日期、消费涉及金额等具体情况。
消费者投诉转办通知书工商﹝﹞第号工商行政管理局(所):现转去于年月日关于的投诉。
请你局(所)对投诉反映问题调查核实,依法予以处理。
并将处理情况于年月日前及时报告(回复)我局。
附:相关材料份,共页。
年月日(印章)注:本通知适用于省、自治区、直辖市工商行政管理部门或者市(地、州)工商行政管理部门及其设立的12315消费者投诉举报中心将收到的消费者投诉分送有管辖权的工商行政管理部门或者其派出机构处理。
消费者投诉管理制度一、值班经理是投诉第一受理人。
接到客人投诉后,在自己权限范围内的及时处理,超权限的迅速上报办公室。
二、接到客人投诉后,态度要诚恳、耐心、保持冷静。
三、站在客人的角度表示同情,尽量缩短与客人之间在感情上的距离。
四、了解客人投诉原因和要求,告诉客人需做调查及大致等候时间。
调查认真仔细,不推脱、搪塞客人。
五、所有投诉处理,尽量避免在顾客较多的场合处理。
六、单独接触客人时,态度友善,不争吵、辩论。
七、若属客人误解或不了解公司有关规定引起的投诉,婉转解释,消除误解,沟通同顾客之间的联系。
八、事实调查清楚,提出处理办法后,耐心转告客人,征求客人对处理办法的意见。
九、根据公司是否应承担责任及责任大小,适当优惠或赠送客人食品、饮料。
十、搞好投诉处理的善后工作,公司每次的投诉记录,交办公室存档。
十一、投诉内容分类整理,定期分析,对带倾向性的问题,及时提出改进措施,提高服务质量。
消费者投诉管理制度(2)是指企业为了解决消费者投诉问题而建立的一套管理机制。
它包括以下几个方面的内容:1. 投诉受理:制定明确的投诉受理流程和标准,确保消费者投诉能够及时被接受并得到处理。
2. 投诉处理:设立专门的投诉处理部门,配备专业的投诉处理人员,对消费者的投诉进行调查、核实和处理,并及时给予回复。
3. 投诉登记和统计:对接受的每一笔投诉进行登记和统计,包括投诉的内容、投诉的处理过程和结果等,以便企业对投诉问题进行分析和总结,并及时采取相应的改进措施。
4. 投诉追踪和反馈:对已处理的投诉进行追踪,了解消费者对投诉处理结果的满意度,并及时向消费者反馈处理结果。
5. 投诉问题分析和改进:对投诉问题进行定期分析,找出问题的根源并采取相应的改进措施,以避免类似问题的再次发生。
6. 惩处和奖励机制:对涉及严重违法违规行为的投诉进行严肃处理,同时对投诉处理及时、有效的员工进行奖励,以保证管理制度的执行。
通过建立健全的消费者投诉管理制度,可以提高企业对消费者投诉的处理能力和水平,增强消费者的满意度,维护企业的声誉,进一步提升企业的竞争力。
食品安全消费者投诉处理制度一、前言食品安全关系人民群众身体健康和生命安全,是我国社会经济发展的重要保障。
建立完善的食品安全消费者投诉处理制度,对于维护消费者合法权益、提升食品安全水平具有重要意义。
本制度旨在规范食品安全消费者投诉处理工作,确保消费者投诉得到及时、高效、公正的解决。
二、投诉处理原则1. 公正公平:确保投诉处理的公正性,维护消费者合法权益。
2. 及时高效:对消费者的投诉要及时响应,迅速处理,提高工作效率。
3. 依法依规:严格遵守国家法律法规,遵循食品安全标准和规定,确保投诉处理合法合规。
4. 沟通协调:加强与消费者、企业、政府部门之间的沟通与协作,共同推进食品安全投诉处理工作。
5. 持续改进:不断总结投诉处理经验,优化工作流程,提高投诉处理质量。
三、投诉处理机构与职责1. 投诉处理机构:各级市场监管部门、消费者协会、食品安全监管部门等。
2. 职责:(1)接收消费者投诉,并进行登记、分类、编号。
(2)对投诉内容进行初步审查,对符合投诉条件的予以受理。
(3)调查核实投诉情况,收集相关证据。
(4)协调相关部门,推动投诉处理进程。
(5)对投诉处理结果进行反馈,答复消费者。
(6)对投诉处理工作进行总结,提出改进意见和建议。
四、投诉处理流程1. 消费者投诉(1)消费者可通过电话、信函、电子邮件、网络平台等多种方式提出投诉。
(2)消费者应提供以下信息:① 投诉人姓名、联系方式;② 投诉对象名称、地址;③ 投诉事项及具体事实;④ 相关证据材料。
2. 投诉审查与受理(1)投诉处理机构收到投诉后,应在3个工作日内完成投诉审查。
(2)对符合投诉条件的投诉,予以受理;对不符合投诉条件的,予以退回并说明理由。
3. 投诉调查与处理(1)投诉处理机构应在受理投诉之日起15个工作日内完成调查核实。
(2)调查过程中,投诉处理机构可采取以下措施:① 向投诉人、被投诉人了解情况;② 收集相关证据材料;③ 协调相关部门开展联合调查。
顾客投诉处理流程当顾客购买鲁泰在线的服装和服务的时候,对服装本身和我们的服务都抱有良好的期望,当期望和要求得不到满足的时候,就会令顾客心理失去平衡由此产生抱怨和不满行为。
出现了投诉,我们就要去积极耐心的处理,而处理投诉的原则就是“双赢”。
首先,要对顾客投诉有正确的认识,投诉顾客的抱怨是很常见的,也是正常的,它也是我们产品和服务不断改进的助推者。
其次,处理时一定要树立“顾客第一”的思想。
处理时不能本能的为自己辩护,要让对方知道你确实在听,简要地重述对方的问题,并应感激对方提出的投诉,问他是否还有不满意的地方。
顾客投诉处理流程分为四个阶段:接受投诉阶段、解释澄清阶段、提出解决方案阶段和回访阶段。
对顾客的投诉处理要求必须有详细的记录,客服人员要认真填写投诉处理表,写明接受投诉时间、原因、处理方案、回访时间和顾客满意情况等。
1、接受投诉阶段的要求:(1) 认真倾听,保持冷静、同情、理解并安慰顾客,看是哪方面的问题,是色差还是面料,还是做工或者是尺码等等。
(2) 给予顾客足够的重视和关注,积极对待。
(3) 注意对事件全过程进行仔细询问,对话语气要温和(不管是电话还是文字),要做详细的接受投诉记录。
2、解释澄清阶段的要求:(1) 不与顾客争辩或一味寻找借口,如果是顾客人为损坏服装,或其他顾客原因,要委婉提出。
不可心急,给人一种推脱责任的感觉。
同时要注意解释语言的语调,不要给顾客有受轻视冷漠或不耐烦的感觉。
(2) 换位思考,易地而处,从顾客的角度出发,做合理的解释或澄清。
(3) 如果确实是鲁泰在线的原因,必须诚恳道歉。
(4) 告知顾客我们将立即进行处理,必定会给顾客以满意的答复,应立即作出答复或明确告诉顾客等待时间,一定要在答复时限内将处理结果反馈给顾客。
3、提出解决方案阶段的要求:(1) 可按投诉类别和情况,提出相应解决问题的具体措施。
如果是物流公司的问题比如路途丢失,损坏,延时等原因,需向顾客委婉解释清楚可能的原因。
12315消费维权服务站工作程序
第一条为维护消费者的合法权益,规范12315消费维权服务站受理和处理消费纠纷工作,根据《中华人民共和国消费者权益保护法》等法律法规,制定本工作程序。
第二条 12315消费维权服务站,在接受消费者咨询、投诉时应当按照受理、处理、审核、反馈、归档等基本工作程序进行处理。
第三条在受理消费者咨询、投诉时,依法解答消费者的咨询,认真登记消费者的投诉,填写《“消费维权服务站”消费投诉登记表》。
第四条在处理消费者投诉时,要耐心听取消费者的诉求,依据法律法规的规定和向消费者的承诺提出处理意见,与消费者进行协商和解。
和解不成的,告知消费者解决争议的其他途径。
第五条对与消费者初步达成协议的,报送本单位有关领导审核,及时按照和解协议的约定履行义务。
第六条对于消费者的诉求,当即难以答复的,可以与消费者约定答复时间,研究处理意见后,及时向消费者反馈。
第七条消费者投诉处理完毕后,将《“消费维权服务站”消费投诉登记表》中的简要信息按照时间顺序记录到《“消费维权服务站”受理和处理消费者投诉登记簿》,并及时归档,归档期限不得少于2年。
同时,认真填写《“消费维权服务站”受理和处理消费者投诉情况汇总表》,按照经营者不同类型在相应栏目中填写数据,并按季度报送辖区工商所,由辖区工商所汇总填写到《12315“五进”工作情况统计表》中按照规定和程序报送。
第八条本工作程序自下发之日起施行。
食品生产企业消费者投诉受理制度一、前言为了维护消费者合法权益,提高企业质量管理水平,确保食品安全,加强企业与消费者之间的沟通,本企业特制定《食品生产企业消费者投诉受理制度》(以下简称《制度》)。
本《制度》旨在规范投诉受理流程,确保消费者投诉得到及时、公正、有效的处理。
二、投诉受理原则1. 公正原则:确保投诉处理过程公平、公正,维护消费者合法权益。
2. 及时原则:对消费者投诉及时响应,尽快解决问题。
3. 有效性原则:对投诉问题进行深入调查,采取有效措施,防止类似问题再次发生。
4. 沟通原则:与消费者保持良好沟通,确保消费者对处理结果满意。
三、投诉受理范围1. 食品质量问题:包括食品变质、过期、污染等。
2. 服务问题:包括售后服务、客服态度等。
3. 虚假宣传问题:包括产品广告、标签标识等。
4. 其他涉及消费者权益的问题。
四、投诉受理程序1. 投诉接收(1)消费者可通过以下途径提交投诉:电话、信函、电子邮件、官方网站、微信、微博等。
(2)投诉内容应包括:投诉人基本信息、投诉对象、投诉事实及证据、联系方式等。
2. 投诉登记(1)企业投诉受理部门负责对投诉进行登记,编号,并录入投诉管理系统。
(2)登记内容包括:投诉人信息、投诉时间、投诉对象、投诉内容、投诉途径等。
3. 投诉分类(1)根据投诉内容,将投诉分为质量类、服务类、虚假宣传类等。
(2)针对不同类别的投诉,制定相应的处理流程。
4. 投诉调查(1)质量类投诉:企业质量管理部门负责调查,必要时邀请第三方检测机构参与。
(2)服务类投诉:企业客服部门负责调查,必要时与投诉人沟通。
(3)虚假宣传类投诉:企业法务部门负责调查,必要时与相关部门沟通。
5. 投诉处理(1)根据调查结果,采取以下措施:1)质量问题:停止销售、召回问题产品,对受影响消费者进行赔偿。
2)服务问题:对相关责任人进行处罚,改善服务水平。
3)虚假宣传问题:修改广告、标签标识,对受影响消费者进行赔偿。
北京市工商行政管理局关于印发处理消费者投诉规程(试行)的通知文章属性•【制定机关】北京市工商行政管理局•【公布日期】2015.07.13•【字号】京工商发〔2015〕37号•【施行日期】2015.09.01•【效力等级】地方规范性文件•【时效性】失效•【主题分类】消费者权益保护正文北京市工商行政管理局关于印发处理消费者投诉规程(试行)的通知京工商发〔2015〕37号各区县分局、专业分局,市局机关各处室、稽查总队,各事业单位,各协会、学会:现将《北京市工商行政管理局处理消费者投诉规程(试行)》印发给你们,请认真遵照执行。
附件:1.消费者投诉分送情况告知书2.消费者投诉登记表3.受理消费者投诉告知书4.不予受理(终止受理)消费者投诉告知书5.消费者投诉处理记录6.消费者权益争议行政调解知情书7.消费者权益争议调解通知书8.调解笔录9.终止消费者权益争议调解告知书10.消费者权益争议调解书北京市工商行政管理局2015年7月13日北京市工商行政管理局处理消费者投诉规程(试行)第一章总则第一条为进一步规范本局处理消费者投诉程序,保护消费者合法权益,根据《中华人民共和国消费者权益保护法》、《北京市实施〈中华人民共和国消费者权益保护法〉办法》、《工商行政管理部门处理消费者投诉办法》等法律、法规和规章,结合本市实际情况,制定本规程。
第二条消费者与经营者发生消费者权益争议,向本局投诉的,依照本规程执行。
本规程所称的消费者,是指为生活消费需要购买、使用商品或者接受服务的自然人。
第三条对受理的消费者投诉,应当根据事实,依照法律、法规和规章,公正合理地处理。
消费者投诉原则上由工商所负责具体处理。
第二章管辖第四条消费者投诉由经营者所在地或者经营行为发生地的分局管辖。
有管辖权的分局可以授权其工商所,处理工商所辖区内的消费者投诉。
对管辖权有争议的,报请共同的上一级机关指定管辖。
市局对各分局处理消费者投诉工作进行业务指导和监督。
农贸市场投诉现场处置方案一、背景介绍农贸市场是城市中农民和城市居民交流商品的重要场所,也是消费者获取新鲜农产品的主要渠道之一。
然而,由于管理不善、商品质量问题等原因,农贸市场投诉问题时有发生,严重影响了市场的正常运行和消费者权益。
为了解决这一问题,特制定本农贸市场投诉现场处置方案。
二、投诉处理流程1. 投诉受理当消费者在农贸市场遇到问题,并希望进行投诉时,首先需要找到充当现场处置工作人员的投诉受理窗口。
投诉受理窗口应明确标识,位于农贸市场的显眼位置,并配备足够的工作人员,以确保投诉得到及时处理。
2. 投诉登记投诉工作人员在接收到消费者的投诉后,应及时进行投诉登记。
登记表格中包括投诉人的基本信息、投诉的具体内容、投诉的时间等必要信息,以便于后续的跟进工作。
3. 调查核实投诉登记完成后,现场处置工作人员应迅速展开调查核实工作。
他们可以与投诉人进一步沟通,了解投诉的具体细节,也可以与相关市场经营者、供货商、卫生监督部门等进行协作,获取更多的信息和证据。
调查过程中应严格遵守相关法律法规,确保取证过程的合法合规,并保护投诉人的隐私。
4. 制定应对方案调查核实完成后,现场处置工作人员应根据调查结果,制定相应的应对方案。
方案应包括以下几个方面的内容:- 处理结果:根据调查核实的结果,确定处理投诉的具体方式,包括是否责令市场经营者整改或赔偿消费者损失等。
- 教育引导:在处理投诉的同时,应对市场经营者和消费者进行相关的教育引导,增强他们的法律法规意识和质量安全意识。
- 强化监管:将投诉问题与农贸市场的日常监管工作相结合,加强业务培训,提高监管人员的水平和能力,扎实推进农贸市场的规范化建设。
5. 处理结果通知现场处置工作人员应将处理结果及时通知投诉人,并告知其相关的权益保护途径,如消费者协会、法律援助机构等。
同时,他们也需要将处理结果报告给市场监管部门,以便监管部门对整个投诉处理过程进行监督和评估。
三、现场处置的注意事项1. 保持专业性现场处置工作人员应保持中立、客观的态度,不偏袒任何一方。
第1篇一、引言随着我国经济的快速发展和市场经济体制的不断完善,客服行业作为企业与消费者之间的重要桥梁,扮演着越来越重要的角色。
客服经营不仅关系到企业的品牌形象和客户满意度,还涉及到法律法规的遵守。
本文旨在梳理我国客服经营相关的法律规定,为企业提供参考和指导。
二、客服经营的法律依据1.《中华人民共和国消费者权益保护法》(以下简称《消法》)《消法》是我国消费者权益保护的基本法律,其中涉及客服经营的相关规定主要包括:(1)第二十条规定,经营者应当建立健全消费者投诉处理机制,及时、公正地处理消费者投诉。
(2)第二十一条规定,经营者应当公布消费者投诉电话、电子邮箱等联系方式,并保证畅通。
(3)第二十二条规定,经营者应当对消费者投诉进行登记、调查、处理,并保存相关记录。
2.《中华人民共和国合同法》(以下简称《合同法》)《合同法》是我国规范民事合同关系的基本法律,其中涉及客服经营的相关规定主要包括:(1)第一百一十四条规定,当事人可以约定争议解决方式,但不得违反法律、行政法规的强制性规定。
(2)第一百一十五条规定,当事人一方不履行合同义务或者履行合同义务不符合约定的,另一方可以要求履行、采取补救措施或者解除合同。
3.《中华人民共和国侵权责任法》(以下简称《侵权责任法》)《侵权责任法》是我国规范侵权行为的基本法律,其中涉及客服经营的相关规定主要包括:(1)第十六条规定,经营者因提供商品或者服务造成消费者损害的,应当依法承担侵权责任。
(2)第二十条规定,经营者应当对其工作人员的职务行为承担民事责任。
4.《中华人民共和国电子商务法》(以下简称《电商法》)《电商法》是我国规范电子商务活动的基本法律,其中涉及客服经营的相关规定主要包括:(1)第三十三条规定,电子商务经营者应当建立健全消费者投诉处理机制,及时、公正地处理消费者投诉。
(2)第三十四条规定,电子商务经营者应当公布消费者投诉电话、电子邮箱等联系方式,并保证畅通。