交通标志牌结构验算
- 格式:doc
- 大小:66.00 KB
- 文档页数:7
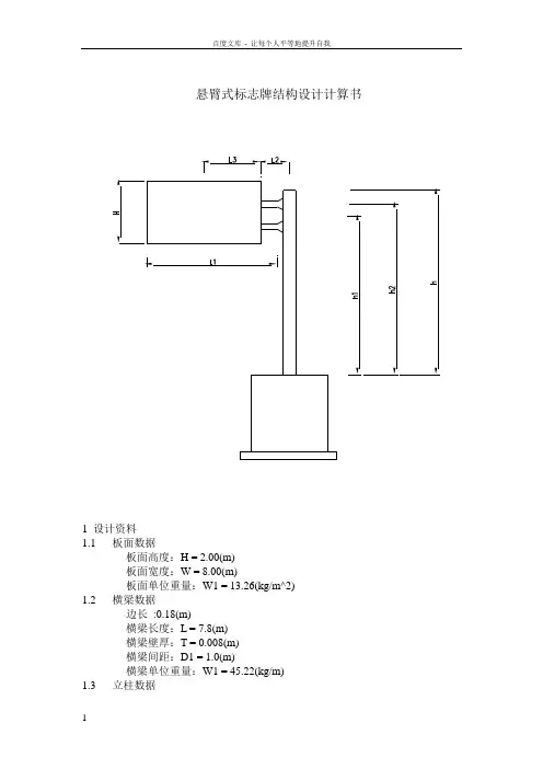
悬臂式标志牌结构设计计算书1 设计资料1.1 板面数据板面高度:H = 2.00(m)板面宽度:W = 8.00(m)板面单位重量:W1 = 13.26(kg/m^2)1.2 横梁数据边长:0.18(m)横梁长度:L = 7.8(m)横梁壁厚:T = 0.008(m)横梁间距:D1 = 1.0(m)横梁单位重量:W1 = 45.22(kg/m)1.3 立柱数据边长: 0.35(m)立柱高度:L = 7.40(m)立柱壁厚:T = 0.014(m)立柱单位重量:W1 = 153.86(kg/m)2 荷载计算2.1 永久荷载各计算式中系数1.1系考虑有关连接件及加劲肋等的重量而添加。
2.1.1 板面重量计算标志版单位重量为13.26(kg/m2)标志版重量:G1 = 13.26×16×9.8×1.1(N) = 2.2871(KN)2.1.2 横梁重量计算G2 = 2×45.22×7.8×9.8×1.1(N) = 7.6046(KN)2.1.3 立柱重量计算G3 = 153.86×7.8×9.8×1.1(N) = 12.9372(KN)2.1.4 计算上部总重量G = G1 + G2 + G3 = 22.8289(KN)3 风荷载计算3.1 标志版风力F1 = βz×μs×μz×ω0×(W ×H)= 12.944(KN)3.2 立柱风力F2 =βz×μs×μz×ω0×(W ×H)= 2.096(KN)4 横梁设计计算说明:由于单根横梁材料、规格相同,根据基本假设,可认为每根横梁所受的荷载为总荷载的一半。
对单根横梁所受荷载计算如下:4.1 荷载计算竖直荷载G4 = γ0×γG×G1 / 2 = 1.372(KN)均布荷载ω1 = γ0×γG×G2 / (2 ×H) = 0.585(KN/m)水平荷载F wb = F1 / 2 =6.472(KN)4.2 强度验算计算横梁跟部由重力引起的剪力Q y1 = G4+ ω1 ×H = 5.935(KN)计算由重力引起的弯矩M y1 = G4×(l2 + l3) + ω1 ×l12 / 2 = 45.393(KN*m)计算横梁跟部由风力引起的剪力Q x1 = F1 = 6.472(KN)计算由风力引起的弯矩M x1 = F1×(l2 + l3) = 30.0948(KN*m)4.3 横梁截面信息横梁截面积 A = 5.504 ×10-3 (m2)横梁截面惯性矩I = 2.72 ×10-5 (m4)横梁截面模量W = 3.02 ×10-4(m3)4.4 计算横梁跟部所受的合成剪力和弯矩合成剪力:Q = (Q x12 + Q y12) 0.5 =8.781 (KN)合成弯矩:M = (M x12 + M y12) 0.5 = 54.463 (KN*m)4.5 最大正应力验算横梁根部的最大正应力为:σ= M / W = 170.939 (MPa) < [σ] = 215.000(MPa), 满足设计要求横梁根部的最大剪应力为:τ= 2 ×Q / A = 3.846 (MPa) < [τ] = 125.000(MPa), 满足设计要求4.5 变形验算计算垂直绕度f y = G4 / (γ0×γG) ×(l2 + l3)2×(3 ×l1 - l2 - l3) / (6 ×E ×I) + ω1 / (γ0×γG) ×l14 / (8 ×E ×I)= 0.0518(m)计算水平绕度f x = F wb/ (γ0×γQ) ×(l3 + l2)2×(3 ×l1 - l2 - l3) / (6 ×E ×I) + ω2 / (γ0×γQ) ×l23 / (6 ×E ×I)= 0.0707(m)计算合成绕度f = (f x2 + f y2)0.5 = 0.0877(m)f/l1 = 0.0117 > 1/100, 不满足设计要求。
悬臂式标志版结构设计计算书1 设计资料1.1 板面数据板面高度:H = 3.00(m)板面宽度:W = 6.00(m)板面单位重量:W1 = 13.26(kg/m^2)1.2 横梁数据八角钢:边长= 0.08(m)横梁长度:L = 1.50(7.5)(m)横梁壁厚:T = 0.008(m)横梁间距:D1 = 1.50(m)立柱单位重量:W1 = 38.70(kg/m)1.3 立柱数据八角钢:边长= 0.12(m)立柱高度:L = 8.60(m)立柱壁厚:T = 0.01(m)立柱单位重量:W1 = 73.10(kg/m)2 荷载计算2.1 永久荷载各计算式中系数1.1系考虑有关连接件及加劲肋等的重量而添加。
2.1.1 板面重量计算标志版单位重量为13.26(kg/m2)标志版重量:G1 = 13.26×18×9.8×1.1(N) = 2.5722(KN)2.1.2 横梁重量计算G2 = 2×38.7×7.5×9.8×1.1(N) = 6.2578(KN)2.1.3 立柱重量计算G3 = 73.1×8.6×9.8×1.1(N) = 6.7770(KN)2.1.4 计算上部总重量G = G1 + G2 + G3 = 15606.94(N) = 15.608(KN)3 风荷载计算3.1 标志版风力F1 = γ0×γQ×(1/2 ×ρ×C ×V2) ×(W ×H) / 1000= 15.266(KN)3.2 横梁风力F2 = γ0×γQ×(1/2 ×ρ×C ×V2) ×Σ(W ×H) / 1000= 0.355(KN)3.3 立柱风力F3 = γ0×γQ×(1/2 ×ρ×C ×V2) ×(W ×H) / 1000= 1.527(KN)4 横梁设计计算说明:由于单根横梁材料、规格相同,根据基本假设,可人为每根横梁所受的荷载为总荷载的一半。
交通标志结构计算书1 设计资料1.1 板面数据1)标志板A数据板面形状:矩形,宽度W=3.3(m),高度h=2.2(m),净空H=5.5(m)标志板材料:LF2-M铝。
单位面积重量:8.10(kg/m^2)2)附着板A数据板面形状:圆形,直径D=1.2(m),净空H=6.0(m)标志板材料:LF2-M铝。
单位面积重量:8.10(kg/m^2)1.2 横梁数据横梁的总长度:5.48(m),外径:152(mm),壁厚:8(mm),横梁数目:2,间距:1.45(m) 1.3 立柱数据立柱的总高度:8.2(m),立柱外径:377(mm),立柱壁厚:10(mm)2 计算简图见Dwg图纸3 荷载计算3.1 永久荷载1)标志版重量计算标志板A重量:G1=A*ρ*g=7.26×8.10×9.80=576.299(N)附着板A重量:G1=A*ρ*g=1.131×8.10×9.80=89.777(N)式中:A----标志板面积ρ----标志板单位面积重量g----重力加速度,取9.80(m/s^2)则标志板总重量:Gb=ΣGi=666.075(N)2)横梁重量计算横梁数目2,总长度为5.48(m),使用材料:奥氏体不锈钢无缝钢管,单位长度重量:28.839(kg/m)横梁总重量:Gh=L*ρ*g*n=5.48×28.839×9.80×2=3096.698(N)式中:L----横梁的总长度ρ----横梁单位长度重量g----重力加速度,取9.80(m/s^2)3)立柱重量计算立柱总长度为8.20(m),使用材料:奥氏体不锈钢无缝钢管,单位长度重量:91.874(kg/m) 立柱重量:Gp=L*ρ*g=8.20×91.874×9.80=7382.995(N)式中:L----立柱的总长度ρ----立柱单位长度重量g----重力加速度,取9.80(m/s^2)4)上部结构总重量计算由标志上部永久荷载计算系数1.10,则上部结构总重量:G=K*(Gb+Gh+Gp)=1.10×(666.075+3096.698+7382.995)=12260.345(N)3.2 风荷载1)标志板所受风荷载标志板A:Fwb1=γ0*γQ*[(1/2*ρ*C*V^2)*A1]=1.0×1.4×[(0.5×1.2258×1.2×25.547^2)×7.26]=4878.826(N)附着板A:Fwb2=γ0*γQ*[(1/2*ρ*C*V^2)*A2]=1.0×1.4×[(0.5×1.2258×1.2×25.547^2)×1.131]=760.031(N)式中:γ0----结构重要性系数,取1.0γQ----可变荷载分项系数,取1.4ρ----空气密度,一般取1.2258(N*S^2*m^-4)C----标志板的风力系数,取值1.20V----风速,此处风速为25.547(m/s^2)g----重力加速度,取9.80(m/s^2)2)横梁所迎风面所受风荷载:Fwh=γ0*γQ*[(1/2*ρ*C*V^2)*W*H]=1.0×1.4×[(0.5×1.2258×0.80×25.547^2)×0.152×1.711]=116.54 9(N)式中:C----立柱的风力系数,圆管型取值0.80W----横梁迎风面宽度,即横梁的外径H----横梁迎风面长度,应扣除被标志板遮挡部分3)立柱迎风面所受风荷载:Fwp=γ0*γQ*[(1/2*ρ*C*V^2)*W*H]=1.0×1.4×[(0.5×1.2258×0.80×25.547^2)×0.377×7.00]=1182.29 8(N)式中:C----立柱的风力系数,圆管型立柱取值0.80W----立柱迎风面宽度,即立柱的外径H----立柱迎风面高度4 横梁的设计计算由于两根横梁材料、规格相同,根据基本假设,可认为每根横梁所受的荷载为总荷载的一半。
交通标志牌结构验算交通标志牌的结构设计包括标志牌面板、支撑结构和连接方式等几个方面。
首先,标志牌面板需要满足一定的强度和刚度要求,以承受外部荷载和抵抗风力。
标志牌面板常用的材料有铝合金、钢板和聚碳酸酯等。
在设计时需要考虑标志牌面板的材料强度和刚度参数,并根据实际情况确定标志牌面板的厚度和尺寸。
其次,支撑结构是保证标志牌能够稳定固定在指定位置的关键。
一般来说,交通标志牌的支撑结构采用立柱或梁柱结构,材料有钢管、钢杆或铝合金型材等。
在设计支撑结构时,需要考虑其稳定性和强度,以及与标志牌面板之间的连接方式和受力情况。
连接方式是指标志牌面板和支撑结构之间的连接方式。
常用的连接方式有焊接、螺栓连接、铆接等。
在选择连接方式时,需要综合考虑连接强度、工艺难易性和经济性等因素。
交通标志牌结构的验算主要包括静态通风性验算、动态通风性验算和抗风性验算等几个方面。
静态通风性验算是指对标志牌面板的设计进行空气动力学分析,确定标志牌面板所受到的气动力荷载,并进行强度和刚度验算。
动态通风性验算是指对在交通流量较大的情况下,标志牌面板受到的振动和共振的影响进行分析,以确定标志牌在实际使用条件下的稳定性和安全性。
抗风性验算是指对标志牌的整体结构进行分析,以确定其能够承受的最大风力荷载,并通过结构分析和强度验算来保证标志牌的稳定性和安全性。
在进行交通标志牌结构验算时,需要根据相应的设计规范和标准来进行,例如《交通标志标线设计规范》(GB5768-2024)和《公路交通设施设计规范》(JTGB01-2024)。
同时,还需要利用现代计算机辅助设计软件和有限元分析软件等工具进行结构分析和验算,以提高计算效率和准确性。
综上所述,交通标志牌的结构设计和验算是确保标志牌符合设计要求和安全性要求的重要环节,需要综合考虑材料强度和刚度、支撑结构稳定性、连接方式和受力情况等因素,在实际设计中遵循相关规范和标准,并辅以现代计算机辅助设计软件和有限元分析软件等工具进行分析和验算。
交通标志结构计算书(1)计算简图(横排4m×2.4m)写国家标准GB5768-86《道路交通标志和标线》和国家标准GBJ9-87《建筑结构载荷规范》(2)荷载计算1)永久载荷各计算式中系数1.1系考虑有关连接件及加劲肋等的重量而添加 标志板的单位密度为3312.810/W kg m =⨯其重力为:31 4.0 2.40.003 2.8109.8 1.10.869()G kN =⨯⨯⨯⨯⨯⨯=横梁拟采用2133 6.0φ⨯ 单位重量为20.02466()0.024666(1336)18.791/W S D S kg m =⨯-=⨯⨯-=其总重力为:2218.791 5.59.8 1.1 2.228()G kN =⨯⨯⨯⨯=立柱拟采用27310.0φ⨯ 单位重量为30.02466()0.0246610(27310)64.856/W S D S kg m =⨯-=⨯⨯-=其总重力为:364.8567.99.8 1.1 5.532()G kN =⨯⨯⨯=标志上部结构的总重量:1230.869 2.228 5.5238.620()G G G G kN =++=++=有关系数将视永久载荷效应对结构构件或连接的承载能力是否有利而选取相应的系数2)风载荷 标志板:()()()210111001111/100021(1600)/10002 1.2258 1.216000.45 4.0 2.4/100wb Q b b Q b b F CV W H C W W H γγργγρ⎡⎤⎛⎫=⨯ ⎪⎢⎥⎝⎭⎣⎦⎡⎤⎛⎫⨯⨯ ⎪⎢⎥⎝⎭⎣⎦⎡⎤⎛⎫⨯⨯⨯⨯⨯⨯⨯⨯ ⎪⎢⎥⎝⎭⎣⎦=1 =1.0 1.42 =7.117(kN )横梁()()()210hni 00hni 1/100021(1600)/10002 1.22580.816000.45 1.60.1332/1000wh Q HI Q HI F CV W H C W W H γγργγρ⎡⎤⎛⎫=⨯ ⎪⎢⎥⎝⎭⎣⎦⎡⎤⎛⎫⨯⨯ ⎪⎢⎥⎝⎭⎣⎦⎡⎤⎛⎫⨯⨯⨯⨯⨯⨯⨯⨯⨯ ⎪⎢⎥⎝⎭⎣⎦∑∑ =1 =1.0 1.42 =0.234(kN )立柱:()()()2p10hni 00hni 1/100021(1600)/10002 1.22580.816000.457.90.273/1000w Q HI Q HI F CV W H C W W H γγργγρ⎡⎤⎛⎫=⨯ ⎪⎢⎥⎝⎭⎣⎦⎡⎤⎛⎫⨯⨯ ⎪⎢⎥⎝⎭⎣⎦⎡⎤⎛⎫⨯⨯⨯⨯⨯⨯⨯⨯ ⎪⎢⎥⎝⎭⎣⎦=1 =1.0 1.42 =1.066(kN )以上式中符号:0b p 4k a ,;s .m 1.2w w W F kN F N C C γγρ---=0Q 2 基本风压,根据北京地区取0.45P ; - 标志板所受的风载荷 - 单根立柱或横梁所受的风载荷,k ;- 结构重要性系数,交通标志结构安全等级按二级考虑,该系数取为1.0; - 可变载荷(主要为风载荷)分项系数,一般情况下,采用1.4; - 空气密度,一般取1.2258N.;风力系数,标志板;圆管型立柱C=0.8,薄壁矩形bi bi p pn i i V -立柱C=1.4, 其他型钢及组合型钢立柱C=1.3; 风速度,m/s;W - 第块标识板的宽度;H - 第块标识板的高度;n - 标识板的数量W - 立柱或横梁的迎风面宽度;H - 立柱或横梁的迎风面高度,注意应扣除被标识板遮挡的部分;(3)横梁的设计计算由于两根横梁材料、规格相同,根据基本假设,可认为每根横梁将平均分担总荷载,其所受的荷载为总荷载的一半,其受力图如下图所示:单根横梁所受荷载为: 竖直荷载:1400.8691.0 1.20.521()22G G G kN γγ==⨯⨯= 210 2.228/ 1.0 1.2/5.50.243(/)22Gh G w H kN m γγ==⨯⨯=水平荷载:17.1173.559()22wb wbF F kN === 211/(2)0.234/(2 1.6)0.073(/)wh hn w F H kN m =⨯=⨯=1)强度验算横梁根部由重力引起的剪力为:1410.5210.243 5.5 1.858()y h Q G w H kN =+=+⨯=由重力引起的弯矩为:2111423()2y w l M G l l =++⨯20.243 5.5 =0.521(1.6+2)+2=1.876+3.675=5.551(kN.m )横梁根部由风引起的剪力为:122 3.5590.073 1.6 3.676()x wb Q F w l kN =+=+⨯=由风载引起的弯矩为:222123()2x wb w l M F l l =++⨯20.073 1.6 =3.559(1.6+2)+2=12.812+0.187=12.999(kN.m )横梁的尺寸规格为133 6.0φ⨯截面积为3202 4.89810A r m πδ-==⨯截面惯性矩为4464() 4.8371064I D r mπ-=-=⨯抗弯截面模量为5327.27410I W mD -==⨯ 横梁根部所受的合成剪力为:4.119()Q kN ===合成弯矩为:14.136(.)M kN m ===①最大正应力验算:横梁根部的最大正应力为:3max514.13610194.3()[]215()7.27410d M MPa MPa W σσ-⨯===<=⨯②最大剪应力验算:3max34.1191022 2.219()[]125()3.71310d Q MPa MPa A ττ-⨯=⨯=⨯=<=⨯③危险点应力验算:从略。
交通标志结构计算书1设计资料1.1板面数据1)标志板A数据板面形状:矩形,宽度W=3.3(m),高度h=2.2(m),净空H=5.5(m)标志板材料:LF2-M铝。
单位面积重量:8.10(kg/m^2)2)附着板A数据板面形状:圆形,直径D=1.2(m),净空H=6.0(m)标志板材料:LF2-M铝。
单位面积重量:8.10(kg/m^2)1.2横梁数据横梁的总长度:5.48(m),外径:152(mm),壁厚:8(mm),横梁数目:2,间距:1.45(m)1.3立柱数据立柱的总高度:8.2(m),立柱外径:377(mm),立柱壁厚:10(mm)2计算简图见Dwg图纸3荷载计算3.1永久荷载1)标志版重量计算标志板A重量:G1=A*ρ*g=7.26×8.10×9.80=576.299(N)附着板A重量:G1=A*ρ*g=1.131×8.10×9.80=89.777(N)式中:A----标志板面积ρ----标志板单位面积重量g----重力加速度,取9.80(m/s^2)则标志板总重量:Gb=ΣGi=666.075(N)2)横梁重量计算横梁数目2,总长度为 5.48(m),使用材料:奥氏体不锈钢无缝钢管,单位长度重量:28.839(kg/m)横梁总重量:Gh=L*ρ*g*n=5.48×28.839×9.80×2=3096.698(N)式中:L----横梁的总长度ρ----横梁单位长度重量g----重力加速度,取9.80(m/s^2)3)立柱重量计算立柱总长度为8.20(m),使用材料:奥氏体不锈钢无缝钢管,单位长度重量:91.874(kg/m)立柱重量:Gp=L*ρ*g=8.20×91.874×9.80=7382.995(N)式中:L----立柱的总长度ρ----立柱单位长度重量g----重力加速度,取9.80(m/s^2)4)上部结构总重量计算由标志上部永久荷载计算系数 1.10,则上部结构总重量:G=K*(Gb+Gh+Gp)=1.10×(666.075+3096.698+7382.995)=12260.345(N)3.2风荷载1)标志板所受风荷载标志板A:Fwb1=γ0*γQ*[(1/2*ρ*C*V^2)*A1]=1.0×1.4×[(0.5×1.2258×1.2×25.547^2)×7.26]=4878.826(N)附着板A:Fwb2=γ0*γQ*[(1/2*ρ*C*V^2)*A2]=1.0×1.4×[(0.5×1.2258×1.2×25.547^2)×1.131]=760.031(N)式中:γ0----结构重要性系数,取 1.0γQ----可变荷载分项系数,取 1.4ρ----空气密度,一般取1.2258(N*S^2*m^-4)C----标志板的风力系数,取值1.20V----风速,此处风速为25.547(m/s^2)g----重力加速度,取9.80(m/s^2)2)横梁所迎风面所受风荷载:Fwh=γ0*γQ**(1/2*ρ*C*V^2)*W*H+=1.0×1.4×*(0.5×1.2258×0.80×25.547^2)×0.152×1.711+=116.54 9(N)式中:C----立柱的风力系数,圆管型取值0.80W----横梁迎风面宽度,即横梁的外径H----横梁迎风面长度,应扣除被标志板遮挡部分3)立柱迎风面所受风荷载:Fwp=γ0*γQ**(1/2*ρ*C*V^2)*W*H+=1.0×1.4×*(0.5×0.180.2258×25×.547^2)×0.377×7.00]=1182.29 8(N)式中:C----立柱的风力系数,圆管型立柱取值0.80W----立柱迎风面宽度,即立柱的外径H----立柱迎风面高度4横梁的设计计算由于两根横梁材料、规格相同,根据基本假设,可认为每根横梁所受的荷载为总荷载的一半。
交通标志牌基础结构计算交通标志牌是交通管理的重要组成部分,它们用于向驾驶员、行人和其他道路使用者传递道路信息和规则。
交通标志牌的基础结构是其设计和放置的关键要素之一。
本文将探讨交通标志牌的基础结构计算。
交通标志牌的基础结构包括立柱和基座两个主要部分。
立柱是交通标志牌的主要支撑结构,而基座则是立柱与地面之间的连接部分。
为了确保交通标志牌的稳定性和安全性,基础结构必须经过合理的计算和设计。
首先,交通标志牌的基础结构计算必须考虑到立柱的坚固性。
立柱必须能够承受标志牌本身的重量以及风力和其他外力的影响。
一般来说,立柱通常由金属材料制成,如钢材。
在计算立柱的尺寸和材料时,需要考虑到标志牌的大小、形状和所需的支撑力。
其次,基座的设计也是交通标志牌基础结构计算中的关键部分。
基座的目的是提供足够的稳定性和支撑力,以确保标志牌不会倾斜、移动或崩溃。
在设计基座时,需要考虑到地面的性质和标志牌的重量。
通常,基座使用混凝土材料制成,以增加稳定性和耐用性。
基座的形状和尺寸也需要根据具体情况进行计算。
一般来说,基座可以采用圆形、方形或其他形状,具体取决于标志牌的大小和形状。
此外,基座的尺寸也必须足够大,以确保足够的面积接触地面,从而提供更好的支撑力。
在实际计算中,需要考虑到地面的承载能力,以确定基座的具体尺寸和形状。
地面的承载能力可以通过地质勘探和土壤测试来确定。
根据土壤的不同类型,需采取不同的措施来增加基座的稳定性,如加固杆或使用锚固螺栓。
此外,交通标志牌的基础结构还需要考虑到安装的可行性和便利性。
基础结构的设计应尽量简化,以方便标志牌的安装和维护。
例如,可以使用螺栓连接立柱和基座,以方便拆卸和更换标志牌。
综上所述,交通标志牌的基础结构计算是确保其稳定性和安全性的重要步骤。
在计算中,必须考虑到立柱和基座的尺寸、材料和形状,以及地面的承载能力。
通过合理的计算和设计,可以确保交通标志牌的基础结构符合标准,并能够在不同的道路环境中有效地发挥作用。
单柱式交通标志立柱的设计及强度验算余娟◎(下转第23页)一、当前人事档案管理模式的问题1.管理手段落后。
人事档案档案基础设施差,收集、整理、归类、编目等工作还主要依靠手工操作,无纸化、电子化、网络化的程度不高,电子子化档案的管理经验缺乏,保密程度不高,影响了案卷质量和收集效率及档案利用率。
传统的人事档案工作以纸质文件材料为工作对象,而应用计算机后,电子文件取代了以往的文字材料,它是由拟稿者直接写在磁盘上,并在磁盘上进行修改,一经形成,即存贮到办公信息数据中,由档案人员、技术人员所共享,这就使得文件与档案之间不再有明显的界限。
2.人事档案材料不全。
人事档案材料不全究其原因,有两方面:一是干部职工对人事档案的认识不够。
他们认为像履历表、年度考核表等类似的表格已填过不少了,自己近年来也没有太大的变化,不填也罢。
有的人在填写表格时能省则省,履历表中学习简历从高中或大学开始填,家庭成员及社会主要关系都没有。
还有一些如学历、培训、职称等材料,一旦落在个人手中,他们就紧紧地放在自己身边,认为这样更安全,用起来也更方便。
二是分管人事的部门没有将材料及时收集归档。
3.档案人员业务水平不高。
人事档案管理是一项细碎繁杂的工作。
但由于各种原因,档案管理人员平时进修学习的机会不够,缺乏系统的档案知识培训,或者档案人员平时不注意加强专业知识的学习和更新,基础知识差,相关学科知识贫乏,又或者档案管理人员专业知识缺乏或无暇顾及,以致档案管理未能到位,也有许多档案管理人员的管理水平只停留在经验上,使档案管理的水平落后于时代发展要求,缺乏创新和活力。
二、新时期如何做好人事档案管理工作人事档案是提供人才信息的重要途径,是人才的主要来源。
真实准确的人事档案是选拔人才的重要手段,只有全面掌握人才的信息,充分开发人才资源,才能够为选拔人才提供可靠依据。
1.加强对人事档案管理的认识。
人才是潜在的生产力,一旦发挥作用,就能为社会创造效益。
随着人事制度改革的不断深化,干部档案除了满足工资制度改革、干部工龄认定等一般性日常管理外,对医院公正、客观地培养和使用干部,合理开发人力资源提供了重要依据。
悬臂式标志牌结构设计计算书1 设计资料1.1 板面数据板面高度:H = 2.00(m)板面宽度:W = 8.00(m)板面单位重量:W1 = 13.26(kg/m^2)1.2 横梁数据边长:0.18(m)横梁长度:L = 7.8(m)横梁壁厚:T = 0.008(m)横梁间距:D1 = 1.0(m)横梁单位重量:W1 = 45.22(kg/m)1.3 立柱数据边长: 0.35(m)立柱高度:L = 7.40(m)立柱壁厚:T = 0.014(m)立柱单位重量:W1 = 153.86(kg/m)2 荷载计算2.1 永久荷载各计算式中系数1.1系考虑有关连接件及加劲肋等的重量而添加。
2.1.1 板面重量计算标志版单位重量为13.26(kg/m2)标志版重量:G1 = 13.26×16×9.8×1.1(N) = 2.2871(KN)2.1.2 横梁重量计算G2 = 2×45.22×7.8×9.8×1.1(N) = 7.6046(KN)2.1.3 立柱重量计算G3 = 153.86×7.8×9.8×1.1(N) = 12.9372(KN)2.1.4 计算上部总重量G = G1 + G2 + G3 = 22.8289(KN)3 风荷载计算3.1 标志版风力F1 = βz×μs×μz×ω0×(W ×H)= 12.944(KN)3.2 立柱风力F2 =βz×μs×μz×ω0×(W ×H)= 2.096(KN)4 横梁设计计算说明:由于单根横梁材料、规格相同,根据基本假设,可认为每根横梁所受的荷载为总荷载的一半。
对单根横梁所受荷载计算如下:4.1 荷载计算竖直荷载G4 = γ0×γG×G1 / 2 = 1.372(KN)均布荷载ω1 = γ0×γG×G2 / (2 ×H) = 0.585(KN/m)水平荷载F wb = F1 / 2 =6.472(KN)4.2 强度验算计算横梁跟部由重力引起的剪力Q y1 = G4+ ω1 ×H = 5.935(KN)计算由重力引起的弯矩M y1 = G4×(l2 + l3) + ω1 ×l12 / 2 = 45.393(KN*m)计算横梁跟部由风力引起的剪力Q x1 = F1 = 6.472(KN)计算由风力引起的弯矩M x1 = F1×(l2 + l3) = 30.0948(KN*m)4.3 横梁截面信息横梁截面积 A = 5.504 ×10-3 (m2)横梁截面惯性矩I = 2.72 ×10-5 (m4)横梁截面模量W = 3.02 ×10-4(m3)4.4 计算横梁跟部所受的合成剪力和弯矩合成剪力:Q = (Q x12 + Q y12) 0.5 =8.781 (KN)合成弯矩:M = (M x12 + M y12) 0.5 = 54.463 (KN*m)4.5 最大正应力验算横梁根部的最大正应力为:σ= M / W = 170.939 (MPa) < [σ] = 215.000(MPa), 满足设计要求横梁根部的最大剪应力为:τ= 2 ×Q / A = 3.846 (MPa) < [τ] = 125.000(MPa), 满足设计要求4.5 变形验算计算垂直绕度f y = G4 / (γ0×γG) ×(l2 + l3)2×(3 ×l1 - l2 - l3) / (6 ×E ×I) + ω1 / (γ0×γG) ×l14 / (8 ×E ×I)= 0.0518(m)计算水平绕度f x = F wb/ (γ0×γQ) ×(l3 + l2)2×(3 ×l1 - l2 - l3) / (6 ×E ×I) + ω2 / (γ0×γQ) ×l23 / (6 ×E ×I)= 0.0707(m)计算合成绕度f = (f x2 + f y2)0.5 = 0.0877(m)f/l1 = 0.0117 > 1/100, 不满足设计要求。
悬臂式标志牌结构设计计算书1 设计资料1.1 板面数据板面高度:H = 2.00(m)板面宽度:W = 8.00(m)板面单位重量:W1 = 13.26(kg/m^2)1.2 横梁数据边长:0.18(m)横梁长度:L = 7.8(m)横梁壁厚:T = 0.008(m)横梁间距:D1 = 1.0(m)横梁单位重量:W1 = 45.22(kg/m)1.3 立柱数据边长: 0.35(m)立柱高度:L = 7.40(m)立柱壁厚:T = 0.014(m)立柱单位重量:W1 = 153.86(kg/m)2 荷载计算2.1 永久荷载各计算式中系数1.1系考虑有关连接件及加劲肋等的重量而添加。
2.1.1 板面重量计算标志版单位重量为13.26(kg/m2)标志版重量:G1 = 13.26×16×9.8×1.1(N) = 2.2871(KN)2.1.2 横梁重量计算G2 = 2×45.22×7.8×9.8×1.1(N) = 7.6046(KN)2.1.3 立柱重量计算G3 = 153.86×7.8×9.8×1.1(N) = 12.9372(KN)2.1.4 计算上部总重量G = G1 + G2 + G3 = 22.8289(KN)3 风荷载计算3.1 标志版风力F1 = βz×μs×μz×ω0×(W ×H)= 12.944(KN)3.2 立柱风力F2 =βz×μs×μz×ω0×(W ×H)= 2.096(KN)4 横梁设计计算说明:由于单根横梁材料、规格相同,根据基本假设,可认为每根横梁所受的荷载为总荷载的一半。
对单根横梁所受荷载计算如下:4.1 荷载计算竖直荷载G4 = γ0×γG×G1 / 2 = 1.372(KN)均布荷载ω1 = γ0×γG×G2 / (2 ×H) = 0.585(KN/m)水平荷载F wb = F1 / 2 =6.472(KN)4.2 强度验算计算横梁跟部由重力引起的剪力Q y1 = G4+ ω1 ×H = 5.935(KN)计算由重力引起的弯矩M y1 = G4×(l2 + l3) + ω1 ×l12 / 2 = 45.393(KN*m)计算横梁跟部由风力引起的剪力Q x1 = F1 = 6.472(KN)计算由风力引起的弯矩M x1 = F1×(l2 + l3) = 30.0948(KN*m)4.3 横梁截面信息横梁截面积 A = 5.504 ×10-3 (m2)横梁截面惯性矩I = 2.72 ×10-5 (m4)横梁截面模量W = 3.02 ×10-4(m3)4.4 计算横梁跟部所受的合成剪力和弯矩合成剪力:Q = (Q x12 + Q y12) 0.5 =8.781 (KN)合成弯矩:M = (M x12 + M y12) 0.5 = 54.463 (KN*m)4.5 最大正应力验算横梁根部的最大正应力为:σ= M / W = 170.939 (MPa) < [σ] = 215.000(MPa), 满足设计要求横梁根部的最大剪应力为:τ= 2 ×Q / A = 3.846 (MPa) < [τ] = 125.000(MPa), 满足设计要求4.5 变形验算计算垂直绕度f y = G4 / (γ0×γG) ×(l2 + l3)2×(3 ×l1 - l2 - l3) / (6 ×E ×I) + ω1 / (γ0×γG) ×l14 / (8 ×E ×I)= 0.0518(m)计算水平绕度f x = F wb/ (γ0×γQ) ×(l3 + l2)2×(3 ×l1 - l2 - l3) / (6 ×E ×I) + ω2 / (γ0×γQ) ×l23 / (6 ×E ×I)= 0.0707(m)计算合成绕度f = (f x2 + f y2)0.5 = 0.0877(m)f/l1 = 0.0117 > 1/100, 不满足设计要求。
5 立柱设计计算对立柱所受荷载计算如下:5.1 荷载计算垂直荷载:N= γ0×γG×G = 18.729(KN)水平荷载:H= F1+F2+F3 = 17.148(KN)水平弯矩:M X=(F1+F2)×(L-H/2)+F3×L/2 = 123.722(KN*m)立柱根部由永久荷载引起的弯矩为:M Y=2×M y1 = 42.054(KN*m)合成弯矩:M=(M X2+M Y2)0.5 = 130.674(KN*m)风载引起的合成扭矩:M t=2×M x1 = 68.964(KN*m)5.2 强度验算立柱截面信息立柱截面积: A = 9.269 ×10-3 (m2)立柱截面惯性矩:I = 9.594 ×10-5 (m4)立柱截面模量:W = 6.617 ×10-4 (m3)立柱截面回转半径模量:R = (I/A)0.5 = 0.102(m)立柱截面惯性矩模量:Ip = 2×I = 1.92×10-4(m4)最大正应力验算轴向荷载引起的正应力:σc=N/A = 2.021(MPa)弯矩引起的正应力:σw= M/W = 197.496(MPa)组合应力:σMax = σc+σw = 199.516(MPa)立柱根部的最大正应力为:σ= M / W = 197.496 (MPa) < [σ] = 215.000(MPa), 满足设计要求最大剪应力验算水平荷载引起的剪应力:τHmax=2×H/A = 3.70(MPa)扭矩引起的剪应力:τtMax= M t×φ/(2×I p) = 56.428(MPa)组合应力:τMax= τHmax+τtmax= 60.128(MPa) < [τ] = 125.000(MPa), 满足设计要,危险点处应力验算最大正应力位置点处,由扭矩产生的剪应力亦为最大,即σ= σMax = 199.516 (MPa) ,τ= τtMax = 56.428(MPa)根据第四强度理论的组合应力为:σ4 = = (σ2+3×τ2)0.5=207.432 (MPa) < [σ] = 215.000(MPa), 满足设计要求变形验算由风荷载标准值引起的立柱顶部的水平位移:f p=(F1+F2)×(L-H/2)2×(3×L-H)/(γ0×γQ×6×E×I)+F3×L3/(γ0×γQ×8×E×I) = 0.1012(m)立柱端部的相对水平位移为:f p/L = 0.0127 >1/100, 不满足设计要求立柱顶部扭转角:θ =M t×h/(γ0×γQ×GI p) = 2.79×10-2(rad)标志结构最大总水平水平位移:f =f x+f p+θ×l1 = 0.382(m)标志结构最大相对水平位移为:f p/L = 0.0477 >1/60, 不满足设计要求6 立柱与横梁的连接计算6.1 螺栓强度验算连接螺栓拟采用高强螺栓6 M 20 , 查表得:单个螺栓受拉承载力设计值N tb = 124 KN , 受剪(单剪)承载力设计值N vb = 55.8KN :合成剪力Q = 9.438 KN , 合成弯距= 40.388KN*m :螺栓孔数目6 :每个螺栓所受的剪力N v = 1.573 KN ,螺栓1 : y1 = 0.190(m)螺栓2 : y2 = 0.190(m)螺栓3 : y3 = 0.00(m)螺栓4 : y4 = 0.00(m)螺栓5 : y5 = -0.190(m)螺栓6 : y6 = -0.190(m)由各y值可见,y1距旋转轴的距离最远,其拉力N max=M b×y1/(∑yi2) =53.289KN< N tb= 124(MPa), 满足设计要求0.9n fμ(nP-1.25∑N ti)=0.9×1×0.4(6×155-1.25×53.289×2+1.25×53.289×2)=338.4KN>Q=9.438KN,满足设计要求7 柱脚强度验算7.1 受力情况铅垂力G= γ0×γG×G=1.00×0.90×15.608 = 14.047(kN)水平力F=17.148(kN)合成弯距M=130.674(kN)扭距M=68.964(kN)7.2 底板法兰盘受压区的长度Xn偏心距e=M/G=130.674/14.047=9.303(m)法兰盘几何尺寸:L=0.800(m) ; B=0.800(m) ; Lt=0.120(m)基础采用C25砼,n=E s/E c=210000.00×106/28000.00×106 = 7.5地脚螺栓拟采用8 M 30高强螺栓受拉地脚螺栓的总面积:A e = 3 ×5.606×e-4= 16.818×10-4(m2)受压区的长度Xn根据下式试算求解:X n3 + 3×(e-L/2)×X n2– 6×n×A e×(e+L/2-L t)×(L-L t-X n) = 0式中:e = 3.13(m)L = 0.80(m)B = 0.80(m)n = 7.5A e = 16.82 ×10-4(m2)L t = 0.12(m)求解该方程,得X n = 0.1227(m)7.3 底板法兰盘下的混凝土最大受压应力σc = 2 ×G ×(e + L/2 - L t) / (B ×X n×(L - L t - X n/3))= 5.351(MPa) < β×f cc = 10.02(MPa), 满足设计要求。