工厂照明设计
- 格式:doc
- 大小:385.50 KB
- 文档页数:11
厂房照明工程方案一、项目概述照明工程是一个厂房建设项目中非常重要的一环。
良好的照明环境可以提高员工的工作效率,改善工作条件,提高工作效率。
本文将对厂房照明工程进行详细分析,并提出一个合理的照明工程方案。
二、厂房照明的要求1. 亮度要求:在厂房内,需要有足够的亮度来确保员工的安全和工作效率。
一般来说,生产车间的亮度需要达到300lx以上,办公区域的亮度需要达到500lx以上。
2. 能效要求:在照明工程中,应当尽量选择节能的照明设备,以减少能源的使用。
3. 色温要求:对于工厂车间来说,一般需要选择5000k-6500k的冷光源,以提高视觉效果。
4. 均匀度要求:在照明工程中,需要保证照明均匀度,避免产生阴影或者亮度不均匀的情况。
三、厂房照明工程方案1. 照明设备选择在厂房照明工程中,应当选择能效比较高的照明设备,例如LED灯具。
LED灯具具有能效高、使用寿命长、色彩还原性好等优点,非常适合作为厂房照明工程的选择。
此外,LED灯具还可以实现无极调光、远程智能控制等功能,符合现代智能化厂房的需求。
2. 照明布局设计在厂房照明工程中,需要对照明布局进行合理设计。
一般来说,应当优先考虑提供工作区域的照明,同时兼顾安全通道和紧急通道的照明。
此外,针对不同区域的要求,需要采取不同的照明布局设计,以保证达到对应的亮度和均匀度要求。
3. 智能控制系统为了提高能源利用率,可以在厂房照明工程中加入智能控制系统。
通过传感器、集中控制器等设备,可以实现对照明的自动调节和远程遥控,以应对不同的使用需求。
此外,智能控制系统还可以实现对照明设备的状态监控,及时发现和解决故障,提高了照明设备的可靠性。
4. 安全防护在厂房照明工程中,需要充分考虑安全防护的问题。
照明设备的安装应当符合安全标准,避免发生电气和火灾事故。
此外,对于特殊环境,还需要考虑防爆和防水等特殊要求,确保照明设备的安全可靠。
四、厂房照明工程的实施在实施厂房照明工程时,需要充分考虑实际情况,遵循相关标准和规范,确保工程质量。
工业企业照明设计标准GB50034-92主编部门:中华人民共和国建设部批准部门:中华人民共和国建设部施行日期:1993年5月1日第一章总则第1.0.1条为了在工业企业照明设计中贯彻执行国家有关的技术经济政策,有利于保护视力、提高产品质量和劳动生产率,做到节约能源、技术先进、经济合理、使用安全、维修方便,特制定本标准;第1.0.2条本标准适用于工业企业中的新建、改建和扩建工程;不适用于地下建筑、地下矿井、无窗厂房等;第1.0.3条工业企业照明设计,除应遵守本标准外,尚应符合现行国家有关标准和规范的要求;第二章照明方式和照明种类第2.0.1条照明方式可分为:一般照明、分区一般照明、局部照明和混合照明;其适用原则应符合下列规定:第2.0.2条一、当不适合装设局部照明或采用混合照明不合理时,宜采用一般照明;第2.0.3条二、当某一工作区需要高于一般照明照度时,可采用分区一般照明;第2.0.4条三、对于照度要求较高,工作位置密度不大,且单独装设一般照明不合理的场所,宜采用混合照明;第2.0.5条四、在一个工作场所内不应只装设局部照明;第2.0.6条照明种类可分为:正常照明、应急照明、值班照明、警卫照明和障碍照明;其中应急照明包括备用照明、安全照明和疏散照明,其适用原则应符合下列规定:第2.0.7条一、当正常照明因故障熄灭后,对需要确保正常工作或活动继续进行的场所,应装设备用照明;第2.0.8条二、当正常照明因故障熄灭后,对需要确保处于危险之中的人员安全的场所,应装设安全照明;第2.0.9条三、当正常照明因故障熄灭后,对需要确保人员安全疏散的出口和通道,应装设疏散照明;第2.0.10条四、值班照明宜利用正常照明中能单独控制的一部分或利用应急照明的一部分或全部;第2.0.11条五、警卫照明应根据需要,在警卫范围内装设;第2.0.12条六、障碍照明的装设,应严格执行所在地区航空或交通部门的有关规定;第三章照度标准第一节一般规定第3.1.1条工业企业照明的照度标准值,应按以下系列分级:、1、2、3、5、10、15、20、30、50、75、100、150、200、300、500、750、1000、1500、2000和3000Lx;第3.1.2条照明设计标准值应为生产场所作业面上的平均照度值;第3.1.3条作业面上的照度标准值,根据工作场所和视觉作业的具体要求,应按高、中、低选取适当的标准值,一般情况下采用照度范围的中间值;第3.1.4条凡符合下列条件之一时,作业面上的照度标准值,应采用照度范围的高值:第3.1.5条一、Ⅰ~V等的视觉作业,当眼睛至识别对象的距离大于500m时;第3.1.6条二、连续长时间紧张的视觉作业,对视觉器官有不良影响时;第3.1.7条三、识别对象在活动面上,识别时间短促而辨认困难时;第3.1.8条四、视觉作业对操作安全有特殊要求时;第3.1.9条五、识别对象反射比小时;第3.1.10条六、当作业精度要求较高,且产生差错会造成很大损失时;第3.1.11条凡符合下列条件之一时,作业面上的照度标准值,应采用照度范围的低值:第3.1.12条一、进行临时性工作时;第3.1.13条二、当精度或速度无关紧要时;第二节照度标准值第3.2.1条第3.2.2条当采用高强气体放电灯作为一般照明时,在经常有人工作的工作场所,其照度标准值不宜低于50Lx;第3.2.3条混合照明中的一般照明,其照度值应按该等级混合照明照度值的5%~15%选取,不宜低于30Lx;但采用高强气体放电灯时,不宜低于50Lx;第3.2.4条对于一般生产车间和工作场所作业面上的照度标准值,可按本标准附录二采用;第3.2.5条工业企业辅助建筑的照度标准值,应符合本标准附录三的规定;第3.2.6条厂区露天工作场所和交通运输线的照度标准值,应符合本标准附录四的规定;第3.2.7条第3.2.8条表维护系数值第四章光源第4.0.1条照明光源宜采用荧光灯、白炽灯、高强气体放电灯高压钠灯、金属卤化物灯、荧光高压汞灯等;第4.0.2条当悬挂高度在4m及以下时,宜采用荧光灯;当悬挂高度在4m以上时,宜采用高强气体放电灯;当不宜采用高强气体放电灯时,也可采用白炽灯;第4.0.3条在下列工作场所的照明光源,可选用白炽灯:第4.0.4条一、局部照明的场所;第4.0.5条二、防止电磁波干扰的场所;第4.0.6条三、因光源频闪效应影响视觉效果的场所;第4.0.7条四、经常开闭灯的场所;第4.0.8条五、照度不高,且照明时间较短的场所;第4.0.9条应急照明应采用能瞬时可靠点燃的白炽灯、荧光灯等;当应急照明作为正常照明的一部分经常点燃且不需要切换电源时,可采用其它光源;第4.0.10条注:①GGY——荧光高压汞灯;DDG——镝灯;KNG——钪钠灯;NG——高压钠灯;NGX——中显色性高压钠灯;ZJD——高光效金属卤素灯;②混光光通量比系指前一种光源光通量与两种光源光通量的和之比;③辨别效果顺序:良好—中等—可以;第五章照明灯具第5.0.1条照明灯具应具有完整的光度参数,其机械、电气、防火等性能应分别符合现行国家标准灯具通用安全要求和试验和灯具外壳防护等级分类等的有关规定;第5.0.2条应优先选用配光合理、效率较高的灯具.室内开启式灯具的效率不宜低于70%;带有包合式灯罩的灯具的效率不宜低于55%;带格栅灯具的效率不宜低于50%;第5.0.3条根据工作场所的环境条件,应分别采用下列各种灯具:第5.0.4条一、在特别潮湿的场所,应采用防潮灯具或带防水灯头的开启式灯具;第5.0.5条二、在有腐蚀性气体和蒸汽的场所,宜采用耐腐蚀性材料制成的密闭式灯具;若采用开启式灯具时,各部分应有防腐蚀防水措施;第5.0.6条三、在高温场所,宜采用带有散热孔的开启式灯具;第5.0.7条四、在有尘埃的场所,应按防尘的保护等级分类来选择合适的灯具;第5.0.8条五、在装有锻锤、重级工作制桥式吊车等振动、摆动较大场所的灯具,应有防震措施和保护网,防止灯泡自动松脱与掉下;第5.0.9条六、在易受机械损伤场所的灯具,应加保护网;第5.0.10条七、在有爆炸和火灾危险场所使用的灯具,应符合现行国家标准和规范的有关规定;第5.0.11条灯具和镇流器表面的高温部位靠近可燃物时,应采取隔热、散热等防火保护措施;第5.0.12条高强气体放电灯的触发器,宜装设在靠近灯具的位置;第六章照明质量第一节眩光限制第6.1.1条第6.1.2条工业企业室内照明直接眩光的限制,宜采用附录五的亮度曲线法确定;第6.1.3条注:线状的灯从端向看遮光角为0°;第6.1.4条第6.1.5条在需要有效地限制工作面上的光幕反射和反射眩光的房间或场所,应采用如下措施:第6.1.6条一、应使视觉作业避开和远离照明光源同人眼形成的镜面反射区域;第6.1.7条二、使用发光表面面积大、亮度低、有一定上射光通量的灯具;第6.1.8条三、视觉作业和作业房间内的表面为无光泽的表面;第6.1.9条四、采用在视线方向发光强度小的特殊灯具;第二节光源颜色第6.2.1条表光源的色表类别以表类别色表特征相关色温K 适用场所举例Ⅰ暖<3300 车间局部照明、工厂辅助生活设施等Ⅱ中间3300~5300 除要求使用冷色、暖色以外的各类车间Ⅲ冷>5300 高照度水平、热加工车间等第6.2.2条表光源的一般显色指数类别显色类别一般显色指数范围适用场所举例ⅠA Ra≥90 颜色匹配、颜色检验等B 90>Ra≥80 印刷、食品分检、油漆等Ⅱ80>Ra≥60 机电装配、表面处理、控制室等Ⅲ60>Ra≥40 机械加工、热处理、铸造等Ⅳ40>Ra≥20 仓库、大件金属库等第6.2.3条第6.2.4条当采用混光照明时,应避免在地面和空间产生不均匀的色斑;第三节照度均匀度第6.3.1条作业区域的一般照明照度均匀度,不宜小于;第6.3.2条工作场所内走道和非作业区域的一般照明照度,不宜小于作业区域一般照明照度的1/5;第6.3.3条表工作房间表面的反射比第七章照明供电第7.0.1条灯的端电压一般不宜高于其额定电压的105%,亦不宜低于其额定电压的下列数值:第7.0.2条一、一般工作场所为95%;第7.0.3条二、露天工作场所、远离变电所的小面积工作场所的照明难于满足95%时,可降到90%;第7.0.4条三、应急照明、道路照明、警卫照明及电压为12~42V的照明为90%;第7.0.5条对于容易触及而又无防止触电措施的固定式或移动式灯具,其安装高度距地面为及以下,且具有下列条件之一时,其使用电压不应超过24V;第7.0.6条一、特别潮湿的场所;第7.0.7条二、高温场所;第7.0.8条三、具有导电灰尘的场所;第7.0.9条四、具有导电地面的场所;第7.0.10条在工作场所的狭窄地点,且作业者接触大块金属面,如在锅炉、金属容器内等,使用的手提行灯电压不应超过12V;第7.0.11条在42V及以下安全电压的局部照明的电源和手提行灯的电源,输入电路与输出电路必须实行电路上的隔离;第7.0.12条为减小冲击电压波动和闪变对照明的影响,宜采取下列措施:第7.0.13条一、较大功率的冲击性负荷或冲击性负荷群与照明负荷,分别由不同的配电变压器或照明专用变压器供电;第7.0.14条二、当冲击性负荷和照明负荷共用变压器供电时,照明负荷宜用专线供电;第7.0.15条建筑物照明电源线路的进户处,应装设带有保护装置的总开关;第7.0.16条由公共低压电网供电的照明负荷,线路电流不超过30A时,可用220V单相供电,否则,应以220/380V三相四线供电;第7.0.17条室内照明线路,每一单相分支回路的电流,一般情况下不宜超过15A,所接灯头数不宜超过25个,但花灯、彩灯、多管荧光灯除外;插座宜单独设置分支回路;第7.0.18条对高强气体放电灯的照明,每一单相分支回路的电流不宜超过30A,并应按启动及再启动特性,选择保护电器和验算线路的电压损失值;第7.0.19条对气体放电灯供电的三相四线照明线路,其中性线截面应按最大一相电流选择;第7.0.20条应急照明的电源,应区别于正常照明的电源;不同用途的应急照明电源,应采用不同的切换时间和连续供电时间;应急照明的供电方式,宜按下列之一选用:第7.0.21条一、独立于正常电源的发电机组;第7.0.22条二、蓄电池;第7.0.23条三、供电网络中有效地独立于正常电源的馈电线路;第7.0.24条四、应急照明灯自带直流逆变器;第7.0.25条五、当装有两台及以上变压器时,应与正常照明的供电干线分别接自不同的变压器;第7.0.26条六、仅装有一台变压器时,应与正常照明的供电干线自变电所的低压屏上或母线上分开;当建筑物内未设变压器时,则在建筑物电源线进户处与正常照明回路分开,并不得与正常照明共用一个总开关;第7.0.27条注:重要场所的应急照明供电方式,应按上述一至四项之一选用;第7.0.28条应急照明作为正常照明的一部分同时使用时,应有单独的控制开关;应急照明不作正常照明的,一部分同时使用时,当正常照明因故停电,应急照明电源宜自动投入;第7.0.29条在气体放电灯的频闪效应对视觉作业有影响的场所,其同一或不同一灯具的相邻灯管灯泡宜分别接在不同相位的线路上;第7.0.30条厂区道路照明除回路应有保护装置外,每个灯具宜有单独保护装置;第7.0.31条对气体放电灯宜采用电容补偿,以提高功率因数;装有单独补偿电容的灯具应装设保护装置,其值应按改善功率因数后的电流进行整定;第八章照明节能第8.0.1条照明设计节能的基本原则,应是保证不降低作业的视觉要求,最有效地利用照明用电;第8.0.2条高大厂房中宜采用高光效、长寿命的高强气体放电灯及其混光照明,除特殊情况外,不宜采用卤钨灯、白炽灯、自镇流式荧光高压汞灯;第8.0.3条照明设计应选用效率高、利用系数高、配光合理、保持率高的灯具;在保证照明质量的前提下,应优先采用开启式灯具,并应少采用装有格栅、保护罩等附件的灯具;第8.0.4条根据视觉作业要求,确定合理的照度标准值,选用合适的照明方式,并符合下列规定:第8.0.5条一、要求照度标准值较高的场所,可增设局部照明;第8.0.6条二、在同一照明房间内,当工作区的某一部分或几个部分需要高照度时,可采用分区一般照明方式;第8.0.7条 室内顶棚、墙面和地面宜采用浅颜色的装饰;第8.0.8条 在工业企业的车间、宿舍和住宅,照明用电均应单独计量;第8.0.9条 大面积使用气体放电灯的场所,宜装设补偿电容器,功率因数不应低于; 第8.0.10条 对照明线路、开关及控制宜采取下列措施: 第8.0.11条 一、室内照明线路宜分细,多设开关,位置适当; 第8.0.12条 二、近窗的灯具单设开关,充分利用天然光; 第8.0.13条 三、车间内按工段分区设置开关;第8.0.14条 工业企业建筑照明的节能指标当条件允许时,可采用节能效益比ER 衡量,节能效益比ER 宜大于或等于1,其值应按下式计算: 第8.0.15条 21e e ER第8.0.16条 式中e 1——目标效能值W/m 2 100lx 、e 2——实际效能值W/m 2 100lx 第8.0.17条 式中e 1——目标效能值可按本标准附录六选取; 第8.0.18条 道路照明和户外照明节能措施,应符合下列规定: 第8.0.19条 一、户外照明和道路照明,均宜采用高压钠灯; 第8.0.20条 二、户外照明宜采用自动控制;第8.0.21条 三、道路照明宜分组布置,宜采用半夜节能控制方式;附录一 名词解释附录二一般生产车间和作业场所工作面上的照度标准值附表一般生产车间和作业场所工作面上的照度标准值注:①冲压剪切车间、铸工车间手工造型工段、锅炉房及煤气部操作层为了安全起见,照度应选最高值;②加“”号者,表示被照面的计算高度为零;附录三工业企业辅助建筑照度标准值附表工业企业辅助建筑照度标准值附录四厂区露天作业场所和交通运输线的照度标准值附录五亮度曲线法室内照明的直接眩光,宜采用附图或附图中的亮度曲线,限制灯具在眩光区的亮度值;眩光区见附图;应用方法:一、根据灯具的类型及安装方式选择图解:若灯具无发光侧边或有发光侧边从端部看时用附图;若灯具有发光侧边但不包括有发光侧边从端部看时用附图;二、根据设计场所的照明质量等级和照度标准值选择相应的限制曲线;三、灯具在某个方向上的亮度值,由该方向的平均光强除以发光面在该方向上的投影面积得出;四、将计算的灯具亮度值画在选择好的图中与相应的亮度曲线比较,若灯具亮度低于限制曲线亮度,即灯具亮度曲线在限制曲线左边,则眩光的限制满足要求;若灯具亮度高于限制曲线亮度,即灯具亮度曲线在限制曲线右边,则此灯具不能满足该场所眩光限制的要求;若灯具亮度曲线与限制曲线相交,则必须保证室内主要观察方向上的灯具亮度低于限制亮度;使用上述亮度曲线法时,必须分别考虑灯具在附图两个主要方位上的亮度分布;附录六 室内照明目标效能值建议性一、室内照明的室空间比应按下式计算:LWW L h RCR )(5+=附式中RCR ——室空间比; h ——灯具悬挂高度m ; L ——室内长度m ; W ——室内宽度m;二、室内照明目标效能值应按下式计算: 2211e K K e = 附 式中e 1——目标效能值e 2——实际效能值,按附表取值K 1——维护系数修正值,污染严重时取,除此之外取1; K 2——光源效率修正值;三、当单灯使用功率低于400W 或混光光源功率低于650W 时,光源效率修正值应按下列情况取值:中显色性高压钠灯,镝灯,荧光高压汞灯与高压钠灯混光为1~;高光效金属卤素灯,钪钠灯,钪钠灯与中显色性高压钠灯混光,高光效金属卤素灯与中显色性高压钠灯混光,高光效金属卤素灯与高压钠灯混光,钪钠灯与高压钠灯混光为1~; 附表室内照明目标效能值注:表中数据除辅助建筑及公共建筑栏内的灯具外,均为不带格栅开启式灯具;。
工厂照明系统课程设计一、教学目标本课程旨在让学生了解和掌握工厂照明系统的相关知识,包括照明设备的选择、照明电路的设计和维护等。
通过本课程的学习,学生将能够:1.描述工厂照明系统的基本组成部分及其作用。
2.分析不同类型的照明设备及其适用场景。
3.设计简单的照明电路,并能够进行基本的故障排查。
4.了解工厂照明系统的节能方法和维护技巧。
二、教学内容本课程的教学内容主要包括以下几个部分:1.工厂照明系统的基本概念:介绍工厂照明系统的定义、作用及其在生产中的应用。
2.照明设备的选择:讲解不同类型的照明设备(如荧光灯、白炽灯、LED灯等)的性能特点和适用场景。
3.照明电路的设计:教学照明电路的基本原理,包括电路元件的选择、电路图的绘制等。
4.照明系统的维护与节能:介绍照明系统的日常维护方法,以及如何通过改造和优化减少能耗。
三、教学方法为了提高学生的学习兴趣和主动性,本课程将采用多种教学方法:1.讲授法:用于讲解基本概念、原理和方法。
2.案例分析法:通过分析实际案例,使学生更好地理解和应用所学知识。
3.实验法:安排实验室实践环节,让学生亲自动手进行照明电路的设计和搭建。
4.讨论法:鼓励学生在课堂上提问、发表观点,促进师生互动。
四、教学资源为了支持教学内容和教学方法的实施,我们将准备以下教学资源:1.教材:选用权威、实用的教材,为学生提供系统的学习材料。
2.参考书:提供相关的参考书籍,拓展学生的知识视野。
3.多媒体资料:制作精美的PPT、视频等多媒体资料,提高学生的学习兴趣。
4.实验设备:准备充足的实验设备,确保每个学生都能动手实践。
五、教学评估为了全面、客观地评估学生的学习成果,我们将采取以下评估方式:1.平时表现:通过观察学生在课堂上的参与度、提问和回答问题的情况,评估其对知识的掌握程度。
2.作业:布置适量的作业,要求学生独立完成,以检验其对课堂所学知识的理解和应用能力。
3.实验报告:对学生实验环节的表现进行评估,包括实验操作的准确性、实验结果的分析等。
工厂照明应遵循下列一般原则进行设计;1.照明方式的选择1对于照度要求较高,工作位置密度不大,单独采用一般照明不合理的场所宜采用混合照明;2对作业的照度要求不高,或当受生产技术条件限制,不适合装设局部照明,或采用混合照明不合理时,宜单独采用一般照明;3当某一工作区需要高于一般照明照度时可采用分区一般照明;4当分区一般照明不能满足照度要求时应增设局部照明;5在工作区内不应只装设局部照明;2.照度标准工厂照明设计的照度值应根据国家标准GB 50034--2004建筑照明设计标准的规定选取;该标准规定了十六大类工业建筑的一般照明的照度值;各类工厂更为具体的工作场所的照度标准还应按相关行业的规定;3.照明质量照明质量是衡量工厂照明设计优劣的标志;它主要包括以下内容:1选用效率高和配光曲线合适的灯具;根据灯具在厂房房架上悬挂高度按室形指数尺,值选取不同配光的灯具;当RI=0.5~0.8时,宜选用窄配光灯具;当RI=0.8~1.65时,宜选用中配光灯具;当RI=1.65~5时,宜选用宽配光灯具;2选用色温适当和显色指数符合生产要求的照明光源;3达到规定的照度均匀度:作业区域内一般照明照度均匀度不应小于0.7,作业区邻近周围的照度均匀度不应小于0.5;4满足照明直接眩光限制的质量要求:统一眩光值UGR按GB 50034-2004之规定;即一般允许值为22,精细加工值为19;5采取措施减小电压波动、电压闪变对照明的影响和防止频闪效应;6照明装置应在允许的工作电压下工作,在采用和高压钠灯的场所应采用补偿电容器,以提高其功率因数;4.工业照明光源选择光源应根据生产工艺的特点和要求选择;照明光源宜采用无极灯祥情请参照此词条、三基色细管径直管荧光灯、金属卤化物灯或高压钠灯;光源点距地高度在4m及以下时宜选用无极灯和细管荧光灯;高度较高的厂房6m以上可采用无极灯和金属卤化物灯,无显色要求的可用高压钠灯;无极灯:1. 灯具要频繁开关、瞬时启动的场所;2. 有行车作业,需要避免产生眩光的场所;3. 用灯时间长,用电量大,需要节能、节电、省钱的场所;4. 需要严格识别颜色的场所如光谱分析室、化学实验室等;白炽灯:1对防止电磁干扰要求严格的场所;2开关灯频繁的场所;3照度要求不高,照明时间较短的场所;4局部照明及临时使用照明的场所;在需要严格识别颜色的场所如光谱分析室、化学实验室等宜采用高显色三基色荧光灯;大功率火箭炮节能灯:1 灯具要频繁开关、瞬时启动的场所;2 厂房高度在10米以下,最好为4-8米;3 用电量大,需要节能、节电、省钱的场所;4 灯具使用寿命较长,一般为3-5年;5需要较逼真的场所如精密机械、光谱分析室、化学实验室等;陶瓷金卤灯:1 厂房高度在10米以上;2 对光照要求比较高的场所;3用电量大,需要节能、节电、省钱的场所;4需要较逼真的场所如精密机械、光谱分析室、化学实验室等;5.灯具选择工厂照明用灯具应按环境条件、满足工作和生产条件来选择,并适当注意外形美观,安装方便和与建筑物的协调,以做到技术经济合理;6.照度计算厂房照明设计常用利用系数法进行照度计算;对某些特殊地点或特殊设备的水平面、垂直面或倾斜面上的某点,当需计算其照度值时可采用逐点法进行计算;7.工厂照明线路的敷设方式厂房照明支线一般采用绝缘导线沿或跨屋架用绝缘子或瓷柱明敷的方式;当大跨度厂房屋面结构采用网架型式时,除上述方式外,还可采用绝缘导线或电缆穿钢管沿网架敷设;爆炸和火灾危险性厂房的照明线路一般采用铜芯绝缘导线穿水煤气钢管明敷;在受化学性酸、碱、盐雾腐蚀物质影响的地方可采用穿硬塑料管敷设;根据具体情况,在有些场所也可采用线槽或专用照明母线吊装敷设;照明方式照明方式可分为:一般照明、分区一般照明、局部照明和混合照明;其适用原则应符合下列规定:一、当不适合装设局部照明或采用混合照明不合理时,宜采用一般照明;二、当某一工作区需要高于一般照明照度时,可采用分区一般照明;三、对于照度要求较高,工作位置密度不大,且单独装设一般照明不合理的场所,宜采用混合照明;四、在一个工作场所内不应只装设局部照明;照明种类可分为:正常照明、应急照明、值班照明、警卫照明和障碍照明;其中应急照明包括备用照明、安全照明和疏散照明,其适用原则应符合下列规定:一、当正常照明因故障熄灭后,对需要确保正常工作或活动继续进行的场所,应装设备用照明;二、当正常照明因故障熄灭后,对需要确保处于危险之中的人员安全的场所,应装设安全照明;三、当正常照明因故障熄灭后,对需要确保人员安全疏散的出口和通道,应装设疏散照明;四、值班照明宜利用正常照明中能单独控制的一部分或利用应急照明的一部分或全部;五、警卫照明应根据需要,在警卫范围内装设;六、障碍照明的装设,应严格执行所在地区航空或交通部门的有关规定;选择灯具在按环境条件选择灯具的型式时,需注意环境温度、湿度、振动、污秽、尘埃、腐蚀、有爆炸和火灾危险介质等情况;以下分三种环境条件来选择灯具;一、一般性工业厂房的灯具选择1在正常环境中采暖或非采暖场所一般采用开启式灯具;2含有大量尘埃,但无爆炸和火灾危险的场所,选用与灰尘量值相适应的灯具;多尘环境中灰尘的量值用在空气中的浓度mg/m3或沉降量mg/m2·d来衡量;对于一般多尘环境,宜采用防尘型IPSX级灯具;对于多尘环境或存在导电性灰尘的一般多尘环境,宜采用尘密型IP6X级灯具;对导电纤维如碳素纤维环境应采用IP65级灯具;对于经常需用水冲洗的灯具应选用不低于IP65级灯具;无尘室是工厂内部需要严格控制环境条件的区域;照明的主要作用是使工作活动清晰可见,从而形成安全、舒适、有效的工作条件;简介照明系统不能干扰生产过程,也不能影响该区域清洁空气的流动;该系统必须易于维护;大面积的无尘室主要建立在半导体工业、电子工业、计算机工业和航空工业等领域;在医药、食品和饮料业也会使用到生物无尘室;照明方案在无尘室中出现错误,后果是极为严重的,因此就要求较高的照明等级;如果对光谱没有特殊要求的话,应当使用高显色性的中性白光;对于局部照明也应该有相同的要求,并要更好的避免眩光;给定灰尘等级的照明系统主要取决于空气处理的要求;荧光灯的高显色性可以很好的适用于这种应用;在光源较宽的色温范围中,可以很容易的选择所需的色温;用于严格要求的无尘室的灯具:细线电缆严格要求下的无尘室为了维持所需环境必须严格控制气流;因此任何气流的改变都是应该避免的;大面积的隐藏灯具或者表面布灯都应该予以避免;灯具必需尽可能的细,宽度小于悬顶支架之间的距离;在这种照明中,使用带聚碳酸漫射屏的侏罗纪泪珠灯具系列;在无尘室设计中采用更加直接、经济的方法是选择只有细线电缆架的侏罗纪简式136W板条灯具;尽管标准的荧光灯可以作为一个眩光源,但是这可以通过在灯具内加反射器:ZLL来加以控制;以上这些可以提高约15%的照明效率;中等灰尘度时无尘室的灯具:隐藏式灯具在无尘室要求中等灰尘度1000或者更高时,可以使用隐藏式灯具;无论安装封闭式灯具还是开放式灯具,都应该保证空气通过滤光器而不通过灯具;为了避免妨碍操作系统,设计简洁也是很重要的;应当注意仔细的使用正确灯具以避免眩光,保证良好的照明效果;照度标准1,工业企业照明的照度标准值,应按以下系列分级:0.1、1、2、3、5、10、15、20、30、50、75、100、150、200、300、500、750、1000、1500、2000和3000Lx;2,照明设计标准值应为生产场所作业面上的平均照度值;3,作业面上的照度标准值,根据工作场所和视觉作业的具体要求,应按高、中、低选取适当的标准值,一般情况下采用照度范围的中间值;4,凡符合下列条件之一时,作业面上的照度标准值,应采用照度范围的高值:5,凡符合下列条件之一时,作业面上的照度标准值,应采用照度范围的低值:一、进行临时性工作时;二、当精度或速度无关紧要时;。
工厂车间照明课程设计一、课程目标知识目标:1. 学生能够理解工厂车间照明的基本概念,掌握照明系统的组成及工作原理。
2. 学生能够掌握照明设计的基本原则,了解不同车间环境对照明需求的影响。
3. 学生能够了解工厂车间照明节能措施及照明设备维护保养知识。
技能目标:1. 学生能够运用所学知识,分析工厂车间照明需求,提出合理的照明设计方案。
2. 学生能够运用照明计算公式,计算车间所需照度,并选择合适的照明设备。
3. 学生能够运用照明设计软件,进行简单照明工程的设计与施工图纸绘制。
情感态度价值观目标:1. 学生能够认识到工厂车间照明在提高生产效率、保障员工安全等方面的重要性,增强安全意识。
2. 学生能够关注照明节能,培养节能环保意识,养成良好的节能习惯。
3. 学生通过课程学习,培养团队协作精神,提高沟通表达能力。
课程性质:本课程为应用实践性课程,以理论学习为基础,注重实践操作能力的培养。
学生特点:学生具备一定的物理知识基础,对实际工程问题有一定的兴趣和探究欲望。
教学要求:教师应结合实际案例,运用多媒体教学手段,激发学生兴趣,引导学生主动参与课堂讨论与实践活动,提高学生的综合应用能力。
同时,注重培养学生的安全意识和节能意识,将课程目标分解为具体的学习成果,便于教学设计和评估。
二、教学内容1. 照明基本概念:光源、照度、光色、显色性等。
2. 照明系统组成:灯具、光源、控制器、配电系统等。
3. 照明原理:光的传播、反射、折射、散射等。
4. 照明设计原则:均匀性、舒适性、安全性、节能性等。
5. 车间照明需求分析:不同车间环境对照度、光色、显色性的要求。
6. 照明计算方法:利用照度公式进行车间照明计算。
7. 照明设备选择:根据计算结果选择合适的灯具和光源。
8. 照明设计软件应用:使用软件进行照明设计和施工图纸绘制。
9. 照明节能措施:采用高效节能光源、智能控制系统等。
10. 照明设备维护保养:日常检查、清洁、更换光源等。
第1篇一、项目背景随着我国经济的快速发展,工业生产规模不断扩大,工厂照明作为保障生产安全和提高生产效率的重要环节,其重要性日益凸显。
本方案旨在为上海某工厂提供一套科学、高效、节能的照明工程解决方案,以满足工厂生产、安全、环保等方面的需求。
二、工程概述1. 工程名称:上海工厂照明工程2. 工程地点:上海市XX区XX工厂3. 工程规模:占地面积约XX万平方米,建筑面积约XX万平方米4. 工程内容:包括室内照明、室外照明、道路照明、应急照明等5. 工程目标:实现照明系统的高效、节能、安全、舒适,提高生产效率,降低运营成本三、照明设计原则1. 安全性:确保照明系统在各种情况下均能满足安全生产要求。
2. 舒适性:创造良好的视觉环境,减少视觉疲劳,提高工作效率。
3. 节能性:采用节能灯具和节能技术,降低能耗,减少运营成本。
4. 经济性:在满足照明需求的前提下,尽量降低工程投资。
5. 可靠性:保证照明系统长期稳定运行。
四、照明设计内容1. 室内照明(1)照明方式:根据不同功能区采用不同的照明方式,如一般照明、局部照明、混合照明等。
(2)灯具选择:根据照明需求、空间环境等因素选择合适的灯具,如LED灯具、荧光灯具、高压钠灯等。
(3)照度标准:根据GB50034-2004《建筑照明设计标准》及相关行业规范确定照度标准。
(4)照明控制:采用智能照明控制系统,实现分时、分区、分组控制,提高照明效率。
2. 室外照明(1)照明方式:采用泛光照明、投光照明、轮廓照明等。
(2)灯具选择:根据环境特点选择合适的灯具,如LED灯具、高压钠灯、金属卤化物灯等。
(3)照度标准:根据GB50034-2004《建筑照明设计标准》及相关行业规范确定照度标准。
(4)照明控制:采用智能照明控制系统,实现分时、分区控制,提高照明效率。
3. 道路照明(1)照明方式:采用路灯照明。
(2)灯具选择:根据道路特点选择合适的灯具,如LED路灯、高压钠灯路灯等。
工厂电气照明设计计算
首先,工厂的电气照明设计需要考虑工厂的照明需求。
根据工厂不同区域的用途和工作环境,确定照明等级和照明布局。
一般来说,生产车间和装配区等工作区域需要较高的照明等级,而仓库和通道等非工作区域可以采用较低的照明等级。
在确定照明布局时,要考虑到照明灯具的位置和数量,并合理安排,以避免照明的盲点和死角。
其次,工厂电气照明设计需要根据实际情况计算照明功率。
对于不同区域的照明设备,需要根据所需的照度计算其功率。
一般来说,工作区域的照度需求较高,而非工作区域的照度需求较低。
照度是指单位面积上的光通量,可以用勒克斯(lux)表示。
通过照度的要求,可以推导出所需的光通量,然后根据光源的效率,计算出所需的功率。
另外,工厂电气照明设计还需要考虑工厂的能源节约。
为了实现能源的节约,可以采用节能灯具和智能控制系统。
节能灯具包括LED灯和荧光灯等,它们具有较高的光效和长寿命,能够达到较高的能源利用率。
智能控制系统可以根据实际照明需求,自动调节灯具的亮度和开关状态,以达到节约能源的目的。
最后,工厂电气照明设计还需要考虑电气安装和线缆敷设。
为了确保照明系统的正常运行,需要合理规划电气布线和安装灯具,同时还需要考虑电气设备的容量和负荷平衡,以避免电气故障和安全隐患。
在实际的工厂电气照明设计计算中,还需要考虑诸如环境温度、维护保养等因素。
通过对这些因素的综合考虑,可以制定出合理的电气照明设计方案,以满足工厂的照明需求和能源节约的要求。
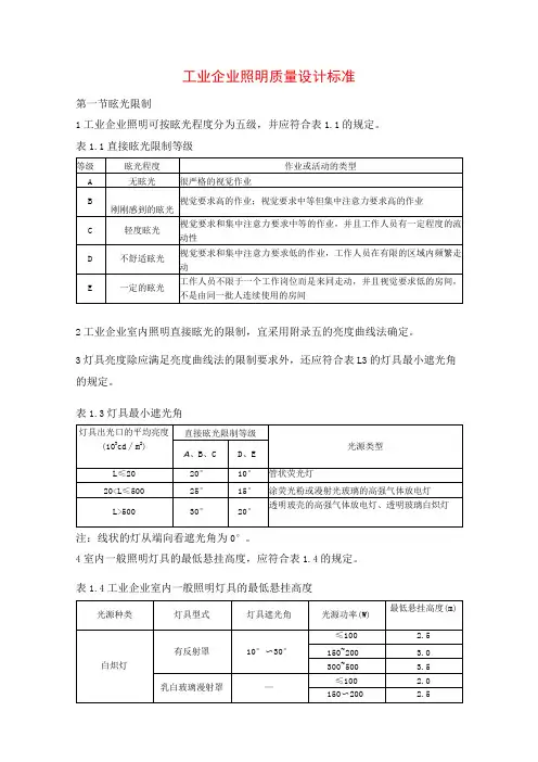
工业企业照明质量设计标准第一节眩光限制1工业企业照明可按眩光程度分为五级,并应符合表1.1的规定。
表1.1直接眩光限制等级2工业企业室内照明直接眩光的限制,宜采用附录五的亮度曲线法确定。
3灯具亮度除应满足亮度曲线法的限制要求外,还应符合表L3的灯具最小遮光角的规定。
表1.3灯具最小遮光角注:线状的灯从端向看遮光角为0°。
4室内一般照明灯具的最低悬挂高度,应符合表1.4的规定。
表1.4工业企业室内一般照明灯具的最低悬挂高度5在需要有效地限制工作面上的光幕反射和反射眩光的房间或场所,应采用如下措施:a.应使视觉作业避开和远离照明光源同人眼形成的镜面反射区域;b.使用发光表面面积大、亮度低、有一定上射光通量的灯具;c.视觉作业和作业房间内的表面为无光泽的表面;d.采用在视线方向发光强度小的特殊灯具。
第二节光源颜色1室内照明光源的色表可按其相关色温分成三类,其光源色表类别宜按表2.1确定。
表2.1光源的色表类别2根据视觉作业对颜色辨别的要求,选用不同显色性的光源。
光源的一般显色指数类别,宜按表2.2确定。
3对颜色识别有要求的工作场所,当使用照度在500LX及以下,采用光源的显色指数较低时,宜提高其照度标准值,其提高值为表3.2.1的照度标准值乘以表2.3中的相对照度系数值。
4第三节照度均匀度1作业区域的一般照明照度均匀度,不宜小于0.7。
2工作场所内走道和非作业区域的一般照明照度,不宜小于作业区域一般照明照度的l∕503在长时间连续作业的房间内,其表面反射比宜按表4.1确定。
表4.1工作房间表面的反射比。
厂房照明标准在厂房照明设计中,合理的照明标准对于提高生产效率、保障员工健康和安全具有至关重要的作用。
因此,我们需要了解并遵守相关的厂房照明标准,以确保厂房照明的质量和效果。
首先,厂房照明的亮度标准是非常重要的。
根据国家标准,一般情况下,厂房车间的照度应不低于300lux。
对于一些需要精细操作的工作区域,如装配线、检验台等,照度应在500lux以上。
而对于储存区域和一般通道,照度可以适当低一些,但也不应低于150lux。
在确定照明亮度时,需要充分考虑工作场所的特点和实际需求,以确保照明亮度能够满足工作的需要。
其次,照明的均匀性和无影区也是需要考虑的标准之一。
在厂房照明设计中,需要确保照明光线的均匀分布,避免出现强光和弱光交替的情况,以免对员工的视觉造成不适。
此外,需要注意避免出现明显的无影区,特别是在工作区域和机器设备周围,以确保员工的安全和工作效率。
另外,照明的色温和色彩还是需要符合标准的。
一般情况下,厂房照明应选择色温较高的白光照明,以提高员工的视觉舒适度和工作效率。
此外,需要避免选择色彩过于刺眼或者造成视觉疲劳的照明灯具,以保障员工的视觉健康。
此外,关于照明设备的选择和安装也是需要遵守的标准之一。
在选择照明设备时,需要考虑其能耗、寿命、光效等因素,并选择符合国家标准的产品。
在安装照明设备时,需要遵循相关的安装规范,确保设备的稳固和安全,避免出现安全隐患。
最后,对于厂房照明的维护和管理也是需要重视的标准之一。
一旦照明设备出现故障或者老化,需要及时更换和维修,以确保照明效果的持续稳定。
同时,需要建立健全的照明管理制度,加强对照明设备的定期检查和维护,以延长设备的使用寿命,提高照明效果。
总之,厂房照明标准是保障厂房照明效果和员工健康安全的重要依据。
只有严格遵守相关标准,才能确保厂房照明的质量和效果。
希望各位在进行厂房照明设计和管理时,能够严格遵守相关标准,确保厂房照明的质量和效果,为企业的生产和员工的健康安全提供保障。
工厂照明设计方案工厂照明设计方案为了提高工厂生产效率,提供良好的工作环境,工厂照明设计至关重要。
下面,我们将提出一个基于节能照明原则的工厂照明设计方案。
一、照明系统设计1. 主照明:主照明系统使用节能型荧光灯作为照明源,在工厂内定期布置于顶棚上,并采用适当的辐射角度和灯具分布,确保光线均匀分布,减少光照不足或过强的问题,从而避免工人的眼睛建立眼睛疲劳和生产事故的发生。
2. 辅助照明:在需要更强的光照度的区域,如工作台、装配线或检验区,可以使用独立的辅助照明系统来提供更高亮度的光源。
可以采用LED灯作为辅助照明,其节能效果更好,亮度更高。
二、灯具选择1. 节能型荧光灯:使用电子镇流器,这种灯具不仅在节能方面效果好,而且寿命更长,亮度更稳定。
在工厂中选择颜色温度为5000K的冷白光荧光灯,可以提高工人的警觉性和工作效率。
2. LED灯:对于需要大量光照的区域,如仓库、停车场或工厂外部,可以使用LED灯。
这种灯具不仅节能效果明显,而且寿命更长,亮度更高,光散射更广。
三、照明控制1. 光线感应开关:在工厂的过道或低光照度区域,可以安装光线感应开关,当光线不足时自动开启灯光,有助于工人的安全和工作效率。
2. 定时开关:在不需要连续照明的区域,如仓库或停车场,可以设置定时开关,根据工作时间和人员流量来控制照明。
这样可以避免不必要的能源浪费。
四、节能措施1. 使用电子镇流器:电子镇流器比传统磁性镇流器具有更高的效率,可以降低能源消耗,减少灯具的功耗。
2. 定期清洁和维护:定期清洁和维护灯具,保持灯具的清洁和亮度,以最大限度地保持照明效果和寿命。
3. 合理布局:在设计工厂照明时,应考虑到工作区的特点和需要,并合理布置灯具。
以上是一个基于节能照明原则的工厂照明设计方案。
通过有效的照明系统设计和合理的灯具选择,可以提高工人的工作效率和安全性,同时实现节能减排。
引言概述:工厂照明设计是工厂运行过程中非常重要的一环。
合理的照明设计方案可以提高工厂的运行效率,改善工人的工作环境,保障工作安全。
在本文中,我们将详细探讨工厂照明设计方案的相关内容。
正文内容:一、光源选择1.良好的照明效果:选择高品质的光源,如LED灯,能够提供均匀、柔和的光线,提高工作区域的照明效果。
2.节能环保:LED灯具有高光效、长寿命的特点,能够节省能源并降低二氧化碳的排放量。
二、光照度要求1.根据工厂不同区域的功用性质,确定适当的光照度要求。
例如,生产工位需要较高的光照度以确保工人的工作安全和生产质量,而仓库区域需要较低的光照度。
2.根据工厂的工艺要求和工人的视觉需求,合理调配不同区域的光照度,提高工作效率和质量。
三、光线色温选择1.根据工作区域的性质和工人的工作需求,选择适当的光线色温。
一般来说,纯白色光对于细致的工作有很好的视觉效果,而暖白色光适合营造温馨舒适的办公环境。
2.进行色温搭配,根据不同区域的要求,配备不同色温光源,提高工人工作的效率和舒适度。
四、光线分布设计1.根据工作区域的形状和尺寸,合理设计光线的分布。
采用均匀且充足的光照,消除死角和盲区,提高工人的工作体验。
2.结合建筑结构和设备布局,采用直射照明和间接照明相结合的方式,使光线更加均匀分布,并满足安全和效果需求。
五、光线调光方案1.针对不同的工厂运行情况和场景需要,设计可调光方案。
可以通过调节光源的亮度,合理控制照明强度,满足不同工人的个体需求。
2.结合自动化控制系统,实现智能调光,根据光照需求和时间要求,自动调节照明亮度,提高能源利用效率。
总结:工厂照明设计方案是个复杂而又关键的问题。
通过选择合适的光源,确定适当的光照度要求,调节光线色温,设计合理的光线分布和调光方案,能够有效改善工厂的工作环境和工人的工作效率,提高工厂的运行效益。
因此,科学、合理的工厂照明设计方案对于工厂的正常运行和员工的健康至关重要。
工厂照明设计范围
工厂是生产既定产品的场所,一般由厂房,办公及其他附属用房,各类户外装置,站、场、道路等组成。
工厂照明设计范围包括室内照明,户外装置照明,站、场照明,地下照明,道路照明,警卫照明,障碍照明等。
(1)室内照明:厂房内部照明及办公等附属用房内部照明。
(2)户外装置照明:为户外各种装置而设置的照明。
例如造船工业的露天作业场,石油化工企业的釜、罐、反应塔、建材企业的回转窑、皮带通廊,冶金企业的高炉炉体、走梯、平台,动力站的煤气柜,总降压变电站的户外变、配电装置,户外式水泵站冷却架(塔)和户外式通风除尘设备等的照明。
(3)站场照明:车站、铁道编组站、停车场、露天堆场等设置的照明
(4)地下照明:地下室、电缆隧道、综合管廊及坑道内的照明。
(5)道路照明:工厂厂区公路及其他道路的照明。
(6)警卫照明:沿厂区周边及重点场所周边警卫区设置的照明。
(7)障碍照明:厂区内设有特高的建、构筑物,如烟肉等,根据地区航空条件,按有关规定需要装设的标志照明。
工厂照明系统设计要求工厂照明必须满足生产和检验的需要,厂房的照明系统通常分为高大厂房和一般厂房用两类。
高度在15m以上的高大厂房,一般照明采用气体放电灯作光源,采用较窄光束的灯具(如深照型工厂灯)吊装在屋架下弦。
墙上和柱上可设投光灯,两者结合以保证工作面上所需照度。
一般性厂房,可以采用荧光灯为主要光源,灯具布置可以与梁垂直,也可与梁平行。
工厂照明应遵循下列一般原则进行设计。
1•照明方式的选择(1)对于照度要求较高,工作位置密度不大,单独采用一般照明不合理的场所宜采用混合照明。
(2)对作业的照度要求不高,或当受生产技术条件限制,不适合装设局部照明,或采用混合照明不合理时,宜单独采用一般照明。
(3)当某一工作区需要高于一般照明照度时可采用分区一般照明。
(4)当分区一般照明不能满足照度要求时应增设局部照明。
(5)在工作区内不应只装设局部照明。
2•照度标准工厂照明设计的照度值应根据国家标准GB5003—2004《建筑照明设计标准》的规定选取。
该标准规定了十六大类工业建筑的一般照明的照度值。
各类工厂更为具体的工作场所的照度标准还应按相关行业的规定。
3•照明质量是衡量工厂照明设计优劣的标志。
它主要包括以下内容:(1)选用效率高和配光曲线合适的灯具。
根据灯具在厂房房架上悬挂高度按室形指数RI值选取不同配光的灯具。
当RI=0.5〜0.8时,宜选用窄配光灯具;当RI=0.8〜1.65时,宜选用中配光灯具;当RI=1.65〜5时,宜选用宽配光灯具。
(2)选用色温适当和显色指数符合生产要求的照明光源。
(3)达到规定的照度均匀度:作业区域内一般照明照度均匀度不应小于0.7,作业区邻近周围的照度均匀度不应小于0.5。
(4)满足照明直接眩光限制的质量要求:统一眩光值( UGR按GB5003—2004之规定。
即一般允许值为22,精细加工值为19。
(5)采取措施减小电压波动、电压闪变对照明的影响和防止频闪效应。
(6)照明装置应在允许的工作电压下工作,在采用金属卤化物灯和高压钠灯的场所应采用补偿电容器,以提高其功率因数。
工厂照明设计的一般要求工厂照明应遵循下列一般原则进行设计。
1.照明方式的选择(1)对于照度要求较高,工作位置密度不大,单独采用一般照明不合理的场所宜采用混合照明。
(2)求,或当受生产技术条件限制,不适合装设局部照明,或采用混合照明不合理时,宜单独采用一般照明。
(3)当某一工作区需要高于一般照明照度时可采用分区一般照明。
(4)当分区一般照明不能满足照度要求时应增设局部照明。
(5)在工作区内不应只装设局部照明。
2.照度标准工厂照明设计的照度值应根据国家标准GB50034-2004《建筑照明设计标准》的规定选取。
该标准规定了十六大类工业建筑的一般照明的照度值。
详见本手册第二章。
各类工厂更为具体的工作场所的照度标准还应按相关行业的规定。
3.照明质量照明质量是衡量工厂照明设计优劣的标志。
它主要包括以下内容。
(1)选用效率高和配光曲线合适的灯具。
根据灯具在厂房房架上悬挂高度按室形指数RI值选取不同配光的灯具。
当RI=0.5~0.8时,宜选用窄配光灯具;当RI=08~1.65时,宜选用中配光灯具:当RI=1.65~5时,宜选用宽配光灯具。
(2)选用色温适当和显色指数符合生产要求的照明光源,详见本手册第三章。
(3)达到规定的照度均匀度;作业区域内一般照明照度均匀度不应小于0.7,作业区邻近周围的照度均匀度不应小于0.5。
(4)满足照明直接眩光限制的质量要求:统一眩光值(UGR)按GB50034-2004之规定。
即一般允许值为22,精细加工值为19。
(5)采取措施减小电压波动、电压闪变对照明的影响和防止频闪效应。
(6)照明装置应在允许的工作电压下工作,在采用金属卤化物灯和高压钠灯的场所应采用补偿电容器,以提高其功率因数。
工厂照明设计
一.灯
本工程照明灯具主厂房可采用TL-200W无极灯
(1)无极灯的主要技术特点
·超长寿命:
灯泡内无灯丝和电极,灯泡寿命仅取决于荧光粉的自然光衰,它是所有光源中寿命最长的一种光源。
设计寿命指标≥6万小时(正常使用约10年),其寿命是白炽灯的50倍,金卤灯的10倍。
·高效节能:
发光效率高,节能效果好。
系统光效≥681lm/w,是白炽灯的5倍,与普通白炽灯相比,可节能80%以上。
·绿色环保:
无闪烁、低眩光、彻底消除眼睛疲劳,且不含液态汞。
是绿色环保的首选光源。
·显色性好:
显色指数≥80,非常接近于自然光,照明舒适;色温可选,可实现各类使用环境所需要的不同光色照明。
·瞬间启动:
启动时间≤0.5秒,无需预热,瞬间可启动照明没。
·电气性能好:
功率因数≥0.98,电流谐波小;适用电压范围宽,170V~260V均可稳定工作;符合国家电磁兼容性标准《GB17743-1999》,对外无干扰。
·抗震动
由于灯泡内无灯丝和电极,故震动不会对灯泡产生影响,抗震动性能好。
(2)无极灯与其他光源的优势对比:
二.照明要求:
依据:工业企业照明设计标准GB50034-92;
通用用电设备配电设计规范GB50055-93;
供电系统设计规范GB50052-95;
低压配电设计规范GB50054-95;
工业企业照明设计标准GB50053-95;
建筑照明设计标准GB50034-2004。
(1)照度标准:
②一般生产车间和作业场所工作面上的照度标准值
注:①冲压剪切车间、铸工车间手工造型工段、锅炉房及煤气站操作层为了安全起见,照度应选最高值。
②加“*”号者,表示被照面的计算高度为零。
(2)照明质量:
①眩光:
工业企业照明可按眩光程度分为五级
②光源显色:
室内照明光源的色表可按其相关色温分成三类
③照度均匀度:不低于0.7.
三.计算:
照度计算的基本方法有利用系数法和逐点计算法两种。
逐点计算法一般用于计算某些特定点的照度;利用数法考虑了直射光及反射光两部分所产生的照度,主要用于计算水平面上的平
均照度。
利用系数计算法:
1)已知利用系数u ,可按下式计算水平面上的
平均照度Eav ,单位为lx
Eav =ΦnuK/S (1)
式中:Φ———每个照明灯中光源的总光通量,单位为
lm;
n ———照明灯个数;
S ———房间面积,单位为m
2;
K———照度维护系数。
2)房间各量值的确定
现将厂房分成三个空间,分别用下列系数表示三个空间的形状。
式中: l ———厂房长度,m;
b ———是厂房宽度,m;
hCC、hRC、hFC ———顶棚空间、室空间和地板空间的高度,m。
3)顶棚空间有效反射系数
在顶棚空间内,从照明灯投射到上部的光通一部分被顶棚空间吸收,余下的光通从照明灯发光面射出。
式中:S0 ———顶棚空间敞口面积,㎡;
Sb ———顶棚空间内所有表面面积,㎡;
ρ———顶棚表面的平均反射系数, %;其中ρ=∑ρiSi /∑Si,ρi 第i 面反射系数, %; Si 是第i面面积,㎡。
4)地板空间有效反射系数
地板空间与顶棚空间性质一样,可用同样方法求出有效反射系数ρd。
一般利用系数表中的数值是在ρd = 20 %的条件下计算得到的,因此当ρd ≠20 %时,利用系数需精确时应加以修正。
5)墙面平均反射系数
由于厂房开窗、开门或二次装修等会引起墙面反射系数的变化,因此在不需精确计算
时,常根据实际工作经验以及墙面的实际处理效果来确定该系数。
单位容量法
单位容量法是依据用利用系数计算作进一步简化。
单位容量法为了简化计算,直接取自实际使用效果,结合光源种类、灯具形式及照度标准推荐的经验数据,列成表格,供设计时使用。
此法适用于照度均匀的一般计算,设计工程方案时可用此法进行估算。
计算公式如下:
厂房所需的照明灯安装总容量(W) : P = w ×S ,其中w 是单位容量指标,即房间每平方米应安装光源的功率(可由专业手册查得) (WΠ㎡) ; S 是被照厂房面积,㎡。
房间内安装照明灯的数量: n = P/P0 ,其中, P0是每盏灯的功率,W
本工程车间长105.5米,宽63.5米,高15.05米,顶棚下方13.8米高处均匀安装套TL-200W无极灯,每个光源的光通量为14000Lm, 采用0. 8 m 高的工作面作为计算面,顶棚反射系数为0.8,室空间与顶棚空间墙面反射系数为0.7,地面空间墙面反射系数为0.5,地面反射系数为0.3(各系数均为查国标得来).
用利用系数计算法求水平面上的平均照度
1)室空间比:
=5*13*(105.5+63.5)/105.5*63.5
=1.64
其中,hRC=13.8-0.8=13m
2)顶棚空间有效反射系数:
顶棚空间由 5 个表面组成,它们的面积分别为105.5*1.25、105.5*1.25、63.5*1.25、63.5*1.25、105.5*63.5, ,则顶棚表面的平均反射系数:
=【(105.5*1.25)*0.7*2+(63.5*1.25)*0.7*2+(105.5*63.5)*0.8】/【(105.5*1.25)*2+(63.5*1.25)*2+(105.5*63.5)】
=0.79
顶棚空间有效反射系数:
=0.79*105.5*63.5 / (7121.75 – 0.79*7121.75 + 0.79*105.5*63.5)
=0.78
3)地板空间有效反射系数:
地面空间由5 个表面组成,它们的面积分别为105.5*0.8、105.5*0.8、63.5*0.8、63.5*0.8、105.5*63.5,则地板表面的平均反射系数:
=【(105.5*0.8)*0.5*2+(63.5*0.8)*0.5*2+(105.5*63.5)*0.3】/【(105.5*0.8)*2+(63.5*0.8)*2+(105.5*63.5)】
=0.3
地板空间有效反射系数:
= 0.3*105.5*63.5 / 【6969.65 – 0.3*6969.65 + 0.3*105.5*63.5】
=0.29
4)墙面平均反射系数:设定为ρq = 50 %。
5)确定利用系数u :
6)查《中华人民共和国行业标准民用建筑电气设计规范》的维护系数K=0.8
7)则通过平均照度公式可以算出工作面上的平均照度在100.91~ 120Lx,不低于100Lx, 所以TL-200W无极灯满足照度等要求。
.
灯具型号:TL-200W;
额定功率:200W;
布灯间距:6m*7m;
安装高度:13.8m/11.8m;
地面平均照度:105Lx。