钢结构设计任务书2016
- 格式:docx
- 大小:145.60 KB
- 文档页数:6
钢结构课程设计任务书一、设计资料某批车间总长60米,跨度A为18米,B和C均为24米,柱距为6米,屋面材料为预应力大型屋面板(1.5×6米,屋面板需保证与上弦3个点焊牢,故上弦平面外计算长度为3米),屋架形式为梯形钢屋架,并支承于钢筋混凝土柱上,混凝土标号为C25.钢材为Q235·BF,焊条E43型,要求在车间中选择其中之一进行屋架设计。
二、屋架形式、尺寸的确定根据业主需要及屋面排水要求,选用梯形钢屋架,屋架坡度为1/10。
屋架平面布置见图1,屋架几何尺寸和内力系数如图2所示,屋架尺寸分A、B、C三种。
三、支撑布置根据车间长度、屋架跨度、荷载情况、屋架上弦设置横向水平支撑及垂直支撑和系杆,使屋盖成为空间刚度很大的稳定系统,见图1。
四、荷载计算(一)屋面恒载(标准值):屋面板自重g k kN/m2 坡向分布(详见荷载数据表)屋架及支撑自重 0.25 kN/m2水平投影分布(二)屋面可变荷载(标准值)坡屋面的屋面可变荷载(雪荷载)0.45 KN/m2,水平投影分布。
风荷载为吸力,不考虑。
各屋架满跨与半跨内力系数见内力系见附图2。
五、屋架设计要求l屋架杆件内力计算2.屋架杆件截面选择和计算,将各杆件内力、杆件截面型号几何特征等填于表1中:3.屋架各节点设计(支座节点A、屋脊节点D、跨中节点C)4.绘制钢屋架施工图一张(1#图纸,内容包括:屋架轴线和内力图,屋架正面图、剖面图、上弦俯视图,零件、大样图等,材料表,设计说明等);绘制节点A、C、D大样图(A3图纸)。
5设计说明书1份和支座、屋脊节点1:5大样图。
表一:屋架杆件截面选择表(包括杆端焊缝计算)5。
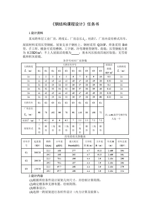
《钢结构课程设计》任务书1.设计资料某双跨单层工业厂房,跨度L,厂房总长L,柱距l,厂房内设有桥式吊车,1屋面材料采用压型钢板。
屋架支承于钢柱上。
钢材采用Q235F,焊条采用E43型,手工焊。
檩条可采用槽钢、工字钢、冷弯薄壁型钢等。
荷载:压型钢板自重为0.25KN/m2;不上人屋面活荷载为;基本风压按南昌地区取值;无雪荷载和积灰荷载。
吊车的有关参数表2.设计内容(1)根据所给条件设计屋架几何尺寸,并绘制计算简图;(2)确定檩条和支撑布置,绘制简图;(3)檩条设计;(4)选择一跨屋架进行各杆件设计(内力计算及验算);(5)节点设计(连接设计计算,连接大样图);(6)吊车梁设计;(7)按轴心受力进行柱和柱脚设计;(8)画屋架施工图1:50(图纸);(9)其他根据具体情况设计。
3. 撰写要求(1)说明书格式:说明书要求手写、且要用统一的课程设计用纸(A4大小),用黑色或蓝墨水工整书写,上下左右各留25mm。
(2)说明书结构及要求:封面包括:题目、学校、班级、姓名、学号、指导老师签字及时间(年、月、日);任务书:由指导教师填写。
(3)目录:要求层次清晰,要给出标题及页次,目录的最后一项是无序号的“参考文献资料”。
(4)正文:正文应按目录中编排的章节依次撰写,要求计算正确,论述清楚,文字简练通顺,插图简明,书写整洁。
(5)参考文献(资料):参考文献必须是学生在课程设计中真正阅读过和应用过的,文献按照在正文中的出现顺序排列。
4、课程设计纪律和注意事项1).课程设计纪律要求(1)遵守设计室的相关规定;(2)按时设计,不迟到早退;(3)不在设计打闹,吃东西;(4)不损坏设计室课桌。
2).注意事项注意用电安全,关好门窗;3)、课程设计期末成绩由指导教师负责,根据各位学生所提交设计成果的质量、在设计期间的态度表现、考勤等情况综合评分,按优、良、中、及格、不及格五级评分制评定设计成绩。
有下列情况之一,成绩为不及格:a.课程设计期间考勤不足三分之二;b.未按要求完成任务;c.未按时提交课程设计成果;5、推荐教材和教学参考资料[1]《钢结构设计》[2]《钢结构课程设计任务书》[3]《钢结构设计规范》。
钢结构课程设计任务书班级:学号:姓名:一、题目某厂房总长度90m,跨度根据不同的学号从附表中取,屋盖体系可从以下所给的类型中选取。
纵向柱距6m。
1.结构形式:钢筋混凝土柱,梯形钢屋架。
柱的混凝土强度等级为C30,屋面坡度i=L/10;L为屋架跨度。
地区计算温度高于-200C,无侵蚀性介质,地震设防烈度为8度,屋架下弦标高为18m;厂房内桥式吊车为2台150/30t(中级工作制),锻锤为2台5t。
2. 屋架形式及荷载:屋架形式、几何尺寸及内力系数(节点荷载P=1.0作用下杆件的内力)如附图所示。
屋架采用的钢材、焊条为:学号为单号的同学用Q235钢,焊条为E43型;双号的同学用Q345钢,焊条为E50型。
3.屋盖结构及荷载(1)无檩体系:采用1.5×6.0m预应力混凝土屋板(考虑屋面板起系杆作用)荷载:①屋架及支撑自重:按经验公式q=0.12+0.011L,L为屋架跨度,以m为单位,q为屋架及支撑自重,以KN/m2为单位;②屋面活荷载:施工活荷载标准值为0.7KN/m2,雪荷载的基本雪压标准=0.35KN/m2,施工活荷载与雪荷载不同时考虑,而是取两者的较值为S大值;积灰荷载根据不同学号按附表取。
③屋面各构造层的荷载标准值:三毡四油(上铺绿豆砂)防水层 0.4KN/m2水泥砂浆找平层 0.4KN/m2保温层 KN/m2(按附表取)一毡二油隔气层 0.05KN/m2水泥砂浆找平层 0.3KN/m2预应力混凝土屋面板 1.45KN/m2(2)有檩体系:采用型钢檩条,压型钢板作屋面板。
荷载:屋架及支撑自重:按经验公式q=0.12+0.011L,L为屋架跨度,以m为单位,q为屋架及支撑自重,以KN/m2为单位;基本风压为0.50 KN/m2,雪荷载为0.3 KN/m2;二、设计内容1.作屋盖结构及支撑的布置图;2.选择钢材及焊接材料,并明确提出对保证项目的要求;3.对钢屋架进行内力、杆件截面尺寸的计算;设计一个下弦节点、一个上弦节点、支座节点、屋脊节点及下弦中央节点。
钢结构课程设计任务书
一、设计资料
某一室内独立中型普通工作平台,平面尺寸如下图1所示,采用钢铺面板,钢材为Q235。
楼面活荷载标准值为4kN/m2。
图1 普通工作平台平面图
二、结构布置方案及结构布置形式
依题意并经综合分析比较,平台钢结构平面布置如图2所示。
主梁计算跨度为12m,次梁计算跨度为6.3m,次梁与主梁采用平接方式连接。
已知,主梁自重标准值1.11148KN/m,次梁支座压力标准值5.614KN,作用在主梁上的活荷载标准值30.24KN。
1—1
2—2
三、平台板尺寸
根据平台荷载、构造要求及平面布置情况,平台铺板厚度取为6mm。
平台铺板采用有肋铺板,板格尺寸取为700mm×1200mm,即相邻两次梁中心间距为1200mm,加劲肋中心间距为700mm,此处加劲肋间距参考铺板厚度的100~150倍范围取值。
加劲肋采用扁钢,其高度一般为跨度的1/15~1/12,且不小于
60 mm,厚度不小于高度的1/15及5mm,故扁钢肋板高度80mm,厚度6mm。
四、设计内容
1.试设计平台主梁;
五、提交成果
提交计算书一份!。
钢结构课程设计计算书1. 屋架形式、尺寸、材料选择及支撑布置1.5m ×6m 大型钢筋混凝土屋面板计算跨度: 0L =L-300=23700mm端部: 0H =2000mm 中部: H=3185mm 2. 荷载和内力计算 (1)荷载计算悬挂管通 0.1 KN/2m 两毡三油上铺小石子 0.35 KN/2m 找平层 0.4 KN/2m 钢筋混凝土层面板 1.4 KN/2m 积灰荷载 0.5 KN/2m 雪荷载 0.7 KN/2m屋架及支撑自重 0.12+0.011×24=0.384 KN 可变荷载 1.2 KN/2m 恒荷载 2.801 KN/2m (2)荷载组合永久荷载起控制作用:雪荷载: Q1γ=1.41ψ=0.7 积灰荷载: Q2γ=1.42Ψ=0.9d F =(1.35×2.801+1.4×0.7×0.7+1.4×0.9×0.5)×1.5×6=45.88 KN/2m可变荷载起控制作用的组合:雪荷载起控制作用d F =1.2×2.801+1.4×0.7+1.4×0.9×0.5)×1.5×6=44.74 KN/2m积灰荷载起控制作用:d F =(1.2×2.801+1.4×0.5+1.4×0.9×0.7)×1.5×6=44.49 KN/2m 故节点荷载取为 45.88 KN/2m d R =8d F =367.04 KN腹杆最大内力 -516.4 KN 选用中间节点板厚度为 12mm 支座节点板厚度为 14mm 3. 截面选择(1)上弦 ;整个截面不改变,按最大内力计算:max N =-700.6 KN ox l =150.8 cm oy l =300.0cm (层面板宽度)假定 λ=70 ψ=0.751 选用两根角钢组合截面 绕x 轴,y 轴失稳均为b 类 A=f N ψ=700.60.751*215=43.392cm x i =ox l λ=150.770=2.15cm y i =oy l λ=300/70=4.29 cm 选用2L100×12 A=45.62cm x i =3.03cm y i =4.64cm 截面验算: x λ=x i ox l =150.73.03=49.74 y λ=y i ox l =150.74.64=64.66 <[λ]=150 刚度符合b 类 y ψ=0.783双角钢T 型截面绕对称轴(y )轴应按弯扭屈曲计算长细比yzλb/t=10/1.2=8.33<oy0.58l b=17.4所以yz λ=y λ(1+42oy 0.475b l t )=64.66×(1+4220.475*10300*1.2)=67>y λ所以ψ=0.756 σ=N A ψ=700.60.756*45.6=203.23 N/2mm <f=215 N/2mm 整体稳定满足要求。
钢结构课程设计任务书题目:某工业厂房梯形钢屋架适用专业:土木工程指导教师:闫亚杰——土木1301李海旺——土木1302张旭红——土木1303张建丽——土木1304程欣——土木1305雷宏刚——土木1306太原理工大学现代科技学院2016年5月一、设计题目:某工业厂房梯形钢屋架二、设计资料某工业厂房,屋盖拟采用钢结构有檩体系,屋面板采用100mm厚彩钢复合板(外侧基板厚度0.5mm,内侧基板厚度0.4mm,夹芯材料选用玻璃丝棉,屋面板自重标准值按0.25 kN/m2计算),檩条采用冷弯薄壁C型钢。
屋面排水坡度见表1,有组织排水。
屋架支承于钢柱柱顶,柱顶标高9.0m,柱截面尺寸为400×400mm。
不考虑积灰荷载。
注:屋架、檩条、拉条及支撑自重标准值可按下列数值考虑:0.30kN/m2(6.0m)0.40kN/m2(7.5m)三、设计内容及要求要求在10天内(2016.5.18~2016.5.27)完成钢结构课程设计内容,提交设计图纸及计算书一套。
1. 设计内容(1)进行屋盖结构布置并选取计算简图;(2)进行屋架内力计算及内力组合;(3)进行屋架杆件设计;(4)进行屋架节点设计;(5)绘制屋盖结构布置图及屋架施工图。
2. 设计要求(1)整理设计计算书一份○1设计条件○2结构布置○3计算简图○4荷载选取○5内力计算○6内力组合○7构件设计○8节点设计○9挠度验算(2)绘制施工图○1屋盖布置图(图纸编号01):屋架平面布置图+上、下弦支撑平面布置图+垂直支撑布置图;○2屋架施工图(图纸编号02):屋架几何尺寸、内力简图+屋架施工详图+节点、异形零件详图+设计说明+材料表等。
四、参考资料(1)钢结构设计基本原理,雷宏刚,科学出版社(2)钢结构设计,黄呈伟、李海旺等,科学出版社(3)建筑结构荷载规范(2006年版)GB 50009-2001(4)钢结构设计手册(上册)第三版,中国建筑工业出版社(5)轻型屋面梯形钢屋架05G515,中国建筑标准设计研究院(6)钢结构设计规范,GB 50017-2003(7)混凝土结构设计规范,GB 50010-2002(8)土木工程专业—钢结构课程设计指南,周俐俐等,中国水利水电出版社。
钢屋架设计任务书
设计资料:
某单层单跨封闭式车间平面尺寸为跨度24m,柱距6m,房屋总长102m。
车间内配有两台20t的中级工作制吊车,无较大振动设备,设计计算温度为-20℃,不考虑抗震设防。
屋面坡度为1/10,屋架支撑在钢筋混凝土柱上,上柱截面尺寸为400mm×400mm,混凝土强度等级C30。
屋面构造做法为:采用1.5m×6m的预应力混凝土大型屋面板,80mm厚加气混凝土保温层,20mm厚水泥砂浆找平层和三毡四油防水层,上铺小石子。
屋面活荷载标准值为0.50KN/m2,雪荷载标准值为0.20KN/m2,积灰荷载标准值为0.50KN/m2。
桁架采用梯形钢屋架,其两端铰支于钢筋混凝土柱上。
钢材采用Q235-B,焊条E43型,手工焊。
设计钢屋架,并绘制施工图。
成果要求:
1、手写设计计算书一份,主要包括:
(1)屋架形式、尺寸及支撑布置,并对各榀屋架进行编号;
(2)对恒载和活载进行计算,确定计算简图,并计算杆件所受内力,根据最不利组合确定杆件的最不利内力(列表);
(3)根据内力组合结果,分别完成上弦杆件、下弦杆件、竖杆及斜杆的截面设计,满足相应的强度、刚度和稳定性要求,并对各杆件进行汇总(列表)(4)选择典型的上、下弦节点,支座节点,屋脊节点及杆件拼接节点进行设计。
2、绘制2号钢屋架施工图纸一份,内容包括:
(1)屋架正面图;
(2)设计说明,包括钢材钢号,焊条型号,焊接方法等。
要求计算书内容完整,书写工整,图纸整洁美观,并和任务书及封面装订成册,一并装入档案袋,档案袋上写全规定的信息并按时上交。
课程设计报告课程名称钢结构原理题目学部城建学部专业班级姓名指导教师年月日钢结构课程设计任务书题目: 施工方案及管理1. 课程设计教学条件要求本课程设计是针对《钢结构》课程而设,目的是使学生更好掌握、理解和应用《钢结构》课程中所学知识,锻炼学生综合运用各种基本原理基本理解钢结构设计总体思路和步骤。
熟悉常见钢结构案,掌握钢结构基本构件的构造要求并运用其进行安装流程安装方案的编制。
要求学生此前修读完成《土木工程材料》《材料力学》《结构力学》等相关课程的知识。
2. 课程设计任务(1)、初始条件钢楼梯、钢连廊、钢框架、钢屋盖4个典型工程案例:①奥园∙盘龙壹号综合体——B-5-1#楼14#钢楼梯设计与计算②奥园∙盘龙壹号综合体——B-5-1#楼3F钢连廊设计与计算;③诚善中学食堂——钢框架设计与计算;④冠鲁明德新城商业建筑——贝壳造型钢屋盖设计与计算。
(2)、学生各自任务分配学号为单的同学细致系统学习案例①和案例③,学号为双的同学细致系统学习案例②和案例④。
将案例学习知识进行理解概括和归纳,查阅相关规范和技术标准。
单号同学对钢框架结构体系,双号同学对钢屋盖(或网盖)结构体系,进行施工方案编写、施工流程图绘制、施工所需人员和机械的基本配置,施工安全防护注意事项及施工质量控制办法的确定。
绘制所选结构体系的施工图和节点布置图(不少于3张)。
3. 课程设计内容及成果(1)课程设计封面(2)任务书及评分表(3)课程设计报告书,应包括以下内容①所选工程类别特征及应用范围介绍,及其发展趋势预测;②确定该类工程项目合理的施工工序,并确定各施工工序的合理先后衔接顺序,绘制流程图;③拟定和安排该类工程项目施工方案,具体到各个工序的具体施工方法;④根据施工流程图和施工方案(配合恰当图片,图文并茂),确定所需各工种人员配置和机械设备;⑤制定此类工程施工安全管理规程和注意事项;⑥明确此类工程项目施工质量要求并制定切实可行的质量控制办法。
钢结构课程设计任务书钢结构课程设计任务书一、设计题目:焊接梯形钢屋架设计二、目的:经过课程设计掌握屋盖系统结构布置方法。
运用有关力学和本课程所学的知识,对钢屋架进行内力分析、杆件截面设计和节点设计。
培养学生解决实际问题的能力。
三、设计资料:1.某单层单跨工业厂房,跨度L(18 m,21 m,24 m),长度102 m。
2.厂房柱距6 m,钢筋混凝土柱,混凝土强度等级C20,上柱截面尺寸400⨯400,钢屋架支承在柱顶。
3.吊车一台150 T,一台30 T,吊车平台标高+12.000 m。
4.荷载标准值(1)永久荷载:屋面材料自重 A1-A3 kN/m2(见附表)屋架及支撑自重:按经验公式L.0+12= kN/m2.0q011(2)可变荷载:屋面活荷载标准值: 0.5 kN/m2雪荷载标准值: B1-B6 kN/m2(见附表)(3)屋面积灰荷载标准值: C1-C5 kN/m2(见附表)(4)不计风荷载注:请将自己的设计方案号、屋架跨度、屋架自重及荷载取值填入课程设计任务书中。
5.屋架计算跨度,几何尺寸及屋面坡度见附图1。
6.钢材Q235号钢、角钢、钢板各种规格齐全;有各种类型的焊条和C级螺栓可供选用。
7.钢屋架的制造、运输荷安装条件:在金属结构厂制造,运往工地安装,最大运输长度16 m,运输高度3.85 m,工地有足够的起重安装条件。
屋架几何尺寸及屋架全跨上弦节点单位荷载作用下构件内力系数见附图1-3。
四、设计内容1.布置屋架荷支撑。
计算书上用小比例尺绘出其布置简图,并进行编号。
支撑代号:屋架上弦横向水平支撑 sc屋架下弦横向水平支撑 xc屋架下弦纵向水平支撑 zc垂直支撑 cc系杆 LG2.设计该厂房的钢屋架,并用1号图纸绘制屋架运送单元施工图。
施工图材料表为一品屋架的材料用量。
五、要求1.计算书板书整洁,打印装订成册。
2.施工图用手工绘制,图面布置合理,图面整洁,线条清楚。
文字采用仿宋体,符合制图标准,达到施工图要求。
2013级土木工程专业《钢结构》课程设计任务书钢结构课程是土木工程专业重要的实践性教学环节,是对学生知识和能力的总结。
通过钢结构课程设计,使学生进一步了解钢结构的结构型式、结构布置和受力特点,掌握钢结构的计算简图、荷载组合和内力分析,掌握钢结构的构造要求等。
要求在老师的指导下,参考已学过的课本及有关资料,综合应用钢结构的材料、连接和基本构件的基本理论、基本知识,进行基本的钢结构设计计算,并绘制钢结构施工图。
设计题目:钢结构平台梁板柱的设计钢结构平台的梁格布置如如上图所示。
铺板为预制钢筋混凝土板。
平台永久荷载(包括铺板重力)为5kN/m2,荷载分项系数为1.2,可变荷载分项系数为1.5kN/m2,荷载分项系数为1.4;活荷载F=552.9kN,钢材采用Q235, E43型焊条,焊条电弧焊。
试对此钢结构平台的次梁、主梁和柱子(包括柱脚)进行设计要求:1. 每位同学自己独立完成,不能有任何雷同的课程设计计算书,否则都记为不及格;2. 课程设计计算书可以手写也可以打印,打印使用A4纸张;3. 完成并提交期限时间为第15周周五(12月9日)。
提示:可以参考教材P131例题4-2,P135例题4-4,P149习题4-10,P186习题5-2。
(b)次梁布置简图设计资料:(b)课程设计说明书》格式规范一、封面要求学生提交的正稿封面样式附后。
评定成绩必须有教师签名并写出评语。
二、正文规范1、字体字号要求①设计标题用小三号黑体、居中,英文标题对应用小三号Times NewRoman、居中,“摘要”用5号黑体,中文摘要内容用5号宋体,“ Abstract”用5号黑体,英文摘要内容用5号Times New Roman。
②课程设计正文内容第一级标题用四号黑体、靠左;第二级标题用小四号黑体、靠左;正文全文用小四号宋体、英文用Times New Roman 12。
③页码用小五号居中,页码两边不加修饰符,页码编号从正文开始。
钢结构课程设计任务书第一篇:钢结构课程设计任务书适用于建筑与土木工程系10土木专业钢结构课程设计任务书《钢结构设计原理》是土木工程专业的重要专业课,为了加强学生对基本理论的理解和《钢结构》设计规范条文的应用,培养学生独立分析问题和解决问题的能力,以提高学生的综合运用能力。
安排学生学期末完成一榀钢屋架设计。
课程设计又是知识深化、拓宽的重要过程,也是对学生综合素质与工程实践能力的全面锻炼,是实现本科培养目标的重要阶段。
通过课程设计,着重培养学生综合分析和解决问题的能力以及严谨、扎实的工作作风。
为学生将来走上工作岗位,顺利完成设计任务奠定基础。
1、钢结构课程设计的目的通过进一步的设计训练,使学生熟悉钢结构基本构件的设计和构造设计的基本原理和方法,具备一般钢结构设计的基本技能;能够根据不同情况,合理地选择结构、构造方案,熟练地进行结构设计计算,并学会利用各种设计资料。
2、钢结构课程设计条件惠州郊区某机械加工厂单跨单层厂房,跨度18米,长36米柱距6米。
厂房设有一台中级工作制桥式吊车,屋面材料采用上下两层多波压型钢板,中间用20毫米厚矿渣棉板保温层,屋架两端支承于截面为400㎜×400㎜的钢筋混凝土柱上,柱混凝土强度等级C20。
钢材选用Q235-A.F,焊条采用E4303型手工焊,檩条采用槽钢,允许挠度「υ」=1150。
杆件允许长细比:屋架压杆「λ」=150,屋架拉杆「λ」=350,支撑压杆「λ」=200 支撑拉杆「λ」=400。
荷载:压型钢板0.08KN/㎡(每层)20毫米厚矿渣棉板保温层0.08KN/㎡不上人屋面活荷载0.5KN/㎡3、钢结构课程设计要求课程设计是综合性很强的专业训练过程,对学生综合素质的提高起着重要的作用。
基本要求如下:时间要求:1周;任务要求:在教师指导下,独立完成一项给定的设计任务,编写出符合要求的设计说明(计算)书,并绘制必要的施工图。
完成的设计成果包括:结构设计计算书一份,绘制施工图。
钢 结 构 课 程 设 计 任 务 书班级: 土木工程 学号: 姓名: 一、设计资料某厂房总长度90m,跨度根据不同的学号从附表中取,屋盖体系可从以下所给的类型中选取。
纵向柱距6m 。
1。
结构形式:钢筋混凝土柱,梯形钢屋架.柱的混凝土强度等级为C30,屋面坡度i=L/10;L 为屋架跨度。
地区计算温度高于—200C ,无侵蚀性介质,屋架下弦标高为18m.2. 屋架形式及荷载:屋架形式、几何尺寸及内力系数(节点荷载P=1。
0作用下杆件的内力)如附图所示.屋架采用的钢材、焊条为:同学用Q235钢,焊条为E43型;或用Q345钢,焊条为E50型。
二、屋架形式、尺寸、材料选择及支撑布置:所选跨度为24m ,积灰荷载1。
2,保温层0。
65 KN/m 2钢材采用Q235。
其设计强度为215KN/㎡,焊条采用E43型,手工焊接。
屋架的计算跨度L 。
=24000—2×150=23700,端部高度:h=1990mm (轴线处),h=2140(计算跨度处)。
屋架形式及几何尺寸见图一所示:135022902590289026082859311933702535285931293396150********Aac egB C D F G H 15008=12000×150815081508150815081508图一三、荷载与内力计算:1、荷载计算:活荷载于雪荷载不会同时出现,故取两者较大的活荷载计算.永久荷载标准值:三毡四油(上铺绿豆砂)防水层 0。
4KN/m2水泥砂浆找平层 0。
4KN/m2保温层 0.65 KN/m2一毡二油隔气层 0。
05KN/m2水泥砂浆找平层 0。
3KN/m2预应力混凝土屋面板 1.45KN/m2总计:3。
25 KN/㎡可变荷载标准值:=0。
35KN/m2施工活荷载标准值为0。
7KN/m2,雪荷载的基本雪压标准值为S雪荷载<屋面活荷载(取两者较大值)0.7KN/㎡积灰荷载1.2KN/㎡(学号700)总计:1.9 KN/㎡永久荷载设计值1.2×3.25 KN/㎡=3.9KN/㎡可变荷载设计值1.4×1。
建筑工程学院钢结构课程设计任务书(土木工程专业用)某厂房钢屋盖设计一,本课程设计目的:通过将已学的钢结构理论知识与工程实践相结合,系统地将钢结构理论各知识点在工程实践中进行融会贯通,从而使学员掌握钢结构设计原理和方法,并进一步加深学员对钢结构知识的理解和运用.二,课程设计任务南昌市某厂房(无吊车)屋盖采用扇式三角形屋架,如图一所示,支承与钢筋混凝土柱顶上.建筑平面布置如图二所示,厂房沿口高度 6.0m,墙定设有封闭钢筋混凝土圈梁,屋架名义跨度21m,实际跨度20.7m,屋面坡度1/2.5,屋面采用有檩体系,屋面材料为0.6mm厚压型钢板,下铺80厚玻璃棉保温层,C型钢檩条,檩距水平投影1725mm,(檩条全部布置在节点上).要求设计该钢屋盖.(南昌市50年一遇基本风压:0.45KN/m2,基本雪原压0.45KN/m2,不考虑地震荷载和积灰荷载)三,课程设计内容:1:屋盖方案的确定和屋盖布置(包括屋面板布置, 檩条布置,屋架布置,系杆布置,支撑体系布置,拉条布置,)2:檩条设计;3:屋架内力分析,包括屋架荷载计算,内力分析及内力组合等.4:屋架杆件截面设计,包括钢材牌号,杆件截面形式和尺寸的选用,强度和稳定计算等.5:屋架节点设计,包括各个节点中的连接计算和构件拼接等.6:绘制施工图,包括材料表的编制.(屋架上弦平面布置图1:100,下弦平面布置图,四,课程设计成果所提交成果为:计算书一份,屋架上弦平面布置图1:100(1张A1),下弦平面布置图,垂直支撑布置图1:00(1张A1),檩条及拉杆布置图1:100(1张A1),钢屋架GWJ 施工图1:25,GWJ各节点大样图1:5(1张A1)五,课程设计时间安排本课程设计安排在第第2周,为一周时间.附:1.按水平投影估算钢屋架自重的经验公式:0.12+0.011L(KN/m2)2.压型钢板,檩条和保温棉按0.25KN/m2考虑.3.对三角形屋架当风荷载不是特大时内力组合通常只考虑一种内力组合情况:恒载+雪载和屋面活载中的较大者.。
《钢结构》课程设计任务书
一、设计题目
内蒙古包头市×××有限公司一、二车间钢结构全套施工图(门式刚架)的识读与绘制。
二、课程设计内容
1.掌握门式刚架轻型钢结构的组成;
2.柱网布置、变形缝的设置、墙面檩条及屋面结构布置(包括支撑体系布置);3.门式刚架的选型;
4.确定梁、柱截面形式及截面尺寸;
5.掌握构件及连接节点(梁柱连接节点、屋面梁拼接节点、柱脚连接节点)构造;6.绘制施工图。
三、设计资料:
详见内蒙古包头市×××有限公司一、二车间钢结构全套施工图(门式刚架)。
四、课程设计应完成的内容
1.门式刚架的识读心得
2. 设计图纸
a. 一组:G1构件图、剖面图1、2、3、4、5加G2构件柱脚;
b. 二组:A1构件图、剖面图1、2、3加A2构件柱脚。
3. 结构详图
a. 一组:屋脊处檩条及支撑连接示意图;
b. 二组:墙角檩条连接示意图;
c. 三组:墙檩与柱子连接示意图;
d. 四组:隅撑连接示意图;
e. 五组:砖墙处屋面板与檩条的连接。
建筑工程系结构教研室。
广东工业大学华立学院钢结构课程设计题目三角形钢屋架设计系部城建学部专业土木工程班级 13土木 5-7 班学号学生姓名指导教师钢结构课程设计任务书钢桁架设计一、设计目的通过本课程的设计实践,使学生了解并熟悉有关钢桁架的设计方法和设计步骤,培养其独立完成设计和解决工程问题的能力,提高施工图绘制能力。
二、设计资料扇式三角形屋架,支承于钢筋混凝土柱子顶上。
屋架名义跨度L=24m, 实际跨度L=23.7m,屋架间距l=6m,屋面坡度i= 1/3。
采用有檩体系屋盖,屋面材料为波形石棉瓦(尺寸为1820*725*8),下铺木丝板保温层,槽钢檩条,檩条距水平投影a=658mm(即每一节间有等距离的2个檩条)。
当地雪荷载s0=0.5KN/m2,基本风压w0=0.40KN/m2,fy风压高度变化系数因房屋不高,取μ0=1.0。
屋架两端与混凝土柱子铰接,混凝土强度等级C25。
钢材选用Q235B。
焊条选用E43型,手工焊。
三、设计内容1.屋架简图:图纸左上角用单线绘制屋架简图作为索引图,结构对称时,左半图注明杆件节点间的几何长度(mm), 右半图注明杆件节的内力设计值(KN)。
2.构件详图:屋架施工图的主体,主要包括屋架正面(主视图)、上下弦俯视图、左右端视图、支撑连接详图。
屋架施工图采取两种比例:杆件轴线为1:50—1:100;节点(杆件截节点板和零件)为1:20—1:30。
构件详图中要注明全部零件的编号、型号和尺寸,包括加工尺寸和拼接定位尺寸、孔洞位置,以及对工厂加工和工地施工的所有要求。
应对所有构件进行详细编号,编号按照主次、上下、左右顺序进行,完全相同的零件采用同一编号。
3.零件或特殊节点大样图:特殊形状、开孔或连接较复杂的节点和零件。
4.材料表:零件编号、截面、长度、数量(正反)、重量(单重、共重和合重)5.施工图说明:钢材型号、焊条型号、焊接方法、质量要求、未注明的焊缝和螺孔尺寸、油漆、运输、制造和安装要求、注意事项等。
钢结构原理与设计课程设计任务书
一、题目:普通梯形钢屋架设计
二、设计资料(由老师分组确定)
某厂房总长度90M,跨度根据不同班级及学号从附表1中取,纵向柱距6m。
1.结构形式:梯形钢屋架。
屋面坡度i=L/10;L为屋架跨度。
地区计算温度高于-200C,无侵蚀性介质,地震设防烈度为7度,设计基本地震加速度为0.1g,二类场地。
屋架下弦标高为18m;厂房内桥式吊车为2台150/30t(中级工作制),锻锤为2台5t。
2. 屋架形式及荷载:屋架形式、几何尺寸及内力系数(节点荷载P=1.0作用下杆件的内力)如附图所示。
3.屋盖结构及荷载
无檩体系:采用1.5×6.0m预应力混凝土屋板(考虑屋面板起系杆作用)荷载:
①屋架及支撑自重:按经验公式q=0.12+0.011L,L为屋架跨度,以m为单位,q为屋架及支撑自重,以KN/m2为单位;
②屋面活荷载:施工活荷载标准值为0.7KN/m2,雪荷载的基本雪压标准值值根据不同学号按附表取。
施工活荷载与雪荷载不同时考虑,而是取两者的较大值;积灰荷载取0.6 KN/m2。
③屋面各构造层的荷载标准值:
三毡四油(上铺绿豆砂)防水层 0.4KN/m2
水泥砂浆找平层 0.4KN/m2
保温层(根据学号按附表取)
一毡二油隔气层 0.05KN/m2
水泥砂浆找平层 0.3KN/m2
预应力混凝土屋面板 1.45KN/m2
三、设计内容
1.课程设计计算书
包括如下内容的全部设计和计算过程:
①屋盖支撑、檩条布置的示意图
②设计荷载统计
③檩条设计及验算过程
④屋架杆件几何尺寸、内力的计算过程及结果
⑤屋架杆件截面计算过程及结果,屋架节点计算过程及结果
2.钢屋架施工详图
绘制2#施工图,屋架轴线比例1:20或1:30,相应构件比例为1:10或1:15,内容包括:
①屋架简图,左半跨标明杆件长度,右半跨注明杆件最不利内力,以及超拱度。
②屋架正面图,上、下弦平面图(有二个比例)。
③侧面图,剖面图及零件详图。
④注明全部零件的编号,规格及尺寸(包括加工尺寸和定位尺寸)孔洞位置,孔洞及螺栓直径,焊缝尺寸以及对工厂加工和工地施工的要求。
⑤材料表。
⑥说明
四、设计要求
1.计算书须按规范要求完成,插图应用按一定比例绘制,做到眉目清晰,文图配合,表明表、图号;要求计算书内容要有系统地编排,字体要端正,表示要清楚,计算步骤明确,计算公式和数据来源应有依据,并应附有与设计有关的插图和说明。
2.图纸应符合《房屋建筑制图统一标准(GB/T 50001—2001)》和《建筑结构制图标准(GB/T 50105—2001)》的要求;绘制钢屋架施工图,其中包括屋架简图、屋架结构图、上下弦平面图、必要的剖面图和零件大样图、材料表和设计说明等。
施工图1~2张(2号)。
要求图面清楚整洁,线条粗细分明,尺寸及标注齐全,符号及比例正确,构造合理,能表达设计意图,符合国家制图标准并与计算书一致。
3.屋架跨度、保温层及积灰荷载取值见附表所示。
请学生按附表2将自己的取值填入设计任务书中。
五、课程设计参考资料
教 材:戴国欣主编,《钢结构》,武汉理工大学出版社,2013年出版。
参考书:陈绍番主编,《钢结构》(上、下册),中国建筑工业出版社,2003
年出版。
汪一骏主编,《轻型钢结构设计手册》,中国建筑工业出版社,2001年出版。
魏明钟主编,《钢结构》,武汉理工大学出版社,2002年出版。
附 图:(参考)
1
02
.279
a . 18米跨屋架
b . 18米跨屋架全跨单位荷载
几何尺寸 作用下各杆件的内力值
A a
c
e
g
e 'c 'a '+2.5
370
.000-4.371-5.636-4.551-3.357-1.8500.00-4.75
4
-1.862
+0
.615
+1.170
+1.344
+1.581
+3.158
+0.540
-1.632
-1.305
-1.520
-1.748
-1.0
-1.0+0.406
0.000.00-0.5+5.3
25+
5.312+3.967+2.637+0.9
33B C D E F G F 'E 'D 'C 'B 'A '0.51
.01.01.01.01.01.0
c . 18米跨屋架半跨单位荷载作用下各杆件的内力值
d . 21米跨屋架几何尺寸
e . 21米跨屋架全跨单位荷载作用下各杆件的内力值
A a c e g g 'e 'c 'a '+3.0100
.000-5.310-7.339-6.861-5.319-3.923-2.1620.00-5.64
1
-2.6
33
-0.047
+1.
913
+1.367
+1.570
+1
.848
+3.960
+1.222
-1.039
-1.200
-1.525
-1.776
-2.043
-1.0-1.0
-1.00.00
0.000.00-0.5+6.663+7.326+5.884+4.636+3.081+1.0
90B C D E F G H G 'F 'E 'D 'C 'B 'A '0
.51.
01.01.01.0
1.01.01.0
f . 21米跨屋架半跨单位荷载作用下各杆件的内力值
1拱50
g . 24米跨屋架几何尺寸
117
h . 24米跨屋架全跨单位荷载作用下各杆件的内力值
A a c e g g 'e 'c 'a '+3.480
.000-6.25-
9.04-9.17-7.38-6.09-7.38-
4.49
-2.470.00
0.00
-6.53
-3.14
+0.71
+1.55+1.39
+1.56
+1.80
+2.12
+4.76
+1.90
-0.45
-2.47
-1.53
-1.75
-2.03
-2.34
-1.0-1.0-1.00.00+0.970.000.00-0.5+8.0+9.34+8
.44+5.31+6.73+3.53+1.
25B C D E F G H I H 'G 'F 'E 'D 'C 'B 'A '0.51.01.01.01.01.01.01.01.0i
i . 24米跨屋架半跨单位荷载作用下各杆件的内力值
选题例子:保温荷载⑤、雪荷载(2)、跨度21m 就是 题号:22
注:1301班级取前1-45编号,屋架采用的钢材、焊条为: Q235钢,焊条为E43型;1302班级后45- 90编号,采用Q345钢,焊条为E50型。
A a
c
e
g
e 'c 'a '+2.5
370
.000-4.371-5.636-4.551-3.357-1.8500.00-4.75
4
-1.862
+0
.615
+1.170
+1.344
+1.581
+3.158
+0.540
-1.632
-1.305
-1.520
-1.748
-1.0
-1.0+0.406
0.000.00-0.5+5.3
25+
5.312+3.967+2.637+0.9
33B C D E F G F 'E 'D 'C 'B 'A '0.51
.01.01.01.01.01.0。