收音机电路图
- 格式:doc
- 大小:301.50 KB
- 文档页数:3
图3—30是简易收音机的电路图。
图3—30 简易收音机电路L和C1组成调谐电路。
改变可变电容器C1的容量, 可选择到需要接收的电台信号。
将选出的信号直接输入到集成电路7642的输入端第2脚。
由7642对信号进行多级高频放大并检波后, 由输出端第1脚输出音频信号, 经三极管V1V2放大后, 送至耳机放音。
这个电路元件少、装调容易而且接收效果较好。
二、元件规格和检测方法(一)LC调谐回路L是磁棒线圈。
磁棒采用长55mm的扁型中波磁棒。
用Ø0.07×7多股纱包线绕制, 共82圈。
线圈的两端用胶纸带固定。
如图3—31。
C1采用270P小型单联可变电容器, 检测方法见表3—12。
图3—31 磁棒线圈和7642集成电路表3—12 元件检测名称检测方法可变电容器用R×1K档测试, 旋转转柄, 万用表指针应始终指无限大。
若有摆动说明电容器内部碰片, 不能使用耳塞机用R×1档测试, 表笔碰触耳机插头时, 耳机中应发出“喀喀”声(二)集成电路7642外形跟晶体管9014相似。
如图3-31。
可用万用表R×1K档测输入端第2脚之间电阻, 正向电阻约为1千欧, 反向电阻接近无限大。
(三)晶体管V1 V2 采用9014, 放大倍数大些较好。
(四)电阻器均采用1/8W碳膜电阻器。
R4待调试后确定。
(五)电容器均采用小型瓷片电容器。
C4为电解电容器。
(六)耳塞机采用8欧耳塞机。
其测试方法见表3-12。
耳机插孔采用Ø2.5毫米插孔, 并按图3-32进行改造。
改造后的插孔兼做电源开关。
插头插入后触点分离改为插头插入后触点接触图3-32 插孔的改造(七)电源采用1节1.5伏电池。
三、焊接电路(一)简易收音机印刷电路板可参考图3-33。
将各元件引脚镀锡后插入电路板。
各引脚可尽量留短些。
图3-33 印刷电路板(二)焊接。
先焊电阻、电容, 再焊晶体管和集成电路。
(三)将磁棒用塑料绳固定在印刷板对应位置上。
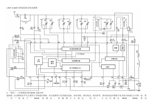
1.德生R-202T型两波段收音机电路图2. “德生”二次变频收音机R9701电路分析接收机二次变频技木早先主要用于军事通信领域,以后逐渐用于民用通讯设备,如对讲机、移动电话、收信机等。
国内将此技术移植于收音机中的德生公司第一家。
第一代“短波王”R9700的推出,曾畅销大江南北,此后,又先后推出R970l、R9702等功能更优异,使用更方便的机型。
二次变频技术与传统的超外差式收音机的电路结构比较,见图1所示。
可以看出,二次变频的应用,使收音机的接收灵敏度和选择性等指标大大提高。
下面将承前启后的R9701机作一典型介绍:图2是德生R970l AM/FM前级电路图,图3为其功放电路与操作功能显示电路。
K1为电源开关。
图2中的Q6、Q7等元件组成双稳态电子波段切换开关。
由于开机瞬间,C10上的电压不能突变,Q7截止,电源电压E+通过R13、R9使Q6导通,其集电极上的低电平使Q4导通,Icl 14脚输入高电平,于是ICl工作在FM状态。
与此同时,Q6集电极外接的FM LED点亮。
拉杆天线ANT接收到的高频信号经CO、F3、c5耦合至Icl①脚。
Icl是一片低电压AM/FM收音机专用集成电路,内含AM/FM本振,混频及检波电路,内部结构如图4所示,引脚功能及实测数据如表1所示。
Icl①脚输入的FM信号经内部高频放大从15脚输出,再由PVC2、C8、L4选频后与PVC2同步调谐的本振信号(PvC3、L5、C24、ICl③脚内部元件组成)一起送入混频器。
混频后从③脚输出的10.7MHz中频信号再经FM选频并送入ICl⑧脚,经内部中频放大,FM鉴频后通过电子开关选通,从11脚输出鉴频后的音频信号。
TuN LED为电台强场指示灯(见图3)。
按动电子波段开关AM时,即相当于给Q6基极一个人为的低电平.Q6截止,FM LED熄灭。
同时Q4也因高电平而截止,ICl工作在调幅波段。
Q6集电极的高电平又使Q7由截止转为导通,AMLED点亮。
收音机检波电路图图 5.5-13是半导体收音机中检波级及有关附加电路的典型实例。
R1、R2、R L2组成外加正向偏置电路。
通过-6V电源给二极管V D提供一固定的正向偏流(通常在20~50U A左右),用以提高检波效率。
R2C3组成低通滤波器,用来滤除R L2两端输出中的低频交流分量,取出其中的直流分量,加到前级中放管的基极,作为自动增益控制电压。
检波器的输出滤波电路,接成X型滤波电路,这样不但可以进一步滤除输出电压中的残余高频分量,而且有利避免产生负峰切割失真。
收音机模块T E A5767的C语言控制程序T E A5767采用I2C或者三线接口控制,我是用的I2C,单片机用S T C89C52,带1K E E P R O M,可以掉电存台,1602L C D显示.T E A5767读写数据都是5个字节,其中P L L参数14位,具体数据格式请看d a t a s h e e t.以下程序中的函数可以直接在主程序中调用.#i n c l u d e"i i c.c"#d e f i n e m a x_f r e q108000#d e f i n e m i n_f r e q87500u n s i g n e d c h a r r a d i o_w r i t e_d a t a[5]={0x29,0x c2,0x20,0x11,0x00};//要写入T E A5767的数据u n s i g n e d c h a r r a d i o_r e a d_d a t a[5];//T E A5767读出的状态u n s i g n e d i n t d e f a u l t_p l l=0x29c2;//0x29f9;//默认存台的p l l,87.8M H z//u n s i g n e d i n t m a x_p l l=0x339b;//108M H z时的p l l,//u n s i g n e d i n t m i n_p l l=9000;//70M H z时的p l lv o i d r a d i o_w r i t e(v o i d){u n s i g n e d c h a r i;i i c_s t a r t();i i c_w r i t e8b i t(0x c0);//T E A5767写地址i f(!i i c_t e s t a c k()){f o r(i=0;i<5;i++){i i c_w r i t e8b i t(r a d i o_w r i t e_d a t a[i]);i i c_a c k();}}i i c_s t o p();}//读T E A5767状态,并转换成频率v o i d r a d i o_r e a d(v o i d){u n s i g n e d c h a r i;u n s i g n e d c h a r t e m p_l,t e m p_h;p l l=0;i i c_s t a r t();i i c_w r i t e8b i t(0x c1);//T E A5767读地址i f(!i i c_t e s t a c k()){f o r(i=0;i<5;i++){r a d i o_r e a d_d a t a[i]=i i c_r e a d8b i t();i i c_a c k();}}i i c_s t o p();t e m p_l=r a d i o_r e a d_d a t a[1];t e m p_h=r a d i o_r e a d_d a t a[0];t e m p_h&=0x3f;p l l=t e m p_h*256+t e m p_l;g e t_f r e q u e n c y();}//由频率计算P LLv o i d g e t_p l l(v o i d){u n s i g n e d c h a r h l s i;u n s i g n e d i n t t w p l l=0;h l s i=r a d i o_w r i t e_d a t a[2]&0x10;i f(h l s i)p l l=(u n s i g n e d i n t)((f l o a t)((f r e q u e n c y+225)*4)/(f l o a t)32.768); //频率单位:ke l s ep l l=(u n s i g n e d i n t)((f l o a t)((f r e q u e n c y-225)*4)/(f l o a t)32.768);//频率单位:k}//由P L L计算频率v o i d g e t_f r e q u e n c y(v o i d){u n s i g n e d c h a r h l s i;u n s i g n e d i n t n p l l=0;n p l l=p l l;h l s i=r a d i o_w r i t e_d a t a[2]&0x10;i f(h l s i)f r e q u e n c y=(u n s ig n e d l o n g)((f l o a t)(n p l l)*(f l o a t)8.192-225);//频率单位:K H ze l s ef r e q u e n c y=(u n s ig n e d l o n g)((f l o a t)(n p l l)*(f l o a t)8.192+225);//频率单位:KH z}//手动设置频率,mo d e=1,+0.1M H z;m o d e=0:-0.1M H z,不用考虑T E A5767用于搜台的相关位:S M,S U Dv o i d s e a r c h(b i t m o d e){r a d i o_r e a d();i f(m o d e){f r e q u e n c y+=100;i f(f r e q u e n c y>m a x_f r e q)f r e q u e n c y=m i n_f r e q;}e l s e{f r e q u e n c y-=100;i f(f r e q u e n c yf r e q u e n c y=m a x_f r e q;}g e t_p l l();r a d i o_w r i t e_d a t a[0]=p l l/256;r a d i o_w r i t e_d a t a[1]=p l l%256;r a d i o_w r i t e_d a t a[2]=0x20;r a d i o_w r i t e_d a t a[3]=0x11;r a d i o_w r i t e_d a t a[4]=0x00;r a d i o_w r i t e();}//自动搜台,m o d e=1,频率增加搜台;m o d e=0:频率减小搜台,不过这个好像不能循环搜台v o i d a u t o_s e a r c h(b i t m o d e){r a d i o_r e a d();g e t_p l l();i f(m o d e)r a d i o_w r i t e_d a t a[2]=0x a0;e l s er a d i o_w r i t e_d a t a[2]=0x20;r a d i o_w r i t e_d a t a[0]=p l l/256+0x40;r a d i o_w r i t e_d a t a[1]=p l l%256;r a d i o_w r i t e_d a t a[3]=0x11;r a d i o_w r i t e_d a t a[4]=0x00;r a d i o_w r i t e();r a d i o_r e a d();w h i l e(!(r a d i o_r e a d_d a t a[0]&0x80))//搜台成功标志{r a d i o_r e a d();d i s p_f re q(9,1);}}128*64液晶汉字显示程序(含硬件51单片机与液晶模块接线图)下面是线路连接图,我自己已经搞了整整一个测试成功了绝对可用C51源代码#i n c l u d e<r e g52.h>#d e f i n e L C D P0u n s i g n e d c h a r i,j,k;s b i t E N=P2^0;s b i t R W=P2^1;s b i t R S=P2^2;s b i t C S1=P2^3;s b i t C S2=P2^4;s b i t B U S Y=P0^0;v o i d d e l a y(u n s i g n e d c h a r a);u n s i g n e d c h a r c o d e b a n[16][16]={{0x00,0x00,0x00,0x f0,0x90,0x90,0x90,0x f e,0x90,0x90,0x90,0x f0, 0x00,0x00,0x00,0x00},{0x00,0x00,0x00,0x07,0x04,0x04,0x04,0x3f,0x24,0x24,0x24,0x27, 0x20,0x38,0x00,0x00},//电{0x00,0x00,0x00,0x00,0x8c,0x88,0x88,0x88,0x88,0x c8,0x a8,0x98, 0x00,0x00,0x00,0x00},{0x00,0x00,0x00,0x00,0x00,0x00,0x00,0x21,0x7f,0x00,0x00,0x00, 0x00,0x00,0x00,0x00},//子{0x00,0x00,0x00,0x00,0x10,0x10,0x30,0x54,0x9c,0x90,0x50,0x00, 0x30,0x10,0x00,0x00},{0x00,0x40,0x30,0x0c,0x03,0x01,0x01,0x01,0x01,0x01,0x01,0x01, 0x01,0x00,0x00,0x00},//产{0x00,0x00,0x00,0x00,0x7c,0x44,0x44,0x44,0x44,0x44,0x44,0x7c, 0x00,0x00,0x00,0x00},{0x00,0x00,0x3f,0x21,0x21,0x21,0x3f,0x00,0x00,0x3f,0x21,0x21, 0x21,0x3f,0x00,0x00},//品{0x00,0x00,0x00,0x00,0x0c,0x08,0x08,0x08,0x f8,0x08,0x08,0x08, 0x08,0x00,0x00,0x00},{0x00,0x00,0x00,0x20,0x20,0x20,0x20,0x20,0x3f,0x20,0x20,0x20, 0x20,0x30,0x00,0x00},//工{0x00,0x90,0x90,0x88,0x f8,0x84,0x86,0x00,0x7c,0x44,0x44,0x44, 0x44,0x7c,0x00,0x00},{0x40,0x30,0x0c,0x02,0x7f,0x02,0x0c,0x10,0x49,0x49,0x49,0x7f, 0x49,0x49,0x00,0x00},//程{0x00,0x10,0x10,0x10,0x f c,0x90,0x10,0x00,0x d0,0x50,0x50,0x7e, 0x50,0x d0,0x50,0x00},{0x04,0x08,0x04,0x22,0x7f,0x00,0x40,0x20,0x10,0x09,0x06,0x06, 0x09,0x10,0x20,0x40},//技{0x00,0x00,0x10,0x10,0x10,0x d0,0x10,0x f e,0x10,0x50,0x94,0x1c, 0x10,0x00,0x00,0x00},{0x00,0x60,0x18,0x06,0x01,0x00,0x00,0x7f,0x00,0x00,0x00,0x03, 0x04,0x18,0x60,0x00},//术};u n s i g n e d c h a r c o d e q r s[6][16]={{0x00,0x00,0x b c,0x e0,0x a0,0x a0,0x e0,0x a0,0x3f,0x a0,0x60,0x20, 0x20,0x3c,0x00,0x00},{0x00,0x00,0x00,0x3f,0x24,0x24,0x3f,0x22,0x11,0x09,0x05,0x07, 0x09,0x13,0x20,0x00},//嵌{0x00,0x00,0x00,0x00,0x02,0x04,0x c8,0x30,0x20,0x40,0x80,0x00, 0x00,0x00,0x00,0x00},{0x00,0x40,0x20,0x18,0x06,0x01,0x00,0x00,0x00,0x00,0x00,0x03, 0x06,0x0c,0x30,0x00},//入--{0x00,0x00,0x00,0x20,0x a0,0x a0,0x a0,0x a0,0x a2,0x a4,0x38,0x e 0,0x24,0x2c,0x00,0x00},{0x00,0x00,0x00,0x00,0x10,0x10,0x10,0x0f,0x09,0x04,0x04,0x00, 0x07,0x18,0x20,0x00},//式};c h e c k b u s y(){E N=1;R W=1;R S=0;L C D=0X F F;i f(B U S Y);}w r i t e c o d e(u n s i g n e d c h a r d a t)//写命令{c h e c k b u s y();E N=1;R W=0;R S=0;L C D=d a t;E N=1;E N=0;}w r i t e d a t a(u n s i g n e d c h a r d a t)//写数据{c h e c k b u s y();E N=1;R W=0;R S=1;L C D=d a t;E N=1;E N=0;}v o i d d i s p l a y h a n z i(u n s i g n e d c h a r p a g e,u n s i g n e d c h a r l i n e a d d r e s s,i n t n,u n s i g n e d c h a r t a b l e[][16]){u n s i g n e d c h a r t e m p[32];i f(l i n e a d d r e s s<0X80){C S1=1;C S2=0;}//l e f tf o r(j=0;j<n;j++){i f(l i n e a d d r e s s>=0X80){C S1=0;//r i g h tC S2=1;l i n e a d d r e s s=l i n e a d d r e s s-0X40;}////////////////////////////////////////f o r(k=0;k<16;k++){t e m p[k]=t a b l e[j][k];}j+=1;f o r(k=0;k<16;k++){t e m p[16+k]=t a b l e[j][k];}//一个字:占两个字符,32个数据(t e m p[32])///////////////////////////////////////w r i t e c o d e(p a g e);w r i t e c o d e(l i n e a d d r e s s);f o r(i=0;i<16;i++){w r i t e d a t a(t e m p[i]);}w r i t e c o d e(p a g e+1);w r i t e c o d e(l i n e a d d r e s s);f o r(i=16;i<32;i++){w r i t e d a t a(t e m p[i]);}//写一个字:每页16个数据////////////////////////////////////////////////l i n e a d d r e s s+=16;d e l a y(200);}}v o i d c l e a r(){u n s i g n e d c h a r b=0x40,c,d;f o r(c=0;c<4;c++)f o r(a=0;a<8;a++){s w i t c h(c){c a s e0:d=0x b8;b r e a k;c a s e1:d=0x b a;b r e a k;c a s e2:d=0x b c;b r e a k;d e f a u l t:d=0x b e;}d i s p l a y h a n z i(d,b,2,&l i n);b+=0x10;}b=0x40;}}v o i d l c d i n t i(){w r i t e c o d e(0X3f);//显示开关关w r i t e c o d e(0X C0);//修改显示起始行w r i t e c o d e(0X B8);//修改页地址,x地址w r i t e c o d e(0X40);//修改列地址,y地址}v o i d d e l a y(u n s i g n e d c h a r a){u n s i g n e d c h a r i,j;f o r(i=0;i<a;i++)f o r(j=0;j<200;j++);}m a i n(){l c d i n t i();c l e a r();w h i l e(1){d i s p l a y h a n z i(0X B8,0X40,12,&x x);d i s p l a y h a n z i(0X B a,0X40,16,&b a n);d i s p l a y h a n z i(0X B c,0X60,6,&z j y);d i s p l a y h a n z i(0X B e,0X60,6,&q r s);d e l a y(200);c l e a r();d i s p l a y h a n z i(0X B8,0X40,12,&x x);d i s p l a y h a n z i(0X B a,0X40,16,&b a n);d i s p l a y h a n z i(0X B c,0X60,4,&s g);d i s p l a y h a n z i(0X B e,0X60,6,&q r s);d e l a y(200);c l e a r();d i s p l a y h a n z i(0X B8,0X40,12,&x x);d i s p l a y h a n z i(0X B a,0X40,16,&b a n);d i s p l a y h a n z i(0X B c,0X60,6,&q r s);d i s p l a y h a n z i(0X B e,0X60,8,&j q y k);d e l a y(200);d e l a y(200);d e l a y(200);d e l a y(200);d e l a y(200);d e l a y(200);d e l a y(200);d e l a y(200);c l e a r();}}如有你有帮助,请购买下载,谢谢!汇编源代码:O R G0100HE N B I T 0A0H;s b i t E N=P2^0;RW B I T 0A1H;s b i t RW=P2^1;R S B I T0A2H;s b i t R S=P2^2;C S1B I T 0A3H;s b i t C S1=P2^3;C S2B I T 0A4HB U S B I T 80HS TA RT:C L R C S1C L R C S2C A L L I N I TC A L L C L E A RC A L L H A N Z IS J M P $W R I T E D ATA:;入口参数R1P U S H P S WP U S H A C CS E T B E NC L R RWS E T B R SN O PM O V P0,R1N O PS E T B E NN O PN O PC L R E NP O P A C CP O P P S WR E TW R I T E C O D E:;入口参数R2P U S H P S WP U S H A C CS E T B E NC L R R SN O PM O V P0,R2N O PS E T B E NN O PN O PC L R E NP O P A C CP O P P S WR E TD E LAY:;入口参数R2 P U S H P S WP U S H A C CM O V R1,0F F HA2:D E C R2A1:D E C R1D J N Z R1,A1D J N Z R2,A2P O P A C CP O P P S WR E TI N I T:P U S H P S WP U S H A C CM O V R2,0C0HC A L L W R I T E C OD EM O V R2,3F HC A L L W R I T E C OD EM O V R2,0B B HC A L L W R I T E C OD EM O V R2,50HC A L L W R I T E C OD EP O P A C CP O P P S WR E TP U S H P S WP U S H A C CC L R C S1C L R C S2M O V R2,0B8HB2:M O V 31H,R2P U S H31HC A L L W R I T E C OD EM O V R2,40HC A L L W R I T E C ODE B1:M O V R1,#00H C A L L W R I T E D ATA I N C R2C J N E R2,#80H,B1P O P 31HI N C31HM O V R2,31HC J N E R2,#0B E H,B2P O P A C CP O P P S WR E TH A N Z I:P U S H P S WP U S H A C CC A L L I N I TA N L A,#00HM O V D P T R,#D ATB3:M O V C A,@A+D P T R M O V R1,AC A L L W R I T ED ATA I N C R2I N C AC J N E R2,#50H,B3M O V R2,0B9HC A L L W R I T E C ODE M O V R2,40HC A L L W R I T E C OD EB4:M O V C A,@A+D P T RM O V R1,AC A L L W R I T ED ATAI N C R2I N C AC J N E R2,#50H,B4P O P A C CP O P P S WR E TD AT:D B0x01,0x01,0x01,0x01,0x01,0x01,0x01,0x01,0x01,0x01,0x01,0x01,0x01,0 x01,0x01,0x01D B0x01,0x01,0x01,0x01,0x01,0x01,0x01,0x01,0x01,0x01,0x01,0x01,0x01,0 x01,0x01,0x01E N DZ N414组成的A M收音机电路图便携式收音机用集成电路Z N414。
看懂晶体管收音机电路图一、了解用途了解所读的电子电路原理图用于何处、起什么作用,对于弄请电路工作原理、各部分的功能及性能指标都有指导意义。
浏览下图可知:这是一个典型的晶体管收音机电路图。
其用途是将接收到的高频信号通过输入电路后与收音机本身产生的一个振荡电流一起送入变频管内进行“混合”(混频),混频后在变频级负载回路(选频)产生一个新的频率(差频),即中频(465kHz),然后通过中放、检波、低放、功放后,推动扬声器发声。
当然,还要求对振荡频率进行调节(f振-f信=465kHz),并能调节音量的大小。
二、找出通路指找出信号流向的通路。
通常。
输入在左方、输出在右方(面向电路图)。
信号传输的枢纽是有源器件,所以可按它们的连接关系来找。
从左向右看过去,此电路的有源器件为BG1(变频管)、BG2与BG3(中放管)、BG4与BG5(低放管)、BG6与BG7(功放管),因此可大致推断信号是从BG1的基极输入,经过振荡并混频后产生中频信号,再经过两级中放,然后由检波器把中频信号变成音频信号,最后经过低放、功放后送至扬声器,这样,信号的通路就大致找了出来。
通路找出后。
电路的主要组成部分也就出来了。
三、化整为零沿信号的主要通路。
根据各基本单元电路或功能电路,将原理图分成若干具有单一功能的部分。
划分的粗细程度与读者掌握电路类型的多少及经验有关。
根据上述通路可清楚地看出,整个电路可分别以BZ1及D1(2AP9)为界分成三部分,我们称之为变频级、中放级(包括检波级)和低功放级(输出)。
四、分析功能划分成单元电路后,根据已有的知识。
定性分析每个单元电路的工作原理和功能。
1.输入回路和变频级该部分的任务是将接收到的各个频率的高频信号转变为一个固定的中频频率(465kHz)信号输送到中放级放大。
它涉及到两个调谐回路:一个是输入调谐回路,一个是本机振荡回路。
输入调谐回路选择电感耦合形式(磁棒线圈B1),本机振荡回路选择变压器耦合振荡形式(B2)。
1.德生R-202T型两波段收音机电路图2. “德生”二次变频收音机R9701电路分析接收机二次变频技木早先主要用于军事通信领域,以后逐渐用于民用通讯设备,如对讲机、移动电话、收信机等。
国内将此技术移植于收音机中的德生公司第一家。
第一代“短波王”R9700的推出,曾畅销大江南北,此后,又先后推出R970l、R9702等功能更优异,使用更方便的机型。
二次变频技术与传统的超外差式收音机的电路结构比较,见图1所示。
可以看出,二次变频的应用,使收音机的接收灵敏度和选择性等指标大大提高。
下面将承前启后的R9701机作一典型介绍:图2是德生R970l AM/FM前级电路图,图3为其功放电路与操作功能显示电路。
K1为电源开关。
图2中的Q6、Q7等元件组成双稳态电子波段切换开关。
由于开机瞬间,C10上的电压不能突变,Q7截止,电源电压E+通过R13、R9使Q6导通,其集电极上的低电平使Q4导通,Icl 14脚输入高电平,于是ICl工作在FM状态。
与此同时,Q6集电极外接的FM LED点亮。
拉杆天线ANT接收到的高频信号经CO、F3、c5耦合至Icl①脚。
Icl是一片低电压AM/FM收音机专用集成电路,内含AM/FM本振,混频及检波电路,内部结构如图4所示,引脚功能及实测数据如表1所示。
Icl①脚输入的FM信号经内部高频放大从15脚输出,再由PVC2、C8、L4选频后与PVC2同步调谐的本振信号(PvC3、L5、C24、ICl③脚内部元件组成)一起送入混频器。
混频后从③脚输出的10.7MHz中频信号再经FM选频并送入ICl⑧脚,经内部中频放大,FM鉴频后通过电子开关选通,从11脚输出鉴频后的音频信号。
TuN LED为电台强场指示灯(见图3)。
按动电子波段开关AM时,即相当于给Q6基极一个人为的低电平.Q6截止,FM LED熄灭。
同时Q4也因高电平而截止,ICl工作在调幅波段。
Q6集电极的高电平又使Q7由截止转为导通,AMLED点亮。
超外差式收音机原理(图)一、最简收音机原理图1-1中LC谐振回路是收音机输入回路,改变电容C使谐振回路固有频率与无线电发射频率相同,从而引起电磁共振,谐振回路两端电压VAB最大,将该电波接收下来。
经高频放大电路放大后,通过由二极管D和滤波电容C1构成的检波电路,将调幅信号包络解调下来,得到调制前的音频信号,再将音频信号进行低频放大,送到喇叭,就完全还原成可闻的声波信号。
图1—1 最简单的收音机组成框图这就是最简AM收音机(也称高放式收音机)的工作原理,它简单,但可行性、可使用性太差,不适合日常使用。
由于高放式收音机中高频放大器只能适应较窄频率范围的放大,要想在整个中波频段535kHZ—1605kHZ获得一致放大是很困难的。
因此用超外差接收方式来代替高放式收音机。
二、超外差式收音机原理所谓超外差式,就是通过输入回路先将电台高频调制波接收下来,和本地振荡回路产生的本地信号一并送入混频器,再经中频回路进行频率选择,得到一固定的中频载波(如:调幅中频国际上统一为465KHz或455KHz)调制波。
超外差的实质就是将调制波不同频率的载波,变成固定的且频率较低的中频载波。
在广播、电视、通讯领域,超外差接收方式被广泛采用。
如图3-4。
图1—2 超外差原理在超外差的设计中,本振频率高于输入频率。
用同轴双联可变电容器,使输入回路电容C1-2和本振回路电容C1-1同步变化,从而使频率差值始终保持近似一致,其差值即为中频,即:如接收信号频率是:600kHz,则本振频率是1055kHz;1000kHz,则本振频率是1455kHz;1500kHz,则本振频率是1955kHz;由于谐振回路谐振频率,f 与C不成线性变化,因此必须有补偿电容对其特性进行修正,以获得在收听范围内f与C近似成线性变化,保证f本振-f 信号=f中频为一固定中频信号。
超外差方式使接收的调制信号变为统一的中频调制信号,在作高频放大时,就可以得到稳定且倍数较高的放大,从而大大提高收音机的品质。
收音机电路图1 系统方框图2 调频头部分电路3 调频中放,鉴频器,指示器及其他相关电路4 MW/SW1/SW2高频电路及波段切换5 调幅中放,AGC,稳压器,音频预防大等电路6 音频输出级和高低音控制电路新设计的收音机电路特点:1.为减少干扰,本机使用电池供电,如果用干电池使用6节一号电池9V供电,以前很多牛X的老收音机都是这样干的,另外尚可考虑使用两节可充电电池7.2V供电。
本机设计有非常完备的恒压恒流电路,保证了整机具有优秀的降压工作性能。
2.为保证在比较低的电源电压下有足够的输出功率及优良的电气指标,音频功放使用了BTL输出电路。
3.本机采用电源正极接地的电路形式,以使高中频电路各个中周或线圈冷端可以直接接地以减少电路分布参数的不良影响。
4.本机使用小型继电器实现FM/MW/SW1/SW2的波段切换,而小型继电器直接安装在PCB电路板上,从而减少连线和各种分布参数的影响,便于调试。
5.为节约电池电力,在最常用的FM波段收听时所有的继电器处于不通电状态;其他波段需要继电器切换时使用倍电压切换低电压维持的继电器工作方式。
6.为减少触点切换数目及保证AM的各个波段不相互影响,MW/SW1/SW2分别使用各自完全独立的高放/本振/混频电路。
7.本机电路沿袭七八十年代传统成熟的优秀电路配合高Q值的谐振回路以期取得低噪音,高灵敏度的效果。
8.尽可能使用通用易购的电子元器件,使用空气四连,FM高放使用绝缘栅场效应管及部分接入回路等技术以期用比较简单的电路达到比较优良的假相应抑制指标。
9.本机设计有电源开关/音量控制/高低音调节/自动手动高中频增益选择开关/高中频增益控制/波段选择开关/电平表开关/调谐/FM 之AFC开关等控制开关和旋钮。
10.本机设计有信号强度表和音频输出电平表。
其中输出电平表可以通过开关切换至FM调谐中点准确调谐指示状态。
11.本机设计接收频率范围 FM 87MHZ——108MHZMW 525KHZ——1605KHZSW1 4.8MHZ——10.5MHZSW2 11.2MHZ——22.5MHZ输出功率:2000mW12.如果大家觉得有一定意义,下一步俺将继续设计PCB电路板,拟做三块PCB板:(1) FM高中频电路+空气四连(2) AM高中频电路和继电器波段切换部分(3)音频放大器,稳压电源及其他电路。
七管调幅收音机工作原理七管调幅收音机工作原理框图七管调幅收音机电路图本机电路图如图所示。
1、输入调谐电路由双连可变电容器的CA和T1的初级线圈Lab组成,是一并联谐振电路,从天线接收进来的高频信号,通过输入调谐电路的谐振选出需要的电台信号,电台信号频率是f=1/2πLabCA,当改变CA时,就能收到不同频率的电台信号,选出我们所需要的电台信号频率为F1(是个高频信号)通过B1的次级线圈耦合到V1的基极。
由V1构成的本振电路产生一个本振信号频率为F2,再由V1三极管进行变频,在V1集电极回路通过B3选取F2与F1的差频信号,产生中频信号。
2、中频信号经V2和V3二级中频放大,进入V4检波管,检波滤波后的音频信号由电位器RP送到前置低放管V5,经过低放可将音频信号电压放大几十到几百倍,再由V6,V7组成变压器耦合功率放大器进行功率放大,推动扬声器发声。
图中D1,D2组成1.3V+-0.1V稳压,提供V1变频,一中放,二中放,低放的基极电压,稳定各级工作电流,保证整机灵敏度。
V4发射-基极结用做检波。
R1、R4、R6、R10分别做为V1、V2、V3、V5的工作点调整电阻,R11为V6、V7功放级的工作点调整电阻,R8为中放的AGC电阻,B3、B4、B5为中周,既是放大器的交流负载又是中频选频器,收音机的灵敏度、选择性等指标靠中频放大器保证。
B6、B7为音频变压器,起交流负载及阻抗匹配的作用。
AGC电路原理:无信号输入时,V2的静态基极电流由偏置电阻决定,当收音机收到信号时,检波后得到的信号直流分量会通过电阻R8叠加在V2的基极上,形成AGC的控制电流,由于该电流与V2的静态基极电流方向相反,使得实际的基极电流减小。
当接收到的信号越强,AGC的控制电流越大,V2的实际基极电流就越小,增益也越小。
相反当收到的信号越弱,V2的增益也越高。
所以AGC电路可以使电路的增益能够自动调节,从而使检波后得到的音频信号电压保持稳定。
BA1404 5W立体声调频发射电路(88-108MHz)
5W锁相环调频立体声发射机BH1417(88-108MHz),发射距离达5千米
高保真CXA1238立体声调频收音机电路
30MHz业余调频无线对讲机电路
遥控玩具发射电路
遥控玩具接收电路
154MHz调频对讲机
二次变频调频收音机
互补推动超再生收音机电路
3W立体声调频发射电路,发射距离5千米
3管无线话筒,发射距离大于100米
射频功率续接电路,功率可达几十瓦
25W射频功率续接电路
分立元件调频收音机电路
声控准双工对讲机
再生一管收音机
6W调频发射功率放大(88-108MHz)
TRA-08对讲机。
1 / 522. “德生”二次变频收音机R9701电路分析接收机二次变频技木早先主要用于军事通信领域,以后逐渐用于民用通讯设备,如对讲机、移动电话、收信机等。
国内将此技术移植于收音机中的德生公司第一家。
第一代“短波王”R9700的推出,曾畅销大江南北,此后,又先后推出R970l、R9702等功能更优异,使用更方便的机型。
二次变频技术与传统的超外差式收音机的电路结构比较,见图1所示。
可以看出,二次变频的应用,使收音机的接收灵敏度和选择性等指标大大提高。
下面将承前启后的R9701机作一典型介绍:2 / 523 / 52图2是德生R970l AM/FM前级电路图,图3为其功放电路与操作功能显示电路。
K1为电源开关。
图2中的Q6、Q7等元件组成双稳态电子波段切换开关。
由于开机瞬间,C10上的电压不能突变,Q7截止,电源电压E+通过R13、R9使Q6导通,其集电极上的低电平使Q4导通,Icl 14脚输入高电平,于是ICl工作在FM状态。
与此同时,Q6集电极外接的FM LED点亮。
拉杆天线ANT接收到的高频信号经CO、F3、c5耦合至Icl①脚。
Icl是一片低电压AM/FM收音机专用集成电路,内含AM/FM本振,混频及检波电路,内部结构如图4所示,引脚功能及实测数据如表1所示。
Icl①脚输入的FM信号经内部高频放大从15脚输出,再由PVC2、C8、L4选频后与PVC2同步调谐的本振信号(PvC3、L5、C24、ICl③脚内部元件组成)一起送入混频器。
混频后从③脚输出的10.7MHz中频信号再经FM选频并送入ICl⑧脚,经内部中频放大,FM鉴频后通过电子开关选通,从11脚输出鉴频后的音频信号。
TuN LED为电台强4 / 52场指示灯(见图3)。
按动电子波段开关AM时,即相当于给Q6基极一个人为的低电平.Q6截止,FM LED熄灭。
同时Q4也因高电平而截止,ICl工作在调幅波段。
Q6集电极的高电平又使Q7由截止转为导通,AMLED点亮。
全波段收音机的电路图分析了解用途了解所读的电子电路原理图用于何处、起什么作用,对于弄请电路工作原理、各部分的功能及性能指标都有指导意义。
浏览下图可知:这是一个典型的全波段收音机电路图。
其用途是将接收到的高频信号通过输入电路后与收音机本身产生的一个振荡电流一起送入变频管内进行“混合”(混频),混频后在变频级负载回路(选频)产生一个新的频率(差频),即中频(465kHz),然后通过中放、检波、低放、功放后,推动扬声器发声。
当然,还要求对振荡频率进行调节(f振-f信=465kHz),并能调节音量的大小。
找出通路指找出信号流向的通路。
通常。
输入在左方、输出在右方(面向电路图)。
信号传输的枢纽是有源器件,所以可按它们的连接关系来找。
从左向右看过去,此电路的有源器件为BG1(变频管)、BG2与BG3(中放管)、BG4与BG5(低放管)、BG6与BG7(功放管),因此可大致推断信号是从BG1的基极输入,经过振荡并混频后产生中频信号,再经过两级中放,然后由检波器把中频信号变成音频信号,最后经过低放、功放后送至扬声器,这样,信号的通路就大致找了出来。
通路找出后。
电路的主要组成部分也就出来了。
化整为零沿信号的主要通路。
根据各基本单元电路或功能电路,将原理图分成若干具有单一功能的部分。
划分的粗细程度与读者掌握电路类型的多少及经验有关。
根据上述通路可清楚地看出,整个电路可分别以BZ1及D1(2AP9)为界分成三部分,我们称之为变频级、中放级(包括检波级)和低功放级(输出)。
分析功能划分成单元电路后,根据已有的知识。
定性分析每个单元电路的工作原理和功能。
1.输入回路和变频级该部分的任务是将接收到的各个频率的高频信号转变为一个固定的中频频率(465kHz)信号输送到中放级放大。
它涉及到两个调谐回路:一个是输入调谐回路,一个是本机振荡回路。
输入调谐回路选择电感耦合形式(磁棒线圈B1),本机振荡回路选择变压器耦合振荡形式(B2)。
单片调频收音机采用先进电子电路及新一代高集成度的集成电路TDA7021T设计而成,灵敏度高,体积小,如同BB机,可挂扣在裤腰带上或装在胸袋内,使用一节五号电池,设有调谐指示,配用微型耳机收听。
装置调试简单,很适宜初学无线电爱好者组装。
电路原理
如图l所示,FM信号经C19至IC(12)脚,经内部高频放大后与④⑤脚FM本振信号在内部进行混频、中放、鉴频,从(14)脚经C6、R5至V3、V4等元件组成的低频放大电路至耳机输出。
Vl、V2、T等元件组成升压电路,正常时F点3V左右。
V5、R9、LED组成调谐指示电路。
安装调试
全部元件均装置在印制电路板上,印制板电路如图2所示。
先将阻容元件、三极管、插座装上,再装上IC(焊IC时烙铁功率应在25W左右,焊接时间不宜太长,以免温度太高而烧坏I C),最后装可调电容C。
可调电容先不要装外套,先将动片全部旋入定片中,再装上外套,装好电池夹,再把电路板装入面壳内,上好螺丝,再将旋钮底片装在可调电容上,最后把旋钮盖的调谐指示对正87MHz刻度时按下,装好旋钮盖。
调整线圈L(拉长或压缩)使之接收到87MHz的信号,此时,本机的覆盖范围约为87MHz至108MHz左右。
外壳及调谐部分如图3所示。
业余调整接收频率覆盖范围,将旋钮调谐指示转至本地电台频率位置,调整线圈L 能清晰地接收到本地电台信号,再装上底壳。