超外差式收音机电路分析
- 格式:doc
- 大小:91.50 KB
- 文档页数:3
无线电广播传输过程广播电台播出节目是首先把声音通过话筒转换成音频电信号,经放大后被高频信号(载波)调制,这时高频载波信号的某一参量随着音频信号作相应的变化,使我们要传送的音频信号包含在高频载波信号之内,高频信号再经放大,然后高频电流流过天线时,形成无线电波向外发射,无线电波传播速度为3×108m/s,这种无线电波被收音机天线接收,然后经过放大、解调,还原为音频电信号,送入喇叭音圈中,引起纸盆相应的振动,就可以还原声音,即是声电转换传送——电声转换的过程。
中波的频率(高频载波频率)规定为525—1605kHz(千周)。
短波的频率范围为3500—18000kHz。
超外差收音机原理图3-2为调幅超外差收音机的工作原理方框图,天线接收到的高频信号通过输入电路与收音机的本机振荡频率(其频率较外来高频信号高一个固定中频,我国中频标准规定为465KHZ)一起送入变频管内混合——变频,在变频级的负载回路(选频)产生一个新频率即通过差频产生的中频(实习图3-2中B处),中频只改变了载波的频率,原来的音频包络线并没有改变,中频信号可以更好地得到放大,中频信号经检波并滤除高频信号(实习图3-2中D处)。
再经低放,功率放大后,推动扬声器发出声音。
本机工作原理简述。
电路图见实习图3-3所示C1、B1组成天线输入回路。
VT1、B2、B1、C组成变频级。
VT1为变频管。
初级线圈与C构成变频级负载。
C1、B2组成本机振荡电路,C6为振荡耦合电路,VT2、VT3组成中频放大电路,2AP9为检波电路,R9为音量电位器(带电源开关),C16为高频耦合电容。
VT4、VT5为前置低频放大级、VT6、VT7组成乙类推挽功率放大器。
R16、C21、C17为电源波波电路。
R1、R2、R3、R4、R5、R6、R7、R12、R10、R11、R13、R17、R18为各级的直流偏置电阻。
超外差收音机超外差收音机的安装:①整机电路分析,熟悉元件在印刷板上安装位置。
课程名称:通信电路设计设计题目:七管超外差式收音机系别:计算机科学与技术专业 (方向):电子信息工程年级、班:2007级学生姓名:学号:指导教师:2010 年12 月20 日兰州商学院绪论电磁振荡在周围的空气产生周期性变化的电厂和磁场向四面八方传播开去,就形成了电磁波。
发射电磁波要有一定的振荡频率和震荡电路的电场和磁场尽量分散到可能大的空间,频率越高,发射电磁波的能力就越大,在实际应用中常把开放电路的下端跟地连接。
跟地连接的导线叫做地线。
线圈上部接到比较高的导线上,这条导线叫做天线。
天线和地线形成了一个敞开的电容器,电磁波就是由这样的开放电路发射出去的。
在通信系统中,信源输出的是由原始信息直接变换成的的电信号,即消息信号。
这种信号一般具有从零开始的较宽的谱,而且在低频带分布较大的能量,称为基带信号,不宜直接在信道中传播。
将消息信号对频率较高的载波信号进行调制,才能使信息信号第 1 页 共 15页的频谱搬移到适合信道的频率范围内进行传播。
在通信系统的接收端对已调信号进行解调,恢复出原来的信号。
1 系统原理。
常用的调制方法有幅度(AM )、频率(FM )、相位(PM )以及它们混共等调制方法。
而一般的收音机采用的调制方法是幅度调制方法。
设调制信号为)(t f ,载波信号为)cos()(0θω+=t A t c c 式中A 为载波的幅度;c ω为载波的角频率;0θ为载波的出相位。
载波经模拟信号调制后的数字表达式为))(cos()()(0θϕω++=t t t A t s c 式中)(t A 为载波瞬时幅度;)(t ϕ为载波的相位偏移;如果)(t ϕ为常数,)(t A 随)(t f 成比例变化,则为幅度调制;如果)(t A 为常数,)(t ϕ或)(t ϕ的导数随)(t f 成比例变化,则为角度调制,前者为相位调制,后者为频率调制。
1.1 AM 调制设调制信号为)(t f ,其平均值为0)(=t f 。
)(t f 叠加直流0A 后对载波的幅度进行调制,就形成了常规调幅信号,其时间表达式为 )cos()]([)(00θω++=t t f A t s c AM 式中c ω为载波信号的角频率;0θ为载波信号的起始相位。
七管超外差调幅收音机工作原理七管调幅收音机工作原理框图七管调幅收音机电路图本机电路图如图所示。
由B1及C1-A组成的天线调谐回路感应出广播电台的调幅信号,选出我们所需要的电台信号F1基极。
本真新号调谐在高出F1一个中频F2进入V1发射极,由V1三极管进行变频,在V1集电极回路通过B3选取F2与F1的差频信号。
中频信号经V2和V3二级中频放大,进入V4检波管,检出音频信号经V5低频放大由V6,V7组成变压器耦合功率放大器进行功率放大,推动扬声器发声。
图中D1,D2组成1.3V+-0.1V 稳压,提出变频,一中放,二中放,低放的基极电压,稳定各级工作电流,保证整机灵敏度。
V4发射-基极结用做检波。
R1、R4、R6、R10分别做为V1、V2、V3、V5的工作点调整电阻,R11为V6、V7功放级的工作点调整电阻,R8为中方的AGC电阻,B3、B4、B5为中周,既是放大器的交流负载又是中频选频器,该机的灵敏度、选择性等指标靠中频放大器保证。
B6、B7为音频变压器,起交流负载及阻抗匹配的作用。
一、调幅电路调幅电路是把调制信号和载波信号同时加在一个非线性元件上(例如晶体二极管或三极管)经非线性变换成新的频率分量,再利用谐振回路选出所需的频率成分。
调幅电路分为二极管调幅电路和晶体管基极调幅、发射极调幅及集电极调幅电路等。
通常,多采用三极管调幅电路,被调放大器如果使用小功率小信号调谐放大器,称为低电平调幅;反之,如果使用大功率大信号调谐放大器,称为高电平调幅。
在实际中,多采用高电平调幅,对它的要求是:(1)要求调制特性(调制电压与输出幅度的关系特性)的线性良好;(2)集电极效率高;(3)要求低放级电路简单。
1、基极调幅电路图1是晶体管基极调幅电路,载波信号经过高频变压器T1加到BG的基极上,低频调制信号通过一个电感线圈L与高频载波串联,C2为高频旁路电容器,C1为低频旁路电容器,R1 与R2为偏置的分压器,由于晶体管的ic=f(ube)关系曲线的非线性作用,集电极电流ic含有各种谐波分量,通过集电极调谐回路把其中调幅波选取出来,基极调幅电路的优点是要求低频调制信号功率小,因而低频放大器比较简单。
一.基本要求1.接收频率范围:540HZ-----1600KHZ2.不失真功率大于等于50mW3.选择性大于等于10dB4.工艺组装良好二.无线电广播发射图2-1 无线广播信号发射三.系统的电路实现1.接收机电路框图图3-1接收机电路框图组成2.具体电路图3-2 超外差收音机原理图在发射机中,高频已调波电流流过天线后,形成无线电波向外发射(辐射)。
接收机整体过程:1.电台信号被接收天线(调谐回路的一部分)接收,这个信号记为f s2.本振电路产生频率可调的振荡信号,此信号即为f L3.本振信号与电台信号混频,产生固定中频信号4.中频信号经2级放大5.中频信号经检波,还原发射的音频电信号6.音频电信号经低放,功放,推动喇叭声响四.模块电路的原理1.输入调谐回路原理:任何物体都有其本身的自然谐振频率,当外界对其施加的频率等于其自然谐振频率,就发生了共振。
在物理力学上,表现为振动。
在电学,则表现为谐振,即电磁能量的转换。
图4-1输入调谐回路图4-2 高Q线圈由高Q的磁性天线线圈(提高接收机的选择性)、C A、C A’组成输入调谐回路。
谐振于外来信号的频率(调节可变电容C,可使LC的固有频率=电台频率,产生谐振),信号由L0耦合到L0',传输到变频管。
2.混频图4-3 混频(主要器件:三极管)有频率变换的作用,利用晶体管特性曲线的非线性部分,使输入信号和本机振荡信号同时加到晶体管上,这时在其输出端就会有两种信号的频率之和及差以及其他频率的信号发生。
因为管子的非线性,集电极输出的电流频率成分有:f=p*f L±q*f c(前者为本振信号,后者为调幅信号)。
所以,混频后,要进行选中频。
LC谐振电路完成了这一任务。
在混频器中,比较重要的是直流工作点。
为了产生混频所必须的非线性和最大的混频增益,直流工作点要合适。
直流集电极(或发射极即图中的A点)电流过大时,则出现不发生混频作用或者混频现象效果较低;电流过小时,则混频管对中频成分的放大作用小。
超外差式收音机的制作一、ZX-921型超外差收音机电路原理ZX-921型套件为低压全硅管袖珍式八管超外差式收音机,外形尺寸为150×78×38mm。
本机造型新颖、结构简便、用电经济、灵敏度高、选择性好、音质清晰、放音宏亮等特点。
该机电路设计简洁合理,且采用通用元器件,选材、装配、调试、维修都很方便。
外型尺寸:150×78×38mm图6-2-1是ZX-921型超外差式收音机电路原理图,图6-2-2是ZX-921型收音机的印刷电路板图,表6-2-1为该型号收音机的元件清单。
由上述电路图可见,ZX-921型收音机是由8个三极管和2个二极管组成的,其中BG1为变频三极管,BG2、BG3为中频放大三极管,BG4为检波三极管,BG5、BG6组成阻容耦合式前置低频放大器,BG7、BG8组成变压器耦合推挽低频功率放大器。
该机的主要技术指标为:频率范围:中波530~1605kHz中频:465kHz灵敏度:小于lmV/m选择性:大于16dB输出功率: 56mW~140mW电源:1.5V(1.5V干电池一节)(一)调谐、变频电路如图6-2-1所示,L1从磁性天线(磁棒)上感应出的电台信号,经由L1和Cl-A组成的输入调谐回路选择后,只剩下需要的电台信号,该信号耦合给L2,并由L 2送BG1的基极和发射极。
由于调谐回路阻抗高,约为100kΩ,三极管输入阻抗低,约为1~2kΩ。
要使它们的阻抗匹配,使信号输出最大,就必须适当选择L1与L2的圈数比,一般取L1为60~80圈,L2取L1的十分之一左右。
表6-2-1ZX-921型超外差式收音机元件清单电阻器可用范围R3:62Ω~150Ω R9:470Ω~680Ω R2:1K~1.5K R15:3K~5.1K R4、13:18K~22K电容器可用范围C3:6800PF~0.1u C14、15:0.01u~0.033uC10、13:1u~4.7u C4:4.7u~l0u三极管β值分色点标记:黄40~55倍、绿55~80倍、兰80~120倍、紫120~180倍、灰180~270倍、白270~400倍电阻值色标数黑棕红橙黄绿蓝紫灰白0 l 2 3 4 5 6 7 8 9以改变输人回路的高端谐振频率,使之始终低于本机振荡频率465kHz。
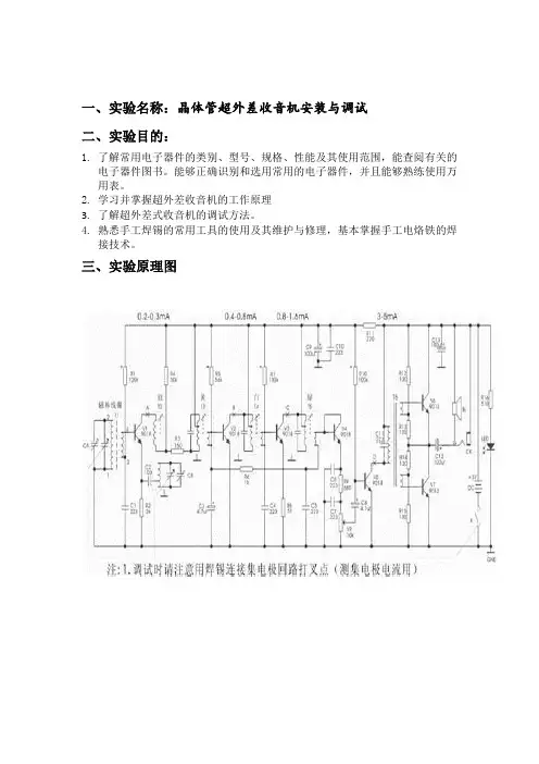
一、实验名称:晶体管超外差收音机安装与调试二、实验目的:1.了解常用电子器件的类别、型号、规格、性能及其使用范围,能查阅有关的电子器件图书。
能够正确识别和选用常用的电子器件,并且能够熟练使用万用表。
2.学习并掌握超外差收音机的工作原理3.了解超外差式收音机的调试方法。
4.熟悉手工焊锡的常用工具的使用及其维护与修理,基本掌握手工电烙铁的焊接技术。
三、实验原理图四、元器件清单五、超外差收音机工作原理元件型号数量位号元件型号数量位号三极管9013 2只V6、V7 电阻56Ω1只R5三极管9014 1只V5 电阻100KΩ2只R7、R10三极管9018 4只V1、V2、V3、V4 电阻120KΩ1只R1发光二极管红色1只LED 瓷片电容103 1只C2磁棒及线圈4x8x80mm 1套T1 瓷片电容C1、C4、C5 振荡线圈TF10(红色)1只T2 瓷片电容223 7只C6、C7、C10 中频变压器TF10(黄色)1只T3 瓷片电容C11中频变压器TF10(白色)1只T4 电解电容 4.7uF 2只C3、C8中频变压器TF10(绿色)1只T5 电解电容100uF 3只C12、C13、C9 输入变压器蓝色1只T6 双联电容CBM-223PF1只CA扬声器0.5W 8Ω1只BL 耳机插座ø3.5mm 1只CK电位器10KΩ1只RP 装配说明书1分电阻51Ω1只R8 机壳上盖1个电阻100Ω2只R13、R15 机壳下盖1个电阻120Ω2只R12、R14 刻度面板1块电阻150Ω1只R3 调谐拨盘1只电阻220Ω1只R11 电位器拨盘1只电阻510Ω1只R16 磁棒支架1只电阻680Ω1只R9 印刷电路板1块电阻1KΩ1只R6 电池极片1套正、负及连片各一个电阻2KΩ1只R2 螺丝5个电阻30KΩ1只R4 导线红、黄4根图一、超外差调幅收音机电路方框图本机振荡信号与欲接收的高频信号进入混频管后,由于晶体三极管是非线性元件,在混频管输出就会得到除欲接收的高频信号(设其频率为f1)及本机振荡信号(设其频率为f2)外,还需要按一定规律产生的一些新的频率信号,如频率为f2+f1、f2-f1等信号。
一、设计目的通过对一台调幅收音机的安装、焊接和调试, 使学生了解电子产品的装配过程, 掌握电子元器件的识别方法和质量检验标准, 掌握收音机的工作原理, 并了解整机的装配工艺, 培养学生的实践技能。
同时要求学生会独立分析电路图, 对照收音机原理图能看懂印刷电路版图和接线图, 并且细心地按照工艺要求进行产品进行调试。
二、收音机工作原理(一): 超外差式收音机工作原理声音的由震动空气而产生, 借助于声波在空气中传播。
但是这必然不能满足人们对声音的长距离传输, 所以就产生了有线广播传输。
但是这也存在着很大的缺陷。
要消耗太多的金属材料还有人力布线。
所以就产生了无限传输声音信号。
(1)、无线电传输声音的过程方框图(2)、超外差式收音机方框图(3)、超外差式的定义直接放大式无变频和中放, 而是将接收到的高频信号放大, 直接检波取出音频信号。
超外差收音机先将高频信号通过变频变成中频信号, 此信号的频率高于音频信号频率, 其频率固定为465kHz 。
由于465kHz 取自于本地振荡信号频率于外部高频信号频率之差, 故成为超外差。
三、实验设计器材A 教学用收音机原配件一副B 电烙铁, 螺丝刀, 剪刀镊子等必备工具C 万用电表D 吸锡枪E 锡丝若干四、收音机元件介绍①电阻:在本次课程设计中可以根据色差法对11个电阻进行分类。
如表格2-1表2-1色差法表值棕红橙黄绿兰紫灰白黑金银1 2 3 4 5 6 7 8 9 0 5% 10%极性。
④中频变压器(中周):中频变压器(简称中周)三只为一套, 这三只中周在出厂前均已调在规定的频率上, 装好后只需微调甚至不调, 不要乱调。
中周外壳除起屏蔽作用外, 还起导线的作用, 所以中周外壳必须接地。
⑤磁棒线圈:磁棒线圈的四根引线头可以直接用电烙铁配合松香焊锡丝来回摩擦几次即可自动镀上锡, 四个线头的接在对应的印制板的焊盘上, 即a,b,c,d点, 线头的判断由图表15可知。
焊接前要仔细辨别b、c引脚, 切不可弄反。
超外差式收音机超外差式收音机,就是通过输入回路先将电台高频调制波接收下来,然后和本地振荡回路产生的本地信号一并送入混频器,再经中频回路进行频率选择,得到一固定的中频载波(如:调幅中频国际上统一为465KHz或455KHz、调频载波为10.7MHz)调制波。
中夏牌S 6 6D型收音机,采用典型六管超外差式电路,具有安装调试方便、工作稳定、灵敏度高、选择性好等特点,功放级采用无输出变压器的功率放大器,(OTL电路),有效率高、频率特性好、声音宏亮、耗电省等特色。
是一款值得青少年无线电爱好者动手制作的套件。
一、电路的工作原理图1是中夏S 66D型收音机的原理电路图,图2为为框图。
1、输入调谐电路输入调谐电路由双连可变电容器的CA和T1的初级线圈Lab组成,是一并联谐振电路,Tl是磁性天线线圈,从天线接收进来的高频信号,通过输入调谐电路的谐振选出需要的电台信号,电台信号频率是f=l/2πLabCA,当改变CA时,就能收到不同频率的电台信号。
2、变频电路本机振荡和混频合起来称为变频电路。
变频电路是以VTl为中心,它的作用是把通过输入调谐电路收到的不同频率电台信号(高频信号)变换成固定的465KHz的中频信号。
VTl、T2、CB等元件组成本机振荡电路,它的任务是产生一个比输入信号频率高465KHz的等幅高频振荡信号。
由于Cl对高频信号相当短路,Tl的次级Lcd的电感量又很小,对高频信号提供了通路,所以本机振荡电路是共基极电路,振荡频率由T2、cB控制,CB是双连电容器的另一连,调节它以改变本机振荡频率。
T2是振荡线圈,其初次绕在同一磁芯上,它们把VT 1的等电极输出的放大了的振荡信号以正反馈的形式耦合到振荡回路,本机振荡的电压由T2的初级的抽头引出,通过C2耦合到VT 1的发射极上。
混频电路由VT l、T3的初级线圈等组成,是共发射极电路。
其工作过程是:(磁性天线接收的电台信号)通过输入调谐电路接收到的电台信号,通过Tl的次级线圈Lcd送到VT l的基极,本机振荡信号又通过C2送到VT l和发射极,两种频率的信号在T 1中进行混频,由于晶体三极管的非线性作用,混合的结果产生各种频率的信号,其中有一种是本机振荡频率和电台频率的差等于465KHz的信号,这就是中频信号。
收音机说明书摘要:此次设计就是自己通过对电路的认识然后安装、调试等,加深对收音机电路的认识,并且通过实际的安装锻炼一下大家的动手实验能力,期中主要是焊接的技术;并且通过实验中多遇到的的一些问题,如:没有声音,或者是很弱,虚焊、焊接技术导致铜片掉落等,学会进行问题的分析和解决,让自己能够在实际中运用所学所得的知识来解决实际生活中的问题。
让大家能够做到学有所用、学能所用。
关键词:地磁波无线电收音机调试一:型号的选取由于直接放大式收音机的灵敏度比较低,只能接受本地区强信号的电台,接收远地电台的能力较弱,它的选择性差,接收相邻频率的电台信号时存在串台现象。
为了提高灵敏度和选择性,就要采用超外差式收音机。
超外差式收音机有别于直放式收音机的特点是它不直接放大广播信号,而是通过一个叫变频级的电路将接收的任何一个频率的广播电台信号变成一个固定中频信号(我国规定中频频率是4 6 5 KHz),由中频放大器进行放大,然后进行检波,得到音频信号,最后推动扬声器工作。
中夏牌S 6 6E型收音机,采用典型六管超外差式电路,具有安装调试方便、工作稳定、灵敏度高、选择性好等特点,功放级采用无输出变压器的功率放大器, (OTL电路),有效率高、频率特性好、声音宏亮、耗电省等特色。
是一款值得青少年无线电爱好者动手制作的套件。
二:发射与接收的基本原理1 电磁波从电工学电磁感应现象知道,在电磁场里,磁场的任何变化会产生电场,电场的任何变化也会产生磁场。
交变的电磁场不仅可能存在于电荷、电流或导体的周围,而且能够脱离其产生的波源向远处传播,这种在空间以—定速度传播的交变电磁场,就称为电磁波。
无线电技中使用的这一段电磁波称为无线电波。
2 无线电波的传播理论分析和实验都表明无线电波是横波,即电场和磁场的方向都与波的传播方向垂直。
而且电场强度与磁场强度的方向也总是相互垂直的。
无线电波在空间传播时,必然要受到大气层的影响,尤其以电离层的影响最为显著。
《高频电子线路》超外差式FM收音机实验一、实验目的1、在模块实验的基础上掌握超外差式FM收音机组成原理,建立调频系统概念。
2、掌握FM收音机系统联调的方法,培养解决实际问题的能力。
二、实验内容完成FM收音机整机联调。
三、实验仪器1、天线1根2、10 号板1块3、9 号板1块4、5 号板1块5、6 号板1块6、2 号板1块7、双踪示波器1台8、耳机1副四、实验说明1.调频广播与中波或短波广播相比,主要有以下几类优点:(一)调频广播的调制信号频带宽,信道间隔为200KHz,单声道调频收音机的通频带为180KHz,调频立体声收音机的通频带为198KHz,高音特别丰富,音质好。
(二)调频广播发射距离较近,各电台之间干扰小。
电波传输稳定,抗干扰能力强,信噪比高,失真小,能获得高保真的放音。
(三)调频广播能够有效的解决电台拥挤问题。
调频广播的信道间隔为200KHz,在调频广播波段范围内,可设立100个电台。
又由于调频广播传播距离近,发射半径有限,在辽阔的国土上,采用交叉布台的方法,一个载波可重复多次的使用而不会产生干扰。
这样,有效的解决了(调幅广播无法解决的)频道不够分配的问题。
2.实验中超外差式FM收音机原理框图如下:FM广播:88—108M98.7—118.7M图17-1 FM收音机原理框图下面简单说明一下工作原理,我们身边的无线电波是摸不着看到到的,但它们的确存在,从空间的角度去看略显复杂,因为无线电波是重叠在一起的。
那么接收机又是怎么从这么复杂的环境中把我们想要的信号分离出来的呢?从频率的角度去看,实际上这些无线电波并不是重叠的,在坐标轴中以横轴为频率轴,靠近原点也就是频率较低的一般是工频干扰,比如我们使用的交流电有50Hz的干扰,包括其谐波。
家用电器工作时也会产生干扰。
我国AM 广播频段为525~1605KHz,FM广播频段相对较高,为88~108M。
远离原点的频率可能会有手机信号,卫星信号等等。
一、超外差式收音机电路结构:超外差式收音机的特点是有频率变换(变频)过程,采用固定调谐的中频放大器。
一般包括下面几个部分:变频级、中频放大级、检波级、低频前置放大级、低频功率放大级。
其中变频级包括混频器和本机振荡器两个部分。
天线接收到的高频调幅信号,经过调谐回路和选择,送入变频级的混频器。
本机振荡电路则总是跟踪着接收的信号,产生高一个固定频率的等幅振荡信号,这个信号也送入混频器。
送到混频器的两种信号,利用放大器件的非线性特点产生一种新的差频信号。
高频调幅信号经过变频级后,只是变换了载波的频率,而调制规律没有改变,仍然是调幅信号。
超外差式收音机原理1. 声波:人们说话时,声带的振动引起周围空气共振,并以340米/秒的速度向四周传播,称为声波。
2. 声波频率:人能够听到声波在20Hz—20kHz范围内3. 声波传递途径:声波在媒质中传播产生发射的散射,声音强度随距离增大而衰减,远距离声波传送必须依靠载体来完成,这个载体就是电磁波。
4.电磁波:电磁波是电磁振荡电路产生的,通过天线传到空中去,即为无线电波。
电磁波的传送速度为光速(3×108米/秒)。
选择电磁波作为载体是非常理想的。
5.无线电的发射:声波经过电声器件转换成声频电信号,调制器使高频等幅振荡信号被声频信号所调制;已调制的高频振荡信号经放大后送入发射天线,转换成无线电波辐射出去。
6.无线电广播的接收:收音机的接收天线收到空中的电波;调谐电路选中所需频率的信号;检波器将高频信号还原成声频信号(即解调);7.无线电通信(广播也属于无线电通信范畴)的发送和接收概括为互为相反的三个方面的转换过程,即:传送信息--低频信号、低频信号--高频信号、高频信号--电磁波。
8.调制方式:利用无线电波作为载波,对信号进行传递,可以用不同的装载方式。
在无线电广播中可分为调幅制、调频制两种调制方式。
工作原理图。
超外差式晶体管收音机工作原理和电路元件的主要作用超外差式晶体管收音机是一种使用超外差原理来接收并放大无线电信号的收音机。
在这种收音机中,晶体管用于放大收到的弱无线电信号,从而使得信号能够被人耳听到。
以下是超外差式晶体管收音机的工作原理和电路元件的主要作用。
1.工作原理:超外差式晶体管收音机的工作原理基于超外差原理。
当收音机接收到一个特定无线电台的信号时,这个信号将被调制成一个较低频率的中频信号(Intermediate Frequency, IF)。
超外差式收音机利用一个选频电路将输入的无线电信号与一个固定频率的振荡器产生的中频信号混合,产生一个低频信号。
然后,这个低频信号经过放大并解调,得到原始信号,最终将其转化为可听的声音。
2.电路元件:a.天线:用于接收无线电信号。
它将无线电波转化为电信号,并将其传递给接收机。
b.变压器:用于匹配天线的阻抗与收音机输入端的阻抗。
它将天线信号转化为适合于进一步处理的信号。
c.RF放大器:用于放大经变压器转化后的信号,以便在后续电路中处理。
d.选频电路:用于选择感兴趣的无线电站,滤除其他频率的信号。
它通常包括一个同步环路(PLL)或电容电感电路(LC)。
e.混频器:用于将选择的无线电信号(RF信号)与产生的中频信号相混合,产生低频信号。
f.中频放大器:用于放大混频后的中频信号,以便下一步解调。
g.解调器:用于将中频信号解调为基带信号,以便于后续放大并驱动扬声器。
h.音频放大器:用于放大解调后的信号,使其具有足够的功率以驱动扬声器。
i.扬声器:用于将放大后的电信号转化为声音,使用户能够听到收音机接收到的无线电信号。
除了以上列出的主要电路元件之外,超外差式晶体管收音机还可能包括电源供应和调谐电路等。
总体而言,超外差式晶体管收音机通过将接收到的无线电信号转化为可听的声音,将人们带入广阔的无线电世界。
第七届电子技能技术大赛作品技术报告——B123八管超外差式中波调幅收音机组号:一组组员:摘要:随着广播技术的发展,收音机也在不断更新换代。
自1920年开发了无线电广播的半个多世纪中,收音机经历了电子管收音机、晶体管收音机、集成电路收音机的三代变化,功能日趋增多,质量日益增高。
20世纪80年代开始,收音机又朝着电路集成化、显示数字化、声音立体化、功能电脑化、结构小型化等方向发展。
无线电广播的接收是由收音机实现的。
利用无线电波作为载波,对信号进行传递。
在无线电广播中可分为调幅制、调频制两种调制方式。
目前调频式或调幅式收音机,一般都采用超外差式,它具有灵敏度高、工作稳定、选择性好及失真度小等优点。
关键字:无线电调幅调频超外差式Abstract:With the development of radio technology, the radio has been replaced by new ones. Since 1920, has developed more than half a century of radio, the radio has experienced the vacuum tube radio, transistor radios, integrated circuit the three generations of change, of the radio function is increasing, quality is rising. Beginning in the 1980 s, the radio in the circuit integration, display, voice three-dimensional digital, computerized functions, structure miniaturization and so on.Radio reception is implemented by the radio. Using radio waves as a carrier of signal transmission. In the radio can be divided into amplitude modulation,frequency modulation system two kinds of modulation mode. Now or amplitude modulation radio frequency modulation type, generally USES the superheterodyne, it has high sensitivity, stable operation, good selectivity, and the advantages of small distortion.Key words: Radio FM Superheterodyne AM一、工作原理工作原理结构:超外差收音机由输入调谐回路、变频级电路(混频电路本机振荡电路)、中频放大电路、检波电路、功率放大电路和喇叭组成。
超外差式收音机
超外差式收音机,就是通过输入回路先将电台高频调制波接收下来,然后和本地振荡回路产生的本地信号一并送入混频器,再经中频回路进行频率选择,得到一固定的中频载波(如:调幅中频国际上统一为465KHz或455KHz、调频载波为10.7MHz)调制波。
中夏牌S 6 6D型收音机,采用典型六管超外差式电路,具有安装调试方便、工作稳定、灵敏度高、选择性好等特点,功放级采用无输出变压器的功率放大器,(OTL电路),有效率高、频率特性好、声音宏亮、耗电省等特色。
是一款值得青少年无线电爱好者动手制作的套件。
一、电路的工作原理
图1是中夏S 66D型收音机的原理电路图,图2为为框图。
1、输入调谐电路
输入调谐电路由双连可变电容器的CA和T1的初级线圈Lab组成,是一并联谐振电路,Tl是磁性天线线圈,从天线接收进来的高频信号,通过输入调谐电路的谐振选出需要的电台信号,电台信号频率是f=l/2πLabCA,当改变CA时,就能收到不同频率的电台信号。
2、变频电路
本机振荡和混频合起来称为变频电路。
变频电路是以VTl为中心,它的作用是把
通过输入调谐电路收到的不同频率电台信号(高频信号)变换成固定的465KHz的中频信号。
VTl、T2、CB等元件组成本机振荡电路,它的任务是产生一个比输入信号频率高465KHz的等幅高频振荡信号。
由于Cl对高频信号相当短路,Tl的次级Lcd的电感量又很小,对高频信号提供了通路,所以本机振荡电路是共基极电路,振荡频率由T2、cB控制,CB是双连电容器的另一连,调节它以改变本机振荡频率。
T2是振荡线圈,其初次绕在同一磁芯上,它们把VT 1的等电极输出的放大了的振荡信号以正反馈的形式耦合到振荡回路,本机振荡的电压由T2的初级的抽头引出,通过C2耦合到VT 1的发射极上。
混频电路由VT l、T3的初级线圈等组成,是共发射极电路。
其工作过程是:(磁性天线接收的电台信号)通过输入调谐电路接收到的电台信号,通过Tl的次级线圈Lcd送到VT l的基极,本机振荡信号又通过C2送到VT l和发射极,两种频率的信号在T 1中进行混频,由于晶体三极管的非线性作用,混合的结果产生各种频率的信号,其中有一种是本机振荡频率和电台频率的差等于465KHz的信号,这就是中频信号。
混频电路的负载是中频变压器,T3的初级线圈和内部电容组成的并联谐振电路,它的谐振频率是465KHz,可以把465KHz的中频信号从多种频率的信号中选择出来,并通过T3的次级线圈耦合到下一级去,而其它信号几乎被滤掉。
3、中频放大电路
它主要由VT2、VT3组成的两级中频放大器。
第一中放电路中的VT2负载是中频变压器T4和内部电容组成,它们构成并联谐振电路,谐振频率是465KHz,与前面介绍的直放式收音机相比,超外差式收音机灵敏度和选择性都提高了许多,主要原因是有了中频放大电
路,它比高频信号更容易调谐和放大。
4、检波和自动增益控制电路
中频信号经一级中频放大器充分放大后由T4耦合到检波管VT3,VT3既起放大作用,又是检波管,VT3构成的三极管检波电路,这种电路检波效率高,有较强的自动增益控制
(AGC)作用。
AGC控制电压通过R3加到VT2的基极,其控制过程是:
外信号电压↑→Vb3↑—Ib3↑→Ic3↑→Vc3↓通过R3
Vb2↓→Ib2↓→Ic2↓→外信号电压↓
检波级的主要任务是把中频调幅信号还原成音频信号,C4、C5起滤去残余的中频成分
的作用。
5、前置低放电路
检波滤波后的音频信号由电位器RP送到前置低放管VT4,经过低放可将音频信号电压放大几十到几百倍,但是音频信号经过放大后带负载能力还很差,不能直接推动扬声器工作,还需进行功率放大。
旋转电位器RP可以改变VT4的基极对地的信号电压的大小,可达到控制音量的目的。
6、功率放大器(OTL电路)
功率放大器的任务是不仅要输出较大的电压,而且能够输出较大的电流。
本电
路采用无输出变压器功率放大器,可以消除输出变压器引起的失真和损耗,频率特性好,还可以减小放大器的体积和重量。
VT5、VT6组成同类型晶体管的推挽电路,R7、R8和R9、R10分别是VT5、VT6的偏量电阻。
变压器T5做倒相耦合,C9是隔直电容,也是耦合电容。
为了减少低频失真,电容C9选得越大越好。
无输出变压器的功率放大器的输出阻抗低,可以直接推动扬声器工作。