煤质指标分级详细标准
- 格式:doc
- 大小:201.50 KB
- 文档页数:21
煤炭质量分级煤炭是一种重要的化石能源,广泛应用于发电、冶金、化工等领域。
煤炭的质量分级对其使用效果和环境影响具有重要意义。
本文将从煤炭的质量特点、质量分级标准、不同等级煤炭的特点以及应用领域等方面进行介绍和分析。
一、煤炭的质量特点煤炭是一种含碳量较高的矿石,主要成分是碳、氢、氧、氮和硫等元素。
煤炭的质量特点主要包括热值、灰分、挥发分、固定碳和硫含量等指标。
其中,热值是衡量煤炭能量含量的重要指标,灰分、挥发分和固定碳则反映了煤炭的燃烧特性和利用效率,硫含量则与环境污染相关。
二、煤炭的质量分级标准根据国家标准《煤炭分类与煤质分级》(GB/T 5751-2006),煤炭分为无烟煤、炼焦煤、褐煤和贫瘦煤四个等级。
其中,无烟煤和炼焦煤是高质量煤炭,褐煤和贫瘦煤则是低质量煤炭。
1. 无烟煤无烟煤是一种质量较高的煤炭,主要用于工业和民用领域。
无烟煤的热值较高,灰分和硫含量较低,燃烧时烟雾较少,不易产生污染,因此得名“无烟煤”。
无烟煤主要用于发电、供热、炼钢等领域。
2. 炼焦煤炼焦煤是一种用于冶金行业的煤炭,主要用于高炉炼铁过程中的焦炭生产。
炼焦煤的热值较高,固定碳含量较高,灰分和挥发分较低。
炼焦煤的特点是易燃烧、燃烧产物少,适合于高温条件下的炼铁过程。
3. 褐煤褐煤是一种质量较低的煤炭,主要用于发电和供热。
褐煤的热值较低,灰分较高,挥发分和硫含量一般较高。
燃烧褐煤时产生的烟尘和二氧化硫较多,对环境污染较大。
因此,在使用褐煤时需要采取相应的脱硫和除尘措施。
4. 贫瘦煤贫瘦煤是一种质量最低的煤炭,主要用于农村民用和工业燃料。
贫瘦煤的热值较低,灰分和挥发分较高,硫含量也较高。
由于贫瘦煤燃烧时产生的烟尘和二氧化硫较多,对环境污染较大,因此在使用时需要采取相应的净化措施。
三、煤炭的应用领域不同等级的煤炭在不同领域有不同的应用。
无烟煤主要用于发电、供热和炼钢等行业,炼焦煤主要用于冶金行业的焦炭生产,褐煤主要用于发电和供热,贫瘦煤主要用于农村民用和工业燃料。
煤质指标的分级中国煤炭分类 2008-06-19 10:04:30中国煤炭分类:首先按煤的挥发分,将所有煤分为褐煤、烟煤和无烟煤;对于褐煤和无烟煤,再分别按其煤化程度和工业利用的特点分为2个和3个小类;烟煤部分按挥发分>10%~20%、>20%~28%、28%~37和>37%的四个阶段分为低、中、中高及高挥发分烟煤;关于烟煤粘结性,则按粘结指数G区分:0~5为不粘结和微粘结煤;>5~20为弱粘结煤;>20~50为中等偏弱粘结煤;>50~65为中等偏强粘结煤;>65则为强粘结煤;对于强粘结煤,又把其中胶质层最大厚度Y>25mm或奥亚膨胀度b>150%对于Vdaf>28%的烟煤,b>220%的煤分为特强粘结煤;在煤类的命名上,考虑到新旧分类的延续性,仍保留气煤、肥煤、焦煤、瘦煤、贫煤、弱粘煤、不粘煤和长焰煤8个煤类;在烟煤类中,对G>85的煤需再测定胶质层最大厚度Y值或奥亚膨胀度B值来区分肥煤、气肥煤与其它烟煤类的界限;当Y值大于25mm时,如Vdaf>37%,则划分为气肥煤;如Vdaf<37%,则划分为肥煤;如Y值<25mm,则按其Vdaf值的大小而划分为相应的其它煤类;如Vdaf>37%,则应划分为气煤类,如Vdaf>28%-37%,则应划分为1/3焦煤,如Vdaf在于28%以下,则应划分为焦煤类;这里需要指出的是,对G值大于100的煤来说,尤其是矿井或煤层若干样品的平均G值在100以上时,则一般可不测Y值而确定为肥煤或气肥煤类;在我国的煤类分类国标中还规定,对G值大于85的烟煤,如果不测Y值,也可用奥亚膨胀度B值%来确定肥煤、气煤与其它煤类的界限,即对Vdaf<28%的煤,暂定b值>150%的为肥煤;对Vdaf>28%的煤,暂定b值>220%的为肥煤当Vdaf值<37%时或气肥煤当Vdaf值>37%时;当按b值划分的煤类与按Y值划分的煤类有矛盾时,则以Y值确定的煤类为准;因而在确定新分类的强粘结性煤的牌号时,可只测Y值而暂不测b值;中国煤煤分类国家标准表注:a、G>85,再用Y值或b值来区分肥煤、气肥煤与其它煤炭,当Y>25.0mm时,应划分为肥煤或气肥煤,如Y<=25mm,则根据其Vdaf的大小而划分为相应的其它煤类;按b值分类时,Vdaf<=28%,暂定b>150%的为肥煤,Vdaf>28%,暂定b>220%的为肥煤或气肥煤,如按b值和Y值划分的类别有矛盾时,以Y值划分的为准;b、Vdaf>37%,G<=5的煤,再以透光率PM来区分其为长焰煤或褐煤;c、Vdaf>37%,PM>30%-50%的煤,再测Qgr,maf,如其值>24MJ/kg5739cal/g,应划分为长焰煤;煤炭分类总表无烟煤分类表烟煤的分类表褐煤的分类表注:凡Vdaf>%、PM>30%-50%的为煤,如Qgr,maf大于MJ/kg5739cal/g,则划分为长焰煤;----------------------------------------------------------------------------------- 依据的工业用途、工艺性质和质量要求进行的分类,又称煤的工业分类;同一类煤有近似的特性,不同类煤的性质则有显着差异;工业分类是为了合理地使用煤炭资源以及统一使用规格;理想的分类方法应当既有充分的科学依据,又有实用意义;煤的分类方案简介由于研究内容和使用的不同,分类方法也有多种;早期,多根据煤的元素组成分类,这种分类方法称科学分类法,以1924年煤化学家提出的分类法比较着名;以后又有根据煤的生成条件提出的成因分类法,将煤分为腐殖煤、腐泥煤和残殖煤,这种分类法在地质上用的较多;而最有实用意义的是将与工业利用结合起来,以煤的变质程度和工艺性质为依据的技术分类法;各种以煤为燃料或原料的工业对煤都有其特定的技术要求,只有恰当地使用煤种才能保证产品质量,合理地利用煤炭资源;近代以煤的变质程度和工艺性质为参数的分类法发展较快,使煤分类具有更严格的科学性和广泛的实用性;但由于各国煤炭资源特点不同,以及工业技术发展水平的差异,各主要产煤国或以煤为主要能源的国家都根据本国情况,采用不同的分类方法;1956年,ECE煤炭委员会在国际煤分类会议上提出了国际硬煤分类表,其分类方法是以挥发分为划分类别的指标,将硬煤烟煤和无烟煤分成10个级别;以粘结性指标自由膨胀序数或罗加指数将硬煤分成4个类别;又以结焦性指标奥亚膨胀度或葛金焦型将硬煤分成6个亚类型,表中每个煤种均以3位阿拉伯数字表示,将硬煤分为62个煤类;为便于贸易上的交往,表中又将62个煤类归为Ⅰ~Ⅶ共11个统计组;对于褐煤,1974年国际标准化组织 ISO第27技术委员会TC27以ISO2950号标准颁布实施,该标准以水分和焦油产率为指标,将褐煤分为30个小类,每一小类用两位阿拉伯数字表示;但这两个分类方案并未在国际上得到全面推广;1985年2月,联合国欧洲经济委员会的国际煤分类会议上确定,以高位发热量小于24×106焦耳/千克、镜质组平均随机反射率小于%作为区分褐煤和硬煤的分界线;对中等煤化程度和高煤化程度的硬煤则选用镜质组随机反射率、自由膨胀序数、挥发分产率、惰性组含量、高位发热量和反射率分布特征等6个指标和8位阿拉伯数字编号,将所有硬煤进行编码分类;但因划分太细,不便于使用,难以推广;中国煤炭分类20世纪50年代以来,中国煤产量和消耗量迅速增加,为了合理利用煤炭资源,1952~1953年提出东北区和华北区两个炼焦煤分类方案;1956年又制订了统一的中国煤以炼焦煤为主分类方案,以大致代表煤的变质程度的挥发分%和表征煤的结焦性的胶质层最大厚度Y mm两个指标为参数,将中国煤分为10大类24小类;该方案于1958年经国家技术委员会向全国推荐试行,起了统一中国煤分类的作用;但这一分类方案在试行中,也发现存在一定缺陷;1989年10月国家标准局发布了 GB5751-86,将中国煤分为14类如表;表中为干燥无灰基挥发分,G为粘结指数,Y为胶质层最大厚度mm,b为奥亚膨胀度%,P M为煤样的透光率%,为煤的恒湿无灰基高位发热量MJ/kg;褐煤泥炭经成岩作用形成的腐殖煤,煤化程度最低,呈褐色、黑褐色或黑色,一般暗淡或呈沥青光泽,不具粘结性;其物理、化学性质介于泥炭和烟煤之间;水分大、挥发分高、密度小,含有腐殖酸,氧含量常达15~30%,在空气中易风化碎裂,发热量低;按透光率P M大小将褐煤分为两小类,P M为30~50%的年老褐煤,P M≤30%的为年轻褐煤;褐煤可作燃料或气化原料,也能作提取褐煤蜡和制造腐殖酸盐类的原料;含油率达到工业要求时可用于低温干馏,制取焦油及其他化工产品;长焰煤高挥发分的微粘结或弱粘结性煤;在烟煤中变质程度最低,单独炼焦时生成焦炭呈长条状,强度甚差,粉焦率高,主要作为动力燃料和气化原料;不粘煤成煤初期的原始物质受强烈氧化作用,为低到中等变质程度煤;其特征是煤中含氧较高,挥发分中等,加热时没有粘结性;可做动力和民用燃料或气化原料;弱粘煤还原程度较弱的低到中等变质程度的煤;挥发分中等,单独炼焦时能产生少量胶质体,焦炭为强度较小的小块焦;适用做动力燃料和气化原料;1/2中粘煤中等变质程度的弱粘结性煤;挥发分中等,粘结性比弱粘煤稍好,其中有一部分煤在单独炼焦时能炼出一定强度的焦炭,可适量作为炼焦配煤原料,粘结性较差的一部分煤适宜做动力燃料和气化原料;气煤变质程度介于1/2中粘煤与气肥煤之间;主要特征是挥发分高,加热时具有中等粘结性,单独炼焦时焦炭细长易碎,焦炭强度优于长焰煤,低于焦煤、肥煤;主要作为炼焦配煤,也是制造干馏煤气的原料;气肥煤高挥发分的特强粘结性煤;性质介于气煤和肥煤之间,单独炼焦时能产生大量液体和气体产品;气肥煤适合于制造干馏煤气,也可作为炼焦配煤以增加化学产品;1/3焦煤中高挥发分的强粘结性煤;特性介于焦煤、肥煤和气煤间的过渡煤,单独炼焦时能得到强度较好的焦炭;炼焦时其配入量可在较大范围内变化而获得强度高的焦炭,它是炼焦配煤中的基础煤;肥煤中等及中高挥发分的特强粘结性煤;变质程度中等,加热时能产生较多胶质体,单独炼焦时能产生熔融性良好、强度较高的焦炭,但出焦困难,且焦炭有较多横裂纹和蜂焦,故不适宜单独炼焦,是炼焦配煤中的重要煤种;焦煤中等变质程度烟煤;挥发分中等或较低,结焦性好,是炼焦生产中的主要煤种,单独炼焦时可炼成块度大、熔融性好、裂纹少、强度高的焦炭,是优质炼焦原料;瘦煤烟煤中变质程度较高的煤种;挥发分较低,在炼焦时具有中等粘结性,单独炼焦时能得到块度大、裂块少、强度较好的焦炭,但其耐磨性较差;一般作为炼焦配煤使用;贫瘦煤弱粘结性低挥发分煤;单独炼焦时,粘结性比瘦煤差,因而焦炭粉焦甚多,但作为炼焦配煤,能起到瘦化作用;也可作为动力和民用燃料;贫煤烟煤中变质程度最高的煤种;在美国煤炭分类中划分为半无烟煤;贫煤挥发分低,一般无粘结性,因此不能结焦,其燃烧时火焰短,耐烧;主要做民用或动力燃料;无烟煤变质程度最高的煤种;挥发分低于10%,固定碳高于90%,燃烧时无烟,密度大,硬度高;按其挥发分和用途可分为 3个小类;无烟煤是较好的民用燃料,也可以做动力燃料,又是合成氨和碳化学产品的重要原料;低灰、低硫无烟煤是制造碳素材料和活性炭的原料,变质程度较低的无烟煤还可以做高炉喷吹燃料,以代替部分焦炭;。
煤质指标的分级中国煤炭分类 (2008-06-19 10:04:30)中国煤炭分类:首先按煤的挥发分,将所有煤分为褐煤、烟煤和无烟煤;对于褐煤和无烟煤,再分别按其煤化程度和工业利用的特点分为2个和3个小类;烟煤部分按挥发分>10%~20%、>20%~28%、28%~37和>37%的四个阶段分为低、中、中高及高挥发分烟煤。
关于烟煤粘结性,则按粘结指数G区分:0~5为不粘结和微粘结煤;>5~20为弱粘结煤;>20~50为中等偏弱粘结煤;>50~65为中等偏强粘结煤;>65则为强粘结煤。
对于强粘结煤,又把其中胶质层最大厚度Y>25mm或奥亚膨胀度b>150%(对于Vdaf>28%的烟煤,b>220%)的煤分为特强粘结煤。
在煤类的命名上,考虑到新旧分类的延续性,仍保留气煤、肥煤、焦煤、瘦煤、贫煤、弱粘煤、不粘煤和长焰煤8个煤类。
在烟煤类中,对G>85的煤需再测定胶质层最大厚度Y值或奥亚膨胀度B值来区分肥煤、气肥煤与其它烟煤类的界限。
当Y值大于25mm时,如Vdaf>37%,则划分为气肥煤。
如Vdaf<37%,则划分为肥煤。
如Y值<25mm,则按其Vdaf值的大小而划分为相应的其它煤类。
如Vdaf>37%,则应划分为气煤类,如Vdaf>28%-37%,则应划分为1/3焦煤,如Vdaf在于28%以下,则应划分为焦煤类。
这里需要指出的是,对G值大于100的煤来说,尤其是矿井或煤层若干样品的平均G值在100以上时,则一般可不测Y值而确定为肥煤或气肥煤类。
在我国的煤类分类国标中还规定,对G值大于85的烟煤,如果不测Y值,也可用奥亚膨胀度B 值(%)来确定肥煤、气煤与其它煤类的界限,即对Vdaf<28%的煤,暂定b值>150%的为肥煤;对Vdaf>28%的煤,暂定b值>220%的为肥煤(当Vdaf值<37%时)或气肥煤(当Vdaf值>37%时)。
一、灰分产率级别:1、动力用煤灰分分级2、冶炼用炼焦精煤灰分分级二、全硫含量级别:1、无烟煤和烟煤硫分分级2、炼焦用炼焦精煤硫分硫分分级及炼焦原料用煤三、发热量级别四、磷含量级别五、砷含量级别(煤中砷含量分级MT/T803-1999)六、氟含量级别(煤中氟含量分级MT/T966-2005)七、煤灰熔融性级别1、煤灰熔融性软化温度(ST)分级(MT/T 853.1)2、煤灰熔融性流动温度(FT)分级(MT/T 853.2)八、煤的焦油产率级别九、煤的抗碎强度级别十、褐煤及风化煤腐植酸含量级别十一、理论精煤回收率级别十二、可选性等级划分标准十三、煤炭粒度分级(GB189—63)十四、煤的哈氏可磨性指数分级(GB MT/T825—2000)十五、煤层瓦斯成分分带十六、挥发份分级表(GB MT/T849—2000)十七、烟煤粘结指数分级(GB MT/T 596—1996)十八、煤全水分分级(GB MT/T850—2000)煤质化验指标一、水分。
煤中水分分为内在水分、外在水分、结晶水和分解水。
煤中水分过大是,不利于加工、运输等,燃烧时会影响热稳定性和热传导,炼焦时会降低焦产率和延长焦化周期。
现在我们常报的水份指标有:1、全水份(Mt),是煤中所有内在水份和外在水份的总和,也常用Mar表示。
通常规定在8%以下。
2、空气干燥基水份(Mad),指煤炭在空气干燥状态下所含的水份。
也可以认为是内在水份,老的国家标准上有称之为“分析基水份”的。
二、灰分指煤在燃烧的后留下的残渣。
不是煤中矿物质总和,而是这些矿物质在化学和分解后的残余物。
灰分高,说明煤中可燃成份较低。
发热量就低。
同时在精煤炼焦中,灰分高低决定焦炭的灰分。
能常的灰分指标有空气干燥基灰分(Aad)、干燥基灰分(Ad)等。
也有用收到基灰分的(Aar)。
三、挥发份(全称为挥发份产率)V指煤中有机物和部分矿物质加热分解后的产物,不全是煤中固有成分,还有部分是热解产物,所以称挥发份产率。
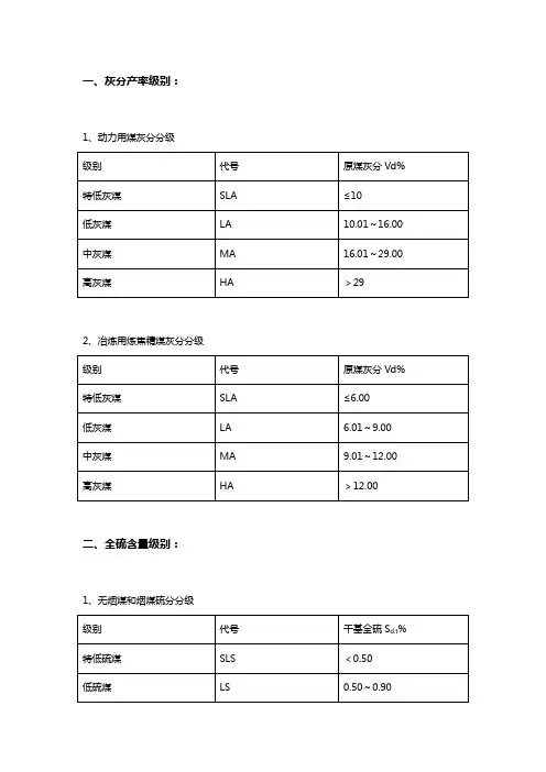
一、灰分产率级别:
1、动力用煤灰分分级
2、冶炼用炼焦精煤灰分分级
二、全硫含量级别:
1、无烟煤和烟煤硫分分级
2、炼焦用炼焦精煤硫分硫分分级及炼焦原料用煤
三、发热量级别
四、磷含量级别
五、砷含量级别(煤中砷含量分级MT/T803-1999)
六、氟含量级别(煤中氟含量分级MT/T966-2005)
七、煤灰熔融性级别
1、煤灰熔融性软化温度(ST)分级(MT/T 853.1)
2、煤灰熔融性流动温度(FT)分级(MT/T 853.2)
八、煤的焦油产率级别
九、煤的抗碎强度级别
十、褐煤及风化煤腐植酸含量级别
十一、理论精煤回收率级别
十二、可选性等级划分标准
十三、煤炭粒度分级(GB189—63)
十四、煤的哈氏可磨性指数分级(GB MT/T825—2000)
十五、煤层瓦斯成分分带
十六、挥发份分级表(GB MT/T849—2000)
十七、烟煤粘结指数分级(GB MT/T 596—1996)
十八、煤全水分分级(GB MT/T850—2000)
煤质化验指标
一、水分。
煤中水分分为内在水分、外在水分、结晶水和分解水。
煤中水分过大是,不利于加工、运输等,燃烧时会影响热稳定性和热传导,炼焦时会降低焦产率和延长焦化周期。
现在我们常报的水份指标有:
1、全水份(Mt),是煤中所有内在水份和外在水份的总和,也常用Mar表示。
一、灰分产率级别:1、动力用煤灰分分级2、冶炼用炼焦精煤灰分分级二、全硫含量级别:1、无烟煤和烟煤硫分分级2、炼焦用炼焦精煤硫分硫分分级及炼焦原料用煤三、发热量级别四、磷含量级别五、砷含量级别(煤中砷含量分级MT/T803-1999)六、氟含量级别(煤中氟含量分级MT/T966-2005)七、煤灰熔融性级别1、煤灰熔融性软化温度(ST)分级(MT/T853.1)2、煤灰熔融性流动温度(FT)分级(MT/T853.2)八、煤的焦油产率级别九、煤的抗碎强度级别十、褐煤及风化煤腐植酸含量级别十一、理论精煤回收率级别十二、可选性等级划分标准十三、煤炭粒度分级(GB189—63)十四、煤的哈氏可磨性指数分级(GBMT/T825—2000)十五、煤层瓦斯成分分带十六、挥发份分级表(GBMT/T849—2000)十七、烟煤粘结指数分级(GBMT/T596—1996)十八、煤全水分分级(GBMT/T850—2000)煤质化验指标一、水分。
煤中水分分为内在水分、外在水分、结晶水和分解水。
煤中水分过大是,不利于加工、运输等,燃烧时会影响热稳定性和热传导,炼焦时会降低焦产率和延长焦化周期。
现在我们常报的水份指标有:1、全水份(Mt),是煤中所有内在水份和外在水份的总和,也常用Mar表示。
通常规定在8%以下。
2、空气干燥基水份(Mad),指煤炭在空气干燥状态下所含的水份。
也可以认为是内在水份,老的国家标准上有称之为“分析基水份”的。
二、灰分指煤在燃烧的后留下的残渣。
不是煤中矿物质总和,而是这些矿物质在化学和分解后的残余物。
灰分高,说明煤中可燃成份较低。
发热量就低。
同时在精煤炼焦中,灰分高低决定焦炭的灰分。
能常的灰分指标有空气干燥基灰分(Aad)、干燥基灰分(Ad)等。
也有用收到基灰分的(Aar)。
三、挥发份(全称为挥发份产率)V指煤中有机物和部分矿物质加热分解后的产物,不全是煤中固有成分,还有部分是热解产物,所以称挥发份产率。
煤炭质量等级划分标准!我国煤炭质量指标等级划分(1)煤炭全水分的分级煤的全水分(Mt,%)分级)范围/%级别名称代号煤的全水分(Mt特低全水分煤SLM <6.0低全水分煤LM >6.0~8.0中等全水分煤MM >8.0~12.0中高全水分煤MHM >12.0~20.0高全水分煤HM >20.0~40.0特高全水分煤SHM >40.0(2)煤炭挥发分的分级挥发分分级级别名称代号干燥无灰基挥发分(V)范围/%daf特低挥发分煤SLV ≤10.00低挥发分煤LV >10.00~20.00中挥发分煤MV >20.00~28.00中高挥发分煤MHV >28.00~37.00高挥发分煤HV >37.00~50.00高挥发分煤HA >50.00(3)煤炭灰分的分级灰分分级根据煤的用途分为动力煤灰分分级和炼焦煤精煤灰分分级。
动力煤灰分分级)范围/%级别名称代号干基灰分(Ad特低灰煤SLA ≤10.00低灰煤LA >10.01~18.00中灰煤MA >18.01~25.00中高灰煤MHA >25.01~35.00高灰煤HA >35.50炼焦煤精煤灰分分级)范围/%级别名称代号干基灰分(Ad特低灰煤SLA ≤6.00低灰煤LA >6.01~8.00中灰煤MA >8.01~10.00中高灰煤MHA >10.01~12.50高灰煤HA >12.50(4)煤炭硫分的分级硫分分级根据煤的用途分为动力煤硫分分级和炼焦煤精煤硫分分级。
动力煤硫分分级)范围/%级别名称代号干基硫分(St,d特低硫煤SLS <0.50低硫煤LS >0.51~0.90中硫煤MS >0.91~1.50中高硫煤MHS >1.51~3.00高硫煤HS >3.00炼焦精煤硫分分级)范围/%级别名称代号干基硫分(St,d特低硫煤SLS <0.30低硫煤LS >0.31~0.75中硫煤MS >0.76~1.25中高硫煤MHS >1.26~1.75高硫煤HS >1.76~2.50(5)煤炭发热量的分级发热量分级)范围/(MJ/kg)级别名称代号发热量(Qgr,d特高发热量煤SHQ >30.90高发热量煤HQ >27.2~30.90中高发热量煤MHQ >24.31~27.20中发热量煤MQ >21.31~24.30中低发热量煤MLQ >16.71~21.30低发热量煤LQ ≤16.70煤中常见的有害微量元素有氯、磷、砷、汞、铬,有害微量元素等级的划分情况。
煤炭分类煤质指标的分级Pleasure Group Office【T985AB-B866SYT-B182C-BS682T-STT18】煤质指标的分级中国煤炭分类 (2008-06-19 10:04:30)中国煤炭分类:首先按煤的挥发分,将所有煤分为褐煤、烟煤和无烟煤;对于褐煤和无烟煤,再分别按其煤化程度和工业利用的特点分为2个和3个小类;烟煤部分按挥发分>10%~20%、>20%~28%、28%~37和>37%的四个阶段分为低、中、中高及高挥发分烟煤。
关于烟煤粘结性,则按粘结指数G区分:0~5为不粘结和微粘结煤;>5~20为弱粘结煤;>20~50为中等偏弱粘结煤;>50~65为中等偏强粘结煤;>65则为强粘结煤。
对于强粘结煤,又把其中胶质层最大厚度Y>25mm或奥亚膨胀度b>150%(对于Vdaf>28%的烟煤,b>220%)的煤分为特强粘结煤。
在煤类的命名上,考虑到新旧分类的延续性,仍保留气煤、肥煤、焦煤、瘦煤、贫煤、弱粘煤、不粘煤和长焰煤8个煤类。
在烟煤类中,对G>85的煤需再测定胶质层最大厚度Y值或奥亚膨胀度B值来区分肥煤、气肥煤与其它烟煤类的界限。
当Y值大于25mm时,如Vdaf>37%,则划分为气肥煤。
如Vdaf<37%,则划分为肥煤。
如Y值<25mm,则按其Vdaf值的大小而划分为相应的其它煤类。
如Vdaf>37%,则应划分为气煤类,如Vdaf>28%-37%,则应划分为1/3焦煤,如Vdaf在于28%以下,则应划分为焦煤类。
这里需要指出的是,对G值大于100的煤来说,尤其是矿井或煤层若干样品的平均G值在100以上时,则一般可不测Y值而确定为肥煤或气肥煤类。
在我国的煤类分类国标中还规定,对G值大于85的烟煤,如果不测Y值,也可用奥亚膨胀度B值(%)来确定肥煤、气煤与其它煤类的界限,即对Vdaf<28%的煤,暂定b值>150%的为肥煤;对Vdaf>28%的煤,暂定b值>220%的为肥煤(当Vdaf值<37%时)或气肥煤(当Vdaf值>37%时)。
煤炭分类煤质指标的分级集团标准化工作小组 #Q8QGGQT-GX8G08Q8-GNQGJ8-MHHGN#煤质指标的分级中国煤炭分类:首先按煤的挥发分,将所有煤分为褐煤、烟煤和无烟煤;对于褐煤和无烟煤,再分别按其煤化程度和工业利用的特点分为2个和3个小类;烟煤部分按挥发分>10%~20%、>20%~28%、28%~37和>37%的四个阶段分为低、中、中高及高挥发分烟煤。
关于烟煤粘结性,则按粘结指数G区分:0~5为不粘结和微粘结煤;>5~20为弱粘结煤;>20~50为中等偏弱粘结煤;>50~65为中等偏强粘结煤;>65则为强粘结煤。
对于强粘结煤,又把其中胶质层最大厚度Y>25mm或奥亚膨胀度b>150%(对于Vdaf>28%的烟煤,b>220%)的煤分为特强粘结煤。
在煤类的命名上,考虑到新旧分类的延续性,仍保留气煤、肥煤、焦煤、瘦煤、贫煤、弱粘煤、不粘煤和长焰煤8个煤类。
在烟煤类中,对G>85的煤需再测定胶质层最大厚度Y值或奥亚膨胀度B值来区分肥煤、气肥煤与其它烟煤类的界限。
当Y值大于25mm时,如Vdaf>37%,则划分为气肥煤。
如Vdaf<37%,则划分为肥煤。
如Y值<25mm,则按其Vdaf值的大小而划分为相应的其它煤类。
如Vdaf>37%,则应划分为气煤类,如Vdaf>28%-37%,则应划分为1/3焦煤,如Vdaf在于28%以下,则应划分为焦煤类。
这里需要指出的是,对G值大于100的煤来说,尤其是矿井或煤层若干样品的平均G值在100以上时,则一般可不测Y值而确定为肥煤或气肥煤类。
在我国的煤类分类国标中还规定,对G值大于85的烟煤,如果不测Y值,也可用奥亚膨胀度B值(%)来确定肥煤、气煤与其它煤类的界限,即对Vdaf<28%的煤,暂定b值>150%的为肥煤;对Vdaf>28%的煤,暂定b值>220%的为肥煤(当Vdaf值<37%时)或气肥煤(当Vdaf值>37%时)。
中国煤炭分类、煤质指标的分级煤质指标的分级煤炭灰分分级(Ad,)煤炭硫分分级(St,d)序号级别名称代号灰分范围(Ad,%)级别名称代号硫分范围(St,d%)1 特低灰煤SLA≤5.00特低硫煤SLS≤0.502 低灰分煤LA5.01~10.00低硫分煤LS0.51~1.003 低中灰煤LMA10.01~20.00低中硫煤LMS1.01~1.504 中灰分煤MA20.01~30.00中硫分煤MS1.51~2.005 中高灰煤MHA30.01~40.00中高硫煤MHS2.01~3.006 高灰分煤HA序号级别名称代号1 低热值煤LQ2 中低热值煤MLQ3 中热值煤MQ4 中高热值煤MHQ5 高热值煤HQ6 特高热值煤SHQ>27.0特高挥发分煤SHV>50 煤的固定碳分级(GB/T212)煤炭全水分分级(GB/T212)序号级别名称代号分级范围(FCd级别名称代号分级范围(Mt,,%)%)1 特低固定碳煤SLFC≤45.00特低全水分煤SLM≤6.02 低固定碳煤LFC>45~55低全水分煤LM >6~83 中等固定碳煤MFC>55~65中等全水分煤MLM>8~124 中高固定碳煤MHFC>65~75中高全水分煤MHM>12~205 高固定碳煤HFC>75~85高全水分煤HM>20~406 特高固定碳煤SHFC>85特高全水分煤SHM>40 中国煤炭分类(2008-06-19 10:04:30)中国煤炭分类:首先按煤的挥发分,将所有煤分为褐煤、烟煤和无烟煤;对于褐煤和无烟煤,再分别按其煤化程度和工业利用的特点分为2个和3个小类;烟煤部分按挥发分>10%~20%、>20%~28%、28%~37和>37%的四个阶段分为低、中、中高及高挥发分烟煤。
关于烟煤粘结性,则按粘结指数G区分:0~5为不粘结和微粘结煤;>5~20为弱粘结煤;>20~50为中等偏弱粘结煤;>50~65为中等偏强粘结煤;>65则为强粘结煤。
煤炭质量分级(GB/T15224—2010)资源煤分级干基高位发热量Qgr.d/(MJ/kg)干燥基全硫分 St.d/%特高发热量煤 >30.90 特低硫煤≤0.50高发热量煤 27.21~30.90 低硫煤 0.50~1.00中高发热量煤 24.31~27.20 中硫煤 1.01~2.00中发热量煤 21.31~24.30 中高硫煤 2.01~3.00中低发热量煤 16.71~21.30 高硫煤 >3.00低发热量煤≤16.70 (动力煤分级)灰分Ad/%(资源)干燥基全硫的灰分 St.d/%特低灰煤≤10.00 特低硫煤<0.50低灰煤 10.01~20.00 低硫分煤 0.50~0.90中灰煤 20.01~30.00 中硫分煤 0.91~1.50中高灰煤 30.01~40.00 中高硫煤 1.51~3.00高灰煤 40.01~50.00 高硫分煤 >3.00全水分 M t/%(MT/T850-2000)挥发分 Vdaf,/%(MT/T849-2000)煤特低全水分煤≤6.00 特低挥发分煤≤lO.00低全水分煤 >6.0~8.0 低挥发分煤 >lO.00~20.00中等全水分煤 >8.0~12.0 中等挥发分煤 >20.00~28.00中高全水分煤 >12.0~20.0 中高挥发分煤 >28.00~37.OO高全水分煤 >20.0~40.00 高挥发分煤 >37.O0~50.OO特高全水分煤 >40.00 特高挥发分煤 >50.O 烟煤粘结指数 (G R.I)(MT/T596-2008)不粘结煤 0~5 焦油产率T9(%)褐煤及风化腐植酸(H r m(%)弱粘结煤 >5~30 高油煤 >12 高腐植酸煤 >60中粘结煤 >30~50 富油煤 >7-12 富腐植酸煤 >40-60中强粘结煤>50~65 含油煤≤7 中腐植酸煤 >20-40强粘结煤 >65~85 低腐植酸煤≤20特强粘结煤>85(GB/T20475—2006)(MT/T966-2005)磷含量分级 Pd/% 氯含量范围Cl d% 氟含量范围F d/(μg.g-1)特低磷煤<O.010 特低氯煤≤O.050 特低氟分煤<80低磷煤≥0.010~0.050 低氯煤 >0.050~0.150 低氟分煤80~130中磷煤 >0.050~O.100 中氯煤 >0.150~O.300 中氟分煤131~200高磷煤 >0.100 高氯煤 >0.300 高氟分煤>200砷的质量分级As d(%)(MT/T803-1999)一级含砷煤≤4.0×10-4煤中锗含量分级(MT/T967-2005)二级含砷煤 >4×10-4~8×10-4低锗煤≤20 (μg/g)三级含砷煤 >8×10-4~25×10-4高锗煤<20四级含砷煤 >25×10-4地热分级(矿山安全规程)一级地热害 31~37°C一级地热害 >37°C。
一、灰分产率级别:2、冶炼用炼焦精煤灰分分级二、全硫含量级别:1、无烟煤和烟煤硫分分级三、发热量级别四、磷含量级别五、砷含量级别(煤中砷含量分级 MT/T803-1999)六、氟含量级别(煤中氟含量分级 MT/T966-2005)七、煤灰熔融性级别1、煤灰熔融性软化温度(ST)分级(MT/T 853.1)十、褐煤及风化煤腐植酸含量级别十一、理论精煤回收率级别十二、可选性等级划分标准十三、煤炭粒度分级(GB189—63)十四、煤的哈氏可磨性指数分级(GB MT/T825—2000)十五、煤层瓦斯成分分带十六、挥发份分级表(GB MT/T849—2000)十七、烟煤粘结指数分级(GB MT/T 596—1996)十八、煤全水分分级(GB MT/T850—2000)煤质化验指标一、水分。
煤中水分分为内在水分、外在水分、结晶水和分解水。
煤中水分过大是,不利于加工、运输等,燃烧时会影响热稳定性和热传导,炼焦时会降低焦产率和延长焦化周期。
现在我们常报的水份指标有:1、全水份(Mt),是煤中所有内在水份和外在水份的总和,也常用Mar表示。
通常规定在8%以下。
2、空气干燥基水份(Mad),指煤炭在空气干燥状态下所含的水份。
也可以认为是内在水份,老的国家标准上有称之为“分析基水份”的。
二、灰分指煤在燃烧的后留下的残渣。
不是煤中矿物质总和,而是这些矿物质在化学和分解后的残余物。
灰分高,说明煤中可燃成份较低。
发热量就低。
同时在精煤炼焦中,灰分高低决定焦炭的灰分。
能常的灰分指标有空气干燥基灰分(Aad)、干燥基灰分(Ad)等。
也有用收到基灰分的(Aar)。
三、挥发份(全称为挥发份产率)V指煤中有机物和部分矿物质加热分解后的产物,不全是煤中固有成分,还有部分是热解产物,所以称挥发份产率。
挥发份大小与煤的变质程度有关,煤炭变质量程度越高,挥发份产率就越低。
在燃烧中,用来确定锅炉的型号;在炼焦中,用来确定配煤的比例;同时更是汽化和液化的重要指标。
我国煤炭分类煤质指标的分级我国的煤炭资源十分丰富,煤炭被广泛应用于能源、化工、冶金、建材等行业。
为了统一和管理国内煤炭资源,我国对煤炭进行了分类和分级,并制定了相应的煤质指标。
下面将对我国煤炭的分类、分级以及煤质指标进行详细介绍。
一、煤炭的分类根据煤的形成时期和成因,煤炭可以分为三类:石炭、褐炭和烟炭。
其中,石炭是最古老的一类煤,是在二叠纪末期和二迭纪早期形成的,主要分布于我国的华北、东北和西南地区;褐炭是在二迭纪末期和三叠纪早期形成的,分布于我国的华东、华南和西北地区;烟炭是在第四纪冰期之后形成的,分布于中国西北地区。
二、煤炭的分级我国根据煤的不同类型和煤质指标,将煤炭分为多个等级,常见的分级标准有以下几种:1.挥发分分级标准:(1)烟煤:挥发分≥35%;(2)长焰煤:挥发分<35%。
2.发热量分级标准:(1)高位发热量≥6000大卡/千克的煤炭为优质煤;(2)高位发热量<6000大卡/千克的煤炭为一般质量煤。
3.固定碳分级标准:(1)强块煤:固定碳≥80%;(2)中块煤:固定碳≥75%。
4.灰分分级标准:(1)优质煤:灰分≤12%;(2)一般质量煤:灰分≤25%。
5.全硫分级标准:(1)低硫煤:全硫≤1.0%;(2)中硫煤:全硫≤2.0%。
三、煤质指标煤炭的煤质指标是评价煤炭质量和应用价值的重要标准。
1.发热量:也称高位发热量,是煤炭燃烧时释放出的热量,单位为千卡或大卡。
发热量高表示单位质量的煤炭可以释放出较多的热量。
2.挥发分:指煤炭在加热过程中失去的轻质挥发性组分的百分比。
挥发分高表示煤炭易燃烧,火焰热度高。
3.固定碳:指煤炭在加热过程中不发生挥发的有机质的百分比。
固定碳高表示煤炭的密度大,燃烧稳定。
4.灰分:指煤炭中不燃烧的无机质的百分比。
灰分高表示煤炭燃烧后残留的灰烬多,会增加环境污染。
5.全硫:指煤炭中硫的总量,主要以硫化物的形式存在。
全硫多会造成燃烧时释放出来的硫酸气体,对环境和人体健康造成危害。
煤质指标的分级中国煤炭分类中国煤炭分类:首先按煤的挥发分,将所有煤分为褐煤、烟煤和无烟煤;对于褐煤和无烟煤,再分别按其煤化程度和工业利用的特点分为2个和3个小类:烟煤部分按挥发分>10虻20%、〉20虻28%、28%'37和〉37弔的四个阶段分为低、中、中高及高挥发分烟煤。
关于烟煤粘结性,则按粘结指数G区分:0~5为不粘结和微粘结煤;>5~20为弱粘结煤;>20~50 为中等偏弱粘结煤;>50'65为中等偏强粘结煤;〉65则为强粘结煤。
对于强粘结煤,又把其中胶质层最人厚度Y>25mm或奥亚膨胀度b>150% (对于Vdaf>28%的烟煤,b>220%)的煤分为特强粘结煤。
在煤类的命名上,考虑到新I口分类的延续性,仍保留气煤、肥煤、焦煤、瘦煤、贫煤、弱粘煤、不粘煤和长焰煤8个煤类。
在烟煤类中,对G>83的煤需再测定胶质层最人厚度Y值或奥亚膨胀度B值来区分肥煤、气肥煤与其它烟煤类的界限。
当Y值大于25mm时,如Vdaf>37%,则划分为气肥煤。
如Vdaf<37%, 则划分为肥煤。
如Y 值〈25mm,则按其Vdaf值的人小而划分为和应的其它煤类。
如Vdaf〉37%, 则应划分为气煤类,in Vdaf>28%-37%,则应划分为1/3焦煤,如Vdaf在于28%以下,则应划分为焦煤类。
这里需要指出的是,对G值人于100的煤来说,尤其是矿井或煤层若干样品的平均G值在100以上时,则•般可不测Y值而确定为肥煤或气肥煤类。
在我国的煤类分类国标中还规定,对G值大于85的烟煤,如果不测Y值,也可用奥亚膨胀度B值(%)来确定肥煤、气煤与其它煤类的界限,即对Vdaf<28%的煤,暂定b值>150霜的为肥煤:对Vdaf>28%的煤,暂定b值>220%的为肥煤(当Vdaf值<37%时)或气肥煤(当Vdaf值>37% 时)。
主要煤质指标分级标准及煤质分析2)当长烟煤、不粘煤、弱粘煤、气煤、瘦煤、贫煤和无烟煤的水分较高或者用于粉煤燃烧装置,不能或不需要筛出6~13毫米的煤炭时,可生产小于13毫米的煤炭,称为抹煤,符号为m。
3)各级煤炭的限下含量,应符合煤炭产品质量标准的规定。
2.褐煤根据粒级别,但焦煤肥煤作燃料直接使用而用户又要求分级时,其粒度尺寸应符合本标准的规定。
2)当长烟煤、不粘煤、弱粘煤、气煤、瘦煤、贫煤和无烟煤的水分较高或者用于粉煤燃烧装置,不能或不需要筛出6~13毫米的煤炭时,可生产小于13毫米的煤炭,称为抹煤,符号为m。
3)各级煤炭的限下含量,应符合煤炭产品质量标准的规定。
2.褐煤根据粒度不同,分为下列各级:探工作中,为新区确定小类或生产矿、厂和其他单位需要重新核定小类时,应同时测定vr和hr,按上表小类。
如两种结果有矛盾,以按hr划小类的结果为准。
数g来划分煤类。
当粘结支书测值g大于85时,则用干燥无灰基挥发分v和胶质层最大厚度y,或用干燥无灰基挥发分v和奥亚膨胀度b来划分煤类。
**当g>85时,用y和b并列作为分类指标。
当v28.0%时,b暂定为220%。
???当b值和y值有矛盾时,以y值为准来划分煤类。
分类用的煤样,如原煤灰分小于或等于10%者,不需灰分。
灰分大于10%的煤样需按gb474-83煤样的制备方24mj/kg(5700cal/g)则划为长焰煤。
(十)煤的元素分析煤的元素组成,是研究煤的变质程度,计算煤的发热量,估算煤的干馏产物的重要指标,也是工业中以煤作燃料时进行热量计算的基础。
煤中除无机矿物质和水分以外,其余都是有机质。
由于组成煤的基本结构单元是以碳为骨架得多聚芳香环系统,在芳香环周围有碳、氢、氧及少量的氮和硫等原子组成的侧链和官能团。
如羧基(-cooh)、羟基(-oh)和甲氧基(-och3)。
说明了煤中有机质主要由碳、氢、氧和氮、硫等元素组成。
煤的变质程度不同,其结构单元不同,元素组成也不同。
煤质指标分级详细标准————————————————————————————————作者:————————————————————————————————日期:一、灰分产率级别:1、动力用煤灰分分级级别代号原煤灰分Vd% 特低灰煤SLA≤10低灰煤LA 10.01~16.00 中灰煤MA 16.01~29.00 高灰煤HA>292、冶炼用炼焦精煤灰分分级级别代号原煤灰分Vd% 特低灰煤SLA ≤6.00低灰煤LA 6.01~9.00中灰煤MA 9.01~12.00高灰煤HA >12.00二、全硫含量级别:1、无烟煤和烟煤硫分分级级别代号干基全硫S d.t% 特低硫煤SLS <0.50低硫煤LS 0.50~0.90中硫煤MS 0.91~1.50中高硫煤MHS 1.51~3.00高硫煤HS >3.002、炼焦用炼焦精煤硫分硫分分级及炼焦原料用煤级别代号干基全硫S d.t%特低硫煤SLS <0.40低硫煤LS 0.40~0.70中低硫煤MLS 0.71~0.95中硫煤MS 0.96~1.20中高硫煤MHS 1.21~1.50高硫煤HS 1.51~2.50三、发热量级别级别代号干燥高位发热量Qgr,d(MJ/kg) 特高热值煤SHQ >29.60高热值煤HQ 25.51~29.60中热值煤MQ 22.41~25.50低热值煤LQ16.30~22.40特低热值煤SLQ <16.30四、磷含量级别级别代号原煤磷Pd(%)特低磷煤P—1 ≤0.01低磷煤P—2 >0.01~0.05中磷煤P—3 >0.05~0.10高磷煤P—4>0.10五、砷含量级别(煤中砷含量分级MT/T803-1999)级别代号原煤砷As(%)一级含砷煤ⅠAs ≤4.0×10-4二级含砷煤ⅡAs >4.0×10-4~8.0×10-4三级含砷煤ⅢAs>8.0×10-4~25.0×10-4四级含砷煤ⅣAs >25.0×10-4六、氟含量级别(煤中氟含量分级MT/T966-2005)级别代号原煤氟As含量μg/g特低氟煤SLF<80低氟煤LF 80~130中氟煤MF131~200高氟煤HF >200七、煤灰熔融性级别1、煤灰熔融性软化温度(ST)分级(MT/T 853.1)级别代号软化温度ST℃低软化温度灰LST≤1100较低软化温度灰RLST >1100~1250中等软化温度灰MST>1250~1350较高软化温度灰RHST >1350~1500 高软化温度灰HST >15002、煤灰熔融性流动温度(FT)分级(MT/T 853.2)级别代号流动温度FT℃低流动温度灰LFT ≤1150较低流动温度灰RLFT >1150~1300 中等流动温度灰MFT>1300~1400 较高流动温度灰RHFT>1400~1500高流动温度灰HFT >1500八、煤的焦油产率级别级别焦油产率T j(%)高油煤>12富油煤>7~12含油煤≤7九、煤的抗碎强度级别级别落下试验法>25毫米(%)高强度煤>65中强度煤>50~65低强度煤>30~50特低强度煤≤30十、褐煤及风化煤腐植酸含量级别级别总腐植酸含量H f M (%)高腐植酸煤>60富腐植酸煤>40~60中腐植酸煤>20~40低腐植酸煤≤20十一、理论精煤回收率级别级别理论精煤回收率(%)优等>70良等>50~70中等>40~50低等<40十二、可选性等级划分标准±0.1含量% 可选性等级≤10.0极易选10.1~20.0 易选20.1~30.0 中等可选30.1~40.0 难选>40.0 极难选十三、煤炭粒度分级(GB189—63)序号粒度名称粒度符号粒度尺寸(mm)1 特大块T >100~3002大块D50~1003 中块Z 25~504 小块X 13~255 粒煤L6~136 粉煤 F <6十四、煤的哈氏可磨性指数分级(GB MT/T825—2000)序号级别名称代号分级范围(HGI)1 难磨煤DG ≤402 较难磨煤RDG>40~603 中等可磨煤MG >60~804 易磨煤EG >80~1005极易磨煤UEG >100十五、煤层瓦斯成分分带序号级别名称CH4(%) N2(%) CO2(%) 分带1氮气—二氧化碳带0~10 20~8020~802氮气带0~2080~100 0~20瓦斯风化带3 氮气—沼气带0~8020~80 0~204 沼气带80~100 0~20 0~20 沼气带十六、挥发份分级表(GB MT/T849—2000)序号级别名称代号分级范围(Vdaf)1 特低挥发分SLV ≤102 低挥发分LV>10~203中等挥发分MV >20~284中高挥发分MHV >28~375高挥发分HV >37~506 特高挥发分SHV>50十七、烟煤粘结指数分级(GB MT/T596—1996)级别名称代号分级范围(HGI)不粘结煤BNM 0~5弱粘结煤RNM >5~30中粘结煤ZNM >30~50中强粘结煤ZQN >50~65强粘结煤QNM >65~85特强粘结煤TQN>85十八、煤全水分分级(GB MT/T850—2000)序号级别名称代号分级范围(Mt)1 特低全水分SLM≤6.02 低全水分LM >6.0~8.03 中等全水分MLM >8.0~12.04 中高全水分MHM>12.0~20.05 高全水分HM >20.0~40.06 特高全水分SHM>40.0煤质化验指标一、水分。
煤中水分分为内在水分、外在水分、结晶水和分解水。
煤中水分过大是,不利于加工、运输等,燃烧时会影响热稳定性和热传导,炼焦时会降低焦产率和延长焦化周期。
ﻫ现在我们常报的水份指标有:ﻫ1、全水份(Mt),是煤中所有内在水份和外在水份的总和,也常用Mar表示。
通常规定在8%以下。
2、空气干燥基水份(Mad),指煤炭在空气干燥状态下所含的水份。
也可以认为是内在水份,老的国家标准上有称之为“分析基水份”的。
二、灰分ﻫ指煤在燃烧的后留下的残渣。
不是煤中矿物质总和,而是这些矿物质在化学和分解后的残余物。
灰分高,说明煤中可燃成份较低。
发热量就低。
同时在精煤炼焦中,灰分高低决定焦炭的灰分。
能常的灰分指标有空气干燥基灰分(Aad)、干燥基灰分(Ad)等。
也有用收到基灰分的(Aar)。
三、挥发份(全称为挥发份产率)V指煤中有机物和部分矿物质加热分解后的产物,不全是煤中固有成分,还有部分是热解产物,所以称挥发份产率。
ﻫ挥发份大小与煤的变质程度有关,煤炭变质量程度越高,挥发份产率就越低。
ﻫ在燃烧中,用来确定锅炉的型号;在炼焦中,用来确定配煤的比例;同时更是汽化和液化的重要指标。
ﻫ常使用的有空气干燥基挥发份(Vad)、干燥基挥发份(Vd)、干燥无灰基挥发份(Vdaf)和收到基挥发份(Var)。
ﻫ其中Vdaf是煤炭分类的重要指标之一。
ﻫﻫ固定碳不同于元素分析的碳,是根据水分、灰分和挥发份计算出来的。
FC+A+V+M=100相关公式如下:FCad=100-Mad-Aad-VadﻫFCd=100-Ad-VdFCdaf=100-Vdaf四、全硫St是煤中的有害元素,包括有机硫、无机硫。
1%以下才可用于燃料。
部分地区要求在0.6和0.8以下,现在常说的环保煤、绿色能源均指硫份较低的煤。
ﻫ常用指标有:空气干燥基全硫(St,ad)、干燥基全硫(St.d)及收到基全硫(St,ar)。
五、煤的发热量煤的发热量,又称为煤的热值,即单位质量的煤完全燃烧所发出的热量。
煤的发热量时煤按热值计价的基础指标。
煤作为动力燃料,主要是利用煤的发热量,发热量愈高,其经济价值愈大。
同时发热量也是计算热平衡、热效率和煤耗的依据,以及锅炉设计的参数。
煤的发热量表征了煤的变质程度(煤化度),这里所说的煤的发热量,是指用1.4比重液分选后的浮煤的发热量(或灰分不超过10%的原煤的发热量)。
成煤时代最晚煤化程度最低的泥炭发热量最低,一般为20.9~25.1MJ/Kg,成煤早于泥炭的褐煤发热量增高到25~31MJ/Kg,烟煤发热量继续增高,到焦煤和瘦煤时,碳含量虽然增加了,但由于挥发分的减少,特别是其中氢含量比烟煤低的多,有的低于1%,相当于烟煤的1/6,所以发热量最高的煤还是烟煤中的某些煤种。
鉴于低煤化度煤的发热量,随煤化度的变化较大,所以,一些国家常用煤的恒湿无灰基高位发热量作为区分低煤化度煤类别的指标。
我国采用煤的恒湿无灰基高位发热量来划分褐煤和长焰煤。
ﻫ(1)发热量的单位热量的表示单位主要有焦耳(J)、卡(cal)和英制热量单位Btu。
焦耳,是能量单位。
1焦耳等于1牛顿(N)力在力的方向上通过1米的位移所做的功。
1J=1N×0J 1MJ=1000KJﻫ焦耳时国际标准化组织(ISO)所采用的热量单位,也是我国1984年颁布的,1986年7月1日实施的法定计量热量的单位。
煤的热量表示单位:J/g、KJ/g、MJ/Kg卡(cal)是我国建国后长期采用的一种热量单位。
1cal是指1g纯水从19.5C加热到20.5C时所吸收的热量。
欧美一些国家多采用15Ccal,即1g纯水从14.5C加热到15.5C时所吸收的热量。
1cal(20Ccal)=4.1816J1cal(15Ccal)=4.1855J(2)煤的各种发热量名称的含义ﻫa.煤的弹筒发热量(Qb)煤的弹筒发热量,是单位质量的煤样在热量计的弹筒内,在过量高压氧(25~35个大气压左右)中燃烧后产生的热量(燃烧产物的最终温度规定为25C)。
b.煤的高位发热量(Qgr)煤的高位发热量,即煤在空气中大气压条件下燃烧后所产生的热量。
实际上是由实验室中测得的煤的弹筒发热量减去硫酸和硝酸生成热后得到的热量。
ﻫc.煤的低位发热量(Qnet) 煤的低位发热量,是指煤在空气中大气压条件下燃烧后产生的热量,扣除煤中水分(煤中有机质中的氢燃烧后生成的氧化水,以及煤中的游离水和化合水)的汽化热(蒸发热),剩下的实际可以使用的热量。
d.煤的恒湿无灰基高位发热量(Qmaf)恒湿,是指温度30C,相对湿度96%时,测得的煤样的水分(或叫最高内在水分)。
煤的恒湿无灰基高位发热量,实际中是不存在的,是指煤在恒湿条件下测得的恒容高位发热量,除去灰分影响后算出来的发热量。
ﻫ(4)煤的高位发热量计算ﻫ煤的高位发热量计算公式为: Qgr,ad=Qb,ad-95Sb,ad-aQb,ad式中:Qgr,ad——分析煤样的高位发热量,J/g;Qb,ad——分析煤样的弹筒发热量,J/g;95——煤中每1%(0.01g)Sb,ad——由弹筒洗液测得的煤的硫含量,%;ﻫ硫的校正值,J/g;ﻫa——硝酸校正系数。