铝合金门窗检验批质量验收记录
- 格式:doc
- 大小:322.00 KB
- 文档页数:7
铝合金门窗安装工程检验批质量验收记录层项目名称:铝合金门窗安装工程施工单位:________________验收单位:________________验收日期:________________一、工程概况本次工程是铝合金门窗的安装工程,施工单位按照合同约定完成了施工任务。
现进行质量验收,以确保工程质量符合要求。
二、工程验收标准根据国家和地方相关技术标准以及合同约定,对工程质量进行全面检验,确保工程符合相关规定要求。
三、验收内容及要求1.验收内容:主要检验铝合金门窗的安装质量、密封性能、外观质量等。
2.验收要求:严格按照规范要求进行验收,确保工程质量达到标准要求。
四、检验过程与结果1.铝合金门窗安装质量检验:a)检查铝合金门窗的尺寸和平整度,符合设计要求。
b)检查固定件的安装质量,包括角铁、膨胀螺栓等是否牢固、稳定。
c)检查玻璃安装质量,包括玻璃边框是否垂直、平整、密封性是否良好。
d)检查门窗框架的卡口和接口处,无开裂、脱落等质量问题。
e)检查门窗的开启、关闭、密封等功能是否正常。
f)检查门窗的外观质量,如无明显划痕、凹陷、漏胶等问题。
2.验收结果:经检验,铝合金门窗的安装质量、密封性能、外观质量都符合相关要求,达到验收标准。
五、存在的问题及整改措施1.存在的问题:_________________________________________2.整改措施:_________________________________________六、验收结论经过检验,铝合金门窗安装工程的质量均符合要求,达到验收标准,可以进行下一阶段工作。
七、备注1.如需整改,施工单位应在规定时间内完成整改,并报告验收单位;2.本次质量验收记录作为工程交接的重要依据,需妥善保管。
验收单位签字:_________________施工单位签字:_________________。
铝合金门窗安装工程检验批质量验收记录.txt铝合金门窗安装工程检验批质量验收记录项目信息项目名称:铝合金门窗安装工程项目地点:[填写项目地点]项目编号:[填写项目编号]甲方:[填写甲方单位名称]乙方:[填写乙方单位名称]检验批信息检验批名称:[填写检验批名称]检验批编号:[填写检验批编号]总批数:[填写总批数]当前批次:[填写当前批次]检验日期:[填写检验日期]验收结果在本次铝合金门窗安装工程的质量验收中,经过检验,结果如下:1.所有的铝合金门窗材料均符合设计要求,并经过合理的组装和安装。
2.门窗尺寸和开启功能正常,没有变形或不对称现象。
3.玻璃制品完好无损,没有破损或裂纹。
4.确保门窗的密封性良好,无漏风,无渗水现象。
5.门窗的装饰面板和五金配件完好,且颜色、表面处理符合要求。
6.门窗的运行与锁闭机构可靠,开启、关闭灵活。
办理意见根据以上检验结果,我单位作出以下办理意见:1.通过本次铝合金门窗安装工程的质量验收。
2.向甲方提供验收合格的证明文件,并办理相关手续。
3.乙方可以进入下一阶段的工程进度。
问题及处理在质量验收过程中,未发现任何质量问题或不符合规范要求的情况。
验收人员签字验收人员。
| 日期。
|填写姓名] | [填写日期]。
|填写姓名] | [填写日期]。
|附件列举附件,如验收报告、照片等]以上是本次铝合金门窗安装工程的检验批质量验收记录,请各方按照相关规范和要求进行相关手续办理。
如有疑问,请及时联系。
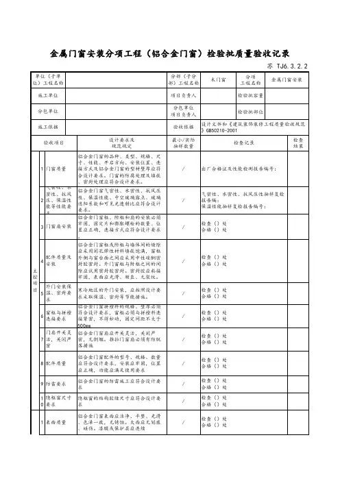
铝合金百叶窗安装工程检验批质量验收记录表GB50210—2001GD220209□□说明:《建筑装饰装修工程质量验收规范》GB50210-2001第5.3 金属门窗安装工程主控项目1、金属门窗的品种、类型、规格、尺寸、性能、开启方向、安装位置、连接方式及铝合金门窗的型材壁厚应符合设计要求。
金属门窗的防腐处理及填嵌、密封处理应符合设计要求。
观察和尺量检查;检查产品合格证书、性能检测报告、进场验收记录和复验报告及隐蔽工程验收记录。
2、金属门窗框和副框的安装必须牢固。
预埋件的数量、位置、埋设方式、与框的连接方式必须符合设计要求。
手扳检查;检查隐蔽工程验收记录。
3、金属门窗扇必须安装牢固,并应开关灵活、关闭严密,无倒翘。
推拉门窗扇必须有防脱落措施。
观察、开闭和手扳检查。
4、金属门窗配件的型号、规格、数量应符合设计要求,安装应牢固,位置应正确,功能应满足使用要求。
观察、开闭和手扳检查。
一般项目:1、金属门窗表面应洁净、平整、光滑、色泽一致,无锈蚀。
大面应无划痕、碰伤。
漆膜或保护层应连续。
观察检查。
2、铝合金门窗推拉门窗扇开关力应不大于100N。
用弹簧秤检查。
3、金属门窗框与墙体之间的缝隙应填嵌饱满,并采用密封胶密封。
密封胶表面应光滑、顺直,无裂纹。
观察、敲框检查;检查隐蔽工程验收记录。
4、金属门窗扇的橡胶密封条或毛毡密封条应安装完好,不得脱槽。
观察、开闭检查。
5、有排水孔的金属门窗,排水孔应畅通,位置和数量应符合设计要求。
观察检查。
6、铝合金门窗安装的允许偏差符合下表规定。
金属门窗安装工程检验批质量验收记录表(Ⅱ)铝合金门窗山东省建设工程质量监督总站监制金属门窗安装工程检验批质量验收记录表(Ⅱ)铝合金门窗金属门窗安装工程检验批质量验收记录表(Ⅱ)铝合金门窗山东省建设工程质量监督总站监制金属门窗安装工程检验批质量验收记录表(Ⅱ)铝合金门窗山东省建设工程质量监督总站监制金属门窗安装工程检验批质量验收记录表(Ⅱ)铝合金门窗山东省建设工程质量监督总站监制金属门窗安装工程检验批质量验收记录表(Ⅱ)铝合金门窗山东省建设工程质量监督总站监制金属门窗安装工程检验批质量验收记录表(Ⅱ)铝合金门窗山东省建设工程质量监督总站监制金属门窗安装工程检验批质量验收记录表(Ⅱ)铝合金门窗山东省建设工程质量监督总站监制金属门窗安装工程检验批质量验收记录表(Ⅱ)铝合金门窗山东省建设工程质量监督总站监制金属门窗安装工程检验批质量验收记录表(Ⅱ)铝合金门窗山东省建设工程质量监督总站监制金属门窗安装工程检验批质量验收记录表(Ⅱ)铝合金门窗山东省建设工程质量监督总站监制金属门窗安装工程检验批质量验收记录表(Ⅱ)铝合金门窗山东省建设工程质量监督总站监制金属门窗安装工程检验批质量验收记录表(Ⅱ)铝合金门窗山东省建设工程质量监督总站监制金属门窗安装工程检验批质量验收记录表(Ⅱ)铝合金门窗山东省建设工程质量监督总站监制金属门窗安装工程检验批质量验收记录表(Ⅱ)铝合金门窗山东省建设工程质量监督总站监制金属门窗安装工程检验批质量验收记录表(Ⅱ)铝合金门窗山东省建设工程质量监督总站监制金属门窗安装工程检验批质量验收记录表(Ⅱ)铝合金门窗山东省建设工程质量监督总站监制金属门窗安装工程检验批质量验收记录表(Ⅱ)铝合金门窗山东省建设工程质量监督总站监制金属门窗安装工程检验批质量验收记录表(Ⅱ)铝合金门窗山东省建设工程质量监督总站监制金属门窗安装工程检验批质量验收记录表(Ⅱ)铝合金门窗山东省建设工程质量监督总站监制金属门窗安装工程检验批质量验收记录表(Ⅱ)铝合金门窗山东省建设工程质量监督总站监制金属门窗安装工程检验批质量验收记录表(Ⅱ)铝合金门窗山东省建设工程质量监督总站监制金属门窗安装工程检验批质量验收记录表(Ⅱ)铝合金门窗山东省建设工程质量监督总站监制金属门窗安装工程检验批质量验收记录表(Ⅱ)铝合金门窗山东省建设工程质量监督总站监制金属门窗安装工程检验批质量验收记录表(Ⅱ)铝合金门窗山东省建设工程质量监督总站监制金属门窗安装工程检验批质量验收记录表(Ⅱ)铝合金门窗山东省建设工程质量监督总站监制金属门窗安装工程检验批质量验收记录表(Ⅱ)铝合金门窗山东省建设工程质量监督总站监制金属门窗安装工程检验批质量验收记录表(Ⅱ)铝合金门窗山东省建设工程质量监督总站监制金属门窗安装工程检验批质量验收记录表(Ⅱ)铝合金门窗山东省建设工程质量监督总站监制金属门窗安装工程检验批质量验收记录表(Ⅱ)铝合金门窗山东省建设工程质量监督总站监制金属门窗安装工程检验批质量验收记录表(Ⅱ)铝合金门窗山东省建设工程质量监督总站监制金属门窗安装工程检验批质量验收记录表(Ⅱ)铝合金门窗山东省建设工程质量监督总站监制金属门窗安装工程检验批质量验收记录表(Ⅱ)铝合金门窗山东省建设工程质量监督总站监制金属门窗安装工程检验批质量验收记录表(Ⅱ)铝合金门窗山东省建设工程质量监督总站监制金属门窗安装工程检验批质量验收记录表(Ⅱ)铝合金门窗。
金属门窗安装分项工程检验批质量验收记录金属门窗是建筑工程中常用的一种门窗材料,其安装分项工程的质量验收是确保施工质量的重要环节。
下面是一份金属门窗安装分项工程检验批质量验收记录,供参考:项目名称:金属门窗安装分项工程工程编号:XXX工程地点:XXX一、项目概述二、检验批信息检验批号:XXX施工单位:XXX质检单位:XXX检查日期:XXXX年XX月XX日三、质量验收内容1.材料验收对金属门窗的材料进行质量检查和验收,包括金属门窗型材、五金配件、密封胶条等,确保符合相关标准和要求。
检查项目包括:(1)金属门窗型材:检查型材表面是否平整、无明显变形、无划痕和凹凸不平等问题。
(2)五金配件:检查各种五金配件的加工精度和装配质量是否符合要求。
(3)密封胶条:检查胶条厚度和强度是否符合要求。
2.安装验收对金属门窗的安装进行质量检查和验收,确保安装质量符合相关标准和要求。
检查项目包括:(1)安装位置:检查门窗的安装位置是否与施工图纸一致,是否与周围构件有适当的间隙。
(2)安装角度:检查门窗的安装角度是否垂直、水平或按照设计要求进行调整。
(3)固定方式:检查门窗的固定方式是否牢固、稳定,固定螺栓是否紧固。
(4)密封性能:检查门窗的密封胶条是否安装到位,密封效果是否良好。
(5)开关灵活性:检查门窗的开关是否灵活、顺畅,门窗是否能够紧密闭合。
3.补救措施如果在质量验收过程中发现金属门窗安装存在问题,需要及时采取补救措施,以保证施工质量。
补救措施包括:重新调整安装位置、调整安装角度、更换材料或配件等。
四、质量验收结果经过对金属门窗安装分项工程进行质量验收,结果如下:1.材料验收:金属门窗型材、五金配件和密封胶条等材料质量符合相关标准和要求。
2.安装验收:金属门窗安装位置正确,角度垂直或水平,固定方式稳固,密封性能良好,开关灵活顺畅。
五、存在问题和建议经质量验收发现的问题及建议如下:1.门窗密封胶条安装不到位,建议重新安装密封胶条。
监理工程师检查记录
金属门窗(铝合金门窗)安装工程检验批
单位(子单位)工程名称
分部(子分部)工程名称验收部位施工单位项目经理
分包单位分包项目经理
施工执行标准名称及编号《建筑地基与基础工程施工工艺标准》(GSQB12-01-2005)施工质量验收规范的规定监理单位检查记录
主控项目1 门窗质量第5.3.2条
2 框和副框安装,预埋件第5.3.3条
3 门窗扇安装第5.3.4条
4 配件质量及安装第5.3.5条
一般项目1 表面质量第5.3.6条
2 推拉窗开关应力第5.3.7条
3 框与墙体间的缝隙第5.3.8条
4 扇密封胶条或毛毡密封胶条第5.3.9条
5 排水孔第5.3.10条6
安
装
允
许
偏
差
门窗槽口宽
度、高度
≤1500mm 1.5mm
>1500mm 2mm 门窗槽口对角
线长度
≤2000mm 3mm
>2000mm 4mm 门窗框的正、侧面垂直度 2.5mm
门窗横框的水平度2mm
门窗横框的标高5mm
门窗竖向偏离中心5mm
双层门窗内外框间距4mm
推拉门窗扇与框搭接量 1.5mm
监理工程师意见:
专业监理工程师:年月日注:本表一式二份,项目监理机构、城建档案管理机构各一份。
铝合金门窗安装工程检验批质量验收记录项目名称:铝合金门窗安装工程
工程地点:(填写具体位置)
施工单位:(填写单位名称)
监理单位:(填写单位名称)
验收单位:(填写单位名称)
验收时间:(填写具体时间)
一、施工单位信息
1.施工单位承包人员:(填写具体人员姓名)
2.施工单位资质:(填写施工单位资质等级及编号)
二、监理单位信息
2.监理单位资质:(填写监理单位资质等级及编号)
三、验收单位信息
2.验收单位资质:(填写验收单位资质等级及编号)
四、工程概况
1.工程施工总面积:(填写具体数值)
2.施工周期:(填写具体时间范围)
3.施工内容:(简要描述施工范围及内容)
五、验收项目及结果
(根据铝合金门窗的安装工程实际情况,列出具体验收项目,如门窗
尺寸、玻璃质量、门窗密封性能等,每个项目需列出具体验收标准及结果)
六、存在问题及整改意见
1.总体验收结论:(简要总结工程质量,如合格、不合格)
2.存在问题及整改意见:(详细描述存在的质量问题及整改意见,如
门窗尺寸不符合设计要求,建议按照设计要求进行调整)
3.整改时限:(填写整改问题的时间限制)
七、验收人员签名
1.施工单位负责人签名:
2.监理单位工程师签名:
3.验收单位负责人签名:
八、备注
(填写其他需要备注的信息)
以上是铝合金门窗安装工程的检验批质量验收记录,记录了施工单位、监理单位、验收单位的相关信息及工程概况、验收项目及结果、存在问题
及整改意见等内容,旨在确保工程质量符合相关标准及要求。
铝合金门窗安装工程检验批质量验收记录
填表说明:
1、检验批容量填写:填写出该检验批中铝合金门窗的数量共计多少樘,按照工程的实际情况填写。
2、最小/实际检查数量栏中:同一品种、类型和规格的铝合金门窗每100 樘应划分为一个检验批,不足100 樘也应划分为一个检验批;实际检查数量按实际填写。
3、表头中“施工依据”栏目应依照实际的施工操作依据填写,如施工企业的操作规程、工法、施工工艺标准等。
涂色镀锌钢板门窗安装工程检验批质量验收记录
填表说明:
1、检验批容量填写:填写出该检验批中涂色钢板门窗的数量共计多少樘,按照工程的实际情况填写。
2、最小/实际检查数量栏中:同一品种、类型和规格的涂色钢板门窗每100 樘应划分为一个检验批,不足100 樘也应划分为一个检验批;实际检查数量按实际填写。
3、表头中“施工依据”栏目应依照实际的施工操作依据填写,如施工企业的操作规程、工法、施工工艺标准等。
金属门窗安装工程检验批质量验收记录表(Ⅱ)铝合金门窗山东省建设工程质量监督总站监制金属门窗安装工程检验批质量验收记录表(Ⅱ)铝合金门窗金属门窗安装工程检验批质量验收记录表(Ⅱ)铝合金门窗山东省建设工程质量监督总站监制金属门窗安装工程检验批质量验收记录表(Ⅱ)铝合金门窗山东省建设工程质量监督总站监制金属门窗安装工程检验批质量验收记录表(Ⅱ)铝合金门窗鲁JJ-185山东省建设工程质量监督总站监制金属门窗安装工程检验批质量验收记录表(Ⅱ)铝合金门窗山东省建设工程质量监督总站监制金属门窗安装工程检验批质量验收记录表(Ⅱ)铝合金门窗鲁JJ-185山东省建设工程质量监督总站监制金属门窗安装工程检验批质量验收记录表(Ⅱ)铝合金门窗山东省建设工程质量监督总站监制金属门窗安装工程检验批质量验收记录表(Ⅱ)铝合金门窗山东省建设工程质量监督总站监制金属门窗安装工程检验批质量验收记录表(Ⅱ)铝合金门窗山东省建设工程质量监督总站监制金属门窗安装工程检验批质量验收记录表(Ⅱ)铝合金门窗山东省建设工程质量监督总站监制金属门窗安装工程检验批质量验收记录表(Ⅱ)铝合金门窗山东省建设工程质量监督总站监制金属门窗安装工程检验批质量验收记录表(Ⅱ)铝合金门窗山东省建设工程质量监督总站监制金属门窗安装工程检验批质量验收记录表(Ⅱ)铝合金门窗山东省建设工程质量监督总站监制金属门窗安装工程检验批质量验收记录表(Ⅱ)铝合金门窗山东省建设工程质量监督总站监制金属门窗安装工程检验批质量验收记录表(Ⅱ)铝合金门窗山东省建设工程质量监督总站监制金属门窗安装工程检验批质量验收记录表(Ⅱ)铝合金门窗山东省建设工程质量监督总站监制金属门窗安装工程检验批质量验收记录表(Ⅱ)铝合金门窗山东省建设工程质量监督总站监制金属门窗安装工程检验批质量验收记录表(Ⅱ)铝合金门窗山东省建设工程质量监督总站监制金属门窗安装工程检验批质量验收记录表(Ⅱ)铝合金门窗山东省建设工程质量监督总站监制金属门窗安装工程检验批质量验收记录表(Ⅱ)铝合金门窗山东省建设工程质量监督总站监制金属门窗安装工程检验批质量验收记录表(Ⅱ)铝合金门窗山东省建设工程质量监督总站监制金属门窗安装工程检验批质量验收记录表(Ⅱ)铝合金门窗山东省建设工程质量监督总站监制金属门窗安装工程检验批质量验收记录表(Ⅱ)铝合金门窗山东省建设工程质量监督总站监制金属门窗安装工程检验批质量验收记录表(Ⅱ)铝合金门窗山东省建设工程质量监督总站监制金属门窗安装工程检验批质量验收记录表(Ⅱ)铝合金门窗山东省建设工程质量监督总站监制金属门窗安装工程检验批质量验收记录表(Ⅱ)铝合金门窗山东省建设工程质量监督总站监制金属门窗安装工程检验批质量验收记录表(Ⅱ)铝合金门窗山东省建设工程质量监督总站监制金属门窗安装工程检验批质量验收记录表(Ⅱ)铝合金门窗山东省建设工程质量监督总站监制金属门窗安装工程检验批质量验收记录表(Ⅱ)铝合金门窗山东省建设工程质量监督总站监制金属门窗安装工程检验批质量验收记录表(Ⅱ)铝合金门窗山东省建设工程质量监督总站监制金属门窗安装工程检验批质量验收记录表(Ⅱ)铝合金门窗山东省建设工程质量监督总站监制金属门窗安装工程检验批质量验收记录表(Ⅱ)铝合金门窗山东省建设工程质量监督总站监制金属门窗安装工程检验批质量验收记录表(Ⅱ)铝合金门窗山东省建设工程质量监督总站监制金属门窗安装工程检验批质量验收记录表(Ⅱ)铝合金门窗。