制程品质检查及异常处理流程图
- 格式:docx
- 大小:10.70 KB
- 文档页数:2
PQC检验程序(ISO9001-2015/IATF16949-2016/QC080000)1.0目的:规范制程质量监控作业,及时检查&稽核并反馈制程不良信息,协助生产预防控制不良品的批量性的产生。
2.0适用范围:适用于PQC对制程质量监控。
3.0用语定义:无4.0职责:4.1PQC检验员主要负责:物料确认、首件检查、工序的品质检查和制程作业的稽核。
4.2PQC班长主要负责制程环境内外的稽核、首件复核及行使班长职责。
5.0作业指引:5.1保护板作业指引:5.1.1领料:PQC检验员依《承认书》、样板及“套料单”对仓库所发物料进行确认,将结果记录在“产品套料确认表”中。
5.1.2首件检查5.1.2.1检查时机:5.1.2.2检查项目5.1.3注意事项:PQC检验员在领料确认时及检查首件时:1)检查产品所有物料的品牌、型号、规格、封装及环保标识是否与《承认书》中“材料清单”规定的是否一致。
2)核对受控样板,确认产品所用的PCB版本、颜色和产品上的材料型号、版本(丝印)颜色、外形是否和样板一致。
5.1.4检查不合格处理:若发现产品有不合格时,知会生产,对其不合格产品进行隔离,加红色拒收标签标识清楚不良原因,按《不合格品控制程序》规定进行处理。
5.2制程检验5.2.1检查标准依《SMT外观检验标准》5.2.2检验方式/要求a.佩戴防静电手环或防静电手套。
b.使用放大镜、显微镜、万用表、电子负载、恒流源、保护板测试仪等检验仪器。
c.目视外观时采用由上而下、由左而右,从90度、45度等多视角进行外观检验。
d.若发现不良缺陷,在不良缺陷处或不良品上贴上红色不良箭头标签。
e.检验项目及标准:检验依照《SMT外观检验标准》、《保护板性能测试QC作业指引》、《承认书》内容及受控样板标准检验。
f.异常反馈/处理:抽检中如果发现有严重品质异常和品质隐患时,必须及时向PQC/生产班长反馈,组织相关部门人员现场分析改善,品质部门进行记录与追踪结果确认。
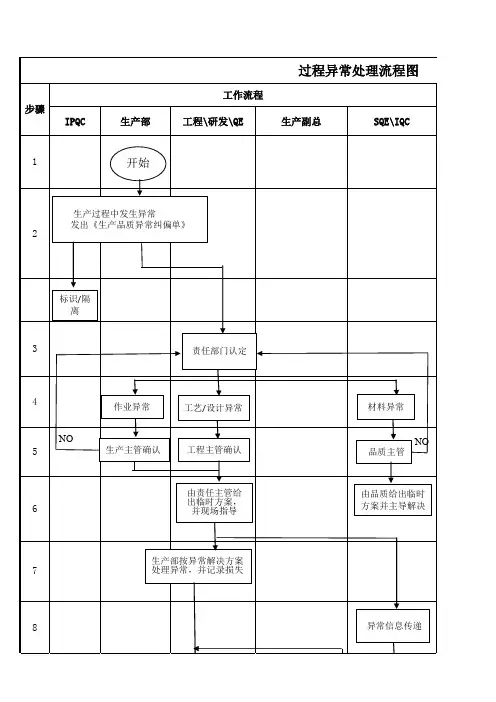
异常处理流程文号:版本:A/01目的为了明确品质异常的处理流程,使发现的问题能得到有效制止及持续改善。
2•品质异常界定原材料异常、在制品异常、半成品异常、成品异常、客户抱怨、质量目标不达成、制程稽核发现异常3.异常处理流程品质异常处理程序包括发现异常、异常分析、异常处理、结果验证、异常结案五个环节。
结果验证操作方法见不合格品处理流程”。
3.1异常处理流程3.1.1原材料异常IQC发现来料异常时需马上通知仓库该批来料异常,并开具《来料异常处理报告》上送主管,仓库接到异常通知后停止入库操作,等待品质主管的接收或退货通知可接收则按正常程序收仓,拒收则退回供应商,并停止入仓手续。
品质部将《品质异常处理单》交采购,由采购部联系供应商进行整改,并跟踪供应商将完成异常报告回传交品质部存档IQC需对改善的来料货品进行检验确认,并提供检验报告以判定供应的改善切实可行。
3.1.2在制品异常IPQC或生产员发现在制品轻微异常时即应提高警觉,迅速评估及判断异常的严重性,若异常不可接受时,立即通知操作员或IPQC,操作员需立即启动调整操作,IPQC 立即记录已生产数量及标识,并跟踪调整结果是否合格,若调整无效则要求操作员停机进行排查调整,直到首检确认合格后方可重启生产,否则记操作员严重违章操作。
IPQC对已完成的异常品进行合格判定,判定为不可接受时按不合格品控制程序”操作。
3.1.3半成品异常IPQC员在制程检查中发现半成品或材料异常时,应评判其异常是否可接受,否则进行标识隔离,通知生产人员进行处理或补救,经确认合格后方可使用。
若生产人员未经处理即强行使用,IPQC员有权将整批该成品判为不合格,并开出《品质异常处理单》上报主管,由主管呈报副总或总经理处理。
3.1.4成品异常仓储等人员在入库时或仓储中发现任何有异常的成品都应将异常反映给OQC,OQC判定该异常是否可接收,否则开出《品质异常处理单》上报主管,并按不合格品控制程序”进行处理。
制程检验作业流程流程图1.0目的为保证产品在生产制程中得到有效检验作业,控制制程品质,降低制程返工、报废,提升产品合格率,提高不良出来的时效性,特制定本作业流程。
2.0 范围适用于(备料车间、白身车间、油漆车间、包装车间)生产过程中的检验与控制及不良品处理。
3.0 职责3.1 PMC部:计划课负责生产指令的下达,参与生产异常处理;仓务课负责完成不良品的回仓分类保管、标识确认及不良品退料的督促工作。
3.2 各生产车间:负责制程产品材料确认,首件产品品质确认及生产过程中的自检、互检工作。
反馈、参与生产异常处理;3.3品管部:首件产品确认及生产过程中的巡检、完工后检验,反馈、主导或参与品质异常处理工作,并对数据记录保存、统计、分析、改善,持续改善;3.4 相关部门:主导或参与品质异常处理及异常分析工作。
4.0 作业程序4.1 PMC部下发《生产日计划》给各生产车间主管,各生产车间主管根据《生产日计划》,组织安排操作工做好生产前的准备工作;4.2 各车间组长、技术员准备工装夹具、测量量具、签样等,按样品或产品工程作业标准书等准备物料进行生产。
备料、白身、总装车间:工装夹具、测量量具、签样、作业指导书、图纸、模具等。
油漆车间:色板、签样、作业指导书、图纸等。
包装车间: 签样、作业指导书、图纸、产品包装示意图、模具等。
4.3组长、技术员对首件先自检,合格报制程检验员对首件进行检验,详细参考《首件检验控制卡》。
4.4制程检验员全检或按规定频次(正常情况下每天不少于6次)及工艺图纸等要求巡检各工序制程品质状况,巡检要有相关侧重点,填写巡检记录,若不符图纸和工艺要求,则知会操作员异常状况;当生产操作工自检发现不良现象时及时隔离和标识;当产生不良品超标时,发现人即时通知本组组长到现场确认,组长到现场确认后,按《生产异常提报控制卡》进行操作,必要时组长填写《品质异常报告和处理单》交责任单位处理(来料引起的不良交品管部处理;制程引起的不良交本部车间主管处理)。
制程品质异常处理流程图-050深圳市南邦电子有限公司Shenzhen BANBANG Electric Co., Ltd.版本/版次 A/0 文件编号 DW-QC-050拟定日期 2010-4-28 生效日期 2010-4-28文件名称制程质量异常处理流程图发放形式新版本发行版本更改/修订取代文件文件修改记录序号修订日期变更编号修改内容修改原因版本/次总页数 1 2 3 4 5 会签部门姓名会签意见会签部门姓名会签意见 ?总经办 ?市场部 ?产品开发部 ?财务部 ?品质部 ?生产部 ?行政部 ?采购部 ?仓库 ?PMC 核准审核制定制作单位发行章袁志勇品质部未经许可不得翻印深圳市南邦电子有限公司文件编号 DW-QC-050Shenzhen NANBANG Electric Co., Ltd.文件类别指导书版次 A/0 文件名称制程质量异常处理流程图页次 1/1 流程图重点说明生产制程不良控制标准老化前不良1%以上开出品质异常单产品老化不良1‰以上开出品质异常单老化后不良2‰以上开出品质异常单品保确认后填写不良现象,不良品标示清楚,交接PE分析. 品保确认PE接到品质异常联络单后,分析不良原因,并记录其不良原因.PE拿到样品与PE分析品质异常联络单,找责任单位同品保人员开会检讨、改善.在确认并签名责任单位主管填写临时对策与永久对责任单位策责任单位将品质异常联络单交给品保,品保在责任单位完成时间跟踪改善结品保跟踪果,OK后由品保归档,NG则重新知会相关部门开会检讨.品质异常联络单由品保归档,保存. 归档下面是赠送的中秋节演讲辞,不需要的朋友可以下载后编辑删除~~~谢谢中秋佳节演讲词推荐中秋,怀一颗感恩之心》老师们,同学们:秋浓了,月圆了,又一个中秋要到了!本周日,农历的八月十五,我国的传统节日——中秋节。
中秋节,处在一年秋季的中期,所以称为“中秋”,它仅仅次于春节,是我国的第二大传统节日。
中秋的月最圆,中秋的月最明,中秋的月最美,所以又被称为“团圆节”。
质检部工作流程图理要求,或发现异常情况,应及时向品质主管提报。
异常处理:品质主管应及时组织相关人员进行异常处理,分析原因并提出改善措施,确保产品质量;成品检验:生产完成后,检验员对成品进行检验,合格后放行;不合格品处理:不合格品应及时通知相关部门进行处理,如返工、报废等;入库:合格品放行后,仓库接收并安排入库,存档所有文件记录。
记录/参考生产计划单来料检验标准首检记录单生产巡检记录表品质异常提报单不合格品处理单成品检验记录单入库单存档文件记录品管部:进料工作流程图流程叙述:供应商送货:供应商将物料送到待检区,并提供产品质量报告单。
仓库按送货单暂收。
生产抽样并将样品送外协检验机构进行检验,准备验收。
外协检验报告核对:外协检验完成后,外协检验机构提供《检验报告单》,检验员核对外协检验报告是否与供应商提供之质量报告单结果一致。
判定与处理:检查《检验报告单》上的各指标是否符合要求,是否与供应商提供的质量报告单内容一至。
如果物料检验报告核对合格,仓库接到检验通行单,放行入库待生产。
如果不合格,质检主管审批,在送检通知单填写不合格,通知仓库退货处理,同时与采购部沟通该供应商提供该批次产品的问题。
挑选加工:来料不合格,经过物料评审,质检主管同意挑选使用,通知生产部门对物料进行挑选分类。
并最后由检验员检验确定,做好标识,区分存放。
可使用物料办理入库手续,待生产。
不合格物料办理退货手续。
入仓与存档:仓库接到检验通行单,安排入仓。
所有文件检验记录存档。
负责人:供应商/仓管员、送检员、检验员、品管主管、仓管员、采购员、质检主管、相关部门负责人。
记录/参考:送货单、《送检单》、《检验报告单》、《来料检验标准》、《供应商每批供应记录表》、《送检通知书》、《来料检验报告》、来料送检通知。
品管部:生产过程工作流程表流程叙述:原料、物料投产:根据生产计划原料、物料投入生产;检验员核对物料及来料品质状况。
首件检验:生产过程中,现场管理或技术人员对本车间或机台生产的产品进行自检,合格后现场QC通知检验员进行首件检验,如有需要应取样送实验室进行检测。
制程品质异常处理程序(IATF16949/ISO9001-2015)1.目的:规范公司制程产品品质异常的反馈和处理,及时的排除异常事项,更有效的预防异常再次发生,同时提升整体工作的品质和效率。
2.适用范围:适用于公司内所有制程产品的品质异常之回馈与处理。
会签部门:生产部、工程部、原料仓库、PMC、研发部、采购部、业务部。
3、定义:品质异常:是指产品在生产制程中出现不符合公司所指定的标准;重大品质异常:1、单一事项不良造成停止生产或停止出货;2、异常现象足以造成产品之致命伤害或影响产品寿命;4.职责和权限:4.1品质部:4.1.1负责制程各段的异常提报与确认、跟进改善措施与导入;4.1.2召开重大品质会议寻求相关部门作出处理;4.1.3制止品质事件的蔓延与水平展开;4.1.4对实施的对策做复核,发出最终的改善结果;4.2生产部:负责品质异常提出及初步的原因排除,执行技术部门给出的对策;4.3工程部:对制程的异常进行原因分析,给出有效的改善措施;4.4研发部:因设计不符合对制程产生的品质异常做出调整,并给出有效的改善对策;当出现重大品质事件协助查找不良原因;4.5PMC:根据品质异常处理状况对订单评估与调整;4.6采购部:掌握品质异常之材料影响程度,跟进进料品质状况和协助制程中出现异常处理;4.7业务部:因品质造成影响出货暂停出货或让步出货,以及修改出货计划;4.8仓库:根据因品质不良产品做出区分和标示;5、参考数据<成品检验规范><SOP作业指导书>6.作业程序:6.1制程品质异常确定6.1.1当在生产过程中,生产各段发现或经工程PE分析确认同一材料和工站出现不良数出现5PCS,一批总不良率超出3%时由品质IPQC提报异常单进行处理;6.1.2当生产各工段出现不良率达到100%或在接线、测试段直接烧机事件,跟线品质IPQC并立即要求生产源头停止下拉和不良标示以及发出停线报告,签核到品质中心主管后并以OA通知到相应部门,同时做生产的调整;6.1.3出货检验中出现不良率超出BJH-QU-ETS-007、BJH-QU-ETS-160标准值,由OQC提报异常由部门主管签核后转至生产包装负责人确认并通知工程PE到现场进行分析,按6.2执行;如急需出货并上升到中心主管审核通过或业务员与客户确认OK方可做让步接收出货;品质做单据保存以其客户使用状况的跟进;6.2正常制程品质异常处理6.2.1当产线出现异常达到6.1.1规定值时由跟线IPQC现场确认现场可改善或者由部门主管以上级确认可生产,将有效改善对策以及确认信息给到跟线的拉长执行,跟据生产对策实施IPQC再次确认改善效果,OK后按正常生产流程作业,NG时再返回对策实施;6.2.2当产线出现异常达到6.1.1规定值时由跟线IPQC现场确认现场不能改善时,及时开始品质异常处理单并填写发生异常工序、生产数量、不良现象、标准值、不良值、不良率等状况,由制程品质组长和主管签核后附带不良品转至跟线PE工程师并要求跟线人员以其IPQC到现场做进一步分析;6.2.3工程PE工程师接到品质开出的异常处理单并到异常发生工段做进一步分析确认,同时在30分钟内给出可执行的临时对策给到生产执行和现场指导,生产可恢复正常生产,若临时对策因设计、材料所至需生产挑选、加工使用由生产进行统计无效工时由责任归属承担,需要做实验验证分析结果跟进实验时间给出临时对策但总体时间不能超出8小时以外;6.2.4PE工程师在完成异常分析将分析状况填写至品质异常处理单上,同时给出临时对策、责任归属部门返回跟线IPQC转至到制程品质QE确认原因分析及责任归属,当责任归属对工程所分析的结果有异议时,品质QE主导对异常分析结果异议部门到现场进行确认,品质QE做最终判定。
品质异常处理流程集团公司文件内部编码:(TTT-UUTT-MMYB-URTTY-ITTLTY-品质异常处理流程1目的:为了使品质异常发生时处理过程有据可依有规可循,使重大品质异常能在规定的时间内得到有效改善,防止相同问题重复发生,降低品质成本,确保产品质量符合本公司或客户需求2范围:来料检验、制程控制、出货检验3定义:重大品质异常是指品质问题严重有必要开具《品质异常报告》,并由品质部进行特别跟进的质量事件3.1来料检验品质工程师确认时开具《品质异常报告》3.2制程控制3.2.1制程外观不良达10%时开具《品质异常报告》3.2.2制程组装不良达8%时开具《品质异常报告》3.2.3制程性能不良达3%时开具《品质异常报告》3.2.4制程条件不能满足工艺需求而导致停线开具《品质异常报告》.3.2.5制程连续3天重复出现的品质问题开具《品质异常报告》3.3出货检查3.3.1出货检查外观不良达5%时开具《品质异常报告》3.3.2出货检查性能不良达2%时开具《品质异常报告》3.3.3出货检查连续3天同一款产品重复出现同一个的品质问题开具《品质异常报告》备注:以上描述的不良范围每个月月底按照品质异常汇总进行修订,逐步强化。
4运作流程:4.1在生产过程中,当作业人员发现产品出现品质异常时第一时间通知生产组长确认,由生产组长开出《品质异常报告》给到生产主管确认后交予生产文员进行编档之后交品质工程师。
4.2《品质异常报告》的填写必须清楚地写明事件发生的日期、时间、地点、批量数、批号、异常数量、不良率、异常状况的描述4.3品质工程师对异常的现象进行初步确认,并在《品质异常报告》签收,然后找到PIE,由PIE对异常进行分析处理。
4.4PIE接到《品质异常报告》后,需在一个小时内对原因进行分析及给出临时方案,如一个小时完成不了,需上报上级主管给予协助处理,现场原因分析清楚后,PIE针对生产实际状况制订临时方案,临时方案里面必须包括仓库原材料库存,生产在制品,成品的处理,并将临时方案填写至《品质异常报告》中;4.5由PIE,品质,采购对临时方案进行评审确认是否可行,如异常是设计或者制程不良时,无需采购对临时方案进行评审,当异常为来料不良时,才需采购对此加工方案进行评审)。
中小企业工厂的生产异常诊断与处理方法(附异常处理流程图)在生产过程中,生产日计划不能够执行到位,很多时候并不是计划本身有问题,而是在执行计划的过程中,产品在生产的过程中会出现各类异常。
生产异常主要有来料品质的异常、人员的异常、制程品质的异常、设备的异常、环境异常、技术结构的异常等等。
在生产过程中因为有这些异常,就会出现瓶颈,在中小企业的生产过程中,这些异常和瓶颈是时时会发生的,要想让生产计划能够准时完成,就必须要有一套快速应对、快速处理异常的机制。
任何异常都是逐渐或临时偏离标准发生的,小的异常处理不及时或不当,就可能因发生多米诺骨牌效应而按照几何级数演变成大的异常。
因此,对生产异常的分析与防范、及时响应、规范处理,是每个企业都迫切需要关注的焦点问题,同时这也是中小企业工厂生产管理的重点。
01何谓异常?1. 违反正常的状况2. 在规范、规定上未明确定义3. 从前从未见过的现象及状况02制定异常处理流程的必要性异常情况及时处理,可稳定生产,保证产品在管制条件下生产;通过适当的预防成本,减少品质失败成本。
下面先分享几种异常的处理流程。
材料异常处理流程各项材损的异常规格由PSE与SQE商论得出;制损规格由PSE确定。
材料断料异常处理流程适用于工程师和领班制程良率异常处理流程•一般异常单线连续3片,累计5片需要汀线叫修;•特殊异常如:Bonding不良,Mura 不良发现1片就需要停机叫修;设备异常处理流程对于长时间当机和修机频率过高导致单线OEE偏低,设备和制程有必要针对此项设备异常提出改善对策。
一般异常通知到部级主管即可,如重要型号影响到出货计划需要到厂长;环境异常处理流程环安异常通报流程无尘环境异常通报流程以上案例仅供参考对车间异常事件的准确分类是异常事件预警和管理的前提,只有将它们细化到各个生产环节及不同的具体类型并形成标准,才具有可操作性。
企业性质或生产类型不同,分类会有所不同,侧重点也不尽相同。