工厂品质异常处理相关流程
- 格式:ppt
- 大小:99.00 KB
- 文档页数:11
不合格品处理流程一、原材料来料不良处理方案1.原材料由外协工厂按MIL-STD-105E《一般检验二级AQL》(0.40.65)一次抽样检验标准进行检验。
如果IQC检查不合格,外包工厂IQC将发布来料异常报告,并反馈给我们的质量部门。
质量部将对异常的原材料进行确认。
2.确认完成后,一般确认的结果分为四种:可接受,可特采,不可接受,需进步确认。
2.1我公司品管部对合格的原材料进行确认,需要在外协工厂IQC提供的异常报告中注明具体情况,并签字确认。
外包工厂将根据我公司的确认结果进行验收。
2.2我司品管确认可特采使用的原材料,需在外协厂iqc的异常报告中写明可特采接受的依据或原因,并与外协工厂的品质一起进行特采的结果确认的实施。
对于我司确认可特采的原材料,外协厂存在异议的,按以下执行:2.2.1如果专项采购没有造成外协工厂工作时间浪费、缺陷严重增加等不利条件,可直接要求外协工厂配合实施专项采购。
2.2.2若所执行的特采会造成外协厂的工时浪费、不良严重增加等不良状况,但仍需继续执行特采动作的,可允许外协工厂申请工时浪费或人力浪费的费用和因此类不良造成的相关物料的损耗。
2.2.3在专项采购执行过程中,要求质量、工程、外协三方共同跟踪,密切跟踪专项采购的全过程,防止问题的发生或扩大。
2.3我司品管确认不可接受的产品,确认不合格的主要责任方后,可按三种方式处理:退货,供方返工,外协厂协助返工。
2.3.1对于退回的原材料,经我方质量控制部门确认后,我方将通过电子邮件或书面形式通知生产控制安排。
生产控制部安排原材料所在仓库或原材料经理将不合格品退回供方,供方安排处置。
2.3.2经确认要求供方进行返工的不合格品,由品管通知采购安排人员至外协厂进行返工,生管跟进返工进度。
2.3.3特殊情况下,如果外包工厂需要安排返工,我公司生产管理层应与外包工厂相关管理层协商安排返工。
外包工厂可以申请返工费用。
如果责任在供应商,返工费用应由供应商承担。
工厂不合格产品的管控流程(含防止不合格品的使用及交付)一、制度效果工厂为了确保不符合质量要求的产品得到识别和控制,以防止不合格品的非预期使用和交付。
二、管理范围适用于与产品质量有关过程中出现的不合格品的所有管理范围。
三、不合格品定义不合格品:不符合本公司或客户规定要求的物料、半成品、成品。
四、特采的定义特采:在物料、半成品、成品判定不合格时,且对产品主要功能以及人身安全未构成影响时,因出货及成本原因由权责人员批准而对不合格品的让步接收。
五、品管部及相关部门的职责:1.1品管部按《进料检验程序》对进货物料进行检验。
1.2制程中的零部件、半成品、成品由品管部或制造部进行检验并记录;各工序操作者应进行自检、互检将不合格品拣出。
2.1单个不合格品由发现者用红色箭头纸或红色“拒收”标贴标识或用不合格品盒盛装或置于不合格品区。
2.2批量不合格由发现者用标识牌标识或置于不合格区(参见《产品标识和追溯管理程序》)。
3.1品管部综合考虑不合格品对最终产品品质影响的程度、成本、交期等因素来决定对不合格品的处理方式。
3.2需要时,品管部邀请工程部、制造部等相关部门协商决定。
3.3确定为不合格品需返工时由品管开立《返工通知单》通知相关部门处理;符合纠正措施提出时机由品管开立《品质异常处理通知单》或《供应商改善通知单》通知相关部门处理。
4.1原材料不合格,一般采取退货(除非决定特采、挑选或加工使用)。
4.2特采处理4.2.1特采由计划部据出货需求或由制造部考虑成本因素提出。
4.2.2《特采申请单》需相关单位部门经理会签,品管部经理核准。
4.2.3对处理有争议时可报生产总监裁决。
4.2.4合约有规定时对成品的特采决定须得到客户批准。
4.3因生产急需使用或供应商要求,可以对不合格物料挑选使用或加工使用。
4.4半成品、成品不合格时需返工处理,以符合质量要求,返工情况应记录于《返工通知单》上。
4.5如无法返工使不合格品达到要求,可进行修理,以达到预期使用要求。
完整版)生产异常问题反馈流程生产异常反馈处理流程为了及时有效地处理生产中出现的问题,减少效率损失,提高生产力,特制定了本办法。
本办法适用于公司生产过程中出现的异常情况,除非另有规定。
生产部门负责收集、确认、反馈和验证生产异常问题信息以及改善纠正措施。
品保部门负责确认物料异常问题,监督技术人员处理解决过程,确认改善措施的有效性以及闭环处理。
工程部门负责处理和解决生产异常问题。
生产异常是指造成制造部门停工或生产进度延迟的情况,由此造成的无效工时称为异常工时。
生产异常包括制程中操作不当导致的生产异常、设备故障或水、气、电等原因导致的设备异常、制程中发生、发现品质问题导致的品质异常以及产品设计或其他技术问题导致的技术异常。
当生产异常问题无法快速解决并导致异常工时产生时,应填写《生产异常问题反馈表》。
表格应包括填表部门、生产产品、发生日期、异常发生部门、应用项目、异常描述、临时对策和责任部门对策(根本对策)等项目。
生产异常问题产生后,应及时收集。
生产人员发现异常问题并及时提出反馈,包括物料、生产过程以及成品出货各个环节的异常信息。
生产中出现异常反馈后,部门主管应判断是否需要填写《生产异常问题反馈表》。
部门主管对异常进行初步分类并通知相应部门,前来研拟对策加以处理,并报告直属上级。
若异常已造成停产,相关责任部门必须在接到通知5分钟内派人到现场处理。
接收部门对问题进行初步分析整理并判定责任部门,并判定问题是否可控。
如果异常问题可控,生产部门会同工程部、XXX采取异常之临时应急对策并加以执行,以降低异常的影响。
如果异常问题不完全可控,应上报部门负责人进行审核确认。
4.3.异常处理流程改写:当生产异常问题发生时,责任部门应立即采取措施解决问题。
如果问题无法完全控制,责任部门应分析确定根本原因,并提出临时纠正措施和长期预防措施。
相关部门应对方案进行评审,通过后反馈给生产部门进行实施和验证。
技术人员和质检员应跟踪措施的实施情况,并验证其有效性。
工厂车间发生异常情况的处理流程下载温馨提示:该文档是我店铺精心编制而成,希望大家下载以后,能够帮助大家解决实际的问题。
文档下载后可定制随意修改,请根据实际需要进行相应的调整和使用,谢谢!并且,本店铺为大家提供各种各样类型的实用资料,如教育随笔、日记赏析、句子摘抄、古诗大全、经典美文、话题作文、工作总结、词语解析、文案摘录、其他资料等等,如想了解不同资料格式和写法,敬请关注!Download tips: This document is carefully compiled by theeditor.I hope that after you download them,they can help yousolve practical problems. The document can be customized andmodified after downloading,please adjust and use it according toactual needs, thank you!In addition, our shop provides you with various types ofpractical materials,such as educational essays, diaryappreciation,sentence excerpts,ancient poems,classic articles,topic composition,work summary,word parsing,copy excerpts,other materials and so on,want to know different data formats andwriting methods,please pay attention!工厂车间异常情况处理流程详解在工业生产过程中,工厂车间可能会遇到各种异常情况,如设备故障、生产事故、环境污染等。
印染厂品检部异常处理流程(中英文实用版)Title: Exception Handling Process for Printing Factory Quality Inspection Department中文标题:印染厂品检部异常处理流程---Section 1: Initial Inspection Findings第一部分:初步检查发现Upon completion of the initial quality inspection, any products found to be non-compliant with the factory"s quality standards are immediately segregated from the compliant products.A detailed inspection is then conducted to identify the specific issues with each non-compliant product.在完成初步的质量检查后,任何被发现不符合工厂质量标准的产品都会立即与符合标准的产品分开。
然后对每个非符合产品进行详细检查,以确定其具体问题。
中文:初步检查完成后,任何被发现不符合工厂质量标准的产品都会立即与符合标准的产品分开。
然后对每个非符合产品进行详细检查,以确定其具体问题。
---Section 2: Documentation and Reporting第二部分:文件整理与上报All inspection findings are meticulously documented, includingphotographs where necessary, to provide a clear record of the non-compliant products.A comprehensive report is then compiled, detailing the nature of the issues, the quantity of affected products, and any potential causes identified.This report is promptly submitted to the relevant department for further action.所有检查结果都进行细致记录,必要时包括照片,以提供非符合产品的清晰记录。
工厂异常情况处置操作规程工厂异常情况处置操作规程一、前言工厂异常情况的及时处置对于保障员工安全、生产正常运行以及减少损失具有重要意义。
为了规范工厂异常情况的处置流程,提高应急处置能力,制定本操作规程。
二、适用范围本操作规程适用于工厂内各类异常情况的处置,包括但不限于设备故障、能源中断、环境污染等。
三、异常情况的分类与级别1. 分类异常情况按照其性质可分为设备故障、能源中断、环境污染等各类。
每类异常情况需要有相应的处置方案。
2. 级别异常情况根据影响程度可分为一般、较大和严重三个级别。
级别的划定应该综合考虑人身安全、设备损失和环境影响等因素。
四、异常情况的报告与评估当发生异常情况时,工厂应当立即向相关部门报告,并进行初步评估。
评估内容包括但不限于异常情况的性质、影响范围、应急处置措施等。
五、异常情况的处置流程1. 一般级别异常情况处置流程:(1)组织人员撤离到安全区域,并确保人员的安全;(2)通知相关部门,启动应急响应;(3)控制异常情况的蔓延,尽量减少损失;(4)评估损失和恢复情况,制定恢复计划;(5)修复设备、清理环境并进行安全检查;(6)向相关部门报告异常情况处置情况。
2. 较大级别和严重级别异常情况处置流程:(1)组织人员按照紧急撤离计划迅速撤离到安全区域;(2)立即通知相关部门,启动紧急处置预案;(3)控制异常情况,尽量减少损失,确保人员安全;(4)与相关部门协调,制定灾后恢复计划;(5)进行紧急修复、清理环境,并进行全面安全检查;(6)根据情况向上级主管部门报告,并配合调查、处理。
六、异常情况的责任追究与事故调查处理1. 异常情况发生后,应当对相关责任人进行责任追究,并按照规定给予相应处罚。
2. 对于较大级别和严重级别异常情况,应当立即启动事故调查,追究事故的原因和责任,并采取相应纠正措施。
七、异常情况的预防措施1. 定期进行设备检修和维护,及时排查潜在故障。
2. 加强能源供应系统的管理,确保供应的稳定。
XX公司生产异常处理办法第一条目的为了规范本公司生产异常的处理,特制定本办法。
第二条范围本办法适用于一切造成生产停工或生产进度延迟的情形。
第三条异常分类1.计划异常:因生产计划或安排不当、失误等导致的异常。
2.物料异常:因物料供应不及时,物料品质问题等导致的异常。
3.设备和模具异常:因设备、模具不足或故障等原因而导致的异常。
4.制程异常:因生产过程中出现了待料、阻塞、效率低等导致的异常。
5.质量异常:生产过程中发生的各种质量问题导致的生产异常。
5.客户取消或变更订单(颜色、规格、名称、包装材料、包装规格等),公司的生产因此出现的生产异常。
6.人员不足:公司产能扩大或员工减员所致的人力不足,造成的生产异常。
7.水电异常:停电、停水导致的生产异常。
8.安全事故、工伤事故、火灾事故等导致的生产异常。
9.自然灾害:台风、洪涝、地震等自然灾害导致的生产异常。
第四条异常的常规处理程式1.标识:当生产出现异常时,应急处理得当,异常消除,不需进行标识。
但经应急处理仍无法消除异常的,应对现场物料、设备、场地等进行标识,以区别于常态,免于出现次生异常。
2.应急处理:当生产出现异常时,在场的人员都应按各自职责采取相应的应急处理措施。
以达到消除异常、恢复生产的目的。
3.上报:在完成异常的标识和处理后,异常所在部门或车间应向上级领导报告。
4.调查:根据不同异常的性质,由不同的责任部门牵头,对异常的发生原因进行调查。
5.评价:根据调查结果,应对异常情况所造成的不良影响进行评价。
6.问责:根据异常所造成的不良影响程度,对属人为责任的异常,问责相关部门和相关人员。
7.改善及预防:对发生异常的原因进行改善预防,使得今后不再重复出现相同事件。
第五条异常的应急处理一、计划异常:生产安排不当、失误、等导致的异常,应及时纠正不当的生产安排,消除异常造成的生产混乱状态,及时恢复正常的生产秩序。
二、物料异常:1.原料供应不及时,常表现为无料、有料不足等。
一、目的为保障工厂生产过程中产品质量的稳定性和可靠性,提高应对品质异常事件的能力,最大限度地减少品质异常对工厂生产和经营的影响,特制定本预案。
二、适用范围本预案适用于工厂在生产过程中出现的所有品质异常事件,包括原材料、半成品、成品等在检验过程中发现的任何不合格品。
三、组织机构1. 成立品质异常应急处理小组,负责组织、协调、指挥和监督品质异常事件的应急处理工作。
2. 小组成员包括:品质经理、生产经理、安全环保部、技术部、人力资源部等相关部门负责人。
四、应急处理流程1. 发现异常(1)品质检验人员发现品质异常时,应立即向品质异常应急处理小组报告。
(2)应急处理小组接到报告后,应立即进行调查核实。
2. 分析原因(1)根据调查结果,分析品质异常的原因,包括但不限于:原材料问题、生产过程问题、设备问题、人员操作问题等。
(2)针对不同原因,制定相应的改进措施。
3. 应急处理(1)对不合格品进行隔离,防止流入下一道工序。
(2)根据异常原因,采取相应的应急措施,如:调整生产参数、更换设备、培训员工等。
(3)对不合格品进行返工、报废或降级处理。
4. 整改与预防(1)对品质异常事件的原因进行分析,找出根本原因,制定预防措施。
(2)对预防措施进行实施,防止类似事件再次发生。
5. 总结报告(1)应急处理小组对品质异常事件的处理情况进行总结,形成报告。
(2)将报告提交给工厂高层领导,并提出改进建议。
五、应急响应级别根据品质异常事件的严重程度,应急响应级别分为四个等级:1. Ⅰ级:重大品质异常事件,如:产品批次不合格、生产线停工等。
2. Ⅱ级:较大品质异常事件,如:产品局部不合格、影响客户订单等。
3. Ⅲ级:一般品质异常事件,如:单件产品不合格、影响生产进度等。
4. Ⅳ级:轻微品质异常事件,如:个别原材料不合格、影响产品外观等。
六、应急保障1. 人力资源保障:应急处理小组成员应具备相应的专业知识和技能,确保应急处理工作的顺利进行。
一、总则为了加强工厂生产过程中的异常管理,确保生产安全、产品质量和设备正常运行,提高生产效率,特制定本制度。
二、适用范围本制度适用于本工厂所有生产、管理人员及相关部门,包括但不限于生产车间、设备维护部门、质量检验部门等。
三、组织机构及职责1. 异常管理领导小组负责制定异常管理制度,组织、协调和监督异常处理工作,对重大异常事件进行决策。
组成人员:生产经理、质量经理、设备经理、安全经理等。
2. 异常处理小组负责具体实施异常处理工作,包括异常报告、分析、处理、总结等。
组成人员:各车间负责人、质量检验员、设备维护员等。
四、异常管理流程1. 异常报告(1)任何人员发现异常情况,应立即向所在部门负责人报告。
(2)部门负责人接到报告后,应立即向异常处理小组报告。
(3)异常处理小组接到报告后,应立即进行调查、分析。
2. 异常分析(1)分析异常原因,包括设备故障、人员操作失误、原材料质量等问题。
(2)评估异常对生产、质量、安全等方面的影响。
3. 异常处理(1)根据异常原因,制定相应的处理措施。
(2)组织人员进行处理,确保异常得到及时解决。
(3)对处理过程进行监控,确保处理措施有效。
4. 异常总结(1)处理完成后,对异常原因、处理过程、处理结果进行总结。
(2)形成异常处理报告,提交给异常管理领导小组。
(3)对异常处理报告进行存档,以便日后查阅。
五、异常处理措施1. 设备故障(1)及时更换或维修故障设备。
(2)对维修过程进行记录,分析故障原因。
(3)加强设备维护保养,预防同类故障再次发生。
2. 人员操作失误(1)对操作人员进行培训,提高操作技能。
(2)加强现场监督,确保操作规范。
(3)建立操作规范手册,规范操作流程。
3. 原材料质量(1)加强原材料进货检验,确保原材料质量。
(2)对不合格原材料进行隔离处理。
(3)分析不合格原因,采取措施防止再次发生。
六、奖励与处罚1. 奖励(1)对及时发现并报告异常的人员给予奖励。
(2)对积极参与异常处理、提出有效改进措施的人员给予奖励。
不合格品处理流程一、原材料来料不良处理方案1.原材料经外协厂依据MIL-STD-105E一般检验水准Ⅱ级AQL(0.4 0.65)一次抽样检验标准进行检验,IQC检验不良的,由外协厂IQC开具来料异常报告,反馈至我司品质,品质进行对存在异常的原材料进行确认。
2.确认完成后,一般确认的结果分为四种:可接受,可特采,不可接受,需进步确认。
2.1 我司品管确认可接受的原材料,需要在外协厂IQC提供的异常报告中写明可具体情况,并签字确认,外协工厂根据我司给的确认结果进行接受。
2.2 我司品管确认可特采使用的原材料,需在外协厂IQC的异常报告中写明可特采接受的依据或原因,并与外协工厂的品质一起进行特采的结果确认的实施。
对于我司确认可特采的原材料,外协厂存在异议的,按以下执行:2.2.1若所执行的特采没有造成外协厂的工时浪费、不良严重增加等不良状况,可直接要求外协厂配合执行特采的动作。
2.2.2若所执行的特采会造成外协厂的工时浪费、不良严重增加等不良状况,但仍需继续执行特采动作的,可允许外协工厂申请工时浪费或人力浪费的费用和因此类不良造成的相关物料的损耗。
2.2.3特采动作执行的过程中,由品质、工程并要求外协工厂一起跟进紧密跟进特采执行的全过程,防止问题的发生或扩大。
2.3我司品管确认不可接受的产品,确认不合格的主要责任方后,可按三种方式处理:退货,供方返工,外协厂协助返工。
2.3.1退货的原材料,由我司品管确认后,邮件或书面形式通知生管安排,由生管安排原材料所在的仓库或原材料的管理者将此不合格品退还供方,由供方安排处理。
2.3.2经确认要求供方进行返工的不合格品,由品管通知采购安排人员至外协厂进行返工,生管跟进返工进度。
2.3.3特殊情况下,需要外协厂安排返工的,由我司生管与外协厂相关管理进行协商安排返工,外协厂可要求申请返工费用,如责任在供方的话,此返工费用需要供方承担。
2.3.4以下退货或返工处理完成后,需返回到第按来料检查第一步重新进行检查,有必要时需对此对应产品进行加严检验,并需重点针对具体造成返工或退货的不良项进行重点检查。
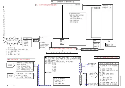
1、目的与时向各部门反响生产过程中出现的品质异常或隐患,各部门对品质异常或品质隐患发生的原因进展调查、分析,定义,制定纠正、预防措施,不断完善产品的生产工艺和检验手段,提高制程管控能力。
2 、适用围适用于市裕达富电子手机板卡部。
3、职责3.1生产部:3.1.1 负责维修检验中发现的故障品,并记录故障品的不良产生原因、责任工段;协助工程/品管分析故障,确定制程和元器件问题。
参与故障品的产生原因分析与纠正预防措施的制定;负责回复与生产有关的《纠正措施报告》,并落实和实施与生产相关的改善措施。
3.2工程部:3.2.1负责协助品质异常问题进展分析;分析和制定品质异常发生的根本原因,制定改善措施,落实本部门有关的改善措施;负责对生产过程中产生的异常情况(产品的设计问题、测试的兼容性问题、测试的不稳定性问题等)进展分析,并提供改善措施;3.3品管部负责对品质异常问题进展调查、分析,主导品质异常的改善;根据故障原因分析判断故障影响围,通知相关人员处理受影响的相关在线产品;品管部负责召集QIT会议,主导品质异常的处理,监控异常处理的过程,并跟踪验证对策的实施效果。
品管部IQC组负责物料异常信息的反响,并追踪供给商的改善状况;假设为客供料,直接反响给客户并与客户沟通商讨给出处理方案。
3.4 物控部提供在库物料、在库成品的信息;按照品管要求处理在库物料、在库成品;负责回复与物料有关的《纠正措施报告》,并落实相关的改善措施。
4 、名词解释4.1品质异常:●产品缺陷与不合格的发生到达一定的数量、比率或影响程度,以至于超出了正常的管理目标或控制界限的状况;●产品缺陷与不合格的发生在一定时间呈现明显或潜在规律性,或者有引发批量不良的可能的状况。
4.2 QIT: (Quality Improvement Team)品质改进小组;4.3“三现〞主义原那么:现场、现实、现物。
5、工作容5.1品质异常的界定:根据其影响程度的不同而进展性质界定,可分为:一般品质异常、严重异常与品质事故三种,线体反响的异常不开《纠正措施报告》,其它异常开《纠正措施报告》。