产状和视倾角换算表
- 格式:xls
- 大小:139.50 KB
- 文档页数:1
视倾角与真倾角换算表
摘要:
一、引言
二、视倾角与真倾角的定义
三、视倾角与真倾角的换算公式
四、视倾角与真倾角换算表的使用方法
五、总结
正文:
一、引言
在我国,测量技术在许多领域都有着广泛的应用。
在测量中,倾角是一个重要的参数。
视倾角和真倾角是两种常见的倾角类型。
为了方便使用,我们通常需要将视倾角转换为真倾角。
这就需要用到视倾角与真倾角换算表。
二、视倾角与真倾角的定义
视倾角,又称视差,是指物体在视线方向上的倾斜角度。
真倾角,又称地倾角,是指物体相对于地球表面的倾斜角度。
三、视倾角与真倾角的换算公式
视倾角与真倾角之间的换算公式为:真倾角= 视倾角+ 地球倾角。
其中,地球倾角是指地球自转轴相对于公转平面的倾斜角度,约为23.5 度。
四、视倾角与真倾角换算表的使用方法
视倾角与真倾角换算表可以帮助我们快速地计算出真倾角。
首先,我们需要测量出视倾角,然后根据换算表,找到对应的真倾角。
使用时,需要注意换
算表的单位,通常是以度为单位。
五、总结
视倾角与真倾角换算表是测量中常用的一种工具,通过它,我们可以方便地将视倾角转换为真倾角。
视倾角与真倾角换算表1. 引言视倾角和真倾角是在测量和观测中经常用到的两个概念。
视倾角是指从观察者所在位置到水平线之间的夹角,而真倾角则是指从观察者所在位置到地平线之间的夹角。
本文将介绍视倾角和真倾角的定义、计算方法以及如何进行换算。
2. 视倾角的定义与计算方法视倾角(也称为仰角)是指观察者所在位置与水平线之间的夹角。
它可以用来描述物体或地物相对于水平面的高度或仰角。
2.1 视倾角计算公式视倾角可以使用三角函数来计算,具体公式如下:tan(θ) = h / d其中,θ表示视倾角,h表示物体或地物相对于观察者高度,d表示观察者与物体或地物之间的距离。
2.2 视倾角示例假设一个人站在离地面1米高处,他从这个位置向前看,目标物体离他10米远。
那么他的视倾角可以通过以下计算得到:tan(θ) = 1 / 10通过计算,可以得到他的视倾角约为5.71°。
3. 真倾角的定义与计算方法真倾角是指观察者所在位置与地平线之间的夹角。
它可以用来描述物体或地物相对于地平面的高度或仰角。
3.1 真倾角计算公式真倾角也可以使用三角函数来计算,具体公式如下:tan(α) = H / D其中,α表示真倾角,H表示物体或地物相对于地平线的高度,D表示观察者与物体或地物之间的距离。
3.2 真倾角示例假设一个人站在离地面1米高处,他从这个位置向前看,目标物体离他10米远,并且目标物体相对于地平线上升了2米。
那么他的真倾角可以通过以下计算得到:tan(α) = 2 / 10通过计算,可以得到他的真倾角约为11.31°。
4. 视倾角与真倾角的换算视倾角和真倾角之间存在一定关系,在一些特定情况下可以进行换算。
4.1 视倾角与真倾角之间的关系视倾角和真倾角之间的关系可以通过以下公式进行换算:α = θ + β其中,α表示真倾角,θ表示视倾角,β表示观察者所在位置与水平线之间的夹角(也称为俯仰角)。
4.2 视倾角与真倾角换算示例假设一个人站在离地面1米高处,他从这个位置向前看,目标物体离他10米远,并且他的俯仰角为30°。
断煤交线方向的计算1. 断煤交线的计算公式11222211sin sin cos cos βαβαβαβαθtg tg tg tg tg --=式中:α1、α2——分别为断层、煤层倾角β1、β2——分别为断层、煤层倾向θ—————断煤交线走向的方位角注:断煤交线走向的方位角为负值,表示按逆时针量方位角。
2. 断煤交线与断层的关系可以根据断煤交线与断层的关系来大致确定断煤交线的方向:1)断煤交线与断层走向垂直的情况仅出现在同倾断层中2)走向断层的断煤交线与煤层、断层的走向一致3)地层水平或近水平时,断煤交线和断层走向一致或者近似一致4)反向断层的断煤交线位于断层和煤层走向锐夹角之中5)同向断层的断煤交线位于断层和煤层走向锐夹角之外6)倾向断层的断煤交线位于断层和煤层倾向所夹直角之中注:1)反向断层指地层与断层倾向相反2)同向断层指地层与断层倾向相同3)倾向断层指地层与断层走向相垂直的断层4)走向断层指地层与断层走向相平行的断层5) 等高线:下降盘的同名等高线后移。
真倾角与伪倾角换算tg α伪=tg α真sin θ式中:α伪——伪倾角(帮)α真——真倾角θ———走向与巷道或所切剖面的夹角利用两伪倾角计算地层产状迎帮真ααα22tg +=tg tg 迎帮ααθtg tg tg =式中:α帮——巷道一帮地层倾角(伪倾角)α迎——巷道迎头地层倾角(伪倾角)α真——地层(真)倾角θ———巷道方向和地层走向的夹角注:地层倾向首先根据“回加前减,左负右正”八字口诀,即根据巷道一帮地层倾角,地层向后倾,加90°;向前倾减90°。
根据巷道迎头地层倾角,地层向右倾,取正号;地层向左倾,取负号。
然后再加上巷道前进的方位角,再加上θ值,即为地层倾向。
地层厚度计算1.钻孔M=Lsinω式中:M———为地层厚度L———为钻孔地层长度ω———为地层和钻孔方向的夹角2.竖井M=Lcosα式中:M——为地层厚度L——为铅直地层厚度α——为地层(真)倾角3.平巷M=Lsinαsinθ式中:M——为地层厚度L——为铅直地层厚度α——为地层(真)倾角θ——为煤层走向与巷道方向的夹角注:煤层走向与巷道方向垂直时,地层厚度M=Lsinα4.斜巷斜巷地层厚度计算公式比较复杂,建议从素描图上量的地层水平厚度或铅直厚度,然后再采用水平或竖井地层厚度计算公式。
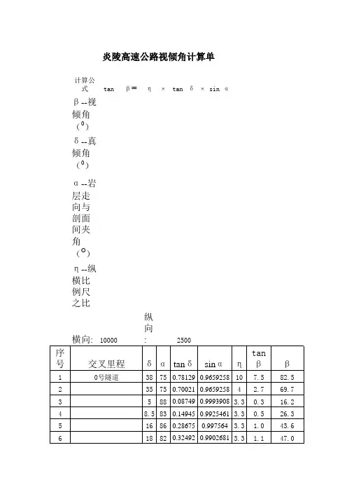
1. 真倾角与视倾角换算真倾向与视倾向之间夹角在倾斜面上斜交走向线所引的任一直线均为视倾斜线,视倾斜线(HD,HC)与其在水平面的投影线(DO,CO)的夹角,叫视倾角。
视倾角总是小于真倾角真倾角与视倾角之间的关系, 可由下列公式表示和换算:tanβ=tanα cosω tga= tg β/cos ωβ为视倾角,α为真倾角,ω真倾向与视倾向间的夹角例题:现场量取岩层产状为倾向85度,真倾角a 为30度,剖面方向110度,则剖图面上绘制的视倾角β是多少?视倾角真倾角视倾角ω= 12+17=29tanβ=tanα cosω=tan 43 cos 27=0.816Β=39.2解:真倾向与视倾向间的夹角 ω =110-85=25视倾角tg β = tg a × cos ω = tg 30 × cos 25 β=27.62①垂直钻孔求岩层真厚度矿体真厚度M=视厚度L ×cos (倾角α)a 岩层真倾角 θ岩芯倾角 ②钻孔方位与矿体倾向一致,且钻孔倾角大于矿体倾角,钻孔方位与矿体走向垂直矿体真厚度M=视厚度L ×cos (顶角γ+ 倾角α)③钻孔方位与矿体倾向一致,且钻孔倾角α小于矿体倾角β 钻孔方位与矿体走向垂直α=90-γ θ=β-α矿体真厚度M=视厚度L ×sin θ ④钻孔方位与矿体倾向相反,钻孔方位与矿体走向垂直矿体倾角大于钻孔天顶角时:矿体真厚度M=视厚度L ×cos (倾角α-顶角γ)矿体倾角大于钻孔 天顶角时: 矿体真厚度M=视厚度L ×cos(倾角α-顶角γ)水平厚度=视水平厚度×sinβ真厚度=水平厚度×sinα垂直厚度=水平厚度×tgα=真厚度÷ cosα(α为矿体倾角)(β为矿体走向与穿脉方向的锐夹角)例:某金矿3号矿体走向100 °,穿脉CM18方位45 °,从4.2米至13.3米为矿层,(由编录资料结合勘探线剖面得知)该处矿体倾角为65 °,计算矿体的真厚度、水平厚度、垂直厚度为多少?解:水平厚度=视水平厚度×sinβ=(13.3-4.2)×sin(100-45)=7.45米真厚度=水平厚度×sinα= (13.3-4.2)×sin(100-45)×sin65=6.76米垂直厚度=真厚度÷cosα=6.76 ÷cos65=15.99米4.勘探线剖面(探槽)真厚度计算真厚度计算公式:D = L(Sinα×Cosβ×Sinγ±Cosα×Sinβ)式中D:地层真厚度(m)L:斜距(m)α:岩层(矿体)真倾角(°)β:地形坡度角(±°)γ:剖面导线与地层(矿体)走向线的锐夹角(°)(注:当坡向与岩层倾向相反时,公式中用加号计算;当坡向与岩层倾向相同时,公式中用减号计算。