塑料材料试验标准样条
- 格式:xls
- 大小:230.50 KB
- 文档页数:8
塑料力学测试标准样条制作方法塑料是一种常见的工程材料,在工业、建筑、汽车和家庭用品等领域得到广泛应用。
然而,在使用过程中,塑料材料会受到各种不同的力的作用,例如拉力、压力、弯曲力等,因此需要进行塑料力学测试以评估其力学性能。
为了确保测试结果的准确性和可靠性,需要使用标准样条作为测试样品。
本文将介绍塑料力学测试标准样条的制作方法。
二、材料和工具:1. 塑料材料:选择与所需测试材料相同的塑料材料。
2. 样条模具:选择相应的样条模具。
3. 切割工具:如剪刀、切割机等。
4. 打磨工具:如砂纸、打磨机等。
5. 卡尺和刻度尺。
三、制作过程:1. 准备工作:首先,根据所需测试材料的种类和规格,选择相应的塑料材料,并准备好相应的样条模具。
2. 切割:将所选的塑料材料切割成长条状,长度略大于样条模具的长度,宽度略大于样条模具的宽度。
3. 压制:将切割好的塑料条放入样条模具中,使用压制机或手动压制将其压制成样条的形状。
4. 打磨:使用砂纸或打磨机对样条进行打磨,确保其表面平整光滑。
5. 测试:将制作好的标准样条用于塑料力学测试,以评估其力学性能。
四、注意事项:1. 选择与所需测试材料相同的塑料材料,以确保测试结果的准确性和可靠性。
2. 样条模具的尺寸应准确匹配所需测试的标准。
3. 制作样条时需要保证其表面平整光滑,以确保测试结果的准确性。
4. 制作样条时需要注意安全,避免受伤。
五、总结:以上是塑料力学测试标准样条制作方法的介绍。
通过制作标准样条,可以确保测试结果的准确性和可靠性,为评估塑料材料的力学性能提供有效的参考数据。
塑料拉伸样条标准1.引言塑料拉伸样条是一种常见的塑料制品,用于在测试过程中测量塑料的拉伸性能。
塑料拉伸样条标准是对塑料拉伸样条的生产和测试过程中所需的标准化要求的总称。
本文旨在对塑料拉伸样条标准进行全面地介绍,包括标准的制定背景、标准范围、标准的种类、标准的制定过程以及标准的应用等方面进行详细的阐述。
2.标准的制定背景随着工业化的进程和科学技术的发展,塑料制品在日常生活和工业生产中得到了广泛的应用。
塑料拉伸样条作为一种常见的塑料制品,其产品性能以及材料特性的测量要求也越来越高。
为了规范塑料拉伸样条的生产和测试过程,促进塑料拉伸样条产品的质量提升,需要制定一系列相关的标准来规范这一领域的生产和测试过程。
3.标准的范围塑料拉伸样条标准主要包括以下几个方面:(1)塑料拉伸样条的分类和命名:对不同种类的塑料拉伸样条进行分类和命名。
(2)塑料拉伸样条的材料和成分:规定塑料拉伸样条所用的材料和成分的限量和性能要求。
(3)塑料拉伸样条的生产工艺:规范塑料拉伸样条的生产工艺,包括原料的选取、加工工艺和成品质检等方面的要求。
(4)塑料拉伸样条的测试方法:规范塑料拉伸样条的测试方法,包括拉伸强度测试、断裂伸长率测试、弹性模量测试等方面的要求。
(5)塑料拉伸样条的质量要求:规定塑料拉伸样条产品的质量评定标准,包括外观质量、尺寸精度、性能指标等方面的要求。
4.标准的种类塑料拉伸样条标准主要分为国际标准、行业标准和企业标准三种。
国际标准是由国际标准化组织(ISO)制定并公布的标准,适用于全球范围内的塑料拉伸样条生产和测试。
行业标准是由各个行业协会或者专业组织制定并公布的标准,适用于特定行业或者专业范围内的塑料拉伸样条生产和测试。
企业标准是由企业自行制定的标准,适用于企业内部的塑料拉伸样条生产和测试。
5.标准的制定过程塑料拉伸样条标准的制定通常包括以下几个阶段:(1)需求调研阶段:首先进行需求调研,了解市场对于塑料拉伸样条标准的需求以及目前存在的问题和瓶颈。
塑料拉伸样条标准
塑料拉伸样条的制备通常是通过热压、挤出、注射等加工方法制备成不同尺寸和形状的样条。
在制备过程中需要控制材料的加工温度、压力和速度等工艺参数,以保证样条的质量
和尺寸稳定性。
常见的塑料拉伸样条包括直拉样条、翻转样条等,它们的形状和尺寸可以
根据具体的测试要求和标准进行设计和制备。
塑料拉伸样条的测试通常是通过万能试验机进行的,测试过程包括拉伸载荷施加、应力应
变曲线记录、断裂伸长率测定等步骤。
在测试过程中需要注意样条的夹持方式、拉伸速度、环境温湿度等测试条件,以确保测试结果的准确性和可靠性。
通过对拉伸样条的测试可以
评价塑料材料的力学性能、热性能、耐久性等指标,为工程设计和产品开发提供重要的参
考数据。
塑料拉伸样条的标准化和规范化对于推动塑料工程领域的发展和提高塑料材料的品质具有
重要意义。
目前国际上已经建立了一系列针对不同类型塑料材料的拉伸样条测试标准,包
括ISO、ASTM、GB等标准。
这些标准规定了拉伸样条的制备方法、测试条件、数据分析
等方面的要求,为塑料材料的测试和评价提供了统一的参考依据。
在实际应用中,塑料拉伸样条的测试需要根据具体的材料性能要求和工程设计目的进行选
取和设计。
通过合理选择测试方法和标准,可以准确评价塑料材料的性能,并为产品设计
和优化提供参考依据。
未来随着塑料材料的广泛应用和需求不断增加,塑料拉伸样条测试
将会变得更加重要和广泛。
我们有信心通过不断的研究和实践,将拉伸样条测试技术推向
一个新的高度,为塑料工程领域的发展做出更大的贡献。
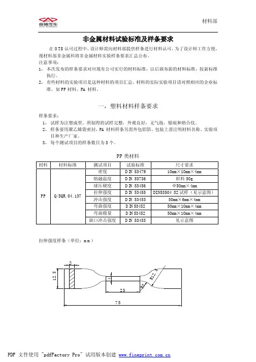
CCC/QB004 -2010-001 聚丙烯注塑件(PP)技术标准聚丙烯注塑件(PP)1 范围本标准规定了常诚公司聚丙烯类材料的技术要求和实验方法。
本标准适用于一般汽车注塑制品用聚丙烯类塑料材料的检验。
2 规范性引用文件下列文件中的条款通过本标准的引用而成为本标准的条款。
凡是注日期的引用文件,其随后所有的修改单(不包括勘误的内容)或修订版均不适用于本标准,然而,鼓励根据本标准达成协议的各方研究是否可使用这些文件的最新版本。
凡是不注日期的引用文件,其最新版本适用于本标准。
GB 8410 汽车内饰材料的燃烧特性DIN 53479 非泡沫塑料材料的密度和相对密度测定方法DIN 53456 塑料球压硬度的测定DIN 53455 塑料拉伸性能的测定DIN 53452 塑料弯曲性能的测定DIN 53453 塑料冲击强度的测定DIN 53497 热性能的测定3 分类及标识3.1 聚丙烯及其改性料分类及标识如下表:4、材料性能3表2 PP+填充类表244 试验说明5.1 试验标准环境进行试验前,必须先使试样在DIN 50014-23/50-2标准气候中至少作24小时的预处理。
5.2 试样要求试样为注塑成型。
所制得的试样完整,外观良好,无气泡,缩痕和熔合纹。
5.3 密度按DIN 53479方法A进行。
5.4 熔融温度按DIN 53736方法进行5.5 燃烧灰份按DIN EN 60进行5.6 球压硬度按DIN 53456进行,试样厚度4mm,球压硬度大于60用H358/30,小于60时用H132/305.7 拉伸强度按DIN 53455进行,试样样条按DIN 53504的标准试样S2,(75×4×2)mm,拉伸速度50mm/min5.8 弯曲强度按DIN 53452进行,试样50×10×4,支承半径1.0至1.2mm;试验速度为14±1mm/min5.9 冲击韧性、缺口冲击强度按DIN 53453进行,标准小试棒,尺寸(50×6×4)mm(缺口深度为试样厚1/3),4J摆锤。
塑料拉伸样条标准Plastic stretch bars are a common testing sample used in the plastics industry to evaluate the tensile strength and elongation properties of plastic materials. These testing samples are typically produced through a process called injection molding, where molten plastic is injected into a mold cavity and then cooled and solidified to form the desired shape. The resulting stretch bars are then used in mechanical testing machines to assess various mechanical properties of the plastic material.塑料拉伸样条是塑料行业常用的测试样本,用于评估塑料材料的抗拉强度和延伸性能。
这些测试样本通常是通过注塑工艺生产而成的,其中熔化的塑料被注入模具腔中,然后冷却凝固,形成所需的形状。
得到的拉伸条然后用于机械测试机器中,评估塑料材料的各种机械性能。
Standard specifications for plastic stretch bars are crucial to ensure consistency and accuracy in testing results across different testing laboratories and manufacturers. These standards provide guidelines for the dimensions, tolerances, and testing procedures of the stretch bars to guarantee reliable and reproducible test outcomes. Adheringto standardized specifications also helps in comparing test results between different studies and allows for better communication and understanding within the industry.塑料拉伸样条的标准规格对于确保在不同测试实验室和制造商之间测试结果的一致性和准确性至关重要。
塑料测试标准简介本文档旨在为塑料制造商、质检机构以及相关利益相关方提供塑料测试的标准和方法。
通过遵循这些测试标准,可以确保塑料产品的质量和安全性。
1. 物理性能测试包括以下测试项目:- 引火点测试:确定塑料材料的引火点。
- 密度测试:测量塑料材料的密度。
- 熔融指数测试:确定塑料材料的熔融性能。
- 硬度测试:测量塑料材料的硬度。
- 拉伸强度测试:衡量塑料材料的耐拉伸性能。
- 弯曲强度测试:测量塑料材料在弯曲过程中的强度。
2. 化学性能测试包括以下测试项目:- 溶解性测试:确定塑料材料的耐溶性。
- 耐热性测试:测量塑料材料在高温环境下的稳定性。
- 耐化学性测试:测试塑料材料在化学品接触下的耐性。
- 可燃性测试:确定塑料材料的可燃性。
3. 环境性能测试包括以下测试项目:- 耐候性测试:测量塑料材料在自然环境下的耐久性。
- 紫外线抗性测试:测试塑料材料对紫外线的抵抗能力。
- 氧气透过性测试:测量塑料材料对氧气的透过性。
4. 安全性能测试包括以下测试项目:- 可咀嚼性测试:测试塑料制品的可咀嚼性,适用于儿童玩具等产品。
- 污染物检测:测试塑料材料中的有害污染物含量,保证产品的安全性。
5. 环保性能测试包括以下测试项目:- 可降解性测试:测试塑料材料的可降解性能。
- 可回收性测试:评估塑料材料的可回收性,促进环保意识。
以上测试标准和方法仅作为参考,具体的塑料测试应根据实际情况选择适用的标准并进行测试。
在进行测试时,应遵循测试设备的操作指南,并确保测试过程的准确性和可靠性。
>注意:本文档提供的测试标准和方法仅供参考,请在实际使用前核实并遵循当地政策和法规。
塑料弯曲强度样条尺寸
塑料的弯曲强度与样条尺寸有一定关系,但具体的关系会受到多种因素的影响,包括塑料的类型、成分、处理方式以及所施加的负荷等。
以下是一些一般性的指导原则:
1. 材料的选择:不同类型的塑料具有不同的弯曲强度。
常见的工程塑料如聚碳酸酯(PC)、聚酰胺(PA)、聚乙烯(PE)等,其弯曲强度会有差异。
2. 板材的厚度:一般而言,塑料板材的弯曲强度与其厚度成反比。
较厚的板材在弯曲时会更加坚固。
3. 弯曲半径:弯曲半径对塑料的弯曲强度有影响。
较小的弯曲半径可能导致应力集中,因此会限制塑料的弯曲能力。
4. 弯曲角度:大角度弯曲可能导致塑料材料开裂或变形。
在设计时,应尽量避免过大的弯曲角度。
具体塑料的弯曲强度还需要结合实际的工程要求进行评估和测试。
建议在选择和设计塑料样条尺寸时,咨询专业的材料工程师或进行相关实验和测试,以确保所使用的塑料能够满足特定的弯曲强度要求。
塑料材料测试标准样条的制备
材料的好坏是材料本身决定的,但我们要比较准确的了解材料的各个性能及其获得相关数据,就必须制备符合条件的标准样条,有兴趣的朋友可以说说你们制备样条的体会,这可是测试结果准确的第一步哦。
我国目前的塑料性能数据可比性较差,主要原因是没有一套统一的测试方法标准,即便大家采用了相同的标准,如GB1040-92,但里面的样条尺寸又有4个选择,选择不同,测试的性能结果就不同。
在这方面,老外作的较好,ISO很早就制定了两个统一的标准,ISO10350和ISO11403规定了测试标准,使测试的数据具有可比性。
但是,非常关键的一点是测试样条的尺寸和制备,ISO推出了一个多功能试样的制备标准ISO3167,里面有A型试样和B型式样,常采用A 型试样进行测试。
ISO推荐采用ISO模具来进行A型式样的制备,详细规定了模具的浇口和流道等并且对注塑参数作了详细设置,大家可以参考一下。
试样的尺寸和制备过程对于产品的性能影响很大啊。
附图为ISO3167的多功能测试试样,不仅可以进行拉伸,而且可以进行别的性能测试,但需要进行机加工以满足使用要求。
塑料缺口冲击试验样条尺寸1.引言1.1 概述塑料缺口冲击试验是一种常用的试验方法,用于评估塑料材料在应力集中条件下的抗冲击能力。
在该试验中,样品通常会被加工成样条状,然后在试验机上进行冲击加载,以模拟实际使用中可能遇到的冲击载荷。
样条尺寸是塑料缺口冲击试验中一个重要的参数,它直接影响着试验结果的准确性和可靠性。
一般来说,样条的尺寸要符合一定的标准,以保证试验结果的可比性和可重复性。
在确定样条尺寸时,需要考虑多个因素。
首先,样条的长度应该足够长,以保证在试验过程中能够完全发展出缺口。
其次,样条的宽度和厚度应该适当,以使样本在试验中具有足够的强度,并能够承受试验加载带来的应力。
此外,样条的几何形状也需要特别注意。
一般来说,样条的断面形状应该尽可能接近于正方形或矩形,以确保应力集中在缺口处。
而样条的边缘应该是平整的,以避免冲击试验时出现额外的缺陷。
总体而言,合理选择样条尺寸对于进行准确可靠的塑料缺口冲击试验非常重要。
只有在进行试验时,我们才能获得关于塑料材料的冲击性能和可靠性的有价值的信息,从而指导实际应用中的设计和选择。
1.2文章结构文章结构部分的内容可以描述本篇论文的组织和章节安排。
下面是一个可能的写作示例:在本文中,我们将探讨塑料缺口冲击试验样条尺寸对试验结果的影响。
文章共分为引言、正文和结论三个部分。
引言部分将首先概述本文的背景和研究意义。
我们将介绍塑料缺口冲击试验的目的和其在工程应用中的重要性。
此外,我们将提供本文的文章结构和组织安排,以帮助读者更好地理解本研究的内容。
正文部分将在第2章展开。
我们将详细介绍塑料缺口冲击试验的原理和方法,包括测试样品的准备和实验过程。
然后,我们将重点讨论样条尺寸对试验结果的影响。
通过分析不同样条尺寸下的试验结果,我们将评估样条尺寸对试验数据的影响程度,并探讨可能的影响机制。
结论部分将在第3章进行总结。
我们将回顾本文的主要研究内容和实验结果,并提出结论。
在总结部分,我们将对本研究的意义和局限性进行讨论,并提出进一步研究的建议。