表面光洁度等级与表面粗糙度高度参数推荐转换表
- 格式:doc
- 大小:45.00 KB
- 文档页数:8
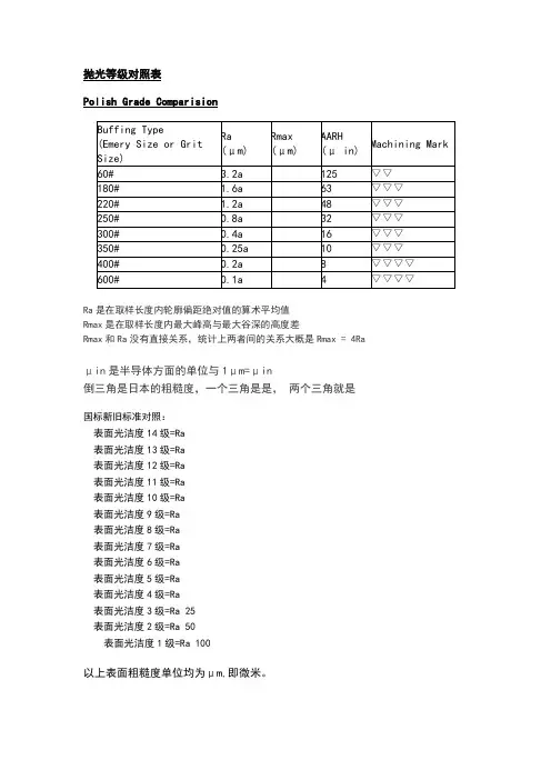
抛光等级对照表
Polish Grade Comparision
Ra是在取样长度内轮廓偏距绝对值的算术平均值
Rmax是在取样长度内最大峰高与最大谷深的高度差
Rmax和Ra没有直接关系,统计上两者间的关系大概是Rmax = 4Ra
μin是半导体方面的单位与1μm=39.37μin
倒三角是日本的粗糙度,一个三角是是1.6,两个三角就是3.2
国标新旧标准对照:
表面光洁度14级=Ra 0.012
表面光洁度13级=Ra 0.025
表面光洁度12级=Ra 0.050
表面光洁度11级=Ra 0.1
表面光洁度10级=Ra 0.2
表面光洁度9级=Ra 0.4
表面光洁度8级=Ra 0.8
表面光洁度7级=Ra 1.6
表面光洁度6级=Ra 3.2
表面光洁度5级=Ra 6.3
表面光洁度4级=Ra 12.5
表面光洁度3级=Ra 25
表面光洁度2级=Ra 50
表面光洁度1级=Ra 100
以上表面粗糙度单位均为μm,即微米。
表面光洁度与粗糙度Ra、Rz数值换算表无论用何种加工方法加工,在零件表面总会留下微细的凸凹不平的刀痕,岀现交错起伏的峰谷现象,粗加工后的表面用肉眼就能看到,精加工后的表面用放大镜或显微镜仍能观察到。
这就是零件加工后的表面粗糙度。
过去称为表面光洁度。
国家规定表面粗糙度的参数由高度参数、间距参数和综合参数组成。
高度参数共有三个:*轮廓的平均算术偏差(RJ :通过零件的表面轮廓作一中线m,将一定长度的轮廓分成两部分,使中线两侧轮廓线与中线之间所包含的面积相等,*不平度平均高度(Rz):就是在基本测量长度范围内,从平行于中线的任意线起,自被测轮廓上五个最高点至五个最低点的平均距离,*轮廓最大高度Ry:就是在取样长度内,轮廓峰顶线和轮廓谷底线之间的距离。
间距参数共有两个:1. 轮廓单峰平均间距S,就是在取样长度内,轮廓单峰间距的平均值。
而轮廓单峰间距,就是两相邻轮廓单峰的最高点在中线上的投影长度Si。
2. 轮廓微观不平度的平均间距Sm含有一个轮廓峰和相邻轮廓谷的一段中线长度Smi,称轮廓微观不平间距。
综合参数只有一个,就是轮廓支承长度率tp。
它是轮廓支承长度np与取样长度l之比。
在原有的国家标准中,表面光洁度分为14级,其代号为1、厂2 L[4。
厂后的数字越大,表面光洁度就越高,即表面粗糙度数值越小。
在车间生产中,常根据表面粗糙度样板和加工岀来的零件表面进行比较,用肉眼或手指的感觉,来判断零件表面粗糙度的等级。
此外,还有很多测量光洁度的仪器。
表面粗糙度对零件使用情况有很大影响。
一般说来,表面粗糙度数值小,会提高配合质量,减少磨损,延长零件使用寿命,但零件的加工费用会增加。
因此,要正确、合理地选用表面粗糙度数值。
在设计零件时,表面粗糙度数值的选择,是根据零件在机器中的作用决定的。
总的原则是:在保证满足技术要求的前提下,选用较大的表面粗糙度数值。
具体选择时,可以参考下述原则:(1)工作表面比非工作表面的粗糙度数值小。
表面光洁度等级与表面粗糙度高度参数推荐转换表表面光洁度等级与表面粗糙度高度参数推荐转换表(一)表面光洁度(GB1031-68)级别代号 Ra Rz▽ 1>40 ∽80 um > 160 ∽320 um▽ 2>20 ∽40 um> 80 ∽160 um▽ 3 >10 ∽20 um> 40 ∽80 um▽ 4>5 ∽10 um> 20 ∽40 um▽ 5>2.5 ∽5 um> 10 ∽20 um▽ 6>1.25 ∽2.5 um> 6.3 ∽10 um▽ 7>0.63 ∽1.25 um> 3.2 ∽6.3 um▽ 8>0.32 ∽0.63 um> 1.6∽3.2 um▽ 9>0.16 ∽0.32 um > 0.8 ∽1.6 um▽ 10>0.08 ∽0.16 um> 0.4 ∽0.8 um▽ 11>0.04 ∽0.08 um> 0.2 ∽0.4 um▽ 12>0.02 ∽0.04 um> 0.1 ∽0.2 um▽ 13>0.01 ∽0.02 um> 0.05 ∽0.1 um▽ 14≤0.01 um≤0.05 um表面光洁度等级与表面粗糙度高度参数推荐转换表(二)表面粗糙度(GB1031-83)级别代号 Ra RzⅠⅡⅢ▽ 1 50um 100um 80um 320um▽ 2 25um 50um 40um 160um▽ 3 12.5um 25um 20um 80um▽ 4 6.3um 12.5um 10um 40um▽ 5 3.2um 6.3um 5um 20um▽ 6 1.60um 3.2um 2.5um 10um▽ 7 0.80um 1.60um 1.25um 6.3um▽ 8 0.40um 0.80um 0.63um 3.2um▽ 9 0.20um 0.40 um 0.32um 1.60um▽ 10 0.100um 0.20um 0.16um 0.80um▽ 11 0.050um 0.100um 0.08um 0.40um▽12 0.025um 0.050um 0.04um 0.20um▽13 0.012 um 0.025um 0.02um 0.100um▽14 0.012um 0.01um 0.050um光洁度与粗糙度Ra、Rz数值对照换算表(单位:μm)另附:表面粗糙度国际标准轮廓算术平均偏差Ra ——在取样长度l内,轮廓偏距绝对值的算术平均值。
抛光尺寸与粗糙度精度等级对照表
Ra 是在取样长度内轮廓偏距绝对值的算术平均值
Rmax 是在取样长度内最大峰高与最大谷深的高度差
Rmax 和Ra没有直接关系,统计上两者间的关系大概是Rmax = 4Ra
μin是半导体方面的单位与1μm=39。
37μin
倒三角是日本的粗糙度,一个三角是是1.6μm,两个三角就是3。
2μm
国标新旧标准对照:
表面光洁度14级=Ra 0。
012
表面光洁度13级=Ra 0.025
表面光洁度12级=Ra 0。
050
表面光洁度11级=Ra 0。
1
表面光洁度10级=Ra 0。
2
表面光洁度9级=Ra 0.4
表面光洁度8级=Ra 0.8
表面光洁度7级=Ra 1.6
表面光洁度6级=Ra 3.2
表面光洁度5级=Ra 6。
3
表面光洁度4级=Ra 12。
5
表面光洁度3级=Ra 25
表面光洁度2级=Ra 50
表面光洁度1级=Ra 100
以上表面粗糙度单位均为μm,即微米。
光洁度与粗糙度Ra、Rz数值对照换算表(单位:μm) 另附:表面粗糙度国际标准标准等级代号表面粗糙度加工工具(方法) 加工材料及硬度要求光度描述粗研磨砂粒粒度精研磨砂粒粒度钻石膏抛光SPI (A1) Ra0.005 S136 54HRC 光洁度非常高,镜面效果8407 52HRCSPI (A2) Ra0.01 DF-2 58HRC 光洁度较低,没有砂纸纹XW-10 60HRCSPI (A3) Ra0.02 S136 300HB 光洁度更低一级,但没有砂纸纹718SUPREME 300HBSPI (B1) Ra0.05 没有光亮度,有轻微3000#砂纸纹SPI (B2) Ra0.1 没有光亮度,有轻微2000#砂纸纹SPI (B3) Ra0.2 没有光亮度,有轻微1000#砂纸纹不辨加工痕迹的方向Ra0.4 精加工:精车\精刨\精铣\磨\铰\刮微辨加工痕迹的方向Ra0.8 精加工:精车\精刨\精铣\磨\铰\刮可辨加工痕迹的方向Ra1.6Ra3.2Ra6.3Ra12.5表面光洁度▽1▽2▽3▽4▽5▽6▽7表面粗糙度Ra50 25 12.5 6.3 3.2 1.60 0.80 Rz200 100 50 25 12.5 6.3 6.3表面光洁度▽8▽9▽10▽11▽12▽13▽14表面粗糙度Ra0.40 0.200.100.0500.0250.012 - Rz 3.2 1.60 0.80 0.40 0.200.100.05Ra25Ra50表面光洁度等级与表面粗糙度高度参数推荐转换表表面光洁度等级与表面粗糙度高度参数推荐转换表(一)表面光洁度(GB1031-68)级别代号 Ra Rz▽ 1>40 ∽80 um> 160 ∽320 um▽ 2>20 ∽40 um> 80 ∽160 um▽ 3 >10 ∽20 um> 40 ∽80 um▽ 4>5 ∽10 um > 20 ∽40 um▽ 5>2.5 ∽5 um> 10 ∽20 um▽ 6>1.25 ∽2.5 um> 6.3 ∽10 um▽ 7>0.63 ∽1.25 um> 3.2 ∽6.3 um▽ 8>0.32 ∽0.63 um> 1.6∽3.2 um▽ 9 >0.16 ∽0.32 um> 0.8 ∽1.6 um▽ 10>0.08 ∽0.16 um> 0.4 ∽0.8 um▽ 11>0.04 ∽0.08 um> 0.2 ∽0.4 um▽ 12>0.02 ∽0.04 um> 0.1 ∽0.2 um▽ 13>0.01 ∽0.02 um> 0.05 ∽0.1 um▽ 14≤0.01 um≤0.05 um表面光洁度等级与表面粗糙度高度参数推荐转换表(二)表面粗糙度(GB1031-83)级别代号Ra RzⅠⅡⅢ▽ 1 50um 100um 80um 320um ▽ 2 25um 50um 40um 160um ▽ 3 12.5um 25um 20um 80um ▽ 4 6.3um 12.5um 10um 40um ▽ 5 3.2um 6.3um 5um 20um ▽ 6 1.60um 3.2um 2.5um 10um ▽ 7 0.80um 1.60um 1.25um 6.3um ▽ 8 0.40um 0.80um 0.63um 3.2um ▽ 9 0.20um 0.40 um 0.32um 1.60um ▽ 10 0.100um 0.20um 0.16um 0.80um▽ 11 0.050um 0.100um 0.08um 0.40um▽12 0.025um 0.050um 0.04um 0.20um▽13 0.012 um 0.025um 0.02um 0.100um▽14 0.012um 0.01um 0.050um轮廓算术平均偏差Ra ——在取样长度l内,轮廓偏距绝对值的算术平均值。
抛光等级对照表
Polish Grade Comparision
Ra是在取样长度内轮廓偏距绝对值的算术平均值
Rmax是在取样长度内最大峰高与最大谷深的高度差
Rmax和Ra没有直接关系,统计上两者间的关系大概是Rmax = 4Ra
μin是半导体方面的单位与1μm=μin
倒三角是日本的粗糙度,一个三角是是,两个三角就是
国标新旧标准对照:
表面光洁度14级=Ra
表面光洁度13级=Ra
表面光洁度12级=Ra
表面光洁度11级=Ra
表面光洁度10级=Ra
表面光洁度9级=Ra
表面光洁度8级=Ra
表面光洁度7级=Ra
表面光洁度6级=Ra
表面光洁度5级=Ra
表面光洁度4级=Ra
表面光洁度3级=Ra 25
表面光洁度2级=Ra 50
表面光洁度1级=Ra 100
以上表面粗糙度单位均为μm,即微米。
表面光洁度与表面粗糙度对照表粗糙度光洁度(旧标)级别Ra(μm)Ra(μm)方案1方案2方案3▽140~805010080▽220~40255040表面状况=明显可见的刀痕加工方法=粗车、镗、刨、钻应用举例=粗加工后的表面,焊接前的焊缝、粗钻孔壁等▽ 310~2012.52520表面状况=可见刀痕加工方法=粗车、刨、铣、钻应用举例=一般非结合表面,如轴的端面、倒角、齿轮及皮带轮的侧面、键槽的非工作表面,减重孔眼表面▽45~10 6.312.510表面状况=可见加工痕迹加工方法=车、镗、刨、钻、铣、锉、磨、粗铰、铣齿应用举例=不重要零件的配合表面,如支柱、支架、外壳、衬套、轴、盖等的端面。
紧固件的自由表面,紧固件通孔的表面,内、外花键的非定心表面,不作为计量基准的齿轮顶圈圆表面等▽5 2.5~5 3.2 6.35表面状况=微见加工痕迹加工方法=车、镗、刨、铣、刮1~2点/cm^2、拉、磨、锉、滚压、铣齿应用举例=和其他零件连接不形成配合的表面,如箱体、外壳、端盖等零件的端面。
要求有定心及配合特性的固定支承面如定心的轴间,键和键槽的工作表面。
不重要的紧固螺纹的表面。
需要滚花或氧化处理的表面▽6 1.25~2.5 1.6 3.2 2.5表面状况=看不清加工痕迹加工方法=车、镗、刨、铣、铰、拉、磨、滚压、刮1~2点/cm^2铣齿应用举例=安装直径超过80mm的G级轴承的外壳孔,普通精度齿轮的齿面,定位销孔,V型带轮的表面,外径定心的内花键外径,轴承盖的定中心凸肩表面▽70.63~1.250.8 1.6 1.25表面状况=可辨加工痕迹的方向加工方法=车、镗、拉、磨、立铣、刮3~10点/cm^2、滚压应用举例=要求保证定心及配合特性的表面,如锥销与圆柱销的表面,与G级精度滚动轴承相配合的轴径和外壳孔,中速转动的轴径,直径超过80mm的E、D级滚动轴承配合的轴径及外壳孔,内、外花键的定心内径,外花键键侧及定心外径,过盈配合IT7级的孔(H7),间隙配合IT8~IT9级的孔(H8,H9),磨削的齿轮表面等▽80.32~0.630.40.80.63表面状况=微辨加工痕迹的方向加工方法=铰、磨、镗、拉、刮3~10点/cm^2、滚压应用举例=要求长期保持配合性质稳定的配合表面,IT7级的轴、孔配合表面,精度较高的齿轮表面,受变应力作用的重要零件,与直径小于80mm的E、D级轴承配合的轴径表面、与橡胶密封件接触的轴的表面,尺寸大于120mm的IT13~IT16级孔和轴用量规的测量表面▽90.16~0.320.20.40.32表面状况=不可辨加工痕迹的方向加工方法=布轮磨、磨、研磨、超级加工应用举例=工作时受变应力作用的重要零件的表面。
光洁度与粗糙度Ra、Rz数值对照换算表(单位:μm)另附:表面粗糙度国际标准表面粗糙度的表示法从量测仪器上,我们多可获得工件表面不规则状况的放大结果, 而此一结果常被称为"表面轮廓图"(surface profile)。
当仪器的尖笔正沿着工件表面进行扫描时, 其垂直方向的运动乃可被放大而被绘制下来, 且在同时, 我们亦可直接自仪器上读出在该处工件表面上的表面粗度算术平均值究竟为多少。
在1930 年以前, 这完全是要凭触觉来建立标准。
检验时必须使用一系列具有不同粗度的试片, 工厂人员在使用这些试片时,先用他的手指甲划过标准的试片表面, 然后再划过他制造出来之工件的表面, 当感觉这两个表面具有相同的粗度时, 则工件表面便被认为足够光滑了。
在表面密封、滚珠轴承、齿轮、凸轮或轴颈等应用场合,表面光度对于设备的功能能否发挥影响很大,有人发现,设备的性能与对数的表面光度值成线性的变化关系。
也就是说,要使性能提高一倍时,平均的波峰到波谷的粗度值必须减低十倍。
于是乎, 对表面粗糙度量化的要求也就产生了。
表面轮廓断面曲线中 ,包含了粗糙度曲线与波浪起伏的曲线 (图 1), 一般 说来波浪起伏的曲线是属于轮 廓量测的范围 , 其值远大于表面粗糙度之值 ( 有 关轮廓量测请参阅第六章 ), 但也有将表面轮廓断面两种 曲线分开或合并考虑 的作法 , 因此也就有了各种表面粗糙度之定义 , 如表 1.尽管各种表面粗糙度之定义有那么多 ,一般表面粗糙度之表示法只有下列三种 :Ra ( 中心线平均粗糙度 )、Rymax (最大高度粗糙度 )、Rtm ( 十点平均粗 糙度), 现分述如下 :1. Ra : 中心线平均粗糙度若从加工面之粗糙曲线上 ,截取一段测量长度 L (图 2) , 并以该长度内 粗糙深之中心线为 x 轴,取中心线 之垂直线为 y 轴, 则粗糙曲线可用 y = f (x ) 表之。
以中心线为基准将下方曲线反折。
光洁度与粗糙度Ra、Rz数值对照换算表(单位:μm)另附:表面粗糙度国际标准表面光洁度等级与表面粗糙度高度参数推荐转换表表面光洁度等级与表面粗糙度高度参数推荐转换表(一)表面光洁度(GB1031-68)级别代号 Ra Rz▽ 1>40 ∽80 um> 160 ∽320 um▽ 2>20 ∽40 um> 80 ∽160 um▽ 3 >10 ∽20 um> 40 ∽80 um▽ 4>5 ∽10 um> 20 ∽40 um▽ 5>2.5 ∽5 um> 10 ∽20 um▽ 6>1.25 ∽2.5 um> 6.3 ∽10 um▽ 7>0.63 ∽1.25 um> 3.2 ∽6.3 u m▽ 8>0.32 ∽0.63 um> 1.6∽3.2 um▽ 9>0.16 ∽0.32 um> 0.8 ∽1.6 um▽ 10>0.08 ∽0.16 um> 0.4 ∽0.8 um▽ 11>0.04 ∽0.08 um> 0.2 ∽0.4 um▽ 12>0.02 ∽0.04 um> 0.1 ∽0.2 um▽ 13>0.01 ∽0.02 um> 0.05 ∽0.1 um▽ 14≤0.01 um≤0.05 um表面光洁度等级与表面粗糙度高度参数推荐转换表(二)表面粗糙度(GB1031-83)级别代号 Ra RzⅠⅡⅢ▽ 1 50um 100um 80um 320um▽ 2 25um 50um 40um 160um▽ 3 12.5um 25um 20um 80um▽ 4 6.3um 12.5um 10um 40um▽ 5 3.2um 6.3um 5um 20um▽ 6 1.60um 3.2um 2.5um 10um▽ 7 0.80um 1.60um 1.25um 6.3um▽ 8 0.40um 0.80um 0.63um 3.2um▽ 9 0.20um 0.40 um 0.32um 1.60um▽ 10 0.100um 0.20um 0.16um 0.80um▽ 11 0.050um 0.100um 0.08um 0.40um▽12 0.025um 0.050um 0.04um 0.20um▽13 0.012 um 0.025um 0.02um 0.100um▽14 0.012um 0.01um 0.050um轮廓算术平均偏差Ra ——在取样长度l内,轮廓偏距绝对值的算术平均值。
光洁度与粗糙度Ra、Rz数值对照换算表(单位:μm)另附:表面粗糙度国际标准表面粗糙度的表示法从量测仪器上,我们多可获得工件表面不规则状况的放大结果,而此一结果常被称为"表面轮廓图"(surface profile)。
当仪器的尖笔正沿着工件表面进行扫描时,其垂直方向的运动乃可被放大而被绘制下来,且在同时,我们亦可直接自仪器上读出在该处工件表面上的表面粗度算术平均值究竟为多少。
在1930年以前,这完全是要凭触觉来建立标准。
检验时必须使用一系列具有不同粗度的试片,工厂人员在使用这些试片时,先用他的手指甲划过标准的试片表面,然后再划过他制造出来之工件的表面,当感觉这两个表面具有相同的粗度时,则工件表面便被认为足够光滑了。
在表面密封、滚珠轴承、齿轮、凸轮或轴颈等应用场合,表面光度对于设备的功能能否发挥影响很大,有人发现,设备的性能与对数的表面光度值成线性的变化关系。
也就是说,要使性能提高一倍时,平均的波峰到波谷的粗度值必须减低十倍。
于是乎,对表面粗糙度量化的要求也就产生了。
图 1 表面轮廓包含了粗糙度曲线与波浪起伏的曲线表面轮廓断面曲线中,包含了粗糙度曲线与波浪起伏的曲线(图 1),一般说来波浪起伏的曲线是属于轮廓量测的范围,其值远大于表面粗糙度之值(有关轮廓量测请参阅第六章),但也有将表面轮廓断面两种曲线分开或合并考虑的作法,因此也就有了各种表面粗糙度之定义,如表 1.尽管各种表面粗糙度之定义有那么多,一般表面粗糙度之表示法只有下列三种:Ra(中心线平均粗糙度)、Rymax(最大高度粗糙度)、Rtm (十点平均粗糙度),现分述如下:图 2 中心线平均粗糙度之测量长度L1. Ra :中心线平均粗糙度若从加工面之粗糙曲线上,截取一段测量长度L(图 2) ,并以该长度内粗糙深之中心线为x轴,取中心线之垂直线为y轴,则粗糙曲线可用y = f(x)表之。
以中心线为基准将下方曲线反折。
然后计算中心线上方经反折后之全部曲线所涵盖面积, 再以测量长度除之。
表面光洁度等级与表面粗糙度高度参数推荐转换表
表面光洁度等级与表面粗糙度高度参数推荐转换表(一)
表面光洁度(GB1031-68)
级别代
号 Ra Rz
▽ 1 >40 ∽80
um > 160 ∽320 um
▽ 2 >20 ∽40
um > 80 ∽160 um
▽ 3 >10 ∽20
um > 40 ∽80 um
▽ 4 >5 ∽10
um > 20 ∽40 um
▽ 5 > ∽5 um > 10 ∽20 um
▽ 6 > ∽ um > ∽10 um
▽ 7 > ∽ um > ∽ um
▽ 8 > ∽ um > ∽ um
▽ 9 > ∽ um > ∽ um
▽ 10 > ∽ um > ∽ um
▽ 11 > ∽ um > ∽ um
▽ 12 > ∽ um > ∽ um
▽ 13 > ∽ um > ∽ um
▽ 14 ≤ um≤ um
表面光洁度等级与表面粗糙度高度参数推荐转换表(二)
表面粗糙度(GB1031-83)
级别代号Ra Rz
ⅠⅡⅢ
▽
1 50um 100um 80um 3
2 0um
▽
2 25um 50um 40um 1 60um
▽
3 25um 20um 80um
▽
4 10um 40um
▽
5 5um 20um
▽ 6 10um
▽ 7
▽ 8
▽ 9 um
▽ 10
▽ 11
▽12
▽13 um
▽14
表面粗糙度值的选用
表面粗糙度值的选用实例
使用时代TR200粗糙度仪测量时需要选定取样长度,这又牵涉到被测工件本身的粗糙度范围,摘编本表就是希望对此有帮助。
不可辨夹具定位元件和钻套的主要表面,曲轴和凸轮轴等高速转动的轴颈;工作时受交变应力的重要零件;中型机床(提高精度)滑动导轨面和/P5级滚动轴承配合的表面
极光表面
暗光泽面
精密机床主轴锥孔,顶尖圆锥面,高
精度齿轮工作表面;和/P4级滚动轴
承配合的表面;液压油缸和柱塞的表
面;曲轮、凸轮轴的工作表面等
亮光泽面
精密机床主轴箱与套筒配合的孔;仪
器中承受摩擦的表面,如导轨、槽面
等;液压传动用孔的表面,阀的工作
表面,汽缸内表面,活塞销的表面镜状光泽表面
特别精密的滚动轴承套圈滚道,钢球
及滚子表面;量仪中的中等精度间隙
配合零件的工作表面;工作量规的测
量表面;摩擦离合器的摩擦表面等
表面光洁度&表面粗糙度
(2010-06-12 17:40:53)
转载
标签:分类:机械知识
表面光洁度
表面粗糙度
平均值
杂谈
此处有很多机械相关的书本或教材,不错的一.表面光洁度是表面粗糙度的旧标准; 它们的对应关系:
表面光洁度14级=Ra
表面光洁度13级=Ra
表面光洁度12级=Ra
表面光洁度11级=Ra
表面光洁度10级=Ra
表面光洁度9级=Ra
表面光洁度8级=Ra
表面光洁度7级=Ra
表面光洁度6级=Ra
表面光洁度5级=Ra
表面光洁度4级=Ra
表面光洁度3级=Ra 25
表面光洁度2级=Ra 50
表面光洁度1级=Ra 100
以上表面粗糙度单位均为μm,即微米=10^-6米。
参考资料:《技术制图》国家标准应用指南
表面光洁度是老标准的叫法,后来改叫表面粗糙度。
微米工业叫μ
1毫米=10丝 1丝=10μm
二.标准编号 GB/T 1031-1995
标准名称表面粗糙度参数及其数值
1、一般车床的加工精度可达IT8~IT7,表面粗糙度为Ra25~Ra1.6.
2、钻床用于钻孔加工精度可达IT13~IT11,表面粗糙度Ra80~Ra20;用于扩孔精度达IT10,表面粗糙度Ra10~Ra5.;用于铰孔精度可达IT7,表面粗糙度Ra5~。
3、铣床加工精度一般为IT9~IT8,表面粗糙度为~.
4、刨床加工精度为IT9~IT8,表面粗糙度为Ra25~.
5、磨床加工精度一般为IT6~IT5,表面粗糙度为~.
三.机械制图时我们标注的表面粗糙度是Ra还是Rz
Ra !
Ra 是在取样长度内,轮廓偏距绝对值的算术平均值
Rz 是在取样长度内最大的轮廓峰高的平均值与五个最大的轮廓谷深的平均值之和
Ry 是在取样长度内,轮廓峰顶线和轮廓谷底线之间的距离
为什么是Ra呢是因为平均值好测量吧
四.表面粗糙度高低怎么分比如和谁高差几级还有通常图纸上技术要求写些什么内容
表面粗糙度值越高,表面越粗糙.
比的精度高一级.
常用的表面精糙度值有:、、、、、、、、、、、 25、 50,单位微米.
机械图纸上常有:形位公差和表面处理等内容.
高一些
它的意思是“表面最高点与最低点的平均值差μm”
“3.2”是精车、精铣后的结果,只是精的效果不是非常好。
“1.6”也可以在车、铣精加工中得到,只是稍微费事一些。
“0.8”及以上的要求只能在磨床中得到,或者是特殊的化学处理中。
据说现在国外通过精车、铣已经可以达到“0.4”的要求了。
我们的差距非常大
五.不锈钢抛光粗糙度Ra=和目没有关系,要先后用用粒度60,80,120,180的砂纸或砂带进行抛光,其粗糙度可达Ra=
六.想知道一般的未经加工的热轧钢板表面粗糙度能达到多少。
比如是或25或.....
和生产厂家有关系,国产的大约,进口的可以到
PS:
无论是机械加工的零件表面,或者是用铸、锻等方法获得的零件表面,总是会存在着具有较小间距和峰谷的微观几何形状误差(轮廓微观不平度)。
这种较小的间距和峰谷的微观几何形状特性称为表面粗糙度。
表面粗糙度的评定参数(在此仅讨论高度特性参数,因为表面粗糙度评定参数最常采用高度评定参数)
1. 轮廓算数平均偏差:
轮廓算数平均偏差Ra是指在取样长度L内,被测轮廓上各点到基准线的距离Yi的绝对值的算数平均平均值。
2.微观不平度十点高度:
微观不平度十点高度Rz是指在取样长度L内,被测轮廓上五个最大轮廓峰高Ypi的平均值与五个最大轮廓谷底Yvi的平均值之和。
3. 轮廓最大高度:
轮廓最大高度Ry是指在取样长度L内,被测轮廓的峰顶线与轮谷线之间的距离。
表征微观不平度高度特性的评定参数Ra、 Rz、Ry的数值愈大,则表面越粗糙。
在高度评定参数中,Ra的概念颇为直观,Ra值反应实际轮廓微观几何形状特性的信息量最大,且Ra值用触针式电动轮廓仪测量比较容易。
因此对于光滑表面和半光滑表面,普遍采用Ra作为评定参数。
但受测量仪器的限制,极光滑和极粗糙的表面不能用Ra评定。
评定参数Rz的概念较为直观,Rz值通常用非接触式的光切显微镜测量。
但Rz值只反应取样长度内峰高和谷底的十个点,不能反应峰顶的尖锐和平顿的几何形状特性,因此Rz值
不如Ra值反应得微观几何形状特性全面。
评定参数Ry的概念简单,Ry值得测量方便,但Ry值不及Rz、Ra值反应的微观几何形状特性全面。
Ry值与Ra、Rz值连用控制微观不平度的谷深用来评定某些不允许出现较大加工痕迹和受交变应力作用的表面。