(完整版)粗糙度、光洁度、抛光级别对应表
- 格式:doc
- 大小:157.01 KB
- 文档页数:2
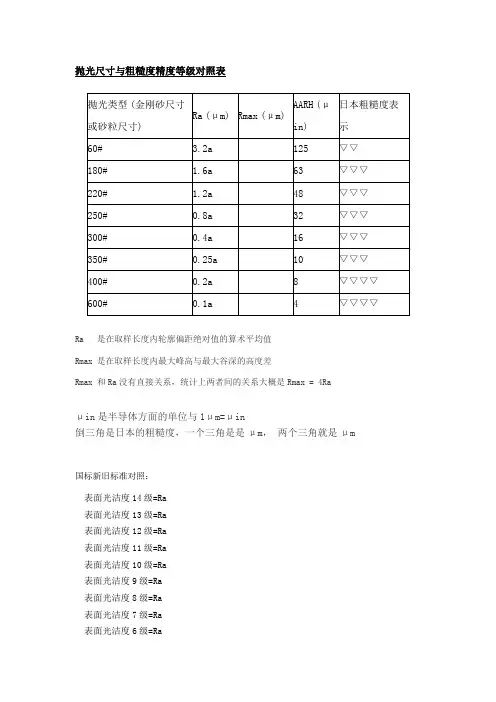
抛光尺寸与粗拙度精度等级比较表
抛光种类(金刚砂尺
AARH(μ日本粗拙度表
寸
Ra(μm)Rmax(μm)
或砂粒尺寸)in)示
60#125▽▽
180#63▽▽▽
220#48▽▽▽
250#32▽▽▽
300#16▽▽▽
350#10▽▽▽
400#8▽▽▽▽
600#4▽▽▽▽
Ra 是在取样长度内轮廓偏距绝对值的算术均匀值
Rmax是在取样长度内最大峰高与最大谷深的高度差
Rmax和Ra没有直接关系,统计上二者间的关系大体是Rmax=4Ra
μin是半导体方面的单位与1μm=μin
倒三角是日本的粗拙度,一个三角是是μm,两个三角就是μm
国标新旧标准比较:
表面光洁度14级=Ra
表面光洁度13级=Ra
表面光洁度12级=Ra
表面光洁度11级=Ra 表面光洁度10级=Ra 表面光洁度9级=Ra 表面光洁度8级=Ra 表面光洁度7级=Ra 表面光洁度6级=Ra
表面光洁度5级=Ra
表面光洁度4级=Ra
表面光洁度3级=Ra25
表面光洁度2级=Ra50
表面光洁度1级=Ra100
以上表面粗拙度单位均为μm,即微米。
抛光尺寸与粗糙度精度等级对照表
Ra是在取样长度内轮廓偏距绝对值的算术平均值
Rmax是在取样长度内最大峰高与最大谷深的高度差
Rmax和Ra没有直接关系,统计上两者间的关系大概是Rmax = 4Ra
μin是半导体方面的单位与1μm=39.37μin
倒三角是日本的粗糙度,一个三角是是1.6μm,两个三角就是3.2μm
国标新旧标准对照:
表面光洁度14级=Ra 0.012
表面光洁度13级=Ra 0.025
表面光洁度12级=Ra 0.050
表面光洁度11级=Ra 0.1
表面光洁度10级=Ra 0.2
表面光洁度9级=Ra 0.4
表面光洁度8级=Ra 0.8
表面光洁度7级=Ra 1.6
表面光洁度6级=Ra 3.2
表面光洁度5级=Ra 6.3
表面光洁度4级=Ra 12.5
表面光洁度3级=Ra 25
表面光洁度2级=Ra 50
表面光洁度1级=Ra 100
以上表面粗糙度单位均为μm,即微米。
精品文档word文档可以编辑!谢谢下载!。
抛光尺寸与粗糙度精度等级对照表
Ra 是在取样长度内轮廓偏距绝对值的算术平均值
Rmax 是在取样长度内最大峰高与最大谷深的高度差
Rmax 和Ra没有直接关系,统计上两者间的关系大概是Rmax = 4Ra
μin是半导体方面的单位与1μm=μin
倒三角是日本的粗糙度,一个三角是是μm,两个三角就是μm
国标新旧标准对照:
表面光洁度14级=Ra
表面光洁度13级=Ra
表面光洁度12级=Ra
表面光洁度11级=Ra
表面光洁度10级=Ra
表面光洁度9级=Ra
表面光洁度8级=Ra
表面光洁度7级=Ra
表面光洁度6级=Ra
表面光洁度5级=Ra
表面光洁度4级=Ra
表面光洁度3级=Ra 25
表面光洁度2级=Ra 50
表面光洁度1级=Ra 100
以上表面粗糙度单位均为μm,即微米。
抛光尺寸与粗糙度精度等级对照表
Ra 是在取样长度内轮廓偏距绝对值的算术平均值
Rmax 是在取样长度内最大峰高与最大谷深的高度差
Rmax 和Ra没有直接关系,统计上两者间的关系大概是Rmax = 4Ra
μin是半导体方面的单位与1μm=μin
倒三角是日本的粗糙度,一个三角是是μm,两个三角就是μm
国标新旧标准对照:
表面光洁度14级=Ra
表面光洁度13级=Ra
表面光洁度12级=Ra
表面光洁度11级=Ra
表面光洁度10级=Ra
表面光洁度9级=Ra
表面光洁度8级=Ra
表面光洁度7级=Ra
表面光洁度6级=Ra
表面光洁度5级=Ra
表面光洁度4级=Ra
表面光洁度3级=Ra 25
表面光洁度2级=Ra 50
表面光洁度1级=Ra 100
以上表面粗糙度单位均为μm,即微米。
抛光等级对照表之南宫帮珍创作
Polish Grade Comparision
Ra是在取样长度内轮廓偏距绝对值的算术平均值Rmax是在取样长度内最大峰高与最大谷深的高度差Rmax和Ra没有直接关系,统计上两者间的关系大概是Rmax = 4Ra
国标新旧尺度对照:
概况光洁度14级=Ra 0.012
概况光洁度13级=Ra 0.025
概况光洁度12级=Ra 0.050
概况光洁度11级=Ra 0.1
概况光洁度10级=Ra 0.2
概况光洁度9级=Ra 0.4
概况光洁度8级=Ra 0.8
概况光洁度7级=Ra 1.6
概况光洁度6级=Ra 3.2
概况光洁度5级=Ra 6.3
概况光洁度4级=Ra 12.5
概况光洁度3级=Ra 25
概况光洁度2级=Ra 50
概况光洁度1级=Ra 100
以上概况粗糙度单位均为μm,即微米。
抛光尺寸与粗糙度精度等级对照表
Ra是在取样长度内轮廓偏距绝对值的算术平均值ﻫRmax是在取样长度内最大峰高与最大谷深的高度差ﻫRmax和Ra没有直接关系,统计上两者间的关系大概是Rmax = 4Ra
μin是半导体方面的单位与1μm=39。
37μin
倒三角是日本的粗糙度,一个三角是是1。
6μm,两个三角就是3.2μm
国标新旧标准对照:
表面光洁度14级=Ra0。
012
表面光洁度13级=Ra0.025
表面光洁度12级=Ra 0.050
表面光洁度11级=Ra0.1
表面光洁度10级=Ra 0。
2
表面光洁度9级=Ra 0.4
表面光洁度8级=Ra 0.8
表面光洁度7级=Ra 1.6
表面光洁度6级=Ra 3。
2
表面光洁度5级=Ra6。
3
表面光洁度4级=Ra12.5
表面光洁度3级=Ra 25
表面光洁度2级=Ra50
表面光洁度1级=Ra 100
以上表面粗糙度单位均为μm,即微米.。
抛光尺寸与粗糙度精度等级对照表
Ra 是在取样长度内轮廓偏距绝对值的算术平均值
Rmax 是在取样长度内最大峰高与最大谷深的高度差
Rmax 和Ra没有直接关系,统计上两者间的关系大概是Rmax = 4Ra
μin是半导体方面的单位与1μm=39.37μin
倒三角是日本的粗糙度,一个三角是是1。
6μm, 两个三角就是3。
2μm
国标新旧标准对照:
表面光洁度14级=Ra 0.012
表面光洁度13级=Ra 0。
025
表面光洁度12级=Ra 0。
050
表面光洁度11级=Ra 0.1
表面光洁度10级=Ra 0。
2
表面光洁度9级=Ra 0。
4
表面光洁度8级=Ra 0.8
表面光洁度7级=Ra 1.6
表面光洁度6级=Ra 3。
2
表面光洁度5级=Ra 6.3
表面光洁度4级=Ra 12.5
表面光洁度3级=Ra 25
表面光洁度2级=Ra 50
表面光洁度1级=Ra 100
以上表面粗糙度单位均为μm,即微米。
抛光尺寸与粗糙度精度等级对照表
Ra 是在取样长度内轮廓偏距绝对值的算术平均值
Rmax 是在取样长度内最大峰高与最大谷深的高度差
Rmax 和Ra没有直接关系,统计上两者间的关系大概是Rmax = 4Ra
μin是半导体方面的单位与1μm=μin
—
倒三角是日本的粗糙度,一个三角是是μm,两个三角就是μm
国标新旧标准对照:
表面光洁度14级=Ra
表面光洁度13级=Ra
表面光洁度12级=Ra
表面光洁度11级=Ra
表面光洁度10级=Ra
表面光洁度9级=Ra
—
表面光洁度8级=Ra
表面光洁度7级=Ra
表面光洁度6级=Ra
表面光洁度5级=Ra
表面光洁度4级=Ra
表面光洁度3级=Ra 25
表面光洁度2级=Ra 50
表面光洁度1级=Ra 100
以上表面粗糙度单位均为μm,即微米。
抛光等级对照表之阿布丰王创作
Polish Grade Comparision
Ra是在取样长度内轮廓偏距绝对值的算术平均值Rmax是在取样长度内最大峰高与最大谷深的高度差Rmax和Ra没有直接关系,统计上两者间的关系大概是Rmax = 4Ra
国标新旧尺度对照:
概况光洁度14级=Ra 0.012
概况光洁度13级=Ra 0.025
概况光洁度12级=Ra 0.050
概况光洁度11级=Ra 0.1
概况光洁度10级=Ra 0.2
概况光洁度9级=Ra 0.4
概况光洁度8级=Ra 0.8
概况光洁度7级=Ra 1.6
概况光洁度6级=Ra 3.2
概况光洁度5级=Ra 6.3
概况光洁度4级=Ra 12.5
概况光洁度3级=Ra 25
概况光洁度2级=Ra 50
概况光洁度1级=Ra 100
以上概况粗糙度单位均为μm,即微米。
抛光尺寸与粗糙度精度等级对照表
Ra是在取样长度内轮廓偏距绝对值的算术平均值
Rmax是在取样长度内最大峰高与最大谷深的高度差
Rmax和Ra没有直接关系,统计上两者间的关系大概是Rmax = 4Ra
μin是半导体方面的单位与1μm=39。
37μin
倒三角是日本的粗糙度,一个三角是是1.6μm,两个三角就是3.2μm
国标新旧标准对照:
表面光洁度14级=Ra 0。
012
表面光洁度13级=Ra 0.025
表面光洁度12级=Ra 0.050
表面光洁度11级=Ra 0。
1
表面光洁度10级=Ra 0。
2
表面光洁度9级=Ra 0.4
表面光洁度8级=Ra 0。
8
表面光洁度7级=Ra 1.6
表面光洁度6级=Ra 3.2
表面光洁度5级=Ra 6.3
表面光洁度4级=Ra 12。
5
表面光洁度3级=Ra 25
表面光洁度2级=Ra 50
表面光洁度1级=Ra 100
以上表面粗糙度单位均为μm,即微米。
抛光等级对照表
Polish Grade Comparision
Ra是在取样长度内轮廓偏距绝对值的算术平均值
Rmax是在取样长度内最大峰高与最大谷深的高度差
Rmax和Ra没有直接关系,统计上两者间的关系大概是Rmax = 4Ra
μin是半导体方面的单位与1μm=39.37μin
倒三角是日本的粗糙度,一个三角是是1.6,两个三角就是3.2
国标新旧标准对照:
表面光洁度14级=Ra 0.012
表面光洁度13级=Ra 0.025
表面光洁度12级=Ra 0.050
表面光洁度11级=Ra 0.1
表面光洁度10级=Ra 0.2
表面光洁度9级=Ra 0.4
表面光洁度8级=Ra 0.8
表面光洁度7级=Ra 1.6
表面光洁度6级=Ra 3.2
表面光洁度5级=Ra 6.3
表面光洁度4级=Ra 12.5
表面光洁度3级=Ra 25
表面光洁度2级=Ra 50
表面光洁度1级=Ra 100
以上表面粗糙度单位均为μm,即微米。
抛光等级对照表
Polish Grade Comparision
Ra是在取样长度内轮廓偏距绝对值的算术平均值
Rmax是在取样长度内最大峰高与最大谷深的高度差
Rmax和Ra没有直接关系,统计上两者间的关系大概是Rmax = 4Ra
μin是半导体方面的单位与1μm=39.37μin
倒三角是日本的粗糙度,一个三角是是1.6, 两个三角就是3。
2
国标新旧标准对照:
表面光洁度14级=Ra 0。
012
表面光洁度13级=Ra 0。
025
表面光洁度12级=Ra 0。
050
表面光洁度11级=Ra 0.1
表面光洁度10级=Ra 0。
2
表面光洁度9级=Ra 0.4
表面光洁度8级=Ra 0。
8
表面光洁度7级=Ra 1。
6
表面光洁度6级=Ra 3。
2
表面光洁度5级=Ra 6.3
表面光洁度4级=Ra 12.5
表面光洁度3级=Ra 25
表面光洁度2级=Ra 50
表面光洁度1级=Ra 100
以上表面粗糙度单位均为μm,即微米。
抛光等级对比表
Polish Grade Comparision
Ra是在取样长度内轮廓偏距绝对值的算术平均值Rmax是在取样长度内最大峰高与最大谷深的高度差Rmax和Ra没有直接关系,统计上两者间的关系精确是Rmax = 4Ra 国标新旧尺度对比:
概况光洁度14级=Ra 0.012
概况光洁度13级=Ra 0.025
概况光洁度12级=Ra 0.050
概况光洁度11级=Ra 0.1
概况光洁度10级=Ra 0.2
概况光洁度9级=Ra 0.4
概况光洁度8级=Ra 0.8
概况光洁度7级=Ra 1.6
概况光洁度6级=Ra 3.2
概况光洁度5级=Ra 6.3
概况光洁度4级=Ra 12.5
概况光洁度3级=Ra 25
概况光洁度2级=Ra 50
概况光洁度1级=Ra 100
以上概况光滑度单位均为μm,即微米.。
抛光等级对照表
Polish Grade Comparision
Ra是在取样长度内轮廓偏距绝对值的算术平均值
Rmax是在取样长度内最大峰高与最大谷深的高度差
Rmax和Ra没有直接关系,统计上两者间的关系大概是Rmax = 4Ra
μin是半导体方面的单位与1μm=39.37μin
倒三角是日本的粗糙度,一个三角是是1.6, 两个三角就是3。
2
国标新旧标准对照:
表面光洁度14级=Ra 0。
012
表面光洁度13级=Ra 0。
025
表面光洁度12级=Ra 0。
050
表面光洁度11级=Ra 0.1
表面光洁度10级=Ra 0。
2
表面光洁度9级=Ra 0.4
表面光洁度8级=Ra 0。
8
表面光洁度7级=Ra 1。
6
表面光洁度6级=Ra 3。
2
表面光洁度5级=Ra 6.3
表面光洁度4级=Ra 12.5
表面光洁度3级=Ra 25
表面光洁度2级=Ra 50
表面光洁度1级=Ra 100
以上表面粗糙度单位均为μm,即微米。
抛光等级对照表之老阳三干创作
Polish Grade Comparision
Ra是在取样长度内轮廓偏距绝对值的算术平均值Rmax是在取样长度内最大峰高与最大谷深的高度差Rmax和Ra没有直接关系,统计上两者间的关系大概是Rmax = 4Ra
国标新旧尺度对照:
概况光洁度14级=Ra 0.012
概况光洁度13级=Ra 0.025
概况光洁度12级=Ra 0.050
概况光洁度11级=Ra 0.1
概况光洁度10级=Ra 0.2
概况光洁度9级=Ra 0.4
概况光洁度8级=Ra 0.8
概况光洁度7级=Ra 1.6
概况光洁度6级=Ra 3.2
概况光洁度5级=Ra 6.3
概况光洁度4级=Ra 12.5
概况光洁度3级=Ra 25
概况光洁度2级=Ra 50
概况光洁度1级=Ra 100
以上概况粗糙度单位均为μm,即微米。
抛光尺寸与粗糙度精度等级对照表之南宫帮珍创作
Ra是在取样长度内轮廓偏距绝对值的算术平均值Rmax是在取样长度内最大峰高与最大谷深的高度差Rmax和Ra没有直接关系,统计上两者间的关系大概是Rmax = 4Ra
国标新旧尺度对照:
概况光洁度14级=Ra 0.012
概况光洁度13级=Ra 0.025
概况光洁度12级=Ra 0.050
概况光洁度11级=Ra 0.1
概况光洁度10级=Ra 0.2
概况光洁度9级=Ra 0.4
概况光洁度8级=Ra 0.8
概况光洁度7级=Ra 1.6
概况光洁度6级=Ra 3.2
概况光洁度5级=Ra 6.3
概况光洁度4级=Ra 12.5
概况光洁度3级=Ra 25
概况光洁度2级=Ra 50
概况光洁度1级=Ra 100
以上概况粗糙度单位均为μm,即微米。
抛光等级对照表之邯郸勺丸创作
Polish Grade Comparision
Ra是在取样长度内轮廓偏距绝对值的算术平均值Rmax是在取样长度内最大峰高与最大谷深的高度差Rmax和Ra没有直接关系,统计上两者间的关系大概是Rmax = 4Ra
国标新旧尺度对照:
概况光洁度14级=Ra 0.012
概况光洁度13级=Ra 0.025
概况光洁度12级=Ra 0.050
概况光洁度11级=Ra 0.1
概况光洁度10级=Ra 0.2
概况光洁度9级=Ra 0.4
概况光洁度8级=Ra 0.8
概况光洁度7级=Ra 1.6
概况光洁度6级=Ra 3.2
概况光洁度5级=Ra 6.3
概况光洁度4级=Ra 12.5
概况光洁度3级=Ra 25
概况光洁度2级=Ra 50
概况光洁度1级=Ra 100
以上概况粗糙度单位均为μm,即微米。
抛光等级对照表
Polish Grade Comparision
Ra是在取样长度内轮廓偏距绝对值的算术平均值
Rmax是在取样长度内最大峰高与最大谷深的高度差
Rmax和Ra没有直接关系,统计上两者间的关系大概是Rmax = 4Ra
μin是半导体方面的单位与1μm=39.37μin
倒三角是日本的粗糙度,一个三角是是1.6,两个三角就是3.2
国标新旧标准对照:
表面光洁度14级=Ra 0.012
表面光洁度13级=Ra 0.025
表面光洁度12级=Ra 0.050
表面光洁度11级=Ra 0.1
表面光洁度10级=Ra 0.2
表面光洁度9级=Ra 0.4
表面光洁度8级=Ra 0.8
表面光洁度7级=Ra 1.6
表面光洁度6级=Ra 3.2
表面光洁度5级=Ra 6.3
表面光洁度4级=Ra 12.5
表面光洁度3级=Ra 25
表面光洁度2级=Ra 50
表面光洁度1级=Ra 100
以上表面粗糙度单位均为μm,即微米。