轻型客车制动系统设计计算报告
- 格式:pdf
- 大小:435.16 KB
- 文档页数:18
轻型客车制动系设计广东广州 244056摘要:对于轻型客车的制动系统设计,首先制定出制动系统的结构方案,本设计确定采用前盘后鼓式制动器,串联双腔制动主缸,HH型交叉管路布置。
其次计算制动系统的主要设计参数(确定同步附着系数,制动力分配系数,制动器最大制动力矩),制动器主要参数设计和液压驱动系统的参数计算。
再次利用计算机辅助设计绘制装配图,布置图和零件图。
最终进行制动力分配编程,对设计出的制动系统的各项指标进行评价分析。
通过本次设计的计算结果表明设计出的制动系统是合理的、符合标准的。
其满足结构简单、成本低、工作可靠等要求。
关键词:轻型客车;制动系设计;前盘后鼓式制动器0引言汽车制动系是用于使行驶中的汽车减速或停车,使下坡行驶的汽车的车速保持稳定以及使已停驶的汽车在原地(包括在斜坡上)驻留不动的机构。
汽车制动系直接影响着汽车行驶的安全性和停车的可靠性。
随着高速公路的迅速发展和车速的提高以及车流密度的日益增大,为了保证行车安全,停车可靠,汽车制动系的工作可靠性显得日益重要。
也只有制动性能良好,制动系工作可靠的汽车,才能充分发挥其动力性能。
汽车制动系至少应有行车制动装置和驻车制动装置。
行车制动装置用于使行驶中的汽车强制减速或停车,并使汽车在下段坡时保持适当的稳定车速。
驻车制动装置用于使汽车可靠而无时间限制地停住在一定位置甚至在斜坡上,它也有助于汽车在坡路上起步。
1认识汽车制动系统1.1汽车制动系统的组成1)功能装置:包括供给调节制动所需能量以及改善传能介质状态的各种零件,其中生产制动能量的部分称为制动能源。
2)控制装置:包括产生制动动作和控制动作和效果的各种部件,制动踏板机构即是最简单的一种控制装置。
3)传动装置:包括将制动能量传输到制动器的各个部件。
如制动主缸和制动轮缸。
4)制动器:产生阻碍车辆运动或运动趋势的力部件,其中包括辅助制动系中的缓速装置。
1.2制动系统工作原理现用鼓式制动系统来说明制动原理。
制动器的设计与计算制动器主要参数及整车参数的确定整车结构参数的确定a G (Kg ) g h (mm) L (mm) a (mm)b (mm)整备质量 1625 548 2690 1183.6 1506.4 总质量234075026901348.51341.5表中a G 表示汽车空载或满载时的总质量;g h 表示汽车空载或满载时的质心高度;a 表示汽车空载或满载时质心距前轮的距离;b 表示汽车空载或满载时质心距后轮的距离;L 表示汽车的轴距;另外,车轮半径=R 314mm 。
制动器主要结构参数与摩擦系数制动鼓半径:135=r mm ;支销至轮心的距离(k,c):领蹄(29,98),从蹄(29,98); 促动力至轮心的距离:=a 105mm ;衬片起始角:领蹄=10β40°,从蹄=20β25°; 衬片包角: 领蹄=1β110°,从蹄=2β100°; 摩擦衬片宽度:=b 55mm ; 摩擦系数为:=f 0.35;制动盘有效作用半径:=e r 98.73mm ; 总泵直径:=0d 23.8mm ; 后分泵管路直径:=2d 23.81mm ; 前分泵管路直径:=1d 60mm ; 踏板杠杆比:=i 4; 驱动系统效率:=η0.92;确定制动力分配系数设制动器液压管路的油压为0P , 则前制动轮缸的制动压力为:210)2/(d P P π=≈0.002830P后制动轮缸的制动压力为:22021')2/(d P P P P π===≈0.000450P对于盘式制动器,在衬块的摩擦表面与制动盘接触良好,并且在各处的单位压力分布均匀的情况下,则盘式制动器的制动力矩为e f fNr T 2=式中:f ——摩擦系数;N ——单侧制动块对制动盘的压紧力;e r ——制动盘有效作用半径。
又因为,210)2/(d P P N π===0.002830P所以有e f r fP T 21=0000195406.0P =计算后轮力矩如图2所示,为了求得法向压力1N 与张开力P 的关系,写出制动蹄上力的平衡方程式:{0)sin (cos cos 11'11111101=+-=+-+N f c S a P f N S P x x ρδδα式中:x S 1——支承反力在1x 轴上的投影;1δ——1x 轴与1N 的作用线之间的夹角。
JS6771HA 制动性能计算2前轴至重心距离mm a 25530.480后轴至重心距离mm b01209一、最佳同步附着系数的计算先求出在不同附着系数φi 的路面上行驶时,前后轮制动器的制动力分别用P 前和P 后表示表中 β'应满足如下条件:式中j ,k 表示汽车经常行驶的路面附着系数范围为φj --φk附着系数范围前后轮制动力比β'计算同步附着系数φ0二、汽车实际同步附着系数计算前制动器后制动器制动器参数制动器半径(作用半径)200200制动器效能因数 1.3 1.3调整臂长度125125制动气室有效面积128141故实际的制动力分配系数 β’= 1.102则满载同步附着系数φ0=0.512空载同步附着系数为0.480制动器结构参数项目前制动器后制动器制动器半径(作用半径)200200制动蹄片包角9999蹄片终端端角3434推力点至中心距离165165支点至中心距离168168两端销距离5050领蹄制动效能从蹄制动效能凸轮基圆半径五、制动减速度验算在附着系数为0.7的路面上制动时,由于路面附着系数小于同步附着系数,故后轮先抱死。
查表一可得在附着系数为0.7的路面上制动后轮制动力F 后为25699N 则前轮制动力F 前=F 后/β'23330N此时汽车的制动减速度为(F 前+F 后)/Ga6.02制动管路压力P 为F 后*r k /(2*255)1.82Mpa汽车以30公里/m六、抗热衰退性能计算七、结论及性能评价50505477.xls 第 11 页。
摘要随着我国经济的迅速发展,如何提高运输生产率已成为一个迫在眉睫的问题。
但必须以保证行驶的安全为前提,汽车的制动性是一个重要的参数。
因此,对汽制动系统的研究、开发是汽车工业重要的课题。
如何改善汽车的制动效能、改善制动器的结构是一个重要环节。
本次设计主要是对微型客车系统结构进行分析的基础上,根据对微型客车系统的要求,设计出合理的符合国家标准和行业标准的制动系统。
制动系统设计是根据整车主要参数和相关车型,制定出制动系统的结构方案,设计计算确定前、后盘式制动器、制动主缸的主要尺寸和结构形式。
绘制出了前、后制动器装配图、制动主缸装配图、制动管路布置图。
最终对设计出的制动系统的各项指标进行评价分析。
另外在设计的同时考虑了其结构简单、工作可靠、成本低等因素。
结果表明设计出的制动系统是合理的、符合国家标准的。
关键词:微型客车;制动;鼓式制动器;制动主缸;液压系统AbstractAs Chinese rapid economic development, how to improve transport productivity has become a pressing issue .However, it must be to ensure the safety of travelling on the premise that the brake of the car is an important parameter Therefore, the steam brake system research and development the automotive industry is an important issue. How to improve the car's braking efficiency, improve the structure of brake is an important link.Based on the structural analysis and the design requirements of mimi passenger car’s braking system, a braking system design is performed in this thesis, according to the national and professional standards.Through analyzing the main parameters of the entire vehicle, the braking system design starts from determination of the structure scheme. Calculating and determining the main dimension and structural type of the front、rear disc brake,brake master cylinder,and therefore draw the engineering drawings of the front and rear brakes, the master brake cylinder, the diagram of the brake pipelines. Furthermore, each target of the designed system is analyzed for checking whether it meets the requirements. some factors are considered in this thesis, such as simple structure, low costs, and environmental protection, etc. The result shows that the design is reasonable and accurate, comparing with the related national standards.Key words:mimi passenger bus;brake;drum brake;master cylinder;hydraulic pressure system目 录第1章 绪 论 (1)1. 1 汽车制动系统设计的意义 (1)1. 2 汽车制动系统设计的目的 (1)1.3 汽车制动系统设计的要求 (2)1.4 汽车制动系统的组成部件 (2)第2章 汽车制动系统设计过程与分析 (4)2. 1制动器的类型 (4)2.2制动器形式确定 (4)2. 3制动驱动机构的结构型式与选择 (10)2.3.1简单制动系 (11)2.3.2动力制动系 (11)2. 4制动管路形式与选择 (12)2. 5液压制动主缸的设计方案 (14)2. 6制动器主要元件分析 (15)第3章 制动系统主要参数的确定 (17)3. 1微型客车主要技术参数 (17)3.2确定重心距前后轴距离1L 及2L (17)3. 3同步附着系数的0ϕ的确定 (17)3. 4前、后轮制动力分配系数β的确定 (18)3. 5制动器最大制动力的确定 (18)3. 6鼓式制动器主要参数的确定 (19)第4章 制动驱动机构设计 (22)4. 1制动主缸直径d 0的计算 (22)4. 2制动踏板力P F (23)4. 3制动踏板工作行程P S (23)第5章 评价分析 (24)5. 1制动性能评价指标 (24)5. 2制动效能 (24)5. 3制动效能的恒定性 (24)5. 4制动时汽车的方向稳定性 (24)5. 5前、后制动器制动力分配 (25)5.5.1地面对前、后车轮的法向反作用力 (25)5.5.2理想的前、后制动器制动力线 (26)5.5.3实际的前、后制动器制动力分配曲线 (26)5. 6制动减速度j (27)5. 7制动距离S t (28)5. 8驻车制动计算 (28)5. 9制动器的温升计算 (29)结论 (30)参考文献 (31)附录1 (33)附录2 (45)第1章绪论驾驶员能根据道路和交通情况,利用装在汽车上的一系列专门装置,迫使路面在汽车车轮上施加一定的与汽车行驶方向相反的外力,对汽车进行一定程度的强制制动。
制动系统设计计算报告引言:制动系统是现代车辆中非常重要的一部分,它对车辆的安全性能起着至关重要的作用。
制动系统的设计需要综合考虑多个因素,如车辆的速度、重量、制动距离等。
本报告将以款小型轿车制动系统设计为例,详细介绍制动系统设计中的相关计算。
设计目标:为确保车辆在不同速度下能够在较短的距离内停下,设计目标是使车辆在制动过程中的平均减速度为4m/s^2设计计算:1.制动力的计算制动力的大小与车辆质量和车辆的速度有关。
根据经验公式,制动力可由以下公式计算得出:制动力=车辆质量*减速度选择减速度为4m/s^2,则制动力可以由车辆质量乘以4得出。
2.制动距离的计算制动距离是指车辆从制动开始到完全停止所需要行驶的距离。
根据经验公式,制动距离可以由以下公式计算得出:制动距离=初速度^2/(2*加速度)在制动过程中,加速度是负值(减速),所以加速度取为-4m/s^2、根据具体车辆的初始速度,可以计算出相应的制动距离。
3.制动盘和制动钳的尺寸计算制动盘和制动钳的尺寸需要考虑车辆的速度和质量。
根据经验公式,制动盘的直径与车速和减速度有关,可以通过以下公式计算得出:制动盘直径=停车速度*车辆质量*系数/制动力在本设计中,选择停车速度为60 km/h,车辆质量为1000 kg,系数为0.7、根据以上参数,可以计算出制动盘的直径。
根据制动盘的直径,可以确定制动钳的尺寸。
制动盘和制动钳的尺寸需要满足制动力的需求,并能够有效散热,以免在制动过程中过热导致制动力减弱。
4.制动液系统的计算制动液的压力和制动钳的工作效果有关。
根据经验公式,制动液的压力可以由以下公式计算得出:制动液压力=制动力/制动钳有效面积制动液压力需要根据制动钳的效率和制动力来选择合适的值。
根据经验,选择制动液压力为5MPa。
结论:根据以上计算结果,制动系统的设计可以满足要求。
制动力、制动距离、制动盘和制动钳的尺寸以及制动液压力的计算都能够保证车辆在制动过程中的安全性。
摘要从汽车诞生时起,车辆制动器在车辆的安全方面就起着决定性作用。
目前,汽车所用制动器几乎都是摩擦式的,可分为鼓式和盘式两大类。
盘式制动器的主要优点是在高速刹车时能迅速制动,散热效果优于鼓式刹车,制动效能的恒定性好。
鼓式制动器的主要优点是刹车蹄片磨损较少,成本较低,便于维修、由于鼓式制动器的绝对制动力远远高于盘式制动器,所以普遍用于后轮驱动的卡车上,但由于为了提高其制动效能而必须加制动增力系统,使其造价较高,故轻型车一般还是使用前盘后鼓式。
本设计前轴采用浮动钳盘式制动器,后轴采用制动器为领从蹄式鼓式制动器。
主要设计内容包括制动器结方案分析与选择、制动器主要参数的确定与计算、盘式与鼓式制动器具体结构参数设计与强度校核。
关键词:轻型载货汽车,盘式制动器,鼓式制动器,制动蹄,设计ABSTRACTBorn on, from cars in the vehicle's safety vehicle brake plays a decisive role in. , at present, the car is almost always used brake friction type, can be divided into two categories: drum and disc. The main advantage of the disc brake at high speed, braking can quickly brake cooling effect is better than that of drum brake, braking performance of constant qualitative good. The main advantages of drum brake is brake shoe pieces wear less, low cost, convenient in maintenance, because of drum brake absolute braking force far outclass disc brakes, so commonly used to rear wheel drive the truck on but because in order to improve its braking performance and must add braking force system, make its increased cost is higher, so small QianPan HouGu type or use commonly.This design by floating p-s-n caliper disc brake, brakes is brought by axle from hoof type drum brake. Main design content including brakes "plan analysis and choose to determine the brake, main parameters and calculation, disc and drum brake specific structure parameter design and strength check.Keywords: Light bills car,Disc brake ,drum brakes, Brake shoes, design.目 录摘要 (I)ABSTRACT ...................................................... I I第1章 绪论 (1)1.1 制动器的目的意义 (1)1.2 制动器的研究现状 (1)1.3 制动器的研究方法 (2)1.4 本章小结 (2)第2章 制动器方案论证分析与选择 (3)2.1 制动器结构方案的确定 (3)2.1.1鼓式制动器结构方案的确定 (3)2.1.2盘式制动器结构方案的确定 (6)2.2制动器主要参数及其选择 (7)2.2.1制动器设计相关主要技术参数 (8)2.2.2同步附着系数 (8)2.2.3前后轴制动力矩分配系数b (8)2.2.4制动器最大制动力矩 (9)2.3 本章小结 (9)第3章 盘式制动器结构设计计算与校核 (10)3.1 盘式制动器的主要参数确定 (10)3.1.1 制动盘直径D (10)3.1.2 制动盘厚度h (10)3.1.3 摩擦衬片内半径1R 与外半径2R (10)3.1.4 摩擦衬片工作面积A (10)3.2 盘式制动器的主要零部件设计与计算 (11)3.2.1 制动盘 (11)3.2.2 制动钳 (11)3.2.3 制动块 (11)3.2.4 摩擦材料 (12)3.2.5 制动轮缸 (12)3.2.6制动器间隙的调整方法 (13)3.3盘式制动器强度校核 (13)3.3.1摩擦衬片的磨损特性的计算 (13)3.3.2 盘式制动器最大制动力矩的计算 (14)3.3.3 盘式制动器最大制动力矩的计算 (16)3.4本章小结 (18)第4章鼓式制动器结构设计计算与校核 (19)4.1鼓式制动器的主要参数确定 (19)4.1.1 鼓式制动器的结构参数与摩擦系数 (19)4.2鼓式制动器的主要零部件设计与计算 (20)4.2.1 制动鼓 (20)4.2.2 制动蹄 (21)4.2.3 制动底板 (21)4.2.4 制动蹄的支承 (21)4.2.5 制动蹄片上的制动力矩与张开力 (21)4.2.6 制动器因数与制动蹄因数的分析计算 (26)4.2.7 驻车制动计算 (28)4.2.8 制动轮缸的选择 (29)4.3鼓式制动器强度校核 (31)4.3.1紧固摩擦片铆钉的剪切应力验算 (31)4.3.2制动蹄支承销剪切应力计算 (32)4.3.3 回位弹簧强度校核 (32)4.4本章小结 (33)结论 (34)参考文献 (35)致谢 (36)附录1 (37)附录2 (39)第1章绪论1.1 制动器的目的意义汽车是现代交通工具中用得最多、最普遍,也是最方便的交通运输工具。
BJ1039E2制动系统设计计算1.结构简述:BJ1039E2柴油轻型载货汽车制动系前后均采用鼓式制动器结构,工作直径φ280mm ,摩擦片宽度64mm ,前制动器为单向双领蹄式制动器,后制动器为双向双领蹄式制动器,真空助力器为双膜片(8//+9//),助力比为1:6,行程为32mm ,并具有串联式双管路制动总泵的液压制动驱动系统。
2.3.汽车动轴荷分配计算: 3.1.动轴荷计算:当汽车以减速度jt 制动时,由于减速度而产生的惯性力,使轴荷分配相应改变:()0//1=-⋅-⋅⋅-⋅a L G hg G g jt L G a ag jtLhg G G G a ⨯⋅+=1/1()0//2=⋅-⋅⋅-⋅L G hg g jt G a G a a g jt Lhg G G G a ⋅⋅-=2/2式中: G 1'制动时前轴负荷 G 2'制动时后轴负荷jt/g=φ 道路附着系数式中减速度jt 为了计算方便,通常取以重力加速度的若干倍。
表一是根据不同的jt/g 值计算出汽车空载和满载时动轴荷分配值:3.2动载荷分配比:对汽车在不同的减速度jt/g 值时前后轴动载荷分配比按下式计算: 前轴动轴荷:G 1'/Ga ×100% 后轴动轴荷:G 2'/Ga×100%表二为汽车制动时前后在不同减速度jt/g 值时动轴荷分配比:4.汽车制动力的计算:4.1.汽车制动时所需的制动力P τ(轴制动力)当汽车以减速度jt/g 制动时,前后各自所需的制动力为: 前轴: P τ1=G 1'×jt/g ×9.8 (N) 后轴: P τ2=G 2'×jt/g ×9.8 (N)4.2制动器实际所产生的制动力及制动力分配比: 4.2.1.汽车前轴制动器所产生的制动力P τ1':前轴制动扭矩: 0211/142P R d BEF Mt ⨯⨯⨯⨯=π()0214.0032.040.32P ⨯⨯⨯⨯⨯=π()m N P •⨯=-041075.6()N P P R Mt Pt k 0304/1/11001.210336.075.6--⨯=⨯==式中: T 1:单个前轮能发出的制动扭矩BEF 1:前制动器效率因数(3.0) d 1:前制动器分泵直径(φ=32mm) R k :前轮滚动半径(336mm)4.2.2.汽车后轴制动器所能产生的制动力P τ2': 后轴制动扭矩:0222/242P R d BEF Mt ⨯⨯⨯⨯=π0214.00254.040.32P ⨯⨯⨯⨯⨯=π()m N P •⨯=-041025.4()N P P R Mt Pt k 0304/2/21026.110336.025.4--⨯=⨯==式中: T2:单个后轮能发出的制动扭矩BEF2:后制动器效率因数(3.0) d2:后制动器分泵直径(φ25.4mm) Rk:后轮滚动半径(336mm)4.2.3.前后制动器实际制动力分配比:615.010)26.101.2(1001.233'2'1'1=⨯+⨯=+=--t t t P P P β 4.3 同步附着系数: 645.0786)15082600(615.026000=--⨯=-=hg b L βϕ 4.4 满载时前后轴附着力矩:(道路附着系数Φ=0.7时的附着力矩)前轴附着力矩: 1.4870336.02.14494=⨯=前ϕM 后轴附着力矩: 2840336.05.8452=⨯=后ϕM 4.5 最大管路压力max 0P :产生最大管路压力矩时(Φ=0.7)的管路压力为最大管路压力,故:当Φ=0.7时,后轮先抱死,此时前轮制动所需的油压大于后轮制动所需油压:即: at MP P P M M 2.71.48701075.6004'1=∴=⨯=-前ϕ4.6 制动踏板力计算:I P S P m p /0⨯=式中:Pp:制动踏板力Sm:制动总泵活塞面积 P0:制动管路压力 I :踏板杠杆比故: )(1055.12.51032440062N P P P p --⨯=⨯⨯⨯=π汽车满载时制动管路油压P0为(Φ=0.7): P τ1=G 1'×jt/g ×9.8 8.97.0)7.0260078633451405(8.9/)/(1001.2103⨯⨯⨯⨯+=⋅⋅⋅+=⨯-g jt g jt Lh G G P ga)(7.1117N P p =∴因BJ1039E2制动系统采用真空助力机构,所以实际踏板力取决于真空助力器的助力因数K,现该车型采用的真空助力器的K=6,所以实际踏板力如表四(KP P pF =):从上表可以得出:制动踏板力PF ≤700N ,完全符合GB7258-1997《机动车运行安全技术条件》的规定和要求。
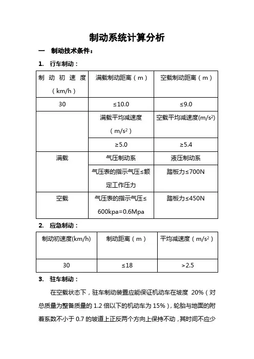
制动系统计算分析一制动技术条件:1. 行车制动:2. 应急制动:3. 驻车制动:在空载状态下,驻车制动装置应能保证机动车在坡度20%(对总质量为整备质量的1.2倍以下的机动车为15%),轮胎与地面的附着系数不小于0.7的坡道上正反两个方向上保持不动,其时间不应少于5分钟。
二制动器选型1.最大制动力矩的确定根据同步附着系数和整车参数,确定前后轴所需制动力矩的范围,最大制动力是汽车附着质量被完全利用的条件下获得的,设良好路面附着系数φ=0.7。
满载情况下,确定前后轴制动器所需要的最大制动力矩。
为:前轴Mu1=G*φ(b+φ*h g)*r e /L (N.m)后轴Mu2=G*φ(a-φ*h g)*r e /L (N.m)或者Mu1=β/(1-β)* Mu2 【β=(φ*h g+b)/L】其中r e -轮胎有效半径a-质心到前轴的距离b-质心到后轴的距离h g -质心高度L-轴距φ-良好路面附着系数G-满载总重量(N;g=9.8m/s2)同理:空载亦如此。
前轴;Mu11 后轴:Mu21根据满载和空载的情况,确定最大制动力矩,此力满足最大值。
所以:前轮制动器制动力矩(单个)≥Mu1或Mu11/2后轮制动器制动力矩(单个)≥Mu2或Mu21/22.行车制动性能计算(满载情况下)已知参数:前桥最大制动力矩Tu1(N.m) 单个制动器后桥最大制动力矩Tu2(N.m) 单个制动器满载整车总质量M(kg)①整车制动力Mu1= Tu1*φ*2 (N.m)Mu2= Tu2*φ*2 (N.m)Fu= (Mu1+ Mu2)/r e (N)②制动减速度a b=Fu/M (m/s2)③制动距离S= U a0*(t21+ t211 /2)/3.6+ U a02 /25.92* a b其中:U a0 (km/h)-制动初速度,t21+ t211 /2 为气压制动系制动系作用时间(一般在0.3-0.9s)3.驻车制动性能计算满载下坡停驻时后轴车轮的附着力矩:MfMf=M*g*φ(a*cosα/L -h g*sinα/L)*r e (N.m)其中附着系数φ=0.7 坡度20%(α=11.31o)在20%坡上的下滑力矩:M滑M滑=M*g*sinα*r e (N.m)驻车度α=11.31o则Mf>M滑时,满足驻车要求。
制动系统匹配设计计算制动系统是车辆上非常重要的一个系统,它通过施加力来减缓车辆的速度或完全停止车辆。
它可保证车辆在紧急情况下快速停车,同时也可以提供稳定的制动性能给驾驶员。
制动系统的设计计算是为了确定合适的制动力大小以及有效的制动距离。
以下是制动系统匹配设计计算的一些重要内容。
1.车辆质量:首先需要确定车辆的总质量,包括车身质量、人员质量、货物质量等。
车辆质量越大,所需制动力也将越大。
2.制动力计算:制动力取决于摩擦力、制动系数、轮胎质量、制动器效率等因素。
通常使用下面的公式计算制动力:制动力=车辆质量*加速度其中加速度可以根据制动器、轮胎等因素进行调整。
3.制动距离计算:制动距离取决于车辆的速度、制动力以及路面情况。
常用的计算公式如下:制动距离=(速度^2)/(2*制动力*道路摩擦系数)可以根据实际情况调整道路摩擦系数的数值。
4.制动器的选择:根据制动力和制动距离的计算结果,确定合适的制动器类型和规格。
常见的制动器包括液压制动器、电子制动器和气动制动器等。
选择适当的制动器类型和规格可以保证系统的可靠性和安全性。
5.制动系统的平衡:制动系统中的前轮制动力和后轮制动力需要进行合理的分配,以确保车辆能够稳定停止。
通常,前轮制动力应约为总制动力的70%,后轮制动力约为总制动力的30%。
在进行制动系统匹配设计计算时,还需要考虑以下几个因素:1.道路情况:不同路面的摩擦系数有所不同,需要根据实际道路情况调整计算中的摩擦系数。
2.制动器或刹车片的磨损:制动器磨损会导致制动力的减小,因此需要考虑磨损对制动力的影响。
3.轮胎的状态:轮胎的状况会影响制动力的传递效果,因此需要保证轮胎的状态良好。
4.驾驶员的反应时间:制动系统设计中需要考虑到驾驶员的反应时间,通常取2秒。
综上所述,在进行制动系统匹配设计计算时,需要考虑车辆质量、制动力、制动距离、制动器选择以及系统平衡等多个因素。
通过合理的计算可以确保制动系统满足安全性和可靠性的要求,并提供稳定的制动性能给驾驶员。
1 / 9BJ1039E2制动系统设计计算1.结构简述:BJ1039E2柴油轻型载货汽车制动系前后均采用鼓式制动器结构,工作直径φ280mm ,摩擦片宽度64mm ,前制动器为单向双领蹄式制动器,后制动器为双向双领蹄式制动器,真空助力器为双膜片(8//+9//),助力比为1:6,行程为32mm ,并具有串联式双管路制动总泵的液压制动驱动系统。
3.汽车动轴荷分配计算: 3.1.动轴荷计算:当汽车以减速度jt 制动时,由于减速度而产生的惯性力,使轴荷分配相应改变:()0//1=-⋅-⋅⋅-⋅a L G hg G g jt L G a ag jtLhg G G G a ⨯⋅+=1/1()0//2=⋅-⋅⋅-⋅L G hg g jt G a G a a g jt Lhg G G G a ⋅⋅-=2/2式中: G 1'制动时前轴负荷 G 2'制动时后轴负荷jt/g=φ 道路附着系数式中减速度jt 为了计算方便,通常取以重力加速度的若干倍。
表一是根据不同的jt/g 值计算出汽车空载和满载时动轴荷分配值:2 / 93.2动载荷分配比:对汽车在不同的减速度jt/g 值时前后轴动载荷分配比按下式计算: 前轴动轴荷:G 1'/Ga ×100% 后轴动轴荷:G 2'/Ga ×100%表二为汽车制动时前后在不同减速度jt/g 值时动轴荷分配比:4.汽车制动力的计算:4.1.汽车制动时所需的制动力P τ(轴制动力)当汽车以减速度jt/g 制动时,前后各自所需的制动力为: 前轴: P τ1=G 1'×jt/g ×9.8 (N) 后轴: P τ2=G 2'×jt/g ×9.8 (N)4.2制动器实际所产生的制动力及制动力分配比: 4.2.1.汽车前轴制动器所产生的制动力P τ1':前轴制动扭矩: 0211/142P R d BEF Mt ⨯⨯⨯⨯=π()0214.0032.040.32P ⨯⨯⨯⨯⨯=π()m N P •⨯=-041075.6()N P P R Mt Pt k 0304/1/11001.210336.075.6--⨯=⨯==式中: T 1:单个前轮能发出的制动扭矩BEF 1:前制动器效率因数(3.0) d 1:前制动器分泵直径(φ=32mm) R k :前轮滚动半径(336mm)4.2.2.汽车后轴制动器所能产生的制动力P τ2': 后轴制动扭矩:0222/242P R d BEF Mt ⨯⨯⨯⨯=π0214.00254.040.32P ⨯⨯⨯⨯⨯=π()m N P •⨯=-041025.4()N P P R Mt Pt k 0304/2/21026.110336.025.4--⨯=⨯==式中: T2:单个后轮能发出的制动扭矩BEF2:后制动器效率因数(3.0) d2:后制动器分泵直径(φ25.4mm) Rk:后轮滚动半径(336mm)4.2.3.前后制动器实际制动力分配比:615.010)26.101.2(1001.233'2'1'1=⨯+⨯=+=--t t t P P P β4.3 同步附着系数: 645.0786)15082600(615.026000=--⨯=-=hg b L βϕ 4.4 满载时前后轴附着力矩:(道路附着系数Φ=0.7时的附着力矩)前轴附着力矩: 1.4870336.02.14494=⨯=前ϕM 后轴附着力矩: 2840336.05.8452=⨯=后ϕM 4.5 最大管路压力max 0P :产生最大管路压力矩时(Φ=0.7)的管路压力为最大管路压力,故:当Φ=0.7时,后轮先抱死,此时前轮制动所需的油压大于后轮制动所需油压:即: at MP P P M M 2.71.48701075.6004'1=∴=⨯=-前ϕ4.6 制动踏板力计算:I P S P m p /0⨯=式中:Pp:制动踏板力Sm:制动总泵活塞面积 P0:制动管路压力 I :踏板杠杆比故: )(1055.12.51032440062N P P P p --⨯=⨯⨯⨯=π汽车满载时制动管路油压P0为(Φ=0.7): P τ1=G 1'×jt/g ×9.88.97.0)7.0260078633451405(8.9/)/(1001.2103⨯⨯⨯⨯+=⋅⋅⋅+=⨯-g jt g jt Lh G G P ga)(7.1117N P p =∴因BJ1039E2制动系统采用真空助力机构,所以实际踏板力取决于真空助力器的助力因数K,现该车型采用的真空助力器的K=6,所以实际踏板力如表四(KP P pF =):从上表可以得出:制动踏板力PF ≤700N ,完全符合GB7258-1997《机动车运行安全技术条件》的规定和要求。
第1章绪论1.1制动系统设计的意义汽车是现代交通工具中用得最多,最普遍,也是最方便的交通运输工具。
汽车制动系是汽车底盘上的一个重要系统,它是制约汽车运动的装置。
而制动器又是制动系中直接作用制约汽车运动的一个关键装置,是汽车上最重要的安全件。
汽车的制动性能直接影响汽车的行驶安全性。
随着公路业的迅速发展和车流密度的日益增大,人们对安全性、可靠性要求越来越高,为保证人身和车辆的安全,必须为汽车配备十分可靠的制动系统。
通过查阅相关的资料,运用专业基础理论和专业知识,确定汽车制动系统的设计方案,进行部件的设计计算和结构设计。
使其达到以下要求:具有足够的制动效能以保证汽车的安全性;本系统采用Ⅱ型双回路的制动管路以保证制动的可靠性;采用真空助力器使其操纵轻便;同时在材料的选择上尽量采用对人体无害的材料。
1.2制动系统研究现状车辆在行驶过程中要频繁进行制动操作,由于制动性能的好坏直接关系到交通和人身安全,因此制动性能是车辆非常重要的性能之一,改善汽车的制动性能始终是汽车设计制造和使用部门的重要任务。
当车辆制动时,由于车辆受到与行驶方向相反的外力,所以才导致汽车的速度逐渐减小至零,对这一过程中车辆受力情况的分析有助于制动系统的分析和设计,因此制动过程受力情况分析是车辆试验和设计的基础,由于这一过程较为复杂,因此一般在实际中只能建立简化模型分析,通常人们主要从三个方面来对制动过程进行分析和评价:(1)制动效能:即制动距离与制动减速度;(2)制动效能的恒定性:即抗热衰退性;(3)制动时汽车的方向稳定性;目前,对于整车制动系统的研究主要通过路试或台架进行,由于在汽车道路试验中车轮扭矩不易测量,因此,多数有关传动系!制动系的试验均通过间接测量来进行汽车在道路上行驶,其车轮与地面的作用力是汽车运动变化的根据,在汽车道路试验中,如果能够方便地测量出车轮上扭矩的变化,则可为汽车整车制动系统性能研究提供更全面的试验数据和性能评价。
目录1. 任务来源 (1)2.K01H车型基本参数 (1)3.制动系统原理图 (1)4.制动法规基本要求 (2)5.制动器结构参数校核 (3)5.1 前后制动器在空载和满载情况下的状况 (3)5.2前后制动器结构参数的匹配校核 (5)5.3超载时的前后制动器结构参数的匹配校核 (5)5.4 利用附着系数曲线 (5)5.5 感载比例阀参数设定 (7)5.6 加感载比例阀后的利用附着系数曲线 (8)6真空助力制动总泵的参数确定及踏板力校核 (9)7.制动距离和制动减速度校核 (10)7.1 行车制动性能校核 (10)7.2 部分管路失效时的制动性能校核 (11)7.3 真空助力器失效时的制动性能校核 (12)8.驻车制动的计算 (13)9.结论、说明 (14)参考文献 (15)1. 任务来源根据东风小康汽车有限公司要求,对K01H项目制动系统进行匹配校核计算。
2.K01H车型基本参数表1 制动系统相关参数注:以上参数由原报告输入,空载状态按GB21670-2008《乘用车制动系统技术性能及试验方法》规定为“整备质量+110Kg”3.制动系统原理图图1制动系统原理图4.制动法规基本要求(1)GB 12676-1999 汽车制动系统结构性能和试验方法(2)GB 7258-2004 机动车运行安全技术条件(3)GB21670-2008 乘用车制动系统技术性能及试验方法(4)乘用车制动规范对行车制动器制动时的部分要求表2 制动系统相关法规及要求5.制动器结构参数校核5.1 前后制动器在空载和满载情况下的状况 5.1.1 基本理论对于一般的汽车而言,根据其前后轴制动器制动力的分配、载荷情况及道路附着系数和坡度等因素,当制动器的制动力足够时,制动过程可能出现如下三种情况: (1)前轮先抱死拖滑,然后后轮抱死拖滑。
(2)后轮先抱死拖滑,然后前轮抱死拖滑。
(3)前后轮同时抱死拖滑。
情况(1)是稳定工况,但在制动时汽车丧失了转向的能力,附着条件没有充分利用;情况(2),后轴可能出现侧滑,是不稳定工况,附着利用率也低;而情况(3)可以避免后轴侧滑,同时前转向轮只有在最大的制动强度下才能使汽车失去转向能力,较之前两种工况,附着条件利用情况较好。
轻型客车制动系统匹配计算准确性提升分析新车型制动系统的设计开发,制动性能方面会进行制动器制动力分配系数、四轮抱死时的液压、空载和满载同步附着系数、利用附着系数与制动强度的关系曲线、制动减速度对应的制动踏板力、制动距离、驻车操纵力、制动主缸行程、制动踏板行程、制动器容量、失效制动效能、应急制动效能、真空助力器最小真空度。
如果理论计算值与实际值差异越小,对掌握整车的实际制动性能越准确,并且其中一些制动性能项目是国家法规项目,故提升制动系统匹配计算准确性意义重大。
2 制动系统匹配计算准确性提升项目制动器制动力分配系数β,理论计算公式如公式①。
影响该计算结果因数有制动器因数、制动器缸径、制动有效半径。
制动器缸径和制动有效半径确定参数后将不允许变更,并且这两个参数容易控制,实际与理论符合性高。
故制动器制动力分配系数β计算值存在变量较大的因数是制动器因数,计算时采用制动器因数实测值代入校核。
四轮抱死时的液压ρ、理论计算公式如公式②。
影响该计算结果因数有车辆轴荷、轴距、质心高度、车轮滚动半径、制动有效半径、制动器因数、制动器缸径。
与理论值存在较大变量的因数有车辆轴荷、轴距、质心高度、车轮滚动半径、制动器因数,这几项在计算时采用实测值代入校核。
空载和满载同步附着系数φ,理论计算公式如公式③。
影响该计算结果因数有制动器因数、制动器缸径、制动有效半径、轴距、质心高度。
与理论值存在较大变量的因数有制动器因数、轴距、质心高度,这几项在计算时采用实测值代入校核。
利用附着系数与制动强度的关系曲线,前轴理论计算公式如公式④,后轴理论计算公式如公式⑤。
影响该计算结果因数有制动器因数、制动器缸径、制动有效半径、轴距、车辆轴荷、质心高度。
与理论值存在较大变量的因数有制动器因数、轴距、车辆轴荷、质心高度,这几项在计算时采用实测值代入校核。
制动减速度对应的制动踏板力F,理论计算公式如公式⑥、⑦。
两个公式差异在于四轮同时抱死时的液压是否在于助力器拐点液压,当液压小于等于助力器拐点液压,采用公式⑥,当液压大于助力器拐点液压,采用公式⑦。
目录1. 任务来源 (1)2.K01H车型基本参数 (1)3.制动系统原理图 (1)4.制动法规基本要求 (2)5.制动器结构参数校核 (3)5.1 前后制动器在空载和满载情况下的状况 (3)5.2前后制动器结构参数的匹配校核 (5)5.3超载时的前后制动器结构参数的匹配校核 (5)5.4 利用附着系数曲线 (5)5.5 感载比例阀参数设定 (7)5.6 加感载比例阀后的利用附着系数曲线 (8)6真空助力制动总泵的参数确定及踏板力校核 (9)7.制动距离和制动减速度校核 (10)7.1 行车制动性能校核 (10)7.2 部分管路失效时的制动性能校核 (11)7.3 真空助力器失效时的制动性能校核 (12)8.驻车制动的计算 (13)9.结论、说明 (14)参考文献 (15)1. 任务来源根据东风小康汽车有限公司要求,对K01H项目制动系统进行匹配校核计算。
2.K01H车型基本参数表1 制动系统相关参数注:以上参数由原报告输入,空载状态按GB21670-2008《乘用车制动系统技术性能及试验方法》规定为“整备质量+110Kg”3.制动系统原理图图1制动系统原理图4.制动法规基本要求(1)GB 12676-1999 汽车制动系统结构性能和试验方法(2)GB 7258-2004 机动车运行安全技术条件(3)GB21670-2008 乘用车制动系统技术性能及试验方法(4)乘用车制动规范对行车制动器制动时的部分要求表2 制动系统相关法规及要求5.制动器结构参数校核5.1 前后制动器在空载和满载情况下的状况 5.1.1 基本理论对于一般的汽车而言,根据其前后轴制动器制动力的分配、载荷情况及道路附着系数和坡度等因素,当制动器的制动力足够时,制动过程可能出现如下三种情况: (1)前轮先抱死拖滑,然后后轮抱死拖滑。
(2)后轮先抱死拖滑,然后前轮抱死拖滑。
(3)前后轮同时抱死拖滑。
情况(1)是稳定工况,但在制动时汽车丧失了转向的能力,附着条件没有充分利用;情况(2),后轴可能出现侧滑,是不稳定工况,附着利用率也低;而情况(3)可以避免后轴侧滑,同时前转向轮只有在最大的制动强度下才能使汽车失去转向能力,较之前两种工况,附着条件利用情况较好。