整车制动系统设计计算教学表
- 格式:xls
- 大小:565.50 KB
- 文档页数:39
制动系统匹配设计计算根据AA车型整车开发计划,AA车型制动系统在参考BB轿车底盘制造平台的基础上进行逆向开发设计,管路重新设计。
本计算是以选配C发动机为基础。
AA车型的行车制动系统采用液压制动系统。
前、后制动器分别为前通风盘式制动器和实心盘式制动器,制动踏板为吊挂式踏板,带真空助力器,制动管路为双回路对角线(X型)布置,采用ABS。
驻车制动系统为机械式手动后盘式制动,采用远距离棘轮拉索操纵机构。
因AA车型与参考样车BB的整车参数接近,制动系统采用了BB样车制动系统,因此,计算的目的在于校核前/后制动力、最大制动距离、制动踏板力、驻车制动手柄力及驻坡极限倾角。
设计要符合GB 12676-1999《汽车制动系统结构、性能和试验方法》;GB 13594-2003《机动车和挂车防抱制动性能和试验方法》和GB 7258-2004《机动车运行安全技术条件》的要求,其中的踏板力要求≤500N,驻车制动停驻角度为20%(12),驻车制动操纵手柄力≤400N。
制动系统设计的输入条件整车基本参数见表1,零部件主要参数见表2。
表1 整车基本参数表2 零部件主要参数制动系统设计计算1.地面对前、后车轮的法向反作用力地面对前、后车轮的法向反作用力如图1所示。
图1 制动工况受力简图由图1,对后轮接地点取力矩得:式中:FZ1(N):地面对前轮的法向反作用力;G(N):汽车重力;b(m):汽车质心至后轴中心线的水平距离;m(kg):汽车质量;hg(m):汽车质心高度;L(m):轴距;(m/s2):汽车减速度。
对前轮接地点取力矩,得:式中:FZ2(N):地面对后轮的法向反作用力;a(m):汽车质心至前轴中心线的距离。
2.理想前后制动力分配在附着系数为ψ的路面上,前、后车轮同步抱死的条件是:前、后轮制动器制动力之和等于汽车的地面附着力;并且前、后轮制动器制动力Fm1、Fm2分别等于各自的附着力,即:根据式(1)、(2)及(3),消去变量ψ,得:由(1)、(2)、(3)及此时=zg,z=ψ=ψ0,可得:前轴:后轴:由此可以建立由Fu1和Fu2的关系曲线,即I曲线。
制动器的设计与计算制动器主要参数及整车参数的确定整车结构参数的确定a G (Kg ) g h (mm) L (mm) a (mm)b (mm)整备质量 1625 548 2690 1183.6 1506.4 总质量234075026901348.51341.5表中a G 表示汽车空载或满载时的总质量;g h 表示汽车空载或满载时的质心高度;a 表示汽车空载或满载时质心距前轮的距离;b 表示汽车空载或满载时质心距后轮的距离;L 表示汽车的轴距;另外,车轮半径=R 314mm 。
制动器主要结构参数与摩擦系数制动鼓半径:135=r mm ;支销至轮心的距离(k,c):领蹄(29,98),从蹄(29,98); 促动力至轮心的距离:=a 105mm ;衬片起始角:领蹄=10β40°,从蹄=20β25°; 衬片包角: 领蹄=1β110°,从蹄=2β100°; 摩擦衬片宽度:=b 55mm ; 摩擦系数为:=f 0.35;制动盘有效作用半径:=e r 98.73mm ; 总泵直径:=0d 23.8mm ; 后分泵管路直径:=2d 23.81mm ; 前分泵管路直径:=1d 60mm ; 踏板杠杆比:=i 4; 驱动系统效率:=η0.92;确定制动力分配系数设制动器液压管路的油压为0P , 则前制动轮缸的制动压力为:210)2/(d P P π=≈0.002830P后制动轮缸的制动压力为:22021')2/(d P P P P π===≈0.000450P对于盘式制动器,在衬块的摩擦表面与制动盘接触良好,并且在各处的单位压力分布均匀的情况下,则盘式制动器的制动力矩为e f fNr T 2=式中:f ——摩擦系数;N ——单侧制动块对制动盘的压紧力;e r ——制动盘有效作用半径。
又因为,210)2/(d P P N π===0.002830P所以有e f r fP T 21=0000195406.0P =计算后轮力矩如图2所示,为了求得法向压力1N 与张开力P 的关系,写出制动蹄上力的平衡方程式:{0)sin (cos cos 11'11111101=+-=+-+N f c S a P f N S P x x ρδδα式中:x S 1——支承反力在1x 轴上的投影;1δ——1x 轴与1N 的作用线之间的夹角。
底盘制动系统设计计算书目录1基本参数输入 ......................................................................................................................- 1 -2制动系统的相关法规 ..........................................................................................................- 2 -3整车制动力分配计算 ..........................................................................................................- 2 -3.1汽车质心距前后轴中心线距离的计算 ...........................................................................- 2 -3.2理想前后地面制动力的计算 ............................................................................................- 2 -3.3前后制动器缸径的确定 ..................................................................................................- 4 -3.4确定制动力分配系数 ......................................................................................................- 5 -3.5确定同步附着系数Φ0 ....................................................................................................- 5 -4制动力分配曲线的分析 ......................................................................................................- 5 -4.1绘制I曲线和β曲线 ......................................................................................................- 5 -4.2前后制动器制动力分配的合理性分析 ...........................................................................- 6 -4.2.1制动法规要求 ................................................................................................................- 7 -4.2.2前后轴利用附着系数曲线的分析 ................................................................................- 7 -5制动系统结构参数的确定 ..................................................................................................- 9 -5.1制动管路的选择 ..............................................................................................................- 9 -5.2制动主缸的结构参数的确定 ..........................................................................................- 9 -5.2.1轮缸容积的确定 ........................................................................................................- 10 -5.2.2软管容积增量的确定 ................................................................................................- 10 -5.2.3主缸容积的确定 ........................................................................................................- 10 -5.2.4主缸活塞直径的确定 ................................................................................................- 11 -5.2.5主缸行程的确定 ..........................................................................................................- 11 -5.3踏板机构的选择 ............................................................................................................- 11 -5.4制动踏板杠杆比的确定 ................................................................................................- 12 -5.4.1真空助力比的确定 ....................................................................................................- 12 -5.4.2踏板行程的确定 ........................................................................................................- 12 -5.4.3主缸最大压力的确定 ................................................................................................- 12 -5.4.4主缸工作压力的确定 ................................................................................................- 13 -5.4.5 最大踏板力的确定......................................................................................................- 13 -6驻车性能的计算 ................................................................................................................- 13 -7制动性能的校核 ..................................................................................................................- 14 -7.1制动减速度的计算 ..........................................................................................................- 15 -7.2错误!未定义书签。
制动系统设计计算书(Φ 式制动器,前:后= :)1.结构简述:XX 系列车型制动系统前后均采用X 式制动器结构,且前后制动器均为XX 式,并具有X 联式双管路制动总泵(阀)的液(气)压制动驱动系统。
3.1 动轴荷计算:当汽车以减速度jt制动时,由于减速度而产生的惯性力,使轴荷分配相应改变:式中: G1'制动时前轴负荷 G2'制动时后轴负荷 jt/g=φ 道路附着系数其中减速度jt为了计算方便,通常取以重力加速度的若干倍。
表一是根据不同的jt/g值计算出汽车空载和满载时动轴荷分配值: 对汽车在不同的减速度jt/g值时前后轴动载荷分配比按下式计算: 前轴动轴荷:G1'/Ga ×100% 后轴动轴荷:G2'/Ga ×100%表二为汽车制动时前后在不同减速度jt/g值时动轴荷分配比:表二(见下页):()0//1=-×-××-×a L G hg G g jt L G a a ()//2=×-××-×L G hg g jt G a G a a4.1.汽车制动时所需的制动力P τ(轴制动力)当汽车以减速度jt/g制动时,前后各自所需的制动力为: 前轴: P τ1=G1'×jt/g ×9.8 (N) 后轴: P τ2=G2'×jt/g ×9.8 (N)4.2.1.汽车前轴制动器所产生的制动力P τ1': 前轴制动扭矩: #######P 0(Nm)#VALUE!P 0(N)式中: M T1:单个前轮能发出的制动扭矩 BEF1:前制动器效率因数X d1:前制动器分泵直径(φ) m X R k1:前轮滚动半径(m)XR r1:前制动器有效半径(m)X4.2.2.汽车后轴制动器所能产生的制动力P τ2':#VALUE!P 0(Nm)#VALUE!P 0(Nm)式中: M T2:单个后轮能发出的制动扭矩 BEF2:后制动器效率因数X d2:后制动器分泵直径m X R k2:后轮滚动半径m XR r2:后制动器有效半径(m)X#VALUE!4.3 同步附着系数:#VALUE!#VALUE!4.4 满载时前后轴附着力矩:(道路附着系数Φ=0.65时的附着力矩)前轴附着力矩:######(N)后轴附着力矩:######(N)4.5 最大管路压力 :产生最大管路压力矩时(Φ=0.65)的管路压力为最大管路压力,故当Φ=0.65时,#VALUE!此时前轮制动所需的油压大于后轮制动所需油压: 即:######P 0 =#VALUE!P 0=######(Pa)4.6 制动踏板力计算:式中:P p :制动踏板力 S m :制动总泵活塞面积总泵直径为: d=XmS m =π/4×d 2=######m 2P 0:制动管路压力 I :踏板杠杆比I=X 故:Pp=######P 0(N)汽车满载时制动管路油压P0为(Φ=0.65):P τ2=G 2'×jt/g ×9.8######P 0 =#VALUE!P p =######(N)因BJ1043VBPE7制动系统采用真空助力机构,所以实际踏板力取决于真空助力器的助力比K,因而实际踏板力为P =P /K(见表四),现该车型真空助力器的K=X 表四:=´=1'1k t R P M ǰj IP S P m p /0´==´=2'2k t R P M ºój ǰj MM t ='1式中: Va:汽车制动时的初速度(Km/h)jt:制动减速度 jt=g ·Φ实际上,在汽车制动时,由踏下踏板到开始产生制动力尚有一段作用时间,取此值为0.2秒,所以际制动距离St必须考虑这一作用时间。
序号: 汽车理论课程设计说明书题目:汽车制动性计算班级:_____________________姓名:________________________ 学号:____________________序号:________________________ 指导教师:_____________________目录1.题目要求 (1)2.计算步骤 (1)3.结论 (5)4.心得体会 (6)5.参考资料 (6)1 .题目要求1)根据所提供的数据,绘制:I 曲线,3线,f 、r 线组;2)绘制利用附着系数曲线;绘制出国家标准(GB 12676-1999汽车制动系统结构、性能和试验方法)要求的限制范围,计算并填写利用附着系数参数表1。
表13)2表24)对制动性进行评价。
5)此车制动是否满足标准 GB 12676-1999的要求?如果不满足需要采取什么附加措施(提出三种改进措施,并对每种措施的预期实施效果进行评价,包括成本、可行性 等等;要充分说明理由,包括公式和图)2 .计算步骤1)根据所提供的数据,绘制:I 曲线,3线,f 、r 线组;I 曲线公式F 21旦厂逛F 1空2,2h g \ GF 1hg 1将各条曲线放在同一坐标系中,满载时如图 1所示,空载时如图2所示:f 线组公式FXb2Xb 2hghgXb1Gbhgr 线组公式FXb2Xb 2hg FXb 1GaL~~h^图1满载时不同小值路面的制动过程分析311图2空载时不同小值路面的制动过程分析2)绘制利用附着系数曲线; 绘制出国家标准(GB 12676-1999汽车制动系统结构、性能和试验方法)要求的限制范围,计算并填写利用附着系数参数表 3。
FXb1Z匚,1 ,FL bzhgFXb21 Z1FZ 2La zhg利用附着系数曲线如图 3:1 0.9ne Q.70.60.5 0.40.3 0.20.1 0图3利用附着系数与制动强度的关系曲线表3不同制动强度下的利用附着系数,制动强度z 利用、 附着系数0.2 0.4 0.6 0.8 1f0.2433 0.4090 0.5291 0.6202 0.6917r0.1803 0.3947 0.6536 0.9728 1.3758仝载f0.1524 0.2873 0.4075 0.5154 0.6127前轴的利用附着系数公式后轴的利用附着系数公式0 0/02 D3 Q4 0.50.6070.609制动强度的前轴的制动效率为Ef制动效率曲线如图 4:图4前、后制动效率曲线表4不同附着系数下的制动效率附着系数 制动、 效率E (%) ,、0.2 0.4 0.6 0.8 1E f 0.78930.9681z / Z E r/ /0.93620.8715 0.8151仝载E f/ 7 / // E r0.81740.7810 0.74760.7170 0.68883)绘制制动效率曲线,计算并填写制动效率参数表4。
目录1 概述 (1)1。
1 任务来源 (1)1.2 制动系统基本介绍 (1)1。
3 制动系统的结构简图 (1)1。
4 计算目的 (1)2 制动系统设计的输入条件 (1)2。
1 制动法规基本要求 (2)2.2 整车基本参数 (2)2.3 制动系统零部件主要参数 (2)3 制动系统设计计算 (3)3。
1 前、后制动器制动力分配 (3)3.2 制动减速度及制动距离校核 (10)3。
3 真空助力器主要技术参数 (11)3.4 制动主缸行程校核 (11)3。
5 制动踏板行程和踏板力校核 (12)3.6 驻车制动校核 (12)3.7 应急制动校核 (13)3.8 传能装置部分失效剩余制动力校核 (14)3。
9 制动器能容量校核 (14)4 数据输出列表 (16)5 结论及分析 (16)参考文献 (17)制动系统设计计算报告1概述1.1任务来源根据B35—1整车开发要求,按照确认的设计依据和要求,并依据总布置的要求对制动系统的选型并作相应的计算。
1.2制动系统基本介绍1.8T—AT车型的行车制动系统采用液压制动系统。
前制动器为带有双制动轮缸的通风盘式制动器,后制动器为单制动轮缸的实心盘式制动器。
制动踏板为吊挂式踏板,带真空助力器,制动管路为双回路对角线(X型)布置,采用ABS以防止车辆在紧急制动情况下发生车轮抱死。
驻车制动系统为杠杆式,作用于后轮.ABS控制系统以及匹配计算由供应商完成,本文计算不做讨论。
1.3制动系统的结构简图制动系统的结构简图如图1:1。
带制动主缸的真空助力器总成 2。
制动踏板 3.车轮4.轮速传感器5. 制动管路6. 制动轮缸 7。
ABS控制单元图1 制动系统的结构简图1.4计算目的制动系统计算的目的在于校核前、后制动力,最大制动距离、制动踏板力及驻坡极限倾角等是否符合法规及标准要求、制动系统匹配是否合理。
2制动系统设计的输入条件2.1制动法规基本要求(1)GB 12676—1999《汽车制动系统结构、性能和试验方法》(2)GB 13594—2003《机动车和挂车防抱制动性能和试验方法》(3)GB 7258-2004《机动车运行安全技术条件》表1-1是对相关法规主要内容的摘要。
1 / 9BJ1039E2制动系统设计计算1.结构简述:BJ1039E2柴油轻型载货汽车制动系前后均采用鼓式制动器结构,工作直径φ280mm ,摩擦片宽度64mm ,前制动器为单向双领蹄式制动器,后制动器为双向双领蹄式制动器,真空助力器为双膜片(8//+9//),助力比为1:6,行程为32mm ,并具有串联式双管路制动总泵的液压制动驱动系统。
3.汽车动轴荷分配计算: 3.1.动轴荷计算:当汽车以减速度jt 制动时,由于减速度而产生的惯性力,使轴荷分配相应改变:()0//1=-⋅-⋅⋅-⋅a L G hg G g jt L G a ag jtLhg G G G a ⨯⋅+=1/1()0//2=⋅-⋅⋅-⋅L G hg g jt G a G a a g jt Lhg G G G a ⋅⋅-=2/2式中: G 1'制动时前轴负荷 G 2'制动时后轴负荷jt/g=φ 道路附着系数式中减速度jt 为了计算方便,通常取以重力加速度的若干倍。
表一是根据不同的jt/g 值计算出汽车空载和满载时动轴荷分配值:2 / 93.2动载荷分配比:对汽车在不同的减速度jt/g 值时前后轴动载荷分配比按下式计算: 前轴动轴荷:G 1'/Ga ×100% 后轴动轴荷:G 2'/Ga ×100%表二为汽车制动时前后在不同减速度jt/g 值时动轴荷分配比:4.汽车制动力的计算:4.1.汽车制动时所需的制动力P τ(轴制动力)当汽车以减速度jt/g 制动时,前后各自所需的制动力为: 前轴: P τ1=G 1'×jt/g ×9.8 (N) 后轴: P τ2=G 2'×jt/g ×9.8 (N)4.2制动器实际所产生的制动力及制动力分配比: 4.2.1.汽车前轴制动器所产生的制动力P τ1':前轴制动扭矩: 0211/142P R d BEF Mt ⨯⨯⨯⨯=π()0214.0032.040.32P ⨯⨯⨯⨯⨯=π()m N P •⨯=-041075.6()N P P R Mt Pt k 0304/1/11001.210336.075.6--⨯=⨯==式中: T 1:单个前轮能发出的制动扭矩BEF 1:前制动器效率因数(3.0) d 1:前制动器分泵直径(φ=32mm) R k :前轮滚动半径(336mm)4.2.2.汽车后轴制动器所能产生的制动力P τ2': 后轴制动扭矩:0222/242P R d BEF Mt ⨯⨯⨯⨯=π0214.00254.040.32P ⨯⨯⨯⨯⨯=π()m N P •⨯=-041025.4()N P P R Mt Pt k 0304/2/21026.110336.025.4--⨯=⨯==式中: T2:单个后轮能发出的制动扭矩BEF2:后制动器效率因数(3.0) d2:后制动器分泵直径(φ25.4mm) Rk:后轮滚动半径(336mm)4.2.3.前后制动器实际制动力分配比:615.010)26.101.2(1001.233'2'1'1=⨯+⨯=+=--t t t P P P β4.3 同步附着系数: 645.0786)15082600(615.026000=--⨯=-=hg b L βϕ 4.4 满载时前后轴附着力矩:(道路附着系数Φ=0.7时的附着力矩)前轴附着力矩: 1.4870336.02.14494=⨯=前ϕM 后轴附着力矩: 2840336.05.8452=⨯=后ϕM 4.5 最大管路压力max 0P :产生最大管路压力矩时(Φ=0.7)的管路压力为最大管路压力,故:当Φ=0.7时,后轮先抱死,此时前轮制动所需的油压大于后轮制动所需油压:即: at MP P P M M 2.71.48701075.6004'1=∴=⨯=-前ϕ4.6 制动踏板力计算:I P S P m p /0⨯=式中:Pp:制动踏板力Sm:制动总泵活塞面积 P0:制动管路压力 I :踏板杠杆比故: )(1055.12.51032440062N P P P p --⨯=⨯⨯⨯=π汽车满载时制动管路油压P0为(Φ=0.7): P τ1=G 1'×jt/g ×9.88.97.0)7.0260078633451405(8.9/)/(1001.2103⨯⨯⨯⨯+=⋅⋅⋅+=⨯-g jt g jt Lh G G P ga)(7.1117N P p =∴因BJ1039E2制动系统采用真空助力机构,所以实际踏板力取决于真空助力器的助力因数K,现该车型采用的真空助力器的K=6,所以实际踏板力如表四(KP P pF =):从上表可以得出:制动踏板力PF ≤700N ,完全符合GB7258-1997《机动车运行安全技术条件》的规定和要求。
目录1 概述 (1)2 引用标准 (1)3 计算过程 (1)3.1整车参数 (1)3.2理想的前、后制动器制动力分配曲线 (1)3.3NA01制动系统性能校核 (3)3.3.1 NA01制动系统基本参数 (3)3.3.2 制动力分配曲线绘制及同步附着系数确定 (4)3.3.3 前、后轴利用附着系数曲线绘制 (5)3.3.4 空、满载制动距离校核 (7)3.3.5 真空助力器失效时制动减速度校核 (7)3.3.6 ESP系统失效制动减速度校核 (8)3.3.7 任一管路失效制动减速度校核 (8)3.3.8 制动踏板力校核 (8)3.3.9 制动主缸排量校核 (9)3.3.10 制动踏板行程校核 (9)3.3.11 驻车制动校核 (10)4 结论 (12)参考文献 (13)1 概述根据NA01乘用车设计开发目标,设计和开发NA01制动系统,要求尽量沿用M2零部件。
NA01制动系统共有三种配置:ESP+前盘后盘式制动器,ABS+前盘后鼓式制动器,比例阀+前盘后鼓式制动器,此三种配置需分别校核其法规要求符合性。
本计算书是根据整车室提供的NA01整车的设计参数(空载质量、满载质量、轴荷、轴距及质心高度),对经过局部改善(制动主缸直径由22.22mm 更改为20.64mm)的制动系统(ESP+前盘后盘式制动器)的适宜性进行校核计算,以选择合适的参数作为NA01制动系统的设计值。
2 引用标准GB 21670-2008 乘用车制动系统技术要求及试验方法。
GB 7258-2004 机动车运行安全技术条件 3 计算过程 3.1整车参数3.2 理想的前、后制动器制动力分配曲线制动时前、后车轮同时抱死,对附着条件的利用、制动时汽车方向稳定性均较为有利,此时的前、后轮制动器制动力1μF 和2μF 的关系曲线,常称为理想的前、后轮制动器制动力分配曲线。
在任何附着系数ϕ的路面上,前、后车轮同时抱死的条件是:前、后制动器制动力之和等于附着力,并且前、后轮制动器制动力分别等于各自的附着力,即:g F m F 21ϕμμ=+ (1)gg h L h L ϕϕμμ-+=1221F F (2)经计算得:221ϕϕμL h mg L L mg F g +=…………………………(3) 212ϕϕμLh mgLLmg F g -= (4)式中:1μF 、2μF ——前、后轮制动器制动力,N ;ϕ——路面附着系数;m ——整车质量,kg ; hg ——汽车质心高度,m; L ——汽车轴距,m;1L ——质心至前轴中心线的距离,m;2L ——质心至后轴中心线的距离,m。
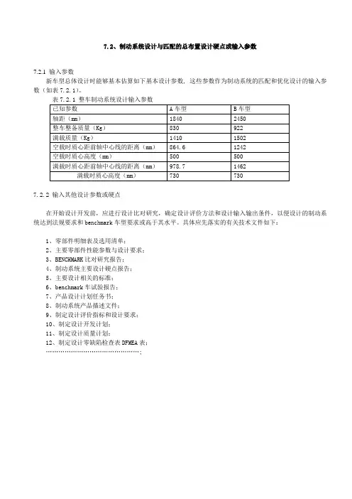
7.2、制动系统设计与匹配的总布置设计硬点或输入参数
7.2.1 输入参数
新车型总体设计时能够基本估算如下基本设计参数, 这些参数作为制动系统的匹配和优化设计的输入参数(如表7.2.1)。
7.2.2 输入其他设计参数或硬点
在开始设计开发前,应进行设计比对研究,确定设计评价方法和设计输入输出条件,以便设计的制动系统达到法规要求和benchmark车型要求或高于其水平。
具体应先落实的有关技术文件如下:
1、零部件明细表及选用清单;
2、主要零部件性能参数与设计要求;
3、BENCHMARK比对研究报告;
4、制动系统主要设计硬点报告;
5、主要设计相关的标准;
6、benchmark车试验报告;
7、产品设计计划任务书;
8、制动系统产品描述文件;
9、制定设计评价指标和设计要求;
10、制定设计开发计划;
11、制定设计质量计划;
12、制定设计零缺陷检查表DFMEA表;
………………………………………;。
课题名称:汽车制动系统的结构设计与计算班 级:交通运输指导老师:设 计 人:提交时间:2012年12月30日汽车设计课程设计第一章:制动器结构型式及选择一、汽车已知参数:汽车轴距(mm):3800车轮滚动半径(mm):493汽车空载时的总质量(kg):4440汽车满载时的总质量(kg)10440空、满载时的轴荷分配(kg)前轴负荷空载:2309 前轴负荷满载:3319后轴负荷空载:2131 后轴负荷满载:7121空、满载时的质心位置(mm)质心高度:空载:1027 满载:1250质心距后轴的距离(mm)空载:1824 满载:1208质心距前轴的距离(mm)空载:1976 满载:2592分析得:○1属于质量中等的中卡○2主要用于载货○3满载后后轴质量比前轴大许多由以上三点可以确定采用前后制动器均为领从蹄结构制动器二、鼓式制动器设计要求1、具有足够的制动效能。
2、工作可靠。
3、制动操纵稳定性好。
4、操纵轻便。
5、作用滞后时间短6、制动热稳定好。
7、制动水稳定性好。
8、减少公害。
第二章:制动系的主要参数确定1、制动力(满载)假设汽车的同步附着系数为0ϕ=0.6.在前后车轮均被抱死时,q=0ϕ=0. 6,这时前后轴车轮的制动器制动力1f F 、2f F 即是理想最大制动力,此时B F 、f F 和F ϕ相等,所以有:(B F 为汽车总的地面制动力,f F 为汽车总的制动器制动力,F ϕ车轮与路面总的附着力)m L 8.3=,m L 592.21=,m L 208.12=,m h g 25.1=()002111ϕϕϕg f B h L LG F F F +=== =31630.5N ()001222ϕϕϕg f B h L L G F F F -=== =29755.9N2、制动力分配系数==μμβF F 10.523、同步附着系数假设汽车的同步附着系数为0ϕ=0.6.4、制动强度附着系数利用率=+=21B B B F F F 61386.4NGq F B =q = 0.6ϕ=q ,==ϕεq15、最大制动力矩对于选取较大0ϕ值的汽车,这类车辆经常行驶在良好道路上,车速较高,后轮制动抱死失去稳定而出现甩尾的危险性较前一类汽车大得多。
BJ1039E2制动系统设计计算1.结构简述:BJ1039E2柴油轻型载货汽车制动系前后均采用鼓式制动器结构,工作直径φ280mm ,摩擦片宽度64mm ,前制动器为单向双领蹄式制动器,后制动器为双向双领蹄式制动器,真空助力器为双膜片(8//+9//),助力比为1:6,行程为32mm ,并具有串联式双管路制动总泵的液压制动驱动系统。
2.3.汽车动轴荷分配计算: 3.1.动轴荷计算:当汽车以减速度jt 制动时,由于减速度而产生的惯性力,使轴荷分配相应改变:()0//1=-⋅-⋅⋅-⋅a L G hg G g jt L G a ag jtLhg G G G a ⨯⋅+=1/1()0//2=⋅-⋅⋅-⋅L G hg g jt G a G a a g jt Lhg G G G a ⋅⋅-=2/2式中: G 1'制动时前轴负荷 G 2'制动时后轴负荷jt/g=φ 道路附着系数式中减速度jt 为了计算方便,通常取以重力加速度的若干倍。
表一是根据不同的jt/g 值计算出汽车空载和满载时动轴荷分配值:3.2动载荷分配比:对汽车在不同的减速度jt/g 值时前后轴动载荷分配比按下式计算: 前轴动轴荷:G 1'/Ga ×100% 后轴动轴荷:G 2'/Ga×100%表二为汽车制动时前后在不同减速度jt/g 值时动轴荷分配比:4.汽车制动力的计算:4.1.汽车制动时所需的制动力P τ(轴制动力)当汽车以减速度jt/g 制动时,前后各自所需的制动力为: 前轴: P τ1=G 1'×jt/g ×9.8 (N) 后轴: P τ2=G 2'×jt/g ×9.8 (N)4.2制动器实际所产生的制动力及制动力分配比: 4.2.1.汽车前轴制动器所产生的制动力P τ1':前轴制动扭矩: 0211/142P R d BEF Mt ⨯⨯⨯⨯=π()0214.0032.040.32P ⨯⨯⨯⨯⨯=π()m N P •⨯=-041075.6()N P P R Mt Pt k 0304/1/11001.210336.075.6--⨯=⨯==式中: T 1:单个前轮能发出的制动扭矩BEF 1:前制动器效率因数(3.0) d 1:前制动器分泵直径(φ=32mm) R k :前轮滚动半径(336mm)4.2.2.汽车后轴制动器所能产生的制动力P τ2': 后轴制动扭矩:0222/242P R d BEF Mt ⨯⨯⨯⨯=π0214.00254.040.32P ⨯⨯⨯⨯⨯=π()m N P •⨯=-041025.4()N P P R Mt Pt k 0304/2/21026.110336.025.4--⨯=⨯==式中: T2:单个后轮能发出的制动扭矩BEF2:后制动器效率因数(3.0) d2:后制动器分泵直径(φ25.4mm) Rk:后轮滚动半径(336mm)4.2.3.前后制动器实际制动力分配比:615.010)26.101.2(1001.233'2'1'1=⨯+⨯=+=--t t t P P P β 4.3 同步附着系数: 645.0786)15082600(615.026000=--⨯=-=hg b L βϕ 4.4 满载时前后轴附着力矩:(道路附着系数Φ=0.7时的附着力矩)前轴附着力矩: 1.4870336.02.14494=⨯=前ϕM 后轴附着力矩: 2840336.05.8452=⨯=后ϕM 4.5 最大管路压力max 0P :产生最大管路压力矩时(Φ=0.7)的管路压力为最大管路压力,故:当Φ=0.7时,后轮先抱死,此时前轮制动所需的油压大于后轮制动所需油压:即: at MP P P M M 2.71.48701075.6004'1=∴=⨯=-前ϕ4.6 制动踏板力计算:I P S P m p /0⨯=式中:Pp:制动踏板力Sm:制动总泵活塞面积 P0:制动管路压力 I :踏板杠杆比故: )(1055.12.51032440062N P P P p --⨯=⨯⨯⨯=π汽车满载时制动管路油压P0为(Φ=0.7): P τ1=G 1'×jt/g ×9.8 8.97.0)7.0260078633451405(8.9/)/(1001.2103⨯⨯⨯⨯+=⋅⋅⋅+=⨯-g jt g jt Lh G G P ga)(7.1117N P p =∴因BJ1039E2制动系统采用真空助力机构,所以实际踏板力取决于真空助力器的助力因数K,现该车型采用的真空助力器的K=6,所以实际踏板力如表四(KP P pF =):从上表可以得出:制动踏板力PF ≤700N ,完全符合GB7258-1997《机动车运行安全技术条件》的规定和要求。
2、基本参数设计计算2.1 制动系统性能匹配计算所需参数2.1.1 整车参数如下:2.1.2 设计方案参数如下:2.2 制动系统性能目标整车制动性能目标要求如下:2.3 制动系统性能参数匹配计算 2.3.1 整车理论制动力计算Z 1——汽车制动时水平地面对前轴车轮的法向反力,N;Z 2——汽车制动时水平地面对后轴车轮的法向反力,N;L——汽车轴距,mm;a——汽车质心离前轴的距离,mm;b——汽车质心离后轴的距离,mm;h g ——汽车质心高度,mm;G——汽车所受重力,N;m——汽车质量,kg;静态驻坡驻坡度≥18%制动减速度(m/s 2)≥2.2制动减速度(m/s 2)≥2.2满载失效制动(70km/h)前失效制动距离(m)≤95.7后失效制动距离(m)≤95.7后失效制动距离(m)≤95.7空载失效制动(70km/h)前失效制动距离(m)≤95.7制动减速度(m/s 2)≥2.2满载制动(80km/h)冷态制动距离-O型(m)≤61.2制动减速度(m/s 2)≥5.0设计要求空载制动(80km/h)冷态制动距离-O型(m)≤61.2制动减速度(m/s 2)≥5.0图1 整车受力简图制动减速度(m/s 2)≥2.2项目制动安全性能法规要求整车前、后轴理论需要的制动力计算公式如下:前、后制动器制动力计算式:其中: 、 ——前、后制动器制动力,NP 1、P 2——前、后制动器管路压力,MPa d 1、d 2——前、后制动器轮缸直径,mm ——前、后制动器单侧油缸数目r 1、r 2——前、后制动器有效半径,mm BF 1、BF 2——后制动器效能因数R——前、后轮滚动半径,mm制动器制动力分配系数:整车同步附着系数 计算式:其中:L L ——汽车轴距,mm;b ——汽车质心离后轴的距离,mm;h g ——汽车质心高度,mm;β——制动力分配系数根据整车参数,计算得出在各种状况下整车需要的理论制动力如下:表4 各附着系数路面下空、满载前、后轴理想制动力n 1、n2Rr BF n d p F 111211142⋅⋅⋅⋅⋅=πμ ()μμμg if h L G Z F +==b 1()μμμg ir h a LGZ F -==20ϕgh b L -=βϕ0211u u u F F F +=β1μF 2μF Rr BF n d p F 222222242⋅⋅⋅⋅⋅=πμ根据前、后制动器参数,计算出在不同管路压力下,前、后制动器输出制动力如下:此时,整车的同步附着系数计算如下:车型方案一的I曲线和β曲线图如下:标杆名称代号图2 车型的I曲线与β线压强MPa 标杆12空载同步附着系数满载同步附着系数表6 制动力分配系数和同步附着系数方案6783491011125方案选配方案(四轮盘式)irF if F 0ϕ'0ϕirF ifF if F irF通过对比整车理论制动力需求和制动器实际输出力,可以得出:2.3.2 整车利用附着系数与制动强度校核前、后轴利用附着系数:式中: ——前轴利用附着系数;——后轴利用附着系数;——前轴到质心水平距离,m;——后轴到质心水平距离,m;——制动强度。
制动系统设计自动计算表格excel.
制动系统设计自动计算表格Excel可以包括以下参考内容:
1. 制动系统设计参数:包括车辆质量、制动系统效率、制动器数量、制动器半径等。
2. 制动力计算公式:制动力=F*r,其中F为制动器产生的力,r为制动器半径。
3. 单个制动器制动力计算:可以根据制动器的摩擦系数、压力和表面积等参数,通过制动力计算公式计算得到。
4. 总制动力计算:将所有制动器产生的制动力相加即可得到。
5. 制动过程计算:包括制动时间、制动距离和制动能量等参数的计算。
6. 制动辅助系统计算:如制动助力器、制动平衡器等系统的计算。
7. 安全因素的考虑:如制动系统的负荷能力应大于车辆质量,制动器数量应合理等。
通过以上内容,可以在Excel表格中设计出制动系统自动计算表格。
用户只需要输入车辆参数,系统会自动计算出制动力、制动过程数据等参数,提高设计效率。