教你如何做网线接头
- 格式:doc
- 大小:1.08 MB
- 文档页数:8
网线水晶头的制作
你会制作网络线的头子吗?相信很多人都不会。
其实网线头的制作过程非常简单,其复杂程度甚至不及我们小时候做的手工。
我们一直很推崇老外的DIY动手能力。
在我们身边就有许多我们可以力所能及的事情,网线头制作就是其中一项。
下面我们就一步步教大家制作网线头。
制作网线所需的材料及工具(下
压线钳的构造(下
压线钳有好差之分。
差的10来块就买的到,好的要200多。
第一步:用压线钳的剥线口将网线的外层的护套剥去。
(下
第二步:将4对双绞线分开、捋直。
并且按照橙白-橙-绿白-蓝-蓝白-绿-棕白-棕的次序排列好。
并让线与线紧紧的靠在一起。
(下
刚才所说的排线次序为B类排法,还有一种A类排序方法,家庭中用不到,这里就不再详细说明了。
第三步:用压线钳的剪线口将剥去护套的网络线多余部分剪去行(我们所需的长度大概是15mm),留下一排整齐的线
第四步:套上水晶头。
注意水晶头的簧卡朝下。
(下
网线的8根内芯一定要伸入水晶头底部!(下
电脑网线水晶头正式名称为RJ45头,市场价格0.5-1.2元/只。
第五步:将水晶头放入压线钳的压线口,用劲握压线钳手柄。
最好是反复握几次。
(下图)压制过与未压制过的水晶头对比,左侧为压制过的,铜压刀已经完全没入水晶头
第六步:制作完成后的网线两头插入测线仪,打开开关,如果1-8的指示依次反复亮起,耶!那就说明网线制作成功啦!(下。
网络线接头(RJ45)制作方法经常有朋友问我一些关于网线的问题,在和他们的交流中发现,关于网线的错误极具普遍性,根源在于做线的人没理解原理,所以我觉得有必要写点东西把这方面做一个细致的澄清。
首先说一下差分方式传输。
所谓差分方式传输,就是发送端在两条信号线上传输幅值相等相位相反的电信号,接收端对接受的两条线信号作减法运算,这样获得幅值翻倍的信号。
其抗干扰的原理是:假如两条信号线都受到了同样(同相、等幅)的干扰信号,由于接收端对接收的两条线中的信号作减法运算,因此干扰信号被基本抵消,那么怎样才能保证两条信号线受到的干扰信号尽量是同相、等幅的呢?办法之一是可以将两根线扭在一起,按照电磁学的原理分析出:可以近似地认为两条信号线受到的干扰信号是同相、等幅的。
两条线绞在一起后,既会抵抗外界的干扰也会防止自己去干扰别人。
一般常用的就是双绞线。
大多数局域网使用非屏蔽双绞线(UTP—Unshielded Twisted Pair)作为布线的传输介质来组网,网线由一定距离长的双绞线与RJ45水晶头组成。
双绞线由8根不同颜色的线分成4对绞合在一起,成队扭绞的作用是尽可能减少电磁辐射与外部电磁干扰的影响,双绞线可按其是否外加金属网丝套的屏蔽层而区分为屏蔽双绞线(STP)和非屏蔽双绞线(UTP)。
在EIA/TIA-568A标准中,将双绞线按电气特性区分有:三类、四类、五类线。
网络中最常用的是三类线和五类线,超五类,目前甚至已有六类以上的线。
三类双绞线在LAN中常用作为10兆bps以太网的数据与话音传输,符合IEEE802.3 10Base-T的标准。
五类双绞线目前占有最大的LAN市场,最高速率可达100Mbps,符合IEEE802.3 100Base-T的标准。
超五类双绞线理论上可以用于千兆bps,而六类线是千兆bps网络的主流线缆,目前六类双绞线的市场正在逐步扩大。
做好的网线要将RJ45水晶头接入网卡或交换机,路由器等网络设备的RJ45插座内。
笔者要说明一下的接线标准,其中双绞线的制作方式有两种国际标准,分别为EIA/TIA568A以及EIA/TIA568B。
而双绞线的连接方法也主要有两种,分别为直通线缆以及交叉线缆。
简单地说,直通线缆就是水晶头两端都同时采用T568A标准或者T568B的接法,而交叉线缆则是水晶头一端采用T586A的标准制作,而另一端则采用T568B标准制作,即A水晶头的1、2对应B水晶头的3、6,而A水晶头的3、6对应B水晶头的1、2。
T568A标准描述的线序从左到右依次为T568B标准描述的线序从左到右依次为:而在什么情况该做成直通线缆,而交叉线缆又该用在什么场合呢?接下来,笔者为大家简单列举一下。
第三步:我们需要把每对都是相互缠绕在一起的线缆逐一解开。
解开后则根据需要接线的规则把几组线缆依次地排列好并理顺,排列的时候应该注意尽量避免线路的缠绕和重叠。
把线缆依次排列并理顺之后,由于线缆之前是相互缠绕着的,因此线缆会有一定的弯曲,因此我们应该把线缆尽量扯直并尽量保持线缆平扁。
把线缆扯直的方法也十分简单,利用双手抓着线缆然后向两个相反方向用力,并上下扯一下即可。
第四步:我们把线缆依次排列好并理顺压直之后,应该细心检查一遍,之后利压线钳的剪线刀口把线缆顶部裁剪整齐,需要注意的是裁剪的时候应该是水平方向插入,否则线缆长度不一会影响到线缆与水晶头的正常接触。
若之前把保护层剥下过多的话,可以在这里将过长的细线剪短,保留的去掉外层保护层的部分约为15mm左右,这个长度正好能将各细导线插入到各自的线槽。
如果该段留得过长,一来会由于线对不再互绞而增加串扰,二来会由于水晶头不能压住护套而可能导致电缆从水晶头中脱出,造成线路的接触不良甚至中断。
裁剪之后,大家应该尽量把线缆按紧,并且应该避免大幅度的移动或者弯曲网线,否则也可能会导致几组已经排列且裁剪好的线缆出现不平整的情况。
第五步:我们需要做的就是把整理好的线缆插入水晶头内。
需要注意的是要将水晶头有塑造料弹簧片的一面向下,有针脚的一方向上,使有针脚的一端指向远离自己的方向,有方型孔的一端对着自己。
网线的RJ-45接头制作法图解双绞线在网络中的接线标准有以下几种:(1)一一对应接法。
即双绞线的两端芯线要一一对应,即如果一端的第1脚为绿色,另一端的第1脚也必须为绿色的芯线,这样做出来的双绞线通常称之为“直连线”。
但要注意的是4个芯线对通常不分开,即芯线对的两条芯线通常为相邻排列,这个,由于太简单且随意,图上未标出。
这种网线一般是用在集线器或交换机与计算机之间的连接。
(2)1-3、2-6交叉接法。
虽然双绞线有4对8条芯线,但实际上在网络中只用到了其中的4条,即水晶头的第1、第2和第3、第6脚,它们分别起着收、发信号的作用。
这种交叉网线的芯线排列规则是:网线一端的第1脚连另一端的第3脚,网线一端的第2脚连另一头的第6脚,其他脚一一对应即可。
这种排列做出来的通常称之为“交叉线.例如,当线的一端从左到右的芯线顺序依次为:白绿、绿、白橙、蓝、白蓝、橙、白棕、棕时,另一端从左到右的芯线顺序则应当依次为:白橙、橙、白绿、蓝、白蓝、绿、白棕、棕。
这种网线一般用在集线器(交换机)的级连、服务器与集线器(交换机)的连接、对等网计算机的直接连接等情况下。
经常用于两台电脑直接互连传送数据!(3)100M接法。
这是一种最常用的网线制作规则。
所谓100M接法,是指它能满足100M带宽的通讯速率。
它的接法虽然也是一一对应,但每一脚的颜色是固定的,具体是:第1脚——橙白、第2脚——橙色、第3脚——绿白、第4脚——蓝色、第5脚——蓝白、第6脚——绿色、第7脚——棕白、第8脚——棕色,从中可以看出,网线的4对芯线并不全都是相邻排列,第3脚、第4脚、第5脚和第6脚包括2对芯线,但是顺序已错乱。
这种接线方法也是应用于集线器(交换机)与工作站计算机之间的连接,也就是“直连线”所应用的范围。
正线(标准568B):两端线序一样,线序是:橙白,橙,绿白,蓝,蓝白,绿,棕白,棕。
反线(568A):一端为正线的线序,另一端为:绿白,绿,橙白,蓝,蓝白,橙,棕白,棕。
制作工具与材料:在制作的过程中,我们必须要用到一些制作的辅助工具和材料。
在此,我们先为大家介绍一些这些工具和材料。
在制作的工程中,最重要的工具当然就是压线钳了,当然这个压线钳的工具不仅仅是压线自用,钳上还具备着很多“好本领”。
压线钳目前市面上有好几种类型,而实际的功能以及操作都是大同小异,我们就以上图的一把为例,该工具上有三处不同的功能。
在压线钳的最顶部的是压线槽,压线槽供提供了三种类型的线槽,分别为6P、8P以及4P,中间的8P槽是我们最常用到的RJ-45压线槽,而旁边的4P为RJ11电话线路压线槽。
在压线钳8P压线槽的背面,我们可以看到呈齿状的模块,主要是用于把水晶头上的8个触点压稳在双绞线之上。
最前端是剥线口,刀片主要是起到切断线材我们局域网内组网所采用的网线,使用最为广泛的为双绞线(Twisted-PairCable;TP),双绞线是由不同颜色的4对8芯线组成,每两条按一定规则绞织在一起,成为一个芯线对。
作为以太局域网最基本的连接、传输介质,人们对双绞网线的重视程度是不够的,总认为它无足轻重,其实做过网络的人都知道绝对不是这样的,相反它在一定程度上决定了整个网络性能。
这一点其实我们很容易理解,一般来说越是基础的东西越是取着决定性的作用。
双绞线作为网络连接的传输介质,将来网络上的所有信息都需要在这样一个信道中传输,因此其作用是十分重要的,如果双绞线本身质量不好,传输速率受到限制,您说即使其它网络设备的性能再好,传输速度再高又有什么用呢?因为双绞线已成为整个网络传输速度的一个瓶颈。
它一般有屏蔽(Shielded Twicted-Pair STP)与非屏蔽(Unshielded Twisted-PairUTP)双绞线之分,屏蔽的当然在电磁屏蔽性能方面比非屏蔽的要好些,但价格也要贵些。
双绞线按电气性能划分的话,可以划分为:三类、四类、五类、超五类、六类、七类双绞线等类型,数字越大,也就代表着级别越高、技术越先进、带宽也越宽,当然价格也越贵了。
RJ45接头一、RJ45接头介绍RJ45接头就是我们平常常见的网线接头,由RJ45插头和双绞线压接而成,广泛应用于局域网和宽带上网用户的网络设备之间的网线连接。
RJ45接口是一种网络接口规范,RJ是英文单词registered Jack 注册插口的英文缩写,是电话或计算机网络设备等电信设备的标准物理接口,类似的还有RJ11接口,就是我们平常所用的电话接口,用来连接电话线。
下面我们来分别介绍一下双绞线和RJ45插头。
双绞线,就是我们平常说的网线,之所以叫双绞线是因为它的保护胶皮里面有4对8根导线,每对的两根导线相互绞绕在一起,由一深一浅的同一种颜色组成,这四种颜色分别为橙色,绿色,蓝色,棕色。
双绞线传输的是数字信号,他们互相绞绕是为了降低传输信号之间的干扰。
双绞线按是否带有屏蔽层分为屏蔽双绞线(shielded twisted pair STP)和非屏蔽双绞线(unshielded twisted pair UTP),根据传输特性,又分为三类、五类、超五类、六类、七类线等。
目前我们用的最多的是五类非屏蔽双绞线,由于信号在传输介质中的衰减,因此五类非屏蔽双绞线的最大传输距离不可超过100米,超过100米就会因为衰减严重导致传输成功率和正确率大大降低。
RJ45插头俗称水晶头,之所以叫做水晶头,是因为它的外表看起来像水晶一样晶莹透亮。
网线的两端都必须安装在水晶头中,才能插在网卡,集线器,交换机等网络设备上进行网络通信。
从外观上看,RJ45水晶头由金属触片和塑料外壳构成,其前端有8个凹槽,(简称8 position,8P),凹槽内有8个金属触点,也就是8个引脚,简称8C (contact,触点),所以RJ45水晶头又称为“8P8C”接头。
端接水晶头时,要注意它的引脚次序,它的引脚次序是这样规定的:手拿插头,把有8个金属触片的一面向上,有塑料卡销的一面向下,同时将有网线装入的矩形大口的一端对着自己,从左边第一个金属触片开始,依次是第一脚,第二脚……第八脚。
RJ45插头制作步骤COB网线水晶头制作步骤如下:步骤1:利用斜口错剪下所需要的双绞线长度,至少0.6米,最多不超过100米。
然后再利用双绞线剥线器(实际用什么剪都可以)将双绞线的外皮除去2-3厘米。
有一些双绞线电缆上含有一条柔软的尼龙绳,如果您在剥除双绞线的外皮时,觉得裸露出的部分太短,而不利于制作RJ-45接头时,可以紧握双绞线外皮,再捏住尼龙线往外皮的下方剥开,就可以得到较长的裸露线。
步骤2:剥线完成后的双绞线电缆。
步骤3:接下来就要进行拨线的操作。
将裸露的双绞线中的橙色对线拨向自己的前方,棕色对线拨向自己的方向,绿色对线剥向左方,蓝色对线剥向右方。
上:橙左:绿下:棕右:蓝步骤4:将绿色对线与蓝色对线放在中间位置,而橙色对线与棕色对线保持不动,即放在靠外的位置。
左一:橙左二:绿左三:蓝左四:棕步骤5:小心的剥开每一对线,因为我们是遵循EIA/TIA 568B的标准来制作接头,所以线对颜色是有一定顺序的。
需要特别注意的是,绿色条线应该跨越蓝色对线。
这里最容易犯错的地方就是将白绿线与绿线相邻放在一起,这样会造成串扰,使传输效率降低。
左起:白橙/橙/白绿/蓝/白蓝/绿/白棕/棕常见的错误接法是将绿色线放到第4只脚的位置。
应该将绿色线放在第6只脚的位置才是正确的,因为在100BaseT网络中,第3只脚与第6只脚是同一对的,所以需要使用同一对残。
(见标准EIA/TIA 568B)左起:白橙/橙/白绿/绿/白蓝/蓝/白棕/棕步骤6:将裸露出的双绞线用剪刀或斜口钳剪下只剩约14mm的长度,之所以留下这个长度是为了符合EIA/TIA的标准,您可以参考有关用RJ-45接头和双绞线制作标准的介绍。
最后再将双绞线的每一根线依序放入RJ-45接头的引脚内,第一只引脚内应该放白橙色的线,其余类推步骤7:确定双绞线的每根线已经正确放置之后,就可以用RJ-45压线钳压接RJ-45接头,如右图市面上还有一种RJ-45接头的保护套,可以防止接头在拉扯时造成接触不良。
宽带线接头标准接法宽带线接头是指用于连接宽带线的接口,它的连接方式直接影响到宽带信号的传输质量。
正确的接头标准接法能够有效地提高宽带信号的稳定性和传输速度,保证用户能够获得更好的网络体验。
首先,我们需要明确宽带线接头的类型。
常见的宽带线接头包括RJ45接头和光纤接头。
RJ45接头主要用于连接网线,而光纤接头则用于连接光纤线。
接下来,我们将分别介绍这两种接头的标准接法。
对于RJ45接头,首先需要将网线的外皮剥开,露出内部的8根线。
然后按照T568B或T568A标准将这8根线依次插入RJ45接头的插孔中,确保每根线都插入到正确的位置,并且没有错位或者松动。
接着,使用压线钳将插好线的RJ45接头压紧,确保每根线都与接头金属触点良好接触。
最后,使用测试仪对接好的RJ45接头进行测试,确保连接质量良好,没有接触不良或者断路现象。
对于光纤接头,首先需要将光纤线的外层保护层剥开,露出内部的光纤芯。
然后使用光纤切割器将光纤芯切割平整,并且去除末端的抛光膏。
接着,将光纤芯插入到光纤接头的插口中,并且确保插入深度适当。
最后,使用光纤接头压接工具将光纤接头压紧,确保光纤芯与接头内部的光纤插口良好接触。
同样,使用光纤测试仪对接好的光纤接头进行测试,确保连接质量良好,没有光损耗或者断裂现象。
在进行宽带线接头标准接法时,需要注意以下几点,首先,要选择质量可靠的接头和工具,确保接头和线材的质量达标;其次,在操作过程中要细心耐心,确保每一步都做到位,避免因疏忽而导致接头质量不佳;最后,要进行必要的测试,确保接头连接质量良好,能够稳定传输宽带信号。
总的来说,宽带线接头的标准接法对于宽带信号的传输质量至关重要。
只有按照标准操作,选择合适的接头和工具,并且进行必要的测试,才能够保证宽带信号的稳定传输,为用户提供良好的上网体验。
希望以上内容能够帮助大家更好地理解宽带线接头的标准接法,提高网络连接质量。
网络设备通讯连接方式及网线接头的制作方法关于网络设备的定义和设备间连接方式一般规律:DTE 类设备:PC 、路由器、交换机uplink 口、HUB 级联口 DCE 类设备:交换机普通口、HUB 普通口同类设备间相连使用交叉线方式;异类设备间相连使用直通线方式。
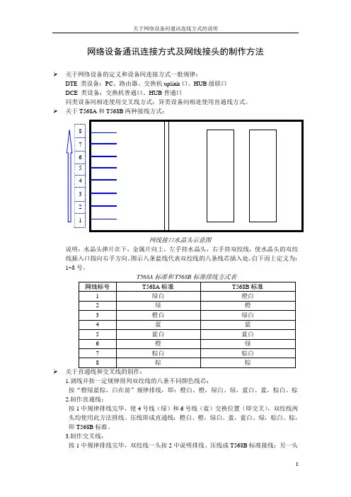
关于T568A 和T568B 两种接线方式:网线接口水晶头示意图说明:水晶头弹片在下,金属片向上,左手持水晶头,右手持双绞线,使水晶头的双绞线插入口指向右手方向。
图示八条蓝线代表双绞线的八条线芯插入处,自下而上定义为:1~8号。
1.剥线并按一定规律排列双绞线的八条不同颜色线芯:按“橙绿蓝棕,白在前”规律排线,即:橙白、橙,绿白、绿,蓝白、蓝,棕白、棕 2.制作直通线:按1中规律排线完毕,使4号线(绿)和6号线(蓝)交换位置(即交叉),双绞线两 头均使用此方法排线、压线即成直通线:橙白、橙,绿白、蓝,蓝白、绿,棕白、棕, 即T568B 标准。
3.制作交叉线:按1中规律排线完毕,双绞线一头按2中说明排线、压线成T568B 标准接线;另一头接成T568A标准,方法如下:按1说明排线,先4号线(绿)和6号线(蓝)交叉,成T568B标准,在此基础上,1号线(橙白)和3号线(绿白)交叉,2号线(橙)和6号线(绿)交叉成:绿白、绿,橙白、蓝,蓝白、橙,棕白、棕,即T568A标准。
补充说明:在100M网卡中只使用双绞线的1、2、3、6四条线芯,1000M网卡才使用双绞线的全部八条线芯。
说明:DTE(Data Terminal Equipment)是数据终端设备,也就是具有一定的数据处理能力以及发送和接收数据能力的设备。
大家知道,大多数的数字数据处理设备的数据传输能力是很有限的。
直接将相隔很远的两个数据处理设备连接起来,是不能进行通信的。
必须在数据处理设备和传输线路之间,加上一个中间设备。
这个中间设备就是数据电路端设备DCE(Data Circuit-terminating Equipment)。
网线接水晶头及网线接插座的方法一、网线接水晶头方法如果你想要组建局域网的话,那么网线是你少不了的东西,又或者你家网络的网线水晶头损坏了。
这么个小东西想自已制作一下就可以啦,可打开一看里面,这么多线就晕了,线序是什么啊,这种情况有木有……。
不用担心,我在这里教你轻松制作、连接水晶头。
首先,在我们制作网线之前,需要准备几样工具。
1、具有8P槽的压线钳一个。
2、五类网线,也就是我们现在最常用的网线。
3、RJ-45插头,也就是我们常说的水晶头。
其次,我们要了解网线的线序,我们常用的网线叫五类双绞线。
我们使用压线钳的剥皮功能剥掉网线的外皮,会看到彩色与白色互相缠绕的八根金属线。
橙、绿、蓝、棕四个色系,与他们相互缠绕的分别是橙白、绿白、蓝白、棕白。
(注意:有些网线的橙白、绿白、蓝白、棕白会只是纯白色,与橙线缠绕的即是橙白,与绿线缠绕的即是绿白,蓝白及棕白亦分别与蓝线、棕线缠绕,注意区分不能搞乱。
)我们要把缠绕打开,但要注意摆放的线序。
线序有两种标准,如下图:第三、我们要了解接法的种类.接法亦有两种,一种叫直通线,另一种叫交叉线。
我们用得最多的是直通线.直通线与交叉线的用途如下图所示.最后,实际网线水晶头制作步骤。
1、用压线钳将网线的胶皮剪掉长约2厘米即可。
2、按照上面说的标准线序把网线排列好,将水晶头有塑料弹簧片的一端向下,有金属针脚的一端向上,把8股线未端剪齐,将整齐的8股线插入水晶头,使其紧紧的顶在顶端.如下图所示。
3、把水晶头插入压线钳8P槽内,用力压紧压线钳即可。
4、最后用网线检测仪检测一下即可。
如果是直通线,检测仪亮灯顺序两端都是1、2、3、4、5、6、7、8;如果是交叉线,检测仪亮灯顺序一端是1、2、3、4、5、6、7、8,另一端是3、6、1、4、5、2、7、8。
如果有灯不亮,或灯亮的顺序错误,则要剪掉水晶头重新接网线。
如下图.二、网线接插座的方法先来认识一下网线模块,这个就是装在家里网线插座后面的模块,左右两面上面A、B表示的是568A及568B两种不同的线序打线方式,我们任选一种即可,但通常情况下均要选568B线序打线方式(图中B标示的线序打线方式)。
--- 一步一步介绍如何制作RJ45网线接头。
日期: 2001-06-22在众多的组网技术中,对小范围(不超过100米)内的组网来说,以集线器(Hub)为中心的对等式局域网无疑是最常见的。
自己组网免不了要制作RJ-45头,网卡工作不稳定,速度慢,一般是所做的RJ-45头有问题,若双绞线接错容易产生CRC错误,容易掉网。
现下让我们来看看RJ-45头是怎么做的,制作过程中要注意哪些细节。
RJ-45头的制作稍有复杂,但只要依照连线标准制作就不成问题。
先看一下连线的原理。
如图,其中TD代表传送,各有两条线(TD+及TD-);而RD代表接收,也有两条线(RD+及RD-)。
图一网线接头连线图二交叉线接头连接对于同一条线来说,必须一端是传送端,另一端是接收端,要注意的是Hub 内部传送(用交叉线)、Hub与网卡的不一样(用网线)。
我们详细介绍一下网卡与集线器之间网线的制作方法。
集线器端跟集线器端之间的交叉线略有不同,只需在线上加以对调,对照图二,保证一端传送,一端接收即可,不作详细介绍。
先用双绞线剥线器(用什么剪无所谓)将双绞线的外皮除去3厘米左右,剥线完成后的双绞线电缆如图三。
图三接下来进行对线。
对线的标准有两个:EIA/TIA 568A和EIA/TIA T568B标准(如图四)。
二者没有本质的区别,只是在颜色上的区别,即用的线不同。
本质的问题是要保证:1、2线对是一个绕对;3、6线对是一个绕对;4、5线对是一个绕对;7、8线对是一个绕对。
不可在电缆一端使用T568A标准,另一端使用T568B标准。
目前使用比较多的是T568B标准接线方法,那我们就遵循EIA/TIA 568B的标准来制作接头。
根据图示,线对是按一定的颜色顺序排列的(1、白橙,2、橙,3、白绿,4、蓝,5、白蓝,6、绿,7、白棕,8、棕)。
需要特别注意的是,绿色条线必须跨越蓝色对线。
这里最容易犯错的地方就是将白绿线与绿线相邻放在一起,这样会造成串扰,使传输效率降低。
R J45水晶头的制作方法(总6页)-CAL-FENGHAI.-(YICAI)-Company One1-CAL-本页仅作为文档封面,使用请直接删除RJ45水晶头网络连接器的制作方法将插头的末端面对眼睛,而且针脚的接触点插头的在下方,那么最左边是①,最右边是⑧EIA/TIA-568A标准的线序:绿白--1,绿--2,橙白--3,蓝--4,蓝白--5,橙--6,棕白--7,棕--8EIA/TIA-568B标准的线序:橙白--1,橙--2,绿白--3,蓝--4,蓝白--5,绿--6,棕白--7,棕--8步骤1,用RJ-45压线钳的切线槽口剪裁适当长度的双绞线。
如下图所示:步骤2,用RJ-45压线钳的剥线口将双绞线一端的外层保护壳剥下约(太长接头容易松动,太短接头的金属刀口不能与芯线完全接触),注意不要伤到里面的芯线,如下图所示:步骤3,将4对芯线成扇形分开,按照相应的接口标准( EIA/TIA-568A或 EIA/TIA-568B,见附录)从左至右整理线序并拢直,使8根芯线平行排列,整理完毕用斜口钳将芯线顶端剪齐,如下图所示(此处为 EIA/TIA-568B标准):步骤4,将水晶头有弹片的一侧向下放置,然后将排好线序的双绞线水平插入水晶头的线槽中,注意导线顶端应插到底,以免压线时水晶头上的金属刀口与导线接触不良。
,如下图所示:步骤5,确认导线的线序正确且到位后,将水晶头放入压线钳的RJ-45夹槽中,再用力压紧,使水晶头加紧在双绞线上。
最好是反复握几次。
至此,网线一端的水晶头就压制好了。
如下图所示:压制过与未压制过的水晶头对比,左侧为压制过的,铜压刀已经完全没入水晶头内。
如下图所示:步骤6,同理,制作双绞线的另一头接头。
此处注意,如果制作的是交叉线,两端接头的线序应不同。
步骤7,使用网线测试仪来测试制作的网线是否连通。
防止存在断路导致无法通信,或短路损坏网卡或集线器。
将网线两端的RJ45水晶头插入测试仪的两个接口之后,打开测试仪的开关,可以看到测试仪上的两组指示灯都在闪动。
RJ45接头网线制作教程一、压线钳压线钳目前市面上有好几种类型,而实际的功能以及操作都是小异,我们就左图的一把为例,该工具上有三处不同的功能。
在压线钳的最顶部的是压线槽,压线槽供提供了三种类型的线槽,分别为6P、8P以及4P,中间的8P槽是我们最常用到的RJ-45压线槽,而旁边的4P为RJ11线路压线槽。
在压线钳8P压线槽的反面,我们可以看到呈齿状的模块,主要是用于把水晶头上的8个触点压稳在双绞线之上。
最前端是剥线口,刀片主要是起到切断线材二、网线制作我们局域网组网所采用的网线,使用最为广泛的为双绞线〔Twisted-Pair Cable;TP〕,双绞线是由不同颜色的4对8芯线组成,每两条按一定规那么绞织在一起,成为一个芯线对。
作为以太局域网最根本的连接、传输介质,人们对双绞网线的重视程度是不够的,总认为它无足轻重,其实做过网络的人都知道绝对不是这样的,相反它在一定程度上决定了整个网络性能。
这一点其实我们很容易理解,一般来说越是根底的东西越是取着决定性的作用。
双绞线作为网络连接的传输介质,将来网络上的所有信息都需要在这样一个信道中传输,因此其作用是十分重要的,如果双绞线本身质量不好,传输速率受到限制,您说即使其它网络设备的性能再好,传输速度再高又有什么用呢?因为双绞线已成为整个网络传输速度的一个瓶颈。
它一般有屏蔽〔Shielded Twicted-Pair STP〕与非屏蔽〔Unshielded Twisted-Pair UTP〕双绞线之分,屏蔽的当然在电磁屏蔽性能方面比非屏蔽的要好些,但价格也要贵些。
双绞线按电气性能划分的话,可以划分为:三类、四类、五类、超五类、六类、七类双绞线等类型,数字越大,也就代表着级别越高、技术越先进、带宽也越宽,当然价格也越贵了。
三类、四类线目前在市场上几乎没有了,如果有,也不是以三类或四类线出现,而是假以五类,甚至超五类线出售,这是目前假五类线最多的一种。
目前在一般局域网中常见的是五类、超五类或者六类非屏蔽双绞线。
网络线接头568B接法
一、准备工具
网线钳(RJ45网络线,RJ11电话线通用),剥线器,网络线测试仪(RJ45网络线,RJ11电话线通用),网络线(五类,六类),水晶头(五类,六类)。
大部分网线钳都具有剥线功能,但有可能会剪断网络线的线芯。
专用的剥线器比较好用,能非常方便地剥开五类线和六类线的外表皮,且不会损坏线芯,因此在网络布线工程中推荐使用剥线器。
二、568B标准
在实际的网络布线工程中,网络线接头大部分采用568B标准,以下是568B 的连接方法:
近几年购买的交换机和网卡都支持“端口自动翻转”功能,不需要交叉线,用568B接法制作的网络线能满足所有的使用要求。
三、网络线水晶头做法
五类线水晶头做法比较简单;六类线水晶头做法麻烦一些,可以直接购买现成的;七类线结构复杂,直接购买现成的;具体参考淘宝网。
五类水晶头和六类水晶头在外观上一样,内部结构有点区别,接法有点不一样,可网上查找五、六类双绞线水晶头做法视频。
网线接水晶头操作方法
1. 确认需要接上的网线尺寸及接头类型,保证接头与网线尺寸匹配。
2. 在网线末端切开一部分外皮,露出内部线缆。
3. 按照标准顺序排列线缆(通常是按照T568B或T568A排列顺序),并将线缆末端修剪整齐。
4. 将线缆插入水晶头的插孔中,确保每个线缆都进入了相应的插槽,并达到末端。
5. 确认线缆没有扭曲或错位,然后使用裁剪器或剥线钳压紧水晶头,将插孔和线缆牢牢固定。
6. 最后检查一下连接是否紧固、通电后有无信号干扰,并保持耐心,对照接头的接线图或者建议找专业人士进行测试。
笔者要说明一下的接线标准,其中双绞线的制作方式有两种国际标准,分别为EIA/TIA568A以及EIA/TIA568B。
而双绞线的连接方法也主要有两种,分别为直通线缆以及交叉线缆。
简单地说,直通线缆就是水晶头两端都同时采用T568A标准或者T568B的接法,而交叉线缆则是水晶头一端采用T586A的标准制作,而另一端则采用T568B标准制作,即A水晶头的1、2对应B水晶头的3、6,而A水晶头的3、6对应B水晶头的1、2。
T568A标准描述的线序从左到右依次为
T568B标准描述的线序从左到右依次为:
而在什么情况该做成直通线缆,而交叉线缆又该用在什么场合呢?接下来,笔者为大家简单列举一下。
第三步:我们需要把每对都是相互缠绕在一起的线缆逐一解开。
解开后则根据需要接线的规则把几组线缆依次地排列好并理顺,排列的时候应该注意尽量避免线路的缠绕和重叠。
把线缆依次排列并理顺之后,由于线缆之前是相互缠绕着的,因此线缆会有一定的弯曲,因此我们应该把线缆尽量扯直并尽量保持线缆平扁。
把线缆扯直的方法也十分简单,利用双手抓着线缆然后向两个相反方向用力,并上下扯一下即可。
第四步:我们把线缆依次排列好并理顺压直之后,应该细心检查一遍,之后利压线钳的剪线刀口把线缆顶部裁剪整齐,需要注意的是裁剪的时候应该是水平方向插入,否则线缆长度不一会影响到线缆与水晶头的正常接触。
若之前把保护层剥下过多的话,可以在这里将过长的细线剪短,保留的去掉外层保护层的部分约为15mm左右,这个长度正好能将各细导线插入到各自的线槽。
如果该段留得过长,一来会由于线对不再互绞而增加串扰,二来会由于水晶头不能压住护套而可能导致电缆从水晶头中脱出,造成线路的接触不良甚至中断。
裁剪之后,大家应该尽量把线缆按紧,并且应该避免大幅度的移动或者弯曲网线,否则也可能会导致几组已经排列且裁剪好的线缆出现不平整的情况。
第五步:我们需要做的就是把整理好的线缆插入水晶头内。
需要注意的是要将水晶头有塑造料弹簧片的一面向下,有针脚的一方向上,使有针脚的一端指向远离自己的方向,有方型孔的一端对着自己。
此时,最左边的是第1脚,最右边的是第8脚,其余依次顺序排列。
插入的时候需要注意缓缓地用力把8条线缆同时沿RJ-45头内的8个线槽插入,一直插到线槽的顶端。
在最后一部的压线之前,我们可以从水晶头的顶部检查,看看是否每一组线缆都紧紧地顶在水晶头的末端。
第六步:当然就是压线了,确认无误之后就可以把水晶头插入压线钳的8P槽内压线了,把水晶头插入后,用力握紧线钳,若力气不够的话,可以使用双手一起压,这样一压的过程使得水晶头凸出在外面的针脚全部压入水晶并头内,受力之后听到轻微的“啪”一声即可。
如上图所示,压线之后水晶头凸出在外面的针脚全部压入水晶并头内,而且水晶头下部的塑料扣位也压紧在网线的灰色保护层之上。
网线测试仪的应用:
先来简单地介绍一下测试仪上的几个接口,这个测试仪可以提供对同轴电缆的BNC接口网线以及RJ-45接口的网线进行测试。
我们把在RJ-45两端的接口插入测试仪的两个接口之后,打开测试仪我们可以看到测试仪上的两组指示灯都在闪动。
若测试的线缆为直通线缆的话,在测试仪上的8个指示灯应该依次为绿色闪过,证明了网线制作成功,可以顺利的完成数据的发送与接收。
若测试的线缆为交叉线缆的话,其中一侧同样是依次由1~8闪动绿灯,而另外一侧则会根据3、6、1、4、5、2、7、8这样的顺序闪动绿灯。
若出现任何一个灯为红灯或黄灯,都证明存在断路或者接触不良现象,此时最好先对两端水晶头再用网线钳压一次,再测,如果故障依旧,再检查一下两端芯线的排列顺序是否一样,如果不一样,随剪掉一端重新按另一端芯线排列顺序制做水晶头。
如果芯线顺序一样,但测试仪在重夺后仍显示红色灯或黄色灯,则表明其中肯定存在对应芯线接触不好。
此时没办法了,只好先剪掉一端按另一端芯线顺序重做一个水晶头了,再测,如果故障消失,则不必重做另一端水晶头,否则还得把原来的另一端水晶头也剪掉重做。
直到测试全为绿色指示灯闪过为止。
【引用】电脑网线接法
一、墙壁网线插座接法
墙壁网线插座上粘有“A系”(对应T568A标准)与“B系”(对应T568B标准)的指示贴纸,我们接线时按照“A”或“B”标示的颜色来接,即T568A或T568B标准。
二、网线的接法
网线水晶头有两种做法标准,标准分别为TIA/EIA 568B 和TIA/EIA 568A 。
制作水晶头
首先将水晶头有卡的一面向下,有铜片的一面朝上,有开口的一方朝向自己身体,从左至右排序为12345678 ,下面是TIA/EIA 568B 和TIA/EIA 568Av 网线线序(优先选择568B 网线接法):
TIA/EIA-568B: 1、橙白,2、橙,3、绿白,4、蓝,5、蓝白,6、绿,7、棕白,8、棕
TIA/EIA-568A: 1、绿白,2、绿,3、橙白,4、蓝,5、蓝白,6、橙,7、棕白,8、棕
在整个网络布线中应用一种布线方式,但两端都有RJ-45 plug 的网络联线无论是采用端接方式A,还是端接方式B,在网络中都是通用的。
双绞线的顺序与RJ45头的引脚序号--对应。
10M以太网的网线接法使用1,2,3,6编号的芯线传递数据,100M以太网的网线使用4,5,7,8编号的芯线传递数据。
为何现在都采用4对(8芯线)的双绞线呢?这主要是为适应更多的使用范围,在不变换基础设施的前提下,就可满足各式各样的用户设备的网线接线要求。
100BASE-T4 RJ-45对双绞线网线接法的规定如下:
1、2用于发送,3、6用于接收,4、5,7、8是双向线。
1、2线必须是双绞,3、6双绞,4、5双绞,7、8双绞。
根据网线两端水晶头做法是否相同,有两种网线接法。
直通线:
网线两端水晶头做法相同,都是TIA/EIA-568B标准,或都是TIA/EIA-568A标准。
用于:PC网卡到HUB普通口,HUB普通口到HUB级联口,一般用途用直通线就可全部完成。
交叉线:
网线两端水晶头做法不相同,一端TIA/EIA-568B标准,一端TIA/EIA-568A标准。
用于:PC网卡到PC网卡,HUB普通口到HUB普通口。