zespri 打样稿-LD
- 格式:pdf
- 大小:2.15 MB
- 文档页数:9
Technical Data SheetEcoCult®Buffered Peptone Wateracc. ISO 6579, ISO 6887, ISO 21528, ISO 22964, FDA-BAM and EPOrdering numbers: 1.40141.0500 / 1.40141.5000 /1.40141.9010For the preliminary non-selective enrichment of bacteria, particularly pathogenic Enterobacteriaceae such as Salmonella and Cronobacter spp., from food, animal feed, water and other materials and for the dissolving, suspending and diluting of test samples from food, animal feed and other materials. Buffered Peptone Water is also known as BPW and Buffered Peptone Medium.This culture medium complies with the specifications given by EN ISO 6579-1/-2, EN ISO 6887(all parts), EN ISO 19250, EN ISO 21528-1, EN ISO 22964, FDA-BAM Medium M192, APHA andEP 2.6.31.Mode of ActionThe broth is rich in nutrients and produces high resuscitation rates for sublethal injured bacteria and intense growth. The phosphate buffer system prevents bacterial damage caused by changes in the pH of the medium. Peptone acts as a source of carbon, nitrogen, vitamins and minerals whilst sodium chloride maintains the osmotic balance.Typical CompositionSpecified byISO 6579-1/-2,ISO 6887-1,ISO 19250,ISO 21528-1, ISO 22964, EP 2.6.31Specified byFDA-BAM MediumM192EcoCult®Buffered Peptone Wateracc. ISO 6579, ISO 6887,ISO 21528, ISO 22964,FDA-BAM and EPPeptone 10 g/l Peptone 10 g/l Peptone 10 g/l NaCl 5 g/l NaCl 5 g/l NaCl 5 g/lNa2HPO4 x 12 H2O orNa2HPO4 anhydrous*9 g/lor3.57 g/lNa2HPO4 * 3.5 g/lNa2HPO4anhydrous* 3.57 g/lKH2PO4 1.5 g/l KH2PO4 1.5 g/l KH2PO4 1.5 g/lWater 1000 ml/l Water 1000 ml/l Water n/apH at 25 °C 7.0 ±0.2 pH at 25 °C 7.0 ± 0.2 pH at 25 °C 7.0 ± 0.2* 3.57 g Na HPO anhydrous is equivalent to 9.0 g of Na HPO x 12 H O.PreparationDissolve 20.0 g in 1 l of purified water. If desired dispense into smaller vessels and autoclave 15 min at 121 °C.The dehydrated medium is a powder with light yellow colour.The prepared medium is clear and yellowish. The pH value at 25 °C is in the range of 6.8 – 7.2. Experimental Procedure and EvaluationDepend on the purpose for which the medium is used.For use as diluent, prepare the initial suspension and further dilutions according to ISO 6887-1 or other appropriate part of EN ISO 6887. To avoid damage to microorganisms by sudden changesin temperature, the temperature of the BPW shall be approximately the same as the laboratory ambient temperature, except where otherwise specified in the appropriate standard.For use as pre-enrichment medium, incubate the inoculated broth under aerobic conditions, e.g.- acc. to ISO 6579-1 and ISO 22964 between 34 °C and 38 °C for (18 ± 2 h);- acc. ISO 21528-1 at (37 ± 1 °C) or at (30 ± 1 °C) for (18 ± 2 h);- acc. to FDA-BAM Chapter No. 5 at (35 ± 2 °C) for (24 ± 2 h);- acc. to FDA-BAM Chapter No. 29 at (36 ± 1 °C) for (24 ± 2 h);- acc. to ISO 19250 at (36 ± 2 °C) for (18 ± 2 h);- acc. to EP 2.6.31 at (30 - 35 °C) for (18 - 24 h).For pre-enrichment of large quantities (e.g. 1 l or more), it is recommended to pre-warm the BPW before mixing it with the test portion, e.g. to 34 °C to 38 °C depending on the pre-enrichment temperature given by the specific standard.Transfer material from the resulting culture to a selective enrichment medium or a solid selective medium following the method given by the appropriate standard.According to EN ISO 6579-1, it is permissible to store the pre-enriched sample after incubation at (5 ± 3 °C) for a maximum of 72 h before transferring to the selective enrichments.StorageStore at +10 °C to +30 °C, dry and tightly closed. Do not use clumped or discolored medium. Protect from UV light (including sun light). For in vitro use only.According to ISO 6579-1/-2, ISO 21528-1 and ISO 22964, self-prepared BPW can be stored in closed containers at (5 ± 3 °C) in the dark and protected against evaporation for up to six months.Merck, Millipore, and Sigma-Aldrich are trademarks of Merck KGaA, Darmstadt, Germany or itsaffiliates. Detailed information on trademarks is available via publicly accessible resources.Quality ControlFunction Control strains Incubation ReferencemediumMethod ofcontrolExpectedresultsProductivitySalmonellaTyphimuriumATCC® 14028[WDCM 00031](18 ± 2 h)at(37 ± 1 °C)aerobic-Qualitativeaspre-enrichmentmediumGrowth(good to verygood turbidity) SalmonellaEnteritidisATCC® 13076[WDCM 00030]Escherichia coliATCC® 25922[WDCM 00013]Escherichia coliATCC® 8739[WDCM 00012]CronobactersakazakiiATCC® 29544[WDCM 00214](18 ± 2 h)at(34 - 38 °C)aerobicCronobactermuytjensiiATCC® 51329[WDCM 00213]Salmonella AbonyNCTC 6017[WDCM 00029](18 - 24 h)at(30 - 35 °C)aerobicDilution Escherichia coliATCC® 25922(WDCM 00013)(45 min to 1 h)atlaboratoryambienttemperature)(18 - 27 °C)Tryptic SoyAgar (TSA)Quantitativeasdilutionmedium± 30 % oforiginal count(70-130 %) Escherichia coliATCC® 8739(WDCM 00012)StaphylococcusaureusATCC® 25923(WDCM 00034)Please refer to the actual batch related Certificate of Analysis.The performance test is in accordance with the current version of EN ISO 11133, EN ISO 6887-1, EN ISO 21528-1, EN ISO 22964 and EP 2.6.31.Merck, Millipore, and Sigma-Aldrich are trademarks of Merck KGaA, Darmstadt, Germany or itsaffiliates. Detailed information on trademarks is available via publicly accessible resources.LiteratureAPHA (2015) Compendium of Methods for the Microbiological Examination of Foods. 5th ed. American Public Health Association, Washington, D.C.Edel, W. and Kampelmacher, E. H. (1973): Comparative studies on the isolation of …sublethally injured” Salmonellae in nine European laboratories. Bull. WHO 48: 167-174.European Directorate for the Quality of Medicines and Healthcare (2019): The European Pharmacopoeia. 10th Ed. Chapter 2.6.31 Microbiological examination of herbal medicinal products for oral use and extracts used in their preparation. Strasbourg, France.FDA-BAM (2020): Chapter No. 5: Salmonella. U.S. Food and Drug Administration - Bacteriological Analytical Manual.FDA-BAM (2018): Chapter No. 29: Cronobacter. U.S. Food and Drug Administration - Bacteriological Analytical Manual.FDA-BAM (2018): Media Index for BAM - BAM Media M192: Buffered Peptone Water (BPW). Food and Drug Administration - Bacteriological Analytical Manual.ISO International Standardisation Organisation. Microbiology of the food chain - Horizontal method for the detection, enumeration and serotyping of Salmonella - Part 1: Horizontal method for the detection of Salmonella spp. + Amendment 1. EN ISO 6579-1:2017/Amd1:2020.ISO International Standardisation Organisation. Microbiology of the food chain - Horizontal method for the detection, enumeration and serotyping of Salmonella – Part 2: Enumeration by a miniaturized most probable number technique. EN ISO/TS 6579-2:2012.ISO International Standardisation Organisation. Microbiology of the food chain - Preparation of test samples, initial suspension and decimal dilutions for microbiological examination. EN ISO 6887 (all parts).ISO International Standardisation Organisation. Microbiology of the food chain - Preparation of test samples, initial suspension and decimal dilutions for microbiological examination - Part 1: General rules for the preparation of the initial suspension and decimal dilutions. EN ISO 6887-1:2017.ISO International Standardisation Organisation. Microbiology of food, animal feed and water - Preparation, production, storage and performance testing of culture media + Amendment 1 + Amendment 2. EN ISO 11133:2014/Amd1:2018/Amd2:2020.ISO International Standardisation Organisation. Water quality - Detection of Salmonella spp. EN ISO 19250:2010.ISO International Standardisation Organisation. Microbiology of food chain - Horizontal methods for the detection and enumeration of Enterobacteriaceae - Part 1: Detection of Enterobacteriaceae. EN ISO 21528-1:2017.ISO International Standardisation Organisation. Microbiology of the food chain - Horizontal method for the detection of Cronobacter spp. EN ISO 22964:2017.Mooijman, K.A. (2012): Culture media for the isolation of Salmonella. In: Handbook of Culture Media for Food and Water Microbiology. (Corry, J.E.L., Curtis, G.D.W. and Baird, R.M. eds). pp. 261-286. Royal Society of Chemistry, Cambridge, UK.Merck, Millipore, and Sigma-Aldrich are trademarks of Merck KGaA, Darmstadt, Germany or itsaffiliates. Detailed information on trademarks is available via publicly accessible resources.©Ordering InformationProduct Cat. No. Pack size EcoCult® Buffered Peptone Water1.40141.0500 500 g acc. ISO 6579, ISO 6887, ISO 21528, ISO 22964,FDA-BAM and EPEcoCult® Buffered Peptone Water1.40141.5000 5 kg acc. ISO 6579, ISO 6887, ISO 21528, ISO 22964,FDA-BAM and EPEcoCult® Buffered Peptone Water1.40141.9010 10 kg acc. ISO 6579, ISO 6887, ISO 21528, ISO 22964,FDA-BAM and EPGranuCult® Buffered Peptone Water acc. ISO 6579,1.07228.0500 500 g ISO 6887, ISO 21528, ISO 22964, FDA-BAM and EPGranuCult® Buffered Peptone Water acc. ISO 6579,ISO 6887, ISO 21528, ISO 22964, FDA-BAM and EP 1.07228.5000 5 kg GranuCult® Buffered Peptone Water acc. ISO 6579,ISO 6887, ISO 21528, ISO 22964, FDA-BAM and EP 1.07228.9010 10 kgGranuCult® Buffered Peptone Water acc. ISO 6579,1.07228.9025 25 kg ISO 6887, ISO 21528, ISO 22964, FDA-BAM and EPReadybag® Buffered Peptone Water acc. ISO 6579,1.00901.0001 60 bags ISO 21528, ISO 22964, FDA-BAM and EP, 29 g, irradiatedReadybag® Buffered Peptone Water acc. ISO 6579,1.00908.0001 35 bags ISO 21528, ISO 22964, FDA-BAM and EP, 86 g, irradiatedMerck, Millipore, and Sigma-Aldrich are trademarks of Merck KGaA, Darmstadt, Germany or itsaffiliates. Detailed information on trademarks is available via publicly accessible resources.© 2018 Merck KGaA, Darmstadt, Germany and/or its affiliates. All Rights Reserved.。
书山有路勤为径;学海无涯苦作舟
SNAP——新闻纸广告印刷参数说明(六)接触拷贝和打样
接触拷贝控制
复制胶片时,与原稿相比半色调网点的尺寸变化不能超过±2%。
每
次运行前都必须在一个常规的基础上进行测试。
最好用和处理复制材料相同的方式复制原始的曝光控制梯尺(比如:UGRA梯尺)。
使用一个经过正确校准的透射密度计,记录原始曝光梯尺和复制的
曝光梯尺的实际数值。
将这两套数值和透射密度计、光谱反应等相关信息同时递交给接收接触拷贝设备,如正色片、UV和Type1。
打样过程
打样这个术语用来描述印刷生产过程中作业的检查。
在印前与印刷
部门,样张的作用是:核实内容和颜色、工艺控制、质量控制、并确认所
专注下一代成长,为了孩子。
紫色广告布制作流程及注意事项下载温馨提示:该文档是我店铺精心编制而成,希望大家下载以后,能够帮助大家解决实际的问题。
文档下载后可定制随意修改,请根据实际需要进行相应的调整和使用,谢谢!并且,本店铺为大家提供各种各样类型的实用资料,如教育随笔、日记赏析、句子摘抄、古诗大全、经典美文、话题作文、工作总结、词语解析、文案摘录、其他资料等等,如想了解不同资料格式和写法,敬请关注!Download tips: This document is carefully compiled by theeditor. I hope that after you download them,they can help yousolve practical problems. The document can be customized andmodified after downloading,please adjust and use it according toactual needs, thank you!In addition, our shop provides you with various types ofpractical materials,such as educational essays, diaryappreciation,sentence excerpts,ancient poems,classic articles,topic composition,work summary,word parsing,copy excerpts,other materials and so on,want to know different data formats andwriting methods,please pay attention!紫色广告布是一种常用的广告材料,用于户外广告、活动宣传等。
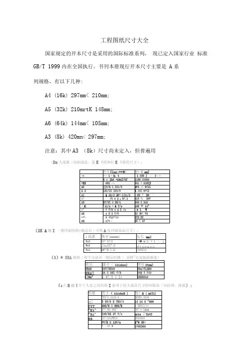
工程图纸尺寸大全国家规定的开本尺寸是采用的国际标准系列,现已定入国家行业标准GB/T 1999内在全国执行。
书刊本册现行开本尺寸主要是A系列规格,有以下几种:A4 (16k) 297mm< 210mm;A5 (32k) 210mrtK 148mm;A6 (64k) 144mm< 105mm;A3 (8k) 420mn< 297mm;注意:其中A3 (8k)尺寸尚未定入,但普遍用(Dx人度鍛(印刷成品、复E卩纸和打E卩祇的尺寸):(2K A魏I 一般印刷用紙*裁边后・可得A度印刷成品尺寸):(3)* SRA虞紙(用于出血印‘刷品的娥 > 苴特"点是幅面報宽)【4八B翩【介于人度之间的纸I寥用于较大成品尺寸的印刷品「如挂图、海报):我们日常生活中说说的A4复印纸,8K纸就是指这些尺寸,即A4纸(16K纸)的尺寸为:297mm< 210mm, 32K笔记本(A5笔记本)规格为:21cm xi4.8cm。
纸张尺寸介绍:a2纸的尺寸(大4开)594mm< 420mma3 纸尺寸(大8 开)420mn< 297mma4 纸尺寸(大16 开)297mm<210mmb4纸尺寸(16开)b5纸的尺寸(32开)8开纸尺寸纸张按种类可分为新闻纸、凸版印刷纸、胶版纸、有光铜版纸、哑粉纸、字典纸、地图纸、凹版印刷纸、周报纸、画报纸、白板纸、书面纸、特种纸等。
普通纸张按克重可分为60gsm、80gsm、100gsm 105gsm> 120gsm、157gsm 200gsm 250gsm> 300gsm 350gsm> 400gsm。
8开就是8开的,尺寸是390X270mm,要是word里面没有,那就自行设定。
全开,载成8张,你量一下.纸张的规格是指纸张制成后,经过修整切边,裁成一定的尺寸。
过去是以多少"开"(例如8开或16开等)来表示纸张的大小,现在我采用国际标准,规定以AO、A1、A2、B1、B2……等标记来表示纸张的幅面规格。
E X O IDIzon Science Limited provides this document to its customers with a product purchase to use in theproduct operation. This document is copyright protected and any reproduction of the whole or any part of this document is strictly prohibited, except with the written authorisation of Izon Science Limited.The contents of this document are subject to change without notice. All technical information in thisdocument is for reference purposes only. System configurations and specifications in this documentsupersede all previous information received by the purchaser.Izon Science Limited makes no representations that this document is complete, accurate or error-free and assumes no responsibility and will not be liable for any errors, omissions, damage or lossthat might result from any use of this document, even if the information in the document is followedproperly.Izon products are designed and manufactured under a quality system certified to ISO 13485:2016.This document is not part of any sales contract between Izon Science Limited and a purchaser.This document shall in no way govern or modify any Terms and Conditions of Sale, which Terms andConditions of Sale shall govern all conflicting information between the two documents.FCC Declaration of ConformanceThis device complies with part 15 of the FCC Rules. Operation is subject to the following two conditions:(1) This device may not cause harmful interference(2) This device must not accept any interference received, including interference that may causeundesired operation. Changes or modification not expressly approved by the party responsible forcompliance could void the user’s authority to operate the equipment.Izon Science Limited Telephone: +64 3 357 4270PO Box 9292 Email:****************Addington Website: Christchurch 8024New Zealand2TABLE OF CONTENTS1 Definitions and Writing Conventions (4)2 Safety and Hazards (6)2.1 Safe Use Requirements and Specifications (6)2.2 Hazards (6)2.3 Intended Use (7)3 Assembly and Setup Instructions (8)3.1 System Components (8)3.2 Assembling and Installing the Exoid (9)3.3 Instrument Power and General Operation (9)3.4 General Operating Procedures (9)3.5 Computer Setup (10)4 Operations Instructions (12)4.1 Required Materials (12)4.2 Exoid Lighting (13)4.3 Fluid Cell (14)4.4 Exoid Control Suite Software (15)5 Troubleshooting (18)6 Further Support (20)Exoid User Manual3DEFINITIONS AND WRITING CONVENTIONS1 /Make sure to follow the precautionary statements presented in this guide. Safety and other special notifications will appear in boxes and include the symbols detailed in Table 1.Table 1: Safety and Hazard Symbols4Table 2: Terminology used in this manualExoid User Manual52.2 HazardsThe Exoid is a laboratory product, however if any biohazardous samples are present then adhere to current Good Laboratory Practices (cGLPs) and comply with any local guidelines specific to your laboratory and location.Fire or Electrical HazardThe Exoid poses no uncommon electrical or fire hazard to operators if installed and operated properly without physical modification and connected to a power source of correct specification.SAFETY AND HAZARDS2.1 Safe Use Requirements and SpecificationsMake sure to adhere to the safe use requirements as specified in Table 3. If the equipment is used in a manner not specified, protection provided by the equipment may be impaired.Table 3: Safe use requirements and specification of the Exoid2 / 6Chemical HazardsThe Exoid system contains no potentially hazardous chemical materials.Mechanical HazardsThe Exoid stretcher unit contains automatically moving parts. Keep fingers and loose clothing clear while automatic processes are in operation.TransportTo protect the Exoid during transport or storage, decontamination procedures must first be performed. To protect the instrument from damage, always use the packaging materials supplied when transporting the Exoid. Use appropriate heavy lifting techniques to avoid injury. If appropriate packing materials cannot be obtained then contact your local Izon Science office.DisposalThe Exoid system contains electrical materials; it should be disposed of as unsorted waste and must be collected separately, according to the European Union Directive: Waste Electrical and Electronic Equipment. The user is fully responsible for ensuring that the obsolete Equipment and/or Consumables are recycled or disposed of in accordance with this and/or any other relevant laws and regulations in the countries where the instrument is being recycled or disposed of. Contact your local Izon Science representative for more information.2.3 Intended UseThe Exoid is used to measure size, concentration and zeta potential of nanoparticles. The instrumentis intended for use in research laboratories by professional personnel. The Exoid is not intended for diagnostic purposes and should not be used to make treatment decisions.For verification of the entire system, it is recommended that cGLPs are followed to ensure reliable analyses.Exoid User Manual7ASSEMBLY AND SETUP INSTRUCTIONS 3 /3.1 System ComponentsThe following components are provided in the box:Figure 1: The Exoid and components with an Exoid. 83.2 Assembling and Installing the Exoid1. Unpack the Exoid and box contents.We recommend that you save the box and packaging materials in case the instrument needs to be returned for servicing.If you decide to dispose of the packaging, first check that all components are present so as not to inadvertently throw anything away.2. Place the Exoid onto a stable and level laboratory bench.3. Ensure that the buttons near the top of the Exoid are facing the user.4. Connect the power lead to the 24 V power supply.5. Ensure the Exoid is switched off, and if the power socket at the wall has a switch, ensure the switchis turned off. Plug the power lead into a wall socket and connect the cable from the 24 V power supply to the rear of the instrument.6. Connect the USB cable to the instrument and the computer.7. Turn the instrument on first using the power switch at the wall socket (if applicable) and then theExoid power switch.3.3 Instrument Power and General OperationMake sure the power supply box is positioned away from fluids.To prevent heat buildup do not cover the power supply box.Position the unit so it can be quickly and easily disconnected from the mains power.Check the local supply meets the AC input requirement given in the specification.The Exoid is to only be used with power supplies and leads provided by Izon. Failure to use thecorrect power supply may result in invalid operation.Make sure the power supply is placed away from and to the rear of the instrument to avoid cominginto contact with any spills or fluid.Exoid User Manual93.4 General Operating ProceduresFor indoor use only and to be used within the rated conditions specified.Take care not to spill fluids on electrical parts during operation.The Exoid must be installed into Earth Grounded Protected Outlets ONLY. T o minimise the influenceof external noise from the environment, position equipment away from electrical switching gear andinterfering equipment.3.5 Computer SetupDevices connected to the Exoid should be compliant with a relevant safety standard such as IEC60950-1 for IT equipment or IEC 61010-1 for laboratory equipment and should provide double orreinforced insulation from hazardous voltage sources. Always use USB cables supplied by Izon toconnect the Exoid to the computer.Minimum Computer SpecificationsFor the Exoid and ECS to work effectively, the minimum PC requirements must be in place. These are as follows:16 GB RAMi7 processor256 GB SSDDedicated graphics processor (GPU) with at least 1 GB graphics memoryWindows 10 Pro10Windows Home is not suitable for the installation of the ECS. Ensure that the computer is installed with Windows Pro.An onboard graphics card is not suitable for the operation of the Exoid. Ensure that the connected computer has a dedicated GPU with at least 1 GB of memory and that the computer will use this GPU while the ECS is running. Visit /why-does-the-ecs-lag for instructions on how to do this.To operate the Exoid, there are two software suites that must be installed:Exoid Control Suite (ECS): used to control the Exoid and gather data.Izon Data Suite (IDS): required to analyse the data collected in the ECS.Both software packages for non 21 CFR Part 11 installations can be downloaded from: /how-can-i-get-the-latest-exoid-control-suite-software-release4 /OPERATING INSTRUCTIONSThe Exoid is a Tunable Resistive Pulse Sensing (TRPS) instrument, and requires an understanding ofthe principles of TRPS to be able to effectively operate the instrument and interpret the data outputs.Information on the principles of TRPS can be found in the Fundamentals of Tunable Resistive PulseSensing Theory Manual at and via free online courses at 4.1 Required MaterialsThe following materials beyond the Exoid and the control computer are required to complete ameasurement. Some of these are provided in the TRPS Training Kit that can be requested with theinstrument, as indicated by an asterisk (*).Calibrated micropipettes: 1 µL to 1 mLPipette tipsLint-free tissues for dryingPowder-free disposable glovesNanopore*15 mL tubes*1.5 mL tubes*10 mL luer lock syringes*Freshly prepared reagentsDiluted calibration particlesProcessed and diluted sample4.2 Exoid LightingThe ring of LED lights located below the buttons provides visual indications on the state of the Exoid, as described in Table 4.Table 4: Description of Exoid state as indicated by the halo lightingFigure 3: The upper fluid cell has four dots (left) used to lock the cell in position. When the cell is locked in place onlyone dot on each side will be visible (right).4.3 Fluid CellThe fluid cell is comprised of an upper and lower component (upper fluid cell and lower fluid cell) that are positioned above and below the nanopore respectively, as well as a shielding cap that reduces external noise which may interfere with measurements. The upper and lower fluid cells each containan electrode, and provide a containment for the electrolyte solution required to measure your sample. Figure 2provides a visual guide for normal operation of the system.Figure 2: A cross section of the Exoid fluid cell, showing the upper and lower fluid cells, the nanopore, the lower electrode paste, and the electrolyte holding areas for normal operation. The pressure application device (PAD) is used to tap or plunge when stabilising the system; it is shown in (1) with the plunging side in use.There are two pogo pins positioned on the lower fluid cell which fit into sockets on the underside of the upper fluid cell when twisted into place correctly. To assist with this, the upper fluid cell has two position indicators on each side which, when installed correctly, will be partially obscured by the lower fluid cell so that only one indicator on each side is visible (Figure 3).1. PAD is used to applypressure here.2. Upper fluid cell, insertliquid here.3. Nanopore.4. Lower fluid cell channel,insert liquid here.5. Lower fluid cell paste.23454.4 Exoid Control Suite SoftwareIf using a laptop to operate the Exoid, ensure that the laptop charging cable is plugged in and providing power at all times during operation of the instrument.Once the instrument is connected to the computer and switched on, open the Exoid Control Suite (ECS). A welcome splash screen followed by the home screen will be displayed, showing a render of the instrument with the word “CONNECTED” beneath it. There are several internal mechanics of the Exoid which need to have completed their start-up process before this will occur. A successful connectionof all components will also be indicated by activation of the Exoid lighting. If either the lights are redor “DISCONNECTED” is displayed, please refer to the troubleshooting guide in Section 5. Notifications about system updates appear on the bell icon.Figure 4: The Exoid Control Suite (ECS) home screen display when an instrument has been successfully connected. Nanopore LoadingA correctly loaded nanopore has all four arms fitted securely onto the “teeth” of the stretcher unit at the load position, with its serial number facing upwards.Investigation DetailsThis must be selected and populated for the other two options to become available.Nanopore SetupThis section guides the user through all the appropriate procedures required to prepare the nanopore for sample analysis.Start AnalysisThis section guides the user through all the appropriate procedures required for sample analysis. Within this section the user has the option to select if they wish to measure size and concentration or size and zeta potential. To enter this section, nanopore setup is recommended but it is not required.Controlling the ExoidThe Exoid has three components that require interaction to achieve a successful sample measurement; the APS which controls pressure, the VCA which controls voltage, and the Delta which controls stretch. All three of these components can be controlled from within the ECS by clicking on the displayed parameter in the device summary panel, entering the desired value and selecting the check-mark orpressing Enter.Figure 5: The device summary panel displaying current system parameters.Figure 6: The stretch control buttons near the top of the Exoid.Decrease StretchNo Function Increase StretchAdditionally, the Delta can be controlled via the stretch control buttons near the top of the Exoid above the halo. The Exoid has built-in limit switches to prevent the stretcher being moved to a position that will damage the winding mechanism, these are located at ~41 and ~51 mm. The user will not be able to stretch beyond these values.Guide to Real-Time DataWhen using the ECS to operate the instrument, the signal trace, particle size plot and the particle size distribution histogram provide a real-time visualisation of particles being measured by the system.Signal trace plot: displays the baseline current as well as individual blockades when a particle transverses the nanopore.Particle size plot: displays each significant blockade as a dot, plotted on a relative particle size scale in nanoamperes (nA). Also visualised on the particle size plot is the particle rate, displayed as a line. These plots can be enlarged by selecting Full Size in the top right of the signal trace plot, similarly this can be reversed by selecting Reduced Size. Enlarging the plot will cause the particle size distribution histogram to be visible, which displays a live population histogram of all the blockades detected during a particular phase.Signal trace plot(line) and particleFigure 7: The ECS signal trace plot in a “Full Size” state with the particle size distribution histogram visible.TROUBLESHOOTING5 /Short circuitsElectrolyte can infiltrate metal connection points inside or around the fluid cell, causing significantnoise fluctuations. Troubleshoot this by pipetting out the liquid in the upper fluid cell and observing the current. If the current does not change from pre-liquid removal or it is a non-zero (± 3 nA) value thenthere is liquid somewhere causing a short circuit. Remove the upper fluid cell, then wash and dry it,making sure all the metal parts of the fluid cell are dry. Remove any residual liquid from the lower fluid cell area and re-setup the nanopore.Always ensure that you do not pipette more than 35 µL into the upper fluid cell, or more than 75 µL into the lower fluid cell, or the fluid may leak between connection points and cause the noise to graduallyincrease.Instrument ConnectionIf some time has passed and instrument connection is still not complete, proceed to /why-are-none-of-the-exoid-modules-connected to resolve the issue.APS LeakingIf the APS is frequently leaking, or struggling to hold pressure, check the o-ring for damage and replace(3 mm x 1 mm, silicone) if any damage is observed. If there is still a leak check the connector tubing fordamage or loosening, also check the bottom of the upper fluid cell for damage to the seal.External/Environmental Noise50/60 kHz noise from nearby laboratory equipment and ungrounded power supplies can interferewith the instrument signal. To reduce influence from external noise, do not operate in close proximity to large appliances with high power draw, and ensure the fluid cell cap and shielding lid are used.Using the Reference CellIf the user suspects there is an issue with their fluid cell that is not nanopore related, i.e. non-zerocurrent with 0 mV applied, non-zero current with voltage applied but no electrolyte in the system,then the 10 MΩ reference cell can be used to diagnose this. It should be noted that it is often difficultto diagnose the difference between a nanopore issue, a setup issue, or a fluid cell issue. Contact Izonsupport for advice if unsure.Remove the fluid cell from the Exoid and replace the lower fluid cell with the reference cell. At 0 mV the current should be 0 ± 3 nA, at 1000 mV the current should be 100 ± 3 nA, and at -1000 mV the current should be -100 ± 3 nA. Contact Izon support if this is not the case.Power CyclingFollow these instructions carefully when the need to power cycle the instrument arises.1. Turn off the switch on the Exoid. The off position is where the full ”O” symbol is pressed down asindicated in Figure 8.2. Unplug the USB and power cables from the Exoid.3. Wait 5 full seconds.4. Plug the USB and power cables back in to the appropriate sockets.5. Turn on the Exoid’s power switch.Figure 8: Switches and sockets on the Exoid.Power SocketPower Switch USB SocketFURTHER SUPPORT6 /Device CleaningWhen cleaning the exterior of the instrument do not use solvent-based cleaners or UV light as thiscan affect the integrity of the powder coating; instead use warm soapy water. The fluid cell mustbe removed before cleaning can take place. First remove the fluid cell cap and upper fluid cell. Thenremove the lower fluid cell by pulling directly up on the “arms” firmly until it releases from the fluid cell mount.DO NOT GET ANY SUBSTANCE INSIDE THE PIN HOLES IN THE FLUID CELL MOUNT. This will causemajor functional issues and should be remedied immediately by blow drying extremely well withcompressed air.The components of the fluid cell which have now been removed (the fluid cell cap, the upper fluid cell, and the lower fluid cell) can be cleaned carefully with 70% Ethanol. DO NOT use isopropyl alcoholon any part of the fluid cell as this will cause damage. Make sure to dry everything thoroughly, withcompressed air if available, before re-assembling the fluid cell. Any liquid that remains on the pinsunderneath the lower fluid cells will cause major issues when the pins are pushed back into the lower fitting. DO NOT soak any part of the fluid cell.Repair and ServicingThere are no user-serviceable parts. Return equipment to Izon for service.Figure 9: Compliance label attached to the Exoid with CE and UKCA marking.Additional support material is available at If you have any questions that are not answered on the support portal, or your instrument requires repairs/ maintenance please contact our support staff via the online support portal by raising a support ticket. When reporting Exoid issues to Izon support, please provide the serial number of the Exoid (Figure 10).Figure 10:The serial number can be found either on the back of the Exoid or, as pictured: inside the back leg of the Exoid.CONTACT USExoid User Manual21Rev G。
Pewter 古银色ANTIQUE GUNMETALw/c = with commencing + 日期,表示:xx日期后的一周内完成,(xx日期一般为周一)。
例如:I have ordered 5kgs fragrance for delivery w/c 12th January 2009.Week commencingWITH=W/WITHOUT=W/OAnd -- nFeeder stripe 色织小循环Auto stripe 色织大循环这三种线,B5200是最白的,其次是blanc,ecru已经偏离白色了,属于米色了。
ECRU是DMC棉线里的一个号,BLANC,B5200,这三个号大概齐都算在白里面吧,但是有特别白的,一般白的,这个ECRU就是往黄方向偏的白,舒棉绒Shu Velveteen,割圈绒Boa,落水毛downpipes hair起泡foamingPV绒PV velvetcc是抄送,carbon copybcc是密送,blind carbon copy排版:lay out汇票一词用英语表示,通常为Bill of Exchange 或Draft。
做信用证,付款人是开证行。
对开证行来说,在受益人提交了与信用证条款和要求相符的单据后,这就够构成了开证行的付款义务。
开证行付款给受益人并要求掌握货权,这是非常合理的要求。
提单做成TO ORDER或者TO ORDER OF ISSUING BANK 正是为了保证开证行能够掌握货权。
对CONSIGNEE是TO ORDER的提单经SHIPPER做空白背书谁持有提单谁掌握货权。
CONSIGNEE是TO ORDER OF ISSUING BANK的提单,更是将货权牢牢地控制在了开证行的手里。
受益人相符交单以后,开证行就必须承付。
这以后开证申请人如果想要提货,就需要把货款付给银行,然后银行将提单给申请人,TO ORDER并空白背书的提单,提货人可以直接拿去提货,而TO ORDER OF ISSUING BANK 的提单,经开证行背书后,申请人也可以得到货权,并提货。
Banboo Spine 竹节脊Auto lock bottom/Bottom with auto lock 自动扣底Lock bottom扣底Cross grain 十字纹(指坑纸和面纸纹路)Web printing/Web press/Web-fed press 轮转印刷机Offset printing 平版印刷、胶版印刷、柯式印刷Grommet/Eyelet 鸡眼Limp bound串线胶装Section sewn/Smyth sewn/thread sewing 锁线Perfect binding/adhesive binding 无线胶装(磨脊)Notch binding 通气胶装Saddle stitching骑马钉Singer sewn 车中线Soft cover 平装Hardcover/casebound/hardbound/Edition binding /hard back 精装Velcro 魔术贴Flexible binding假精装Spiral binding 蛇仔装订Wire-o /YO binding 双线圈装订(YO外露)Conceal wire-o 隐藏YOSemi -conceal wire-o 半隐藏YOPlastic comb bind 蟹爪装订/胶梳装订/塑料环活页装订Library bound图书馆装订(一般指衬纸加白杨布,车侧线后上壳的装订)Board book binding 板仔书Calendar 日历Desk calendar台历Wall calendar 挂历Accordion folds/Z folds/Accordion/Concertina fold风琴折Zip lock bag 锁口袋/密实袋Grosgrain ribbon涤纶横纹丝带Polyester ribbon涤纶色丁丝带Rivet 铆钉、锅钉Anti-dust Workshop 无尘车间Pre-production sample(PPS)产前样Solid coated (印刷颜色)实地100%Pearl lusting printing珠光油墨Anti-forgery ink 防伪油墨Luminous ink发光油墨、夜光油墨Virgin board 原木浆Hot stamping 烫金银Shrink wrap 收缩Emboss击凸Deboss击凹Mounted on 对裱Laminating裱纸Glue粘、贴Flutes run parallel to 坑纹Portrait、Upright 直度、直式Landscape、Horizontal 横度Oblong横度书、长开本Envelope信封Divider/Index 索引页/烟的士Thumb index 指按式索引Mylar tab塑胶标签、塑胶索引Step indexing阶梯索引Tab标签/检索(咭)On-line press varnishing 联机印光油Polybag self-adhesive自粘胶袋Pre-press印前Double side-tap、2S adhesive tape 双面胶Opacity 不透明度Transparent 透明Over hang cover edges 飘口Right-angle fold 田字折Three-leaf panel folds荷包折Right -angle fold 垂直折Parallel fold平行折Flap 勒口H/T band 笃头布Hot melt glue热熔胶Silica gel防潮珠(硅胶)Rubbler magnet 磁胶Elastic 松紧带/橡皮筋Two-up binding 双联本装订Silk screen丝印Loose-leaf binding活页装订Corrugated 瓦楞坑板E -flute E坑(指见坑)Foam core board -KT板Foam(sponge) 海绵Ribbon丝带Ribbon marker书签Round back 圆脊Plastic 塑料Ring binder活页铁环装订Chinese traditional thread binding线装Soft cover/paper back平装Belly band 腰封Double wall carton 双坑箱(5层坑)Drill hole 钻孔Hot seal热封口(指胶袋或收缩袋热封口)Spreads过页、对页(一般指板仔书过页)String 绳子(一般指细细的绳子)Spacer隔纸(一般指板仔书夹心层)Wafer seal 透明贴纸Flap翼仔Flat平的Gate fold拉页Inset插页Insert插入Magnet磁铁Slip case书套盒、书盒Jacket、dust jacket 护封、封套Thickness厚度Square back方脊Triple wall carton三层纸箱Double wall carton 双坑纸箱Display box展示盒Over print 加印(在原有的基础上加量印刷)Knockout 套印Punch shape冲型状Pallet卡板(分欧式和美式)Self cover自封Self ends 自衬Spine书脊Cover 封面End 衬纸Text/内文Fly page 扉页Out size 外尺寸Inner size内尺寸Thickness 厚度Finished size 成品尺寸Unprint page空白页Margin 翻刀位(即产品与产品之间的间隔)Poster海报Pocket书袋Running sheet 印张Make ready sheet 校版纸Make up 拼版Cyan 青、Magenta品红、Yellow 黄、Black黑4 press colour 印刷四原色Smoothness 平滑度Schedule 日程表、行程Corner 角Hook 挂钩Zipper 拉链Velvet 绒、丝绒Mould 模具Maximum(Max) 最大Minimum(Min) 最小Mass production大货生产Net weight 净重Gross weight 毛重CBM 体积Corner protect 护角Offset proof 传统稿Digital proof 数码稿Blue draft 蓝纸Ozalid蓝纸Color proof 色稿Multi joints gluing驳盒Bulk 散货Container 货柜、集装箱Dummy白样Book block 毛书Set off 过底、背面粘脏Bead珠子Bow/Bow knot蝴蝶结Pop-up book立体书、跳弹书Raw material原材料Ream令(500张大纸)Metal金属Joint书脊槽(火线位)Blocking 烫金、烫银、模压Gold blocking、Gold stamping、foil stamping烫金Silver blocking、Silver stamping烫银Die cut啤Kiss cut啤半穿(一般用在啤不干胶)Score line压线Trim、cutting 裁切Die -cut mould啤板Die-cutter啤机Roll卷Whiteness白度Section、Signature帖、手、组数Stiffener 隔板(一般指纸箱中隔开产品的坑板)Three-knife trimmer三面刀Block书芯Case making做皮壳Casing in 上皮壳Case(PLC)硬皮壳Clamshell blister泡壳(像贝壳一样可以对扣起来的胶盒)Confirmed samples确认签版Album相簿EXW(Ex works)出厂价FOB(free on board)离岸价CIF(cost insurance freight) 到岸价(包含保险)FCL(full container load)柜货LCL(loose cargo load)散货Cutting 切纸Metal plate 铁片Mailing carton 邮寄盒Pop-ups book 立体书Barcode(常见有UPC、EAN、ISBN三种)条形码Raw material原材料Perforation 针孔(小)Drilling 打排孔(大的孔)Datum line not constant 针位不一致Blank page 白页C2S、Art paper双铜、双粉Matt art paper 哑粉C1S单铜Woodfree paper/offset paper 双胶纸Colour woodfree 色书纸Chip board/grey board 双灰Soft PVC 软胶PVCLenticular/Raster 光栅片Sticker 贴纸Removable sicker可移贴纸Permanent sticker不可移贴纸Bible paper 圣经纸CCWB(clay coated white back) 灰芯单粉、双面白CCNB(Clay coated news back)/duplex board 灰底白Leatherette Paper 充皮纸Tracing paper 牛油纸Acid-free paper 无酸纸MDF 中纤板Munken paper 蒙肯纸Holographic paper 全息纸(镭射纸)Wibalin 英国书皮纸SBS:食品级白咭,不含荧光剂Kraft、Vellum 牛皮纸CCKB(clay coated kraft back) 牛底白板纸板Bleached kraft 白牛皮纸Silk art paper 丝光铜版纸WFC 优光、雅光纸MWC 中涂纸LWC(light weight coated paper) 轻涂纸、充粉纸SC-超级压光纸Newsprint新闻纸CCWB(Clay coated white back)双面白、灰芯单粉咭Recycled paper 再生纸Invercote G瑞典一级白卡(单涂15000元/T左右)Invercote Creato matt 瑞典一级白卡(双涂)Conqueror paper 刚古纸Tissue paper 拷贝纸、雪梨纸Gold /Silver foil paper金银卡Bonded leather再生皮Flock paper纸底绒布Thermo discolor PU leather热压变色PU皮Fragrance Blotter闻香纸Gloss Varnishing:光油Matt Varnishing:哑油Press varnishing/Machine varnishing:印油Aqueous coating/Water Based Varnishing:水油Water Based Calendering:水性磨光油Calendering:磨光Blister-Varnishing:过吸塑油UV-Coating:过UV。
爱泽工业部分到货产品专题及库存——LoRD篇如下为我司爱泽工业IZE-Industries常备库存LORD相关产品,欢迎致索取样本资料和产品信息。
LORD胶粘剂607爱泽工业ize-industriesLORD胶粘剂607物理特性LORD胶粘剂AP-131爱泽工业ize-industriesLoRD胶粘剂其他常用型号:LORDChemlok144溶剂型底涂剂,可被紫外线检测LORDChemlok205通用底漆LORDChemlok207 高性能底涂剂LORDChemlok213聚氨酯粘结胶粘剂LORDChemlok218聚氨酯粘结胶粘剂LORDChemlok220通用面涂胶粘剂LORDChemlok220H通用面涂胶粘剂LORDChemlok220LF通用面涂胶粘剂,替代Chemlok220LORDChemlok234X(NW)通用型胶粘剂,用于低温衬胶粘结LORDChemlok255X通用面涂胶粘剂LORDChemlok259通用型胶粘剂LORDChemlok298溶剂型高性能底涂胶粘剂LORDChemlok402X单涂层胶粘剂,用于粘结通用橡胶与织物LORDChemlok459XTPE/TPO/EPDM底涂LORDChemlok487A/B双组份胶粘剂,用于粘接热塑弹性体LORDChemlok489/456双组份胶粘剂体系,用于粘接PVC LORDChemlok5150氟胶用胶粘剂LORDChemlok6016环境友好型开姆洛克胶粘剂(EPCA)LORDChemlok607用于氟胶粘结的特种胶粘剂LORDChemlok608硅胶粘接胶粘剂LORDChemlok6100环境友好型开姆洛克胶粘剂(EPCA)LORDChemlok6108环境友好型开姆洛克胶粘剂(EPCA)LORDChemlok6125环境友好型开姆洛克胶粘剂(EPCA)LORDChemlok6150环保通用单涂型胶粘剂LORDChemlok6253环境友好型开姆洛克胶粘剂(EPCA) LORDChemlok6411环境友好型开姆洛克胶粘剂(EPCA) LORDChemlok6451氢化高性能胶粘剂LORDChemlok8007蓝色水剂型底涂胶LORDChemlok8009及8009B水剂型底涂原色与蓝色LORDChemlok8110水剂型胶用胶粘剂LORDChemlok8116单涂层水剂型特种高性能胶粘剂LORDChemlok8560D通用型水剂型胶粘剂LORDChemlok8560S通用型水剂型胶粘剂LORDChemlok8600水剂型聚氨酯用胶粘剂LORDChemlokAP_133特种胶用胶粘剂LORDChemlokBM-I通用型胶粘剂LORDChemlokY-1540氟硅胶用特种胶粘剂LORDChemosil211通用型面胶LORDChemosil411通用型面胶LORDChemosil512氟橡胶用单涂层胶粘剂LORD7701溶剂型弹性体表面处理器LORDHPC-58单组分室温固化氢化橡胶(HNBR)涂料LORDTy-PlyBN单涂层胶粘剂,粘结或混炼型聚氨酯如果您有任何关于LORD的相关技术咨询或者需要产品的相关技术资料与文档,请随时致爱泽工业,或者访问我们将尽全力解决您的问题。
夏普打印机使用说明书000-Cover2.fm Page 0 Wednesday, March 10, 2004 2:26 PM法律禁止复制的物品请不要进行复印或打印。
通常以下项目是各国都禁止复制的,其它未列入项目也可能被法律所禁止。
货币邮票债券股票银行汇票支票护照驾驶证000-Cover3.fm Page 63 Wednesday, March 10, 2004 10:42 AM!001-Contents-dtp.fm Page 1 Wednesday, March 10, 2004 10:54 AM目录小心.............................................................................. (3)环境信息.............................................................................. .. (5)绪论.............................................................................. (6)主要功能....................................................................................................................7组件名称.............................................................................. (9)打开和关闭电源.........................../doc/662930fb910ef12d2af9 e7b4.html.. (12)纸张.............................................................................. .. (14)加载纸盒.............................................................................. . (15)手送(包括特殊纸张)............................................................................ (17)更改纸盒的纸张尺寸设置.............................................................................. ...19普通复印.............................................................................. . (20)选择纸盒.............................................................................. . (23)使复印件加深或变 (24)缩小/放大/变焦...........................................................http://www.wenkuxia /doc/662930fb910ef12d2af9e7b4.html.................................25自动双面复印.............................................................................. (26)整理复印.............................................................................. . (29)在一页纸上复印几页原稿(二合一复印) (31)复印时建立边位(边位移动) (34)AR-158F的软件.............................................................................. . (36)安装之前.............................................................................. . (37)软件安装.............................................................................. . (38)Manager......................................................................... .. (51)将机器连接到您的计算机..../doc/662930fb910ef12d2af9e7b4.html.............. (551)!001-Contents-dtp.fm Page 2 Wednesday, March 10, 2004 10:54 AM使用打印机模式.............................................................................. .. (58)打印的基本步骤.............................................................................. .. (58)使用扫描仪模式.............................................................................. .. (59)使用机器上的按键扫描.............................................................................. . (59)从您的计算机进行扫描.............................................................................. . (60)在复印、打印和扫描模式下的操如何使用联机手册.............................................................................. ..............61用户程序.................../doc/662930fb910ef12d2af9e7b4.htm l............................................................................... .. (62)在用户程序中选择一个设置 (6)7显示信息.............................................................................. . (69)机器的故障检修.............................................................................. .. (71)安装软件过程中出现的问题 (7)5清除卡纸.............................................................................. . (79)更换墨粉盒.............................................................................. . (83)关.............................................................................. .. (86)检查总计数.................................................... /doc/662930fb910ef12d2af9e7b4.html.............................................. .. (87)常规维护.............................................................................. . (87)清洁机器.............................................................................. ............................88系统配置.............................................................................. . (90)网络扫描扩展组件(AR-NB2 N)........................................................................90规格.............................................................................. .. (91)索引.............................................................................. .. (962)!002-Cautions.fm Page 3 Wednesday, March 10, 2004 1:29 PM小心机器上的小心标签机器定影区上的小心标记(如下表示:小心,危险小心,表面烫使用机器时/doc/662930fb910ef12d2af9e7b4.html要小心的事项使用机器时要小心下面的事项。
介 绍This document describes the Brookhaven Instruments Corporation ZetaPALS. It is intended to supplement the user manual supplied with the BIC ZetaPlus covering those aspects that are specific to PALS operation.文件描述了BIC公司的ZetaPALS Zeta电位分析仪,它是BIC的ZetaPlus用户手册的补充说明,对ZetaPALS的操作方面进行了详细的说明。
PALS is an acronym for Phase Analysis Light Scattering - this is an extension of laser, electrophoretic light scattering (ELS). ELS is used to the measurement of the velocity of moving particles that scatter laser light. PALS is interesting because it is much more sensitive than conventional ELS. It has been shown that using PALS one can measure velocities that are as little as 1000 times smaller.PALS是相位分析光散射的缩写-是激光电泳光散射的扩充。
ELS使用于大量移动粒子激光散射光。
PALS技术的诱人之处在于,它比传统的ELS更敏感的,灵敏度可以提高1000倍。
In the BIC ZetaPALS the benefits of PALS are applied to the measurement of electrophoretic mobility (EPM) and the calculation of zeta potential. The velocity that is measured here is the product of the EPM and the electric field. The ordinary ZetaPlus measures the EPM by conventional ELS. The ELS technique can measure samples of EPM greater than about 0.2 (microns/second)/(volt/cm) and greater and salt concentrations as high. Lower EPMs are found in as about 20 mM of a 1:1 electrolyte like NaNO3media of low dielectric constant, high viscosity or higher salt molarity, or where the zeta potential itself is low (close to the IEP for example). The ZetaPALS is useful in such cases. It too has the ability to perform measurements on samples that are within the capability of the ZetaPlus, although, the greater sensitivity leads to more accurate measurements in a given experiment duration.BIC的ZetaPALS应用于电泳迁移率(EPM)的测量,Zeta电位的计算。
Zepter International化妆品说明书翻译报告的开题报告一、研究背景随着全球化的发展和国际贸易的日益增长,越来越多的海外企业涌入中国市场,其中包括了Zepter International公司,该公司主营产品为健康保健和化妆品。
作为一家国际化的公司,其产品说明书需要翻译成多种语言以满足消费者的需要。
由于化妆品的研发和制造过程较为复杂,说明书的内容也十分细致。
然而,由于语言和文化的差异,翻译过程中会存在很多问题,因此,本研究旨在探讨Zepter International化妆品说明书翻译问题及其翻译策略,以提供有关的参考和建议。
二、研究目的1.分析Zepter International化妆品说明书的翻译问题;2.探讨翻译过程中可能出现的歧义和误解;3.研究适用于化妆品说明书翻译的翻译策略;4.提出具体的翻译建议。
三、研究内容1.化妆品说明书的翻译难点及翻译策略;2.语言风格和文化差异对翻译的影响;3.翻译的后编辑和质量控制。
四、研究方法1. 文献综述:通过查阅相关的纸质图书和在线文献,了解国内外关于化妆品说明书翻译问题及其研究现状;2. 实证研究:对Zepter International化妆品说明书进行翻译,分析其中存在的问题,并提出解决策略;3. 专家访谈:与翻译专业领域的专家进行交流,获得他们关于化妆品说明书翻译问题的看法和建议。
五、研究意义1.为国际化企业解决化妆品说明书翻译问题提供参考;2.为翻译专业人士提供丰富的翻译策略和操作指南;3.增加化妆品说明书翻译研究的深度和广度,推动翻译学科的发展。
六、预期成果1.针对Zepter International公司的化妆品说明书,翻译出高质量的中文版本;2.制定适用于化妆品说明书翻译的翻译策略;3.提出化妆品说明书翻译方面的启示和建议。
以上为本研究开题报告,希望能得到审阅教师和专家们的指导和支持,以便更好地完成此项目。
Zespri 样稿
重庆公交打样 4/25
回复意见: 1。
第3的底色(绿色)比较接近,可是偏荧光。
建议可以再偏黄色一些。
2。
人物以第1的打样为准,可是奇异果产品的果肉与果汁有点偏灰,感觉有点脏。
建议调整果子颜色。
重庆大融城 第一版本4/27
重庆大融城 第二版本5/3
回复意见:
第一稿意见:
1。
底色绿以第1版本为准,另外,请把背景的V型
白光弱化一些,因为现在看来有点太强了。
2。
人物与奇异果以第2版本为修改基础,希望人物
与奇异果的色彩和对比度稍微再加深加强,让人物
与奇异果看上去更立体感。
3。
最后,Zepsri L ogo有点模糊,尤其是“New
Zealand K iwifruit 佳沛新西兰奇异果”的字体不够实。
第二稿意见:
1. 人物、果子与绿色底色以第4版为标准,可是背
景的V型光线出现叠影,似乎没套准。
还有Zespri L ogo 字体(New Z ealand K iwifruit 佳沛新
西兰奇异果)有点糊.
广州公交打样4/28广州公交修改回复:
1。
全部色彩太深了,尤其是底色绿必须偏黄,即使1号的绿底色也太过深了。
上海地铁内包车打样4/29
回复意见: 1 。
第1版本的绿色底OK. 2。
人物与奇异果颜色以第2版本为标准。
回复意见:
1. 人物、果子与绿色底色以浅色版本为标准,可是背景
的V型光线太白了,建议稍微淡化。
候车厅5/4
北京地铁扶手打样5/4回复意见:
1. 面板图竖版 选择1.9版本。
2. 横版,色板没有套准(叠影),颜色请跟回面板图竖版设计1.9版本。
深圳公交打样5/4回复意见:
1. 选用B的人物和果子的颜色结合A的绿底。
Thank y ou。