后置埋件计算书(修改)
- 格式:pdf
- 大小:210.63 KB
- 文档页数:9
一、荷载计算1.设计参数幕墙计算高度 Z=20m玻璃短边长度 a= 1.12m 风压高度调整系数(B类)µ1=1玻璃长边长度 b= 1.7m 风压高度调整指数(B类)µ2=0.32横杆长度l= 1.12m 阵风风压系数βz = 1.687横杆间距h= 1.7m 风荷载体型系数µs =1.2玻璃设计厚度t=6mm 基本风压(镇江地区)ω0=0.4kN/m²玻璃容重γg =25.6kN/m³地震作用动力放大系数βx =5幕墙自重(包括玻璃、型材)G AK =0.35kN/m 2αmax=0.12幕墙立杆长度L=3.7m2.风荷载(标准值)风压高度变化系数μz =µ1×(Z/10)^μ2=1.248风荷载标准值ωk =βz ×μs ×μz ×ω0= 1.011kN/m 2取:风荷载标准值ωk = 1.000kN/m 2横杆所受风荷载q whk =ωk ×h= 1.700kN/m 立杆所受风荷载q wlk =ωk ×l=1.120kN/m3.自重荷载(标准值)玻璃自重q GAk =t×γg =0.154kN/m 2横杆自重(包括玻璃、铝型材)q Ghk =G Ak ×h=0.595kN/m 立杆自重(包括玻璃、铝型材)q Glk =G Ak ×l=0.392kN/m4.地震作用(标准值)玻璃所受地震作用q EAk =βx ×αmax ×q GAk =0.092kN/m 2横杆所受地震作用q Ehk =βx ×αmax ×q Ghk =0.357kN/m 2立杆所受地震作用q Elk =βx ×αmax×q Glk =0.235kN/m 2二、支座荷载计算1.设计参数立杆型号:H1401立杆长度:L=3.7m2.荷载(标准值)根据荷载计算得:后置预埋件计算由于图书馆部分预埋件位置偏移,经甲方、监理同意,采用后置预埋件进行补漏。
深圳大学城XXXX六、后置埋件计算(1). 荷载计算:P H :作用于预埋件的水平荷载设计值( kN )P V :作用于预埋件的竖直荷载设计值( kN )P x =1.000 kNP y =2.000 kNP z =3.000 kN(2). 预埋件计算:此处预埋件受拉力和剪力M x =0.240 kN.m X方向扭转力矩M :弯矩设计值(N.mm)M y =0.260 kN.m`M z =0.540 kN.mX方向扭矩 产生的剪力V1M Y=M×y1/(∑x i^2+∑y i^2)=0.240×0.150/(6×0.100^2+4×0.150^2)=0.240 kNV1M Z=M×x1/(∑x i^2+∑y i^2)=0.240×0.100/(6×0.100^2+4×0.150^2)=0.160 kNP y =2.240 kNP z =3.160 kNY方向剪力,Z方向剪力的合剪力 =3.873 kN选用 6 个 M12 高强化学锚栓,锚栓边距 80 mm,锚栓间间距 120 mm,在满足锚栓特征边距与特征间距的条件下,锚栓能承受最大剪力为 17.50 kN,承受最大拉力为 21.10 kNM12 锚栓特征边距 110 mm,锚栓间特征间距 220 mm现锚栓强度进行折减后,锚栓能承受最大剪力为 12.73 kN,承受最大拉力为 15.35 kNN1 :平均每个锚栓所受剪力设计值N1 =Pv / 6 = 3.873 / 6 = 0.646 kN < 12.73 kNN2 :平均每个锚栓所受拉力N2 =M/(3d)+Ph/6=0.260/(2×0.300)+0.540/(3×0.200)+1.000/6 = 1.500 kN < 15.35 kN组合情况:[( 0.646/17.5)^2+(1.500/21.10)^2 ]^0.5 = 0.08 < 0.5锚栓强度满足设计要求________________________________________________________________________________________________________深圳市三鑫特种玻璃技术股份有限公司104 SHENZHEN SANXIN SPECIAL GLASS TECHNOLOGY CO. LTD。
10、柱脚埋件计算10.6、锚筋受力计算工况一柱脚反力为最不利荷载:N=2505kN ,V=707 kN ,M =51.9kN.m每个锚筋锚固长度La =900mm(>35d),直径D=25mm,有效面积Ae =490.9mm 2 采用Ⅱ级钢筋,fy=300MPa按规范,锚筋总截面面积满足以下两式:0.30.41.3s r v y r b y V N M Nz A a a f a a f z--≥+ 0.40.4s r b y M Nz A a a f z -≥当0.4M Nz <时,取0.4M Nz =其中:a r 锚筋层数影响系数,>4层取0.85a b 锚板弯曲变形的折减系数250.60.250.60.250.8525b t a d =+=+⨯= a v 锚筋受剪承载力系数437.03003.14)2508.04()08.04(=⨯-=-=y c v f f d a t =25mmd = 25mmz = 1200mm (外层锚筋中心线距离)20.30.411500000.32969000023271.30.850.437300s r v y r b y V N M Nz A mm a a f a a f z ---⨯≥+=+=⨯⨯ 实际值22490.91678542327S A mm mm =⨯=>,满足要求。
12、附墙计算12.1、锚筋受力计算计算埋件锚筋时,最不利荷载的取值附墙最大反力:N 1=44kN ,V 1=42kN ,M 1=61kN ·m N 2=323kN ,V 12,M 1=7kN ·m每个锚筋直径D=25mm ,有效面积Ae =490.9mm 2 采用Ⅱ级钢筋fy=310MPa ,按规范取fy=300MPa 按规范,锚筋总截面面积满足以下两式:0.8 1.3s r v y b y r b y V N M A a a f a f a a f z≥++ 0.80.4s b y r b y N M A a f a a f z ≥+ a r 锚筋层数影响系数,>4层为0.85a b 锚板弯曲变形的折减系数250.60.250.60.250.8525b t a d =+=+⨯= a v 锚筋受剪承载力系数(40.08(40.080.437v a d =-=-⨯= t=25mmd=25mmz=600mm对于N 1=44kN ,V 1=42kN ,M 1=61kN ·m 23772163619540.8 1.3r v y b y r b y V N M mm a a f a f a a f z++=++= 2216117313890.80.4b y r b y N M mm a f a a f z+=+= 实际值22400.9832071389S A mm mm =⨯=>对于N 2=323kN ,V 12,M 1=7kN ·m22715837016800.8 1.3r v y b y r b y V N M mm a a f a f a a f z++=++= 2158322918120.80.4b y r b y N M mm a f a a f z+=+= 实际值22400.9832071812S A mm mm =⨯=>满足要求。
后置埋件力学性能检验计算书证明
XX市建设工程质量检测站:
工程名称及其分部分项工程采用锚栓/植筋规格(必填),根据该工程实际情况,经计算该单位工程后置埋件具体相关设计参数如下:1.后置埋件性能等级指标
基材种类及强度等级
2.锚栓/植筋非钢材破坏承载力标准值(混凝土受拉锥体破坏承载
力标准值)N Rk,c = kN。
(根据实际工程情况选择填写)
3.锚栓/植筋钢材屈服强度标准值ƒyk = MPa。
后置埋件应力截面面积A S = mm2 。
(根据实际工程情况选择填写)
4.锚栓/植筋钢材破坏受拉承载力标准值N Rk,s = kN。
5.锚栓/植筋设计水平拉力N Sd = kN。
特此证明。
证明单位:意见签字设计单位资质章
年月日
注:锚栓主要分:膨胀锚栓、化学锚栓
如有特殊要求请于此证明中注明。
本证明除签字以外均应打印,手写无效。
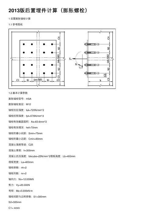
2013版后置埋件计算(膨胀螺栓)1 后置膨胀锚栓计算1.1 参考图纸1.2 基本计算参数膨胀锚栓型号:HSA膨胀锚栓直径:M12锚栓抗拉强度:fuk=720N/mm^2锚栓抗剪强度:fyk=576N/mm^2锚栓有效截⾯⾯积:As=63.6mm^2锚栓有效埋深:hef=70mm锚栓的最⼩间距:Smin=75mm锚栓的最⼩边距:Cmin=90mm混凝⼟强度等级:C25混凝⼟厚度:h=300mm混凝⼟抗压强度:fckcube=25N/mm^2埋板⾼度:Lb=400mm埋板宽度:La=400mm锚栓排数:nh=2锚栓列数:nv=2轴向⼒:Nx=12.000kN剪⼒:Vy=20.000N弯矩:Mz=5.000kN·m锚栓间距与边矩参数:S1=300mmS2=300mmC1= ∞mmC2= ∞mmC3= ∞mmC4= ∞mmC5=50mm1.3 锚栓反作⽤⼒混凝⼟受压区⾼度:x=27.20mm各个锚栓受到的剪⼒(Fv)为:Fv=5.000kN各个锚栓受到的拉⼒(Ft)为:锚栓01锚栓02第⼀排0.749kN0.749kN第⼆排10.603kN10.603kN1.4 抗拉设计承载⼒1.4.1 钢材破坏设计承载⼒锚栓钢材破坏承载⼒特征值:NRks=44.5kN钢材破坏分项安全系数:γMs=1.50锚栓钢材破坏设计承载⼒:N Rds=N Rks/γMs=44.5/1.50=29.667kN ≥ Ftmax=10.603kN锚栓钢材破坏设计承载⼒满⾜要求!1.4.2 拔出破坏设计承载⼒混凝⼟强度影响系数:fB=(fckcube/25)^0.5=(25/25)^0.5=1.00拔出破坏承载⼒特征值:N Rkp=25.000kN拔出破坏分项安全系数:γMp=1.50拔出破坏设计承载⼒:N Rdp=N Rkp×f B/γMp=25.000×1.00/1.5=16.667kN ≥ Ftmax=10.603kN拔出破坏设计承载⼒满⾜要求!1.4.3 混凝⼟锥体破坏设计承载⼒单个锚栓的混凝⼟粘结强度特征值:N Rkco=k×f ckcube0.5×h ef1.51=10.1×25^0.5×70^1.5=29.58kN临界锚栓间距:S crN=3×h ef=3×70=210mm临界锚栓边距:C crN=S crN/2=210/2=105mm单根混凝⼟锥体破坏锥体投影⾯积(理想):2A cNo=ScrN=210^2=44100mm实际投影⾯积:A cN=(C1c+(nv-1)×S1+C2c)×(C3c+(nh-1)×S2+C4c)=(105.00+(2-1)×300+105.00)×(105.00+(2-1)×300+105.00) =260100.0mm边距应⼒分布影响系数:ψsN=min(0.7+0.3×C min/C crN,1.00)=min(0.7+0.3×105.00/105.00,1.00)=1.00偏⼼影响系数:ψecN=min(1/(1+2×e N/S crN),1.00)e N=130.21mmψecN=min(1/(1+2×130.21/210.00),1.00)=0.45密集钢筋影响系数:ψreN=min(0.5+h ef/200,1.00)=min(0.5+70/200,1.00)=0.85拔出和混凝⼟锥体组合破坏分项安全系数:γMc=1.50混凝⼟锥体破坏抗拉设计承载⼒:N Rdc=(N Rkco/γMc)×(A cN/A cNo)×ψsN×ψecN×ψreN=(29.576/1.50/×(260100.00/44100.00)×1.00×0.45×0.85=44.127kN ≥∑Fti=22.704kN混凝⼟锥体破坏抗拉设计承载⼒满⾜要求!1.5 抗剪设计承载⼒1.5.1 钢材破坏设计承载⼒钢材破坏承载⼒特征值:VRks=30.5kN钢材破坏分项安全系数:γMsv=1.25锚栓钢材破坏设计承载⼒:V Rds=V Rks/γMsv=30.5/1.25=24.400kN ≥ Fv=5.000kN锚栓钢材破坏设计承载⼒满⾜要求!1.5.2 混凝⼟撬起破坏设计承载⼒混凝⼟锥体破坏抗拉承载⼒特征值:N Rkc =N Rdc ×γMc =44.127×1.50=66.190kN混凝⼟撬起破坏承载⼒特征值:V Rkcp =k ×N Rkc =2.0×66.190=132.380kN混凝⼟撬起破坏分项安全系数:γMcp =1.50混凝⼟撬起破坏设计承载⼒:V Rdcp =V Rkcp /γMcp=132.380/1.50=88.253kN ≥ Vy=20.000kN混凝⼟撬起破坏设计承载⼒满⾜要求!1.5.3 混凝⼟边缘破坏设计承载⼒系数:α=0.1×(h ef /C3)0.5=0.1×(70/10000)^0.5=0.008β=0.1×(d/C3)0.2=0.1×(12/10000)^0.2=0.026单个锚栓的混凝⼟边缘破坏特征值:V Rkco =k1×d α×h ef β×f ckcube 0.5×C31.5=2.40×12^0.008×70^0.026×25^0.5×10000^1.5=13686.06kN单根混凝⼟锥体破坏侧向边缘投影⾯积(理想):A cVo =4.5×C32=4.5×10000^2=450000000.00mm^2实际锚固混凝⼟锥体侧向投影⾯积:A cV =(C1+(nv-1)×S1+C2)×h=(10000.0+(2-1)×300+10000.0)×300.0=6090000.00mm^2边距应⼒分布影响系数:ψsV =min(0.7+0.3×min(C1,C2)/(1.5×C3),1.00)=min(0.7+0.3×min(10000.0,10000.0)/(1.5×10000.0),1.00)=0.900考虑剪⼒与基材厚度的增长是⾮线性影响系数:ψhV =max((1.5×C3/h)0.5,1.00)=max((1.5×10000/300)^0.5,1.00)=7.07基材⾃由边缘与施加外荷载的夹⾓影响系数:ψαV=1.00偏⼼影响系数:ψecV=1.00密集钢筋影响系数:ψreV=1.00混凝⼟边缘破坏承载⼒特征值:V Rkc=V Rkco×(A cV/A cVo)×ψsV×ψhV×ψαV×ψecV×ψreV=13686.06×(6090000/450000000)×0.900×7.071×1.0×1.0×1.0 =1178.72kN混凝⼟边缘破坏分项安全系数:γMc=1.50混凝⼟边缘破坏设计承载⼒:V Rdc=V Rkc/γMc=1178.72/1.50=785.81kN ≥ Vy=20.000kN混凝⼟边缘破坏设计承载⼒满⾜要求!1.6 拉⼒和剪⼒复合作⽤拉⼒作⽤:钢材破坏:βN1=F tmax/N Rds=10.603/29.667=0.357 ≤ 1.00拔出破坏:βN2=F tmax/N Rdp=10.603/16.667=0.636 ≤ 1.00锥体破坏:βN3=∑F ti/N Rdc=22.704/44.127=0.515 ≤ 1.00剪⼒作⽤:钢材破坏:βV1=F V/V Rds=5.000/24.400=0.205 ≤ 1.00撬起破坏:βV2=V y/V Rdcp=20.000/88.253=0.227 ≤ 1.00边缘破坏:βV3=V y/V Rdc=20.000/785.813=0.025 ≤ 1.00拉剪复合作⽤下钢材破坏:βNα+βVα=0.357^2+0.205^2=0.170 ≤ 1.00拉剪复合作⽤下其它破坏:βNα+βVα=0.636^1.5+0.227^1.5 =0.615 ≤ 1.00锚栓拉剪复合作⽤下满⾜要求!。
张芹老师对网友提问的综合回答(三)1.山东田兆峰E-mail tzf94d751@张芹老师:请介绍JGJ145《混凝土结构后锚固技术规程》应用算例。
张芹老师回答田兆峰先生:附上JGJ145《混凝土结构后锚固技术规程》应用算例供参考。
张芹2006年5月1日JGJ145《混凝土结构后锚固技术规程》应用算例(修改稿)例:250 mm×400 mm混凝土梁(带板,板厚200 mm),C35级砼,密集配筋,锚板200mm×300mm×6mm,采用四个8.8级FZA10×40M6/10扩孔型锚栓后锚固,h e f=40mm A S=20.1mm2 f StK=800N/mm2 ,风荷载标准值3226N/m2,地震作用标准值160 N/m2,分格宽1.2m层高3.6m.,作后锚固计算。
解:风荷载设计值W=1.4×3226=4516 N/m2地震作用设计值q E=1.3×160=208N/m2风荷载线荷载q w=1.2×4516=5419N/m地震作用线荷载q E=1.2×208=250N/m水平作用组合设计值q=5419+0.5×250=5544 N/m自重面荷载设计值G=1.2×400=480 N/m2重力作用设计值N=1.2×3.6×480=2074N一.锚板设楼板面上N压=2074 NV g s d =5544 NM=2074×230+5544×50=754220 N- mmA.锚栓内力分析a.受力最大锚栓拉力锚栓本身不传递压力,锚栓连接的压力通过被连接的锚板直接传给混凝土基材,N g s d =0∵N/n-My1/Σy i2=0/4-(754220×50)/(4×502 )= -3771N<0∴N h s d=(NL+M)y/1/Σy/i2=[(0×50+754220) ×100]/(2×1002 )=3771Nb.锚栓剪力螺杆C1=100mm<10h ef=10×40=400mm所以四个锚栓中只有边缘2个锚栓承受剪力,每个锚栓所受剪力为:V h sd= V g s d /2=5544/2=2772N。
第十章、后置埋件计算
一、荷载计算
本章我们要计算的是后置埋件部分。
后置埋件由于属于补救措施的一种埋件,所以单纯的计算是不能完全作为施工依据的,需要在现场做拉拔实验后方可施工。
埋件固定主体结构上,承受立柱传递来的荷载。
埋件形式如下图:该埋件承受如下荷载:
N=7.47KN,
M=12.54x0.208
=2.61KN〃m
二、埋件计算
埋设方式:平埋
锚筋采用后植锚固的形式,锚筋采
用2-M16x190化学螺栓和2-M16x150膨
胀螺栓相结合的埋设方式,锚板采用Q235B的300×200×8 mm钢板。
拉拔实验拉拔力计算:其中: N拔:单个锚固件的拉拔实验值(N); N:拉力设计值(N);M:弯矩设计值(N•mm); n:每排锚固件个数; Z:上下两排螺栓间距(mm);β:承载力调整系数;
N拔=1.5β•(N/2+M/Z)/n
=1.5x1.25x(7470/2+2610000/100)/2
=27970 N
根据以上计算,在做拉拔实验时,单个锚栓的实验值应不小于N拔,才可以正常使用。
节点1取锚筋直径d=24mm锚筋层数的影响系数αr =0.85锚筋的受剪承载力系数αv =360/3.14*)24*08.04(/)08.04(-=-y c f f d =0.414553锚板弯曲变形的折减系数αb =2430*25.06.025.06.0+=+d t =0.85 锚筋的总截面面积As=z f αα3.1f ααy b r y v r M V + =800*360*85.0*85.0*3.11800360*414553.0*85.0529000+=4170.18mm 2 (1+25%)*As=1.25*4170.18=5212.73 mm 2选用14 24mm ,As=6356mm 2 >5212.73 mm 2满足要求。
受剪锚筋的锚固长度不应小于15d ,所以锚筋长度l ≧15d=15*24=360mm 节点2取锚筋直径d=24mm锚筋层数的影响系数αr =0.85锚筋的受剪承载力系数αv =360/3.14*)24*08.04(/)08.04(-=-y c f f d =0.414553锚板弯曲变形的折减系数αb =2430*25.06.025.06.0+=+d t =0.85 锚筋的总截面面积As=z f αα3.1f ααy b r y v r M V + =800*360*85.0*85.0*3.11102360*414553.0*85.0419000+=3303.03mm 2 (1+25%)*As=1.25*3303.03=4128.79 mm 2选用10 24mm ,As=4540mm 2 >4128.79 mm 2满足要求。
受剪锚筋的锚固长度不应小于15d ,所以锚筋长度l ≧15d=15*24=360mm 节点3取锚筋直径d=24mm锚筋层数的影响系数αr =0.85锚筋的受剪承载力系数αv =360/3.14*)24*08.04(/)08.04(-=-y c f f d =0.414553锚板弯曲变形的折减系数αb =2430*25.06.025.06.0+=+d t =0.85 锚筋的总截面面积As=zf αα3.1f ααy b r y v r M V +=800*360*85.0*85.0*3.11324360*414553.0*85.0467000+=3681.42mm 2 (1+25%)*As=1.25*3681.42=4601.78 mm 2选用14 24mm ,As=6356mm 2 >4601.78 mm 2满足要求。
靖江行政办公中心一期幕墙工程后置锚栓拉拔计算因工地土建漏埋预埋件,故需对后置埋件进行验算。
后置埋件由于属于补救措施的一种埋件,所以单纯的计算是不能完全作为施工依据的,需要在现场做拉拔实验后方可。
埋件固定主体结构上,承受立柱传递来的荷载。
埋件形式如下图:一、风荷载计算1、84m处水平风荷载标准值计算计算标高:84m幕墙分格:B×H=1600×840㎜B:玻璃宽度H:玻璃高度设计地震烈度:7度地面粗糙类别:B类βgz:阵风系数,取βgz=1.52按《建筑结构荷载规范》GB50009—2001表7.51 SμS1:风荷载体型系数按《建筑结构荷载规范》GB50009—2001(2006版)取值,局部体型系数μS1(1)是适用于围护构件的从属面积A小于或等于1m2的情况,当围护构件的从属面积A大于或等于10m2时,局部风压体型系数μS1(10)可乘以折减系数0.8,当构件的从属面积小于10m2 而大于1m2时,局部风压体型系数μS1(A)可按面积的对数线性插值,即μS1(A)=μS1(1)+[ μS1(10)- μS1(1)]10gA从属面积1.600×0.84=1.344㎡ 10g.344=0.128μZ1(A)=)-{1.0+[0.8×1.0—1.0]×0.128}=-.9744μZ1=-0.974+(0.2)=-1.174UZ:风压高度变化系数,取μZ=1.97按《建筑结构荷载规范》GB50009—2001表7.2.1WO:作用在幕墙上的风荷载基本值0.45KN/m2按《建筑结构荷载规范》GB50009—2001附表D.4(按50年一遇)WK: 作用在幕墙上的风荷载标准值WK= βgz.μS1.μZ.WO=1.52×(-1.174)×1.97×0.45=-1.852KN/m2(表示负风压)┃WK┃=1.582KN/㎡>1.0KN/m2按《玻璃幕墙工程技术规范》JGJ102-2003第5.3.2条取WK=1.582㎏/㎡2、84m处水平风荷载设计值计算rW:风荷载分项系数,取rW=1.4按《玻璃幕墙工程技术规范》JG102-2003第5.3.2条W: 作用在幕墙上的风荷载标准值W=rW·WK=1.4×1.582=2.215KN/m2二、立柱与主结构连接LCT 2:l连接处热轧钢角码壁厚:6.0㎜JY:连接处热轧钢角码承压强度:305.0N/m㎡D2:连接螺栓公称直径:10.0㎜选择的立柱与主体结构连接螺栓为:不锈钢螺栓A1,A2组态50级L_L:连接螺栓抗拉强度:230N/m㎡L_J: 连接螺栓抗剪强度:N/m㎡采用SG+SW+0.5SEN1WK:连接处风荷载总值(N)N1WK: =WK×HSjCg×1000=1.582×1.600×3.400×1000=8606.1N连接处风荷载设计值(N)N1W: =1.4×N1WK=1.4×8606.1=12048.5NN1EK:连接处地震作用(N)N1WK: =QEAK×B×HSjCg×1000=0.100×1.600×4.200×1000=672NN1E:连接处地震作用设计值(N)N1E: =1.3×N1EK=1.3×672=873.6NN1:连接处水平总力(N)N1: = N1W×0.5×N1E=12048.5+0.5×873.6=12485.3NN2:连接处自重总值设计值(N)N2K: = 500×B×HSjCg=500×1.600×4.200=3360.0NN2:连接处自重总值设计值(N)N2: = 1.2×N2K=1.2×3360.0=4032.0N三、锚栓拉拔力计算假设该模型最不利状态下,一半锚筋受拉力,一半锚筋不受力本工程预埋件受拉力和剪力V:剪力设计值:V= N2=4032.000NN2:水平方向作用下单排锚筋的拉力N= N1=12485.300NM:弯矩设计值(N·㎜)e:偏心距:85.000㎜M=V×e=4032.000×85.00=342720 N·㎜F:剪力引起的弯距对上排锚筋的拉力F=M/L=342720/120=2856NT:单根锚栓所受的拉力的合力T=N/2+F/2=12485.300/2+2856.00/2=7670.65N结论:化学螺栓的拉拔测试力需大于计算出的N两倍的值(15341.30)编制: 审定:江苏龙升幕墙工程有限公司2008年月日。
第一节 MJ02幕墙后埋件计算1、计算说明埋件为后埋件,取最不利位置荷载进行计算,承受自重以及风荷载,最承受42.45KN 水平拉力,5.54KN 剪力和0.48KN*m 弯矩作用,计算模型及节点布置图如图2、后埋件锚栓承载力验算2.1、埋件受力情况及布置情况=-∑21iy My n F 42.5/4-0.48×1000×65/(2×265)=6.94KN>0 所以单根锚栓承受的拉力为=+∑21iy My n F 42.5/4+0.48×1000×65/(2×265)14.4KN 单根锚栓受剪承载力V=5.54/4=1.4KN锚栓锚固长度ef h =125mm ,锚栓直径D=16mm ,锚栓性能等级5.8锚栓极限抗拉强度标准值stk f =500Mpa ,混凝土立方体抗压强度标准值cuk f =30Mpa 锚栓布置情况如下:锚筋布置图2.2、锚栓群抗拉验算参照《混凝土结构后锚固技术规程》JGJ —2004,锚栓钢材受拉验算==N Rc stk s Rd Af N ,,/γ 3.14×16×16×500/4/1.4=71.8kN>14.4kN不会发生锚栓钢材受拉破坏N Rc ,γ—非结构构件锚栓钢材受拉破坏分项系数,对于幕墙后埋件取1.42.3、锚栓群抗剪验算参照《混凝土结构后锚固技术规程》,无杠杆臂的纯剪==v Rs stk s s Rd f A V ,,/5.0γ0.5×3.14×16×16×500/(4×1.25×1000)=40.2kN>1.4kN 锚栓钢材抗剪安全3、混凝土椎体受拉破坏验算N rc c Rk c Rd N N ,,,/γ=N ucr N ec N re N s N c N c c Rk N Rk A A N N ,,,,0,,0,,ψψψψ=式中:c Rk N , 混凝土椎体破坏时的受拉承载力标准值0,c Rk N 开裂混凝土单根锚栓受拉,理想混凝土椎体破坏时的受拉承载力标准值 0,N c A 间距、边距很大时,单根锚栓受拉,理想混凝土破坏椎体投影面面积 N c A , 单根锚栓或群锚受拉,混凝土实有破坏椎体投影面面积N s ,ψ 边距C 对受拉承载力的降低影响系数N re ,ψ 表层混凝土因密集配筋的剥离作用对受拉承载力的降低影响系数N ec ,ψ 荷载偏心对受拉承载力的降低影响系数N ucr ,ψ 未开裂混凝土对受拉承载力的提高系数=⨯=5.1,0,0.7ef k cu c Rk h f N 7.0×30×5.1125kN=53.6kN 式中:k cu f ,—混凝土立方体抗压强度标准值(Mpa )单根锚栓受拉,混凝土理想化破坏椎体面面积按下列公式计算:===22,0,)3(efN cr N c h s A 125×125=140625(2mm ) 式中N cr s ,混凝土椎体破坏情况下,无间距效应和边缘效应,确保每根锚栓受拉承载力标准值的临界间距。
化学锚栓例3-22 250 mm×400 mm混凝土梁(带板,板厚200 mm),C35级砼,密集配筋,锚板200mm×300mm ×6mm,采用四个5.6级斯泰NG-M10×90/40粘接型(化学)锚栓后锚固,h e f=90mm A S=58mm2f u=500N/mm2 ,f y=300N/mm2 ,风荷载标准值3226N/m2,地震作用标准值160 N/m2,分格宽1.2m层高3.6m.,作后锚固计算。
解:风荷载设计值W=1.4×3226=4516 N/m2地震作用设计值q E=1.3×160=208N/m2风荷载线荷载q w=1.2×4516=5419N/m地震作用线荷载q E=1.2×208=250N/m水平作用组合设计值q=5419+0.5×250=5544 N/m自重面荷载设计值G=1.2×400=480 N/m2重力作用设计值N=1.2×3.6×480=2074N一.锚板设楼板面上N压=2074 NV g s d =5544 NM=2074×230+5544×50=754220 N- mmA.锚栓内力分析a.受力最大锚栓拉力锚栓本身不传递压力,锚栓连接的压力通过被连接的锚板直接传给混凝土基材,N g s d =0∵N/n-My1/Σy i2=0/4-(754220×50)/(4×502 )= -3771N<0∴N h s d=(NL+M)y/1/Σy/i2=[(0×50+754220) ×100]/(2×1002 )=3771Nb.锚栓剪力h/ef= h ef -30=90-30=60 mm螺杆C1=100mm<10h/ef=10×60=600mm所以四个锚栓中只有边缘2个锚栓承受剪力,每个锚栓所受剪力为:V h sd= V g s d /2=5544/2=2772N。
后置埋件计算1.计算简图及设计数据:参考中华人民共和国行业规范《混凝土结构后锚技术规程》,锚栓内力按下列基本假定进行计算:1.被羱接件与基材结合面受力变形后仍保持为平面,锚板处平面刚度较大,其弯曲变形忽略不计;2.锚栓本身不传递压力(化学植筋除外),锚固羱接的压力应通过被羱接件的锚板直接传给混凝土基材;3.群锚锚栓内力按弹性理论计算.当锚固破坏为锚栓或植筋钢材破坏,且为低强钢材时,可考虑塑性理 论计算.2.埋件受力分析计算:埋件受到的拉力:N c 10.42KN :=埋件受到的剪力:V c 3.12KN :=埋件受到的弯矩:M c V c 80⋅mm :=M c 0.25KN m ⋅⋅=埋件受到的扭矩:T c V c 120⋅mm :=T c 0.374KN m⋅⋅=锚栓的材质级别:str 5.8:=锚栓数量:n m 4:=弯矩方向锚栓排数:n c 2:=弯矩方向锚栓间距:d dis 140mm:=y 170mm⋅=弯矩方向锚栓至群锚形心距的垂直距离:在轴拉力与弯矩共作用下,弹性分析时,受力最大锚栓的拉力设计值按下列规定计算:N sd_1 3.496KN⋅=在剪力与扭矩共作用下,锚栓的剪力设计值按下列规定计算:式中:V si - 锚栓i 的剪力设计值;V si_x - 锚栓i 所受剪力的x 分量;V t_x -T 作用下锚栓i 所受剪力的x分量;V si_y - 锚栓i 所受剪力的y 分量;V t_y -T 作用下锚栓i 所受剪力的y 分量;锚栓在剪力作用下:V x V c cos 0()⋅:=V x 3.12KN ⋅=剪切荷载设计值V 的X 分量:V y V c sin 0()⋅:=V y 0KN⋅=弯矩方向锚栓间距:参与Vx 受剪的螺栓数目:n x 4:=参与Vy 受剪的螺栓数目:n y 2:=锚栓i 所受剪力的x 分量V si_x 0.78KN⋅=锚栓i 所受剪力的y 分量V si_y 0KN⋅=锚栓在扭矩T 作用下:x i 120mm :=锚栓i 至以群锚形心为原点的y 坐标轴的垂直距离:y i 50mm:=锚栓i 至以群锚形心为原点的x 坐标轴的垂直距离:T 作用下锚栓i 所受剪力的x 分量:V t_x 1.108KN⋅=V t_y 2.658KN⋅=T 作用下锚栓i 所受剪力的y 分量:在剪力与扭矩共作用下,锚栓的剪力设计值按下列规定计算:V si 3.26KN⋅=3.承载能力极限状计算:(一) 受拉承载力计算:1.锚栓或植筋钢材破坏时的受拉承载力设计值验算:锚栓的直径:D s 12mm:=锚筋或植筋应力截面面积:f stk 500MPa :=锚栓的极限抗拉强度标准值:γRS_N 1.625=N Rk_s 56.549KN ⋅=锚栓钢材破坏时的受拉承载力标准值:N Rd_s 34.799KN⋅=锚栓钢材破坏时的受拉承载力设计值:N sd_1 3.496KN⋅=N Rd_s 34.799KN⋅=受力最大锚栓的拉力设计值:因此锚栓的抗拉承载力满足要求!2.混凝土锥体的受拉承载力设计值验算:锚栓的有效锚固深度:h ef 64mm:=混凝土破坏时,无效应的临界边距:c cr_N 1.5h ef ⋅:=c cr_N 96mm ⋅=混凝土破坏时,锚栓的临界间距:s cr_N 3h ef⋅:=s cr_N 192mm⋅=锚栓的边距:c 1min ∞mm ⋅c cr_N , ():=c 196mm ⋅=c 2min ∞mm ⋅c cr_N, ():=c 296mm ⋅=锚栓的间距:s 1min 240mm s cr_N , ():=s 1192mm ⋅=s 2min 100mm s cr_N, ():=s 2100mm⋅=锚栓的边距最小值:c min_化学锚栓max 0.5h ef ⋅5D s ⋅, ():=c min_化学锚栓60mm ⋅=c min_膨胀螺栓2h ef ⋅:=c min_膨胀螺栓128mm⋅=c min_化学锚栓min c 1c 2, ()<因此化学锚栓最小边距"满足要求"=锚栓的间距最小值:s min_化学锚栓0.5h ef ⋅:=s min_化学锚栓32mm ⋅=s min_膨胀螺栓h ef :=s min_膨胀螺栓64mm⋅=s min_化学锚栓min s 1s 2, ()<因此化学锚栓最小间距"满足要求"=混凝土立方体的抗压强度标准值:f ck_3030MPa:=f cu_kb f ck_30:=Μψs_N 1=表层混凝土因密集配筋的剥离作用对受拉承载力的降低影响系数:ψre_N 0.82=荷载偏心对受拉承载力的降低影响系数:e N——外拉力N 相对于群锚中心的偏心距e N 0mm:=ψec_N 1=ψucr_N 1.4:=未裂混凝土对受拉承载力的提高系数:单根锚栓受拉混凝土实体破坏锥体投影面积:A c_1s cr_N c 10.5s cr_N⋅+()⋅:=A c_1 3.686104×mm2⋅=群锚受拉混凝土实体破坏锥体投影面积:A c_N c 1s 1+0.5s cr_N ⋅+()c 2s 2+0.5s cr_N ⋅+()⋅:=A c_N 1.121105×mm2⋅=间距边距很大时,单根锚栓受拉混凝土实体破坏锥体投影面积:A cr_N s cr_N2:=A cr_N 3.686104×mm2⋅=开裂混凝土单根锚栓,理想混凝土锥体破坏受拉承载力标准值:N Rkc_c 19.63KN⋅=单根锚栓的受拉承载力标准值:N Rk_c122.536KN⋅=单根锚栓的受拉承载力设计值:γRc_N 2.15:=N Rd_c110.482KN⋅=N sd_1N Rd_c1<单根锚栓受拉承载力设计值"满足要求"=群锚锚栓的受拉承载力标准值:N Rk_cN 68.546KN⋅=群锚锚栓的受拉承载力设计值:N Rd_cN 31.882KN⋅=N c N Rd_cN<群锚锚栓受拉承载力设计值"满足要求"=。
张芹老师对网友提问的综合回答(三)1.山东田兆峰E-mail tzf94d751@张芹老师:请介绍JGJ145《混凝土结构后锚固技术规程》应用算例。
张芹老师回答田兆峰先生:附上JGJ145《混凝土结构后锚固技术规程》应用算例供参考。
张芹2006年5月1日JGJ145《混凝土结构后锚固技术规程》应用算例(修改稿)例:250 mm×400 mm混凝土梁(带板,板厚200 mm),C35级砼,密集配筋,锚板200mm×300mm×6mm,采用四个8.8级FZA10×40M6/10扩孔型锚栓后锚固,h e f=40mm A S=20.1mm2 f StK=800N/mm2 ,风荷载标准值3226N/m2,地震作用标准值160 N/m2,分格宽1.2m层高3.6m.,作后锚固计算。
解:风荷载设计值W=1.4×3226=4516 N/m2地震作用设计值q E=1.3×160=208N/m2风荷载线荷载q w=1.2×4516=5419N/m地震作用线荷载q E=1.2×208=250N/m水平作用组合设计值q=5419+0.5×250=5544 N/m自重面荷载设计值G=1.2×400=480 N/m2重力作用设计值N=1.2×3.6×480=2074N一.锚板设楼板面上N压=2074 NV g s d =5544 NM=2074×230+5544×50=754220 N- mmA.锚栓内力分析a.受力最大锚栓拉力锚栓本身不传递压力,锚栓连接的压力通过被连接的锚板直接传给混凝土基材,N g s d =0∵N/n-My1/Σy i2=0/4-(754220×50)/(4×502 )= -3771N<0∴N h s d=(NL+M)y/1/Σy/i2=[(0×50+754220) ×100]/(2×1002 )=3771Nb.锚栓剪力螺杆C1=100mm<10h ef=10×40=400mm所以四个锚栓中只有边缘2个锚栓承受剪力,每个锚栓所受剪力为:V h sd= V g s d /2=5544/2=2772N。
内江百科园二期工程预埋件设计计算书设计:校对:审核:批准:内江百科科技有限公司年月日内江百科园二期工程后锚固连接设计计算书本设计采用膨胀型锚栓作为后锚固连接件。
本计算主要依据《混凝土结构后锚固技术规程》JGJ 145-2004。
后锚固连接设计,应根据被连接结构类型、锚固连接受力性质及锚栓类型的不同,对其破坏型态加以控制。
本设计只考虑锚栓钢材抗剪复合破坏类型和混凝土破坏类型。
并认为锚栓是群锚锚栓。
1 后锚固载荷信息本工程锚栓受拉力和剪力V gsd : 总剪力设计值:V gsd =5.112KNN gsd : 总拉力设计值:N gsd =10.612KN M: 弯矩设计值: M=2.045000KN ·m本设计的锚栓是在拉剪复合力的作用之下工作,所以拉剪复合受力下锚栓或植筋钢材破坏和混凝土破坏时的承载力,应按照下列公式计算:1)()(2,2,≤+sRd h Sd s Rd h Sd V V N N NRs sRk s Rd N N ,,,γ=VRs sRk s Rd V V ,,,γ=1)()(5.1,5.1,≤+cRd gSdc Rd g SdV V N N NRc cRk c Rd N N ,,,γ=VRc cRk c Rd V V ,,,γ=式中h Sd N ---- 群锚中受力最大锚栓的拉力设计值; g SdN ---- 群锚受拉区总拉力设计值; h Sd V ---- 群锚中受力最大锚栓的剪力设计值; g SdV ---- 群锚总剪力设计值; sRd N , ---- 锚栓受拉承载力设计值; sRk N , ---- 锚栓受拉承载力标准值; s Rd V , ---- 锚栓受剪承载力设计值; sRk V , ---- 锚栓受剪承载力标准值;cRd N , ---- 混凝土锥体受拉破坏承载力设计值; cRk N , ---- 混凝土锥体受拉破坏承载力标准值; cRd V , ---- 混凝土楔形体受剪破坏承载力设计值;c Rk V , ---- 混凝土楔形体受剪破坏承载力标准值;γRs,N ----锚栓钢材受拉破坏,锚固承载力分项系数=2.00; γRs,V ----锚栓钢材受剪破坏,锚固承载力分项系数=2.00; γRc,N ----混凝土锥体受拉破坏,锚固承载力分项系数=2.15; γRc,V ----混凝土楔形体受剪破坏,锚固承载力分项系数=1.80; γRcp ----混凝土剪撬受剪破坏,锚固承载力分项系数=1.80; γRsp ----混凝土劈裂受拉破坏,锚固承载力分项系数=2.15; 锚栓的分布如下图所示:锚板:X=300.0mm Y=250.0mm锚栓设置:s11=200.0mm s21=150.0mm 锚基边距:无边缘效应: c>10*h ef2 锚栓钢材受拉破坏承载力h----混凝土基材厚度=300.0mm ; 混凝土基材等级:强度等级C40;d----锚栓杆、螺杆外螺纹公称直径及钢筋直径=12.0mm ; d o ----钻孔直径=12.0mm ; d f ----锚板钻孔直径=14.0mm ; h 1----钻孔深度=54.00mm ;h ef ----锚栓有效锚固深度=50.00mm ; T inst ----安装扭矩=35.00N.m ;f stk ----锚栓极限抗拉强度标准值=300.00Mpa ;A s ----锚栓应力截面面积=84.622mm 2; n----群锚锚栓个数=4;幕墙后锚固连接设计中的锚栓是在轴心拉力与弯矩共同作用下工作,弹性分析时,受力最大锚栓的拉力设计值应按下列规定计算:① 当021≥⋅-∑i y y M n N 时 ∑⋅+=21ih Sd y y M n N N ② 当021<⋅-∑i y y M n N 时 ∑+⋅=2'1').(ih Sdy y M L N N式中M ---- 弯矩设计值(N.m );h SdN ---- 群锚中受力最大锚栓的拉力设计值;i y y ,1 ---- 锚栓1及i 至群锚形心轴的垂直距离(mm ); ''1,i y y ---- 锚栓1及i 至受压一侧最外排锚栓的垂直距离(mm );L ---- 轴力N 作用点至受压一侧最外排锚栓的垂直距离(mm )。
后置埋件钢板厚度计算方法一、后置埋件钢板厚度计算方法嘿,小伙伴们!今天咱们来唠唠后置埋件钢板厚度的计算方法这个事儿。
这后置埋件钢板厚度的计算可不像咱们想象的那么简单,但也别怕,听我慢慢给你讲。
要计算后置埋件钢板厚度呢,首先得知道这个后置埋件是用在啥地方的。
如果是用在那种承受很大拉力或者压力的结构里,那对钢板厚度的要求肯定就更高啦。
比如说在一些高楼大厦的外墙干挂石材的固定上,这后置埋件得非常结实,因为它要承受石材的重量,还有可能受到风的压力啥的。
咱们得考虑几个重要的因素。
一个是作用在钢板上的力的大小。
这个力的大小怎么确定呢?就得根据它所承担的构件的重量啊,还有一些外部荷载,像风荷载啊、地震荷载啊这些。
要是在地震多发区,那计算的时候就得把地震可能带来的影响考虑进去,这时候力可能就会变得很大,钢板自然就得厚一些才能扛得住。
还有一个就是钢板的材质。
不同材质的钢板,它的强度是不一样的。
就像咱们人,有的人力气大,有的人力气小。
如果是强度高的钢板呢,可能就不需要那么厚就能满足要求。
比如说高强度合金钢和普通碳素钢,同样大小的力,高强度合金钢可能用比较薄的钢板就能搞定,而普通碳素钢可能就得厚一点。
再一个就是连接方式。
后置埋件和其他构件是怎么连接的呢?是焊接还是螺栓连接?如果是焊接的话,焊接的质量也会影响到整个结构的受力情况。
要是焊接得不好,那钢板就算厚一点可能也不安全。
而螺栓连接的话,螺栓的数量、直径和排列方式也会影响到钢板的受力,进而影响到钢板厚度的计算。
计算的时候呢,咱们可以根据一些力学公式。
比如说,如果知道了作用在钢板上的拉力或者压力F,还有钢板的材料的屈服强度fy,根据公式t = F / (fy b)(这里t是钢板厚度,b是钢板的宽度,当然实际计算可能会更复杂,这只是个简单的例子)就可以初步算出钢板大概需要多厚。
但这只是理论上的,实际情况中还得考虑很多安全系数呢。
安全系数就像是给咱们的计算结果穿上一层保护衣,让这个结果更可靠。