一个土建预埋件计算书
- 格式:doc
- 大小:30.50 KB
- 文档页数:3
本人有一个土建预埋件计算书提供给你看看,幕墙埋件计算(土建预埋)基本参数:1:计算点标高:100m;2:立柱跨度:L=3000mm;3:立柱计算间距(指立柱左右分格平均宽度):B=1100mm;4:立柱力学模型:单跨简支;5:埋件位置:侧埋;6:板块配置:中空玻璃;7:混凝土强度等级:C25;1.荷载标准值计算:(1)垂直于幕墙平面的分布水平地震作用:qEk=βEαmaxGk/A=5.0×0.16×0.0005=0.0004MPa(2)幕墙受水平荷载设计值组合:采用Sw+0.5SE组合:……5.4.1[JGJ102-2003] q=1.4wk+0.5×1.3qEk=1.4×0.001468+0.5×1.3×0.0004=0.002315MPa(3)立柱单元自重荷载标准值:Gk=0.0005×BL=0.0005×1100×3000=1650N(4)校核处埋件受力分析:V:剪力(N);N:轴向拉力(N);e0:剪力作用点到埋件距离,即立柱螺栓连接处到埋件面距离(mm);V=1.2Gk=1.2×1650=1980NN=qBL=0.002315×1100×3000=7639.5NM=e0V=100×1980=198000N•mm2.埋件计算:校核依据,同时满足以下两个条件:a:AS≥V/aravfy+N/0.8abfy+M/1.3arabfyz C.0.1-1[JGJ102-2003] b:AS≥N/0.8abfy+M/0.4arabfyz C.0.1-2[JGJ102-2003]其中:AS:锚筋的总截面面积(mm2);V:剪力设计值(N);ar:钢筋层数影响系数,二层取1.0,三层取0.9,四层取0.85;av:钢筋受剪承载力系数,不大于0.7;fy:锚筋抗拉强度设计值(MPa),按[GB50010]选取,但不大于300MPa;N:法向拉力设计值(N);ab:锚板弯曲变形折减系数;M:弯矩设计值(N•mm);z:沿剪力作用方向最外层锚筋中心线之间的距离(mm);另外:d:锚筋直径(mm);t:锚板厚度(mm);fc:混凝土轴心抗压强度设计值(MPa),按[GB50010]选取;av=(4.0-0.08d)×(fc/fy)0.5 C.0.1-5[JGJ102-2003]=(4.0-0.08×12)×(11.9/210)0.5=0.724 因为av>0.7,所以取0.7ab=0.6+0.25t/d C.0.1-6[JGJ102-2003]=0.6+0.25×8/12=0.767AS=nπd2/4=4×3.14×122/4=452.16mm2V/aravfy+N/0.8abfy+M/1.3arabfyz=1980/1/0.7/210+7639.5/0.8/0.767/210+198000/1.3/1/0.767/210/110=81.353mm2≤AS=452.16mm2N/0.8abfy+M/0.4arabfyz=7639.5/0.8/0.767/210+198000/0.4/1/0.767/210/110=87.225mm2≤AS=452.16mm2所以,预埋件锚筋总截面积可以满足承载力要求。
1节点内力及参数M=236kNmN=68KNV=673KNfc=14.3N/mm2C30fy=300N/mm2(<300)2尺寸柱子d=800b=800D=400B=750锚板面积A=300000OK(受压时N<0.锚板厚度t=20锚筋直径d=25钢筋面积=t/d=0.8>0.6OK(其中,锚板厚度应大于锚筋Z=680(外层锚筋中心线之间距离)3各折减系数弯曲变形折减系数αb=0.6+0.25t/d=0.8(如果钢筋面积过大,可增大(或者采取防锚筋层数=4锚筋层数影响系数αr=0.85锚筋受剪承载力系数αv=(4.0-0.08d)√(fc/fy)=0.43665故αv=0.43665394公式受拉拉N/(0.8αbfy)=354mm2剪V/(αrαvfy)=6044mm2弯M/(0.4αrαbfyz)=4253M/(1.3αrαbfyz)=1309取较大值As=7707As=4607MAX As=7707共计需要根数=15.7受压M-0.4NZ=218>0故M-0.4NZ=218压剪(V-0.3N)/(αrαvfy)=5861(<0则取0)弯(M-0.4NZ)/(1.3αrαbfyZ)1206(M-0.4NZ)/(0.4αrαbfyZ)3920取较大值As=7067As=3920MAX As=7067共计需要根数=145锚栓锚固长度计算(参见图集)HRB335普通钢筋受拉:30d=750mm6预埋件与砼粘结预埋件长度l750表面积s58904.86225钢筋与混凝土粘结系数7受拉钢筋的锚固长度砼轴心抗拉强度设计值 1.43钢筋的外形系数0.14锚固长度l734N<0.5fcA锚板面积,故A应9510.49)490.874,锚板厚度应大于锚筋直径的0.6倍)筋中心线之间距离)筋面积过大,可增大厚度,将此系数提高为1)采取防止锚板弯曲变形的措施时,取为1)<0.7层数系数2130.940.85。
后置埋件及化学螺栓计算一、设计说明与本部分预埋件对应的主体结构采用混凝土强度等级为C30.在工程中尽量采用预埋件,但当实际工程中需要采用后置埋件,需对后置埋件进行补埋计算。
本部分后置埋件由4—M12×110mm膨胀、扩孔锚栓,250×200×10mm镀锌钢板组成,形式如下:埋件示意图当前计算锚栓类型:后扩底机械锚栓;锚栓材料类型:A2—70;螺栓行数:2排;螺栓列数:2列;最外排螺栓间距:H=100mm;最外列螺栓间距:B=130mm;螺栓公称直径:12mm;锚栓底板孔径:13mm;锚栓处混凝土开孔直径:14mm;锚栓有效锚固深度:110mm;锚栓底部混凝土级别:C30;二、荷载计算V x :水平方轴剪力; V y :垂直方轴剪力; N :轴向拉力;D x :水平方轴剪力作用点到埋件距离,取100 mm ; D y :垂直方轴剪力作用点到埋件距离,取200 mm ; M x :绕x 轴弯矩; M y :绕y 轴弯矩;T :扭矩设计值T=500000 N·mm ; V x =2000 N V y =4000 N N=6000 N M x1=300000 N·mmM x2= V y D x =4000×100=400000 N·mm M x =M x1+M x2=700000 N·mm M y = 250000 N·mmM y2= V x D y =2000×200=400000 N·mm M y =M y1+M y2=650000 N·mm三、锚栓受拉承载力计算 (一)、单个锚栓最大拉力计算1、在轴心拉力作用下,群锚各锚栓所承受的拉力设计值:1/sd N k N n ;(依据《混凝土结构后锚固技术规程》JGJ145-2013 第5。
2.1条)式中,sd N :锚栓所承受的拉力设计值; N :总拉力设计值; n :群锚锚栓个数;1k :锚栓受力不均匀系数,取1。
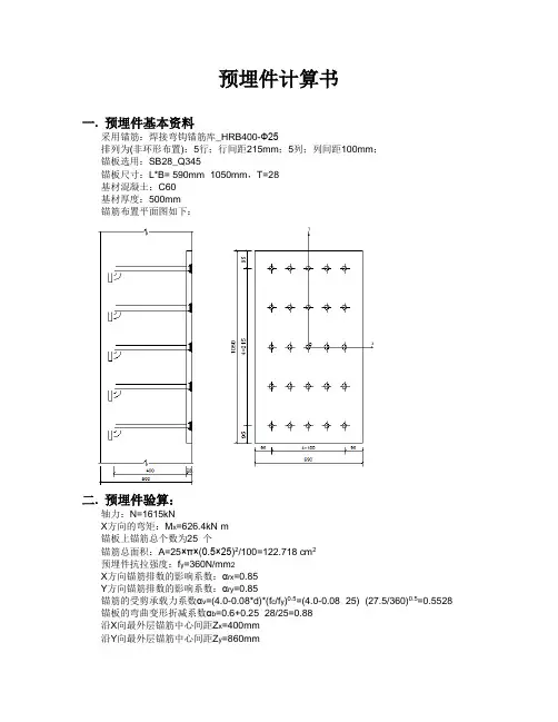
预埋件计算书一. 预埋件基本资料采用锚筋:焊接弯钩锚筋库_HRB400-Ф25排列为(非环形布置):5行;行间距215mm;5列;列间距100mm;锚板选用:SB28_Q345锚板尺寸:L*B= 590mm×1050mm,T=28基材混凝土:C60基材厚度:500mm锚筋布置平面图如下:二. 预埋件验算:轴力:N=1615kNX方向的弯矩:M x=626.4kN·m锚板上锚筋总个数为25 个锚筋总面积:A=25×π×(0.5×25)2/100=122.718 cm2预埋件抗拉强度:f y=360N/mm2X方向锚筋排数的影响系数:αrx=0.85Y方向锚筋排数的影响系数:αry=0.85锚筋的受剪承载力系数αv=(4.0-0.08*d)*(f c/f y)0.5=(4.0-0.08×25)×(27.5/360)0.5=0.5528 锚板的弯曲变形折减系数αb=0.6+0.25×28/25=0.88沿X向最外层锚筋中心间距Z x=400mm沿Y向最外层锚筋中心间距Z y=860mm按《混凝土结构设计规范2002版》公式10.9.1-1计算:A1min=N/(0.8*αb*f y)+M x/(1.3*αry*αb*f y*Z y)=1615/(0.8×0.88×360)×10+626.4×103/(1.3×0.85×0.88×360×860)×10=84.53cm2按《混凝土结构设计规范2002版》公式10.9.1-2计算:A2min=N/(0.8*αb*f y)+M x/(0.4*αry*αb*f y*Z y)×10=1615/(0.8×0.88×360)×10+626.4×103/(0.4×0.85×0.88×360×860)×10=131.345cm2故取锚筋截面面积为:A max=max(A1min,A2min)=131.345cm2则截面实际产生承载力为:F=131.345×102×360 = 4728432.824N = 4728.433kN由于在这里需要考虑地震组合工况:γRE=0.85实际允许承载力值为:F u=A*f y/γRE=122.718×102×360/0.85=5197.488×103N =5197.488kN则有:F < F u,满足!三. 预埋件构造验算:锚固长度限值计算:锚固长度按《混凝土结构设计规范》2002版公式9.3.1-1来取:钢筋的外形系数:α=0.14钢筋的抗拉强度设计值:f y=300钢筋的公称直径d=25 mm混凝土轴心抗拉强度设计值:f t=2.04N/mm2锚固长度限值:l a=α*f y/f t*d=0.14×300/2.04×25=514.706 mm钢筋采用机械锚固方式,取包括锚固端头在内的锚固长度为上述计算值的0.7倍:l a=514.706×0.7=360.294 mm由于:l a<15×25=375 mm,故取l a=375 mm锚固长度为400,最小限值为375,满足!锚板厚度限值计算:按《混凝土结构设计规范2002版》10.9.6规定,锚板厚度宜大于锚筋直径的0.6倍,故取锚板厚度限值:T=0.6×d=0.6×25=15mm锚筋间距b取为列间距,b=100 mm锚筋的间距:b=100mm,按规范且有受拉和受弯预埋件的锚板厚度尚宜大于b/8=12.5mm, 故取锚板厚度限值:T=100/8=15mm锚板厚度为28,最小限值为15,满足!行间距为215,最小限值为150,满足!列边距为100,最小限值为75,满足!行边距为95,最小限值为50,满足!列边距为95,最小限值为50,满足!。
深圳大学城XXXX六、后置埋件计算(1). 荷载计算:P H :作用于预埋件的水平荷载设计值( kN )P V :作用于预埋件的竖直荷载设计值( kN )P x =1.000 kNP y =2.000 kNP z =3.000 kN(2). 预埋件计算:此处预埋件受拉力和剪力M x =0.240 kN.m X方向扭转力矩M :弯矩设计值(N.mm)M y =0.260 kN.m`M z =0.540 kN.mX方向扭矩 产生的剪力V1M Y=M×y1/(∑x i^2+∑y i^2)=0.240×0.150/(6×0.100^2+4×0.150^2)=0.240 kNV1M Z=M×x1/(∑x i^2+∑y i^2)=0.240×0.100/(6×0.100^2+4×0.150^2)=0.160 kNP y =2.240 kNP z =3.160 kNY方向剪力,Z方向剪力的合剪力 =3.873 kN选用 6 个 M12 高强化学锚栓,锚栓边距 80 mm,锚栓间间距 120 mm,在满足锚栓特征边距与特征间距的条件下,锚栓能承受最大剪力为 17.50 kN,承受最大拉力为 21.10 kNM12 锚栓特征边距 110 mm,锚栓间特征间距 220 mm现锚栓强度进行折减后,锚栓能承受最大剪力为 12.73 kN,承受最大拉力为 15.35 kNN1 :平均每个锚栓所受剪力设计值N1 =Pv / 6 = 3.873 / 6 = 0.646 kN < 12.73 kNN2 :平均每个锚栓所受拉力N2 =M/(3d)+Ph/6=0.260/(2×0.300)+0.540/(3×0.200)+1.000/6 = 1.500 kN < 15.35 kN组合情况:[( 0.646/17.5)^2+(1.500/21.10)^2 ]^0.5 = 0.08 < 0.5锚栓强度满足设计要求________________________________________________________________________________________________________深圳市三鑫特种玻璃技术股份有限公司104 SHENZHEN SANXIN SPECIAL GLASS TECHNOLOGY CO. LTD。
10、柱脚埋件计算10.6、锚筋受力计算工况一柱脚反力为最不利荷载:N=2505kN ,V=707 kN ,M =51.9kN.m每个锚筋锚固长度La =900mm(>35d),直径D=25mm,有效面积Ae =490.9mm 2 采用Ⅱ级钢筋,fy=300MPa按规范,锚筋总截面面积满足以下两式:0.30.41.3s r v y r b y V N M Nz A a a f a a f z--≥+ 0.40.4s r b y M Nz A a a f z -≥当0.4M Nz <时,取0.4M Nz =其中:a r 锚筋层数影响系数,>4层取0.85a b 锚板弯曲变形的折减系数250.60.250.60.250.8525b t a d =+=+⨯= a v 锚筋受剪承载力系数437.03003.14)2508.04()08.04(=⨯-=-=y c v f f d a t =25mmd = 25mmz = 1200mm (外层锚筋中心线距离)20.30.411500000.32969000023271.30.850.437300s r v y r b y V N M Nz A mm a a f a a f z ---⨯≥+=+=⨯⨯ 实际值22490.91678542327S A mm mm =⨯=>,满足要求。
12、附墙计算12.1、锚筋受力计算计算埋件锚筋时,最不利荷载的取值附墙最大反力:N 1=44kN ,V 1=42kN ,M 1=61kN ·m N 2=323kN ,V 12,M 1=7kN ·m每个锚筋直径D=25mm ,有效面积Ae =490.9mm 2 采用Ⅱ级钢筋fy=310MPa ,按规范取fy=300MPa 按规范,锚筋总截面面积满足以下两式:0.8 1.3s r v y b y r b y V N M A a a f a f a a f z≥++ 0.80.4s b y r b y N M A a f a a f z ≥+ a r 锚筋层数影响系数,>4层为0.85a b 锚板弯曲变形的折减系数250.60.250.60.250.8525b t a d =+=+⨯= a v 锚筋受剪承载力系数(40.08(40.080.437v a d =-=-⨯= t=25mmd=25mmz=600mm对于N 1=44kN ,V 1=42kN ,M 1=61kN ·m 23772163619540.8 1.3r v y b y r b y V N M mm a a f a f a a f z++=++= 2216117313890.80.4b y r b y N M mm a f a a f z+=+= 实际值22400.9832071389S A mm mm =⨯=>对于N 2=323kN ,V 12,M 1=7kN ·m22715837016800.8 1.3r v y b y r b y V N M mm a a f a f a a f z++=++= 2158322918120.80.4b y r b y N M mm a f a a f z+=+= 实际值22400.9832071812S A mm mm =⨯=>满足要求。
19.1Mpa ft= 1.71Mpa300Mpa20mm120mm12040mm20mm (宜大于12和15mm)0.605574最后取为0.60557410.85ar=0.9240mmV N M输入V、N、M699660004279.135取最大值4279.13496mm24279.135491.2281mm说明:2. 锚筋应位于构件的外层主筋内侧。
4.当采用手工焊时,焊缝高度不宜小于6 mm和0.5d(HPB235级钢筋)或0.6d(非HPB235)6.锚筋中心至锚板边缘的距离不应小于2d和40mm.9.受拉直锚筋和弯折锚筋的锚固长度不应小于受拉钢筋锚固长度;当锚筋采用HPB235级钢筋时,预埋件计算(由锚板和对称配置的直锚筋组成)输入混凝土强度fc=输入钢筋屈服强度fy 输入锚筋直径d (宜小于25mm)输入锚筋间距b ( 大于3d和45mm,小于300mm)输入锚筋间距b1( 不应小于6d和70mm,小于300mm )输入锚筋中心至锚板边缘的距离(不小于2d和20mm)输入锚板厚度t 计算系数av: 计算系数ab:( 当采取防止锚板弯曲变形的措施时,可取1.0)锚筋层数的影响系数ar:当等间距布置时(两层1三层0.9四层0.85)沿剪力作用方向最外层锚筋中心之间的距离z 1。
当有剪力、法向拉力和弯矩共同作用时,应按下列两个公式计算,取大值。
5.锚板厚度大于0.6d.受拉和受弯预埋件的锚板厚度尚宜大于b/8.7.对受拉和受弯预埋件,锚筋的间距b,b1和 锚筋至构件边缘的距离c,c1,均不应小于3d和8.对受剪预埋件,锚筋的间距b,b1不应大于300 mm,且b1不应小于6d和70 mm;锚筋至构件边缘的距离c1不应小于6d和70mm,b,c不应小于3d和45mm。
2。
当有剪力、法向压力和弯矩共同作用时,应按下列两个公式计算,取大值。
注:当没有N时,应取1。
的公式进行计算。
抗拉锚固长度la=回目录1.预埋件的受力直锚筋不宜少于4根,不宜多于4层;直径大于8mm,小于25mm.3.锚板宜用Q235钢,与锚筋应采用T形焊。
预埋件计算书项目名称_____________构件编号_____________日期_____________设 计_____________校 对_____________审核_____________一、设计示意图5012550125710475二、设计资料钢筋直径: C 20钢筋级别: HRB400f y = 360.00 N/mm 2混凝土强度等级: C30f c = 14.30 N/mm 2f t = 1.43 N/mm 2直锚筋布置: 4 ⨯ 4锚板厚度: t = 20 mm直锚筋横向间距: b = 125 mm直锚筋纵向间距: b 1 = 125 mm外层锚筋中心到锚板边缘的距离: a = 50 mm拉力设计值: N = 250.00 kN预埋件受力类型: 受拉 是否考虑抗震: 否三、计算结果1. 根据《混凝土结构设计规范》10.9.6条的规定,锚板厚度宜大于锚筋直径的0.6倍t d = 2020 = 1.00 > 0.6 满足要求。
2. 求锚板的弯曲变形折减系数 根据《混凝土结构设计规范》式10.9.1-6,得 αb = 0.6 + 0.25 t d = 0.6 + 0.25 × 2020 = 0.8503. 计算直锚筋面积根据《混凝土结构设计规范》式10.9.1-1,得A s =N0.8αb f y=250.00 × 1030.8×0.850×360.00= 1021.24 mm2直锚筋采用16 C 20,A s = 5026 mm2 > 1021.24 mm2满足要求!4. 计算直锚筋的锚固长度根据《混凝土结构设计规范》10.9.7条的规定,受拉直锚筋的锚固长度不应小于受拉钢筋的锚固长度查《混凝土结构设计规范》表9.3.1得钢筋的外形系数α = 0.14根据《混凝土结构设计规范》式9.3.1-1,得l a = αf yf t d = 0.14 ×360.001.43× 20 = 705 mm取l a = 710 mm。
目录一.计算总说明: (2)二.数据准备: (2)三.荷载计算: (2)四.φ25钢筋验算: (3)五.焊缝验算: (3)(1). φ25钢筋与钢板连接焊缝验算: (3)(2).钢板与钢板焊缝验算: (4)一.计算总说明:本计算书是验算墩身预埋件的刚度及强度。
本墩身预埋件由扁钢(δ=6mm)和(φ25)钢筋组成。
二.数据准备:钢材弹性模量MpaE5101.2⨯=泊松比3.0=u容许应力[]Mpa170=σ角焊缝容许应力[]80f M p aτ=三.荷载计算:墩身预埋件承受模板受自重及施工荷载的作用。
1. 直线段模板自重:4.8*2m钢模质量:972.34kg通用大桁架质量:1083.87kg一根拉杆质量:30.2kg2m[14桁架支撑件质量:33.4 kg连接板质量:3.3kgφ22配双螺母螺栓质量:3.06kg()=1083.8716+972.348+33.416+3.312+30.2816781688 3.0626332.08kg⨯⨯⨯⨯⨯+⨯+⨯+⨯⨯=∑2.施工荷载:作业层取均布荷载23/kNm 4.8 1.2317.3F kN =⨯⨯=3.总受力:263.3217.3280.62kN =+=∑ 一个预埋件所受力280.62140.311412F kN ===四.φ25钢筋验算:321412822141431012.13j j kV kNkM kN m-=⨯==⨯⨯⨯= 3460110.850.85150102 4.909102151026.912.13s st j h A f kN m kM kN m--=⨯⨯⨯⨯⨯⨯⨯=>= 4611224 4.9091021510422.17282s st s st j A f A f kN kV kN-+=⨯⨯⨯⨯=>= 五.焊缝验算:(1). φ25钢筋与钢板连接焊缝验算:有效焊缝高度8mm,有效焊缝长度190-10=180mm3660110.850.85150102818010801029.3712.13s st j h A f kN m kM kN m--=⨯⨯⨯⨯⨯⨯⨯⨯=>= 66112248180108010460.8282s st s st j A f A f kN kV kN-+=⨯⨯⨯⨯⨯=>=(2).钢板与钢板焊缝验算:66212824010384010A m --=⨯⨯⨯=⨯ 66222819010304010A m --=⨯⨯⨯=⨯3840 5.7523040100.7561.75230403840y m m ⨯+⨯⨯==⨯+ 1261.75 5.7556100.7561.7539y m my m m=-==-= 3412241124082204801238405612042240I m m A y m m⨯=⨯==⨯= 34222422819029145333123040394623840I m m A y m m⨯=⨯==⨯= 2241112222239601067I I A y I A y m m =+++=总61.7519011.561.75139.75y m my m m==+-=上下 339601067283370.8139.75I W m m y ===总下33366.0651021.40.2833708101411036.722240810M V M M pa W V M pa A ττ--⨯===⨯⨯===⨯⨯⨯42.5M pa τ===。
北京东方文化艺术中心幕墙预埋件计算书上海迪蒙幕墙工程技术有限公司2007年3月第一章单元体幕墙大面预埋件计算第一章、荷载计算一、基本参数计算标高:80.0 m设计地震烈度:8度地面粗糙度类别:C类二、荷载计算1、风荷载标准值WK:作用在幕墙上的风荷载标准值 (KN/m2)βgz:瞬时风压的阵风系数,取1.64μz:风荷载高度变化系数,取1.54μs:风荷载体型系数,取-1.20北京市地区基本风压W=0.45 KN/m2(按50年一遇)W K =βgz×μs×μz×W0=1.64×1.20×1.54×0.45 =1.36 KN/m2>1.0 KN/m2取WK=1.36 KN/m22、风荷载设计值W:风荷载设计值(KN/m2)rw:风荷载作用效应的分项系数,取1.4W=r×WK=1.4×1.36=1.90 KN/m23、幕墙构件重量荷载面板采用8+12A+8 mm中空钢化玻璃。
GAK:幕墙构件自重标准值玻璃面荷载标准值: 25.6×(8+8)=409.6 N/m2 考虑龙骨和各种零部件等后的幕墙重力荷载标准值取:GAK=0.50 KN/m24、幕墙自重荷载设计值r G :永久荷载分项系数,取rG=1.2GG:考虑龙骨和各种零部件等后的玻璃幕墙重力荷载设计值G G =rG·GGK=1.2×0.50=0.60 KN/m25、地震作用qEK:垂直于幕墙平面的水平地震作用标准值qE:垂直于幕墙平面的水平地震作用设计值βE:动力放大系数,可取5.0αmax:水平地震影响系数最大值,0.16GAK:幕墙构件(包括玻璃和龙骨)的重量标准值,0.50 KN/m2q EK =AKmaxEGαβ=5.0×0.16×0.50 =0.40 KN/m26、幕墙承受的水平地震荷载设计值r E :地震作用分项系数,取rE=1.3qE:作用在幕墙上的水平地震荷载设计值q E =rE·qEK=1.3×0.40=0.52 KN/m27、擦窗机荷载垂直于墙面内,外荷载: 1.5 KN正常用作时向下荷载: 2.7 KN水平侧面荷载: 1.5 KN 8、荷载组合工况一、风荷载与地震荷载组合风荷载和水平地震作用组合标准值q K =ψW×W K+ψE×q EK=1.0×1.36+0.5×0.40 =1.56 KN/m2风荷载和水平地震作用组合设计值q=ψW×γW×W K+ψE×γE×q EK=1.0×1.4×1.36+0.5×1.3×0.40=2.16 KN/m2工况二、风荷载与擦窗机荷载组合风荷载和擦窗机荷载组合标准值q K =ψW×W K+ G EK=1.0×0.25+1.5 KN =0.25 KN/m2+1.5 KN风荷载与擦窗机荷载组合设计值q=ψW×γW×W K+γE×G EK=1.0×1.4×0.25+1.3×1.5 KN=0.35 KN/m2+1.95 KN由上可知风荷载与地震作用组合大于风荷载与擦窗机荷载组合,所以在计算中,取水平荷载取风荷载与地震作用组合值。
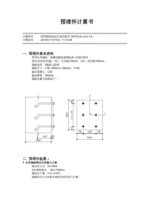
预埋件计算书==================================================================== 计算软件:MTS钢结构设计系列软件MTSTool v2.0.1.6计算时间:2014年11月15日11:14:38==================================================================== 一. 预埋件基本资料采用化学锚栓:单螺母膨胀型锚栓库_6.8级-M16排列为(环形布置):3行;行间距135mm;2列;列间距150mm;锚板选用:SB20_Q235锚板尺寸:L*B= 300mm×350mm,T=20基材混凝土:C30基材厚度:300mm锚筋布置平面图如下:二. 预埋件验算:1 化学锚栓群抗拉承载力计算轴向拉力为:N=10kNX向弯矩值为:Mx=10kN·m锚栓总个数:n=3×2=6个按轴向拉力与X单向弯矩共同作用下计算:由N/n-M x*y1/Σy i2=10×103/6-10×106×135/145800=-7592.593 < 0故最大化学锚栓拉力值为:N h=(M x+N*l)*y1'/Σy i')2=(10×106+10×103×135)×270/145800=18814.815=18814.815×10-3=18.815kN所选化学锚栓抗拉承载力为(锚栓库默认值):Nc=57.967kN这里要考虑抗震组合工况:γRE=0.85故有允许抗拉承载力值为:Nc=57.967/γRE=68.197kN故有:18.815 < 68.197kN,满足2 化学锚栓群抗剪承载力计算X方向剪力:Vx=60kNY方向剪力:Vy=60kN扭矩:T=100kN·mX方向受剪锚栓个数:n x=6个Y方向受剪锚栓个数:n y=6个剪切荷载通过受剪化学锚栓群形心时,受剪化学锚栓的受力应按下式确定:V ix V=V x/n x=60000/6=10000×10-3=10kNV iy V=V y/n y=60000/6=10000×10-3=10kN化学锚栓群在扭矩T作用下,各受剪化学锚栓的受力应按下列公式确定:V ix T=T*y i/(Σx i2+Σy i2)V iy T=T*x i/(Σx i2+Σy i2)化学锚栓群在剪力和扭矩的共同作用下,各受剪化学锚栓的受力应按下式确定:V iδ=[(V ix V+V ix T)2+(V iy V+V iy T)2]0.5结合上面已经求出的剪力作用下的单个化学锚栓剪力值及上面在扭矩作用下的单个锚栓剪力值公式分别对化学锚栓群中(边角)锚栓进行合成后的剪力进行计算(边角锚栓存在最大合成剪力):取4个边角化学锚栓中合剪力最大者为:V iδ=[(10000+21676.301)2+(10000+12042.389)2]0.5=38.591kN所选化学锚栓抗剪承载力为(锚栓库默认值):Vc=34.467kN这里要考虑抗震组合工况:γRE=0.85故有允许抗剪承载力值为:Vc=34466.992/0.85=40.549kN故有:V iδ=38.591kN < 40.549kN,满足3 化学锚栓群在拉剪共同作用下计算当化学锚栓连接承受拉力和剪力复合作用时,混凝土承载力应符合下列公式:(βN)2+(βV)2≤1式中:βN=N h/Nc=18.815/68.197=0.2759βV=V iδ/Vc=38.591/40.549=0.9517故有:(βN)2+(βV)2=0.27592+0.95172=0.9818 ≤1 ,满足三. 预埋件构造验算:锚固长度限值计算:锚固长度为160,最小限值为160,满足!锚板厚度限值计算:按《混凝土结构设计规范2002版》10.9.6规定,锚板厚度宜大于锚筋直径的0.6倍,故取锚板厚度限值:T=0.6×d=0.6×16=9.6mm锚筋间距b取为列间距,b=150 mm锚筋的间距:b=150mm,按规范且有受拉和受弯预埋件的锚板厚度尚宜大于b/8=18.75mm, 故取锚板厚度限值:T=150/8=18.75mm锚板厚度为20,最小限值为18.75,满足!行间距为135,最小限值为96,满足!列边距为150,最小限值为48,满足!行边距为40,最小限值为32,满足!列边距为75,最小限值为32,满足!。
19.1Mpa ft= 1.71Mpa300Mpa20mm120mm12040mm20mm (宜大于12和150.605574最后取为0.60557410.85ar=0.9240mmV N M输入V、N、M 699660004279.135取最大值4279.13496mm24279.135491.2281mm 说明:2. 锚筋应位于构件的外层主筋内侧。
4.当采用手工焊时,焊缝高度不宜小于6 mm和0.5d(HPB235 级钢筋)或0.6d(非HPB235)6.锚筋中心至锚板边缘的距离不应小于2d和40mm.9.受拉直锚筋和弯折锚筋的锚固长度不应小于受拉钢筋锚固长度;当锚筋采用HPB235级钢筋时,尚应符合规范表9.3.1注中关于弯钩的规定。
当无法满足锚固长度的要求时,应采取其他有效的锚固措施。
受剪和受压直锚筋的锚固长度不应小于15d.输入锚筋间距b 输入锚筋中心至锚板边缘的距离(不小于2d和20mm)预埋件计算(由锚板和对称配置的直锚筋组成)输入混凝土强度fc=输入钢筋屈服强度fy 输入锚筋直径d (宜小于25mm)3.锚板宜用Q235钢,与锚筋应采用T形焊。
当锚筋直径小于20,用压力埋弧焊;否则用穿孔5.锚板厚度大于0.6d.受拉和受弯预埋件的锚板厚度尚宜大于b/8.7.对受拉和受弯预埋件,锚筋的间距b,b1和 锚筋至构件边缘的距离c,c1,均不应小于3d输入锚板厚度t 2。
当有剪力、法向压力和弯矩共同作用时,应按下列两个公式计算,取大值。
计算系数av: 计算系数ab:1。
当有剪力、法向拉力和弯矩共同作用时,应按下列两个公式计算,取大值。
沿剪力作用方向最外层锚筋中心之间的距离z 抗拉锚固长度la=8.对受剪预埋件,锚筋的间距b,b1不应大于300 mm,且b1不应小于6d和70 mm;锚筋至构件边缘的距离c1不应小于6d和70mm,b,c不应小于3d和45mm。
锚筋层数的影响系数ar:当等间距布置时( 大于3d和45mm,小于300mm)输入锚筋间距b1( 不应小于6d和70mm,小于300mm )注:当没有N时,应取1。
预埋件计算书一. 预埋件基本资料采用化学锚栓:普通化学螺栓M12排列为(环形布置):2行;行间距200mm;2列;列间距100mm;锚板选用:SB8_Q235锚板尺寸:L*B= 200mm×300mm,T=8基材混凝土:C20基材厚度:300mm锚筋布置平面图如下:二. 预埋件验算:1 化学锚栓群抗拉承载力计算轴向拉力为:N=28kNX向弯矩值为:Mx=0.7kN·m锚栓总个数:n=2×2=4个按轴向拉力与X单向弯矩共同作用下计算:由N/n-M x*y1/Σy i2=28×103/4-0.7×106×100/60000=5833.333 ≥0故最大化学锚栓拉力值为:N h=N/n+(M x*y1/Σy i2)=28×103/4+(0.7×106×100/60000)=8166.667=8166.667×10-3=8.167kN所选化学锚栓抗拉承载力为:Nc=35.6kN承载力降低系数为:0.5实际抗拉承载力设计值取为:Nc=35.6×0.5=17.8这里要考虑抗震组合工况:γRE=0.85故有允许抗拉承载力值为:Nc=17.8/γRE=20.941kN故有:8.167 < 20.941kN,满足2 化学锚栓群抗剪承载力计算Y方向剪力:Vy=8kNX方向受剪锚栓个数:n x=4个Y方向受剪锚栓个数:n y=4个剪切荷载通过受剪化学锚栓群形心时,受剪化学锚栓的受力应按下式确定:V ix V=V x/n x=0/4=0×10-3=0kNV iy V=V y/n y=8000/4=2000×10-3=2kN化学锚栓群在扭矩T作用下,各受剪化学锚栓的受力应按下列公式确定:V ix T=T*y i/(Σx i2+Σy i2)V iy T=T*x i/(Σx i2+Σy i2)化学锚栓群在剪力和扭矩的共同作用下,各受剪化学锚栓的受力应按下式确定:V iδ=[(V ix V+V ix T)2+(V iy V+V iy T)2]0.5结合上面已经求出的剪力作用下的单个化学锚栓剪力值及上面在扭矩作用下的单个锚栓剪力值公式分别对化学锚栓群中(边角)锚栓进行合成后的剪力进行计算(边角锚栓存在最大合成剪力):取4个边角化学锚栓中合剪力最大者为:V iδ=[(0+0)2+(2000+0)2]0.5=2kN所选化学锚栓抗剪承载力为:Vc=17kN承载力降低系数为:0.5实际抗剪承载力设计值取为:Vc=17×0.5=8.5这里要考虑抗震组合工况:γRE=0.85故有允许抗剪承载力值为:Vc=8500/0.85=10kN故有:V iδ=2kN < 10kN,满足3 化学锚栓群在拉剪共同作用下计算当化学锚栓连接承受拉力和剪力复合作用时,混凝土承载力应符合下列公式:(βN)2+(βV)2≤1式中:βN=N h/Nc=16.333/41.882=0.39βV=V iδ/Vc=4/20=0.2故有:(βN)2+(βV)2=0.392+0.22=0.1921 ≤1 ,满足三. 预埋件构造验算:锚固长度限值计算:锚固长度为160,最小限值为160,满足!锚板厚度限值计算:按《混凝土结构设计规范2010版》9.7.1规定,锚板厚度宜大于锚筋直径的0.6倍,故取锚板厚度限值:T=0.6×d=0.6×12=7.2mm锚板厚度为8,最小限值为7.2,满足!行间距为200,最小限值为72,满足!列边距为100,最小限值为45,满足!行边距为50,最小限值为24,满足!列边距为50,最小限值为24,满足!。
预埋件计算技术手册
摘要:
预埋件是建筑工程中常用的一种连接元件,用于固定和连接构件。
为确保建筑结构的安全可靠,预埋件的设计与计算至关重要。
本文档将介绍预埋件计算技术手册,包括预埋件的基本原理、常见类型和计算方法,以及相关的设计考虑因素。
1. 引言
预埋件是指在构件浇筑前预先安装的金属或非金属连接件。
它们通常由螺栓、锚固钢筋或槽钢等材料制成,具有固定和连接构件的功能。
在建筑工程中广泛应用于楼板、梁柱等构件的连接,以增加结构的稳定性和承载能力。
2. 预埋件的类型
预埋件根据其形状和用途可分为多种类型。
常见的预埋件类型包括:
2.1 螺栓式预埋件:由螺栓和螺母组成,用于连接构件的轴向受力。
2.2 锚固钢筋预埋件:由钢筋和固定套筒组成,用于连接构件的拉力和剪力。
2.3 槽钢式预埋件:由槽钢和焊接件组成,用于连接构件的弯矩和轴向力。
3. 预埋件的计算方法
预埋件的计算方法根据不同的类型和受力方式有所不同。
在设计预埋件时,需考虑以下几个方面:
3.1 基本参数:包括预埋件的尺寸、材料等基本信息。
3.2 受力情况:根据具体结构设计,确定预埋件所受的轴向力、剪力、弯矩等受力情况。
3.3 计算公式:根据预埋件的类型和受力情况,使用相应的计算公式进行计算。
4. 设计考虑因素
在设计预埋件时,需要考虑以下因素:。
适用范围钢梁截面钢梁材质Q345B 钢梁连接用螺栓数6 个螺栓直径M24螺栓间距80 mm 螺栓孔径25.5 mm 螺栓端距50 mm 连接板高度500 mm 设计剪力 V=250 KN 设计弯矩 M1=0 KN.m 设计拉力 N=0 KN 附加弯矩 M2=30 KN.m计算弯矩 M=30 KN.m基材厚度 T=450 mm 基材高度 H=5000 mm 基材宽度 W=5000 mm 基材保护层厚度35 mm强度等级C50轴心抗压 fc=23.1 N/mm2轴心抗拉 ft= 1.89 N/mm2WWW 锚筋参数锚筋直径 d=18 mm 锚筋抗拉 fy=300 N/mm2WWW 锚筋种类HPB335锚筋抗压 fy'=300 N/mm2WWWNO!锚筋外形系数0.14抗震等级一级锚固长度 la=400 mm抗震锚固长度 laE=460 mm 322 mm OK!( 构造要求判断 )90 mm锚筋层数 4 层锚筋排数 2 排锚筋层间距 b1=150 mm OK!( 构造要求判断 )锚筋排间距 b=100 mm OK!( 构造要求判断 )50 mm OK!( 构造要求判断 )2275 mm OK!( 构造要求判断 )450 mm锚板宽度 D=200 mm OK!( 构造要求判断 )锚板高度 h=550 mm OK!( 构造要求判断 )锚板厚度 t=20 mm OK!( 构造要求判断 )锚板材质Q235B0.7000.8780.850计算锚筋总截面面积As0=1629.7 mm2锚筋布置总截面面积As1=2035.8 mm2OK!HPB335二级钢筋锚筋边缘距离锚板规格4层 * 150mm X 2排 * 100mm( 锚筋直径*锚筋长度*锚筋末段加焊钢筋长度 )( 锚筋材质 )构造控制要点( 受剪和( 当锚筋( 当锚筋( 当锚筋OK!** 该判综上所述预埋件计算结论如下( 预埋件受力是否满足要求判断 )锚筋布置及规格( 锚板尺寸为:厚度*宽度*高度 )( 锚板材质 )( 锚筋层数*层间距X锚筋排数*排间距 )Q235B20mm * 200mm * 550mm混凝土材料性能预埋件受剪力、法向拉力和弯矩的共同作用锚筋层数影响系数 ar=( ** 当基材高度及基材宽度受限时,输入受限值;否则输入默认值 5000mm ** )计算参数取值锚筋中心距基材边缘距离 c1=锚板规格锚筋受剪承载力系数 av= 锚板弯曲变形折减系数 ab= 锚筋中心距锚板边缘距离 e=( 锚筋直( 预埋件预埋件计算-01BH600X270X12X18锚筋长度计算锚筋末端加焊等截面钢筋长度采用机械锚固时,锚固长度 LA=钢梁支座荷载混凝土基材( 锚筋边缘距离:层边距和排边距 )50 mm18mm * 322mm *90mm 锚筋布置( 受力预( 受剪预 沿剪力作用方向最外层锚筋中心线之间的距离 Z=( 锚筋层( 表示要求输入的项次 )( 表示表格自动计算值 )( 表示受限控制输入值 )( 表示构造及受力控制判断 )当锚筋直径大于 25mm时,锚固长度应乘以 1.10修正系数 )当锚筋直径不大于 20mm时,宜采用压力埋弧焊 )当锚筋直径大于 20mm时,宜采用穿孔塞焊 )锚筋层数不宜超过 4层,锚筋数不宜少于 4根 )锚筋直径不宜小于 8mm,且不宜大于 25mm )预埋件的锚筋应位于构件的外层主筋内侧 )受剪和受压直锚筋的锚固长度不应小于 15d )受剪预埋件的直锚筋可采用 2根 )受力预埋件的锚板宜采用 Q235级钢 )该判断控制为计算及构造的总体判断指标 **。
本人有一个土建预埋件计算书提供给你看看,
幕墙埋件计算(土建预埋)
基本参数:
1:计算点标高:100m;
2:立柱跨度:L=3000mm;
3:立柱计算间距(指立柱左右分格平均宽度):B=1100mm;
4:立柱力学模型:单跨简支;
5:埋件位置:侧埋;
6:板块配置:中空玻璃;
7:混凝土强度等级:C25;
1.荷载标准值计算:
(1)垂直于幕墙平面的分布水平地震作用:
qEk=βEαmaxGk/A
=5.0×0.16×0.0005
=0.0004MPa
(2)幕墙受水平荷载设计值组合:
采用Sw+0.5SE组合:……5.4.1[JGJ102-2003] q=1.4wk+0.5×1.3qEk
=1.4×0.001468+0.5×1.3×0.0004
=0.002315MPa
(3)立柱单元自重荷载标准值:
Gk=0.0005×BL
=0.0005×1100×3000
=1650N
(4)校核处埋件受力分析:
V:剪力(N);
N:轴向拉力(N);
e0:剪力作用点到埋件距离,即立柱螺栓连接处到埋件面距离(mm);
V=1.2Gk
=1.2×1650
=1980N
N=qBL
=0.002315×1100×3000
=7639.5N
M=e0V
=100×1980
=198000N•mm
2.埋件计算:
校核依据,同时满足以下两个条件:
a:AS≥V/aravfy+N/0.8abfy+M/1.3arabfyz C.0.1-1[JGJ102-2003] b:AS≥N/0.8abfy+M/0.4arabfyz C.0.1-2[JGJ102-2003]
其中:
AS:锚筋的总截面面积(mm2);
V:剪力设计值(N);
ar:钢筋层数影响系数,二层取1.0,三层取0.9,四层取0.85;
av:钢筋受剪承载力系数,不大于0.7;
fy:锚筋抗拉强度设计值(MPa),按[GB50010]选取,但不大于300MPa;
N:法向拉力设计值(N);
ab:锚板弯曲变形折减系数;
M:弯矩设计值(N•mm);
z:沿剪力作用方向最外层锚筋中心线之间的距离(mm);
另外:
d:锚筋直径(mm);
t:锚板厚度(mm);
fc:混凝土轴心抗压强度设计值(MPa),按[GB50010]选取;
av=(4.0-0.08d)×(fc/fy)0.5 C.0.1-5[JGJ102-2003]
=(4.0-0.08×12)×(11.9/210)0.5
=0.724 因为av>0.7,所以取0.7
ab=0.6+0.25t/d C.0.1-6[JGJ102-2003]
=0.6+0.25×8/12
=0.767
AS=nπd2/4
=4×3.14×122/4
=452.16mm2
V/aravfy+N/0.8abfy+M/1.3arabfyz
=1980/1/0.7/210+7639.5/0.8/0.767/210+198000/1.3/1/0.767/210/110
=81.353mm2≤AS=452.16mm2
N/0.8abfy+M/0.4arabfyz
=7639.5/0.8/0.767/210+198000/0.4/1/0.767/210/110
=87.225mm2≤AS=452.16mm2
所以,预埋件锚筋总截面积可以满足承载力要求。
3.锚板总面积校核:
A:锚板总面积(mm2);
fc:混凝土轴心抗压强度设计值(MPa),按[GB50010]选取;
0.5fcA=0.5×11.9×60000
=357000N
N=7639.5N≤0.5fcA
埋板面积满足要求。
4.锚筋长度计算:
计算依据:
la=1.1×α×(fy/ft)×d C.0.5[JGJ102-2003]
在上面的公式中:
la:受拉钢筋的锚固长度(mm);
ft:混凝土轴心抗拉强度设计值(MPa),按[GB50010]选取,当混凝土强度高于C40时,按C40取值;
fy:锚筋抗拉强度设计值(MPa),按[GB50010]选取;
d:锚筋公称直径(mm);
α:锚筋的外型系数,光圆筋取0.16,带肋筋取0.14;
la=1.1×α×(fy/ft)×d
=1.1×0.16×(210/1.27)×12
=349.228mm
但是,由于锚筋的拉应力设计值小于钢筋抗拉强度设计值,按规范C.0.5第3条规定,锚固长度可适当减小,以不小于15倍锚固钢筋直径为宜,实际选用的锚筋长度为180mm;所以,可以满足规范要求!
基本参数:
1:计算点标高:27m;
2:立柱跨度:L=1050mm;
3:立柱计算间距(指立柱左右分格平均宽度):B=1000mm;
4:立柱力学模型:连续梁;
5:埋件位置:侧埋;
6:板块配置:铝塑复合板;
7:混凝土强度等级:C25;
1.荷载标准值计算:
(1)垂直于幕墙平面的分布水平地震作用:
qEk=βEαmaxGk/A=5.0*0.12*0.0004=0.00024Mpa
(2)幕墙受水平荷载设计值组合:
采用Sw+0.5SE组合:……5.4.1[JGJ102-2003]
q=1.4wk+0.5*1.3qEk =1.4*0.001379+0.5*1.3*0.00024 =0.002087MPa
(3)立柱单元自重荷载标准值:
Gk=0.0004*BL =0.0004*1000*1050 =420N
(4)校核处埋件受力分析:
V:剪力(N);
N:轴向拉力(N);
e0:剪力作用点到埋件距离,即立柱螺栓连接处到埋件面距离(mm);
V=1.2Gk =1.2*420=504N
N=qBL=0.002087*1000*1050=2191.35N
M=e0V =60*504=30240N•mm
2.拉拔实验拉拔力计算:
计算公式:N拔=2β•(N/2+M/Z)/n
其中:N拔:单个锚固件的拉拔实验值(N);
N:拉力设计值(N);
M:弯矩设计值(N•mm);
n:每排锚固件个数;
Z:上下两排螺栓间距(mm);
β:承载力调整系数;
N=2β•(N/2+M/Z)/n=2*1.25*(2191.35/2+30240/60)/2=1220.25N
在做拉拔实验时,单个锚栓的实验值应不小于N拔。