1、地铁车站侧墙钢模施工(工程部)
- 格式:pptx
- 大小:28.28 MB
- 文档页数:31
目录1.工程概况 (2)1.1.施工区段划分 (2)1.2.内部结构 (4)2.施工筹划 (4)2.1总体思路 (4)2.2进度计划 (5)3.模板、支架施工要求及方法 (5)3.1模板支架施工要求 (5)3.2模板及支架体系 (7)4.质量要求 (25)4.1一般要求: (25)4.2允许偏差和检查方法 (25)4.3预埋件、预留孔洞允许偏差 (26)5.安全注意事项 (26)1.工程概况苏州轨道交通一号线Ⅰ-TS-05标塔园路站,采用明挖法施工(部分结合盖挖)。
1.1.施工区段划分(1)施工分段车站主体结构施工分段按照避开楼扶梯、设备洞口位置,在柱跨的1/4~1/3设置。
本站设4个施工作业段。
如图1.1-1所示。
(2)施工分层(标准段)根据纵向施工缝的设置,车站竖向分底板→侧墙及中板→侧墙及顶板顺次垂直分三层进行施工。
如图1.1-2所示。
图1.1-2 施工分层图苏州轨道交通1号线土建工程I-TS-05标塔园路站主体结构模板及支架施工方案图1.1-1 施工分段图1.2.内部结构车站有效站台中心里程为DK6+132.000,设计起终点分界里程分别为DK6+70.950、DK6+190.600。
车站外包总长度122.65m(净长119.65 m),外包总宽20.3 m(净宽17.3m),为地下两层10m宽岛式站台车站。
本站标准段挖深约16.2m,东端头井挖深约18.9m,西端头井挖深约18.4m,扩大段挖深约16.9m。
车站主体采用地下二层两跨(扩大段为两层四跨,西端头井为两层五跨),现浇钢筋混凝土结构,采用明挖顺作法施工。
本标段主体结构形式均为钢筋混凝矩形箱体框架结构型式。
顶、中、底板与侧墙形成闭合框架,底、中、顶板设计为梁板体系。
同时为了车站内通风在车站两端设置风亭,确保空气流通;在四角人流较多处设置4个地面出入口。
主要结构尺寸:顶板厚800mm,标准段顶纵梁b×h=800×2000mm;中板厚400mm,端头井扩大端厚500mm,标准段中纵梁b×h=700×1000mm;底板厚900mm,端头井厚1100mm,扩大端厚1000mm,标准段底纵梁b×h=800×2360mm;中柱:为钢筋混凝土矩形柱, b×h=1100×600mm。
地铁车站侧墙滑移大钢模快速施工工法地铁车站侧墙滑移大钢模快速施工工法一、前言地铁建设在都市化进程中发挥着重要的作用,而地铁车站的建设也是其中的关键环节。
地铁车站的基础结构中,侧墙是一个重要的组成部分。
为了提高施工效率和降低成本,地铁车站侧墙滑移大钢模快速施工工法应运而生。
二、工法特点该工法采用大钢模滑动的方式,实现了侧墙的快速施工。
其特点如下:1. 施工速度快:相比传统施工方法,该工法可大幅度提高施工效率,缩短施工周期。
2. 施工质量高:采用大钢模,可以保证侧墙的垂直度和平整度,确保施工质量达到设计要求。
3. 操作简单:机具设备操作简单,施工工艺简化,减少了施工过程中的人为因素和失误。
4. 环保节能:该工法采用的机具设备使用电动驱动,减少了对环境的污染,节能环保。
5. 节约成本:相比传统施工方法,该工法需要的机具设备和人力资源较少,降低了施工成本。
三、适应范围该工法适用于地铁车站侧墙施工,特别是在施工时间紧迫、施工面积较大的情况下,能够快速高效地完成工程。
四、工艺原理该工法的基本原理是通过大钢模滑动的方式,进行快速施工。
具体步骤如下:1. 搭设支架:按照设计要求,搭设支撑构造并调整支架的垂直度和平整度。
2. 安装大钢模:将大钢模安装在支架上,并调整好模板的位置和垂直度。
3.浇筑混凝土:在大钢模内侧浇筑混凝土,并进行振捣和加固。
4. 滑移大钢模:在混凝土达到设计强度后,通过液压系统将大钢模滑移至下一段位置,依次进行后续的施工。
五、施工工艺1. 搭设支架:根据设计要求,搭设稳固的支架,确保支撑构造的稳定性和垂直度。
2. 安装大钢模:将预制好的大钢模安装在支架上,注意调整模板的位置和垂直度。
3. 浇筑混凝土:在大钢模内侧,按照设计要求进行混凝土浇筑,并进行振捣和加固。
4. 滑移大钢模:待混凝土达到设计强度后,通过液压系统将大钢模滑移至下一段位置,进行后续施工。
5. 重复上述步骤,直至完成所有侧墙的施工。
第1篇一、地铁车站施工主体工程概述地铁车站施工主体工程主要包括车站主体结构、车站设备安装、车站装饰装修等环节。
其中,车站主体结构是地铁车站施工的核心内容,主要包括土建工程、钢结构工程、隧道工程等。
二、地铁车站施工主体工程主要环节1. 土建工程土建工程是地铁车站施工的基础,主要包括车站基坑开挖、支护、基础施工、主体结构施工等。
(1)基坑开挖:根据车站设计图纸,采用机械或人工方式进行基坑开挖,确保基坑尺寸和形状符合设计要求。
(2)支护:针对不同地质条件,采用不同的支护方式,如锚杆支护、喷锚支护、钢支撑支护等,确保基坑稳定。
(3)基础施工:根据地质情况和设计要求,进行基础施工,如桩基础、承台、地下室等。
(4)主体结构施工:主要包括车站站台、站厅、设备用房等结构的施工,采用钢筋混凝土结构、钢结构等。
2. 钢结构工程钢结构工程是地铁车站施工的重要组成部分,主要包括站台雨棚、出入口、设备用房等结构的施工。
(1)站台雨棚:采用钢结构设计,确保雨棚结构安全、美观。
(2)出入口:根据车站设计,进行出入口钢结构施工,包括门框、门扇、立柱等。
(3)设备用房:根据车站设备布置,进行设备用房钢结构施工,确保设备安装空间。
3. 隧道工程隧道工程是地铁车站施工的关键环节,主要包括隧道开挖、支护、衬砌等。
(1)隧道开挖:采用隧道掘进机(TBM)或钻爆法进行隧道开挖,确保隧道施工质量和进度。
(2)支护:针对不同地质条件,采用不同的支护方式,如锚杆支护、喷锚支护、钢支撑支护等,确保隧道稳定。
(3)衬砌:采用钢筋混凝土或预制构件进行隧道衬砌,确保隧道结构安全。
4. 车站设备安装车站设备安装是地铁车站施工的重要环节,主要包括电力、通信、信号、自动售检票、消防等系统的安装。
(1)电力系统:安装变电站、配电箱、电缆等设备,确保车站电力供应。
(2)通信系统:安装电话、广播、电视等设备,满足车站运营需求。
(3)信号系统:安装信号机、轨道电路、联锁设备等,确保列车安全运行。
单位工程子单位工程分部工程子分部工程土方工程分项工程土方开挖,土方回填地下连续墙(成槽、钢筋、混凝土),混凝土灌注桩(成孔、钢筋。
混凝土), SWM 桩支护(水泥土搅拌、型钢插拔),锚杆及钉墙支护,初期支护,水泥土搅拌桩支护,高压支护工程喷射注浆支护,钢筋网喷混凝土,钢或者混凝土支撑,降水及排水,锚索、冠梁(钢筋、模板、混凝土),管棚(制作、安装、注浆),超前小导管(制作、安装、注浆),超前锚杆,注浆加固地面基础车站工程主体土建工程及支护结构地基基础处理桩基础混凝土基础砌体基础劲钢(管)混凝土灰土地基,高压喷射注浆地基,注浆地基,水泥土搅拌地基,砂和砂石地基, PHC 管桩,土工合成材料地基,强夯地基,碎石桩,堆载预压地基,粉煤灰地基,重锤夯实地基,振冲地基,砂桩地基,土和灰土挤密桩地基,夯实水泥土桩地基钢筋混凝土灌注桩,锚杆静压桩和静力压桩,预应力离心管桩,钢筋混凝土预制桩,抗拔桩模板、钢筋、混凝土、后浇带混凝土、混凝土结构缝处理砖砌体、混凝土砖砌体、配筋砖砌体、石砌体劲钢(管)焊接、劲钢(管)与钢筋的连接、混凝土防水工程混凝土结构砌体结构钢结构主体结构网架及索膜结构劲钢(管)混凝土结构衬砌卷材防水屋面涂膜防水层刚性防水屋面防水混凝土,水泥砂浆防水层,卷材防水层,涂料防水层,塑料板防水层,金属板防水层,膨润土防水毯防水层,细部构造,锚喷支护,复合式衬砌,排水工程,注浆,防水保护层模板,钢筋,混凝土,装配式结构,预应力,防迷流,现浇结构砖砌体、混凝土小型空心砌块砌体、配筋砖砌体、填充墙砌体、石砌体钢结构焊接,钢结构栓接,钢结构制作,紧固件连接,钢零部件加工,单层钢结构安装,多层及高层钢结构安装,钢结构涂装,钢结构组装,钢构件预拼装,钢网架结构安装,压型金属板网架制作,网架安装,索膜安装,网架防火,防腐涂装劲钢(管)柱加工制作,劲钢(管)柱的就位与对中,劲钢(管)柱与柱基的连接,梁、板与柱的节点,劲钢(管)柱防腐蚀,劲钢(管)柱防火,混凝土模板工程,钢筋工程,混凝土工程,暗地里回填注浆保温层,找平层,卷材防水层,细部构造保温层,找平层,涂膜防水层,细部构造细石混凝土防水层,密封材料嵌缝,细部构造车站工程主体土建工程建造屋面/金属板屋面玻璃屋面瓦屋面隔热屋面金属板屋面,密封材料嵌缝,细部构造玻璃屋面,密封材料嵌缝,细部构造平瓦屋面,油毡瓦屋面,细部构造架空屋面,蓄水屋面,种植屋面人防工程 / 钢筋工程,预埋件,预留孔洞,防水混凝土工程土方工程土方工程,土方回填地下连续墙(成槽、钢筋、混凝土),混凝土灌注桩(成孔、钢筋。
地铁明挖车站侧墙组合钢模技术发布时间:2021-04-27T08:20:16.583Z 来源:《建筑学研究前沿》2021年3期作者:渠帅[导读] 近年来地铁明挖车站围护结构多为钻孔桩+内支撑方式,不具备双面支模条件,且车站单层结构高,混凝土浇筑量大,容易出现胀模、裂缝、表面不平整等常见混凝土质量通病,本文通过地铁车站实例阐述墙体单侧组合钢模支撑体系在主体侧墙施工时的应用,可为以后类似的施工提供借鉴指导。
中铁十局集团有限公司第一工程有限公司山东济南市 250000摘要:近年来地铁明挖车站围护结构多为钻孔桩+内支撑方式,不具备双面支模条件,且车站单层结构高,混凝土浇筑量大,容易出现胀模、裂缝、表面不平整等常见混凝土质量通病,本文通过地铁车站实例阐述墙体单侧组合钢模支撑体系在主体侧墙施工时的应用,可为以后类似的施工提供借鉴指导。
关键词:地铁明挖车站;结构侧墙;组合钢模;三角斜撑在成都轨道交通13号线龙安站主体结构施工时,我公司采用组合式钢模板的方式进行车站侧墙浇筑,相比竹胶板施工具有施工速度快、安全系数高、循环利用率高、几何尺寸精密、外观质量好等优点。
一、工程概况成都轨道交通13号线龙安站为地下明挖车站,车站全长570m,围护结构采用旋挖桩+内支撑形式,结构类型为地下二层框架结构。
地下二层层高为7.8-8.6m,地下一层层高为6.2m,侧墙厚度900mm。
本工程侧墙紧贴围护桩,只能单侧配设模板,而不能利用穿墙螺杆控制模板侧压力。
由于墙体高度大,浇注混凝土时对模板的侧压力较大,容易产生使结构截面尺寸变大(跑模)现象,对模板及支撑的强度、刚度及稳定性要求较高,本工程侧墙模板采用P1215钢模板,可移动式三角支架作为模板支撑体系。
二、支撑体系简述三角斜撑支架通过在底板浇筑预埋Φ25的钢筋地锚螺栓的方式进行固定。
侧墙定型钢模板厚5mm,竖向主肋采用[8#工字钢,背楞采用[10#双工字钢,支架为][14a#/][10#]焊接组合。
地铁车站施工方法地铁车站通常是车站主体(站台、站厅、设备用房、生活用房),出入口及通道,附属建筑物(通风道、风亭、冷却塔等)三大部分组成。
车站模型在地铁车站施工中,我们常见的方法有明挖法、盖挖法、暗挖法三种方法。
一、明挖法施工顺序:围护结构施工→降水井施工→冠梁、第一道支撑→从上至下逐层开挖基坑至各支撑面施工各道支撑→开挖到最底层→底板浇筑→自下而上逐步拆除支撑→侧墙和中板→顶板混凝土浇筑→顶板回填。
明挖法1、围护结构施工:常见的有地下连续墙、钻孔灌注桩、人工挖孔桩、钻孔咬合桩、SMW工法桩、工字桩及钢板桩。
地连墙钢筋笼2、降水施工:将水位降至开挖面以下。
3、支撑结构:常见的混凝土支撑、钢支撑和H型钢支撑。
4、土方开挖:土方开挖应分层、分段、分块,开挖后要及时施加支撑,设计要求值施加轴向预应力。
土方开挖二、盖挖法盖挖顺作法先施作基坑的围护结构和临时覆盖板,然后在覆盖板的保护下进行车站基坑的支护与开挖。
开挖到底后由下往上施作底板、边墙,最后完成顶板,最后拆除覆盖板恢复路面。
盖挖逆作法车站结构由上往下进行施作,和盖挖顺作法不同的是,盖挖逆作法上方的覆盖板并不是临时的,将来不会拆除,而是直接作为车站结构的顶板。
盖挖半逆作法处于顺作法和逆作法之间,所以同时具备二者的特点,需要设置水平支撑和处理横向施工缝。
盖挖半逆作法三、暗挖法新奥法:是充分利用围岩的自承能力和开挖面的空间约束作用,采用锚杆和喷射混凝土为主要支护手段,对围岩进行加固,约束围岩的松弛和变形,并通过对围岩和支护的量测、监控,指导地下工程的设计施工。
浅埋暗挖法:利用土层在开挖过程中短时间的自稳能力,采取适当的支护措施,使围岩或土层表面形成密贴型薄壁支护结构的不开槽施工方法,主要适用于粘性土层、砂层、砂卵层等地质。
1、核心技术被概括为18字方针:管超前、严注浆、短开挖、强支护、快封闭、勤量测。
2、开挖方法:短台阶法、带临时仰拱的长台阶法、中隔壁法(CD法)、交叉隔壁法(CRD法)、侧壁导坑法(眼镜法)、弧形导坑留核心土等。
一、综合接地现场控制方法:1、对施工队伍人员资质、材料质量检查施工前期:通过审查专业分包队伍企业资质、人员上岗证,对工程所需原材料的质量进行检查、试验。
审核与综合接地施工有关的各种文件:审查综合接地专业分包队伍的企业资质、人员上岗证;综合接地工程施工方案、质量管理制度、质量保证体系;审查承包商提交的有关原材料、半成品和构配件的质量证明文件和质量检验报告等;审查综合接地工程分部工程开工报告;审查承包商的技术交底文件等。
审查承包商提交的有关工序交接检查、工序、部位的质量检查和质量等级评定资料。
综合接地工程工程材料必须在现场由监理人员见证取样,经试验合格后方可使用或进行质量评定:紫铜排、紫铜管、防腐物理型降阻剂、放热焊药、单芯铜电缆、接地引出装置。
2、测量定位及沟槽开挖由施工单位根据综合接地网平面布置图进行测量放线,每段主体结构土方开挖及基底平整后进行测量放线,并用白灰标记,由我部监理人员对尺寸位置复核。
施工过程中按照设计图纸及施工方案,进行沟槽开挖。
开挖沟槽断面为上宽XXmm,下宽XX mm,深XXmm的梯形。
现场施工中应注意紫铜排埋深,施工过程中往往因为作业人员疏忽紫铜排埋深不够,甚至外露。
现场技术人员须加强管理力度,监理人员严格按照施工规范及设计要求,进行验收。
3、是否带水作业开挖沟槽后,沟槽表面不得有明水,不得进行带水施工作业。
遇到槽底存有明水的情况,采用开挖集水坑,将明水引流至集水坑内,坑内放置水泵,将积水抽干,并晾干基面。
经我部监理人员验收,达到规范及设计要求后,进行下道工序施工。
现场施工中常存在施工作业人员专业知识不够,出现带水作业的问题,造成降阻剂效果不佳,达不到图纸设计电阻阻值要求。
现场技术人员加强对施工人员技术交底,现场跟踪管理、技术指导,监理人员严格管控,增强施工中质量控制,保证综合接地工程质量满足设计图纸要求。
4、接头施焊良好的熔接效果是指熔接完成后,连接头表面光亮,没有贯穿性气孔,经切开检验剖面也无所谓贯穿的气孔或瑕疵。
一、编制依据1. 《地铁设计规范》(GB 50157-2003)2. 《混凝土结构工程施工质量验收规范》(GB 50204-2002)3. 《建筑施工模板安全技术规范》(JGJ 162-2008)4. 《地铁车站工程施工及验收规范》(GB 50299-1999)5. 项目施工图纸及相关技术资料二、工程概况本工程为XX地铁车站主体结构施工,侧墙模板安装是保证结构质量的关键环节。
本方案针对地铁车站侧墙模板安装进行专项设计,确保施工质量和安全。
三、模板材料及要求1. 模板材料:选用优质钢板,厚度不小于6mm,表面平整,无锈蚀、油污等缺陷。
2. 支撑系统:采用高强度型钢,立杆间距不大于1.5m,横杆间距不大于1m,确保支撑系统稳定可靠。
3. 连接件:选用合格扣件,确保连接牢固。
四、施工工艺1. 模板安装前,对模板及支撑系统进行检查,确保无损坏、变形等情况。
2. 模板安装顺序:先安装模板,再安装支撑系统。
3. 模板安装时,注意调整模板平整度,确保模板表面垂直、平整。
4. 支撑系统安装时,确保立杆垂直、横杆水平,连接牢固。
5. 模板安装完成后,进行验收,合格后方可进行混凝土浇筑。
五、质量控制1. 模板安装前,对模板及支撑系统进行检查,确保符合要求。
2. 模板安装过程中,严格控制模板平整度、垂直度,确保结构质量。
3. 模板拆除时,注意保护混凝土结构,避免损坏。
六、安全措施1. 施工人员必须穿戴安全帽、安全带等防护用品。
2. 模板安装过程中,严禁高空作业。
3. 模板拆除时,应先拆除支撑系统,再拆除模板。
4. 施工现场设置安全警示标志,确保施工安全。
七、施工进度1. 模板安装:XX天2. 模板拆除:XX天3. 总工期:XX天八、结语本地铁侧墙模板专项方案针对地铁车站侧墙模板安装进行详细设计,确保施工质量和安全。
在施工过程中,严格执行方案要求,确保工程顺利进行。
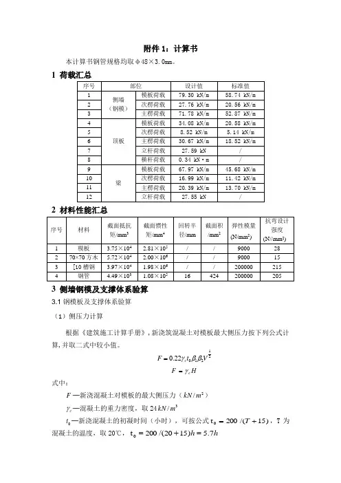
附件1:计算书本计算书钢管规格均取φ48×3.0mm 。
1 荷载汇总2 材料性能汇总3 侧墙钢模及支撑体系验算3.1钢模板及支撑体系验算 (1)侧压力计算根据《建筑施工计算手册》,新浇筑混凝土对模板最大侧压力按下列公式计算,并取二式中较小值。
2121022.0V t F c ββγ=H F c γ=式中:F ─新浇混凝土对模板的最大侧压力(2/m kN )c γ─混凝土的重力密度,取243/m kN0t ─新浇混凝土的初凝时间(小时),可按公式)15/(200t 0+=T ,T 为混凝土的温度,取20℃,h h 7.5)1520/(200t 0=+=1β─外加剂影响修整系数,1β=1.22β─混凝土的坍落度影响修整系数。
当坍落度小于30mm 时,取0.85;50~90mm 时,取1.0;110~150mm ,取1.15,本次计算取2β=1.15V ─混凝土浇注速度。
取h m V /2=H ─混凝土侧压力计算位置至新浇混凝土顶面的总高度,本次侧墙浇注高度取最大值4.70m 。
得:2212101/74.58215.12.17.52422.022.0m kN V t F c =⨯⨯⨯⨯⨯==ββγ。
22/8.11270.424m kN H F c =⨯==γ因二者取最小值,新浇混凝土对模板最大侧压力20/74.58m kN F =。
有效压头高度h 由下式计算:c F h γ/0=有效压头m h 45.2=。
分项系数1.35,则作用在侧墙模板上的总荷载为:2/30.7974.6835.1m kN F =⨯=。
(2)钢面板验算钢面板采用6mm 钢板,背面间距350mm 布置[10槽钢,面板计算时按三跨连续梁考虑,有效净跨去330mm ,计算时取1m 板宽。
截面抵抗矩3322100.6610006161W mm bh ⨯=⨯⨯==模截面惯性矩4433108.161000121b 121mm h I ⨯=⨯⨯==模 进行刚度验算时,采用标准荷载,同时不考虑振动荷载作用,则模板上作用的均布荷载。
地铁车站单侧墙模板支架施工工法地铁车站单侧墙模板支架施工工法一、前言地铁车站作为城市中重要的交通枢纽,承载着大量的人流和车流。
为了满足车站的建设需求,需要采用高效、安全、稳定的施工工法。
本文将介绍地铁车站单侧墙模板支架施工工法,该工法具有高质量、高效率的特点,在地铁车站建设中具有重要的应用价值。
二、工法特点地铁车站单侧墙模板支架施工工法采用了专用的模板支架系统,具有以下特点:1. 施工速度快:采用模板支架系统,可以一次性完成多段墙模板的安装,有效提高施工效率。
2. 施工质量高:模板支架系统的结构稳定,能够确保施工过程中墙体的垂直度和平整度满足设计要求。
3. 施工工序简化:模板支架系统可以根据施工需要进行拼装,适用于不同墙体布置形式,在施工过程中能够实现快速更换和调整。
4. 施工环境要求低:模板支架系统采用了脱模剂和防粘剂进行处理,减少了模板和混凝土的粘连,方便脱模,并且减少了清洁工作,提高了施工现场的整洁度。
三、适应范围地铁车站单侧墙模板支架施工工法适用于各类地铁车站的单侧墙模板施工,包括地下车站和高架车站。
该工法适用于不同墙体布置形式,在施工过程中可以根据需要进行调整和拼装。
四、工艺原理地铁车站单侧墙模板支架施工工法基于模板支架系统的原理和实际工程需求进行开发。
具体工艺原理如下:1. 梁柱间距的确定:根据设计要求和实际情况,确定梁柱间距,精确计算每个墙体的尺寸和位置。
2. 模板支架的搭建:根据墙体布置形式,选择合适的模板支架系统进行搭建,确保模板支架的稳定性和可靠性。
3. 模板的安装:根据模板支架系统的使用说明,将模板安装在支架上,确保模板的垂直度和平整度满足设计要求。
4. 钢筋的安装:在模板安装完成后,根据设计要求将钢筋安装在墙体中,确保钢筋的位置和数量符合要求。
5. 灌浆混凝土:在钢筋安装完成后,进行灌浆混凝土,确保墙体的强度和稳定性。
五、施工工艺1. 梁柱间距的测量:根据设计要求和实际情况,在施工现场进行精确测量,确定梁柱间距和每段墙体的尺寸。
地铁车站主体工程钢筋模板监理验收要点地铁结构监理工程师张伟2018年10月10日星期三一、钢筋验收要点1、先验收主梁钢筋,主控项目有:(1)上下铁主筋根数,规格型号一般不会错,主要是根数!(2)钢筋机械连接质量,最要紧是每边车丝长度为二分之一套筒长度+1~2丝,车丝长度必须保障,还有车丝过程中就要减少断丝、残丝出现几率。
(3)箍筋的肢数及间距,箍筋弯钩平直段长度要满足10d要求。
(4)主筋与箍筋在梁上铁要满绑,下铁尽量绑扎牢固,做不到满绑也不能强求。
如果梁上铁第一排筋与箍筋满绑,那么上级检查时给领导的第一印象就很好,切记。
(5)腰筋与箍筋要满绑,道理同(4)。
(6)主梁水平拉钩钢筋数量要重点检查,这是很容易偷工减料的部位。
另外,拉钩朝向要注意保持一个方向,如果是两排以上,可以一排朝向左下,一排朝向右下,同一排要保持一个方向,乱挂的结果会给上级领导很差的视觉印象。
(7)注意箍筋加密区与非加密区是否按照图纸施工,这也是一个容易偷工减料的部位。
2、再验收次梁、暗梁。
原理同上。
3、再验收板筋,主控项目有:(1)钢筋型号、间距、搭接长度、拉钩数量、上下铁板筋高度、绑扎牢固性、垫块。
(2)机械连接套筒连接质量采用测力扳手检查。
(3)注意地铁车站底板筋对于杂散电流焊接的要求,一般主筋采用单面焊接12d。
4、再验收预埋插筋(含站台板柱、墙;侧墙钢筋;楼梯柱;人防门插筋等),验收结构外墙预埋插筋尤其要注意排距、线性控制,不能减小排距以及里出外进、歪七扭八。
5、最后验收预留孔洞、预埋铁位置、数量。
其中预埋钢套管预埋外露结构面能高不能低,一般建议高出250mm~300mm,为的是考虑后期装修层厚度,如果预埋过低后期装修时钢套管将低于石材、瓷砖表面,违背设计意图。
6、钢筋验收按上述1——5步骤来,逻辑顺序不要乱。
原则上低板、中板、顶板钢筋验收不低于40分钟,应带图验收或用手机存储CAD 电子图。
其中主梁及梁柱节点钢筋验收属于过程控制,一定要在板筋上铁安全前先行验收,如果梁部钢筋安装错误板筋上铁安装完毕那就木已成舟,局面不好收拾,亦整改费时费力。
地铁模板工程施工方案一、工程概况本项目为地铁主体结构工程,包括地铁车站和区间隧道。
地铁车站为地下三层岛式车站,主体结构采用明挖法施工,围护结构采用地下连续墙,与内衬墙构成重合墙结构。
基坑标准段深度为22.79m,最大开挖深度25.84m,连续墙最深处26m,连续墙厚为1000mm,设3道钢筋砼加1道钢管支撑。
车站主体结构里程范围:YDK4382.994YDK4496.794,车站长113.8m。
本车站主体结构采用三层箱形框架结构,底板厚1000mm,中板厚400mm,顶板厚800mm。
外墙厚900mm的内衬式结构墙与1000mm厚地下连续墙组成车站整体重合式外墙,两墙间设高分子自粘防水卷材。
二、模板工程施工方案1. 模板体系设计本工程模板体系采用组合式钢模板,配合木模板和塑料模板使用。
模板体系包括:顶板模板、中板模板、底板模板、梁模板和墙模板。
模板材料应具有足够的强度、刚度和稳定性,能够满足施工要求。
2. 支撑系统设计支撑系统采用扣件式钢管脚手架,搭设高度为4.65m、6.40m和7.15m。
支撑系统应具有足够的强度、刚度和稳定性,能够承受模板及混凝土的重量。
支撑系统应按照规范要求进行计算和验收,确保施工安全。
3. 施工工艺及流程(1)施工准备:根据施工图纸和现场实际情况,编制模板工程施工方案,明确施工工艺、施工顺序和施工要点。
对施工人员进行技术交底和安全培训,确保施工人员熟悉施工工艺和操作规程。
(2)搭设支撑系统:按照施工方案和规范要求,搭设扣件式钢管脚手架,确保支撑系统的稳定性和安全性。
(3)安装模板:按照施工方案和规范要求,安装组合式钢模板、木模板和塑料模板,确保模板的平整度、垂直度和接缝严密。
(4)混凝土浇筑:按照施工方案和规范要求,进行混凝土浇筑,确保混凝土的质量和施工安全。
(5)模板拆除:混凝土强度达到设计要求后,按照施工方案和规范要求,进行模板拆除。
4. 施工质量控制(1)模板材料质量控制:模板材料应符合规范要求,具有足够的强度、刚度和稳定性。
主体结构施工作业指导书1 目的及适用范围明挖法地铁车站主体结构在地下空间分段施工,作业条件差,施工工序多,工序转换频繁,需开展严格流水作业,主体结构施工是车站施工质量和进度控制的关键,施工过程严格控制,以保证工程质量和进度满足要求。
本作业指导书适用于采取明挖顺作法地铁车站主体结构施工。
2 依据2.1 车站施工图纸及相关设计文件。
2.2国家现行有关施工及验收规范、规则、质量技术标准等相关参考资料。
(1)《地下铁道工程施工及验收规范》(GB50299-1999)(2)《混凝土结构工程施工质量验收规范》(GB50204-2002)(3)《建筑结构荷载规范》(GB50009-2001)(4)《湿陷性黄土地区建筑规范》(GB50025-2004)(5)《地下工程防水技术规范》(GB50108-2001)(6)《地下防水工程质量验收规范》(GB50208-2002)(7)《交流电气装臵的接地》(DT∕T621-1997)(8)《电气装臵安装工程接地装臵施工及验收标准(GB50169-92)(9)《接地装臵工频特性参数的测量导则》(DT475-92)(10)《工程测量规范》(GB50026-93)(11)《地铁杂散电流腐蚀防护技术规程》(CJJ49-92)(12)《建筑施工手册》(第四版)2.3我公司地铁施工经验。
3 职责3.1项目部施工技术部门负责技术方案制定,安全技术交底,施工过程监督检查和指导,施工测量、检测及监测等工作。
3.2项目部安全质量部门负责施工过程安全与质量检查及监督等管理工作。
3.3项目部物资设备部门负责物资、设备供应和进场检查、验收;负责机械设备的检查、维修和保养等管理工作;负责施工用电和施工用水的管理工作。
3.4项目部主体结构作业队负责实施。
4 施工工艺流程车站主体结构(以地下两层车站为例)施工流程见图4-1。
图4-1 车站主体结构(以地下两层车站为例)施工流程图5 主要施工方法及技术措施5.1 施工准备(1)在结构施工前,先对导线点和水准点进行复测,并经监理及第三方监测单位复核。