设备安全检查评分表
- 格式:xlsx
- 大小:11.31 KB
- 文档页数:2
表A 建筑施工安全检查评分汇总表
企业名
称:
资质等
级:
年月日
表B.1安全管理检查评分表
表B.2文明施工检查评分表
表B.4门式钢管脚手架检查评分表
表B.5碗扣式钢管脚手架检查评分表
表B.7满堂式脚手架检查评分表
表B.4悬挑式脚手架检查评分表
表B. 10高处作业吊篮检查评分表
表B.11基坑工程检查评分表
表B.12模板支架检查评分表
表B. 13高处作业检查评分表
表B.14施工用电检查评分表
表B.15物料提升机检查评分表
表B.16施工升降机检查评分表
表B.18起重吊装检查评分表
表B.19施工机具检查评分表。
表B.1安全管理检查评分表表B.2文明施工检查评分表表B・3扣件式钢管脚手架检查评分表表B.4基坑支护、土方作业检查评分表表B・5模板支架检查评分表表B.6“三宝、四口”及临边防护检查评分表表B.7施工用电检查评分表表B.8施工升降机检查评分表表B.9塔式起重机检查评分表表B.10施工机具检查评分表8圆盘锯 未设置安全防护棚扣3分 无人操作时未切断电源扣3分使用平刨和圆盘锯合用一台电机的多功能木工机具,平刨和圆盘 锯两项扣12分电锯安装后未留有验收合格手续扣3分未设置锯盘护罩、分料器、防护挡板安全装置和传动部位未进行防护每缺一项扣3分未做保护接零、未设置漏电保护器每处扣3分 未设置安全防护棚扣3分 无人操作时未切断电源扣3分I 类手持电动工具未采取保护接零或漏电保护器扣8分手持电 使用I 类手持电动工具不按规定穿戴绝缘用品扣4分动工具 使用手持电动工具随意接长电源线或更换插头扣4分 机械安装后未留有验收合格手续扣5分 未做保护接零、未设置漏电保护器每处扣5分钢筋机 钢筋加工区无防护棚,钢筋对焊作业区未采取防止火花飞溅措施,械冷拉作业区未设置防护栏每处扣5分电焊机 搅拌机 气瓶传动部位未设置防护罩或限位失灵每处扣3分 电焊机安装后未留有验收合格手续扣3分 未做保护接零、未设置漏电保护器每处扣3分未设置二次空载降压保护器或二次侧漏电保护器每处扣3分 一次线长度超过规定或不穿管保护扣3分二次线长度超过规定或未采用防水橡皮护套铜芯软电缆扣3分 电源不使用自动开关扣2分二次线接头超过3处或绝缘层老化每处扣3分 电焊机未设置防雨罩、接线柱未设置防护罩每处扣3分搅拌机安装后未留有验收合格手续扣4分 未做保护接零、未设置漏电保护器每处扣4分 离合器、制动器、钢丝绳达不到要求每项扣2分 操作手柄未设置保险装置扣3分未设置安全防护棚和作业台不安全扣4分 上料斗未设置安全挂钩或挂钩不使用扣3分 传动部位未设置防护罩扣4分 限位不灵敏扣4分 作业平台不平稳扣3分 氧气瓶未安装减压器扣5分 各种气瓶未标明标准色标扣2分气瓶间距小于5米、距明火小于10米又未采取隔离措施每处扣2 分。
安全检查及评价恒丰建设集团有限公司说明1、制订定期安全检查制度。
2、项目部应由主管领导带队,会同各管理人员每周对施工现场安全生产文明施工做一次全面检查,填写“安全检查周志”3、施工单位应每月由企业安全技术部门负责人会同建设或监理现场主管人员、项目经理及相关安全管理人员对施工现场安全生产文明施工做不少于一次的全面检查。
检查以安全标准、规范为依据,并填写《建筑施工安全检查标准》(JGJ59-99)“评分表”及“工程建设项目施工安全检查表”。
4、施工单位在各级安全检查时查出事故隐患应填写“施工企业现场安全检查事故隐患整改通知单”,按“三定”落实整改。
5、工程建设各方按《建筑施工安全检查标准》(JGJ59-99)进行检查评分的评分表列入本项工程内容备查,竣工时装入档案。
6、由安监机构签发的“施工安全隐患整改通知书”、“停工整改通知书”、“复工通知书”及由施工单位填报的“建设工程施工安全整改情况报告书”纳入本项内容归档;7、由安监机构核查签发的安全文明施工五个阶段评价表及“建设工程施工安全评价书”纳入本项内容归档。
安全检查记录表安全检查记录表安全检查记录表安全检查记录表安全检查记录表表(三)1安全检查周志(旬检)年月日(月第周)编号:项目经理:安全员:施工员:设备员:事故隐患整改通知书注:本通知书一式2份,检查单位、受检单位各1份。
事故隐患整改反馈报告单.建筑施工安全检查评分汇总表表3.0.1年月日此表号为(建筑施工安全检查标准)中“3检查评分表的表序,下同。
精品word文档安全管理检查评分表注:1.每项最多扣减分数不大于该项应得分数。
2.保证项目有一项不得分或保证项目小计得分不足40分,检查评分表计零分。
3.该表换算到表3.0.1后得分=10×该表检查项目实得分数合计100文明施工检查评分表注:1.每项最多扣减分数不大于该项应得分数。
2.保证项目有一项不得分或保证项目小计得分不足40分,检查评分表计零分。
一、金切设备检查条件(满分100分)注:达到85分以上为完好设备(无冷却系统的设备达90分为完好设备)检查人/日期 总体评价:项目具体内容满分得分检查记录设备总体(30分) 各类机床导轨面有拉伤和碰伤,没有进行修整——扣2~6分;各类机床导轨面有拉伤和碰伤,对修整不善——扣4分;(满分6分) 设备不完整,发现缺、丢件——扣1~6分各种工、卡、量具和各种工件等不许放在滑动面上——扣1~3分机床有死角看不清金属表面——扣1~3分;机床有黑油污——扣1~3分;其它不清洁——扣1~3分。
(满分9分) 各种标牌不完整——扣1~3分;各种标牌内容不清晰——扣3分。
(满分6分) 润滑系统(20分)油位未到达标准线——扣5~10分; 机床无油壶——扣1~3分。
(满分10分) 注:机床油箱没有油扣20分;润滑油管堵死,各部油箱脏和没按期换油——扣3~5分油眼堵死、毡垫不清洁、没按规定润滑、油杯内脏、油网破碎,——扣1~3分 油杯无盖、缺油,油杯、油孔失效,油孔内有水,油槽内没毛线,油网不洁,过滤器漏油——扣1~2分冷却系统(10分) 冷却液变质、发臭,冷却管路堵死——扣1~5分冷却管路漏水、失修、失调,冷却箱脏,冷却液配制不好,使润滑面生锈——扣1~3分冷却装置不完整——扣2分(注:因工作不需要冷却装置,全部无冷却装置可不扣分)传动、操纵、保险、保护装置 (20分)安全罩子、安全阀、压力表、保险装置、刹车带,每缺一项或失灵——扣5~10分保险装置失调——扣2分保护装置不齐,缺皮带——扣1分保护装置不齐,无保险卡子——扣1~2分(满分3分) 刻度盘、转数盘、仪表不清晰准确——扣2~5分电气部分(20分)机床配电线路不符合图纸要求且不整洁——扣1~5分(满分5分) 线路联接有导线松动——扣2分;线路联接蛇皮管脱落——扣1分。
(满分2分)机床电气安全装置熔丝及热继电器如有一处选择不当或失灵——扣2分;机床电气安全装置缺少一个限位开关(或限位开关失灵)——扣2分(满分4分) 机床接地线不满足“安全技术规程”要求——扣1~3分; 机床接地线断线或无地线——扣3分。
设备大检查评分表
简介
本文档旨在整理设备大检查的评分表格,以帮助企业对设备进行全面检查和评估,查找潜在问题,以确保设备的正常运转和安全生产。
评分表
检查项分数备注
电器设备接地10 设备接地是否稳定,是否存在漏电隐患等
电器线路安全10 线路是否紧固,是否损坏,是否存在漏电隐患等
机械设备电源10 电源稳定,是否存在过流、短路、过载等问题
机械设备润滑10 是否按时加油,机械转动是否灵活
机械设备维护10 是否按时维护,维护人员是否专业
安全防护设施10 安全网、隔离栏、危险信号等是否齐全、有效
环保设施10 排放口是否符合要求,废水处理是否规范
物料储存管理10 物料储存是否有序,易燃物品是否分类存放
人员防护设施10 是否有足够的防护设备、标识等
评分说明
每项检查按照10分制进行评分,其中0分表示未执行该项检查,10分表示该项检查符合完美状态。
评分只是对设备运行状态的一种评估,必须结合实际情况进行辅助判断,所以每项检查还有一个备注栏,可以在该栏目中描述具体情况,以便更好地结合实际情况评估设备状态。
通过对设备大检查评分表格的系统分析,企业可以从细节处进行全面检查和评价,发现问题的薄弱环节,以有针对性地进行改进和优化,保障设备的正常运转和安全生产,提高企业的生产效率和经济效益。
设施管理质量检查内容及评分表完整版评分表
检查内容1. 设施清洁
- 确保设施的整洁和卫生状态,包括桌面、地板、墙壁等。
- 检查是否有吸尘器、拖把等清洁工具,并确保其正常工作。
2. 设施损坏
- 检查设施是否有破损、裂缝、漏水等问题。
- 检查设施固定是否牢固,无松动或摇晃的现象。
3. 设施维护
- 确保设施能够及时得到维护和修复,包括更换破损的部件、修复漏水等。
4. 设施安全
- 检查设施是否存在安全隐患,如锐利的边角、不稳固的结构等。
- 确保设施没有可能导致人员伤害或意外发生的问题。
5. 设施功能性
- 确保设施能够正常使用,如确保电器设备能开启、关闭,门窗能打开、关闭等。
6. 设施可持续性
- 检查设施是否具备可持续性特征,如节能设备、可回收材料使用等。
以上是设施管理质量检查的内容及评分标准。
通过对设施的清洁、损坏、维护、安全、功能性和可持续性的检查评分,可以综合评估设施管理的质量,及时发现问题并采取相应的措施进行改进。
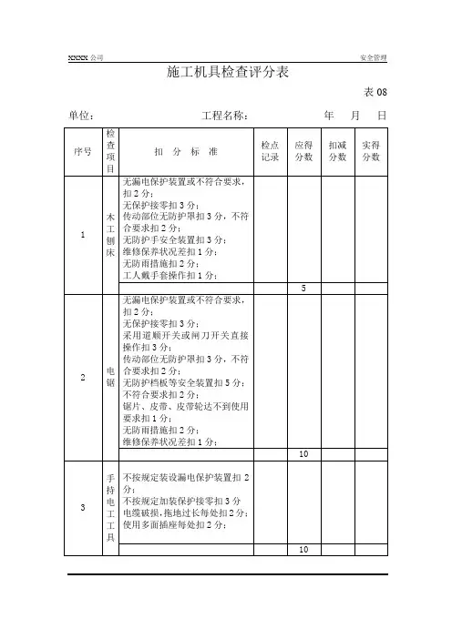
施工机具检查评分表表08 单位:工程名称:年月日2、该表换算到表01后得分=10010合计该表检查项目实得分数某施工机具检查评分表(标准版)使用说明一、文件概述本文件为《某施工机具检查评分表(标准版)》,旨在规范施工现场各类机具的安全检查与评分流程,确保施工机具在使用过程中符合安全标准,减少安全事故的发生。
该评分表详细列出了各类施工机具的检查项目、扣分标准及评分细则,是施工现场安全管理的重要工具。
二、评分表结构评分表共包含多个检查项目,每个项目均对应具体的扣分标准和应得分数。
结构清晰,便于检查人员逐项核对并记录检查结果。
主要检查项目包括但不限于木工刨床、电锯、手持电工工具、钢筋机械、气瓶、搅拌机与砂浆机、电焊机、潜水泵、场内机械及砂轮切割机等。
三、检查项目与扣分标准木工刨床:主要检查漏电保护装置、保护接零、传动部位防护罩、防护手安全装置、维修保养状况、防雨措施及工人操作规范等。
任何一项不符合要求均将按照标准扣分。
电锯:重点检查漏电保护装置、保护接零、操作开关类型、传动部位防护罩、防护档板等安全装置、锯片及皮带的使用状态、防雨措施及维修保养状况等。
手持电工工具:关注漏电保护装置、保护接零、电缆状况、插座使用等,确保工具使用过程中的电气安全。
钢筋机械:检查漏电保护装置、保护接零、传动部位防护罩、按钮开关使用、防雨措施及维修保养状况,保障钢筋加工过程中的安全。
气瓶:乙炔瓶、氧气瓶的存放使用距离、标志、防震防晒措施、明火距离、气瓶状态及皮管老化情况等均为检查重点。
搅拌机与砂浆机:检查漏电保护装置、保护接零、安装稳固性、离合器、制动器、钢丝绳、保险挂钩、料斗行程限位器、传动部位防护罩及防雨措施等,确保设备运行安全。
电焊机:重点检查漏电保护装置、保护接零、焊机专用电缆使用、线缆长度及状态、接线端子板及隔离罩状况、防雨措施等。
潜水泵:关注漏电保护装置、保护接零、移动及操作过程中的安全规定,防止触电及机械伤害。
安全检查评分表安全检查评分表一、场所外部安全检查1. 房屋外部是否存在裂缝或倒塌的迹象?2. 门窗是否完好无损,能否顺畅打开和关闭?3. 是否安装了防盗门锁或其他防盗措施?4. 是否清理了路面积水和其它障碍物,以保障安全通行?二、灾害防范安全检查1. 是否存在火灾隐患,如电线杂乱,明火使用等?2. 是否存在漏电隐患,如电线老化,socket不合格等?3. 是否存在天气灾害隐患,如窗户密封性差等?4. 是否存在自然灾害隐患,如地震,海啸等?三、应急处理安全检查1. 是否准备了消防器材及第一扑救工具?2. 是否有紧急通讯手段,例如电话或对讲机?3. 是否制定了应急预案,以应对各种突发事件?四、人员安全检查1. 安全负责人是否及时通知员工有关安全事项?2. 员工是否接受了必要的安全培训?3. 是否定期开展安全教育活动,以提高员工安全意识?4. 是否制定了职业病防护规定,以保障员工职业健康?五、设备安全检查1. 机器设备是否按照规定操作?2. 是否及时保养维护设备,确保设备正常运转?3. 是否进行了必要的安全检测,以保证设备质量?六、其他安全检查1. 场所内是否存在走路打滑的危险?2. 是否存在物品悬挂在高处,可能掉下伤人?3. 是否存在堆放杂物的现象,可能引发安全事故?4. 是否遵守环保规定,避免污染环境?七、评估措施1. 检查结果如下,请对照真实情况填写,并得出相应措施。
项目得分相应措施一、场所外部安全检查1.房屋外部 /10 消除存在安全隐患的问题,确保房屋稳定安全。
2.门窗 /10 安装防盗门锁及其它防盗措施,保障安全。
3.路面通行 /10 清理路面积水和其它障碍物,以保障安全通行。
二、灾害防范安全检查1.火灾隐患 /10 清理杂物,规范使用材料,防患于未然。
2.漏电隐患 /10 更换电线及plug,防患于未然。
3.天气灾害 /10 检查窗户密封,更换需要更换的窗户。
4.自然灾害 /10 根据地理位置决定所需防范措施。
设备设施安全考评检查表汇总背景设备设施安全考评检查表是用来对企业或机构的设备设施进行安全评估和检查的工具,其目的是保障设备设施的安全使用,减少事故发生的可能性,保护员工和公众的生命财产安全。
在工业生产、商业经营、学校教育等各个领域,设备设施安全考评检查表都扮演着重要角色。
通过定期的检查评估,可以发现并及时处理设备设施存在的安全隐患,提高管理水平,降低风险。
设备设施安全考评检查表内容汇总1. 设备设施基本信息•设备设施名称•设备设施型号•设备设施使用部门•设备设施安装位置•设备设施启用日期2. 设备设施运行状态检查•设备设施是否正常运行•设备设施是否有异常噪音或振动•设备设施是否有异味或漏油现象•设备设施是否产生过热现象3. 设备设施安全保护装置检查•安全保护装置是否完好有效•安全阀是否正常工作•紧急停车按钮是否灵敏•防护罩是否齐全完好4. 设备设施操作规程遵守情况检查•操作人员是否按照规程操作设备•操作人员是否戴好安全防护用具•操作人员是否具备相应的操作资质•操作人员是否存有操作违章行为5. 设备设施安全警示标识检查•安全警示标识是否清晰明了•安全警示标识是否易于辨识•安全警示标识是否醒目显眼•安全警示标识是否能够提醒人员注意安全6. 设备设施定期维护检查•设备设施是否有维护记录•设备设施是否有维护保养计划•设备设施是否按计划进行维护保养•设备设施维护是否得到专业人员操作结语通过对设备设施安全考评检查表的综合汇总,可以帮助企业或机构全面掌握设备设施的安全状况,及时发现并解决存在的问题,确保设备设施的安全可靠运行。
定期进行安全考评检查,不仅可以提高设备设施的使用寿命,降低维护成本,更能保障员工和公众的安全,促进企业或机构的可持续发展。
以上是对设备设施安全考评检查表的汇总内容,希望对大家有所帮助。
如果有任何疑问或建议,欢迎随时联系我们,共同探讨设备设施安全管理的重要性和方法。
感谢您的阅读!。