电气工程CAD制图规则
- 格式:pdf
- 大小:662.40 KB
- 文档页数:14
电气工程CAD制图规范一.电气设计图纸格式图幅是指图纸幅面的大小,所有绘制的图纸都必须在图纸幅面以内。
1.图纸幅面电气工程图纸采用的基本幅面有5种:A0,A1,A2,A3,A4,各种图幅的相应尺寸如表1-2所示。
图幅分为横式和立式幅面。
2.(1)图框尺寸。
在电气工程图中,确定图框的尺寸(如表1-3所示)有两个依据:一是图纸是否需要装订;二是图纸幅面的大小。
需要装订时,装订的一边就要留装订边。
图1-5为不留装订边的图框,图1-6为留有装订边的图框,右下角矩形区域表示标题栏。
图1-5 不留装订边的图框图1-6 留有装订边的图框(2)图纸线宽。
图纸的内框线根据不同的幅面、不同的输出设备宜采用不同的线宽,如表1-4所示;各种图纸的外框线均为0.25mm的实现。
标题栏一般由名称、代号区、签字区、更改区及其他区组成,用于说明图的名称、编号、责任者的签名,以及图中局部内容的修改记录等。
各区的布置形式有多种,而且不同单位的标题栏也各有特色。
根据幅面的大小推荐两种比较通用的格式,分别如图1-7和图1-8所示。
图1-7 设计通用标题栏(A0和A1幅面)图1-8 设计通用标题栏(A2、A3和A4幅面)二、电气设计使用图线不同的电气图,对图线、字体和比例有不同的要求。
国标对电气工程图的图线、字体和比例做出了相应的规定,其中图线的相关要求如下。
1.基本图线根据国标规定,电气工程图中常用的线型有实线、虚线、点画线、波浪线、双折线等。
2.图线的宽度图线的宽度应根据图纸的大小和复杂程度,在下列数值中选择:0.18mm,0.25mm,0.35mm,0.5mm,0.7mm,1mm,1.4mm,2mm。
在电气工程图中,图线一般只用两种宽度,分别为粗实线和细实线,其宽度之比为2:1.在通常情况下,粗线的宽度采用0.5mm或0.7mm,细线的宽度采用0.25mm 或0.35mm。
在同一图纸中,同类图线的宽度应基本保持一致,虚线、点画线及双点画线的画长和间隔长度也应大致相等。
1电气CAD绘图基础电气制图的一般规定1.1.1图纸幅面及格式(1)图纸的幅面尺寸为了图纸规范统一,便于作用和保管,绘制技术图样时,应优先选用表中规定的基本幅面。
必要时,也允许选用加长幅面,这些加长幅面的尺寸是由基本幅面的短边或整数倍增加后得出的。
如图所示。
图中A0、A1、A2、A3、A4为优先选用的基本幅面;A3⨯3、A3⨯4、A4⨯3、A4⨯4、A4⨯5为第二选择的加长幅面;虚线所示为第三选择的加长幅面。
表图纸的优选实际幅面(mm)(2)图框格式①在图纸上必须用粗实线画出图框,其格式分为不留装订线边和留装订线边两种,但同一产品的图样只能选用一种格式。
②留有装订边的图纸,其图框格式如图(a)所示。
图中尺寸a为25mm,尺寸c分为两类:对A0、A1、A2三种幅面,c为10mm;对A3、A4两种幅面,C为5mm。
装订成册时,一般采用A4幅面竖装或A3幅面横装。
③当图纸张数较少或用其他方法保管而不需要装订时,其图框格式为不留装订边方式,如图(b)所示。
图纸的四个周边尺寸相同,对A0、A1两种幅面,e为20mm;其余三种幅面e为10mm。
④图框的线宽。
图框分为内框和外框,两者的线宽不同,图框的内框线,根据不同的幅面,不同的输出设备宜采用不同的线宽,内框的线宽设置如表所示。
各种幅面的外框线均为的实线。
⑤图框外框尺寸如表规定的尺寸。
表图框内框线宽绘图机类型幅面喷墨绘图机笔式绘图机A0、A1及加长图 1.0mm 0.7mmA2、A3、A4及加长0.7mm 0.5mm图(3)标题栏(GB/T )①每张图纸都必须画出标题栏。
标题栏的格式和尺寸应按GB/T 《技术制图标题栏》的规定。
标题栏的位置应位于图纸的右下角,国内工程通用标题栏的基本信息及尺寸如图所示。
②标题栏的长边置于水平方向并与图纸的长边平行时,则构成X型图纸,如图(a)所示。
若标题栏的长边与图纸的长边垂直时,则构成Y型图纸,如图(b)所示。
③为了利用预先印刷的图纸,允许将X型图纸的短边置于水平位置使用,如图(a)所示。
电气CAD绘的标准化与规范电气CAD绘图是电气工程中不可或缺的一环,它的标准化与规范对于确保电气系统的可靠性和安全性至关重要。
本文将介绍电气CAD 绘图的标准化与规范,包括图纸排版、图形符号、尺寸标注等方面,以及如何提高绘图的效率和准确性。
一、图纸排版1. 页面设置在进行电气CAD绘图前,正确设置页面是关键。
通常采用ISO标准的A系列纸张,如A0、A1、A2等。
按照实际绘图需求选择合适的纸张大小,并设置页边距,确保图纸能够被完整打印和展示。
2. 标题栏和边框每个电气CAD绘图图纸都应具备统一的标题栏和边框,以提供必要的信息。
标题栏应包含项目名称、图纸名称、图号、版本号等,方便查阅和管理。
边框应包含主要标准和单位,并且在不同比例尺下能够保持清晰可辨。
3. 图纸折叠与编号对于较大的图纸,应根据需要进行折叠,以方便携带和存档。
每个折页应有清晰的编号,便于查找和组织。
同时,也需要制定标准的折页次序,遵循一致性原则。
二、图形符号1. 符号库的建立为了保证电气CAD绘图的标准化,需要建立符合行业规范的符号库,包括常用的电气设备符号、元件符号、连接符号等。
符号库应定期进行更新和维护,确保使用的符号与最新标准一致。
2. 符号的正确使用在绘图过程中,应准确选择并应用符号库中的符号。
符号的大小、比例、线型等应符合要求,确保图纸的易读性和准确性。
同时,还需要注意符号的位置、对齐和间距,使图纸整体美观、清晰。
三、尺寸标注1. 标注方法在电气CAD绘图中,正确标注尺寸是保证设计和施工准确性的重要环节。
采用统一的标注方法,如ISO标准的线性尺寸标注法,能够减少误解和疑惑。
尺寸标注应遵循一致性原则,保持清晰可读。
2. 标注位置尺寸标注的位置应选取在图纸的明显部分,避免与其他线条、文字产生混淆。
标注文字的方向应与线条平行,字体应适中,清晰可辨。
四、提高绘图效率与准确性1. 使用CAD工具电气CAD绘图可借助专业的CAD软件完成,如AutoCAD、SolidWorks等。
电气制图规则一、使用工具使用AUTOCAD2023, 保留格式为2023 DWG格式。
波及到旳字符标注采用原则工程字体。
积极力平行母线旳间距15, 其他平行导线旳间距10, 垂直导线旳间距10。
主电路中各图形符号旳间距20, 原理图部分各图形符号旳间距是30。
二、制图规范1.图号编号原则YJ—计划号—工位号—图纸类型—该类型次序号(2位)—改动序号(1位)阐明:1.计划号为市场部下发旳计划号。
2.单台设备工位号省略。
3.类型次序号为目前类型图纸旳次序号, 每种图纸单独编号, 编号从01开始。
4、改动序号为该图纸改动后旳次序号, 原始图纸省略, 改动序号使用字母, 第一次改动为A, 第二次改动为B, 依次类推。
2.图纸页号旳编号原则1.图纸明细, 图例, 线颜色、构造框图从1-9。
2.主电路原理图编号从10-19。
2.交流控制原理图编号从20-29。
3.直流控制原理图编号从30-49。
4.PLC输入原理图编号从50-69。
5.PLC输出原理图编号从70-89。
6.AD/DA.光幕、伺服驱动等接线图编号从90-99。
7.元器件位置图和接线图编号从100-109。
8.如遇特殊状况某区域范围超限时, 将该区域图纸编号+200。
每套图纸必须有一种图纸列表, 它描述了一种有几张图纸, 各图纸旳名称。
3.元器件旳符号和命名措施执行GB4728《图用图形符号》和GB7159《电气技术中旳文字符号制定通则》旳国标。
常用元器件命名措施电磁铁——YA电磁阀——KV端子板——XT插头——XP插座——XS控制用变压器——TC电力变压器——TM断路器——QF接触器——KM继电器——KA熔断器——FU按钮——SB控制开关, 选择开关——SA液位传感——SL压力传感器—器—SP位置传感器——SQ温度传感器——ST照明灯——EL指示灯——HL发热元件——EH电动机——M详细符号及阐明见附录。
元件旳名称采用在字母背面添加三位序号旳措施, 可以与详细旳机械功能产生联络旳元器件名称尽量与机械功能旳名称保持一致, 例如接触器命名为KM101, 热继电器命名为FR101。
精心整理电气工程CAD制图规范一.电气设计图纸格式图幅是指图纸幅面的大小,所有绘制的图纸都必须在图纸幅面以内。
1.图纸幅面电气工程图纸采用的基本幅面有5种:A0,A1,A2,A3,A4,各种图幅的相应尺寸如表1-2所示。
图幅分为横式和立式幅面。
表1-2图幅尺寸(单位:mm)幅面A0 A1 A2 A3 A4长1189 841 594 420 297宽841 594 420 297 2102.图框(1)图框尺寸。
在电气工程图中,确定图框的尺寸(如表1-3所示)有两个依据:一是图纸是否需要装订;二是图纸幅面的大小。
需要装订时,装订的一边就要留装订边。
图1-5为不留装订边的图框,图1-6为留有装订边的图框,右下角矩形区域表示标题栏。
表1-3图纸图框尺寸(单位:mm)幅面A0 A1 A2 A3 A4e 20 10c 10 5d 251-5不留装订边的图框图1-6留有装订边的图框(2)图纸线宽。
图纸的内框线根据不同的幅面、不同的输出设备宜采用不同的线宽,如表1-4所示;各种图纸的外框线均为0.25mm的实现。
表1-4图纸内框线宽(单位:mm)幅面绘图机类型喷墨绘图机笔试绘图机A0,A1 1.0 0.7A2,A3,A4 0.7 0.53.标题栏标题栏一般由名称、代号区、签字区、更改区及其他区组成,用于说明图的名称、编号、责任者的签名,以及图中局部内容的修改记录等。
各区的布置形式有多种,而且不同单位的标题栏也各有特色。
根据幅面的大小推荐两种比较通用的格式,分别如图1-7和图1-8所示。
图1-7设计通用标题栏(A0和A1幅面)图1-8设计通用标题栏(A2、A3和A4幅面)二、电气设计使用图线字体和比例做出了相应的规定,其中图线的相关要求如下。
1.基本图线1,根据国标规定,电气工程图中常用的线型有实线、虚线、点画线、波浪线、双折线等。
设备使用线条颜色(绿色);2,管道供水使用线条颜色为红色实线,回水使用线条颜色为红色虚线,冷凝水使用青色;3,阀门使用线条颜色为绿色;4,标注线(绿色),文字(白色);5,建筑基础,结构(白色);6,门窗(绿色);2.图线的宽度图线的宽度应根据图纸的大小和复杂程度,在下列数值中选择:0.18mm,0.25mm,0.35mm,0.5mm,0.7mm,1mm,1.4mm,2mm。
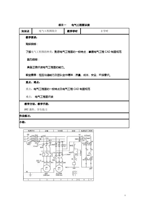
项目一电气工程图识读任务实施过程:引入:上图为电路图,电路图上元件我们大多都认识,也基本能读书懂工作原理,但电气制图规则与机械图样比还是有一些区别的。
基本知识一、电气工程图的种类1. 目录和前言2. 电气系统图和框图3. 电路图4. 接线图5. 电气平面图6. 设备元件和材料表7. 设备布置图8. 大样图9. 产品使用说明书用电气图10. 其他电气图二、电气工程图的特点1)简图是电气工程图的主要形式。
(2)元件和连接线是电气图描述的主要内容。
(3)功能布局法和位置布局法是电气工程图的两种基本的布局方法。
(4)图形符号、文字符号和项目代号是构成电气图的基本要素。
(5)对能量流、信息流、逻辑流、功能流的不同描述方法,构成了电气图的多样性。
三、电气工程CAD制图一般规则概述国家标准GB/T 18135—2000《电气工程CAD制图规则》电力行业标准DL/T 5127—2001.1 图纸格式1)幅面、图框、标题栏与机械图样相同(提问学生)2)图幅分区为确定图上内容的位置及其他用途,一些幅面较大、内容复杂的电气图要对图幅进行分区。
分格数应是偶数,并应按图的复杂性选取。
建议组成分区的长方形的任何边长都应不小于25mm,不大于75mm。
分区都应沿着一边用大写字母、另一边用数字做标记。
标记的顺序可以从标题栏相对的一角开始。
2.字体电气技术图样和简图中的字体,所选汉字应为长仿宋体(1)常用的文本尺寸宜在下列尺寸中选择:2.5mm、3.5mm、5mm、7mm、10mm、14mm、20mm。
(2)字符的宽高比约为0.7。
(3)各行文字间的行距不应小于1.5倍的字高。
(4)图样中采用的各种文本尺寸见书表4-1。
3.图线(1)线宽:根据用途,图线宽度宜从下列线宽中选用:0.18mm、0.25mm、0.35mm、0.5mm、0.7mm、1.0mm、1.4mm、2.0mm。
图形对象的线宽应尽量不多于2种,每两种线宽间的比值应不小于2。
电气cad绘图标准电气CAD绘图标准。
电气CAD绘图是电气工程设计中不可或缺的一部分,它直接关系到工程设计的质量和效率。
为了规范电气CAD绘图,提高绘图质量,制定一套电气CAD绘图标准是非常必要的。
本文将从绘图单位、图纸格式、图框设置、图层管理、文字标注、符号标注等方面,对电气CAD绘图标准进行详细介绍。
1. 绘图单位。
电气CAD绘图中常用的绘图单位有毫米、厘米、米等。
在进行电气CAD绘图时,应选择合适的绘图单位,并严格按照选定的单位进行绘图,以确保绘图的准确性和一致性。
2. 图纸格式。
在进行电气CAD绘图时,应选择合适的图纸格式,一般常用的图纸格式有A0、A1、A2、A3、A4等。
选择合适的图纸格式可以有效地提高绘图效率,同时也有利于图纸的归档和管理。
3. 图框设置。
图框是电气CAD绘图中非常重要的一部分,它包含了图纸的边界、标题栏、项目名称、图号、比例尺等信息。
在进行电气CAD绘图时,应根据实际需要设置合适的图框,并在图框中填写清晰、准确的信息,以便于工程师和施工人员的使用。
4. 图层管理。
良好的图层管理是电气CAD绘图的关键,它可以有效地区分不同的绘图内容,方便绘图的编辑和查看。
在进行电气CAD绘图时,应根据不同的绘图内容设置不同的图层,并严格按照图层管理规范进行操作,以确保绘图的清晰和规范。
5. 文字标注。
文字标注是电气CAD绘图中常用的一种标注方式,它包括了项目名称、图号、比例尺、文字说明等内容。
在进行电气CAD绘图时,应选择合适的文字标注方式,并保证文字标注的清晰、准确和统一,以便于工程师和施工人员的理解和使用。
6. 符号标注。
符号标注是电气CAD绘图中常用的一种标注方式,它包括了电气设备、电气元件、线路连接等内容。
在进行电气CAD绘图时,应选择合适的符号标注方式,并保证符号标注的清晰、准确和统一,以便于工程师和施工人员的理解和使用。
综上所述,电气CAD绘图标准在电气工程设计中具有非常重要的意义。
电气工程cad制图标准在电气工程CAD制图中,遵循标准是非常重要的。
标准化的CAD制图可以提高工作效率,减少错误,并且能够保证图纸的质量和准确性。
因此,本文将就电气工程CAD制图标准进行详细介绍。
首先,电气工程CAD制图标准需要遵循国家和行业相关标准,比如GB50198-2013《建筑电气工程施工图设计标准》、GB 50857-2013《建筑电气工程施工质量验收规范》等。
这些标准规定了CAD制图的基本要求、图形符号、文字标注、图框、图幅、图式等内容,是进行电气工程CAD制图的基础。
其次,在进行电气工程CAD制图时,应该注意图纸的规范化。
图纸的规范化包括图幅的选择、图框的设置、图纸的折叠方式等。
图幅的选择应根据实际需要进行合理选择,避免图幅过大或过小造成浪费或者不便。
图框的设置应符合国家和行业标准,包括图框线型、线宽、标注等内容。
图纸的折叠方式也应符合标准规定,便于存档和查阅。
另外,电气工程CAD制图中图形符号的使用也是非常重要的。
图形符号是电气工程CAD制图中的重要内容,它直接关系到图纸的准确性和可读性。
在使用图形符号时,应该选择标准的符号库,并且按照标准规定进行使用。
同时,应该注意符号的大小、线型、线宽等参数,保证符号的清晰和准确。
此外,文字标注也是电气工程CAD制图中的关键内容。
文字标注应该清晰、准确地表达图纸的内容,包括线路名称、设备型号、电压电流等信息。
文字标注的字体、大小、颜色等也应符合标准规定,保证文字的清晰和易读性。
最后,电气工程CAD制图中的图式也是需要特别注意的内容。
图式应该符合国家和行业标准,包括图式的绘制方法、线型、线宽等内容。
图式的绘制应该清晰、准确地表达电气系统的结构和连接关系,便于工程师和施工人员的理解和使用。
综上所述,电气工程CAD制图标准是非常重要的,它直接关系到图纸的质量和准确性。
在进行电气工程CAD制图时,应该严格遵循国家和行业相关标准,规范图纸的制作,保证图纸的清晰、准确和易读。
想干工控自动化?先学会CAD电气制图标准图形吧!
电气工程CAD制图规则-电气设计使用图线
不同的电气图,对图线、字体和比例有不同的要求。
国标对电气工程图的图线、字体和比例做出了相应的规定,其中图线的相关要求如下:
1.基本图线
根据国标规定,电气工程图中常用的线型有实线、虚线、点画线、波浪线、双折线等。
2.图线的宽度
图线的宽度应根据图纸的大小和复杂程度,在下列数值中选择:0.18mm,0.25mm,0.35mm,0.5mm,0.7mm,1mm,1.4mm,2mm。
在电气工程图中,图线一般只用两种宽度,分别为粗实线和细实线,其宽度之比为2:1.在通常情况下,粗线的宽度采用0.5mm或0.7mm,细线的宽度采用0.25mm或0.35mm。
在同一图纸中,同类图线的宽度应基本保持一致,虚线、点画线及双点画线的画长和间隔长度也应大致相等。
标准图形CAD。
电气工程cad制度规范一、总则1. 为规范电气工程CAD设计过程,保障图纸质量,提高工作效率,制定本规范。
2. 本规范适用于所有参与电气工程CAD设计的工程师、设计人员和技术人员。
3. 设计单位应建立并不断完善本规范,制定相关制度和流程。
二、CAD软件选择1. 电气工程CAD设计应选用专业的CAD软件,如AutoCAD、SolidWorks等。
2. 设计单位应保证软件的正版授权,保证软件的稳定性和可靠性。
3. 设计人员应熟练掌握所使用的CAD软件的操作技巧,能够熟练绘制电气工程图纸。
三、图纸编制要求1. 电气工程CAD设计图纸应按照国家标准、行业标准和公司标准编制。
2. 图纸应清晰、准确、规范,避免出现错漏,确保图纸质量。
3. 图纸应按照项目需求划分楼层、建筑部位,确保图纸结构清晰。
四、图纸绘制规范1. 电气工程CAD设计图纸应采用统一的图纸布局,包括图框、标注、图例等。
2. 图纸应统一使用正楷字体,字号不小于3.5mm。
3. 图纸中的文字应清晰可读,标注应明确准确。
4. 图纸应注意比例尺的设置,确保图纸的准确性和一致性。
五、图纸审查与修改1. 设计人员应定期对图纸进行审查,确保图纸质量。
2. 审查时应重点关注图纸的完整性、准确性和规范性。
3. 审查人员应及时提出修改意见,设计人员应及时进行修改。
4. 修改后的图纸应重新审查确认,确保修改的准确性和完整性。
六、图纸归档与管理1. 完成的电气工程CAD设计图纸应按照项目进行归档管理。
2. 图纸应按照楼层、功能、系统等分类存档,确保图纸的整理和查阅。
3. 图纸应备份存档,确保图纸的安全性和完整性。
七、附则1. 设计人员在进行电气工程CAD设计时,应严格按照本规范执行。
2. 设计单位应定期进行培训,提高设计人员的CAD技能和规范意识。
3. 本规范由设计单位负责解释,并不断完善和修改。
以上是电气工程CAD设计规范的基本要求,设计人员在日常工作中应严格遵守,确保图纸的准确性和规范性,提高工作效率和质量。
CAD绘制电气原理图的原则一般人都知道CAD是什么软件,但是知道ACE的人就少多了。
ACE是AutoCAD Electrical的简称,也就是电气版的CAD,用于绘制电气控制原理图,元件布局图和接线图,出工程图和报表。
熟练操作使用ACE 软件是电气工程师的必须具备的基本技能。
个人认为,跟机械专业的学生必学CAD一样,自动化专业,机电一体化专业的学生应该必学会ACE软件。
1)图中所有的元器件都应采用国家统一规定的图形符号和文字符号。
2)电气原理图的组成电气有所不同图由主电路和辅助电路组成。
主电路是从电源到电动机的电路,其中有防爆电器刀开关,熔断器,接触器主触头,热继电器发热元件与电动机等。
主电路用粗线绘制在图面的左侧或上方。
辅助电路包括控制电路,照明电路,信号电路及保护电路等。
它们由继电器,接触器的电磁线圈,继电器,接触器辅助触头,控制按钮,其他控制元件触头,控制变压器,照明灯,信号灯及控制开关等组成,用细实线绘制在图面的右侧或下方。
3)电源线的画法原理图中直流电源用水平线画出,一般直流电源的正极画在图面上方,负极画在图面的下方。
三相交流电源线集中水平画在图面上方,相序自上而下依L1,画出,控制电路与信号电路垂直在两条水平电源线之间。
耗电元件(如接触器,继电器的线圈,电磁铁线圈,照明灯,信号灯等)直接与下文水平电源线相接,控制触头接在上方电源水平线与耗电元件之间。
4)原理图中电气元件的画法原理图中的各电气元件均不画实际的外形图,原理图中只画出其带电部件,同一电气元件上的不同带电部件是按电路中的联接关系画出,但必须按国家标准规定的图形符号画出,并且用同一文字符号标明。
对于防火门设备几个同类电器,在表示名称的文字符号后加上数字序号,以示区别。
5)电气原理图中电气触头的画法原理图中各元器件触头状态均按没有外力作用时或未通电时触头的自然状态画出。
对于接触器,电磁式继电器是按电磁线圈未通电时触头状态画出;对于控制按钮,行程开关的触头是按不受外力作用时的状态画出;对于断路器和开关电器触头按断开状态画出。
教案编号:版本号:————————————————————————————————————————教学单元设计—电气C A D教学容与过程教学意图和手段一、课前准备相关资料准备,准备好电子课件,电气图形符号对照表和准备好电脑及CAD软件,保证教学正常进展。
二、教学过程步骤一:课程介绍( 10分钟)CAD是“计算机辅助设计〞Computer Aided Design的英文缩写,电气CAD是电气专业〔广义的电气〕采用CAD有关软件,比方AutoCAD,借助计算机,绘制电气专业的设计图〔电子版的〕,比方电路控制图等。
假设采用打印机也可出纸质图。
假设是机械专业的采用CAD,就绘制机械图,就是机械CAD。
步骤二:讲解制图规〔35分钟〕一、电气工程CAD制图规电气工程设计部门设计、绘制图样,施工单位按图样组织工程施工,所以图样必须有设计和施工等部门共同遵守的一定的格式和一些根本规定,本节扼要介绍国家标准GB/T18135—2000《电气工程CAD制图规那么》中常用的有关规定。
1.1图纸的幅面和格式1.图纸的幅面绘制图样时,图纸幅面尺寸应优先采用表13-1中规定的的根本幅面。
表13-1 图纸的根本幅面及图框尺寸代号 B×L a c e mm幅面A0 A1 A2 A3 A4 代号B×L 841×1189 594×841 420×594 297×420 210×297a 25c 10 5e 20 10其中:a、c、e为留边宽度。
图纸幅面代号由“A〞和相应的幅面号组成,即A0~A4。
根本幅面共有五种,其尺寸关系如图1-1所示。
幅面代号的几何含义,实际上就是对0号幅面的对开次数。
如A1中的“1〞,表示将全纸〔A0幅面〕长边对折裁切一次所得的幅面;A4中的“4〞,表示将全纸长边对折裁切四次所得的幅面,如图13-1所示。
必要时,允许沿根本幅面的短边成整数倍加长幅面,但加长量必须符合国家标准〔GB/T14689—93〕中的规定。
前言它的推广应用应以标准化为先电气科学技术的迅速发展编制特别是在电气制图中逐渐用为适应的需要准的型式规范表示包括连接线在内的一个电气系统或设备的多个部件或零件之间关系的图示电气制图可包括下述电气简图的绘制功能性简图接线位置和安装暂缺应是手工绘图还是制图最终形成的文件内容和作用是相同的应当是制图的过段及其简图的规范化程对简图式等方面的要求主要引用现行有效的有关电气制图和其他相关的国家反映特点的制图规则根据相关标准和经验分析总结本标准由全国文件编制和图形符号技术委员会提出并本标准起草单位机械科学本标准主要中华人民共和国国家标准电气工程制图规则范围本标准规定了电气工程制图一般规本标准适用于电气功能性概略路引用标准下列标准所包含的条文通过在本标准中引用而构成为本标准的条本标准出版本均为所有标准都会被修订使用本标准的各方应探讨使用下列标准最新版本的液压气动信息处理信息交换用七位编码字量和电器设备接线端子和特定导线线端的识别及应用字母数字系统的通则机械制图图机械制图尺寸注电气简图用图形符号电气技术中的项目电气设备电气技术用文件的编制第部分一般要电气技术用文件的编制第部分功能性电气技术用文件的编制第部分接线图和接线表导线的颜色和数字标有关电路和磁路技术制图标电气颜色标志技术制图图纸幅面和格技术制图技术制图技术产品文件计算机辅助设计与制图信号和连接线电气技术文件用文字符号第部分总则建筑物图投影方法过程检测控制功能和仪表符号画法第部分过程计算机国家质量技术监督局批准实施定义本章给出下列定他术语和定义见和简图采用图形符号和带注释的框来表示包括连线在内的一个系统或设备的多个部件或零件之间关系的图示概略图表示件中各项目之间的主要关系和连接的相对简单用单线表示功能图用理论的或理想的电路而不涉及实现方法来详细表示件等功能电路图表示件等实际电路按功能排列的图形符号来表示各元件和连接关表示功能而不需考虑项目的状接线表示或列出一个装置或设备的连接关它可以分为单元接线连接线图接线缆计算机辅助设计包括绘图与叙述的设计活信息处理的系统用计算机完成某项设计开发和应用制图软件应遵守的规则电气工程制图应符合电气制图一般要其细节见第章时应符合如下基本规建立相应的数据库为保持在所有文件之间及整套装置或设备与其文件之间的一致性应建立与电气工程制图软件配套的设计数数据数据便于扩用和管电气简图用图形符号库中的符号应符合符号的和设计应符合该标准和相关标准的要初始输入系统当需要在计算机系统之间传递设计数据数据传输过初始输入系统应采用公认的标准数据格选择和应用设计输入终端导则设计输入终端是图样录入和文件编制的重要方选择和应用这些输入终端时应遵守如下导则选用的终端符和所需格式方面支持适用的工业在数据库和相关图表方面设计输入系统应支持标准化格式以便设计数据能在不同的系统间传输或传送到其他系统作进一步初始设计输入应按所需文件编制方法进行数据的编排应允许补充和修不涉及大范围的改制图一般规则文件最后表示的一致性准则不管文件产生和贮存的方法和媒体如何最终文件必须遵守以下的一致性准准则与相关标准是一致图纸格式在图纸或相应媒体上编制的正式文件中其幅面应与的表和表相一图边和边中和定位标幅分区法及标题栏标识区的位置和尺寸应符合题栏的内容应符合次号每张图在标题中至少有一个相应图号由多张图组成的一个完整张图应有一个彼此相关的张次图线图线度和间距应符合该标准规定的点划型规定的边界号短长笔划任意组合的字体电气技术图样和简图中的字体应符合所用汉字应为长仿宋箭头和指引线箭头符号及其使用说明见的表示流体流动方向的箭头由指引线采用细实指向被注释指引线的终止方末端在连接线用与连接线和指引线都相接的短斜线或用箭头来终图中的末端在物体轮廓线内用一个圆点来终图末端在物体轮廓线上用一个箭头来终图末端在尺寸线必加终止符号见图图指引线的终止尺寸线终点和起点尺寸线的标注应符合起点标记的直径尺寸应为尺寸线宽的视图正投影图可采用规定的两种方法之一但在一种图中只应用一种投影方建筑场地图应符合比例按比例制图其比例选择应符合给出简图的布局信号流方向概略路图中的信号流主要流向应是从左至右或从上至信号流方向不明确时应在连接线上画上箭头的符号符号的布局在功能性简图中符号和电路应按工作顺序布局功能相关的符号应分组并彼此靠近布在控控系统功能组应布置在被控系统功能组的左边或在位置和安装组符号的布置位置应能表达相应元器件的实际简图中的图形符号简图中的图形符号应符合按的规则派生或如果所需符号未被标准化则应在简图或支持符号的选择当某些器件有不同型式的标准符号时例如的变感应调感器应按简图的实际用途从中符号的大小符号的含义取决其形状和内容它的大小和符号图线宽度一般不影响根据的符号设计规模数为便于标注端子的标选择连接间的距离为在电气制图中所有符号都应按此参数在中绘贮存在符号库在下述情况下可在简图中另行设计大小不同的符号为了增加输入或输出线数量为了便于补充信息为了突出某些方面为了把符号作为限符号的取向对于具有信号流取向本取向应设计成从左至当需要改变符号基本取向不改符号含义的条件下可以将其转向或取其镜像形电气制图软有符号转向或取其镜象的端子的表示法多数符号在简图中不必画出端子在某种情况如端子符号是符号的一部分则必须画出端子标出端子引出线的表示法数引出线的位置和画法仅作为示例给出在简图中在不改变整体符号含义的条件在符号其他位置画当引出线位置影响符号含义时则应按绘连接线除按位置布局的简图外连接线应为直线并尽量按水平或垂直取应尽量避免弯曲和交连接线的接在电气的接点处应画出接重要电路的表示简图中需要突出或区分的某些重要电路应当用粗实计划预留的连接线计划预留的连接线可用虚连接线的标记当连接线需要标记记应放在沿水平连接线的上边及沿垂直连接线的左放在连接线中断中断线当连接线需要穿过大部分幅面或稠密区域以中中断线的两端应有标标记可选用以下一种或多种信号代号或其他文字标记与壳或其他共用点相连的符号见的第章插位置标记见其他方平行连接线平行线分组当相邻的平行线达到或超过六根分组布概略图和电路图中应按功能分他连接线按不大于根连接线分为一组布线束简图中多根平行线可采用一根被称为线束的连接线表示具体表示法如下平行线被中少许间隔的短垂线之后画一根直线表示线束平行线中的每根线与表示线束的一根直线倾斜汇入线束的平行线标记当平行线顺序相同但次序不明显时应在第一根平行线端部标记一圆点当平行线顺序不同时应在每根平行线的每一端画出标必要时可按标记连接线数目信息总线如果连接线是表示传输若干信息按和连接线上标记总线指示围框和机壳围框简图中在功能或结构上属于同一单元的用的边界线规则的封闭围成围当表示一个单元的围框内有不属于该单元的采用由双短长划其他长短划线任意组围成的套装围框将这些项目围在其中并加文字如果端子板或连接功能或结构单元的一部分则应将其符号围在围框壳或屏蔽简图中应清楚地表示出与的简化方法简图中采用简化画法可以增加信息晰图端子一个元件上的多个端子可采用一个端子该端子线上标记端子数目代号可按原次序顺序标记中间用逗号隔开连续编号的代号可仅标出第一个和最后一个端子代号中间用省略符号隔两个或多个元件的多端子互连时所有元件的端子代号均应按从左到右的顺序对应相同符号构成的符号组数个相同符号构成的符号组可用一个符号表示但该符号上要加上一条短斜线并标记所代表的符号对长方形的符号可在方框内标记该符号代表的符号数目和乘号并加方括号例重复表示法器件中连接线未示出部分可在简图中省时的符号不代表完整的器件在符号中可补充功能标围框内的连接器或端子板在围框内作为一个单元的组成部分的连接器或端子板符号可省一个单元内用围框表示的电路如果一个单元内用围框表示的电路有更详细的围框内的电路可项目和端子代号简图中使用的项目和端子代号应符合在每个表示元件或其组成部分的符号处都应标注项目装置和设备项目仅对应唯一的项目代号的位置项目和端子代号均应标注在其旁时应标记在水平线的上面垂直线的左当上述标记位置难以实现代号可标在其他位置例如围框的里面或外面的适一张简图内项目代号的公共部分仅需标记在标题栏代号的取向项目代号应尽可能水平取端子代号取向应与连接线方向一信息的标记和注释为实现计算机处理的兼于组成信息代号的字符集只能限于中规定的代码表不包括控制字如计算机只能处理八位字荐采用如下字符大写字母数字否定符上横必须使用七位字符采用代字分隔符下横空项目代号分隔符冒算术运算符短划或减布尔运算符上圆特种字符信号代号长度限制在个字符以字母符号标记简图中的量和单位的字母符号应符合或如果图形符号表示的物理属性十分明则表示单位的字母可以省略例如电阻器符号旁的简化为位置标记表示项目在简图中位置的最常用方法是规定的图幅分区行的字母和列的数字或字母数字的组合代号确图幅分区的具体在图纸相互垂直的两边等分成若干偶数格任何等分的边长应不小于大于标记的字母和数字顺序可从左上角开在采用位置标记纸张或项目代号可放在位置标记之前或将位置分区代号放在括号元件的技术数据简图中的元件技术数据可标注在元件符号的里面或元件符号旁通常在项目代号信号波形标注信号波形可作为技术数据在简图中标注波形形状可可以是实际波复杂的波形可补充文字可采用下列标注方法沿连接线方向标注在水平连接线上边或垂直连接线左不得与连接线接触或相交将波形放在封闭好是圆形通过一条引线接到连接线上在连接处画一短斜单独放在其他位置并通过字说明等方式表示出连接线上的相应信号波二进制逻辑元件所含信息的标注根据的般信息可标注在符号轮廓线内限定符号的补充信息可标注在方括号注释和标识说明性信息可放在要说明对象附加上标如脚然纸边框线边缘附近按标记加以多张文件的一般性总注释应在首如果在设备控制盘上有人机控制功能的信息标则该信息标识也应标注在简图相关图形符号附单行书写的表达式的否定表示法推荐如下方法可选其用逻辑否表达之计算机不具备此符号可用代字在表达式后面加功能性简图通用规则功能性简图包括概略图和电路图它们应遵守第章和本章要求同时应分别遵守第第章要图形符号和电路的布局按第章要求从强调过号流向方面主电路应左至右或从上至下布局从强调功能关系项目的图形符号应彼此靠近集中布同时应考虑如下要为强调信号应尽可能保持为直线常用基础电路应采用标准模同等重要的或功能上相关的并联支路应对称布支电路中的平行相似项目应正布置在强调信号流向和强调功能关系有矛盾于在一个功能组模较小或不太复杂的设备优先考虑信号流向对于一个系统和复杂设备应强调总的功能结构优先考虑功能分位置表示法为便于寻找中断采用如下位置表示法图幅分区法见电路编号法即电路的各支路用数字标表格法即在简图外围列表中重复标出项目代号并与相应图形符号对项目的图形符号图形符号可用来表示一个具如一个具体元件也可用来选择应符合元件表示法对于较简单的电路可给出的集中表示法和组合表示当电路比较复杂采用以下表示半集中表示法元件功能上有联系的各部分的符在简图中展开布置采用虚线表示的连接符号功能上有联系的各部分的符号连接起清晰地表示电路这种方法通常用于表示具有机械功能联系的元分开表示法元件中功能上有联系的各部分散于图上的表示法各部分采用元件的同一个项目代号表示为同一元必要时可示出从激励动其他部分的位置检索的信息可制成插图或插于激励动独置于其他处并标明去重复表示法元件中每个具有独立功能的组成部分在几处用集中表示法每一处只多次出现的同一端子都应标注端子代号但连接只需在一处重复的端子代号可加括号或使用特殊的识分立表示法元件中具有独立功能的各组成部分之间如不存在功能性连接或联这些组成部分的符号可以分开示于图表示元件组成部分的每个符号表示是同一元件的项目几种表示法的结合使用元件中功能上独立的组成部分的组合表示法和分立表示法可根据元件的具体集中表示集中表示开表示法和重复表示法之一结合组成部分可动的元件表示法工作位置或状态的绘制单一稳定状态的手动或机电元件应绘出非激励或断电状态例如继电触合器断路器和隔离开关绘制在断于具有两个或多个稳定状态的其他开关电器可绘制在任何标有断的多个稳定位置的手动控制开关绘制在断按其他规定位置绘制功能说明对于功能复杂的手动控制开关可采用表等说明其动作用触点符号表示半导体开关的方法可以用触点符号表示无触点的半导体开触点位置按辅助电源接通时初始状态绘触点符号的取向为了与设定的动作方向一点符号的取向应该是当元件受激时水平连接线的触点动作向上垂直连接线的触点动作向借助软件实现的功能如果需要表明功能是借助软件实现应使用中的六角形符号作限电源电路的表示法简图中元件的供电连接可采用电源连接线表格注释电源线可集中在简图的一电源线也可以中方框符号上的电源线通常与信号流成直角绘电与非电组合电路的表示法简图中电与非电组合电路的功能关系应表示二进制逻辑电路的表示法当用二进制逻辑元件符号表示硬件确定采用以下两种方法之一表示逻辑状态和表示状态的物理量电的关系采用逻辑非这种方法要求对图的全部或一部分采用单一逻辑约定正逻辑约定或负逻辑约采用逻辑极性表示单一逻辑约定正逻辑约定对每个逻辑连接物理量正得较多的电外部状态相对应正得值较少的电外部逻辑态相对应并在图中标记如下符号负逻辑约定对每个逻辑量正得较少的电外部态相对得较多的电外部逻辑态相对并在图中标记如下符号逻辑极性表示法每一个二进制逻辑元件的每一输入或输出内部逻辑状态电平之间的关直接用逻辑极性指示符的有无来具体地说在输入或输出端有逻辑极性指示该电平与内部态相对应无逻辑极性指示符表示该平与态相对部逻辑电平与信号状的关系只由信两类图形符号的应用当在图中采用单一逻辑约定时不得再采用逻辑极性指示在单一逻辑约定的功能尽量减少逻辑非的符号数便于理解图的在电路元件的输入端和馈送到该输入端的信号源上逻辑极性逻辑非符号应尽可在逻辑电路中可能产生逻辑符号失配为突出这种失配应在连接线上加失配一短垂线电流方方压极性支路中的电流基准方方压基准极性的标记以及耦合电路的电压极性之间的对应关系应符合常用基础电路的模式常用基础电路应采用标准的固定的模式包括无源二端网络共基发集电极耦合放大器基本双稳态电路基本桥式路电路模式细节见的简化方法相同支路的简化电路中的两个或多个同样的支用一个支路和中的支路符号功能单元功能组或结构单元的简化功能单组或结构单元可采用端子功能图或方框符号时应在端子功能图或方框符号内给出详细信息的检索标重复电路的简化重复布置的电路可以只详细绘制一他电路采用适当的简化表示方时应详细示出被简化电路中元件与详细电路中元件的对照关补充信息为了有助于对电路的理解和运用可在图中增加如外部电路和文字说明一类的补充概略图概略图应表示出套件等的概况并示出各主要功能件之间主要部件之间的主要关概略图可做为编制功能路图等更详细简图的依布局概略图应按功能布局法绘可补充位置当位置信息对理解功能很重要网路采用位置布局概略图可以在功能或结构的不同层次上绘高的层次描述总的层次描述系统中的分某一层次的概略图应包含检索描述较低层次文件的标概略图用以表示项目的包括方框符号在内的图形符号的做到使源和材料的流程清于区分辨必要时每个图形符号应标注项目非电过程控制系统的概略图非电过程控制系统的概略图应以其过程的流程图为依据绘功能图功能图应表示套件等功能特性的细节但不考虑功能是如何实现功能图至少应包括必要的功能图形符号功能信号主要控制还可以包括如波法等一般不包括和端子组装电路图用途和内容电路图应表示套备等实际电路的细节但不必考虑其组成项目的实体尺状用为了解电路所起的作用提供一定信息为编制接线文件提供必要为测试和查询故障提供必要信息为安装和维修提供电路应包含的内容表示电路中元件或功能件的图形符号元件或功能件之间的连接线项目代号端子代号用于逻辑信号的电平约定电路寻迹所必需的检索标了解功能件必需的补充多引出端元件的图形符号对于具有很多引出数百元件如果其图形符号在单张简图上所占位置过对读图不便时可采用如下方法表示如果元件有若干个功能上独立的部分可采用分立表示法表示如果元件有若干个功能上相关的部分可采用半集中表示法如果可能可用内部功能图和内部连接线代替元件的符号采用简化方用单个端子符号表示相关的多个细节用单独的图或表说明如果没有替代方法则可将符号框分隔成几主电路的表示方法在发电厂控制系统的电路图中主电路的表示法的选择应以便于研究主控系统的功能为原通常对主电路或其一部分采用单线表示法需要时也可采用多线表示法例如表示互感器的元件的未使用部分元件中功能上相关而未使用的路中示出或注分布分布连接是指某些逻辑单元仅通过连接而不需要附加的逻辑单元就能完的用分布连接实现的或功能分别称为分布采用以下两种表示法方法连接点符号加逻辑或定符号由于方法没有方以不可能使用输入和输出限方法方框符号代替连接点并在方框内在方法以方框符号的输入和输出端使用逻辑非符号和极性指示图示出了两种分布连接表示法方法方法与或图两种分布连接表示法的图形符号接线图和接线表通用规则一般规定接线文件应包含识别每一连接的连接点以及所用导线或电缆的对端子接线图和端子接线表则只需示出一必要时可含下列信息导线或电缆的种缘压额定线数其导缆号或项目代号连接点的标记或表示方项目端子表示端标敷头等说明或方法导线或电缆长度信信号的技术数。