过程检验控制计划
- 格式:pdf
- 大小:155.88 KB
- 文档页数:4
目录一、施工过程控制 (1)二、过程控制及检验 (4)三、工程项目策划控制 (4)四、文件和资料的控制 (5)五、采购及物资管理控制 (7)六、工程项目施工控制 (8)七、检验和试验控制 (10)八、监视和测量装置控制 (11)九、检验和试验状态 (13)十、不合格品的控制 (14)十一、纠正和预防措施控制 (16)十二、质量记录控制 (18)十三、服务 (19)十四、生产要素的质量控制 (19)十五、工序质量控制及质量控制点 (22)十六、建立、健全各项质量管理规章制度 (23)施工过程控制与检验措施一、施工过程控制1、质量控制的程序性任何工程项目都是由单元工程、分部工程和单位工程所组成,而工程项目的建设则是通过一道道工序来完成的。
施工项目的质量控制过程是从工序质量到分项工程质量、分部工程质量、单位工程质量的全系统控制过程。
施工项目质量控制主要是对投入产品质量控制、对施工及安装工艺过程质量控制和对产出品的质量控制这三个方面进行控制。
2、质量控制的阶段性为了加强对施工项目质量控制,明确各施工阶段质量控制的重点,可把施工项目质量控制分为事前控制、事中控制和事后系统过程,控制三个阶段,即由投入原材料的质量控制开始,直到完成工程质量检验为止的全过程的质量控制具体详见后附图。
3、各阶段控制内容3.1 事前质量控制事前质量控制指在正式施工前进行的质量控制,其控制重点是做好施工准备工作,且施工准备工作要贯通于施工全过程中施工准备的范围:单位工程施工准备,是以一个建造物或者构筑物为对象而进行的施工准备分项(部)工程施工准备,是以单位工程中的一个分项(部)工程或者雨期施工为对象而进行的施工准备项目开工前的施工准备,是在拟建项目开工前所进行的一切施工准备项目开工后的施工准备,是在拟建项目开工后,每一个施工阶段开工前所进行的施工准备施工准备的内容:技术准备,包括:熟悉和审查项目施工图纸;项目建设地点的自然条件、技术经济条件调查分析,编制项目施工图预算和施工预算;编制项目施工组织设计等;物质准备,包括:建造材料准备、构配件和制品加工准备、施工机具准备、生产工艺设备的准备等;组织准备,包括:建立项目组织机构;集结施工队伍;对施工队伍进行入场教育等;施工现场准备,包括:控制网、水准点标桩的测量;“五通一平”,生产、生活暂时设施等的准备;组织机具、材料进场;拟定有关试验、试制和技术进步项目计划;编制季节性施工措施;制定施工现场管理制度等;3.2 事中质量控制事中质量控制是指在施工过程中进行的质量控制。
机动车检测质量控制计划引言概述:机动车检测质量控制计划是指为了保证机动车检测工作的准确性和可靠性而制定的一系列措施和规范。
通过建立科学的质量控制计划,可以提高机动车检测的效率,减少错误率,保障公众的交通安全。
本文将从五个方面详细介绍机动车检测质量控制计划的内容。
一、检测设备和仪器的质量控制1.1 确保设备的准确性:定期校准检测设备,确保其准确性和可靠性。
采用标准样品进行校准,比对检测结果,及时修复或者更换不许确的设备。
1.2 保养和维护设备:建立设备保养维护制度,定期对设备进行保养和维护,确保设备的正常工作状态。
定期清洁设备,检查设备的各项指标是否符合要求。
1.3 质量监控抽查:定期进行质量监控抽查,对检测设备进行抽查,验证其准确性和可靠性。
对抽查结果不合格的设备,进行整改或者淘汰。
二、检测人员的质量控制2.1 人员培训:对检测人员进行全面的培训,包括理论知识、操作技能和工作纪律等方面。
定期组织培训班和考试,确保检测人员的专业水平和素质。
2.2 质量监督和考核:建立质量监督和考核制度,对检测人员进行日常监督和定期考核。
监督检测人员的工作流程和操作规范,及时发现和纠正不规范行为。
2.3 经验交流和学习:组织检测人员进行经验交流和学习,定期召开座谈会和研讨会,分享工作经验和技术成果,提高整体水平。
三、检测流程和标准的质量控制3.1 建立标准化流程:制定机动车检测的标准化流程,明确每一个环节的工作内容和要求。
确保每一个环节都按照标准化流程进行操作,减少人为因素的干扰。
3.2 定期检查和评估:定期对检测流程进行检查和评估,发现问题和不足之处,及时进行改进和优化。
建立问题反馈机制,接受用户的意见和建议。
3.3 质量控制记录和报告:建立质量控制记录和报告制度,记录每次检测的过程和结果。
对异常情况进行分析和研究,提出改进措施,确保质量控制的有效性。
四、数据管理和信息安全的质量控制4.1 数据采集和录入:建立规范的数据采集和录入流程,确保数据的准确性和完整性。
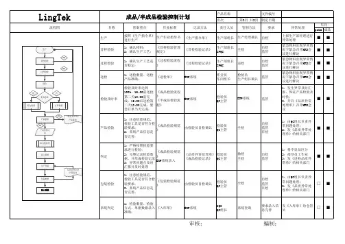
编号J-COP-23-2011 昆山杰特兴电子实业有限公司版本A1文件类别程序文件页码 1 / 4文件名称过程检验控制程序生效日期2011-9-201 目的确保过程的稳定、确保生产中的半成品符合质量体系要求,及早发现不符合规定的产品和工艺控制过程中产生的不良,以确保生产的顺利和产品质量。
2 适用范围适用于整个生产检验过程。
3 主要职责3.1 质量部负责首件及过程的检验与判定及不合格回复对策的跟踪;以及对产品检验过程的监控、指挥及与其它部门的沟通、协调;3.2 工程部负责生产异常分析、处理意见及生产设备的维护与保养;以及生产过程不合格发生的原因分析。
3.3生产管理部负责不合格品的处理及生产设备的点检;4 程序内容4.1检验规范4.1.1新产品检验前,质量部依据产品规格书及工艺文件作成产品检验规范或作业指导书。
4.2 成品组装过程4.2.1生产前的准备工作4.2.1.1产品生产前QC应及时掌握产品的功能及检查重点;4.2.1.2 当出现有:工程变更、工艺变更、重要生产设备变更、其它批号的零部件投入生产、换线生产时需做首件确认;4.2.1.3 准备好相应的资料,如:<<成品组装控制计划>>,<<产品检验规范>>,图纸,样板及相关检验规范。
4.2.2 首件确认4.2.2.1 根据生产计划部提供<<生产投料单>>检验员依据图纸核对零件名称,编编制审核批准日期日期日期昆山杰特兴电子实业有限公司编号J-COP-23-2011版本A1文件类别程序文件页码 2 / 4文件名称过程检验控制程序生效日期2011-9-20 码(版本)、环保状态等是否正确;4.2.2 首件确认4.2.2.1 根据生产计划部提供<<生产投料单>>检验员依据图纸核对零件名称,编码(版本)、环保状态等是否正确;4.2.2.2 依据<<成品组装控制计划>>、检验规范、图纸等对产品的重点组装尺寸和外观等进行检验;4.2.2.3 依据相关工艺文件或工艺卡,核对所用设备的重点参数是否正确及相关人员是否定时点检并记录;4.2.2.4 如遇公司重大变更,以公司高层临时决议检验;4.2.2.5 正常生产前首检5PCS产品或按<<成品组装控制计划>>规定的数量作为产品首件检验;4.2.2.6 只有以上所有过程、产品检验合格后方可正常量产,当对过程首件产品检验不合格时,按《不合格品控制程序》进行管理。
检验科2017年质控计划本年度为了加强检验科的质量管理,坚持以“患者为中心”,牢固树立为人民服务的宗旨,把持续改进医疗质量和保障医疗安全作为检验科管理的核心内容,为人民群众提供优质、高效、安全、便捷和经济的医疗服务,不断满足人民群众日益增长的医疗卫生要求。
近年来,随着我科先进医疗设备的应用和技术人员素质的提高,检验科管理工作的进一步实施,本检验科将根据ISO15189质量管理体系的经验,从体系文件的编写、人员积极性的调动、人员素质的提高、检验全过程(检验前、中、后)的质量控制、室间质评及管理评审等方面,结合自身实际,求真务实,不断探索,持续改进,在检验科中建立行之有效的质量管理体系。
一. 严格执行标准操作规程严格执行已编写的质量手册、程序文件和作业指导书。
质控小组和科室负责人要定期督导检查,发现问题,及时提出持续整改措施。
二. 管理层要高度重视质量管理体系的建立绝不是短时间就能完成的工作,有效的运作必须是全体人员的积极参与和通力合作。
因此,科内生物安全小组和质量控制小组,要充分调动全体人员的积极性。
三. 提高人员素质人员素质和能力是影响到实验室检验质量的关键环节之一。
加强人员培训是有效的手段。
检验科要根据发展的需要、工作的复杂性、转岗等不同情况进行生物安全培训和三基三严训练,提升检验人员的技术水平。
培训形式灵活多变,可采取科内业务学习、科外培训、请专家授课的形式。
为保证培训质量,建立完善的培训-考核-授权制度,变“要我培训”为“我要培训”的主动局面。
四. 对检验全过程进行有效控制检验工作自检验申请单的开出、患者的准备、标本的采集和送检、标本的接收、标本的检测直至检验报告单送抵申请者(或患者)手中是一条相互关联的多环节的工作链,其中任何一个环节出现差错,均直接影响到检测结果的可靠性。
因此,必须对其全程控制。
为保证有效性,将检验全过程划分为检验前、检验中、检验后三个独立环节进行管理,使其独立性得到强化、突出。
工程质量检测控制方案范文一、前言工程项目是由多方面的工作组成的,而工程质量是决定工程项目成败的关键因素。
为了确保工程质量,检测控制方案是必不可少的。
本文将详细介绍工程质量检测控制方案的制定和执行过程。
二、背景工程质量检测控制方案是指在工程项目的各个阶段,通过对工程质量进行检测和控制,确保工程项目达到设计要求、符合相关标准和规范的方案。
在工程项目的实施过程中,工程质量检测控制方案是非常重要的,可以有效预防和处理工程质量问题,确保工程项目的按时按质完成。
三、目的本工程质量检测控制方案的主要目的是为了保证工程项目的质量标准、安全性和可靠性。
通过实施有效的检测控制方案,可以及时发现和处理工程质量问题,提高工程项目的质量和效率。
四、制定过程1. 项目立项阶段:在项目立项阶段,需要明确工程项目的质量目标和要求,明确工程质量检测的层次和范围,确定相关的标准和规范。
同时,还需要制定相应的工程质量检测标准,包括工程质量控制的技术指标和工作程序。
2. 项目实施阶段:在工程项目实施阶段,需要对工程质量检测控制方案进行具体的实施。
包括制定工程质量检测计划、组织检测人员和设备,并建立相应的检测控制台账。
同时,还需要确保检测控制方案的执行,监督工程质量的全过程。
3. 项目验收阶段:在工程项目的验收阶段,需要对工程质量检测控制方案进行总结和评估。
包括对检测控制方案的执行效果进行评价,发现和分析存在的问题,并提出相应的改进措施。
五、实施方案1. 工程质量检测标准的制定在制定工程质量检测控制方案的过程中,需要明确相关的标准和规范。
这些标准和规范包括技术标准、安全标准、质量标准以及验收标准等。
这些标准和规范将成为工程质量检测控制方案的依据和要求。
2. 工程质量检测计划的制定根据项目的实际情况,制定相应的工程质量检测计划。
工程质量检测计划包括检测的内容、范围、方法、要求,以及相应的时间节点。
通过对工程质量检测计划的制定,可以有效地明确相关的工作任务和责任。
控制计划基本要素(控制计划要求)定控制限制检验方法检验记录纠正措施填入反应计划编号填入样本容量或频率填入控制方法,如SPC或其他方法填入产品或过程的规定,如图纸、标准或其他规范填入控制限制,如上限、下限或其他限制填入检验方法,如外观检查、尺寸测量或其他方法填入检验记录的形式,如检查表、记录卡或其他形式填入纠正措施,如停机、修理或其他措施确保在样件、有效生产和生产这三个阶段都有反应计划根据产品或过程的特点和要求,确定样本容量或频率选择适当的控制方法,确保产品或过程在规定范围内根据产品或过程的规定,确定控制限制选择适当的检验方法,确保产品或过程符合规定要求记录检验结果,确保产品或过程符合规定要求对不符合要求的产品或过程,采取纠正措施,确保问题得到解决评价测量技术的特性应该包括所有适用文件的编号,如过程流程图、已编号的计划、FMEA和草图相互参照用的编号。
这些文件描述了部件、零件或总成的特性和性能。
同时,必须识别出产品的特殊特性,并确保所有特殊特性都包含在控制计划中。
制造者还必须识别出其他必须控制的产品特性。
过程特性是与被识别的产品特性具有因果关系的过程变量,也是输入变量。
一个过程特性可能影响多个产品特性。
核心小组必须识别和控制其过程特性的变差以最大限度减少产品变差。
特殊特性分类必须按顾客的要求进行特殊特性的分类,如顾客指定符号时,对那些影响顾客安全、法规符合性、功能、配合或外观的重要特性必须被识别出。
特性可以被标识为:“关键”、“主要的”、“安全的”、“重要的”。
控制计划中需要填写规范及其公差要求,这些信息可以从产品和过程设计和开发输出中获得。
同时,需要的测量系统也需要在控制计划中列出,包括测量零件/过程/制造装置所需的量具和检具、工具及试验装置。
列入控制计划的测量系统必须先完成测量系统分析,确保测量有效。
当需要取样时,需要列出相应的样本容量和频率。
控制方法取决于过程的类型,所用的控制必须是基于对过程的有效分析。
在2024年的检验检测工作中,质量控制计划将作为指导和规范,以确保检测结果的准确性和可靠性。
以下是一份详细的检验检测质量控制计划:一、质量控制目标1.确保所有检测活动都遵循相关的国家标准和行业规范。
2.维持和提高检测实验室的技术能力和管理水平。
3.持续改进检测流程,提高工作效率。
4.确保检测数据的准确性和可靠性。
5.建立和保持客户满意度。
二、质量控制组织架构1.成立质量控制委员会,由实验室负责人担任主席,负责制定和监督执行质量控制计划。
2.设立质量控制主管,负责日常的质量控制工作。
3.各检测部门设立质量控制专员,负责本部门的质量控制活动。
三、质量控制程序1.检测前准备:△确认检测标准和规范。
△准备检测设备和试剂。
△进行设备校准和维护。
2.检测过程中:△执行标准操作程序。
△记录检测数据和结果。
△进行室内质量控制,如使用标准物质进行校准和监控。
3.检测后:△数据处理和分析。
△结果解释和报告。
△进行外部质量控制,如参加实验室间比对和能力验证计划。
四、质量控制措施1.设备管理:△定期校准和维护检测设备。
△建立设备档案,记录使用和维护情况。
2.标准物质管理:△确保标准物质的有效性和溯源性。
△定期检查和更新标准物质。
3.人员培训:△提供定期的理论和实操培训。
△确保所有检测人员熟悉标准操作程序。
4.样品管理:△建立样品的接收、处理和保存程序。
△确保样品的代表性和完整性。
5.记录管理:△建立电子和纸质记录的双重备份系统。
△确保记录的完整性和可追溯性。
6.结果质量保证:△实施质量保证项目,如方法验证和确认。
△进行复核和审核,确保结果的准确性。
五、质量控制监督和改进1.内部审核:△定期进行内部审核,评估质量控制计划的执行情况。
△根据审核结果进行必要的纠正和预防措施。
2.客户反馈:△收集和分析客户反馈,识别潜在的质量问题。
△采取措施改进服务质量。
3.持续改进:△基于审核和反馈结果,持续改进质量控制计划。
△保持与相关标准的符合性,如ISO/IEC 17025:2017《检测和校准实验室能力的通用要求》。
检验和试验控制程序1 目的:规范自原料进厂到成品出厂所实施的检验和测试的程序,从而确保本公司的产品能符合产品的质量标准。
2范围:适用于本公司的产品及构成产品的原物料及其辅料。
3 职责3.1质保部负责产品的过程检验和试验。
3.2工程部u负责编制、批准检验计划文件。
u负责批准产品的例外发行。
u 负责处置质量争议。
3.3 注塑部作业员负责工序产品的自主检验。
4 程序4.1所有产品及其原材料、辅件,均须按照本公司之检验计划文件予以检验。
4.2 原材料检验4.2.1 原材料之检验按照原料检验计划文件予以检验。
4.2.2 进料检验(IQC)在接收仓库送检单后的4小时内必须将待检品检验完毕,并填写“产品检验报告”将相关信息通知各相关部门,如产品不合格按照《不合格品的控制程序》作业。
4.3 过程产品的检验4.3.1 制程检验(IPQC)按照检验计划文件的要求对产品外观、尺寸、装配等项目按规定频次进行抽查,将抽查情况记录于“巡检检验报表”。
4.3.2生产车间正常量产或停机前,须填写“首/未件确认报表”给IPQC作首/ 未件确认。
4.3.3巡检(IPQC)对首/未件进行检验,记录于“巡检检验报表”的相应时间段内,并填写“首/未件确认报表”。
4.3.4作业员应对照首件样品对工序产品外观进行全数自主检验并将检验结果记录于“质量统计表”。
具体参见《首/末件检验规定》。
4.3.5出货检验(OQC)应按照检验计划文件的要求对库存的产品进行抽查并对产品标签、数量以及包装质量进行确认,填写“产品检验报告”。
4.3.6 产品标识按照《产品标识可追溯性控制程序》及《不合格品的控制程序》之相关规定作业。
4.4样品检验试验程序样品主要是指新模试制、模具尺寸或结构更改后试料以及材料更换后试制的产品。
样品的具体参见《样品管理规定》。
4.5内部实验室本公司内部实验室按《实验室工作说明》执行。
4.6外部实验室接受本公司检验、试验和校准服务的外部实验室应符合ISO/IEC17025或国家同等的认可的国家标准。
过程检验控制程序(ISO9001-2015)1、目的本程序规定了公司生产过程的检验方法,目的是为了对生产过程进行监视,使生产过程中产品按形成文件的程序之规定进行检验和试验,及时发掘问题并对其进行有效处理,以确保产品质量符合/满足顾客和/或公司规定要求。
2、范围适用于公司各生产过程中的在制品(半成品)的检验控制。
3、职责3.1 PIE部:负责编制生产、装配流程图、工艺卡、作业指导书及过程检验指导书。
3.2 全面质量管理小组:负责确定生产工程/工序所需采用的统计过程控制、防错等控制方法,找出潜在不合格因素并防止缺陷发生。
3.3 生产车间3.3.1生产车间巡检按工作指导书/控制计划等文件对正在生产、装配中的产品以及转序的半成品进行巡检。
3.3.2操作人员按作业指导书及工艺卡等相关工作指导书对首件产品进行检验,并对工序质量进行控制,下道工序操作人员对上道工序完工产品进行互检。
3.4 品保部:品保部巡检按工作指导书/控制计划等文件对正在生产、装配中的产品以及转序的半成品进行巡检。
4、内容作业流程序号流程流程说明相关记录14.1 过程检验共分为自检、首检、互检、抽检、巡检、全检、完成品检查阶段,其具体的执行工作如下:4.1.1 自检:生产车间的操作人员对自己加工的产品进行自主检验,其检验项目、检验内容、检验方法按相应的作业指导书及工艺卡等相关规定执行,并根据其进行判定记录于工单或工序安排表。
4.1.2 互检:生产车间的操作人员对上工序加工的产品进行互相检查,发现问题及时反馈上工序或拉长。
4.1.3 抽检:4.1.3.1品管按检查规范对转序的产品按标准进行抽样检查。
4.1.3.2品管按ORT可靠性试验管理办法抽样送实验室进行测试。
4.1.4全检:4.1.4.1检验员或QC按检验作业指导书要求进行100%检查检验。
并根据判定情况进行记录。
4.1.4.2 公司全检项目及相关记录项目检验记录发热盘来料来料全检记录喷漆壶身来料全检记录委外壶身来料全检记录抛光抛光全检记录丝印丝印全检记录PCB检测PCB全检记录壶身下拉下拉全检记录气密性测试气密全检记录内检内检全检记录干烧干烧全检检验煲机煲机全检记录摆水摆水全检记录外观检查外观全检记录功能检查功能全检记录4.1.5 首检:生产车间的操作人员应在正式生产前对所加工的产品进行首件检验,按作业指导书及工艺卡、产品要求及客户要求等相关规定执行,并根据其进行判定。
过程品质控制程序(ISO9001-2015)1、目的对本公司生产过程中的产品进行检测和试验,以判断产品加工过程状态是否合格,并对其进行有效的标识和控制。
确保只有经检测、试验合格的产品才能继续生产。
2、范围本程序适用于本公司生产过程中产品的检验和试验。
3、术语3.1首件:指下列情况下生产的第一件合格产品。
a)每个工作班次开始;b)生产中更换操作者或更换品种后;c)更换模具、工装、机床维修后;d)工艺文件做了更改后。
3.2末件:是在班次结束,更换新品种前及调整生产设备、工装和工艺参数前生产的最后一件产品。
4、职责4.1品质部4.1.1负责过程质量检验标准文件的制定;4.1.2负责生产过程产品的检验和试验,及检验记录的归口管理,并配合技术部进行产品的检验策划;4.2技术部4.2.1负责生产流程计划与产品质量控制计划的制定;4.2.2负责产品生产工艺的确定及工艺改进;4.2.3负责产品标准作业指导书的编制;4.3生产各车间4.3.1负责产品生产工艺的调整;4.3.2负责生产前各种物料的准备,工序作业中的自检;4.3.3负责对已检产品进行标识控制和处理并确保不合格产品不得转入下一工序或加工使用。
5、工作程序5.1产品检测策划5.1.1技术部对产品的过程生产制定控制计划,及生产工艺流程。
5.1.2品质部根据产品技术部编制的《控制计划》,制定产品工序质量检验指导书,并对检验项目配置相应的检测工具。
5.1.3品质部和生产部根据产品的试制进度计划,对IPQC,组长及操作工进行产品质量、检验要求及量检具使用的培训。
5.2产品生产准备5.2.1在生产开始前生产车间组长对人员进行生产安排,并向操作工明确生产作业的要求及注意事项。
5.2.2技术部技术员对生产所需的设备、工装夹具进行检验和验证,是否处于可生产的状态,各种生产物料是否齐备。
5.2.3IPQC对生产的产品质量要求和过去生产中出现的质量问题向生产员工进行说明,并要求在生产过程中注意检查。
在2024年的控制计划与检验计划中,我们将致力于确保公司运营的高效性和产品的质量。
以下是我们计划的关键要素:一、质量目标与政策我们的质量目标是在2024年实现客户满意度达到95%以上,产品合格率维持在99%。
为了实现这一目标,我们将继续执行严格的品质政策,强调持续改进和全员参与。
二、组织与职责我们将明确各部门在控制和检验过程中的职责,确保每个环节都有专人负责。
质量管理部门将负责制定和执行质量标准,并提供必要的培训和资源。
生产部门将负责按照标准流程进行生产,并实施自检。
采购部门将确保原材料的质量符合要求。
三、流程控制我们将对生产流程的每个环节进行监控,包括原材料的接收、生产过程、产品包装和发货。
通过使用先进的质量控制工具,如SPC(统计过程控制)和FMEA(失效模式与影响分析),我们将能够及时发现和纠正潜在的问题。
四、检验计划我们将制定详细的检验计划,包括进货检验、过程检验和最终产品检验。
进货检验将确保原材料的质量符合要求,过程检验将监控生产过程中的关键参数,而最终产品检验将确保产品的功能和外观都符合我们的质量标准。
五、纠正措施与预防措施对于发现的任何质量问题,我们将立即采取纠正措施,并分析原因以防止问题再次发生。
我们将实施预防措施,以避免潜在的质量风险。
六、记录与报告我们将保持详细的记录,包括检验结果、纠正措施和预防措施的实施情况。
定期报告将提供给管理层,以便他们能够监控质量目标的实现情况。
七、持续改进我们将持续寻找改进质量控制和检验流程的机会。
通过定期审核和内部质量审计,我们将识别并实施最佳实践,以提高效率和质量。
八、资源与培训我们将确保提供足够的资源,包括设备、软件和人员,以支持我们的控制和检验计划。
同时,我们将提供定期的培训,以确保员工具备必要的技能和知识,以执行高质量的工作。
通过上述计划,我们有信心在2024年及以后实现并维持高水平的产品质量和客户满意度。
我们将不断努力,确保我们的产品和服务满足并超过客户的期望。
质量监督检验控制计划在当今竞争激烈的市场环境中,产品质量是企业立足和发展的关键。
为了确保产品质量符合标准和客户的需求,制定一套科学、合理、有效的质量监督检验控制计划至关重要。
本文将详细阐述质量监督检验控制计划的重要性、主要内容以及实施步骤。
一、质量监督检验控制计划的重要性质量监督检验控制计划是企业质量管理体系的重要组成部分,它为产品质量的稳定和提升提供了有力的保障。
首先,它有助于预防质量问题的发生。
通过在生产过程中的各个环节设定检验点和检验标准,能够及时发现潜在的质量隐患,采取措施加以解决,避免不合格产品的产生。
其次,能够提高生产效率。
明确的检验流程和标准减少了不必要的重复检验和返工,使生产过程更加顺畅,缩短了生产周期。
再者,增强客户满意度。
高质量的产品能够满足客户的期望,树立企业良好的品牌形象,提高市场竞争力。
最后,有助于企业降低成本。
减少废品和次品的产生,降低了原材料和劳动力的浪费,提高了企业的经济效益。
二、质量监督检验控制计划的主要内容1、产品质量标准明确产品应达到的质量要求,包括性能、规格、外观等方面的标准。
这些标准应依据相关的国家标准、行业标准以及客户的特殊要求来制定。
2、检验流程详细描述从原材料采购到成品出厂的整个检验过程。
包括进货检验、过程检验和成品检验等环节,确定每个环节的检验项目、检验方法、检验频率和检验人员。
3、检验设备和工具列出所需的检验设备和工具,如量具、仪器仪表等,并规定其校准和维护要求,以确保检验结果的准确性和可靠性。
4、抽样方案根据产品的特点和生产批量,制定合理的抽样方案,明确抽样的数量、方法和部位,保证样本具有代表性。
5、检验记录和报告规定检验结果的记录方式和内容,包括检验数据、检验结论等。
同时,明确检验报告的格式和传递流程,以便及时向相关部门反馈检验信息。
6、不合格品处理制定不合格品的判定标准和处理流程,包括返工、报废、降级使用等,确保不合格品得到有效控制,不流入市场。
过程检验控制程序过程检验控制程序(Process Validation Control Procedure)是指通过一系列可重复的操作,来验证并确认制造过程能够按照既定的规范进行,以确保产品的质量符合要求。
下面将详细介绍过程检验控制程序的主要步骤和要点。
1.制定过程检验计划制定过程检验计划的目的是明确制造过程中需要检验的关键环节和检验方法,以确保产品可以符合质量要求。
检验计划应该根据产品要求和制造过程的特点来制定,包括需要测试的项目、测试方法、测试频率、检验人员及其培训要求等内容。
2.制定检验标准在制定过程检验标准时,应参考国家标准、行业标准、公司内部标准和客户要求等,并结合实际情况进行制定。
检验标准应包括产品的外观质量、物理性能、化学成分、尺寸精度、功能性能等项目,并明确每个项目的可接受标准和测试方法。
3.制定检验流程制定检验流程的目的是明确每个环节的操作方法和要求,确保检验过程的一致性和可追溯性。
检验流程应包括样品的采集、实验室测试、数据记录和结果分析等环节,并详细说明每个环节的操作要点和注意事项。
4.建立检验记录和报告在执行过程检验过程中,应及时记录检验数据和结果,并生成相应的检验报告。
检验记录和报告应包括样品编号、检验时间、检验人员、测试项目、测试结果和评定结论等内容,并有专门的存档和管理措施,以备后续的质量追溯和证明。
5.进行过程能力分析过程能力分析是对制造过程进行统计分析的一种手段,旨在评估制造过程是否具备稳定性和能够满足产品质量要求。
常用的过程能力指标有过程能力指数(Cp)、过程能力指数(Cpk)和过程能力比(CR)等。
通过过程能力分析,可以确定制造过程的容量以及需要改进的问题,以保证产品的稳定性和一致性。
6.建立纠正和预防措施当发现过程检验结果不合格时,应立即采取纠正措施,如调整工艺参数、更换设备等,以消除不合格因素,保证产品质量。
同时,还应进行原因分析,确定问题根源,并制定相应的预防措施,以防止不合格再次发生。
产品质量过程控制及检验方法一、产品质量过程控制的重要性在当今的市场环境中,产品质量已经成为企业生存和发展的关键因素之一。
过程控制是产品质量管理的重要组成部分,它能够有效地提高产品质量,降低生产成本,增强企业的市场竞争力。
二、产品质量过程控制的要点1、制定严格的质量控制计划企业应该根据产品特点和市场需求,制定严格的质量控制计划,明确每个环节的质量要求和检验标准。
同时,应该对生产过程中可能出现的问题进行预测和评估,制定相应的应对措施。
2、强化生产过程中的质量控制在生产过程中,企业应该加强对原材料的检验、生产设备的维护和生产环境的控制,确保生产过程中的每个环节都符合质量要求。
同时,应该建立完善的质量记录和统计制度,及时发现和解决问题。
3、提高员工素质和技能水平员工是产品质量控制的核心力量。
企业应该加强对员工的培训和教育,提高他们的技能水平和质量意识,确保他们能够按照规定的要求进行操作。
4、建立完善的质量检验体系质量检验是产品质量控制的重要环节。
企业应该建立完善的质量检验体系,包括原材料检验、半成品检验和成品检验等环节。
同时,应该根据产品的不同特点,采用不同的检验方法和手段,确保产品质量符合要求。
三、产品质量检验方法1、感官检验法感官检验法是通过人的感觉器官对产品进行检验的一种方法。
例如,对食品的口感、气味、色泽等进行检验。
这种方法具有简便、快速、直观等优点,但容易受到人的主观因素的影响。
2、物理检验法物理检验法是通过物理仪器对产品进行检测的一种方法。
例如,对产品的尺寸、重量、硬度等进行检测。
这种方法能够准确地反映产品的物理特性,但需要使用昂贵的检测设备和专业的技术人员。
3、化学检验法化学检验法是通过化学方法对产品进行检测的一种方法。
例如,对产品的成分、化学性质等进行检测。
这种方法能够准确地反映产品的化学性质,但需要使用专业的化学试剂和设备,检测周期也较长。
4、机械性能检验法机械性能检验法是通过机械测试设备对产品进行检测的一种方法。
1 目的:
1.1 增加全员对“三检”作用的认识;
1.2 加强操作者和检验员的工作互动,降低检验风险;
1.3 预防和减少不合格品的发生,降低生产成本和质量成本;
1.4 加强产品品质管理,确保过程品质稳定。
2范围:
适用于公司内部的所有生产过程的检验动作。
3职责:
3.1 技质部:
3.1.1负责对生产车间报检的首件产品进行FAI首件检验;
3.1.2在生产线抽样进行IPQC巡回检验;
3.1.3 对生产线半成品按频率进行温度、发热时长等性能的检验;
3.1.4对生产成品进行外观及包装方法的FQC最终检验;
3.1.5当检验不合格时按照《不合格品控制程序》处理。
3.2 生产部:
3.2.1生产车间按照首件检查的要求进行首件检验,对于首件检查不合格品进行原因分析及对策制定;
3.2.2生产车间按照自检检查的要求进行自检检验,对于自检检查不合格品进行原因分析及对策制定;
3.2.2对于首检不合格品、自检不合格品、半成品性能检验不合格品、巡回检验不合格品、最终检验不合格品按照《不合格品控制程序》处理。
4 定义:
4.1 “三检”:指产品实现过程中涉及的首检、自检和巡检;
4.2 首检: FAI(First Article Inspection),对每个班次刚开始时或影响质量的六要素(5M1E)任一条件发生改变时的基本动作;
4.3 首件:一般指5M1E发生改变时,刚生产的前3件;
4.4 自检:指操作者在生产过程中按频率对产品进行的自我检查,但外观的自检指全数检查;
4.5 巡检:IPQC(In Process Quality Control)的检验方式之一,一般采用抽样检验,检查内容分为在规定检验频率下对各工序的产品质量进行抽检、对各工序的操作人员的作业方式和方法进行检查、对技术要求中的内容进行检查;
4.6 半成品性能检验:指检验员在生产过程中按频率对半成品进行温度、发热时长等性能方面的检验;
4.7成品入库检验:FQC(Final Quality Control),又称最终检验,是指车间全部工序结束后的半成品或成品的检验。
最终检验的内容包括:产品包装、安全性和外观。
5 程序
5.1首件检验
5.1.1产品实现中的首检,分为工人首检和检验员首检两种方式,所在区域的首检必须在1小时内完成;
5.1.2如果工人首检合格,可以直接进入正常生产阶段,但是检验员必须及时对首件进行检验;
5.1.3工人首检的项目仅指在生产现场可以直接检验的项目,不包含需要到检测室和工人没有量检具检验的项目;检验员必须对所有要求项目进行首检;
5.1.4首检时,必须按生产顺序进行,不得错乱,并确保工人和检验员检验顺序一致。
同时,不得漏检、误检或不检;
5.1.5生产过程中,只要5M1E(操作者、设备、材料、工艺方法、测量方法和环境)其中任何一个因素发生改变,则需要首检或重新首检;
5.1.6首检动作执行过程中,必须做好书面的《首件检验记录表》,首检记录表格应保留在生产现场指定位置,以便随时核查和追查原因,直至首件发生改变为止;
5.1.7若首件检验不合格,则生产车间相应负责人需召集相关人员对不合格首件分析原因,制定改善对策并予以实施,进行二次首件检验,直至首件检验合格方可开始生产。
对于未经首件检验或者首件检验不合格情况下进行生产,检验员一旦发现则通知生产车间负责人停止该产品的生产,按照《不合格品控制程序》规定执行。
5.2自检检验
5.2.1 工人应按相关文件规定频率实施自检,不得漏检、误检或不检;
5.2.2自检中,若发现不合格,则应立即停止继续生产,先隔离该时间段产品实施全检,全检完毕后,考虑是否需要对相关因素进行调整,作出适当动作,方可继续生产;
5.2.3工人自检的项目仅指在生产现场可以直接检验的项目,不包含需要到检测室和工人没有量检具检验的项目;
5.2.4所有产品的外观,工人必须全部检查;
5.2.5自检中,必须留下记录,但是不用记录具体数据;
5.2.6若在自检或巡检中,发现重大疑问或问题时,工人或检验员应对首检合格的首件进行确认。
若确认为不合格,则重新首检。
5.3巡检检验
5.3.1在生产过程中,检验员对于各生产车间生产的产品进行抽样检验,对各工序操作人员
的作业方式及方法进行检查,对于各车间6S管理进行检查,并将检查结果填写在《日常检验记录表》中;
5.3.2 检验员应按检验文件严格执行巡回检查,不得漏检、不检或误检;
5.3.3 执行巡检时,必须严格按照规定的检验频率执行;
5.3.4当发现生产产品或过程异常时,按照《不合格品控制程序》规定执行,检验员应及时通知生产车间负责人予以纠正,并汇报本部门直属领导;
5.3.5对于生产过程中出现的不合格品按照《不合格品控制程序》处理;
5.3.6对于生产过程中出现的人员未按作业方法操作、6S标识管理严重不符、未经首件检验开机或首件检验不合格情况下开机、安全隐患等问题由生产部对相应责任人酌情处理;
5.3.7生产现场必须有合格品、不合格品的对应区域,方便对相应产品状态的存放。
5.4 半成品性能检验
5.4.1在生产过程中,检验员对于各生产车间生产的半产品进行抽样,将抽取的样品拿至检测室进行温度、发热时长等性能方面的检测,将检测结果记录在《温度测试记录表》中,并将相关数据、曲线进行存档;
5.4.2 检验员应按检验文件严格执行半成品性能检验,不得漏检、不检或误检;
5.4.3 执行半成品性能检验时,必须严格按照规定的检验频率执行;
5.4.4当发现生产产品性能异常时,按照《不合格品控制程序》规定执行,汇报本部门直属领导,并及时通知生产车间负责人予以纠正。
5.5 最终检验
5.5.1生产车间在一式三联的《入库单》上填写报检日期、订单号、产品名称、报检数量等信息,随同相应数量的成品交与检验员进行最终检验;
5.5.2 检验员按照检验规范对成品包装、安全性、外观等内容进行检验;
5.5.3质量检验员将检验结果及检验员姓名填写在《入库单》上,并将检验的具体情况记录在《成品入库报检单》中;
5.5.4若产品合格,由生产车间将产品入库;若不合格,则检验员通知生产车间报检人,生产进行处理并进行二次报检,直至成品合格,对于无法维修的不合格品按照《不合格品控制程序》处理。
6相关记录
6.1 首检记录表
6.2检验记录表 FQ/JL-
7.5-02
6.3 眼罩车间日常检验记录表 FQ/JL-
7.5.25
6.4 抽检记录表 FQ/JL-
7.5-09
6.5 成品入库检验单 FQ/JL-
7.5-06 6.6 不合格品评审申请表 FQ/JL-
8.3-01 6.7 温度测试记录表 FQ/JL-7.5-18 附件:流程图。