贴片电容检验标准
- 格式:doc
- 大小:39.00 KB
- 文档页数:2
文件编号: T-MF.Q-002页 码: 第 1 页 共 1 页版 号: G 0
检验检测方法项目
及工具CR MA MI 1、来料规格、版本与BOM 及承样不符。
目视O 2、料盘有污渍或破损。
目视O
3、薄膜撕不下或易断、元件卡在槽内缺少元件。
目视O
(1)4、外装标识与实物不符。
目视O
外5、料盘无标识,
目视O 6、供应商所代理的品牌物料,料盘上没有原厂品牌标识。
目视O
观
7、元件表面有污迹。
目视O 8、元件焊盘有污迹、氧化现象,影响上锡。
显微镜O 9、元件本体有气孔、破损或变形。
目视
O 10、焊盘脱落。
目视O
11、本体丝印模糊或无丝印。
目视
O
1、用电桥测容值不符合要求。
电桥
O
2、电容材质,耐压,误差不符合要求目视O
3、检验时要求对每一盘进行测量1-2PCS ,有与规格不符现象。
目视
O 检验工作环境注意事项
(图2 面带拉力测试示意图)
拟 制:
审 核:核准:
质量体系技术文件
检 验 内 容
贴片电容检验及接收标准:
等级划分3、待检品需放置在防静电台面上,检验员要求带上防静电环或防静电手套作业。
1、对于盘装式的物料,检查完毕后,除判“退货”以外的物料,每盘物料都要贴上对应的检验标识贴。
2、来料随机抽出3-5盘进行面带测试,要求面带拉力强度为11~70g(0.1N~0.7N),经图2试验后不允许有破裂断带现象,否则开出异常单。
(3)
性能。
更多优惠资料下载: 德信诚培训网
IQC 检验规范
产品名称 贴片陶瓷电容 文件编号 共 1 页
第 1 页
序号 检验项目 检验内容要求 检验频次 检验器具
检验方法 不良等级
示意简图(备注)
A B C 1 供货商 是否为合格供应商 一次/每批 目测 B
2 包装 包装良好,附出厂合
格证明 一次/每批 目测 B 3 规格、数量 产品规格、名称、数量与实物一致 一次/每批 目测(与标样对比) B 4 标识 标识清晰、完整、正
确
一次/每批 目测(与标样对比)
C
5 外观检查 无破损、变形、污迹,
引脚无氧化 10只 目测(与标样对比)
B
6
封装尺寸
详见产品规格或图
样 10只
游标卡尺
测量相关尺寸,判断与标准尺寸是否相符
B
7 容值与偏差 符合产品标准 10只 LCR 电桥
测试频率:1KHZ ±10%,测试电压0.3Vrms A 8 可焊性 焊点圆润有光泽,稳
固
10只 恒温电烙铁
温度235±5℃,焊接
时间2±0.5S ,焊点圆润有光泽,稳固
A。
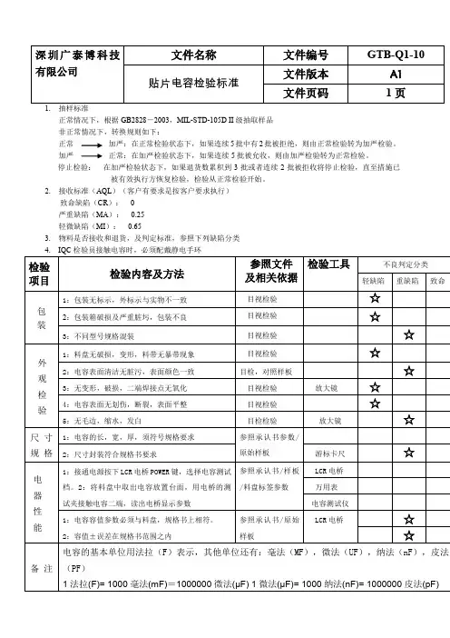
1. 抽样标准
正常情况下,根据GB2828-2003,MIL-STD-105D II 级抽取样品 非正常情况下,转换规则如下: 正常 加严:在正常检验状态下,如果连续5批中有2批被拒绝,则由正常检验转为加严检验。
加严
正常:在加严检验状态下,如果连续5批被允收,则由加严检验转为正常检验。
停止检验: 在加严检验状态下,如果退货数累积到3批或者连续2批被拒收将停止检验,直至措施已
被有效执行方恢复检验,检验从正常检验开始。
2. 接收标准(AQL )(客户有要求是按客户要求执行)
致命缺陷(CR ): 0 严重缺陷(MA ): 0.25 轻微缺陷(MI ): 0.65
3. 物料是否接收和退货,及判定标准,参照下列缺陷分类
制订:审核:批准:。
贴片电容测试条件
贴片电容的测试条件主要包括以下方面:
1.电性能测试:测试贴片电容的容量(Cap)、损耗(DF)、绝缘电阻(IR)和耐电压(DBV)。
损耗值越小越好,IR与Cap的乘积应大于500欧法,耐电压DBV应大于
2.5Ur。
2.加速寿命测试:在125℃环境温度和2.5Ur直流负载条件下,贴片电容应能耐100小时不击穿,质量好的可耐1000小时不击穿。
3.耐热冲击测试:将电容浸入300℃锡炉10秒,显微镜下观察是否有表面裂纹,然后测试容量损耗并与热冲击前对比,判断芯片是否内部裂纹。
4.测试前的准备:明确被测试电容的标称值、误差范围和测量方式,以确定测量频率和电压幅值。
小电容的测试频率通常在1kHz±10%左右,大电容的测试频率通常在120Hz±10%左右。
小电容建议使用1.0±0.2Vrms的电压幅值,大电容建议使用0.5±0.2Vrms的电压幅值。
如需获取更多关于贴片电容测试条件的信息,可以查阅专业电容书籍或咨询电容生产厂家等。
好好学习社区
更多优惠资料下载:
德信诚培训网
贴片电容质量检验规范
(ISO9001-2015)
检查项目
检验内容
检验工具
检验方法 包装防护类
1、包装箱应完好,无受潮、变形、破损等。
2、包装箱、料盘应注明规格型号、数量等信息,且内容正确。
3、料盘上应印有条形码,且能扫描出与物料规格相关的信息。
4、料盘上应印有供应商代码。
5、物料编带应完好、无折痕
无 无
条形码扫描仪 无 无
目测 目测
用扫描仪扫描出条形
码信息 目测 目测
个体外观类
1、个体应整洁、完整、无破损、脏污、变形。
2、电极应完整、光亮。
3、丝印清晰、无模糊、断笔、错漏。
4、无漏件、侧立。
5、无混料。
无 目测
性能测试
1、对所检的电容据料盘上标示确认其材质
2、据电容材质按附表中对应的测条件,对桥进行设置。
3、对所测的容值应符合规格标示要求。
4、损耗角正切值应符合规格书要求
5、电容漏电流应符合规格书要求
电桥
漏电流测试
仪
电桥测试前,先进行
短路调零操作。
结构尺寸
电容的长、宽、高、电极尺寸等,应符
合规格书要求
游标卡尺
用游标卡尺测量各尺
寸。
贴片电容进货检验制度一、引言贴片电容作为重要的电子元器件之一,在电子制造与组装中广泛应用。
在工业生产过程中,质量控制是非常重要的,为保障产品的质量,需要制定相关质量检验制度。
本文主要介绍贴片电容进货检验制度的编制。
二、贴片电容简介贴片电容(SMT贴片电容)是表面贴装电容的一种。
它是将电容元件直接安装在电路板表面的一种电容器。
与传统电容器不同的是,该电容器无需针脚,可以直接表面焊接,因而可以节省板子的钻孔和调线等工作。
同时,它具有尺寸小、重量轻、响应速度快等特点,因此被广泛的应用于各种电子设备及家电产品中。
三、贴片电容进货检验标准在进货检验时,应该结合贴片电容自身的特点,制定其对应的检验标准。
下面罗列出了常用的几项检验标准:1. 外形尺寸检验首先应对进货的贴片电容进行外观尺寸的检验,安装尺寸和引线长度应符合相关标准,应该没有变形和破损等缺陷。
同时应通过外观检查确定贴片电容品牌和型号。
2. 容值检验在电路中,可以通过使用电容器对直流信号进行阻挡、对交变信号进行通路的作用,因此贴片电容的容值对电路性能产生的影响很大。
检验时应注意对电容的容值进行检查,确保在容值应该在指定范围内。
3. 电压检验电容器在工作时常常需要承受一定的电压,因此在检验中也需要对其耐压水平进行检查,以避免可能存在的耐压不足情况。
4. ESR检验ESR是等效串联电阻的缩写,用于描述电容器的损耗及效率,ESR测量可以评估电容器的无损耗工作范围。
因此在检验中需要对其ESR值进行检查,以确保电容器的成本合理并满足其应用的需要。
四、贴片电容进货检验流程基于对贴片电容的特点以及应检测项的标准要求,我们可以制定出一套检验流程。
1. 定义进货标准首先,应该结合自身需求,根据上述提到的检验标准,定义出进货所需的标准范围,包括型号、品牌、尺寸、容值、ESR、电压等多个方面,建立标准数据库;2. 采购商发出采购要求单采购商向供应商发出采购要求单,并要求对所购买的贴片电容进行严格的检验,且在检验结果的基础上进行签署交易的协议。
贴片电容进料检验规范目的:确保进料SMT元件质量能满足客户的品质要求,规范SMT元件进料检验之作业流程。
范围:本规范适用于贴片电容进料检验。
内容:1、检验工具:卡尺、放大镜、电容表、承认样板。
2、验收标准:按抽样计划MIL-STD-105E LEVEL II或更新版本,按AQL CR=0MAJ=0.65% MIN=0.65%进行抽检。
3、检验项目:包装、尺寸、外观、性能等.如客户有特别要求的话,可按客户要求进行特殊检验。
3.1、包装检查、HSF确认;3.2、尺寸测量;(1)测量内容:核对封装与清单、标签描述或样板是否一致,测量电容长、宽、厚度。
(2)测量位置:按下面图示标明的位置(①、②、③)进行测量。
(3)测量数据:精确到0.01mm。
(4)抽样数量:5PCS/Lot(5)检验标准:规格书或Golden Sample;以严重缺点Cr=0、Acc=0、Rej=1进行抽检判定。
3.3、外观检验;检查外观不能有变形、破损、污迹、焊端氧化等现象。
3.4、性能检验;用电容表打到合适的档位,测量电容容值是否与标示值相符合。
标称值的读法和允收误差:(1)、电容值(pF):前两位数表示电容值,第三位数表示需乘上10n。
0=×1 1=×10 2=×100 3=×1000 4=×10000(2)、电容值允收误差:C:±0.25pF D:±0.5pF G:±2% J:±5% K:±10% M:±20% Z:+80-20%4、检验流程图;参考资料:承认规格书抽样计划HSF控制计划。
贴片电容质量检验规范(ISO9001-2015)1.0目的:确定检验作业条件,确定抽样水准,明确检验方法,建立判定标准,以确保产品品质。
2.0.适用范围:本检验规范适用我司贴片电容检验作业。
3.0权责单位:本检验规范由品质部制定,管理者代表核准后发行; 所制定之规格,如有修改时,须经原制定单位同意后修改之4.0应用文件:国家标准GB/T2828.1-2003一般检查水平II)、工程图纸、工程样板。
5.0检验标准:5.1.1国家标准GB/T2828.1-2003一般检查水平II,正常检验、单次抽样计划,AQL订定为 CRI=0 、MAJ=0.65 、MIN=1.55.1.2相关抽样标准或判定标准,可视品质状况或客户要求等做修正。
6.0定义6.1缺点分类:6.1.1.严重缺陷(CRI):可能对机器或装备的操作者造成伤害;潜在危险性的效应,会导致与安全有关的失效或不符合政府法规;影响机械或电气性能,产品在组装后或在客户使用时会发生重大品质事件的。
6.1.2主要缺陷(MAJ):性能不能达到预期的目标,但不至于引起危险或不安全现象;导致最终影响产品使用性能和装配;客户很难接受或存在客户抱怨风险的产品6.1.3 .次要缺陷(MIN):不满足规定的要求但不会影响产品使用功能的;客户不易发现,发现后通过沟通能使客户接受的。
7.0检验项目序号检查项目检验标准检验方法工具 C MAJ MIN1 外观1.外表面有破损变形现象2.焊端不光滑、有油污、氧化现象√2 尺寸器件长、宽、高应满足“元器件技术参数汇编(贴片电容类)相应的规格要求用游标卡尺进行测量游标卡尺√3 电容量应满足“元器件技术参数汇编(贴片电容类)相应的规格要求根据电容量,设置好LCR测试仪,将LCR测试仪两测试探针分别接触贴片电容两端,从表中读出数据LCR测试仪√4 耐压耐压时,无击穿现象“根据元器件技术参数汇编”其规格要求设置好耐压测试仪,将被测元器件接在测试仪两端,启动测试仪,看结果耐压测试仪√5 绝缘电阻符合技术参数要求把被测元器件夹在绝缘电阻测试仪两端,设置测试电压、启动测试仪看是否达到其技术参数绝缘电阻测试仪√6 可焊性焊端表面上锡面积达90%小锡炉温度设置为250±5度,用镊子夹住贴片一端,将另一端浸入锡炉中3~4秒,再更换另一端小锡炉√7 腐蚀试验外表面不应出现被腐蚀的痕迹将试验电容放入烧杯中,加适量三氯乙烯浸泡1分钟后,待其挥发后进行外观观察烧杯三氯乙烯8 高温测试符合技术参数要求将试验电容放入烤箱中,把温度调到电容的操作温度,施加1.5倍的额定电压,老化1000小时,恢复48小时再进行测试其参数高温测试仪√。
贴片电容进货检验制度概述贴片电容是现代电子、通信等领域广泛应用的一种元器件,它的主要作用是能够将电路中的电荷贮存起来,并在需要时释放电荷,以达到滤波、耦合、去波等目的。
由于贴片电容的应用范围广泛,因此在进货过程中,需要采取严格的质量监控和检验措施,以保障产品的质量和可靠性。
进货检验制度采购合同签订对于贴片电容的采购,首先需要与供应商签订正式的采购合同。
采购合同必须包含以下内容:1.产品型号、规格、数量、单价、总金额等信息2.提货地点、交货时间、运输方式、运费承担方等信息3.产品的质量要求、技术标准、生产日期、保质期等信息4.应付账款支付方式、发票开具等信息产品质量要求质量是电子元器件行业的核心竞争力之一,对于贴片电容,其质量要求必须满足以下标准:1.外观要求:贴片电容外观应完整、干净、光滑、无损伤、无严重变形、变色或浸渍等情况。
2.电气性能要求:贴片电容的电气性能应满足要求,如容量、精度、漏电流、温度系数、工作电压等指标。
3.包装要求:产品应采用适合保护产品的包装,保证产品在运输、储存、使用过程中不受损坏、污染等影响。
4.标识要求:贴片电容应在产品表面标注产品型号、生产日期、批号、规格等信息。
检验流程采购到货的贴片电容需要进行严格的检验,以确保其质量和可靠性。
具体的检验流程包括以下几个环节:1.外观检查:对采购到货的贴片电容进行外观检查,查看是否存在裂纹、损伤、变形等问题。
2.容量检查:使用万用表或LCR仪器检查贴片电容的容量是否符合要求。
3.漏电流检查:使用漏电流测试仪器检查贴片电容的漏电流是否符合要求。
4.包装检查:对采购到货的贴片电容的包装进行检查,查看是否存在污染、损坏等情况。
5.标识检查:检查产品表面的标识信息是否清晰,是否与采购合同中要求的标识信息一致。
检验收据对于每批采购到货的贴片电容,需要及时填写检验收据以记录检验结果。
检验收据的内容包括:1.产品规格和数量2.物品批次、生产日期、保质期等信息3.检验项目、检验方法及检验结果4.检验人员签字和日期5.不合格品处理流程不合格品处理流程如果经过检验,采购到的贴片电容存在不合格问题,需按照以下流程进行处理:1.填写不合格品记录,记录不合格品情况、数量、不合格原因等信息,由检验人员和质量控制人员签字确认,并报告采购部门。
1、用万用表电阻档检查电解电容器的好坏电解电容器的两根引线有正、负之分,在检查它的好坏时,对耐压较低的电解电容器(6V或l0V),电阻档应放在R×100或R×1K档,把红表笔接电容器的负端,黑表笔接正端,这时万用表指针将摆动,然后恢复到零位或零位附近。
这样的电解电容器是好的。
电解电容器的容量越大,充电时间越长,指针摆动得也越慢。
2、用万用表判断电解电容器的正、负引线一些耐压较低的电解电容器,如果正、负引线标志不清时,可根据它的正接时漏电电流小(电阻值大),反接时漏电电流大的特性来判断。
具体方法是:用红、黑表笔接触电容器的两引线,记住漏电电流(电阻值)的大小(指针回摆并停下时所指示的阻值),然后把此电容器的正、负引线短接一下,将红、黑表笔对调后再测漏电电流。
以漏电流小的示值为标准进行判断,与黑表笔接触的那根引线是电解电容器的正端。
这种方法对本身漏电流小的电解电容器,则比较难于区别其的极性。
3、用万用表检查可变电容器.可变电容有一组定片和一组动片。
用万用表电阻档可检查它动、定片之间有否碰片,用红、黑表笔分别接动片和定片,旋转轴柄,电表指针不动,说明动、定片之间无短路(碰片)处;若指针摆动,说明电容器有短路的地方。
4、用万用表电阻档粗略鉴别5000PF以上容量电容的好坏用万用表电阻档可大致鉴别5000PF以上电容器的好坏(5000PF以下者只能判断电容器内部是否被击穿)。
检查时把电阻档量程放在量程高档值,两表笔分别与电容器两端接触,这时指针快速的摆动一下然后复原,反向连接,摆动的幅度比第一次更大,而后又复原。
这样的电容器是好的。
电容器的容量越大,测量时电表指针摆动越大,指针复原的时间也较长,我们可以根据电表指针摆动的大小来比较两个电容器容量的大小。
好好学习社区
更多优惠资料下载:
德信诚培训网
封装电阻、电感、贴片电容检验规范
(ISO9001-2015)
产品名称 各类封装电阻、电感、贴片电容
抽样方案
GB/T 2828.1-2012正常检查一次抽样方案,一般检查水平Ⅱ进行(除特殊指定外); AQL=0.01(CR),AQL=1.0(Ma),AQL=2.5(Mi)
检验项目
检验内容及要求
检验要
求及工具
不合格品缺陷
分类 备注/ 抽样水平 CR Ma Mi 包装/标识
1、检查包装及料盘外观,应无破损、变形、淋湿、散乱等现象;
目测
★
2、物料必需使用卷带包装,编带应符合规格书要求,无变形、破损、脱胶等现象;
目测 ★
3、包装箱上应有物料码、厂家名称、型号、生产日期等标识;
目测 ★ 4、包装内实物应与标识内容一致;
目测 ★ 5、有无环保标识(GREEN PRODUCT 、RoSH 、无铅等)。
目测
★
外观
1、检查元件外观是否有变形、裂纹、缺损、气泡、针孔、不良现象;
目测 ★ 特殊S-2
2、检查元件端电极(引脚)镀层是否完整,电
极(引脚)表面应平滑、无凹凸、露铜、氧化、脏污等不良现象;
目测/ 显微镜 ★ 特殊S-2
3、元件上标识的规格应与规格书要求一致 目测 ★ 特殊S-2
4、元件外观不能有脏污;
目测 ★
特殊S-2
尺寸
元器件的封装尺寸符合封装要求,若不能辨别则用游标卡尺或试装检验其尺寸
目测/ 卡尺
★ 特殊S-2
参数检测 检验电阻阻值、电容容值、电感值是否在规格范围内
万用表或LCR
★ 特殊S-2。
贴片电容检验标准 Document number:NOCG-YUNOO-BUYTT-UU986-1986UT
1. 抽样标准
正常情况下,根据GB2828-2003,MIL-STD-105D II 级抽取样品 非正常情况下,转换规则如下: 正常 加严:在正常检验状态下,如果连续5批中有2批被拒绝,则由正常检验转为加
严检验。
加严
正常:在加严检验状态下,如果连续5批被允收,则由加严检验转为正常检验。
停止检验: 在加严检验状态下,如果退货数累积到3批或者连续2批被拒收将停止检验,
直至措施已被有效执行方恢复检验,检验从正常检验开始。
2. 接收标准(AQL )(客户有要求是按客户要求执行)
致命缺陷(CR ): 0 严重缺陷(MA ): 轻微缺陷(MI ):
3. 物料是否接收和退货,及判定标准,参照下列缺陷分类
4. IQC 检验员接触电容时,必须配戴静电手环
制订:审核:批准:。
1. 抽样标准
正常情况下,根据GB2828-2003,MIL-STD-105D II 级抽取样品 非正常情况下,转换规则如下: 正常
加严:在正常检验状态下,如果连续5批中有2批被拒绝,则由正常检验转
为加严检验。
加严
正常:在加严检验状态下,如果连续5批被允收,则由加严检验转为正
常检验。
停止检验: 在加严检验状态下,如果退货数累积到3批或者连续2批被拒收将停止
检验,直至措施已被有效执行方恢复检验,检验从正常检验开始。
2. 接收标准(AQL )(客户有要求是按客户要求执行)
致命缺陷(CR ): 0 严重缺陷(MA ): 0.25 轻微缺陷(MI ): 0.65
3. 物料是否接收和退货,及判定标准,参照下列缺陷分类
4. IQC 检验员接触电容时,必须配戴静电手环
制订:审核:批准:。