梁开洞要求及做法
- 格式:doc
- 大小:221.50 KB
- 文档页数:4
梁上打孔规范篇一:梁上打孔原则梁上打孔原则1)打孔前了解每个孔位意图,了解房屋结构及内外情况;2)标示清楚每个孔位,还要观察水电管路的走向;3)打孔尽量打在梁的两侧,两侧受力最小;4)打孔尽量打在下面有墙体的梁上;5)打孔尽量打在梁的顶部,顶部受力较小;6)梁上尽量打小孔;7)梁高度20公分不得打上下孔;梁的下部五公分的位置严禁打孔。
通常在梁下部三公分处有主筋,严禁打到主筋.8)洞的直径不能超过梁直径的四分之一篇二:梁开洞要求及做法梁开洞要求及做法:一个工程是否有这种混凝土已经成型再来开孔的情况,体现了这个项目的管理水平!标准的梁上空洞应该采用预留的方式,空洞周边还用采取加强措施!楼主问空洞的位置一般应该在梁高的1/3中部,下面这个截图就是常见的设计方法:平法03G101-1中有一个梁上留洞的加强方式,上面也可以看出空洞的位置限制要求。
孔洞还有方孔与圆孔之分,下面这个截图分别是两种不同孔洞的加强方法:一、留洞要求:1.对于预埋钢套管,当预埋位置设置在跨中L/3范围内时,要求:①洞口大小必须小于或等于0.4倍的梁高;②洞口上边缘距梁上边必须大于或等于0.3倍的梁高;③洞口下边缘距梁下边必须大于或等于150mm;④相邻两个洞口的中心间距应不小于2倍的较大洞口直径。
以上四条必须同时满足,对不满足此要求的钢套管大小、标高及位置应作相应调整。
2.当预埋位置设置在梁端L/3范围内时,要求:①洞口大小必须小于或等于0.3倍的梁高;②洞口上边缘距梁上边必须大于或等于0.35倍的梁高;③洞口下边缘距梁下边必须大于或等于150mm;④洞边到梁边或柱边的距离必须大于或等于1.5梁高;⑤相邻两个洞口的中心间距应不小于3倍的较大洞口直径。
以上五条必须同时满足,对不满足此要求的钢套管大小、标高及位置应作相应调整。
二、具体补强做法以下都有详细说明:参考资料:《高规》7.2.27《全国民用建筑工程设计技术措施-结构》5.3.29《钢筋混凝土结构构造手册》(二版)3.9《苏G01-2003》17页梁上开洞的计算和构造的一般规定(1)框架梁或剪力墙的连梁,因机电设备管道的穿行需开孔洞时,应合理选择孔洞垃置,并应进行内力和承载力计算厦构造措施。
梁开洞要求及做法:一个工程是否有这种混凝土已经成型再来开孔的情况,体现了这个项目的管理水平!标准的梁上空洞应该采用预留的方式,空洞周边还用采取加强措施!楼主问空洞的位置一般应该在梁高的1/3中部,下面这个截图就是常见的设计方法:平法03G101-1中有一个梁上留洞的加强方式,上面也可以看出空洞的位置限制要求。
孔洞还有方孔与圆孔之分,下面这个截图分别是两种不同孔洞的加强方法:一、留洞要求:1.对于预埋钢套管,当预埋位置设置在跨中L/3范围内时,要求:①洞口大小必须小于或等于0.4倍的梁高;②洞口上边缘距梁上边必须大于或等于0.3倍的梁高;③洞口下边缘距梁下边必须大于或等于150mm;④相邻两个洞口的中心间距应不小于2倍的较大洞口直径。
以上四条必须同时满足,对不满足此要求的钢套管大小、标高及位置应作相应调整。
2.当预埋位置设置在梁端L/3范围内时,要求:①洞口大小必须小于或等于0.3倍的梁高;②洞口上边缘距梁上边必须大于或等于0.35倍的梁高;③洞口下边缘距梁下边必须大于或等于150mm;④洞边到梁边或柱边的距离必须大于或等于1.5梁高;⑤相邻两个洞口的中心间距应不小于3倍的较大洞口直径。
以上五条必须同时满足,对不满足此要求的钢套管大小、标高及位置应作相应调整。
二、具体补强做法以下都有详细说明:参考资料:《高规》《全国民用建筑工程设计技术措施-结构》《钢筋混凝土结构构造手册》(二版)3.9《苏G01-2003》17页梁上开洞的计算和构造的一般规定??(1)框架梁或剪力墙的连梁,因机电设备管道的穿行需开孔洞时,应合理选择孔洞垃置,并应进行内力和承载力计算厦构造措施。
(2)孔洞位置应避开梁端塑性铰区,尽可能设置在剪力较小的跨中L/3区域内,必要时也可设置在梁端1/3区域内。
孔洞偏心宜偏向受拉区,偏心距EO不宜大于0.05H。
小孔洞尽可能预留套管。
当设置多个孔洞时,相邻孔洞边缘间净距不应小于2.5HJ。
孔洞尺寸和位置应满足表5-24的规定。
梁上开孔规范篇一:梁开洞要求及做法梁开洞要求及做法:一个工程是否有这种混凝土已经成型再来开孔的情况,体现了这个项目的管理水平!标准的梁上空洞应该采用预留的方式,空洞周边还用采取加强措施!楼主问空洞的位置一般应该在梁高的1/3中部,下面这个截图就是常见的设计方法:平法03G101-1中有一个梁上留洞的加强方式,上面也可以看出空洞的位置限制要求。
孔洞还有方孔与圆孔之分,下面这个截图分别是两种不同孔洞的加强方法:一、留洞要求:1.对于预埋钢套管,当预埋位置设置在跨中L/3范围内时,要求:①洞口大小必须小于或等于0.4倍的梁高;②洞口上边缘距梁上边必须大于或等于0.3倍的梁高;③洞口下边缘距梁下边必须大于或等于150mm;④相邻两个洞口的中心间距应不小于2倍的较大洞口直径。
以上四条必须同时满足,对不满足此要求的钢套管大小、标高及位置应作相应调整。
2.当预埋位置设置在梁端L/3范围内时,要求:①洞口大小必须小于或等于0.3倍的梁高;②洞口上边缘距梁上边必须大于或等于0.35倍的梁高;③洞口下边缘距梁下边必须大于或等于150mm;④洞边到梁边或柱边的距离必须大于或等于1.5梁高;⑤相邻两个洞口的中心间距应不小于3倍的较大洞口直径。
以上五条必须同时满足,对不满足此要求的钢套管大小、标高及位置应作相应调整。
二、具体补强做法以下都有详细说明:参考资料:《高规》7.2.27《全国民用建筑工程设计技术措施-结构》5.3.29《钢筋混凝土结构构造手册》(二版)3.9《苏G01-2003》17页梁上开洞的计算和构造的一般规定(1)框架梁或剪力墙的连梁,因机电设备管道的穿行需开孔洞时,应合理选择孔洞垃置,并应进行内力和承载力计算厦构造措施。
(2)位置应避开梁端塑性铰区,尽可能设置在剪力较小的跨中L/3区域内,必要时也可设置在梁端1/3区域内。
孔洞偏心宜偏向受拉区,偏心距EO不宜大于0.05H。
小孔洞尽可能预留套管。
当设置多个孔洞时,相邻孔洞边缘间净距不应小于2.5HJ。
建筑工程地梁开洞处理方案一、地梁开洞的概念和意义地梁开洞是指在地梁上或下进行开洞处理,以便进行通风、采光、疏散、管线走向等需要。
地梁开洞的意义主要体现在以下几个方面:1、满足建筑功能需求:地梁开洞可以为建筑提供必要的通风、采光和疏散条件,增加使用空间的舒适性和便利性。
2、解决管线布置问题:在建筑中,需要布置各种管线,而地梁正是管线穿越的关键部位。
因此通过地梁开洞可以为管线走向提供便利。
3、美化建筑外观:地梁开洞也可以在建筑外观上起到一定的装饰和美化作用,增加建筑的艺术性。
4、结构整体性考虑:地梁是建筑结构中的关键部位,对地梁进行开洞需要充分考虑结构整体的安全性和稳定性。
二、地梁开洞的分类根据具体的处理方式和作用位置,地梁开洞可以分为以下几类:1、上部开洞:在地梁上部进行开洞处理,大多用于通风、采光等需求。
2、下部开洞:在地梁下部进行开洞处理,主要用于管线走向等需要。
3、完全开洞:在地梁整体上进行完全的开洞处理,一般用于跨越通道或其他建筑结构。
根据具体的功能需求和结构条件,选择合适的开洞方式是十分重要的。
三、地梁开洞的设计原则地梁开洞涉及到建筑结构的安全和稳定,因此在设计时需要遵循一些原则:1、结构安全原则:地梁开洞需要充分考虑结构的承载特性,确保开洞后的地梁能够承受设计荷载并保持稳定。
2、施工便利原则:地梁开洞设计应考虑施工的便利性,确保在开洞过程中能够满足施工工艺要求,减少施工难度和风险。
3、功能需求原则:地梁开洞设计需要充分考虑建筑功能需求,确保开洞后能够满足通风、采光、管线走向等具体需求。
四、地梁开洞的处理方案1、上部开洞处理方案对于上部开洞,主要需考虑通风、采光等需求。
一般可采用以下处理方案:(1)设计合适的开洞尺寸:根据具体的通风或采光需求和地梁结构特性,确定合适的开洞尺寸。
一般应满足通风量和日照面积的需求。
(2)加固处理:对于开洞后的地梁,需要进行适当的加固处理,以保证结构的稳定性和承载能力。
国家梁上打孔标准110mm国家梁上打孔标准110mm是指在建筑结构中,用于穿越梁、柱等构件的孔洞直径为110毫米。
这个标准是为了确保建筑物的结构安全和施工质量而设立的。
一、国家梁上打孔标准110mm的背景和意义梁是建筑结构中的一种重要构件,承受着悬挂的荷载,并将荷载传递到支点或其他结构上。
在建筑物的设计和施工过程中,有时需要将管线、电缆等通过梁进行穿越,这就需要在梁上进行打孔。
为了确保穿越孔的质量和安全性,国家制定了标准,规定了梁上打孔的尺寸和要求。
国家梁上打孔标准110mm的制定,主要是为了以下几个方面的考虑:1.结构安全:打孔是在结构中作出的改变,如果打孔过大或者位置不准确,有可能会损坏结构的承载能力,甚至引发结构的倒塌。
通过规定统一的孔洞直径,可以保证结构的安全性,防止因为打孔不当引发的安全事故。
2.施工质量:打孔是建筑施工的一个环节,施工过程中需要遵守一定的规范和标准。
国家梁上打孔标准110mm的制定,有助于统一施工方的要求,提高施工质量,降低施工风险。
3.维护便捷:打孔不仅是为了穿越管线,也是为了以后的维护和维修。
通过规定统一的孔洞直径,可以方便后续的管线维护工作,减少维护的难度和成本。
二、国家梁上打孔标准110mm的具体要求1.孔洞直径:国家标准规定,梁上打孔的孔洞直径应为110毫米。
这个直径是在考虑管线通过的同时,也要考虑结构的强度和稳定性。
2.孔洞位置:孔洞应按照设计要求合理布置,位置要准确,不能与梁的主要受力区域相冲突。
在施工过程中,需要严格按照设计图纸进行操作,确保孔洞的位置正确。
3.孔洞平整度和光滑度:打孔后,孔洞的内壁应保持平整和光滑,不得有明显的凹凸或毛刺。
这是为了保证管线能够顺利通过,并减少管道在穿越过程中的损坏风险。
4.孔洞处理:孔洞的处理应符合相关的建筑施工规范,需要进行清理、除锈、刷防腐等工序。
同时,还需要进行检查和验收,确保处理过程符合标准要求。
5.监控与修复:一旦完成打孔,施工方需要采取相应的监控措施,定期检查孔洞的状况,并在必要时进行修复和维护。
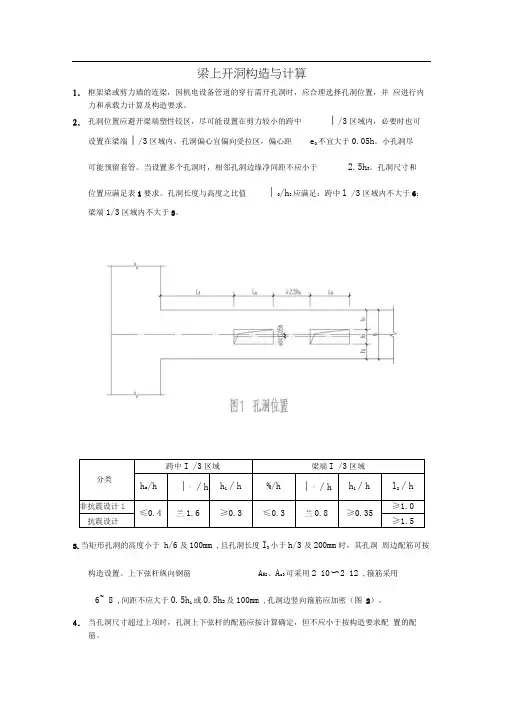
梁上开洞构造与计算1. 框架梁或剪力墙的连梁,因机电设备管道的穿行需开孔洞时,应合理选择孔洞位置,并应进行内力与承载力计算及构造要求。
2. 孔洞位置应避开梁端塑性铰区,尽可能设置在剪力较小的跨中3/l 区域内,必要时也可设置在梁端3/l 区域内。
孔洞偏心宜偏向受拉区,偏心距0e 不宜大于h 05.0。
小孔洞尽可能预留套管。
当设置多个孔洞时,相邻孔洞边缘净间距不应小于35.2h 。
孔洞尺寸与位置应满足表1要求。
孔洞长度与高度之比值30/h l 应满足:跨中3/l 区域内不大于6;梁端3/l 区域内不大于3。
分类跨中3/l 区域梁端3/l 区域 h h /3 h l /0 h h /1 h h /3 h l /0 h h /1 h l /2 非抗震设计4.0≤ 6.1≤ 3.0≥ 3.0≤ 8.0≤ 35.0≥ 0.1≥抗震设计 5.1≥3. 当矩形孔洞的高度小于6/h 及mm 100,且孔洞长度3l 小于3/h 及mm 200时,其孔洞周边配筋可按构造设置。
上下弦杆纵向钢筋2s A 、3s A 可采用122~102φφ,箍筋采用8~6φφ,间距不应大于15.0h 或25.0h 及mm 100,孔洞边竖向箍筋应加密(图2)。
4. 当孔洞尺寸超过上项时,孔洞上下弦杆的配筋应按计算确定,但不应小于按构造要求配置的配筋。
孔洞上、下弦杆的内力按下列公式计算(图3)0323131121ql V h h h V ++=λ λV h h h V 3231322+= 200111212ql l V M += 2022l V M = z M N =式中 值孔洞边梁组合剪力设计-V 载孔洞上弦杆均布竖向荷-q;三、四级为一、二级时,取抗震加强系数,抗震等1.5-λ 1.01.2;非抗震设计时,取级时,取计值孔洞中点处梁的弯矩设-M 心距离孔洞上、下弦杆之间中-z 5. 孔洞上、下弦杆截面尺寸应符合下列要求无地震作用时 0125.0bh f V c i β≤有地震作用时跨高比5.2/0〉i h l 0120.01bh f V c REi βγ≤ 跨高比5.2/0≤i h l 0115.01bh f V c RE i βγ≤式中 上、下弦杆剪力设计值-i V有效高度上、下弦杆截面宽度和、-0h b上、下弦杆截面高度-i h计值混凝土轴心抗压强度设-c f0.85取承载力抗震调整系数,-RE γC80~C500.74C800.8,501;取;取当混凝土强度影响系数,C ≤-β之间,内插取值 6. 斜截面承载力与正截面偏心受压、偏心受拉承载力计算,需按相关规定进行计算。
【结构设计】详解结构梁上开洞——实战案例详解结构梁上开洞——实战案例在某些设计过程中,由于建筑的特殊要求和客观条件的限制,往往需要在梁上开洞.对于结构专业来说,这可不是什么好事情.结构上的开洞处理不应仅仅在总说明中补充⼀个统⼀的构造⼤样,或者选⼀个标准图集的,还应仔细对照建筑、给排⽔、暖通、电⽓等专业施⼯图中的开洞位置和⼤⼩.根据计算复核,确定其开洞对结构的影响程度.影响较⼩时可采⽤标准图集的构造措施.影响较⼤,且可以控制在规范的要求范围内时,结构设计⼈员应另外补充加强措施.影响特⼤,不能满⾜规范要求时,不允许其开洞.本篇为⼤家搜集了6个关于”梁上开洞“的实际案例,部分⾔论仅供参考,有不同观点,欢迎跟帖留⾔,共同交流.案例⼀:我之前做的⼀个剪⼒墙的⼯程中就碰到了.住宅层⾼3m,其中吊顶⾼度在2.5m,剩下500,要⾛各种⽔管、暖通管线,建筑要求在结构梁上开洞.(本图⽚来⾃于⽹络与本案例没有对应,作为参考)领导同意了,所以这个责任就落到我头上了.剪⼒墙结构梁也不多,所以不仅要在梁上开洞,也要在连梁上开洞.洞⼝宽度从200到500不等,⾼度从⼏⼗⼀直到200.梁上开洞,连梁开洞关于梁上开洞的构造要求,如下:1.柱上不允许开洞.2.楼板上开洞⼩于300,钢筋可绕过去.洞⼝尺⼨在300~1000,则需补强钢筋.洞⼝任⼀⽅向尺⼨⼤于1000,则结构专业应在洞⼝边加梁来重新划分板格进⾏设计计算.3.不管怎么说,任何较⼤的楼板开洞始终都是不利的.4.混凝⼟剪⼒墙上的洞⼝不宜⼤于800.⼩于800的洞⼝,在有限元计算中是很难精确体现的.所以⼀般不考虑这种⼩洞⼝,仅配筋时洞边补充钢筋.5.当混凝⼟剪⼒墙上开洞⼤于800时,在计算中应该对墙肢进⾏洞⼝设置.按类似于门洞窗洞处理,建模计算时应满⾜关于剪⼒墙洞⼝设置的⼀些规定和要求.6.在混凝⼟剪⼒墙的洞⼝连梁上开洞,不能超过梁⾼1/3,且开洞后连梁剩余截⾯⾼度不⼩于200.7.在框架梁上开洞,要求如下:(1)孔洞⾼度宜⼩于1/6梁⾼及100mm,孔洞长度不要⼤于1/3梁⾼及200mm.圆形洞不要⼤于1/5梁⾼及150mm;(2)孔洞⼤⼩,矩形洞长⾼⽐不能⼤于4,最好不要超过2.5;(3)孔洞位置,尽量在梁跨中1/3L范围内,必要时也可在端部1/3L.8.结构开洞之后,并不是在结构计算中加以考虑,并不是说局部加固,就能逢凶化吉的.有很多情况都是计算所不能体现出来的,也不是局部加钢筋固就能弥补构件截⾯缺陷所带来的抗震不利影响.⽆论过去有多伟⼤的⼯程之实例,凡违上述原则,皆属殷鉴,勿庸置否.很不幸,我发现我的洞⼝超过了这上⾯所说的最⼤要求,⽽且我做的是个⾼层,7度区120m⾼的建筑.我按照构造⼿册上关于梁腹开洞的计算要求对每根梁都做了计算,并配了补强钢筋,但是仍然⼼有余悸.像上⾯所说,许多情况下都是计算所不能体现出来的,也不是局部加强钢筋就能弥补截⾯缺陷所带来的抗震不利影响.案例⼆:先说整栋楼的⼤体情况吧!整个项⽬由5栋33层或28层住宅和⼀栋商业组成,其中⾼层住宅为混凝⼟剪⼒墙结构体系,带⼤地下车库.抗震设防烈度七度,场地类别Ⅱ类,设计基本地震加速度值0.10g,设计地震分组:第⼀组;根据《建筑抗震设计规范》GB50011-2010,此5栋建筑的结构抗震等级为⼆级.在我们业主去施⼯现场查看⾃⼰房屋时,发现了⼀个很严重的问题,在房屋⼏乎每个梁(⽆论是框架梁还是剪⼒墙连梁)上都有开洞的现象,这些洞⼝尺⼨⼏乎都是直径150左右圆型洞⼝,⽬的就是为了地源热泵的管道铺设.为了不使送风管道从梁下⽅绕过导致净⾼不⾜,所以每栋楼⼏乎每家每户上⽅的梁都有⼤批的洞⼝,⽽在公共⾛道上管道洞⼝尤为集中,有的地⽅甚⾄洞⼝排紧贴在⼀起,从现场看起来就如纵横交错的蜘蛛⽹⼀样!话不多说,直接上图!这些洞⼝都是后期开洞的,现场都能看到箍筋给打断!但是梁的主筋都没打断!这些连续洞⼝也不符合《混凝⼟结构构造⼿册》第四版中开洞的间距要求,也没补强钢筋!现在有个问题,⽬前这些连续洞⼝可以简化为⼀个⼤的矩形洞⼝,下⾯就想问下⼤神们!简化⼤的矩形洞⼝显然也⽐较⼤!那么到底这个洞⼝对梁有多⼤影响?怎么计算?地震下梁端塑性铰的发展怎么发展?⽬前这个地⽅的受⼒形式时如何完成的?⽹友回复推荐:正常使⽤⽬前估计就靠上部现浇楼板的作⽤了!毕竟整体浇筑的,混凝⼟结构还有有塑性储备的!现在就怕地震时候梁太弱了,没有塑性铰这个概念了!感觉现在就是塑性铰了.这就是建筑结构施⼯图和设备施⼯不同步的影响!结构⼀般对于梁开洞都只在说明⾥画上⼤样,具体怎么做就写上⼀切应以国家规范为准.但是后期设备设计都是在结构图出完以后再开始的,⽽且基本上都是穿梁.案例三:房屋结构为框架剪⼒墙结构,共11层,我家在11层顶楼,客厅正上⽅有⼀个25平⽶阁楼(与客厅⼤⼩及户型均⼀致),想在阁楼上做⼀个浴室,⾛下⽔需要在梁上打⼀个洞,请问有没有影响?另外那个位置好像是梁和柱连接的部位⽹友回复推荐:关于梁上打洞的问题,给你个建议,先看看此梁是否为主梁,如果是,打通不要超过2个,直径不能过4-7厘⽶,控制在这个直径最好;如果不是主梁那打通就可以多⼀些了;从你的图上看,打洞的位置可以;没有问题;案例四:我的⼀排250x600的梁,设备要穿150的管,我应该在什莫位置给他开洞⽐较合理,需要验算吗⽹友解答推荐:梁腹开洞要预留套管,洞尽量开在跨中1/3区域且需洞⼝加固,如下图(我院通常做法):构造要求管的直径不能超过梁⾼的1/4,就整根梁来说是不是应放在1/3跨度得位置案例五:砖混结构顶楼,外墙墙⾯上有梁,由于要对外开孔,孔打出来,正好是⼀半混凝⼟⼀半砖墙的位置,可能底筋被打断,需要加固吗?⽹友解答推荐:砖混结构外梁只是作为圈梁之⽤,造成房屋危险倒塌肯定不会,但有可能会引起梁或墙开裂,最好作贴钢板加固处理.案例六:有⼀⽔管dn100,在我的⼀主梁上穿过,且梁截⾯在洞⼝下的有效⾼度只有150mm(不满⾜⾼规),但⼜必须开洞.请问各位⾼⼿,留洞应有什么要求,应有哪些加固措施⽹友解答推荐:下列位置不可以开洞:1、过梁上与过梁成60度的三⾓形的范围⾥及梁净度1/2⾼度范围⾥不得开洞.2、120厚墙、料⽯清⽔墙和独⽴柱.3、宽度少于1000的窗间墙.4、砌体门窗洞⼝两侧200(⽯砌体为300)和转⾓处450(⽯砌体为600)的范围内.5、梁或梁垫下及其左右500的范围⾥.6、设计不允许设置脚⼿眼的部位.应在梁的中部留设洞⼝,洞⼝应设加强筋,如何设置应由设计⼈员确定.以下供参考:1.梁两侧设置环向加强筋;2.梁两侧设置#型加强筋;3.梁两侧设置加强钢板.我院的做法(供⼤家参考)⼀、留洞要求:1.对于预埋钢套管,当预埋位置设置在跨中L/3范围内时,要求:①洞⼝⼤⼩必须⼩于或等于0.4倍的梁⾼;②洞⼝上边缘距梁上边必须⼤于或等于0.3倍的梁⾼;③洞⼝下边缘距梁下边必须⼤于或等于150mm;④相邻两个洞⼝的中⼼间距应不⼩于2倍的较⼤洞⼝直径.以上四条必须同时满⾜,对不满⾜此要求的钢套管⼤⼩、标⾼及位置应作相应调整.2.当预埋位置设置在梁端L/3范围内时,要求:①洞⼝⼤⼩必须⼩于或等于0.3倍的梁⾼;②洞⼝上边缘距梁上边必须⼤于或等于0.35倍的梁⾼;③洞⼝下边缘距梁下边必须⼤于或等于150mm;④洞边到梁边或柱边的距离必须⼤于或等于1.5梁⾼;⑤相邻两个洞⼝的中⼼间距应不⼩于3倍的较⼤洞⼝直径.以上五条必须同时满⾜,对不满⾜此要求的钢套管⼤⼩、标⾼及位置应作相应调整.⼆、具体补强做法以下都有详细说明:参考资料:《⾼规》7.2.27《全国民⽤建筑⼯程设计技术措施-结构》5.3.29《钢筋混凝⼟结构构造⼿册》(⼆版)3.9《苏G01-2003》17页补充案例:该项⽬的建筑专业因为以下原因,造成了结构梁、柱上不合理的开洞:1.厨房的烟道布置在厨房外的阳台上,要求框架梁、次梁开洞,位置有⽀座处、有跨中,抽油烟机排烟孔直径150mm~180mm,结构的梁⾼为400mm~600mm.如果将排烟孔留在梁底以下,那么在住户吊顶时,将会遮不住排烟孔.建设⽅要求设计允许在梁上开孔.2.建筑的空调板位置的原因,要求在框架柱上开洞,直径80mm~100mm.最终的处理结果为:1.不允许在梁上开排烟孔,建筑专业将烟道移到厨房内.2.不允许在框架柱上开空调洞,由建筑处理.结构⼯程中,难免会遇到要在主体结构上开洞的问题,但开洞应遵循⼀定的原则.《构造⼿册》中对梁上开洞的位置和尺⼨进⾏的要求,也提出了构造措施和计算要求,有些洞不需要处理(如⼩于0.1h和100mm的圆洞),有些洞只需采取构造加强(如⼩于0.2h 和150mm的洞).严格来讲,所有的结构开洞都需要进⾏计算,不能仅仅因为洞较⼩就可以不处理或只做构造加强,特别是在梁的受⼒较⼤处,剪压⽐不应超出规范的要求.有抗震要求框架梁,应避免在形成塑性铰的位置(⽀座1.5h范围内)开洞.次梁上开洞的位置可以不限制,但⼀定要满⾜计算要求.3.应避免在框架柱上开洞.框架上开洞易形成塑形应⼒集中,成为⼀个易破坏的薄弱点.剪⼒墙上的开洞也不应如《构造⼿册》和《11G101-1》图集所说的,仅仅按⼀个800mm和300mm的洞⼝尺⼨确定加强措施,还应该考虑洞⼝的位置,墙肢的长度、对剪⼒墙整体计算的影响等因素.⽐如:应避免在短肢剪⼒墙上和墙肢长度较⼩的剪⼒墙(⽐如L/hw≤8的墙肢)上开洞;应避免在墙肢的端部开洞;开洞应避开剪⼒墙的约束边缘构件和构造边缘构件的位置;开洞后应避免对剪⼒墙的截⾯⾯积削弱太多,应复核开洞处剪⼒墙的轴压⽐.。
梁上开洞注意事项
1. 柱上不允许开洞。
2. 楼板上开洞小于300,钢筋可绕过去。
洞口尺寸在300~1000,则需补强钢筋。
洞口任一方向尺寸大于1000,则结构专业应在洞口边加梁来重新划分板格进行设计计算。
3. 不管怎么说,任何较大的楼板开洞始终都是不利的。
4. 混凝土剪力墙上的洞口不宜大于800。
小于800的洞口,在有限元计算中是很难精确体现的。
所以一般不考虑这种小洞口,仅配筋时洞边补充钢筋。
5. 当混凝土剪力墙上开洞大于800时,在计算中应该对墙肢进行洞口设置。
按类似于门洞窗洞处理,建模计算时应满足关于剪力墙洞口设置的一些规定和要求。
6. 在混凝土剪力墙的洞口连梁上开洞,不能超过梁高1/3,且开洞后连梁剩余截面高度不小于200。
7. 在框架梁上开洞,要求如下:
(1)孔洞高度宜小于1/6梁高及100mm,孔洞长度不要大于1/3梁高及200mm。
圆形洞不要大于1/5梁高及150mm;
(2)孔洞大小,矩形洞长高比不能大于4,最好不要超过2.5;
(3)孔洞位置,尽量在梁跨中1/3L范围内,必要时也可在端部1/3L。
8. 结构开洞之后,并不是在结构计算中加以考虑,并不是说局部加固,就能逢凶化吉的。
有很多情况都是计算所不能体现出来的,也不是局部加钢筋加固就能弥补构件截面缺陷所带来的抗震不利影响的。
梁穿洞原则
梁穿洞原则(Liang Chuan Dong Principle)是在土木工程和结构设计中常用的一项原则,用于指导如何处理梁的洞口开设。
根据梁穿洞原则,当需要在梁上开设洞口时,应遵循以下几个基本原则:
1. 尽量避免在梁的受力区域内开洞:梁的受力区域通常是指梁的中间位置或者靠近支座的位置,这些地方承受着主要的受力。
为了保持梁的强度和刚度,应尽量避免在这些区域内开设洞口。
2. 在梁的非受力区域内开洞:如果确实需要在梁上开设洞口,应选择位于梁的非受力区域内的位置。
非受力区域通常是指距离梁边缘一定距离的区域。
3. 保持梁的整体稳定性:无论在哪个位置开设洞口,都需要确保洞口的开设不会影响梁的整体稳定性和承载能力。
必要时,可以采取加固措施来保证梁的结构完整性。
4. 根据具体情况进行工程计算和设计:在实际工程中,梁穿洞原则只是提供了一些基本的指导原则。
具体的洞口形状、尺寸和位置等需要根据具体的工程要求和结构设计进行综合考虑,并进行相应的工程计算和设计。
梁上开洞构造与计算1.框架梁或剪力墙的连梁,因机电设备管道的穿行需开孔洞时,应合理选择孔洞位置,并应进行内力和承载力计算及构造要求。
2.孔洞位置应避开梁端塑性铰区,尽可能设置在剪力较小的跨中丨/3区域内,必要时也可设置在梁端丨/3区域内。
孔洞偏心宜偏向受拉区,偏心距e0不宜大于0.05h。
小孔洞尽可能预留套管。
当设置多个孔洞时,相邻孔洞边缘净间距不应小于 2.5h3。
孔洞尺寸和位置应满足表1要求。
孔洞长度与高度之比值∣0/h3应满足:跨中l /3区域内不大于6;梁端1/3区域内不大于3。
3.当矩形孔洞的高度小于h/6及100mm ,且孔洞长度I3小于h/3及200mm时,其孔洞周边配筋可按构造设置。
上下弦杆纵向钢筋A52、A s3可采用2 10〜2 12 ,箍筋采用6~ 8 ,间距不应大于0.5h1或0.5h2及100mm ,孔洞边竖向箍筋应加密(图2)。
4.当孔洞尺寸超过上项时,孔洞上下弦杆的配筋应按计算确定,但不应小于按构造要求配置的配筋。
40d単-E<I丄—,h2孔洞上、下弦杆的内力按下列公式计算(图3)1 1M I-V1 -0ql02 12M 2 =V2 lθ2式中V 一孔洞边梁组合剪力设计值q-孔洞上弦杆均布竖向荷载h131V rhr⅛V2ql0■一抗震加强系数,抗震等级为一、二级时,取1.5;三、四级时,取1.2;非抗震设计时,取1.0M —孔洞中点处梁的弯矩设计值z—孔洞上、下弦杆之间中心距离5.孔洞上、下弦杆截面尺寸应符合下列要求无地震作用时V i乞0.25 IIf C bh)有地震作用时1跨高比∣0/h /2.5 V iW「0.20 PI f C bh ORE1 跨高比∣o∕h ≤2.5V i ≤-0.1^1 f c bh oRE式中V i -上、下弦杆剪力设计值b、h。
-上、下弦杆截面宽度和有效高度h i -上、下弦杆截面高度仁-混凝土轴心抗压强度设计值RE -承载力抗震调整系数,取0.85混凝土强度影响系数,当乞C50,取0.8; C80取0.74; C50~C80之间,内插取值6.斜截面承载力和正截面偏心受压、偏心受拉承载力计算,需按相关规定进行计算。
详解结构梁上开洞——实战案例在某些设计过程中,由于建筑的特殊要求和客观条件的限制,往往需要在梁上开洞.对于结构专业来说,这可不是什么好事情.结构上的开洞处理不应仅仅在总说明中补充一个统一的构造大样,或者选一个标准图集的,还应仔细对照建筑、给排水、暖通、电气等专业施工图中的开洞位置和大小.根据计算复核,确定其开洞对结构的影响程度.影响较小时可采用标准图集的构造措施.影响较大,且可以控制在规范的要求范围内时,结构设计人员应另外补充加强措施.影响特大,不能满足规范要求时,不允许其开洞.本篇为大家搜集了6个关于”梁上开洞“的实际案例,部分言论仅供参考,有不同观点,欢迎跟帖留言,共同交流.案例一:我之前做的一个剪力墙的工程中就碰到了.住宅层高3m,其中吊顶高度在2.5m,剩下500,要走各种水管、暖通管线,建筑要求在结构梁上开洞.(本图片来自于网络与本案例没有对应,作为参考)领导同意了,所以这个责任就落到我头上了.剪力墙结构梁也不多,所以不仅要在梁上开洞,也要在连梁上开洞.洞口宽度从200到500不等,高度从几十一直到200.梁上开洞,连梁开洞关于梁上开洞的构造要求,如下:1.柱上不允许开洞.2.楼板上开洞小于300,钢筋可绕过去.洞口尺寸在300~1000,则需补强钢筋.洞口任一方向尺寸大于1000,则结构专业应在洞口边加梁来重新划分板格进行设计计算.3.不管怎么说,任何较大的楼板开洞始终都是不利的.4.混凝土剪力墙上的洞口不宜大于800.小于800的洞口,在有限元计算中是很难精确体现的.所以一般不考虑这种小洞口,仅配筋时洞边补充钢筋.5.当混凝土剪力墙上开洞大于800时,在计算中应该对墙肢进行洞口设置.按类似于门洞窗洞处理,建模计算时应满足关于剪力墙洞口设置的一些规定和要求.6.在混凝土剪力墙的洞口连梁上开洞,不能超过梁高1/3,且开洞后连梁剩余截面高度不小于200.7.在框架梁上开洞,要求如下:(1)孔洞高度宜小于1/6梁高及100mm,孔洞长度不要大于1/3梁高及200mm.圆形洞不要大于1/5梁高及150mm;(2)孔洞大小,矩形洞长高比不能大于4,最好不要超过2.5;(3)孔洞位置,尽量在梁跨中1/3L范围内,必要时也可在端部1/3L.8.结构开洞之后,并不是在结构计算中加以考虑,并不是说局部加固,就能逢凶化吉的.有很多情况都是计算所不能体现出来的,也不是局部加钢筋固就能弥补构件截面缺陷所带来的抗震不利影响.无论过去有多伟大的工程之实例,凡违上述原则,皆属殷鉴,勿庸置否.很不幸,我发现我的洞口超过了这上面所说的最大要求,而且我做的是个高层,7度区120m高的建筑.我按照构造手册上关于梁腹开洞的计算要求对每根梁都做了计算,并配了补强钢筋,但是仍然心有余悸.像上面所说,许多情况下都是计算所不能体现出来的,也不是局部加强钢筋就能弥补截面缺陷所带来的抗震不利影响.案例二:先说整栋楼的大体情况吧!整个项目由5栋33层或28层住宅和一栋商业组成,其中高层住宅为混凝土剪力墙结构体系,带大地下车库.抗震设防烈度七度,场地类别Ⅱ类,设计基本地震加速度值0.10g,设计地震分组:第一组;根据《建筑抗震设计规范》GB50011-2010,此5栋建筑的结构抗震等级为二级.在我们业主去施工现场查看自己房屋时,发现了一个很严重的问题,在房屋几乎每个梁(无论是框架梁还是剪力墙连梁)上都有开洞的现象,这些洞口尺寸几乎都是直径150左右圆型洞口,目的就是为了地源热泵的管道铺设.为了不使送风管道从梁下方绕过导致净高不足,所以每栋楼几乎每家每户上方的梁都有大批的洞口,而在公共走道上管道洞口尤为集中,有的地方甚至洞口排紧贴在一起,从现场看起来就如纵横交错的蜘蛛网一样!话不多说,直接上图!这些洞口都是后期开洞的,现场都能看到箍筋给打断!但是梁的主筋都没打断!这些连续洞口也不符合《混凝土结构构造手册》第四版中开洞的间距要求,也没补强钢筋!现在有个问题,目前这些连续洞口可以简化为一个大的矩形洞口,下面就想问下大神们!简化大的矩形洞口显然也比较大!那么到底这个洞口对梁有多大影响?怎么计算?地震下梁端塑性铰的发展怎么发展?目前这个地方的受力形式时如何完成的?网友回复推荐:正常使用目前估计就靠上部现浇楼板的作用了!毕竟整体浇筑的,混凝土结构还有有塑性储备的!现在就怕地震时候梁太弱了,没有塑性铰这个概念了!感觉现在就是塑性铰了.这就是建筑结构施工图和设备施工不同步的影响!结构一般对于梁开洞都只在说明里画上大样,具体怎么做就写上一切应以国家规范为准.但是后期设备设计都是在结构图出完以后再开始的,而且基本上都是穿梁.案例三:房屋结构为框架剪力墙结构,共11层,我家在11层顶楼,客厅正上方有一个25平米阁楼(与客厅大小及户型均一致),想在阁楼上做一个浴室,走下水需要在梁上打一个洞,请问有没有影响?另外那个位置好像是梁和柱连接的部位网友回复推荐:关于梁上打洞的问题,给你个建议,先看看此梁是否为主梁,如果是,打通不要超过2个,直径不能过4-7厘米,控制在这个直径最好;如果不是主梁那打通就可以多一些了;从你的图上看,打洞的位置可以;没有问题;案例四:我的一排250x600的梁,设备要穿150的管,我应该在什莫位置给他开洞比较合理,需要验算吗网友解答推荐:梁腹开洞要预留套管,洞尽量开在跨中1/3区域且需洞口加固,如下图(我院通常做法):构造要求管的直径不能超过梁高的1/4,就整根梁来说是不是应放在1/3跨度得位置案例五:砖混结构顶楼,外墙墙面上有梁,由于要对外开孔,孔打出来,正好是一半混凝土一半砖墙的位置,可能底筋被打断,需要加固吗?网友解答推荐:砖混结构外梁只是作为圈梁之用,造成房屋危险倒塌肯定不会,但有可能会引起梁或墙开裂,最好作贴钢板加固处理.案例六:有一水管dn100,在我的一主梁上穿过,且梁截面在洞口下的有效高度只有150mm(不满足高规),但又必须开洞.请问各位高手,留洞应有什么要求,应有哪些加固措施???网友解答推荐:下列位置不可以开洞:1、过梁上与过梁成60度的三角形的范围里及梁净度1/2高度范围里不得开洞.2、120厚墙、料石清水墙和独立柱.3、宽度少于1000的窗间墙.4、砌体门窗洞口两侧200(石砌体为300)和转角处450(石砌体为600)的范围内.5、梁或梁垫下及其左右500的范围里.6、设计不允许设置脚手眼的部位.应在梁的中部留设洞口,洞口应设加强筋,如何设置应由设计人员确定.以下供参考:1.梁两侧设置环向加强筋;2.梁两侧设置#型加强筋;3.梁两侧设置加强钢板.我院的做法(供大家参考)一、留洞要求:1.对于预埋钢套管,当预埋位置设置在跨中L/3范围内时,要求:①洞口大小必须小于或等于0.4倍的梁高;②洞口上边缘距梁上边必须大于或等于0.3倍的梁高;③洞口下边缘距梁下边必须大于或等于150mm;④相邻两个洞口的中心间距应不小于2倍的较大洞口直径.以上四条必须同时满足,对不满足此要求的钢套管大小、标高及位置应作相应调整.2.当预埋位置设置在梁端L/3范围内时,要求:①洞口大小必须小于或等于0.3倍的梁高;②洞口上边缘距梁上边必须大于或等于0.35倍的梁高;③洞口下边缘距梁下边必须大于或等于150mm;④洞边到梁边或柱边的距离必须大于或等于1.5梁高;⑤相邻两个洞口的中心间距应不小于3倍的较大洞口直径.以上五条必须同时满足,对不满足此要求的钢套管大小、标高及位置应作相应调整.二、具体补强做法以下都有详细说明:参考资料:《高规》7.2.27《全国民用建筑工程设计技术措施-结构》5.3.29《钢筋混凝土结构构造手册》(二版)3.9《苏G01-2003》17页补充案例:该项目的建筑专业因为以下原因,造成了结构梁、柱上不合理的开洞:1.厨房的烟道布置在厨房外的阳台上,要求框架梁、次梁开洞,位置有支座处、有跨中,抽油烟机排烟孔直径150mm~180mm,结构的梁高为400mm~600mm.如果将排烟孔留在梁底以下,那么在住户吊顶时,将会遮不住排烟孔.建设方要求设计允许在梁上开孔.2.建筑的空调板位置的原因,要求在框架柱上开洞,直径80mm~100mm.最终的处理结果为:1.不允许在梁上开排烟孔,建筑专业将烟道移到厨房内.2.不允许在框架柱上开空调洞,由建筑处理.结构工程中,难免会遇到要在主体结构上开洞的问题,但开洞应遵循一定的原则.《构造手册》中对梁上开洞的位置和尺寸进行的要求,也提出了构造措施和计算要求,有些洞不需要处理(如小于0.1h和100mm的圆洞),有些洞只需采取构造加强(如小于0.2h 和150mm的洞).严格来讲,所有的结构开洞都需要进行计算,不能仅仅因为洞较小就可以不处理或只做构造加强,特别是在梁的受力较大处,剪压比不应超出规范的要求.有抗震要求框架梁,应避免在形成塑性铰的位置(支座1.5h范围内)开洞.次梁上开洞的位置可以不限制,但一定要满足计算要求.3.应避免在框架柱上开洞.框架上开洞易形成塑形应力集中,成为一个易破坏的薄弱点.剪力墙上的开洞也不应如《构造手册》和《11G101-1》图集所说的,仅仅按一个800mm和300mm的洞口尺寸确定加强措施,还应该考虑洞口的位置,墙肢的长度、对剪力墙整体计算的影响等因素.比如:应避免在短肢剪力墙上和墙肢长度较小的剪力墙(比如L/hw≤8的墙肢)上开洞;应避免在墙肢的端部开洞;开洞应避开剪力墙的约束边缘构件和构造边缘构件的位置;开洞后应避免对剪力墙的截面面积削弱太多,应复核开洞处剪力墙的轴压比.。
梁开洞规范梁开洞是建筑施工中常见的工程活动,目的是为了穿越梁体的管道、设备、电缆等通信线路。
梁开洞的规范操作是确保施工质量和安全的重要措施。
以下是梁开洞规范的一些主要要点。
1. 前期准备:在进行梁开洞前,需要进行详细的设计和计算,确定开洞位置和尺寸,并编制梁开洞方案。
同时需要评估梁的承载能力,以确定开洞不会对梁的结构安全出现影响。
2. 施工图纸:梁开洞需要在相关施工图纸上明确标注开洞位置、尺寸、数量等信息,并与设计方和业主进行确认。
3. 安全防护:在梁开洞的周围需要设置防护护栏和警示标志,确保施工区域的安全,防止人员误入或发生意外。
4. 施工设备:梁开洞需要使用适当的施工设备,如钻孔机、钢丝锯等,确保施工操作的效率和质量。
5. 排水处理:梁开洞时,可能会涉及到梁内的排水问题。
在开洞前,需要预先进行排水处理,避免施工过程中出现积水等问题。
6. 符合标准规范:在进行梁开洞时,需要严格按照相关标准规范的要求操作。
例如混凝土结构设计规范、建筑施工质量验收规范等。
7. 施工质量控制:梁开洞过程中,需要保证开洞尺寸的准确性和施工质量的可控性。
同时,开洞后需要对洞口进行清理,确保通畅。
8. 强度补强:在需要进行大洞口梁开洞时,可能会涉及梁体的结构强度问题。
在这种情况下,需要进行补强措施,以保证结构的安全性。
9. 施工记录:梁开洞完成后,需要及时记录相关施工数据,包括开洞位置、尺寸、开洞时间等信息,作为后期验收和管理的依据。
10. 工期控制:梁开洞是施工的一部分,所以需要将其纳入总体工期计划中,并与其他施工工序相配合,以确保整个工程的顺利推进。
总结来说,梁开洞的规范操作是保证施工质量和安全的重要措施。
从前期准备到施工设备的选择,再到强度补强和工期控制等方面,都需要按照相关标准规范的要求进行操作,以确保开洞的效果和质量。
同时,施工过程中要注重安全防护和施工记录,确保施工过程的可控性和可追溯性。
这样才能保证整个工程的安全和质量。
中文词条名:梁上开洞的计算和构造的一般规定英文词条名:(1)框架梁或剪力墙的连梁,因机电设备管道的穿行需开孔洞时,应合理选择孔洞垃置,并应进行内力和承载力计算厦构造措施。
(2)孔洞位置应避开梁端塑性铰区,尽可能设置在剪力较小的跨中L/3区域内,必要时也可设置在梁端1/3区域内。
孔洞偏心宜偏向受拉区,偏心距E O不宜大于0.05H。
小孔洞尽可能预留套管。
当设置多个孔洞时,相邻孔洞边缘间净距不应小于2.5HJ。
孔洞尺寸和位置应满足表5-24的规定。
孔洞长度与高度之比值`L_O`/`H_3 `应满足:跨中L/3区域内不大于6;梁端L/3区域内不大于3。
(3)当矩形孔洞的高度小于MM,且孔洞周边配筋可按构造设置。
上、下弦杆纵向钢筋`A_A2`、`A_A3`可采用2Φ10~2Φ12,箍筋采用Φ6~Φ8,间距不应大于0.5`H_1`或0.5`H_2`及100MM,孔洞边竖向箍筋应加密.(4)当孔洞尽寸超过上项时,孔洞上、下弦杆的配筋应按计算确定,但不应小于按构造要求设置的配筋。
孔洞上、下弦杆的内力按下列公式计算公式14 5-53式中 `V_H`------孔洞边梁组合剪力设计值;Q-----------孔洞上弦杆均布竖向荷载;`Λ_B`------抗震加强系数,抗震等级为一、二级时,`Λ_B`=1.5;三四级时,`Λ_B`=1.2.非抗震设计是,`Λ_B`=1.0`M_B`-------孔洞中点处梁的弯矩设计值;Z--------孔洞上、下弦杆之间中心距离;孔洞上、下弦杆截面尺寸应符合下列要求;无地震组合时:`V_I`≤0.25`Β_1F_CBH_O` (5-58)有地震组合时跨高比`L_O`/`H_I`>2.5 `V_I`≤`(1)/(Γ_RE)`(0.20`Β_1F_CBH_O ` ) (5-59)跨高比`L_O`/`H_I`≤2.5`V_I`≤`(1)/(Γ_RE)`(0.15`Β_1F_CBH_O` ) (5-59)式中 `V_I`------上、下弦杆剪力设计值,按公式(5-53)、(5-5 4)计算B、`H_O`----上、下弦杆截面宽度和有效高度;`H_I`------上、下弦杆截面宽度和有效高度`F_C`------混凝土轴心抗压强度计值`Γ_RE`----承载力抗震调整系数,取0.85`Β_1`----当≤C50,取0.8;C80,取0.4;C50~C80间,取其内插值;斜截面承载力和下截面偏心受压,偏心受拉承载力计算,见《混凝土结构设计规范》有关计算公式。
梁上开洞危害大!如何正确开孔?01就我们目前所居住的房屋而言,大部分属于框架结构,主要是由梁、柱、板构成。
横梁:一般都是钢筋混凝土梁(以下简称梁),而梁中最主要的结构功能就体现在其中的钢筋中。
钢筋:梁中包含了3种不同作用的主要钢筋,分别为纵筋,箍筋和腰筋。
纵筋直径14-22mm,箍筋直径6-12mm,腰筋直径10-12mm。
02“建筑装饰装修工程设计必须保证建筑物的结构安全和主要使用功能。
当涉及主体和承重结构改动或增加荷载时,必须由原结构设计单位或具备相应资质的设计单位核查有关原始资料,对既有建筑结构的安全性进行核验、确认”。
《建筑装饰装修工程质量验收规范》GB50210-2001 第3.1.5条在没有得到原结构设计单位出具的可行性报告,工程装修擅自将原结构承重梁进行开孔穿管作业,施工单位及房屋业主需承担相关法律责任。
一般的装修施工时在水电走顶有两种做法:1.线管绕梁2.梁上开孔横梁上打孔的时,要不打到主钢筋,保证梁体结构的稳定性,但是,很多时候空调施工安装却出现了暴力开孔的现场,下面我们来看一组图片。
▼孔径过大(梁已断)▼一处多孔(梁已废):▼一梁多孔(梁已裂):▼孔在梁下口(梁下口钢筋已断):钢筋混凝土梁在受弯时,局部受压、局部受拉,混凝土承担压力,钢筋承担拉力,两者相互配合,缺一不可。
那么如果在安装施工过程中打断主梁的纵筋,横梁承受的拉力就完全由混凝土来承担,那么抗震性能就会大大降低。
钢筋,尤其是纵筋打断的风险性,与楼层高低有关。
如果是低层房子打断了主梁纵筋,那么整个建筑的抗震能力要差很多。
另外,我们要知道钢筋的重要程度,即:纵筋>箍筋>腰筋。
如上图所示,红色区域是纵筋非常重要的受力区域,是绝对不能打断!03空调铜管走管,一般是贴梁贴壁铺设,打孔位置一般都在梁根区域(支座附近),所以在打孔过程中要尤其注意对箍筋的探测。
一般来说,框架梁孔径建议小于100mm,次梁孔径建议小于200mm。
空调开孔的位置可以分“上、中、下”。
关于现场31-32#楼公区风管穿梁新开洞补强措施由于高层31-32#楼结构施工图中标注遗漏,因此梁上未预留洞口。
根据设计所发11#改单需对现场31/32#楼J轴~15轴位置处200*650梁上新增850*300洞口,距结构板底50mm;根据现场实际情况及保证结构安全等情况特编制此开洞补强措施:一、施工流程结构回顶支撑--操作架搭设--混凝土踢打--混凝土清理--钢筋截断焊接补强--改造界面凿毛清理--模板支设--高一级细石混凝土浇筑--拆模--拆除支撑及操作架--清理现场--结构鉴定二、具体措施1、结构回顶支撑本加固施工前,应对两侧结构板及梁进行钢管回顶支撑,以保证施工过程中安全,沿梁底搭设立杆回顶支架(扣件式钢管回顶体系),钢管壁厚不得小于 2.75mm,立杆间距600X600mm,横杆步距1.5m,扫地杆距地0.2m,回顶支架外围四周须搭设闭合竖向剪刀撑,立杆顶部采用可调式顶托,与楼板间采用双根40X40X2方通顶紧。
每层改造梁底均应回顶,直至改造加强完成后,混凝土浇筑完成,砼强度上升至75%时,方可进行拆除。
具体支撑措施如下图所示:2、操作架搭设本次改造楼栋层高3m,梁高650,由于剔打混凝土需要,搭设钢管操作平台。
操作平台的构造采用梁板结构的形式,以Φ48×2.8mm的脚手架钢管用扣件相扣接进行制作,平台次梁间距为400mm,台面满铺木板,一一加以固定,使其不松动。
操作平台搭设1步,搭设高度为1.8米,栏杆高度1.2米,总高3米。
门架宽度:1.2米;跨距:1.8米(跨数根据现场确定);步高:1.8米;3、混凝土踢打、清理人工空压机踢打混凝士:先定位放线,将要踢打的部分由技术部现场确定好(详下平面图);采用施工电梯将空压机运至各楼层,人工搬运至需踢打梁处。
接风管至踢打区域(根据现场踢打范围人工调整空压机位置、风管长度)进行人工踢打;现场采用空压机将图中所示范围内850*650*200截面尺寸的梁全部混凝土进行剔除,且两侧各延伸100mm,便于后期绑扎环筋,梁上部板也需进行剔除便于后期从上部浇筑混凝土,保留原钢筋。
梁开洞要求及做法LG GROUP system office room 【LGA16H-LGYY-LGUA8Q8-LGA162】梁开洞要求及做法:一个工程是否有这种混凝土已经成型再来开孔的情况,体现了这个项目的管理水平!标准的梁上空洞应该采用预留的方式,空洞周边还用采取加强措施!楼主问空洞的位置一般应该在梁高的1/3中部,下面这个截图就是常见的设计方法:平法03G101-1中有一个梁上留洞的加强方式,上面也可以看出空洞的位置限制要求。
孔洞还有方孔与圆孔之分,下面这个截图分别是两种不同孔洞的加强方法:一、留洞要求:1.对于预埋钢套管,当预埋位置设置在跨中L/3范围内时,要求:①洞口大小必须小于或等于倍的梁高;②洞口上边缘距梁上边必须大于或等于倍的梁高;③洞口下边缘距梁下边必须大于或等于150mm;④相邻两个洞口的中心间距应不小于2倍的较大洞口直径。
以上四条必须同时满足,对不满足此要求的钢套管大小、标高及位置应作相应调整。
2.当预埋位置设置在梁端L/3范围内时,要求:①洞口大小必须小于或等于倍的梁高;②洞口上边缘距梁上边必须大于或等于倍的梁高;③洞口下边缘距梁下边必须大于或等于150mm;④洞边到梁边或柱边的距离必须大于或等于梁高;⑤相邻两个洞口的中心间距应不小于3倍的较大洞口直径。
以上五条必须同时满足,对不满足此要求的钢套管大小、标高及位置应作相应调整。
二、具体补强做法以下都有详细说明:参考资料:《高规》《全国民用建筑工程设计技术措施-结构》《钢筋混凝土结构构造手册》(二版)《苏G01-2003》17页梁上开洞的计算和构造的一般规定(1)框架梁或剪力墙的连梁,因机电设备管道的穿行需开孔洞时,应合理选择孔洞垃置,并应进行内力和承载力计算厦构造措施。
(2)孔洞位置应避开梁端塑性铰区,尽可能设置在剪力较小的跨中L/3区域内,必要时也可设置在梁端1/3区域内。
孔洞偏心宜偏向受拉区,偏心距EO不宜大于。
小孔洞尽可能预留套管。
承重梁打孔国家规定
关于承重梁打孔的国定规定承重梁打孔是建筑工程中常用的技术。
根据《建筑工程设计规范》(GB-2002),承重梁的
打孔应当遵循以下规定:
一、孔径:承重梁的孔径应按设计要求定准确,并保证孔径的准确性。
二、振动:承重梁的孔径应保证振动的稳定性,不能出现振动明显的情况。
三、孔边:承重梁的孔边应确保边角平整,不允许存在比较大的凹凸。
四、抗裂性:在承重梁设计时,应考虑抗裂性,保证承重梁的抗裂性能。
五、停止钻孔:在钻孔时,应注意不要超出设计的深度,以免出现停止钻孔的情况。
六、强度:在实施打孔技术时,应注意保证承重梁的强度,以免出现强度不足的情况。
七、安全:承重梁的打孔应当确保工作安全,不能出现安全事故的情况。
承重梁打孔应当遵守上述规定,确保孔径的准确性、振动的稳定性、边角平整、抗裂性能及预防停止钻孔等,以保证承重梁的强度及安全性。
因此,在实施承重梁打孔时,应当慎重,谨遵规定,保证工程质量及安全。
梁开洞要求及做法:
一个工程是否有这种混凝土已经成型再来开孔的情况,体现了这个项目的管理水平!标准的梁上空洞应该采用预留的方式,空洞周边还用采取加强措施!
楼主问空洞的位置一般应该在梁高的1/3中部,下面这个截图就是常见的设计方法:
平法03G101-1中有一个梁上留洞的加强方式,上面也可以看出空洞的位置限制要求。
孔洞还有方孔与圆孔之分,下面这个截图分别是两种不同孔洞的加强方法:
一、留洞要求:
1.对于预埋钢套管,当预埋位置设置在跨中L/3范围内时,要求:①洞口大小必须小于或等于0.4倍的梁高;②洞口上边缘距梁上边必须大于或等于0.3倍的梁高;③洞口下边缘距梁下边必须大于或等于150mm;④相邻两个洞口的中心间距应不小于2倍的较大洞口直径。
以上四条必须同时满足,对不满足此要求的钢套管大小、标高及位置应作相应调整。
2.当预埋位置设置在梁端L/3范围内时,要求:①洞口大小必须小于或等于0.3倍的梁高;
②洞口上边缘距梁上边必须大于或等于0.35倍的梁高;③洞口下边缘距梁下边必须大于或等于150mm;④洞边到梁边或柱边的距离必须大于或等于1.5梁高;⑤相邻两个洞口的中心间距应不小于3倍的较大洞口直径。
以上五条必须同时满足,对不满足此要求的钢套管大小、标高及位置应作相应调整。
二、具体补强做法以下都有详细说明:
参考资料:
《高规》7.2.27
《全国民用建筑工程设计技术措施-结构》5.3.29
《钢筋混凝土结构构造手册》(二版)3.9
《苏G01-2003》17页
梁上开洞的计算和构造的一般规定
(1)框架梁或剪力墙的连梁,因机电设备管道的穿行需开孔洞时,应合理选择孔洞垃置,并应进行内力和承载力计算厦构造措施。
(2)孔洞位置应避开梁端塑性铰区,尽可能设置在剪力较小的跨中L/3区域内,必要
时也可设置在梁端1/3区域内。
孔洞偏心宜偏向受拉区,偏心距EO不宜大于0.05H。
小孔洞尽可能预留套管。
当设置多个孔洞时,相邻孔洞边缘间净距不应小于2.5HJ。
孔洞尺寸和位置应满足表5-24的规定。
孔洞长度与高度之比值`L_O`/`H_3`应满足:跨中L/3区域内不大于6;梁端L/3区域内不大于3。
(3)当矩形孔洞的高度小于MM,且孔洞周边配筋可按构造设置。
上、下弦杆纵向钢筋` A_A2`、`A_A3`可采用2Φ10~2Φ12,箍筋采用Φ6~Φ8,间距不应大于0.5`H_1`或0.5`H_2`及100MM,孔洞边竖向箍筋应加密.
(4)当孔洞尽寸超过上项时,孔洞上、下弦杆的配筋应按计算确定,但不应小于按构造要求设置的配筋。
孔洞上、下弦杆的内力按下列公式计算
公式14 5-53
式中 `V_H`------孔洞边梁组合剪力设计值;
Q-----------孔洞上弦杆均布竖向荷载;
`Λ_B`------抗震加强系数,抗震等级为一、二级时,`Λ_B`=1.5;三四级时,`Λ_B`=1.2.非抗震设计是,`Λ_B`=1.0
`M_B`-------孔洞中点处梁的弯矩设计值;
Z--------孔洞上、下弦杆之间中心距离;
孔洞上、下弦杆截面尺寸应符合下列要求;
无地震组合时:
`V_I`≤0.25`Β_1F_CBH_O` (5-58)
有地震组合时
跨高比`L_O`/`H_I`>2.5 `V_I`≤`(1)/(Γ_RE)`(0.20`Β_1F_CBH_O` ) (5-59)
跨高比`L_O`/`H_I`≤2.5`V_I`≤`(1)/(Γ_RE)`(0.15`Β_1F_CBH_O` ) (5-59)
式中 `V_I`------上、下弦杆剪力设计值,按公式(5-53)、(5-54)计算
B、`H_O`----上、下弦杆截面宽度和有效高度;
`H_I`------上、下弦杆截面宽度和有效高度
`F_C`------混凝土轴心抗压强度计值
`Γ_RE`----承载力抗震调整系数,取0.85
`Β_1`----当≤C50,取0.8;C80,取0.4;C50~C80间,取其内插值;
斜截面承载力和下截面偏心受压,偏心受拉承载力计算,见《混凝土结构设计规范》有关计算公式。
孔洞上、下弦杆的箍筋除按计算确定外,应按有无抗震设防区别构造要求。
有抗震设防的框架梁和剪力墙连梁,箍筋应按梁端部加密区要求全长(`L_O`)加密。
在孔洞边各H/2范围内梁的箍筋按梁端加密区设置。
孔洞上弦杆下部钢盘`A_A2`和下弦杆下部钢筋`A_A3`,伸过孔洞边的长度不小于40倍直径。
上弦杆上部钢筋`A_A1`和下弦杆下部钢筋`A_A4`按计算所需截面面积小于整梁的计算所需钢筋截面面积时,应按整梁要求通长,当大于整梁钢盘截面面积时,可以孔洞范围局部加筋来补定所需钢筋,加筋伸过孔洞边的长度应不小于40倍直径。