某建设公司施工组织设计教材
- 格式:doc
- 大小:528.50 KB
- 文档页数:98
施工组织设计目录一、编制依据二、工程概况三、施工组织机构和主要管理人员表四、主要施工方法五、劳动力计划六、主要施工机械计划七、确保工程质量的技术组织措施八、确保文明施工组织措施九、确保安全施工的技术组织措施十、确保工期的技术措施十一、施工进度计划网络图十二、降低成本的技术措施十三、冬季施工措施十四、施工现场总平面布置图十五、拟用于本工程的新工艺、新技术一、编制依据1、施工图纸、图纸会审记录。
2、《建筑地基与基础工程施工质量验收规范》(GB50202—2002)。
3、《混凝土结构工程施工质量验收规范》(GB50204—2002)。
4、《砌体工程施工质量验收规范》(GB50203—2002)。
5、《屋面工程施工质量验收规范》(GB50207—2002)。
6、《建筑地面工程施工质量验收规范》(GB50209—2002)。
7、《建筑装饰装修工程施工质量验收规范》(GB50210—2001)。
8、《建筑施工手册》等。
二、工程概况(一)工程概况:安阳市公共就业服务市场工程位于安阳市劳动保障服务中心院内,由安阳市建筑设计研究院设计,总建筑面积3049m2,框架结构,地上三层。
1、建筑设计概况:本工程抗震设防烈度为八度,建筑耐久年限为3类(合理使用50年),耐火等级为二级。
钢筋混凝土框架结构,全长72.9米,宽14.4米,建筑高度12.75m,办公楼室内外高差450mm。
(二)结构概况:1、基础为混凝土灌注桩,混凝土强度等级:桩、柱、桩拉梁均为C30,垫层为C10素混凝土。
2、框架部分:梁、板、柱、楼梯为C30砼强度等级。
3、填充墙部分:A3.5加气混凝土砌块,体积密度级别B06,±0.00以下及卫生间1.5m高为位Mu10混凝土实心砖,砂浆:除±0.000标高以下及卫生间为7.5水泥砂浆外,其它为M5混合砂浆。
(三)装饰概况:1、外墙面:乳白色外墙砖2、内墙面:普通房间、走廊、楼梯间为涂料,卫生间为8-10厚面砖。
施工组织设计(完整详细版)一、工程概况本工程位于市区,总建筑面积为平方米,地上层,地下层。
工程包括主体结构、装修、机电安装等多个分部工程。
根据甲方的要求和工程特点,本工程采用施工工艺和施工方法。
二、施工部署1. 组织机构:本工程将成立项目部,下设项目经理、技术负责人、质量负责人、安全负责人等岗位,负责工程的全面管理。
2. 人员安排:根据工程需要,合理配置各专业工种人员,确保施工进度和质量。
3. 物资供应:与供应商建立长期合作关系,确保材料、设备等物资的及时供应。
4. 施工机械:根据工程特点,选用合适的施工机械,提高施工效率。
5. 施工方案:针对不同分部工程,制定详细的施工方案,明确施工步骤、工艺要求和质量标准。
三、施工进度计划1. 总体计划:根据工程特点和甲方要求,制定总体施工进度计划,确保工程按期完成。
2. 分部工程计划:针对主体结构、装修、机电安装等分部工程,制定详细的施工进度计划,确保各分部工程有序进行。
3. 关键节点:明确工程的关键节点,如基础验收、主体结构封顶、装修完工等,确保工程进度可控。
四、施工质量控制1. 质量管理体系:建立完善的质量管理体系,明确各岗位职责和质量控制要求。
2. 材料质量:严格控制材料质量,确保材料符合国家规范和设计要求。
3. 施工工艺:严格按照施工方案和工艺要求进行施工,确保施工质量。
4. 检查验收:定期对施工质量进行检查验收,发现问题及时整改,确保工程质量。
五、施工安全措施1. 安全管理体系:建立完善的安全管理体系,明确各岗位职责和安全控制要求。
2. 安全培训:对施工人员进行安全培训,提高安全意识和操作技能。
3. 安全防护:设置安全防护设施,如安全网、安全帽、安全带等,确保施工安全。
4. 应急预案:制定应急预案,提高应对突发事件的能力。
六、环境保护措施1. 环保管理体系:建立完善的环保管理体系,明确各岗位职责和环保控制要求。
2. 噪音控制:采取有效措施降低施工噪音,减少对周围环境的影响。
施工组织设计书一、工程概述本工程为具体工程名称,位于工程地点。
工程总建筑面积为建筑面积数值平方米,结构形式为结构形式,建筑高度为建筑高度数值米。
工程的主要用途为用途说明。
二、施工部署(一)施工目标1、质量目标:确保工程质量达到质量标准,一次验收合格。
2、工期目标:计划在开工日期开工,竣工日期竣工,总工期为工期天数天。
3、安全目标:杜绝重大伤亡事故,轻伤事故发生率控制在轻伤事故发生率数值以内。
(二)施工组织机构成立项目经理部,项目经理全面负责工程的施工组织和管理工作。
项目部下设工程技术部、质量安全部、物资设备部、综合办公室等部门,各部门分工明确,密切配合。
(三)施工顺序按照先地下、后地上,先结构、后装修的原则组织施工。
基础工程施工完成后,进行主体结构施工,主体结构验收合格后进行装饰装修工程施工。
三、施工准备(一)技术准备1、熟悉施工图纸,进行图纸会审,编制施工组织设计和专项施工方案。
2、做好技术交底工作,将施工技术要求和质量标准向施工班组进行详细交底。
(二)现场准备1、平整施工场地,修筑施工道路,接通施工用水、用电。
2、搭建临时设施,包括办公区、生活区、仓库等。
(三)材料准备根据施工进度计划,编制材料采购计划,组织材料进场,并进行检验和试验。
(四)机械设备准备根据施工需要,配备足够的施工机械设备,如塔吊、搅拌机、电焊机等,并进行调试和维护。
四、主要分部分项工程施工方法(一)基础工程1、土方工程采用机械开挖为主,人工配合清底的方式进行。
开挖过程中,严格控制基底标高和边坡坡度,避免超挖和塌方。
2、基础钢筋工程钢筋在加工场加工成型,运至现场绑扎。
钢筋的连接方式根据设计要求采用焊接或绑扎连接。
3、基础混凝土工程混凝土采用商品混凝土,通过泵送的方式浇筑。
浇筑过程中,要振捣密实,防止出现蜂窝、麻面等质量问题。
(二)主体结构工程1、模板工程采用钢模板和木模板相结合的方式,模板支撑系统要牢固可靠,保证模板的稳定性和垂直度。
建筑项目施工组织设计手册第一章绪论 (3)1.1 项目概况 (3)1.2 编制依据 (3)1.3 编制原则 (3)第二章工程施工总体布局 (3)2.1 施工平面布置 (3)2.2 施工临时设施 (4)2.3 施工用水、用电及排水 (4)2.4 施工环保措施 (4)第三章施工组织与管理 (5)3.1 施工组织结构 (5)3.2 施工人员配备 (5)3.3 施工进度计划 (6)3.4 施工质量管理 (6)第四章施工技术措施 (6)4.1 土建工程施工技术 (7)4.2 钢结构工程施工技术 (7)4.3 装饰工程施工技术 (7)4.4 安装工程施工技术 (8)第五章施工材料管理 (8)5.1 材料采购与供应 (8)5.2 材料存储与管理 (8)5.3 材料质量控制 (8)5.4 材料成本控制 (9)第六章施工安全管理 (9)6.1 安全管理组织 (9)6.1.1 安全管理组织架构 (9)6.1.2 安全管理职责 (9)6.2 安全管理制度 (9)6.2.1 安全生产责任制 (10)6.2.2 安全生产规章制度 (10)6.2.3 安全生产投入 (10)6.3 安全教育培训 (10)6.3.1 安全教育培训计划 (10)6.3.2 安全教育培训内容 (10)6.3.3 安全教育培训形式 (10)6.4 安全处理 (10)6.4.1 安全分类 (10)6.4.2 安全报告 (10)6.4.3 安全调查 (11)6.4.4 安全处理结果 (11)第七章施工质量控制 (11)7.1 质量控制体系 (11)7.2 质量检查与验收 (11)7.3 质量改进措施 (12)7.4 质量处理 (12)第八章施工进度管理 (12)8.1 施工进度计划编制 (12)8.1.1 项目概况分析 (12)8.1.2 工程分解 (12)8.1.3 进度计划编制 (13)8.1.4 进度计划审批 (13)8.2 施工进度控制 (13)8.2.1 进度监控 (13)8.2.2 进度分析 (13)8.2.3 进度调整 (13)8.3 施工进度调整 (13)8.3.1 调整原因 (13)8.3.2 调整方法 (13)8.4 施工进度统计分析 (14)8.4.1 数据收集 (14)8.4.2 数据整理 (14)8.4.3 数据分析 (14)8.4.4 分析报告 (14)第九章施工成本管理 (14)9.1 成本管理原则 (14)9.2 成本预算编制 (14)9.3 成本控制措施 (15)9.4 成本分析与应用 (15)第十章施工现场管理 (15)10.1 施工现场文明施工 (15)10.2 施工现场环境管理 (16)10.3 施工现场保卫工作 (16)10.4 施工现场应急处理 (16)第十一章工程验收与移交 (17)11.1 工程验收标准 (17)11.2 工程验收程序 (17)11.3 工程移交手续 (18)11.4 工程售后服务 (18)第十二章项目总结与评价 (18)12.1 项目施工总结 (18)12.2 项目施工评价 (19)12.3 项目施工改进 (19)12.4 项目施工档案管理 (19)第一章绪论1.1 项目概况本项目旨在对(项目主题)进行深入研究和分析,以期达到(项目目标)。
《建筑工程施工组织设计》课程设计任务书一、目的:本课程设计为单位工程施工组织设计,是《建筑施工组织》课程的主要教学环节之一,通过本课程设计,使学生熟悉和掌握多层住宅土建工程的施工组织的编制原则、方法和步骤;加深对所学施工组织课程的理解和综合运用的能力;培养学生分析问题、解决问题的独立工作能力,培养学生树立正确的施工组织设计思想和严谨踏实、认真细致、理论联系实际的工作作风.二、设计内容:1、工程名称:多层建筑工程施工组织设计(具体名称详见附件)。
2、工程地址:详见附件。
3、根据提供的施工图及现场条件编制施工组织设计内容包括:工程概况、施工项目经理部组织设置、拟采用的先进技术、施工方案、施工进度计划、施工进度计划的支持性计划、施工现场平面布置、技术组织措施。
三、设计步骤:(一)准备工作1、借阅设计、施工技术规范及相关参考书.2、仔细阅读施工组织设计任务书并看懂图纸。
(二)编制施工组织设计1、工程概况:包括工程建设情况、建筑设计特点、建设地段特点、施工条件等。
2、施工部署:包括目标要求、实施原则、施工特点、机构设置、组织安排等。
3、施工方案:包括确定施工顺序和施工流向、流水段划分、施工方法、机械选择等。
4、施工进度计划(网络图)。
5、施工进度计划的支持性计划(包括劳动力、主要材料、机械和运输计划表)。
6、施工平面图(确定垂直运输机械的布置、确定搅拌站、仓库、材料、构件堆场以及加工厂的位置、现场运输道路、临时设施布置、水电管网布置)7、技术组织措施四、设计任务书:(一)设计任务按照本任务书的要求及文件规定完成给定工程的施工组织设计的编制. (二)设计原始资料1、、施工图2、现场条件(三)设计完成应提交的文件及图表1、单位工程施工组织设计说明书 1份2、单位工程施工平面布置图 1张3、单位工程施工进度表 1张(四)对设计成果的要求1、单位工程施工组织设计说明书(1)设计说明书封面(采用“中原工学院课程设计”封皮,装订规整,指导教师:杨中宣)(2)目录(3)正文(五千字以上)正文要求:中原工学院课程设计专用纸,手写,文字工整,重点突出,图文并茂. 正文内容:工程概况、施工项目经理部组织设置、拟采用的先进技术、施工方案、施工进度计划、施工进度计划的支持性计划、施工现场平面布置、技术组织措施。
第1篇一、工程概况本项目位于我国某地区,总建筑面积为10000平方米,包括一栋主体建筑和一座附属建筑。
主体建筑为地上5层,地下1层,建筑高度为20米,采用框架结构;附属建筑为地上2层,采用框架结构。
工程总投资约为5000万元,建设工期为12个月。
二、施工组织设计原则1. 确保工程质量、安全、进度和成本控制。
2. 合理组织施工,提高施工效率。
3. 充分利用现有资源,降低施工成本。
4. 保护环境,实现绿色施工。
三、施工组织设计内容1. 施工部署(1)施工顺序:先主体建筑后附属建筑,先地下后地上。
(2)施工阶段划分:施工准备阶段、主体结构施工阶段、装饰装修阶段、附属结构施工阶段。
2. 施工进度计划(1)主体结构施工阶段:4个月。
(2)装饰装修阶段:4个月。
(3)附属结构施工阶段:2个月。
3. 施工资源配置(1)劳动力:根据施工进度计划,合理安排劳动力,确保施工需求。
(2)材料:提前采购,确保材料供应。
(3)施工机械:根据施工进度计划,合理安排施工机械,提高施工效率。
4. 施工方案(1)主体结构施工:采用钢筋混凝土框架结构,施工方法为分阶段分层施工。
(2)装饰装修:采用干挂石材、涂料、壁纸等材料,施工方法为分区域分批次施工。
5. 施工安全与质量控制(1)施工安全:建立健全安全生产责任制,加强安全教育,严格执行操作规程。
(2)质量控制:严格执行国家及行业相关标准,加强原材料、施工过程、竣工验收等环节的质量控制。
6. 施工环境保护(1)施工现场管理:规范施工现场,加强垃圾处理,减少扬尘污染。
(2)施工噪声控制:合理安排施工时间,采取隔音措施,降低施工噪声。
7. 施工成本控制(1)加强材料管理,降低材料损耗。
(2)合理安排施工进度,提高施工效率,降低人工成本。
(3)加强设备管理,降低设备折旧。
四、施工组织设计实施与控制1. 施工组织设计实施(1)加强组织领导,明确各部门职责。
(2)建立健全施工管理制度,确保施工组织设计顺利实施。
《施工组织设计》教案施工组织设计是建筑工程管理中非常重要的一环,它涉及到施工计划、资源配置、人员组织等方面,直接影响到施工进度和质量。
本文将从施工组织设计的概念、原则、步骤、内容和要点等方面进行详细介绍。
一、施工组织设计的概念1.1 施工组织设计是指在施工前对整个施工过程进行规划和安排,确定施工任务、工期、人员配置等内容的过程。
1.2 施工组织设计旨在合理安排施工过程,提高施工效率,确保施工质量,保证施工安全。
1.3 施工组织设计是施工管理的重要组成部分,对整个施工过程起着决定性的作用。
二、施工组织设计的原则2.1 合理性原则:施工组织设计要合理安排施工过程,充分考虑资源配置和施工条件。
2.2 经济性原则:施工组织设计要尽可能降低成本,提高效益。
2.3 安全性原则:施工组织设计要保证施工安全,防范施工事故的发生。
三、施工组织设计的步骤3.1 调查研究:对施工现场进行全面的调查研究,了解施工条件和要求。
3.2 制定方案:根据调查研究结果,制定施工组织设计方案,包括施工任务、工期、资源配置等内容。
3.3 审批实施:将施工组织设计方案提交相关部门审批,并按照方案实施施工。
四、施工组织设计的内容4.1 施工任务:明确施工目标和任务,确定施工范围和要求。
4.2 工期计划:制定施工计划,确定施工进度和节点。
4.3 人员配置:合理安排施工人员,确保施工队伍的协调和配合。
五、施工组织设计的要点5.1 综合考虑:施工组织设计要综合考虑施工条件、资源配置、施工要求等因素。
5.2 灵活应变:在施工过程中要灵活应变,根据实际情况及时调整施工组织设计方案。
5.3 监督检查:对施工组织设计方案的实施过程进行监督检查,确保施工进度和质量符合要求。
总结:施工组织设计是建筑工程管理中至关重要的一环,只有合理安排和设计施工过程,才能保证施工的顺利进行和质量的高效完成。
希望本文的介绍能够帮助读者更好地理解施工组织设计的概念和要点,从而提高施工管理水平。
《施工组织设计》教案施工组织设计是指在建筑施工过程中,根据施工任务的要求和现场条件,科学合理地确定施工的组织形式、施工方法、施工工艺、施工程序和施工计划等内容,以确保施工进度、质量和安全。
本文将从施工组织设计的基本概念、设计原则、设计步骤、设计要素和设计方法等方面进行详细介绍。
一、基本概念1.1 施工组织设计的定义:施工组织设计是指根据工程建设的要求和现场条件,合理确定施工组织形式、施工方法、施工工艺、施工程序和施工计划等内容的过程。
1.2 施工组织设计的重要性:施工组织设计直接影响施工进度、质量和安全,是施工管理的重要环节。
1.3 施工组织设计的目的:通过施工组织设计,可以合理安排施工资源,提高施工效率,降低施工成本,确保施工质量和安全。
二、设计原则2.1 经济性原则:施工组织设计应以经济合理为原则,合理配置施工资源,降低施工成本。
2.2 安全性原则:施工组织设计应以保障施工人员安全为前提,避免施工事故的发生。
2.3 灵活性原则:施工组织设计应具有一定的灵活性,能够根据实际情况进行调整和优化。
三、设计步骤3.1 调查研究:对施工现场进行全面调查,了解地质、气候、交通等情况。
3.2 制定方案:根据调查研究结果,制定施工组织设计方案。
3.3 审批实施:经过相关部门审批后,实施施工组织设计方案。
四、设计要素4.1 施工组织形式:包括总包施工、分包施工、自营施工等形式。
4.2 施工方法:包括施工工艺、施工技术等方面。
4.3 施工程序:包括施工计划、施工流程等内容。
五、设计方法5.1 专家咨询:可以请施工管理专家进行咨询,提供专业意见。
5.2 模拟仿真:通过施工仿真软件等工具,模拟施工过程,找出潜在问题。
5.3 实地考察:实地考察施工现场,了解实际情况,为施工组织设计提供依据。
综上所述,施工组织设计是建筑施工管理中的重要环节,只有科学合理地进行施工组织设计,才能确保施工进度、质量和安全。
希望本文对您有所帮助。
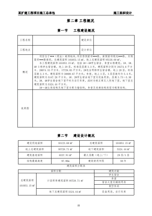
第二章工程概况第一节工程建设概况工程名称建设单位工程地点设计单位概述项目位于***(现址)南侧地块,项目西侧紧邻***路,南侧紧邻规划***路,东侧紧邻***路南段,总建筑面积101053.15㎡,地上总建筑面积95120.69㎡。
本工程建筑面积101053.15㎡,包括1#~4#学生宿舍、食堂6栋建筑。
1#、3#、4#3栋学生宿舍楼,地上29层,标准层层高3.3米,建筑面积分别为18274.6平方米、20074.33平方米、17728.03平方米;2#包含两栋学生宿舍楼,地上28层,标准层高3.3米,建筑面积为38809.67平方米;食堂,地上3层,3层层高均为5.4米,建筑面积为5147.28平方米。
1#、2#学生宿舍地下室为设备用房,层高3.75~5.30米,3#、4#学生宿舍地下室平时为自行车库,战时为核五常五人防地下室,地下室总建筑面积为5324.44平方米。
1#~4#主体结构及地下室为剪力墙结构,食堂及连廊结构类型为框架结构。
效果图第二节建设设计概况建设用地面积93123.60㎡总建筑面积101053.15㎡地上总建筑面积95728.71㎡地下建筑面积5324.44㎡建筑基底面积6537.91㎡最大层数(地上/下)29层/1层结构最高高度97.80m建筑使用年限50年建筑面积分配表面积分配建筑功能总建筑面积101053.15㎡计容积率建筑面积95728.71㎡学生宿舍食堂宿舍大堂及辅助用房架空休闲地下总建筑面积5324.44㎡设备用房,自行车库地上建筑分栋指标栋号结构高度m 层数规定功能规定面积㎡核减面积㎡核增功能核增面积㎡食堂16.153学校食堂4721.7/架空休闲517.381#学生宿舍97.8029学生宿舍17493.3292.40架空休闲197.11地下室设备用房590.452#学生宿舍95.6028学生宿舍33969.03171.60架空休闲413.31学生食堂2308.88/地下室设备房2346.493#学生宿舍97.8029学生宿舍17444.9692.40架空休闲245.47地下室设备房2389.54#学生宿舍97.8029学生宿舍17563.3792.40架空休闲170.26连廊//连廊//架空休闲1019.24合计93459.00448.807889.21主要建筑及装修做法表外装修设计及内装修设计外墙:涂料、干挂陶板;内墙:水泥砂浆、乳胶漆、面砖墙面;楼面:水泥砂浆楼地面,细石混凝土楼地面,地砖楼地面,防滑地砖楼地面,玻化砖地面,环氧砂浆自流屋楼地面,防静电架空地楼面。
《施工组织设计》教案标题:施工组织设计教案引言概述:施工组织设计是建造工程管理中的重要环节,它涉及到施工过程中的各个方面,包括人员管理、物资调配、工程进度控制等。
一份好的施工组织设计教案能够匡助学生系统地了解施工组织设计的理论知识和实践技巧,为将来从事建造工程管理工作打下坚实的基础。
一、施工组织设计的概念和意义1.1 施工组织设计的概念施工组织设计是指在施工过程中,根据工程施工的特点和要求,合理安排施工人员、设备、材料和施工方法等,以达到高效、安全、质量保证的施工目标的活动。
1.2 施工组织设计的意义- 有助于提高施工效率和质量- 有助于降低施工成本- 有助于保证施工进度的顺利进行二、施工组织设计的基本原则2.1 经济性原则施工组织设计应该在保证工程质量的前提下,尽可能降低施工成本。
2.2 安全性原则施工组织设计应该保证施工过程中的安全,防止发生事故。
2.3 协调性原则施工组织设计应该协调各个施工环节,确保施工进度顺利进行。
三、施工组织设计的基本内容3.1 人员管理合理安排施工人员的工作任务和工作时间,确保施工人员的工作效率和工作质量。
3.2 物资调配合理安排施工所需的材料和设备,保证施工所需物资的及时供应。
3.3 工程进度控制制定合理的施工计划,监控施工进度,及时调整施工计划,确保工程按时完成。
四、施工组织设计的实践案例分析4.1 建造工地施工组织设计案例通过对某建造工地的施工组织设计案例进行分析,探讨其优点和不足之处。
4.2 道路施工组织设计案例通过对某道路施工工程的施工组织设计案例进行分析,总结其成功经验和教训。
4.3 桥梁施工组织设计案例通过对某桥梁施工工程的施工组织设计案例进行分析,探讨其施工管理的特点和难点。
五、施工组织设计教案的编写要点5.1 教学目标明确教学目标,确保学生能够掌握施工组织设计的基本理论和实践技巧。
5.2 教学内容根据施工组织设计的基本原则和内容,编写教学内容,包括理论讲解、案例分析等。
建筑工程施工组织设计书一、项目概况本项目为建筑工程施工组织设计书,旨在详细规划和组织施工过程,确保施工顺利进行。
项目名称为XXX建筑工程,地点位于XXX,总建筑面积为XXX平方米。
本项目主要包括XXX。
二、工程目标本项目的工程目标是在合理的时间和预算内,按照相关法规和标准,完成建筑工程的施工。
同时,确保施工期间的安全、环保和质量要求。
三、组织机构和人员1. 项目经理负责整个项目的协调和管理,包括施工进度控制、质量监督和安全管理等。
2. 技术负责人负责编制施工组织设计书,制定施工方案,并监督施工过程中的质量控制。
3. 施工人员包括钢筋工、砌筑工、电工等,负责具体的施工工作,按照施工图纸和技术要求进行作业。
四、工期安排根据工程的复杂程度和施工方法,本项目的总工期为XXX天。
具体的工期安排如下:(此处可列出工序的安排,以及每个工序的起止时间和工期要求)五、施工方案1. 地基处理方案根据地质勘察报告,采取相应的地基处理措施,确保地基稳定,并满足建筑物的承载要求。
2. 结构施工方案根据结构图纸和设计要求,制定具体的结构施工方案,包括施工方法、施工顺序和施工工艺等。
3. 建筑物外装修方案根据外装修设计要求,制定具体的外装修方案,包括材料选择、施工工艺和质量控制等。
4. 暖通、给排水方案根据暖通、给排水设计图纸,制定具体的施工方案,确保暖通设备和给排水系统的正常运行。
六、质量控制1. 施工材料采购采购符合国家标准的优质材料,并做好相应的验收工作,确保施工质量。
2. 施工工艺控制严格按照工艺要求进行施工,确保施工过程中的质量控制,并做好相应的检测和验收工作。
七、安全管理1. 针对施工现场的特点和施工工艺,制定相应的安全施工措施,并组织施工人员进行相关培训。
2. 建立安全管理制度,确保施工过程中的安全控制,及时发现和消除安全隐患。
八、环保措施1. 施工过程中,严格控制噪音、扬尘、废水和废弃物等对环境的污染,按照相关法规和标准进行处理和处置。
施工组织设计书一、编制依照二、项目概况三、施工平面安排四、质量包管体系及方法五、关键部位或专门要求的施工工艺筹划/方法六、施工力量筹划及安排七、包管安稳方法八、文明施工的方法九、工程进度筹划及包督工期方法十、重要设备、材料、用量筹划一、编制依照1、二台镇东滩村等5村地盘整治工程当局采购招标文件。
2、二台镇地盘整治项目第三标段(二牛村B区)工程量清单。
3、现场实际踏勘情形。
4、质量、安稳包管体系文件。
5、国度现行相干工程扶植律例和本地当局有关处所性律例和规定。
6、行业技巧标准:本工程遵守、参照的重要规范、标准(包含但不限于)如下:《水工混凝土施工规范》(DL/T5144-2001);《水工混凝土实验规程》(SL352-2006);《砼构造工程施工及验收规范》(GB50204-2002);《地盘开创整顿项目验收规程》(TD/T1013~2000);《地盘开创整顿标准》(TD/T1011—1013—2000);《农田排水工程技巧规范》(SL/T4~199);《节水浇灌技巧规范》(SL207~98);二、项目概况本项目位于张北县北部,地点地附属于二台镇二牛村,工程内容重要有地盘平坦、田间道的整修与新建、新建临盆路、路边沟、过路涵及行道树的栽植。
工期要求:30天。
三、施工平面安排1.安排原则及依照1. 1安排原则遵守“建优质工程,创环保现场”的原则,把安稳临盆和文明施工同步,工程扶植和绿色环保并取。
形成文明的、绿色的、科学的施工现场。
遵守国度现行司法、律例的原则。
在施工现场安排中充分表现出相符临盆、生活、安稳、消防、环保、卫生、劳动保证等国度有关规章和律例。
以尊敬业主、用户知足为原则,业主赞成、指定的范畴内安排本合同工程所需的临扶植施;充分应用业主为本合同工程供给的场表里交通、场地、通信、能源及材料供给等施工前提;积极响应招标文件,知足招标文件的各项要求的原则。
平面安排科学合理,知足临盆须要,构造紧凑,占地面积经济合理,便利施工。
施工组织设计(全套)安全管理专项安全施工方案编制人职务(称)审核人职务(称)批准人职务(称)批准部门(章)编制日期安全管理方案一、工程概况本工程为杭州世马纱绒有限公司宿舍楼工程,为三层框架结构。
建筑面积3000平方米。
由杭州世马纱绒有限公司投资兴建,杭州天工建设监理咨询有限公司监理,萧山建筑设计事务所设计,浙江萧峰建筑工程有限公司承建。
为创造良好的工作环境,严格按照《建筑施工安全检查标准》(JGJ59-99)的标准,有序、规范、标准、整洁、科学的建设施工生产活动,管理具体方案如下:二、安全生产责任制安全生产责任制,是根据“管生产必须管安全”,“安全工作,人人有责”的原则,以制度的形式,明确规定各级领导和各类人员在生产活动中应负的安全职责。
为此公司与项目经理、项目经理与各班组长等签订责任书,以次增强各员工的安全意识,做到“安全第一”。
公司对从事安全有关管理、执行和检查人员,规定其职责、权限和相互关系,定期考核。
为了使安全生责任制能够严格贯彻执行,就必须与经济责任挂钩,对违反指挥、违章操作造成事故的责任者,必须给予一定的经济制裁,情节严重的还要给予行政处分,触犯刑律的,还要追究法律责任。
对一贯遵章守纪、重视安全生产、成绩显著或者在预防事故等方面做出贡献的,要给予奖励,做到奖罚分明,充分调动广大职工的积极性。
项目部应实行安全生产目标管理,制定总的安全目标,如:伤亡事故控制目标、安全达标、文明施工目标等。
每年、每月要制定达标计划,进度目标分解到人,责任落实到人,考核到人。
施工现场要建立以项目经理为班组长、由各职能部门参加的安全生产管理小组,组成自上而下覆盖各部门、各班组的安全生产管理网络。
并制定由施工员、安全员等在内的轮流值班制度,检查监督施工现场及班组安全制度的贯彻执行,并做好安全值班记录。
项目部要建立、健全各种规章制度,除安全生产责任制外,还有安全技术交底制度、安全宣传教育制度、安全检查制度、安全设施验收制度、伤亡报告制度。
编制说明一、编制原则1、坚持贯彻公司“环保安康、建时代精品,诚信守法、筑苏中丰碑”的管理方针。
2、认真贯彻国家对工程建设的各项方针和政策,严格执行工程建设程序。
严格遵照工程建设标准强制性条文和现行施工验收规范组织施工。
3、将网络计划等工程管理技术和软件运用到工程管理中。
4、充分利用现有施工机械和设备,扩大机械施工范围,提高机械化作业程度,改善劳动条件,提高劳动生产率。
5、科学地规划施工现场,优化现场平面布置,减少物资的二次搬运和人工运距。
6、始终坚持“安全第一,预防为主”的原则,加强安全管理,不断提高文明施工水平,促步实现施工现场的美化要求。
7、本施工组织设计根据项目施工管理纲要进行编写。
8、本施工组织设计不包括安装工程部分的施工组织设计,安装工程部分将根据安装图进行单独编写。
9、由于万盛理想国A1#楼万盛理想国A2#楼两栋建筑物地上结构基本相似,只是地下结构部分存在部分差异,且两栋建筑物形成流水施工,所以本施工组织设计针对两栋建筑物进行编写。
二、编制依据1、建设单位与我公司签订合同的约定要求。
2、建设单位提供的万盛理想国A1#、A2#楼施工图等设计文件及长春市的有关管理要求。
3、我公司对施工现场的勘查情况记录,及施工现场的交通、地形、环境、特征,长春地区的季节变化和气候特点。
4、吉林省现行的工程预算和费用定额,现行的政策性文件和造价信息。
5、本公司《质量手册》、《质量管理制度》、《作业指导书》等相关管理文件。
6、本公司历年来在类似工程施工中积累的技术资料和施工经验。
7、本工程所在地的市场特点,长春地区的材料分供商和工程、劳务分包方有关情况。
8、我公司拟投入该工程的技术装备的能力。
9、《地面与楼面工程施工及验收规范》(GBJ209-83)《砼外加剂应用技术规范》(GBJ119-88)《土方工程施工及验收规范》(GBJ20-83)《建筑地基处理技术规范》(JGJ79-91)《普通砼配合比设计技术规定》(JGJ55-81)《建筑砂浆基本性能实验方法》(JGJ70-90)《钢筋砼用钢筋》(GB1499-91)《工程测量规范》(GB50026-93)《土方与爆破工程施工及验收规范》(GBJ201-83)《设置钢置砼构造柱多层砖房抗震技术规范》(JGJT13-94)《建筑防腐工程施工及验收规范》(GB50212-91)《钢筋焊接及验收规范》(JGJ18-9616、GBJ243-82)《施工现场临时用电安全技术规范》(JGJ46-88)《电气装置安装工程电梯电气装置施工及验收规范》《组合钢模板技术规范》(GBJ214-98)《给排水构造物施工及验收规范》(BJ141-90)《建筑机械使用安全技术规程》(JBJ33-86)《塑料门窗安装及验收规程》(JGJ103-96)《建筑地面工程施工质量验收规范》(GB50209-2002)《建筑装饰装修工程质量验收规范》(GB50210-2002)《建筑给排水及采暖工程施工质量验收规范》(GB50242-2002)《通风与空调工程施工质量验收规范》(GB50243-2002)《建筑电气安装质量验收规范》(GB50303-2002)《建筑地基基础施工质量验收规范》(GB50202-2002)《砌体工程施工质量验收规范》(GB50203-2002)《砼结构工程施工质量验收规范》(GB50204-2002)《屋面工程质量验收规范》(GB50207-2002)《地下防水工程质量验收规范》(GB50208-2002)本施工组织设计未详尽之处或与施工图、施工验收规范和验收规程发生抵触之处,按照各类验收规范规程和施工图执行。
第一章工程概况及特点一、总述本工程为万盛理想国A1#、A2#楼工程,该工程为两栋地下一层、地上五层建筑组成,框架剪力墙结构,该工程由长春万盛禹实置业有限责任公司开发建设,吉林省建筑设计院有限责任公司设计,长春市建工建设监理有限公司监理,江苏省苏中建设集团股份有限公司承建施工;该工程位于长春市绿园区西环城路以北,迎宾路以西,万盛理想国园区内。
总建筑面积为12024.07㎡,其中A1#楼6396.73㎡、A2#楼5627.34㎡。
二、现场概况1、地点特征本工程栋号工地南侧靠近公路,交通运输方便,施工现场场地原为棚户区拆迁地,场地较为平整高差较大,场地标高约为232.53至233.94左右,现场施工条件具备。
本工程场地类别为二类,抗震设防烈度为7度;基本风压为0.65KN/㎡,基本雪压0.35KN/㎡,标准冻深1.7米。
2、施工条件本工程施工现场可以从现有南侧西环城路出入,施工用水暂时从建设单位提供A2#楼西侧水井引入、用电从建设单位提供A5北侧的箱变接出;建筑材料、施工机械均可经公路直接运入工地,水泥、钢筋、防水材料、砌体等主要材料均已有成熟的供货渠道;施工机械、运输工具和劳动力根据进度自选调配平衡,来源已保证,质量保证体系已健全。
三、施工管理目标1、质量目标:合格工程2、工期目标:根据建设单位计划工期:2008年3月20日开工,2008年7月30日达到竣工验收标准。
(具体安排详见附表一施工进度总控计划)3、控制目标:我公司将把本期工程的实现过程作为提高公司信誉、更好地在长春市场上发展壮大重要举措,所以,我们将首先规范项目管理,其次才考虑企业的经济效益,在确保工程信誉的前提下,尽可能降低工程成本。
4、服务目标认真全面履行合同条款,创造满足(或超过)合同要求的建筑精品,自始至终向业主提供满意周到的服务。
5、环境保护目标严格遵守国家及地方有关环保的各项规定。
四、工程概况1、建筑概况1.1.墙体:内墙采用非承重200(或100)厚炉渣空心砖,用M5混合砂浆砌筑,非承重外墙采用200厚煤矸石空心砌块,用M5混合砂浆砌筑,100厚EPS30kg/m3保温板。
各梁、柱、窗口等热桥部位的保温构造详见建施共节点详图。
1.2.防水工程及保温:地下结构防水设置为防水抗渗混凝土外加一层4mm厚SBS高聚物改性沥青卷材防水层,屋面设2mm厚SBS卷材隔气层一道、4mm厚SBS高聚物改性沥青防水卷层防水层一道,保温层采用40-100mm厚阻燃聚苯乙烯泡沫塑料板;卫生间、厨房采用4mm厚SBS高聚物改性沥青卷材防水层,坡道部分底板防水选用同地下室底板。
1.3.外墙装饰:外墙面采用外墙涂料装饰,局部为外墙面砖饰面。
1.4.室内装修:墙面分为厨卫间墙面做法、楼梯间室内墙面做法和其他房间做法,厨房卫生间做法分为混凝土基层作法和砌块基层作法,其他房间同样分为砌块基层作法和混凝土基层作法,厨卫间墙面抹灰做法依次为刷素水泥浆一道(内掺新型建筑粘结胶)、12厚1:3水泥砂浆找平层、8厚1:2防水砂浆抹平,客厅、卧室及餐厅等房间墙面做法依次为素水泥浆一道(内掺建筑胶)、13厚1:0.5:3水泥石灰膏砂浆打底扫毛或划出纹道、5厚1:1:4水泥石灰膏砂浆打底扫毛、喷大白浆。
楼梯间墙面做法依次为素水泥浆一道(内掺建筑胶)、13厚1:0.5:3水泥石灰膏砂浆打底扫毛或划出纹道、5厚1:1:4水泥石灰膏砂浆打底扫毛、封底漆一道(干燥后再作面涂)、刷乳胶漆两遍。
地下室墙面设置墙裙、墙裙抹灰做法依次为素水泥浆结合层一道、12厚1:3水泥砂浆找平层、10厚1:2水泥砂浆抹平压光。
地面做法同分为一般房间做法、卫生间做法、楼梯间做法、半地下结构地面做法、地下车库地面做法,一般房间做法依次为1.5厚聚氨酯涂抹防潮层、20厚挤塑保温板、0.2厚真空镀铝聚酯薄膜、60厚细石混凝土(上下配Ф3@50钢丝网中间配散热管)随打随抹光,卫生间做法依次为20厚水泥砂浆抹平压光、4mm厚SBS改性沥青防水卷材、20厚挤塑保温板、0.2厚真空镀铝聚酯薄膜、60厚细石混凝土(上下配Ф3@50钢丝网中间配散热管)随打随抹光,半地下结构地面做法依次为100厚碎石灌M2.5水泥砂浆垫层、20厚1:2水泥砂浆找平层、4厚SBS改性沥青防水卷材、40厚C20细石混凝土保护层、抗渗混凝土底板、20厚1:2水泥砂浆找平层、20厚挤塑保温板、60厚细石混凝土(上下配Ф3@50钢丝网中间配散热管)随打随抹光,地下车库地面做法依次为素土夯实、100厚碎石灌M2.5水泥砂浆垫层、20厚1:2水泥砂浆找平层、4厚SBS改性沥青防水卷材、40厚C20细石混凝土保护层、抗渗混凝土底板、素水泥浆一道(内掺建筑胶)、60厚C25细石混凝土面层,表面撒1:1水泥砂子随打随抹光。
天棚做法分为乳胶漆天棚和水泥天棚,乳胶漆天棚主要为楼梯间做法依次为素水泥浆一道(内掺建筑胶)、5厚1:0.5:3水泥石灰膏砂浆打底扫毛或划出纹道、3厚1:1:4水泥石灰膏砂浆打底扫毛、封底漆一道(干燥后再作面涂)、刷乳胶漆两遍,水泥天棚做法为素水泥浆掺建筑胶刮涂找平。
2、结构简况2.1.地下结构:A1#楼:地下一层分为地下车库和设备用房等两种标高,地下车库层高4.2m、设备用房等层高2.8m,基础采用预制混凝土方桩基础;钢筋采用HPB235,HRB335,HRB400三种种类的钢材;地下结构混凝土,地下室顶梁板外墙采用强度等级C30S6,地下室柱混凝土强度等级C30。
A2#楼:地下一层、层高2.8米,基础采用预制方桩基础、钢筋采用HPB235、HRB335两种刚才,地下结构承台混凝土采用C30、墙板柱梁采用C25,混凝土立板挡土墙C25S6混凝土。
2.2.地上结构:A1#楼:地上四层、局部五层,一层至五层高3.0m,屋面层单独设置,钢筋采用HPB235,HRB335两种种类的钢材;主体结构砼强度等级均为C25。
A2#楼:地上四层、局部五层,一层至五层高3.0m,屋面层单独设置,钢筋采用HPB235,HRB335两种种类的钢材;主体结构砼强度等级均为C25。
3、安装工程:本工程设有供电、供水、排水和采暖设施。
(具体内容详见单独编写的安装工程施工组织设计,所以本施工组织设计中将不做详细编写)五、本工程的重点及难点由于我项目部已经多年施工过类似工程,所以结合施工图设计要求和根据以往经验我公司把本工程防水工程和结构施工柱梁交界处混凝土施工和外墙保温施工作为施工的重点及难点,我公司将严格按照施工质量验收规范和图纸要求,编写施工方案、制定详细周密的施工技术标准及措施,组织一批经验丰富、技术能力强、技术等级高的班组来完成。
同时对防水工程制定防止质量通病的措施,保证防水工程不渗不漏,符合设计和施工质量验收规范及合同要求。
由于本工程结构设计中梁柱节点处存在混凝土强度等级不同等要求,所以本工程也把该处施工作为施工的重点来管理,施工中严格控制该处混凝土的施工和配比以及施工程序和细部做法,主要施工措施在通病防治中体现。
本工程地处北方,外墙设有保温工程,保温工程的施工质量牵涉到整个工程形象和公司的信誉度,所以本工程同时把保温工程作为施工重点同时把工程总承包的管理协调也作为重点,工程工期紧、任务重,分包单位多、工序间的穿插施工多,因此作为总包单位必须靠一流的综合实力,一流的策划与运作,一流的管理与协调,一流的技术与设备,一流的承诺与服务,才能优质高效地完成本工程各项要求,实现工程的综合目标。