(完整版)桩头防水施工方案
- 格式:doc
- 大小:33.51 KB
- 文档页数:5
灌注桩桩头防水施工方案一、前言随着现代基础设施建设的不断发展,灌注桩作为一种重要的基础施工方式,在各类工程中得到了广泛应用。
然而,灌注桩桩头的防水工程一直是工程施工中必不可少的一环,其质量直接关系到工程的安全和稳定。
本文将详细介绍灌注桩桩头防水施工方案。
二、施工准备1.材料准备:准备防水材料、密封材料、粘结剂等;2.工具准备:准备刷子、辊刷、滚筒等工具; 3.施工方案设计:根据实际情况设计防水施工方案,包括施工工艺和施工工序等。
三、施工工序1.清理桩头:首先清理灌注桩桩头表面的杂物和泥土,确保桩面干净;2.涂刷防水材料:在桩头表面均匀涂刷一层防水材料,确保完全覆盖桩头表面; 3.粘贴防水材料:将防水材料进行粘贴,根据设计要求进行层层堆叠,确保防水层的完整性;4.辅助施工工序:根据实际情况进行必要的辅助工序,如加固处理、密封处理等;5.防水层检查:施工完成后对防水层进行检查,确保无漏涂漏贴现象,且防水层牢固可靠; 6.记录资料保存:对施工过程进行记录,保存相关资料以备查阅。
四、施工质量控制1.施工过程质量控制:对防水材料的使用以及施工工艺的合理性进行严格控制;2.现场质量把关:现场负责人要对施工现场进行实时监控,确保施工质量符合要求;3.问题处理及时性:如遇到施工中的质量问题,要及时处理并调整施工方案,确保施工质量; 4.验收标准落实:依据防水施工验收标准,进行验收工作,确保防水层的质量。
五、施工注意事项1.选择优质材料:选择符合标准要求的防水材料,确保其质量稳定可靠;2.合理施工工艺:根据实际情况制定合理的施工方案,确保防水施工效果; 3.人员培训:对施工人员进行相关培训,提高其施工技术水平; 4.施工环境控制:控制施工环境的湿度和温度等因素,确保施工质量。
六、总结灌注桩桩头防水施工是工程建设中重要的一环,其质量直接关系到工程的安全和稳定。
合理的防水施工方案和严格的质量控制是保证施工质量的关键。
工程桩头防水怎么施工方案一、工程背景工程桩头防水是指在桩顶水平面上采取措施,防止水流通过桩头进入桩内或者防止桩头周围土壤因涌水作用而流失。
在工程建设中,桩头的防水工程是非常重要的一环,它直接关系到工程的安全和稳定性。
因此,对桩头防水的施工方案应该进行合理的设计和严格的实施,以保证工程的质量和安全。
二、施工前准备1. 设计方案:在进行桩头防水施工前,必须要制定详细的设计方案。
设计方案应该由专业的结构工程师和水利工程师共同制定,包括桩头防水的具体措施、材料的选取、工艺流程、施工要求等。
设计方案要充分考虑工程的实际情况和要求,合理安排施工流程,严格控制质量。
2. 施工人员:招聘具有相关经验和技能的施工人员,进行专门的技术培训,确保施工人员具备必要的专业知识和操作技能,以应对各种复杂情况。
3. 施工材料和设备:准备好桩头防水所需的各种施工材料和设备,包括防水胶、水泥、钢筋、挖掘机、装载机、搅拌车等。
4. 安全措施:在施工前要进行安全检查,并设置必要的安全防护设施,确保施工过程的安全。
三、施工步骤1. 桩头清理:在进行桩头防水施工前,首先要对桩头进行清理,清除桩头表面的杂物和泥土,确保桩头干净。
如果桩头表面有损坏,应及时修补。
2. 防水胶施工:选择符合要求的防水胶材料,在桩头表面进行处理。
施工过程中,要严格按照说明书要求进行,保证每一道工序都做到位。
3. 混凝土浇筑:在桩头防水胶干燥后,要进行混凝土浇筑。
在浇筑混凝土时,要保证混凝土的浇筑质量,以及混凝土的密实性。
4. 钢筋绑扎:在进行混凝土浇筑后,对桩头进行钢筋的绑扎工作。
钢筋的绑扎要符合相关标准和要求,确保钢筋的牢固性和整体性。
5. 桩头防护:进行桩头周围的防护工程,包括土方开挖支护、引水排水、抗浪削波、防火设施建设等。
6. 质量验收:在施工完成后,要进行桩头防水工程的质量验收。
验收人员要检查工程的各项指标是否符合要求,确保工程质量。
四、施工注意事项1. 施工质量:施工过程中要严格按照设计方案进行操作,确保施工质量。
桩头建筑防水施工方案桩头建筑防水施工方案一、项目概况桩头建筑工程位于广州市中心区域,总占地面积为10000平方米,包括地下停车场、商业综合体、办公楼等建筑。
鉴于该地区年降雨量较大,为保护建筑物不受雨水渗漏的影响,进行防水施工是必不可少的工作。
二、施工目标1. 确保建筑物地下部分和外墙的防水效果,防止雨水渗入建筑物内部,避免对建筑物结构的损坏和业主财产的损失。
2. 保证工期进度,在施工期间不会因为雨水影响施工进度。
3. 提供长期的防水效果,延长建筑物的使用寿命。
三、施工方法和措施1. 地下部分防水1.1 桩基防水:现浇桩基的混凝土表面进行防水处理,使用扩展剂稀释的聚氨酯防水涂料进行刷涂,每层涂布干燥后再进行下一层的施工。
1.2 地下室防水:地下室采用双层防水工程。
首先在地下室顶板和墙面进行清理和处理,然后涂刷聚合物防水涂料,涂层应均匀且不得有漏涂现象。
其次,在涂刷防水涂料干燥后,对地下室顶板和墙面进行二次防水处理,增加防水层的厚度和耐压性能。
2. 外墙防水2.1 确保外墙结构的完整性,进行细部处理。
例如,玻化砖使用专用止水带进行处理,外墙砌筑缝隙采用弹性材料填充,确保墙体处处无漏水点。
2.2 外墙表面进行防水涂料处理。
使用聚合物改性沥青涂料进行刷涂,涂层应均匀且不得有漏涂现象。
在涂刷防水涂料干燥后,进行第二遍涂刷,增加涂层的厚度和耐水性能。
2.3 外墙附加保护层的使用。
在防水涂层施工完成后,进行外墙附加保护层的施工,采用压花不锈钢板材,提高外墙的防雨性能和整体美观度。
3. 施工进程和质量控制3.1 施工进程控制:按照施工进度制定合理的进度计划,合理安排施工顺序,确保施工进度的按时完成。
在连续阴雨天气或者有大雨天气即将发生时,采取灵活的措施调整施工计划,确保施工进程不受影响。
3.2 施工质量控制:严格按照防水工程施工规范执行,确保涂刷材料的品质达到标准要求。
墙体防水涂料施工时,采用喷涂设备进行,保证涂刷厚度均匀。
桩头防水工程施工方案目录一、项目概述 (1)二、施工准备工作 (1)2.1 现场勘察与测量 (2)2.2 设计图纸审查与交底 (3)2.3 材料设备采购与验收 (4)三、施工方案制定 (5)3.1 施工流程设计 (6)3.2 工艺参数确定 (7)3.3 施工队伍组织安排 (8)四、桩头防水工程施工流程 (9)4.1 基础处理与准备 (10)4.2 防水材料施工操作 (11)4.3 质量检查与验收标准 (12)五、质量控制与安全保障措施 (14)5.1 质量控制措施 (15)5.2 安全保障措施与应急预案制定和实施流程化六、桩头防水工程的维护保养及检测验收管理规范16一、项目概述本项目为桩头防水工程施工,主要涉及对建筑物桩基的防水处理,以确保建筑物使用过程中的安全性及耐久性。
桩头防水工程是建筑工程中一个重要环节,其质量直接影响到整个建筑物的结构安全和使用寿命。
项目内容包括但不限于:桩头部位的处理、防水材料的选用与施工、施工工艺的制定与执行等。
我们将在保证施工质量和安全的前提下,高效地完成本项目的施工任务,为业主提供优质的桩头防水工程服务。
针对本项目的特点,我们将制定详细的施工方案,确保桩头防水工程的顺利进行。
我们将严格按照国家和行业的相关标准和规范进行施工,确保工程质量符合要求。
在施工过程中,我们将加强现场管理,确保安全生产,为业主交一份满意的答卷。
二、施工准备工作材料准备:根据设计要求及国家相关标准,采购符合质量要求的防水材料,如聚氨酯涂料、丙纶布、橡胶防水卷材等。
确保材料的质量稳定、性能优良,以满足工程需要。
机具准备:准备相应的施工机具,如搅拌器、刮板、刷子、滚刷、剪刀、切缝机等,确保施工过程中工具的正常使用。
人员准备:组织专业的施工队伍,包括防水工、混凝土工、电工等,确保施工过程中人员的技能水平和安全意识满足工程需要。
施工现场准备:清理施工区域的杂物,确保施工现场整洁有序。
根据施工进度安排,做好施工前的各项准备工作,如测量放线、安装模板等。
地下室桩基头防水施工方案1.编制依据ﻩ图2:桩基础防水详图2图3:桩基础防水详图32。
2桩头防水构造图1:桩头防水构造(一)图2:桩头防水构造(二)3。
施工准备3。
1劳动力准备配备专业的施工队伍,并在进场前进行相应的培训和技术交底.3。
2机具准备铁锹、扫帚、墩布、手锤、钢凿、油开刀、手提喷雾器、水桶、拌料板或拌料桶,吹尘器、、滚刷、毛刷、铁抹子等。
3.3现场准备(1)基层表面不得有空鼓、开裂、起砂、脱皮等缺陷。
(2)基层表面如有残留的砂浆硬块及突出部分,应铲除干净;阴、阳角,桩头等部位应抹成圆弧或钝角,并将尘土、杂物清扫干净。
(3)桩头应先进行剔凿到水泥原基面,基面保持平整,将面层用吹风机清理干净后用水湿润但不得有明水,不得抹灰,方可施工;桩头混凝土基面必须洁净,适当粗糙,以利渗透。
3.4材料准备主材选用水泥基渗透结晶防水涂料,辅材选用遇水膨胀止水条,主材进场前均应带有出厂合格证、防伪标识和质量检验报告。
材料进场后,不得交叉叠放.材料进场后由甲方、乙方、监理三方共同抽样,抽样送至实验室做复试,可参照国家标准《水泥基渗透结晶型防水材料》(GB18445—2012)。
检验合格后由试验室出具抽样试验报告,方可进场,以保证材料符合要求.4.施工方法4。
1清理基层将基层杂物、尘土、灰渣清扫干净,基层验收合格。
4.2桩头、桩基础防水(刚柔结合)工艺流程本工程桩头、桩基础处理是防水工程技术关键之一,处理桩头、桩基础防水效果好坏直接关系到本工程防水成功与否。
桩头、桩基础防水节点如图.主要材料分析如下:(1)水泥基渗透结晶型防水涂料是一种粉状材料,以硅酸盐类水泥、石英砂等为基料,掺入活性化学物质组成的刚性无机类防水涂层材料。
经与水拌合可调配成刷涂或喷涂在水泥混凝土表面的浆料,也可以其干粉撒覆并压入未完全凝固的水泥混凝土表面,从而向混凝土内部渗透,在混凝土中形成不溶于水的结晶体,填塞毛细孔道,使混凝土致密、防水。
(2)作业条件1)桩头混凝土基面均应用水浸湿,但不得有明水.ﻫ2)混凝土基面应平整、牢固、无油渍、起砂等缺陷,如有桩头应先进行处理后方可施工。
桩基桩头防水施工方案一、项目背景分析桩基桩头是建筑工程中一种重要的基础设施,其负责承受建筑物的重力并将其传导至地基。
由于桩头处于地下水位以上,因此在施工过程中需要进行防水处理,以确保桩头的稳定性和耐久性。
本文将针对桩基桩头的防水施工方案进行详细讨论。
二、施工前准备1.确定施工现场的地下水位和土层情况,以及建筑物的荷载要求,有针对性地选择合适的防水材料和技术。
2.施工前准备必须要制定详细的施工工艺流程、施工方案和施工图纸。
三、防水材料与工艺选择1.防水材料:(1)优质水泥:具有较高的抗渗性和耐久性,能够有效地抵抗地下水的侵蚀。
(2)高分子材料:如环氧树脂、聚氨酯等,能够形成一层连续的防水膜来阻挡地下水的渗透。
2.防水工艺:(1)刷涂:首先使用水泥砂浆将桩头进行修补、充实和找平,然后刷涂一层防水涂料,如聚氨酯涂料,形成一层致密的防水膜。
(2)覆盖:采用聚乙烯薄膜或聚氯乙烯板覆盖桩头,并采用专用的密封胶进行粘结,形成一层密封防水层。
(3)灌注:在桩头周围灌注一定厚度的高分子防水材料,如环氧树脂,形成一层坚固的防水体。
四、施工工艺流程1.准备工作:清理桩头表面的杂物和污渍,确保施工面干净平整。
2.修补:使用水泥砂浆对桩头进行修补,填补裂缝和空洞,提高桩头的整体强度和密实度。
3.底涂:在修补好的桩头表面刷涂一层防水涂料,形成一层基础防水层。
4.密封:使用专用的粘结胶将聚乙烯薄膜或聚氯乙烯板覆盖在桩头表面,形成一层密封层,并确保其与桩体紧密粘结。
5.面涂:在密封层上刷涂聚氨酯涂料,形成一层连续的防水膜,提高桩头的防水性能。
6.边缘处理:对桩头与地表的接触处进行边缘处理,如采用渗水胶带进行密封。
7.防护层:在桩头周围灌注一定厚度的环氧树脂,形成一层耐候、耐渗透的防水体。
五、质量控制与验收标准1.质量控制:在施工过程中,应定期进行质量检查,确保施工工艺操作规范,材料用量合理,防水效果达标。
2.合格标准:防水层应具有耐水压力和耐渗透性,桩头表面应平整光滑,无明显的裂缝和起皮现象。
桩头防水做法
在桩头防水方面,我们可以采用以下的做法:
1. 防水堵漏施工前的准备:首先,对桩头进行全面的清洗,确保其表面干净无尘;其次,对桩头进行充分的检查,修复任何已有的裂缝或破损;最后,涂刷底漆,提高防水涂层的附着力。
2. 防水涂层的选择:根据具体的需求和实际情况来选择合适的防水涂层。
常见的桩头防水涂层材料包括聚氨酯、环氧树脂、聚合物水泥改性材料等。
3. 防水涂层的施工:根据防水涂层材料的要求和使用说明,按照正确定的施工方法进行操作。
通常情况下,涂刷防水涂层需要经过多次涂刷、干燥和固化的步骤。
4. 表面保护措施:为了进一步提高桩头的防水效果和使用寿命,可以在防水涂层干燥后,进行表面保护处理。
常见的表面保护措施包括涂刷抗紫外线涂料、加装保护层等。
综上所述,通过对桩头的清洗、修复、涂刷防水涂层以及表面保护处理,可以有效地实现桩头的防水效果,提高其使用寿命并减少水源污染的风险。
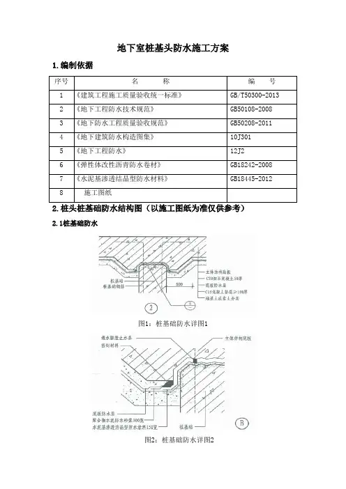
地下室桩基头防水施工方案1.编制依据序号名称编号1 《建筑工程施工质量验收统一标准》GB/T50300-20132 《地下工程防水技术规范》GB50108-20083 《地下防水工程质量验收规范》GB50208-20114 《地下建筑防水构造图集》10J3015 《地下工程防水》12J26 《弹性体改性沥青防水卷材》GB18242-20087 《水泥基渗透结晶型防水材料》GB18445-20128 施工图纸2.桩头桩基础防水结构图(以施工图纸为准仅供参考)2.1桩基础防水图1:桩基础防水详图1图2:桩基础防水详图2图3:桩基础防水详图3 2.2桩头防水构造图1:桩头防水构造(一)图2:桩头防水构造(二)3.施工准备3.1劳动力准备配备专业的施工队伍,并在进场前进行相应的培训和技术交底。
3.2机具准备铁锹、扫帚、墩布、手锤、钢凿、油开刀、手提喷雾器、水桶、拌料板或拌料桶,吹尘器、、滚刷、毛刷、铁抹子等。
3.3现场准备(1)基层表面不得有空鼓、开裂、起砂、脱皮等缺陷。
(2)基层表面如有残留的砂浆硬块及突出部分,应铲除干净;阴、阳角,桩头等部位应抹成圆弧或钝角,并将尘土、杂物清扫干净。
(3)桩头应先进行剔凿到水泥原基面,基面保持平整,将面层用吹风机清理干净后用水湿润但不得有明水,不得抹灰,方可施工;桩头混凝土基面必须洁净,适当粗糙,以利渗透。
3.4材料准备主材选用水泥基渗透结晶防水涂料,辅材选用遇水膨胀止水条,主材进场前均应带有出厂合格证、防伪标识和质量检验报告。
材料进场后,不得交叉叠放。
材料进场后由甲方、乙方、监理三方共同抽样,抽样送至实验室做复试,可参照国家标准《水泥基渗透结晶型防水材料》(GB18445-2012)。
检验合格后由试验室出具抽样试验报告,方可进场,以保证材料符合要求。
4.施工方法4.1清理基层将基层杂物、尘土、灰渣清扫干净,基层验收合格。
4.2桩头、桩基础防水(刚柔结合)工艺流程本工程桩头、桩基础处理是防水工程技术关键之一,处理桩头、桩基础防水效果好坏直接关系到本工程防水成功与否。
桩头防水施工方案1. 引言桩头防水是一种常见的工程施工方案,用于保护桩头部分免受水侵蚀和损坏。
本文档将介绍一种常用的桩头防水施工方案,并提供详细的步骤和要点。
2. 基本原理桩头防水的基本原理是通过在桩头部分添加一层防水材料,阻止水分渗透进入桩身,从而起到保护桩头的作用。
常用的防水材料包括沥青、高分子聚合物防水涂料、防水胶带等。
3. 施工步骤3.1 准备工作在进行桩头防水施工之前,需要进行以下准备工作:•清理桩头表面的污垢和杂物,确保桩头表面干净。
•检查桩头是否有明显的裂缝或损坏,必要时进行修补。
•准备好所需的防水材料和施工工具。
3.2 施工准备在进行施工之前,需要将防水材料准备好并按照施工要求进行处理。
一般情况下,防水材料需要进行搅拌或加热处理,以达到最佳的施工效果。
3.3 施工过程下面是桩头防水的施工过程:1.使用刷子或辊涂工具将防水材料均匀地涂抹在桩头表面。
涂抹过程中要注意保证涂层的均匀性和厚度一致性。
2.如果使用的是防水胶带,将其贴合在桩头表面,并确保贴合紧密,没有明显的起泡或松动。
3.根据防水材料的要求,进行相应的处理和修整,以确保涂层或胶带的质量。
4.等待防水材料干燥或固化。
根据不同的材料,干燥或固化的时间可能会有所不同。
5.完成防水材料的施工后,对施工过程进行检查,并进行必要的修正和整理。
4. 施工要点在桩头防水施工过程中,需要注意以下要点:•确保桩头表面干净整洁,避免污垢和杂物影响防水材料的附着性能。
•注意防水材料的施工厚度,一般情况下,厚度要求为防水材料的厂家规定值。
•使用专用工具进行施工,保证施工效果的一致性。
•施工过程中注意安全,避免防水材料对人体造成伤害。
•施工完成后做好验收工作,并保养防水层以保证其使用寿命。
5. 总结桩头防水施工是一项重要的工程工作,通过合理选择和正确施工防水材料,可以有效保护桩头免受水侵蚀和损坏。
本文档介绍了桩头防水施工的基本原理、步骤和要点,希望对工程实践有所帮助。
桩基桩头防水施工方案
一、前言
在桩基施工中,桩头的防水工作是至关重要的环节,其质量直接影响整个工程
的安全和稳定。
本文将就桩头防水的施工方案进行详细介绍,包括施工准备、材料准备、施工工艺等内容。
二、施工准备
1.方案确认:根据设计要求确定桩头的防水材料和施工工艺方案。
2.施工人员:指定有经验的专业施工人员进行施工操作。
3.施工设备:准备好必要的施工设备和工具,确保施工顺利进行。
三、防水材料准备
1.防水材料:选用高质量的防水材料,如聚氨酯密封胶等。
2.辅助材料:准备好必要的辅助材料,如防水带、防水胶条等。
四、施工工艺
1.清理桩头:首先对桩头进行清理,确保表面无污物和杂质。
2.涂抹防水材料:采用刷涂或喷涂方式,均匀涂抹一层防水材料于桩
头表面。
3.铺设防水带:在桩头与桩身过渡处,铺设防水带,确保防水效果更
加完善。
4.养护:在施工完成后,对防水层进行充分的养护,确保其密封效果。
五、验收与保养
1.验收:完成防水施工后,需进行验收,确保工程质量符合设计要求。
2.保养:定期对桩头防水层进行检查和保养,及时修补破损部分,延
长防水层的使用寿命。
六、总结
桩头防水施工是桩基工程中的重要环节,合理的施工方案和严格的操作流程对
工程的安全和稳定具有至关重要的作用。
通过本文的介绍,相信读者对桩头防水施工有了更深入的了解,希望能对日后实际工作有所帮助。
以上是桩基桩头防水施工方案的详细介绍,希望能为相关从业人员提供一定的参考价值。
目录1 编制依据 (2)2 工程概况 (2)3 施工重点、难点分析 (2)4 施工预备 (2)5 施工工艺 (4)6 质量保证措施 (7)7 成品爱护 (9)8 平安文明施工 (9)9 工程质量通病治理 (10)1 编制依据1.1《地下工程防水技术规范》GB50108-20081.2《地下防水工程质量验收规范》GB50208-20021.3《地下建筑防水构造》10J3011.4《地下工程防水》08BJ6-11.5《北京华贸城五期项目施工图纸》2 工程概况本工程为北京华贸城中第五期工程,项目工程位于北京市朝阳区规划红军营西路、京包铁路、羊坊东路及规划清河营路围合路块。
本期工程总建筑面积83841.51m2,包括D1、D2、D3、D7、D8、25#、26#住宅楼和C1- 3,C1-5车库。
开发单位为北京华贸奥苑房地产开发有限公司,监理单位为北京赛瑞斯国际工程询问有限公司,设计单位为北京市建筑设计研究院,施工总承包单位为青建集团股份公司。
该工程的25#楼、26#住宅楼人防出进口处设置了抗浮底板,相配套C1-3车库、C1-5车库亦设置了抗浮底板。
其中25#住宅楼人防出进口处设置了16根抗拔桩;26#住宅楼人防出进口处设置了12根抗拔桩;相配套C1-3车库、C1-5车库设置了375根抗拔桩。
3 施工重点、难点分析本工程地下车库及局部主楼抗浮采用抗拔桩施工方案,其桩头防水处理是工程防水的重点和难点,其施工质量的好坏挺直影响到工程的后期用法和工程平安。
针对此问题,我方及监理单位、建设单位进行了桩头防水专项技术方案的研究、探讨,将原来投标时的桩头防水节点图按照相关图集、规范,针对桩头防水的施工重点即桩身内部的毛细防水和桩身立面与底板交接部位的防水把握进行了深化设计(详见5.2.3桩头防水节点图)。
依据此深化设计节点图亦与设计单位进行了研究和探讨,最终经四方单位研究确定了此桩头防水节点图4 施工预备4.1主要材料主要材料采用4+3SBS防水卷材,水泥基渗透结晶型防水涂料、聚氨酯防水涂料、聚合物水泥防水砂浆,其要求为:4.1.1 SBS防水卷材外瞧质量、品种、规格及性能符合现行国家产品标准及设计要求,卷材表面平整,无孔洞、缺边、裂口等质量缺陷。
桩基桩头防水施工方案一、施工前的准备工作1.1对施工地点进行勘察和测量,并根据实际情况确定桩基桩头的尺寸和位置。
1.2准备所需的材料和设备,包括防水材料、土方机械、钢筋等。
1.3制定详细的施工方案和施工流程。
二、基坑的处理2.1进行基坑的开挖,注意保持坑壁的平整和垂直度。
2.2对坑底进行处理,保证坑底的平整度和强度。
三、桩基的施工3.1按照设计要求进行桩基的施工,包括打桩和灌注混凝土。
3.2确保桩基的强度和稳定性,以满足预期的荷载要求。
四、桩头的施工4.1对桩头进行清理,保证表面光滑和无颗粒。
4.2使用特制的防水材料对桩头进行包裹,确保桩头的密封性和耐久性。
4.3使用专用的施工工具对桩头进行加固,提高桩头的强度和稳定性。
五、施工后的处理5.1对施工现场进行清理,清除垃圾和杂物。
5.2对施工过程中受损的地面进行修复和恢复。
5.3进行施工记录和验收,确保施工质量和安全。
六、质量控制和安全防护6.1在施工过程中,严格按照相关的质量控制标准进行操作,确保施工质量。
6.2在施工现场设置必要的安全防护设施,保护工人的安全。
七、成本控制和进度管理7.1控制施工过程中的成本,包括材料和设备的采购成本,人工和运输成本等。
7.2根据施工计划和进度表,合理安排施工工序,确保施工按时完成。
总结:在桩基桩头防水施工中,需要进行细致的准备工作,包括施工地点的勘察、材料和设备的准备,以及施工方案和流程的制定。
在施工过程中,需要注意基坑的处理、桩基的施工、桩头的施工等环节,确保施工质量和安全。
在施工完成后,还需进行施工现场的清理和恢复,并进行质量验收和记录。
同时,也要严格控制成本和管理进度,保证施工任务按时完成。
通过以上工作的高效完成,可以有效防止桩基桩头的渗漏问题,提高施工质量和工程可靠性。
地下室桩头防水施工方案地下室桩头防水施工是地下室建设中非常重要的一环,有效的防水工程可以保证地下室的安全和持久性。
本文将介绍一种常用的地下室桩头防水施工方案。
施工方案1. 材料准备在进行地下室桩头防水施工前,首先需要准备好以下材料: - 防水涂料 - 防水卷材 - 粘结剂 - 填缝材料2. 施工步骤步骤一:清理桩头在进行防水施工前,需要对桩头进行清理。
清理桩头表面的灰尘、油污等杂物,确保桩头表面干净。
这样有利于防水材料的附着和使用寿命。
步骤二:涂刷防水涂料在清理干净的桩头表面上,涂刷一层防水涂料。
防水涂料应均匀覆盖桩头表面,确保完整的涂覆。
待第一层涂料干燥后,可以涂刷第二层,以增加防水效果。
步骤三:铺贴防水卷材在防水涂料干燥后,可以铺贴防水卷材。
将防水卷材按照规定的方向和重叠方式铺贴在桩头表面。
使用粘结剂将卷材粘合在一起,确保卷材之间无空隙。
步骤四:填缝在铺贴防水卷材后,需要对卷材的接缝处进行填缝。
使用填缝材料填充卷材的接缝,确保接缝处无漏水隐患。
3. 施工注意事项•施工过程中要注意操作规范,确保防水材料的质量和效果。
•在施工过程中要注意安全,做好防护措施,避免发生安全事故。
•施工完毕后要定期检查和维护,确保地下室桩头防水系统的正常运行。
结论地下室桩头防水施工是地下室建设中不可或缺的一环。
采取有效的防水施工方案,可以有效地防止地下室漏水问题,保护地下室结构的安全和完整性。
在施工过程中,需要重视材料选择、施工步骤和施工注意事项,确保施工质量达到预期效果。
桩头防水施工方案1
在地下工程中,桩基施工是一个至关重要的环节,而桩头的防水工作更是一项关乎整个工程质量和安全的重要任务。
工程背景
桩基工程是地下综合体工程中的关键部分,桩基施工中桩头防水是确保地下结构稳定安全的重要环节。
本方案旨在提供一种有效的桩头防水施工方案,确保工程质量和安全。
材料准备
1.防水涂料:优质耐水性强的防水涂料。
2.埋件:用于加固桩头防水层的埋件材料。
3.底部填缝材料:用于填充桩基与桩周土壤之间的缝隙的材料。
施工步骤
1.清理桩头
–对桩头表面进行清理,确保桩头表面干净。
2.涂刷防水涂料
–使用刷子或辊涂机将防水涂料均匀涂刷在桩头表面。
3.加固埋件
–在涂刷防水涂料的基础上,围绕桩头设置加固埋件。
4.底部填缝
–在桩基与桩周土壤之间填充底部填缝材料,确保桩头与周围土壤紧密结合。
施工注意事项
1.施工过程中确保桩头表面清洁干燥。
2.涂刷防水涂料时要均匀、密实,确保防水效果。
3.选择优质材料,提高防水层的耐久性。
总结
桩头防水是地下工程中不可或缺的重要工作,通过本方案中的施工步骤和注意事项,可以有效保障桩基工程的质量和安全。
在实际施工中,需要严格按照方案要求进行操作,并根据具体情况做出调整,确保施工效果符合要求。
桩头防水技术及施工流程桩头防水技术及施工流程一、施工前准备在开始防水施工之前,需要进行一系列的准备工作。
首先,需要确保桩头表面干净、整洁,无油污、灰尘等杂质。
其次,对于桩头表面存在的凹凸不平或损伤,需要进行打磨平整或修补处理。
此外,还要准备好所需的防水材料和施工工具,如涂料、刷子、填缝枪等。
二、防水材料选用选择适合的防水材料对于桩头防水施工至关重要。
常见的桩基防水材料包括沥青防水卷材、防水涂料、防水砂浆等。
根据桩头结构、环境条件和使用要求等因素,选择适合的防水材料。
例如,对于暴露在外的桩头,应选用耐候性、耐腐蚀性较好的防水材料。
三、施工工艺流程桩头防水施工的工艺流程如下:1.清理桩头表面:使用高压水枪或打磨机等工具,清除桩头表面的污垢、灰尘等杂质。
2.桩头底部处理:使用水泥砂浆对桩头底部进行抹平处理,使其表面平整、光滑。
3.涂刷底漆:在桩头表面涂刷一层底漆,使其与防水材料紧密结合,防止渗水。
4.涂抹防水材料:根据所选防水材料的施工要求,将防水材料均匀涂抹在桩头表面,确保涂抹均匀、无遗漏。
5.附加层处理:根据需要,在防水材料上加涂一层附加层,以提高防水效果。
6.涂刷面漆:在防水材料表面涂刷一层保护面漆,使其具有较好的耐候性和美观度。
四、安全措施在防水施工过程中,需要注意以下安全事项:1.施工人员应佩戴防护眼镜、手套等防护用品,避免施工过程中受伤。
2.使用高压水枪清洗桩头时,应注意水流方向,避免水流溅射到他人或设备上。
3.施工现场应设置安全警示标志,防止无关人员进入,确保施工安全。
4.防水材料应妥善存放,避免误用或接触皮肤。
5.遵守施工规范和安全操作规程,确保施工过程安全可靠。
五、常见问题及处理方法在桩头防水施工过程中,可能会遇到以下常见问题:1.止水带损坏:在施工过程中,止水带可能受到损伤,导致防水效果下降。
处理方法:更换新的止水带,确保密封性。
2.地下水位过高:地下水位过高可能导致桩头底部渗水。
桩头防水施工方案桩头防水施工方案一、施工准备1. 确定施工现场,清理施工区域的杂物和垃圾。
2. 准备施工所需的材料和设备,如水泥、砂浆、防水卷材、防水涂料、刷子、扫帚等。
3. 对施工区域进行测量和标线,确定施工桩头防水的具体范围。
二、施工步骤1. 清理桩头表面。
首先用扫帚清理桩头表面的灰尘和杂物,确保桩头表面干净。
然后用水管将桩头冲洗干净,确保表面没有残留的杂质。
2. 表面处理。
对桩头表面进行处理,可采用刷涂或喷涂的方式,涂上一层具有附着力的防水涂料。
涂料应均匀、完整,涂布面积大约为桩头表面的1.5倍。
3. 桩头防水卷材的铺贴。
选择合适的防水卷材,根据桩头的形状和大小进行裁剪。
将防水卷材展开,对准桩头,从上至下贴在桩头表面,用力压平,以确保密贴。
4. 熔接防水卷材的连接。
使用专用电热熔接机对相邻卷材进行熔接连接,确保连接处的密封性。
同时使用高温胶水进行涂布,增强连接处的粘结力。
5. 防水卷材的修补处理。
对已贴好的防水卷材进行检查,如发现有漏贴或损坏的部分,及时进行修补处理。
可使用专用的防水胶进行修补,确保防水效果。
6. 表面涂层处理。
将防水卷材贴好后,涂刷一层防水涂料,以增强防水效果。
涂料应均匀、完整,涂布面积大约为桩头表面的1.5倍。
三、施工要点1. 施工现场的清理和准备工作要做好,确保施工区域的干净和安全。
2. 桩头表面的处理要彻底,确保表面平整、洁净,以增强防水材料的附着力。
3. 防水卷材的选择要合适,贴附要均匀、牢固,连接处要密封,修补处要彻底。
4. 防水涂料的涂布要均匀、完整,用力压平,以确保防水效果。
5. 桩头防水工程完成后,要进行验收,检查防水效果是否达标,如有问题及时进行修复。
四、安全措施1. 施工人员要做好个人防护措施,如戴好安全帽、手套、口罩等。
2. 施工现场要划定好安全区域,确保其他人员不会误入施工区域。
3. 使用涂料和胶水时,要避免接触皮肤和眼睛,如有不慎接触,应及时用清水冲洗。
桩头防水施工方案
在建筑工程中,桩基是承受工程的重要组成部分,桩基施工中的防水工作显得
尤为重要。
本文将介绍一种桩头防水施工方案,以确保桩基施工质量和工程安全。
一、施工前准备
1.1 检查设计图纸
在实施桩头防水施工前,首先要仔细检查设计图纸,了解桩基结构和相关要求,确保按照设计要求施工。
1.2 准备材料和设备
准备好所需的防水材料,包括防水涂料、防水膜等,确保材料质量合格。
同时
保证施工所需的设备齐全,包括搅拌设备、刷涂工具等。
二、施工过程
2.1 清理桩头
在施工前要先清理桩头表面的杂物和尘土,确保桩头表面平整干净。
2.2 基层处理
在桩头表面涂刷一层防水底漆,增强防水层与桩基之间的附着力。
2.3 防水层施工
在基层处理完成后,将防水材料均匀涂刷在桩头表面,涂刷的厚度要均匀、覆
盖全面,并确保防水层的质量。
2.4 封固工程
待防水层干燥后,进行封固工程,确保防水层与桩头之间的结合牢固。
三、验收和收尾工作
3.1 防水层验收
在施工完成后,要对防水层进行验收,检查是否有漏涂、开裂等情况,确保防
水效果符合设计要求。
3.2 收尾工作
完成防水施工后,进行收尾工作,清理施工现场,保证施工质量和工程安全。
结语
桩头防水施工是保障桩基工程质量和工程安全的重要环节,只有严格按照要求和规范进行施工,才能确保桩基结构的防水效果。
希望本文介绍的桩头防水施工方案对相关工程人员有所帮助,提升桩基工程质量和工程安全水平。
桩头施工方案
1编制依据:
1.1《水泥基渗透结晶防水材料》(GB 18445-2001)
1.2《聚合物水泥防水砂浆》(JCT 984—2005)
1.3《地下防水工程质量验收规范》(GB 50208-2002)
1.4《地下防水工程技术规范》(GB50108-2001)
1.5《混凝土结构工程施工质量验收规范》(GB 50204-2002)
1.6《建筑地面工程施工质量验收规范》(GB 50209-2002)
1.7《建筑工程施工质量验收统一标准》(GB 50300-2001)
2桩头防水构造
本工程桩基承台及底板采用3+4SBS卷材防水。
按照设计要求,基础桩桩身混凝土需嵌入承台内100㎜,且桩头钢筋锚入承台35d。
由于桩头与承台板混凝土之间存在施工缝,桩头结构型式又造成卷材防水层在桩头部位无法闭合交圈,且桩头部位钢筋密集,桩头与承台部位防水节点成为底板防水工程的关键点。
为保证桩头部位防水施工质量,结合工程自身特点,经广泛研究,本工程桩头与承台板交界面及桩头周边250㎜范围采用水泥基渗透结晶型防水涂料,与基础底板卷材防水层自桩边搭接过渡,形成桩头部位刚柔结合的防水体系。
水泥基渗透结晶防水层施工完毕达到要求后在上层涂刷6MM厚聚合物水泥防水砂浆。
钢筋采用遇水膨胀止水条。
3水泥基渗透结晶施工工艺
工艺流程:基层处理→湿润基层→涂刷水泥基渗透结晶防水涂料灰浆层→养护→检查验收
3.1基层处理
⑴清理剔凿合格后的桩头和桩身(垫层上部分),用钢钎铲除桩头松动的混凝土块及浮土,将桩头、桩身表面以及桩身周围250㎜范围内的混凝土垫层用钢丝刷刷成粗糙毛面并清扫干净,最后用清水和墩布冲洗干净。
⑵桩头及桩身若有超过0.4㎜的裂缝,均凿成“U”型槽,槽宽20㎜,深20㎜,用清水清洗干净,但不得有明水,在槽内和沿槽口的两面延伸150㎜涂刷一道水泥基渗透结晶防水涂料灰浆,待灰浆层干燥约10分钟,但仍有粘着性的时候,用水泥基渗透结晶防水涂料半干料团填平压实凹槽;填平层初凝后再涂刷一层水泥基渗透结晶防水涂料灰浆层;灰浆在半干时开始用雾状水喷洒养护,每天喷洒水4-6遍。
水泥基渗透结晶防水涂料半干料团配比为干粉:水=6:1(体积比)。
⑶防水灰浆涂刷前,要求基层湿润,但表面不得有明水。
3.2灰浆的调制
水泥基渗透结晶防水涂料灰浆配合比为干粉:水=5:2.5,调制方法为将粉料与水倒入容器内,搅拌试件3~5min,必须充分搅拌均匀,一次搅拌不宜过多,以20min内用完为宜。
使用过程中不得另行加水加料。
3.3涂刷方法及要求
⑴涂刷范围:垫层以上桩头、桩身及距桩身250㎜范围内的基础底板垫层。
⑵涂刷遍数:防水涂料涂刷三遍成活,水泥基渗透结晶防水涂料用量1.2~1.5㎏/㎡,每遍涂刷的方向应相互垂直。
⑶涂刷要求:涂刷时应来回往返用力揉涂,确保凹凸处都能涂刷均匀,坑洞沟槽等处要用力涂刷开,不得有积浆,否则积浆处易开裂。
下一遍涂刷应在上一遍涂层终凝后,但仍为潮湿状态时进行,中间间隔不得超过24h。
3.4养护
水泥基渗透结晶防水涂料涂刷完毕后,必须用净水精心养护,在涂层呈半干状态时,即使用雾状水养护,要避免用水冲刷。
养护期间始终保持表面湿润状态,尤其天热时要排专人负责养护多喷水。
4聚合物水泥基防水涂料施工工艺
4.1基层条件:
(1)清除基层表面杂物、油污、砂子,凸出表面的石子、砂浆疙瘩等应清理干净,清扫工作必须在施工中随时进行。
(2)为保证涂膜牢固粘结于基层表面,要求找平层应有足够的强度,表面光滑,不起砂,不起皮。
(3)对基层含水率无要求,基面若有明水,扫除即可施工。
(4)阴阳角应采用水泥砂浆抹成圆弧角。
4.2工艺流程:
基面处理—→涂底胶—→聚合物水泥基防水涂料配制—→节点
部位加强处理—→大面分层涂刮聚合物水泥基防水涂料—→防水层
收头—→组织验收
4.3施工步骤:
(1)基面处理:用铁铲、扫帚等工具清除施工垃圾,如遇污渍需用溶剂清洗,基层有缺损或跑砂现象,需要新修整,阴阳角部位在找平时做成圆弧形。
(2)涂底胶:基层平整度较差时,在改性剂中掺合适量的水(一般比例为改性剂:水=1:4)搅拌均匀后,涂抹在基层表面做底涂.
(3)聚合物水泥基防水涂料配制:先将防水涂料(按照改性剂:水泥=1:0.8的重量比)配制好,用搅拌器搅拌至均匀细微,不含团粒的混合物即可使用,配料数量根据工程面和完成时间所安排的劳动力而定,配好的材料应在40分钟内用完。
(4)节点部位加强处理:按设计或规范要求对节点部位涂刷聚合物水泥基防水涂料加强层。
(5)大面分层涂刮聚合物水泥基防水涂料:分纵横方向涂刮聚合物水泥基防水涂料,后一涂层应在前一涂层表干但未实干时施工(一般情况下,两层之间约2~4小时),以指触不粘为准。
(6)防水层收头:聚合物水泥基防水涂料收头采用多遍涂刷或用密封材料封严
(7)组织验收。
4.4注意事项:
(1)每层涂覆时应先进行测验,测定每m2涂料用量,施工时应按测定的用量取料。
(2)覆醮料应均匀,要求前后左右多次刷滚均匀,不能局部有沉积,立面、斜面涂刷应从上往下,防止流坠或过厚。
(3)已凝胶或结膜的胶料不得继续使用或掺入新材中搭配使用。
(4)成品保护:防水涂膜完全固化验收合格后,应及时做好成膜保护工作,以防止后续工序对涂膜的破坏,从而影响整体防水层的防水性能,应加强对有关施工人员的教育工作,自觉形成成品保护意识,同时采取相应措施,切实保证防水层的防水性能。