公司设备管理工作流程图周铁军.doc
- 格式:doc
- 大小:366.51 KB
- 文档页数:7
《设备管理流程图》责任部门/人员输入 主要流程 输出/输入 部门--------下面红色部分是赠送的工作总结,不需要的朋友可以编辑删除!谢谢行政管理干部个人总结20XX年上半年,在公司的正确领导下,在各科室部门的大力支持下,我按照公司的工作部署和工作要求,严格执行公司的工作方针,围绕中心,突出重点,狠抓落实,注重实效,在自身工作岗位上认真履行职责,做好各项行政管理工作,较好地完成了工作任务,取得了一定的成绩。
现将20XX年上半年个人工作情况总结如下:一、抓好自身建设,全面提高素质我作为一名负责公司行政管理的干部,肩负着公司赋予的重要工作职责,知道自己责任重大,努力按照政治强、业务精、善管理的复合型高素质的要求对待自己,加强政治理论与业务知识学习,把它学深学透,领会在心里,运用到具体实际工作中,以此全面提高自己的政治、业务和管理素质。
在实际工作中,我做到公平公正、清正廉洁,爱岗敬业、履行职责,吃苦在前,享乐在后,全力实践“团结、务实、严谨、拼搏、奉献”的时代精神,提高工作效率与工作质量,为职工群众做好表率作用,促进公司整体工作发展。
二、刻苦勤奋,全面做好行政管理工作行政管理工作范围广,日常事物多,涉及车辆、食堂、安全、卫生等方方面面工作,工作看起来虽然细小,但都与公司的整体工作紧密相关,丝毫不能马虎。
为此,我严格要求自己,精益求精、一丝不苟地认真做好各项工作,确保工作质量,让公司领导放心,让职工群众满意。
(一)加强车辆管理,保障公司用车需求我分管公司6辆汽车,按照公司车辆管理要求,认真做好各项工作,确保行车安全。
一是抓好驾驶员管理,要求驾驶员必须严格遵守国家法律、交通法规和公司的各项规章制度,认真学习业务知识,提高驾驶技术,按规定参加安全教育和学习,增强法律观念,确保行车安全。
二是抓好车辆管理,严格执行派车制度,规范使用车辆派车单,用车结束后,执行车辆归位制度,将车辆停放在规定范围内。
同时要求驾驶员做好日常保养维护、清洗工作,每月对车辆安全和技术状况进行一次检查,保持车辆性能良好、卫生整洁;做好出车前和收车后的检查工作,排查车辆存在的安全隐患,坚决不让车辆带病行使。
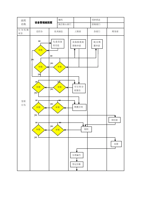
设备管理流程一、设备管理流程图
二、设备管理流程
1.设备需求申请
生产车间根据生产需要和产品工艺要求提出设备需求。
2.设备选型及布局方案
生产部应根据产品工艺要求和公司发展经营目标以及设备的泛用性对设备进行选型,同时根据生产车间现场空间当前布局制定设备布局方案。
3.审批
生产主管填写设备需求申请表和编制设备选型及布局方案,经生产经理审核后交总经理审批,若审批不通过,则根据总经理意见进行修改重新提交审批,直至通过。
4.采购
审批通过后,生产主管填写设备采购单,注明设备型号规格等功能参数,提交给采购部进行采购。
5.安装调试
设备到厂后,生产部组织设备按照布局方案进行安装,协同厂家进行设备调试,同时培训设备操作、维护保养,完成后方可投入生产。
6.标识
设备调试完成后,应粘贴设备标识牌,标识牌信息应有设备编号、设备状态、特种设备标识、负责人、操作人等信息。
7.归档
将设备资料交综合部和财务部进行资料归档。
8.交付使用
移交给生产车间投入生产。
设备部工作流程图一、前场设备管理流程:
开始
二、设备维护管理工作流程:
1设备故障报告流程:
开始
2设备维护流程:
三、耗材、资产管理流程:
1耗材管理流程:
2资产添置管理流程:
开始
3资产调拨管理流程:
4资产退库、报损管理流程:
开始
设备部与相关部门的协调流程
一、目的:为加强设备部与其他部门的工作协作,明晰协调责任,规范设备部的协调步骤与方式,
特制订此流程。
二、范围:本流程所指协调,包括本系统的协调(包括项目部、工程部、物流部与资料室)、其他
部门的协调(如营运部、行政部、总经办、防损部、培训部等)。
公司外协调不在本流程之内。
制表:谢福星。
资本、备件、设备
各部门需求申请(包含新增、维修、
改造、报废等、年度设备采买计划
设备总表及养护计划、设备清单设
备改造申请表、设备报废申请表
重点设备或部件的安全库存
设备故障率
设备利用率
重点过程设备能力指数大于 1.33 编制
设备 / 设备管理过程乌龟图
用什么资源(设备、资料等)?谁来做?生产部维修课
设备使用部门
输入输出
设备入厂查收记录表
年度、月、日设备保护养护记设备设备管理过程录表
维修工作单(记录)
设备改造查收记录、设备预示
性维修记录、设备报废申请表
采买控制程序
用何指标权衡?用何程序、方法?机器设备管理程序
设备、设备和过程策划评论程序审查同意。
设备管理流程图
购置计划表上交计划审批购置
设备处主页下载。
教学、行政单位交实验室管理科. 根据价值不同,分别设备管理科实施
教学单位800元以上,报设备处长、校论证小组、
行政单位500元以上。
主管校长审批。
验收登录账物管理报废申请表
各单位管理员填卡管理员携带卡片、各单位管理员与设备管理科设备处主页下载,各单位管理员
(计算机打卡、输机)发票到设备管理科每年核对账物填写,教学、行政单位交实验室
贴标签管理科
报废审批设备回收账务处理出库
设备处组织鉴定小组鉴定,设备管理科组织实施各单位管理员携报废申请表报废设备形成一定批量时,根据仪器原值不同,分别报到设备管理科消账设备管理科会同审计、监察设备处长、主管校长审批等部门对外拍卖。
标准化检修方案实施工作流程
定修七天前定修预备会,年修、技改项目下达施工队伍
会上确定需做标准化检修
施工前七天,施工队伍制定标准化检修方案,并由分厂确定解体点检内容确定施工队伍后,通知施工单位哪些项目应做标准化检修方案及需做解体点检内容
施工前五天,施工队伍制定标准化检修方案送分厂、机动部审查,并按修改意见进行修订,修订后分厂、机动部各备一份。
施工前三天,施工队伍制定标准化检修方案送分厂、机动部审查,并按修改意见进行修订,修订后分厂、机动部各备一份。
施工中,点检员、施工队伍对标准化检修方案有关内容及时记录,解体点检内容按分工同步进行记录。
施工结束 3 日内,由施工队伍按施工记录,对标准化检修方案进行修订,修订结束后,送分厂、机动部电子档、文字档各一份,分厂同步对解体点检内容进行整理、登记。
施工结束7 日内,分厂对标准化检修方案,解体
点检形成规范电子文档及文字文档。
下次同类项目施工前,点检员审查施工队伍标准化检修方案时调电子档或文字档进行参照。
定修工作流程图
分厂点检员、相关技术人员汇总检修内容检修中心巡检人员、作业长等有关人员汇总检修内容
定修 7 天前分厂组织有检修中心参加的定修会,共同确定检修内容,
形成定修方案
定修 5 天前,由机动部组织分厂、检修中心召开定修预备会,分厂提供定修
项目明细单(一式四份)。
会上确定检修中心承担及不能承担检修内容。
机动部安排外委及检修中心施工,点检员组织三方 ( 外委施工
队伍或检修中心 ) 现场确定工程内容,分厂出工程委托单及工程量清单,并同时出具报废标准 . 报机动部。
施工单位组织定修工作。
并与外委施工队伍或检修中心签定合同。
要求:点检员组织落实,定人、定点、定时参加,不参加视为默许。
定修过程中的工程量变更,机动部技术人员、分厂点检员共同确认。
点检员当天组织施工单位验收。
定修第二天,施工单位将定修记录及项目完成情况报分厂点检员。
分厂点检员在三个工作日之内出具工程量变更单,施工单位
同期办理竣工验收手续。
施工单位依据工程量清单及其变更单在 2 周内做工程决算。
施工单位决算在工程竣工三周内,到分厂签字、盖章(一周)。
施工单位在工程竣工四周内,将决算送到机动部审核,签
字、盖章,送预算中心一周内进行决算。
审计监察部一周内审核完毕。
转财务部建帐。
非生产及临时检修中心不能承担的检修项目工作流程图分厂提出报告,并附简要的工程项目及内容报机动部
机动部结合实际情况,确定工程是否实施,并审核检修中心是否有能力实施
不能承担
机动部同意实施,组织分厂点检员现场核实工程量.
机动部安排外委施工,点检员组织四方现场确定工程内容。
定修过程中的工程量变更,机动部技术人员、分厂点检员共同确认。
点检员当天组织施工单位验收。
能承担执行检修流程
要求:点
检员组织
落实,定
人、定点、
定时参
加,不参
加视为默
许。
定修第二天,施工单位将定修记录及项目完成情况报分厂点检员。
分厂点检员在三个工作日之内出具工程量变更单。
施工单位在三个工作日内到分厂办理竣工验收手续,分厂签字后,报机动部进行审核。
施工单位依据工程量清单及其变更单在 2 周内做工程决算。
施工单位决算在工程竣工三周内,到分厂签字、盖章。
施工单位在工程竣工四周内,将决算送到机动部审核,签字、盖章,送预算中心一周内进行决算。
审计监察部一周内审核完
转财务部建帐。
故障抢修工作流程图
(含夜间和节假日检修)
出现故障后分厂生产岗位人员、调度员、专职点检员通知检修中心值班人员,检修中心不能承担则通知机动部组织有关施工单位施工
进行抢修工作
抢修后详细记录故障原因及处理办法,并于次日
早碰头会上由参加早会人员报分厂点检作业区
分厂于 3 个工作日内补抢修委托单及工程量清单
机动部、分厂、检修中心、外委施工单位等相关部门召开分析会,确定事故责任。
机动部定修管理流程图(检修中心日修除外)
分厂上报工程委托单、工程量清单到分厂上报与工程有关资材计划到
设备科、电气自动化科(炉窑及土建设备科、电气自动化科(炉窑及
直接报检修管理科)土建直接报检修管理科)
设备科、电气自动化科现场核实,两科核实后,将资材计划转发采购部门
提出施工意见及费用控制额度,送
检修管理科(定修24 小时)
检修管理科现场确认,并根据机动部工设备科、电气自动化科施工前资材审批
程委托程序进行工程委托
检修管理科施工前三天签订施工合同
施工期间,以上三科按专业现场跟踪管理,由检修
管理科及分厂记录工程变更单(较大变更请示设备
科、电气自动化科)
分厂点检员三日内出具工程量变更单,施工单位同期办理验收手续
施工单位根据工程量清单及变更单两周内做工程预算
施工单位在工程竣工三周内到分厂签字、盖章(一周)
施工单位在工程竣工四周内,将决算送机动部检修管理科,检修管理科 3 日内送设备技术科、电气自动化科,检修中心决算 5 日内送综合管理科,其它外委检修 3 日内送预算中心。
预算中心、审计监察部各一周内审核完毕
转财务建帐
年修、技措工作流程
机动部将施工项目,施工日期等通知分厂,分厂点检员、相关技术人员汇总年修
检修内容,技措检修内容由机动部设备科、电气自动化科、检修管理科制定
年修技措资材由分厂接到任务7 日内将计划报机动部设
备科或电气自动化科,两科审核后(三日内)报设备材需整体招标项目,由机动部会同分厂料部或经销公司,其它技措由机动部设备科或电气自动及有关部门,按规定时间组织招标,化科制定并按规定时间报设备材料部或经销公司。
确定施工队伍,形成工程管制表。
机动部检修管理科确定施工队伍,形成工程管制表
施工七日前,由机动部组织召开工程预备会,签订施工合同。
施工过程中,机动部检修管理科、设备科、电气自动化科、分厂点检
员、施工队伍对施工内容(包括工程量变更单)及时记录
工程竣工后,机动部、分厂、施工单位在三个工作日内组织竣工验收。
施工单位在十个工作日内办理验收手续,分厂(监理公司等有关部门)共同验收后,报机动部审核。
施工单位依据合同清单及变更单,在两周内做工年修、部分技措项目分厂、施工单位程决算,一次性包死项目办理竣工验收手续。
一个月内将资材决算报机动部
施工队伍在工程竣工一个月内,将决算(包死项目竣工单,
其它需测量项目视实际情况适当滞后)送机动部审核(与
定修管理流程相同)。
机动部一周内送预算中心决算。
审计监察部一周内审核完毕
转财务建帐。
施工结束两个月内,机动部将年修、技措项目总费用汇总,登记,资材决算同步报财务部。
检修中心日修工作流程图
分厂点检员点
检发现问题分厂早晚碰头会各段长、工艺技术员、安
全员等提出设备问题检修中心人员巡检中发现设备问题
各方汇总,施工前 8 小时(特殊情况 1 小时)分厂出具委托单交检修中心进行实施,检修中心无
力承担签字确认返回分厂,按外委流程执行
分厂每十天汇总工程委托单形成工程量清单并报机动部,机动部三
个工作日内签订合同
合同签订后一周内办理
竣工决算
送机动部审核(检修管理科 3
天,设备科或电气自动化科 4
天)
机动部一周内审核
结束送财务。