英文文献:年产万吨的苹果汁工厂设计
- 格式:doc
- 大小:56.00 KB
- 文档页数:8
1引言1.1苹果概述苹果,别名频婆。
原产于欧洲中部和东南部、中亚细亚以及我国新疆一带。
在欧洲,苹果是最古老的果树之一,早在公元前2000以前就已人工栽培。
在哥伦布发现新大陆之后,欧洲的移民把苹果传到了美国。
在东方,日本在明治维新时代引进苹果栽培技术。
此后,苹果又相继传入了欧洲、澳洲、非洲。
从18世纪以来,人们不断的改进苹果的品种以追求更好的品质。
在我国,根据晋代郭义恭的《广志》以及后魏贾思勰的《齐民要术》记载,苹果在我国已经有2000多年的栽培历史。
目前,在我国各个苹果产区作为经济作物栽培的苹果品种还几乎都是从国外引进的,统称为西洋苹果。
我国开始引进西洋苹果是在1870年,栽培历史仅100年左右[1]。
1.2苹果汁的历史,现状和发展趋势苹果汁的加工距今已有一百多年的历史。
大规模的工业化生产约在1930年,始于欧洲和美国,北美的苹果汁工业化生产大约始于1937年。
我国的苹果汁生产近年已初具规模,国内不少企业从意大利、德国、瑞典和美国引进现代化的苹果汁生产线,也有许多企业采用国产化苹果汁生产线。
国产化苹果汁生产线采用了先进的生产工艺,所用设备全部选用国产设备,大幅度降低了投资成本,配件供应及时,设备维修方便,费用低[2]。
由于近年来随着经济的发展,果汁逐渐取代碳酸型的饮料成为了人们日常的饮品,苹果汁作为产量较大的果汁品种,有很大的发展前景。
另外目前我国苹果鲜销市场已出现卖苹果难的问题,发展苹果加工业是解决卖果难的一条重要途径。
苹果可以加工成许多产品,但以果汁最受欢迎。
市场上销售的苹果汁主要以清汁为主,而且大都是由浓缩汁加水还原而成。
在苹果清汁或浓缩汁生产中,澄清过程都需添加果胶酶分解果汁中的果胶及添加一些澄清剂如明胶,不仅生产工艺复杂,而且延长了加工时间,如处理不当会影响产品的风味,营养成分被破坏,同时苹果中的果胶作为一种膳食纤维没有被利用。
随着消费者健康意识的增强,纯天然、营养、新鲜、保持水果原味的浑浊型果汁为消费者崇尚。
年产一万吨苹果浓缩汁工厂设计年产一万吨苹果浓缩汁的工厂设计摘要在当今市场,苹果浓缩汁并不少见。
日常人们饮用的浓缩果汁饮料里,苹果浓缩汁是位于橙汁后的第二选择。
苹果浓缩汁凭借其丰富多层的口感,赢得了老少人民的喜爱。
纵观全世界苹果浓缩汁的生产市场,中国有着丰富的物产资源,还有着相对低廉劳动力,这两大优势使中国成为了全球最大的苹果浓缩汁生产和出口国。
近年受全球经济低迷和欧美技术贸易措施的影响,中国出口不断波动下滑,在国际市场的份额趋于降低。
若能改进现今苹果浓缩汁的生产技术、工艺技术,使其存放时间变长、口感更好且生产花费降低,就能大大提高中国浓缩苹果汁市场在国际的份额。
[1]本文旨在设计一间生产苹果浓缩汁的工厂。
苹果浓缩汁的主要原料是苹果,综合多方考察,最终选用甘肃省白银市的“国光”苹果作为生产原料。
苹果浓缩汁生产工艺难点在于控制非酶褐变反应和酶促反应,针对此的解决方案是采用使用高温瞬间灭酶等技术来减少产品风味和色泽的变化。
关键词:苹果浓缩汁;生产技术;高温瞬间灭酶;AbstractApple juice concentrate has a large trading market in the world today. Apple juice concentrate has become the second largest concentrated consumption variety in the world, next to orange juice. China's abundant resources and labor cost advantages make it the world's largest producer and exporter of concentrated apple juice. Nowadays, the production technology and technology of apple juice concentrate make the storage time longer, taste better and production cost lower, which can greatly improve the international share of China's apple juice concentrate market.The purpose of this paper is to design a factory to produce apple juice concentrate.The difficulties in the production process of apple juice concentrate lie in reducing volatile aromatic substances and controlling non-enzymatic browning reaction and enzymatic reaction during the concentration process.The solution to this problem is to reduce the change of flavor and color of the product by using the technology of instant enzyme inactivation at high temperature.Key words:Apple juice concentrate,Production Technology,High temperature instant enzyme killing technology目录1 绪论 (1)1.1 苹果浓缩汁的介绍 (1)1.2 苹果原料的选择 (1)1.3 苹果浓缩汁当今在国内的发展前景 (1)1.4 厂址选择 (2)2 班产量的确定 (2)3 苹果浓缩汁的工厂化生产 (2)3.1 工艺流程 (2)3.2 工艺流程详述 (3)3.2.1 原料验收 (3)3.2.2 挑选 (3)3.2.3 清洗 (3)3.2.4 破碎 (3)3.2.5 榨汁 (4)3.2.6 过滤 (4)3.2.7 灭酶 (4)3.2.8 蒸发 (4)3.2.9 成分调节 (5)3.2.10 酶解 (5)3.2.11 超滤 (5)3.2.12 灭菌 (5)3.2.13 无菌灌装 (6)4 物料衡算 (6)5 设备选型 (7)5.1 拣选机 (7)5.2 清洗机 (7)5.3 破碎机 (7)5.4 压榨机 (7)5.5 双联过滤器 (8)5.6 列管式预热灭酶机 (8)5.7 浓缩设备 (8)5.8 贮罐 (8)5.9 酶解罐 (9)5.10 超滤装置 (9)5.11 高温瞬时杀菌机 (9)5.12 灌装机 (9)6 热量衡算 (10)6.1 车间热交换图 (10)6.2 灭酶(第一次巴氏杀菌)耗能 (10)6.3 蒸发浓缩耗能 (10)6.4 灭菌(第二次巴氏消毒)耗能 (11)7 水电汽耗量估算 (11)7.1 用水估算 (11)7.1.1 班工艺用水耗量估算 (11)7.1.2 冷却水用水耗量估算 (12)7.13 生活用水耗量估算 (12)7.14 总用水量 (12)7.2 用汽估算 (12)7.3 用电估算 (12)8 经济估算 (13)8.1 原辅料成本估算 (13)8.2 包装成本估算 (13)8.3 设备成本估算 (13)8.4 水费估算 (14)8.5 电费估算 (14)9 三废处理 (14)9.1 废水处理 (14)9.2 废气处理 (14)9.3 废渣处理 (14)10 工厂总平面设计 (15)10.1全厂平面设计 (15)10.2 车间平面设计 (15)10.3 工厂布置设计图 (15)参考文献 (16)附录一 (17)附录二 (18)附录三 (19)附录四 (20)附录五 (21)1 绪论1.1 苹果浓缩汁的介绍新鲜水果在经过预处理后压榨出来的果浆被称为果汁。
年产3万吨浓缩苹果汁工厂设计论文浓缩苹果汁是一种具有浓缩效果的苹果汁,其制作过程包括去除水分以达到浓缩的效果。
浓缩苹果汁具有浓郁的苹果风味和香甜口感,而且富含维生素和矿物质,广受消费者的喜爱。
为了满足市场需求并提高产量,本论文设计了一座年产3万吨浓缩苹果汁的工厂。
一、工厂总体布局设计1. 地理位置选址将工厂选址在苹果产地附近,以确保原料供应的便利性,并减少运输成本。
此外,还要考虑就近选择水源,以满足生产过程中对水的需求。
2. 建筑设计工厂建筑应符合安全、环保和工艺流程的要求。
建议采用单层或多层独立的厂房,用于存储原料、生产加工和产品储存。
厂房面积根据年产量确定,同时需考虑生产线的布局。
3. 环境保护工厂设计应考虑环境保护问题,采取必要的措施以降低对环境的影响。
例如,废水处理系统、废气处理设备等,以及合理的噪音控制措施。
此外,工厂周边的绿化和排水系统也需要加以考虑。
二、生产工艺流程设计1. 原料处理原料(苹果)在进入工厂后,首先需要经过清洗和去皮去核的处理,以确保原料的卫生和质量。
2. 浸出和浓缩经过处理的苹果进入浸出设备,通过溶剂浸出苹果的汁液。
然后,将获得的汁液送入浓缩设备进行浓缩,去除其中的水分,保留汁液的风味、糖分和其他有益物质。
3. 杀菌和灌装经过浓缩的苹果汁进入杀菌设备进行杀菌处理,达到消灭细菌和微生物的目的。
随后,将杀菌后的苹果汁进行灌装,以确保产品的卫生和质量。
4. 产品储存和包装灌装好的浓缩苹果汁将被储存到特定的储存设备中,保持其新鲜度和稳定性。
在储存过程中,若发现异常情况,需要进行监测和调整。
最后,将产品进行包装,以便销售和运输。
三、设备选型和布局设计根据工艺流程的要求,我们需要选购适合的设备,并将其布局在工厂中。
1. 设备选型根据不同工艺环节的要求,选购符合生产需求的设备。
具体来说,原料处理设备、浸出设备、浓缩设备、杀菌设备、灌装设备和包装设备等。
2. 设备布局将各个工艺环节所需设备按照流程连接,形成一个完整的生产线。
1.引言1.1 果汁的营养价值果汁中含有较高的营养价值,主要包括碳水化合物、葡萄糖、果糖等易于被人体吸收的物质和维生素。
一些果蔬汁中的有机酸也对人体正常生理活动起着重要作用,如柠檬酸能提高人体对钙的吸收能力。
因而果蔬汁除了能补充人体需要的水分,起到消暑解渴的作用外,对人体还有着一定的营养意义。
1.2 国内外果汁生产与市场2004年6月、7月、8月,中国饮料工业协会举办了涉及全国饮料行业发展的三次研讨会:《2004中国茶饮料和植物饮料发展研讨会》、《2004中国功能饮料/运动饮料发展论坛》、《2004中国果汁饮料发展研讨会》。
这三次饮料行业会议比较权威地分析和预测了中国饮料大市场的现状和发展趋势。
与会者一致认为,2004年及随后的2005年,中国饮料市场的主流产品和最有发展潜力的品种是:果汁饮料、茶饮料和功能饮料。
按照销售总量,果汁饮料在其中的排列顺序居第一。
目前,我国果汁工业尚处于发展阶段,无论在产量上还是在产品结构上,都与市物需求存在一定的差距,我国饮料工业自80年代初开始发展,以17%的年增长率增长,产量由1980年的28.8万吨增加到1994年的637万吨。
1995年产量突破700万吨,1999年已完全突破900万吨,但我国果汁饮料类(包括原果汁、果汁饮料、带肉果汁饮料)的总产量仅有100多万吨,其中大部分是含果汁10%的果味饮料,而果汁(100%原汁)和果汁饮料含果汁(10%以上)仅占25%左右。
国际市场上,发达国家市场需求是以原果汁饮料为主,发展中国家是以果味饮料为主。
据对全国几个大城市的调查显示,有3.8%的居民每周饮用4至6次,有30%的居民每周饮用1-3次,而美国人均年果汁饮料消费量为45公斤,德国46公斤,亚洲一些国家为19-20公斤,而我国人均年果汁饮料消费量还不到 1.2公斤这说明果汁饮料市场发展潜力巨大,前景十分广阔。
据世界银行统计,1990年饮料人均消费量发达国家为34.2升/年,属成熟的理性消费阶段发展中国家10.5升/年,而中国只有4升/年。
年产万果蔬果汁工厂设计姓名:***班级:食安0923班学号:A10090352摘要1.1项目背景1.1.1国外果蔬汁市场现状近几年来,果蔬复合汁饮料在发达国家发展较快,在国外市场流行品种较为繁多,市场上常见的有菠萝汁或橙汁等热带果汁与不同蔬菜汁的复合果汁饮料。
例如:番茄汁与其他多种果蔬的复合汁、橙与胡萝卜汁等蔬菜的复合汁、芹菜汁、甜菜汁、菠菜等蔬菜汁配以食盐、香料和柠檬酸等配制的复合蔬菜汁等产品。
britvic公司于2001年在欧洲推出j2o系列混合果汁饮料,被评为该年度欧洲最成功的果汁饮料之一。
它有四个品种,四种颜色:黄色的是苹果、芒果混合;绿色的是青苹果、哈密瓜混合;橙黄色的是橙、西番莲混合;红色的是血橙、蔓越莓混合。
britvic 公司推出的这一系列,因为其独特的混合口味,靓丽的颜色,一经推出,就在欧洲的年轻人中风靡起来。
与此同时,j&m drink公司也推出一个非常成功的混合系列,共四个品种, 分别以一年四季来命名:春是橙、西番莲混合,夏是橙、胡萝卜和柠檬,秋是红西柚和蔓越莓,冬是酸苹果,这一系列都是约20%的果汁含量,针对的目标消费者也是成年人。
在日本的果蔬汁市场上,单一口味的果蔬汁市场销量大幅度下滑,纯西红柿汁每年下降约10%,纯胡萝卜汁2005年比2004骤然下降266%。
另一方面,果蔬混合汁却以每年约20%的速度增长,其中增长最为迅速的是复合胡萝卜汁,年增幅达到60%左右。
由此看来,国内果汁饮料经过近两年单一品种的发展,在未来几年内,果蔬汁饮料将在饮料市场中有较高的增长幅度。
1.1.2果蔬汁在中国现状与发展趋势近年来,饮料工业发展迅速。
继2002年全国饮料产量突破2000万吨达到2025万吨;2005年又突破3000万吨达到3380万吨;2006中国饮料工业的发展仍以20%的速度高歌猛进,再创新高,达到4100万吨。
4年实现饮料总产量翻番。
我国已成为仅次于美国的全球第二大饮料生产和消费国。
本科毕业设计外文文献及译文文献、资料题目:Fruit and Vegetables in the American Diet: Data fromthe NHANES 11 Survey文献、资料来源:American Journal of Public Health文献、资料发表(出版)日期:1990院(部):市政与环境工程学院专业:生物工程班级:生物092外文文献:Fruit and Vegetables in the American Diet: Data from the NHANES 11 SurveyBLOSSOM H. PArrERSON, MA, GLADYS BLOCK, PHD, WILLIAM F. ROSENBERGER, MPHIL,DA VID PEE, MPHIL, AND LISA L. KAHLE, BAAbstractTwenty-four hour dietary recall data from the Second National Health and Nutrition Examination Survey (1976-80) were used to estimate the numbers of servings of fruit and vegetables consumed by Black and White adults, to examine the types of servings (e.g., potatoes, garden vegetables, fruit, and juice), and to estimate the mean intake of calories, fat, dietary fiber, and vitamins A and C by number of servings. An estimated 45 percent of the population had no servings of fruit or juice and 22 percent had no servings of a vegetable on the recall day. Only 27 percent consumed the three or more servings of vegetables and 29 percent had the two or more servings of fruit recommended by the US Departments of Agriculture and of Health and Human Services; 9 percent had both. Consumption was lower among Blacks than Whites. The choice of vegetables lacked variety. Diets including at least three servings of vegetables and two servings of fruit contained about 17 grams of dietary fiber. Although caloric and fat intake increased with increasing servings of fruit and vegetables, the percent of calories from fat remained relatively constant. Although these data are 10 years old, more recent surveys have shown similar results. The discrepancy between dietary guidelines and the actual diet suggests a need for extensive public education. (Am J Public Health 1990; 80:1443-1449)IntroductionIn a recent article,' it was found that a large proportion of the adult United States population eats no vegetables (0.17)or fruit (0.41) on any given day. The Surgeon General's Report on Nutrition and Health2 recommends increasing consumption of vegetables and fruit. Based on a comprehensive literature review, the National Academy of Sciences(NAS) concluded that diet influences the risk of several majorchronic diseases and recommended eating five or more daily servings of a combination of vegetables and fruit, especially green and yellow vegetables and citrus fruit.3 The US Department of Agriculture (USDA) and the Department of Health and Human Services (DHHS) recommend as part of their food guidance system that the daily diet include two to three servings of fruit and three to five servings of vegetables.45 These specific recommendations are in the context of general recommendations for a diet that meets nutrient requirements, does not include excessive amounts of fat (in particular saturated fats), and is consistent with maintaining desirable weight. It is important therefore to determine what relation increased fruit and vegetable consumption might have, not only to intake of obviously related nutrients such as vitamins A and C but also to fat intake and maintenance of appropriate body weight. In the NHANES II data, collected between 1976 and 1980, it is possible to examine these relationships in self-selected diets that were actually consumed during a 24-hour period by a representative sample of US adults.The article mentioned above' described the proportions of the US population that consumed any amount of a given food, however large or small; no attempt was made to determine the number of servings consumed. In the present inquiry we estimate the number of servings consumed, taking portion size into account. We also examine the intake of calories, fat, fiber, and vitamins A and C in the diets of persons consuming various numbers of servings of fruit and vegetables. While it is obvious that intake of vitamins A and C would increase with increasing numbers of servings, the relative contribution of fruit versus vegetables is not well known, nor is the nutrient intake actually achieved in self-selected diets. Similarly, the dietary fiber intake contained in diets including multiple servings of fruit and vegetables may be inadequately appreciated by the general public.MethodsThe NHANES II survey was conducted by the National Center for Health Statistics between 1976 and 1980.6A highly stratified multi-stage probability design was used to obtain a representative sample of the civilian no institutionalized population, ages six months to 74 years; we report on 10,313 White and 1,335 Blackadults ages 19 to 74. We excluded other races because of small numbers, as well as imputed, unreliable, or surrogate data. Results are based on weighted data, permitting inference about the total Black and White noninstitutionalized US population.7 Group means and standard errors were calculated using software appropriate for complex sample survey data.8 Standard errors are frequently large for Blacks, due to their small number in the survey. Therefore, results for Blacks should be viewed with caution. Conversely, standard errors for Whites are small due to the very large sample size, so that small differences in intake, while not biologically meaningful, could be statistically significant. Dietary interviews were conducted by interviewers with a knowledge of food preparation and nutrient composition. A measure of portion size was obtained using three-dimensional food models, as well as dishes and glassware of various sizes. Subjects were asked to report all food and drink consumed in the24-hour period before the interview day. Almost all recall days were weekdays. Food codes, food weight, and nutrient values were based on data from the USDA, industry, and other sources.9 The coding of these foods has been described elsewhere. Based on reported portion sizes, the number of grams consumed was calculated and included on the 24-hour recall tape" for each food reported by each respondent.We converted the number of grams reported for each fruit and vegetable into a number of servings as follows. We used as a guide suggested serving sizes given by a food guidance system developed to help implement the USDA/DHHS dietary guidelines.5 For fruits, a serving is defined as an average piece of whole fruit or six ounces of fruit juice, and for vegetables, one-half cup, cooked or raw. An examination of a sample of actual food records showed that some reported amounts of fruit or vegetables, such as a slice of onion on a hamburger, or lemon juice added to tea, were too small to be considered a serving, while others were so large that theyshould be considered as more than a single serving. We chose a lower limit of one ounce (30 grams) for any serving of a fruit or vegetable, and two ounces (62 grams) for fruit juice. Small lower limits on a single serving were chosen so as not to eliminate portions consumed by persons with small appetites. This choice may result in some overestimation of the pro- portions eating one or more servings on the recallday. We chose an upper limit for a single serving so that a large portion (eaten on a single occasion) would be treated as more than a single serving. A single portion of a fruit or vegetable was considered to be at most two servings so as not to overestimate the number of servings of big eaters. Juice consumed on a single eating occasion was considered (at most) three servings. In order to convert a large portion of whole fruit or vegetables into two servings, we determined a representative or "typical" number of grams in a half cup serving of vegetables, and the weight of an "average" piece of fruit, using weights given for the most popular' vegetables and fruits in Agriculture Handbook No. 456. 12 A half cup serving Of many vegetables weights about 75 grams, and many whole fruits weigh roughly 120 grams. We defined as two servings any portion of vegetables (except salad) weighing 150 grams or more, and any portion of fruit (excluding fruit juice) weighing 240 grams or more. For fruit juice, individuals consuming between 12 and 18 ounces (372 to 557 grams) were given credit for two servings of fruit, and those consuming 18 or more ounces (558 or more grams) were given credit for three servings. An individual eating a green salad on a single occasion was given credit for a single serving rather than for multiple servings corresponding to each ingredient. Thus individuals could be credited with a maximum of one salad per eating occasion, or a maximum of the four different occasions per day coded in the survey. Individual foods included in each food category are givenelsewhere.1 Vegetables include potatoes, dried peas and beans (e.g., black-eyed peas, kidney beans), green salad(primarily lettuce and raw tomatoes), as well as all other vegetables not falling into one of these categories. This last group is designated "garden vegetables" and includes, for example, green beans, corn, and broccoli. "Fruit" refers to whole fruit and fruit juice. In this article, fruit juices include citrus and other natural fruit juices, but exclude both fortified and non-fortified fruit "drinks." A list is available from the authors on request. We report mean nutrient intake by number of servings(0, 1, 2, 3 or more) of fruit cross-classified by number of servings of vegetables. Nutrient intake was calculated by the National Center for Health Statistics, using USDA nutrient data, updated 1980. Because consumption of fruit and vegetables is associated with age, sex, and race,1 we controlled for thesefactors in each cell of the crossclassification tables using a method equivalent to direct standardization. This method for finding means and the corresponding variance estimates, adjusted for age, race, and sex, is given in the Appendix. The method uses regression coefficients to obtain estimates of means.ResultsBecause the NHANES II data were collected before the recommendations above were issued, they do not reflect their impact; rather the guidelines are used as a standard against which to describe the diet. In the spirit of both the USDA/DHHS and NAS guidelines, we define three or more servings Of vegetables and two or more servings of fruit as meeting the vegetable and fruit guidelines, respectively. The proportions meeting these guidelines are shockingly small (Table 1). On the recall day, 27 percent met the vegetable guidelines and 29 percent met the fruit guidelines, while only 9 percent met both. In general, proportions were highest among older Whites but, even in this group, fewer than one-third ate the recommended servings of vegetables, and fewer than half ate the recommended servings of fruit. More men had adequate numbers of servings of vegetables than did women; the opposite was true for fruit. About two-thirds as many Blacks as Whites met these guidelines. Only about 5 percent of Black women and 7 percent of Black men consumed the recommended numbers of both fruit and vegetable servings. Eleven percent ate neither fruit nor vegetables on the recall day, 45 percent had no servings of fruit, and 22 percenthad no servings of a vegetable (Table 2). In contrast to the five or more servings of fruit and vegetables recommended, zero or one serving might be considered clearly inadequate. Thirty-five percent of Black adults and 27 percent of White adults had at most one serving of a food in the fruit/vegetable food group (data available from author on request). Mean numbers of servings of fruit (1.08, SE = .03) and vegetables (1.77, SE = .02) were far below recommended levels and were lower for Blacks than for Whites (data available from author on request). Mean vegetable intake wassomewhat higher for males than females; the opposite was true for fruit and juice. The mean number of servings of garden vegetables, a group including the green and yellow vegetables emphasized by the NAS guidelines, was only 0.65(SE = .01).At least one serving of garden vegetables was eaten by 43 percent ofthe adult population, and there were no notable differences by race or sex (Table 3). Potatoes and salad were more popular among Whites than Blacks. Proportions eating fried potatoes declined with age, while those consuming non-fried potatoes increased (data available on request to author). Dried peas and beans, good sources of fiber, wereeaten by only about 10 percent of the population. About half the population consumed no servings or only one serving of a vegetable (Figure 1). Among those who reported only one serving of a vegetable, salad was the most popular, reported by 39 percent. Twenty-nine percent consumed a serving of potatoes as their only vegetable, and over half of these servings of potatoes were fried. Among those reporting two servings of a vegetable, some did not achieve variety: 9 percent had two servings of potatoes, 7 percent reported two servings of salad, and 5 percent ate two servings of dried peas and beans. Only slightly more than half of the population (55 percent) had at least oneserving of fruit or fruit juice. Of these, 27 percent had juice only, and 45 percent had whole fruit only (data available on request to author). Table 4 shows average intake of dietary fiber, vitamin A, and vitamin C among persons consuming various numbers of servings of fruit and vegetables. These nutrient levels represent dietary intake from all food sources, but exclude vitamin supplements. Persons who consumed neither fruit nor vegetables had, on average, only 5.6 grams of fiber in their diet on the recall day, or about one-fourth of the 20-30 grams recommended by the National Cancer Institute.13 The amount of fiber in these self-selected diets increased with the total number of servings of fruit and vegetables consumed, and this increase was similar for both fruit and vegetables. A total of five servings of a combination of fruit and vegetables was associated with an intake of approximately 17 grams of fiber. The recommended level of fiber intake was achieved only by those who had three or more servings of both fruit and vegetables, a group representing only 4 percent of the US adult population. In the United States, it is estimated that the usual foods available to consumers provide about half of the total vitamin A activity in the diet as provitamin A carotenoids, found in plant products, and the other half as retinol. 14 Among those eating both fruit and vegetables, the US Recommended Daily Allowance (RDA) of 5000 lUs of vitamin A was attained only by those having at least two servings, while five servings of a combination of fruit and vegetables were associated with mean vitamin A intake of about 8000 IUs. If either vegetables or fruit were eaten to the exclusion of the other (true of over half the population), the US RDA was reached only among those having three or more servings. For vitamin C, fruit and vegetables represent the primary source in the US diet,10 and Table 4 shows that fruit in particular is associated with higher intake. Among those consuming no fruit, the US RDA of 60mg was attained only by those who had three or more servings of vegetables. This is notable in view of the fact that 45 percent of the US population consumed no servings of fruit on the day of the survey. Table 5 shows caloric and fat intake by servings of fruit and vegetables. Caloric intake increased as numbers of servings of either food increased. However, the additional calories were not due to the fruit or vegetables alone, as fat intake also increased substantially. This is presumablydue in part to fats such as butter and margarine added to potatoes and other vegetables and to oils in salad dressings; people who eat more servings of fruit and vegetables may also eat more food in general. The increase in dietary fat intake associated with increased servings of vegetables was greater than that associated with increased servings of fruit (data available on request to author). Those who ate no fruit and three or more servings of vegetables had an average of 95 grams of fat in their diets, while those who ate three servings of fruit and no vegetables had 78 grams.FIGURE 1-The top pie chart shows the percentages of individuals who consumed zero, one, two, or three or more servings of vegetables on the recall day. Percentagesare estimates based on data from NHANES II, 1976480. The lower left pie chart displays the type of vegetable consumed by those who consumed only one serving ofa vegetable. The pie chart on the lower right displays the types of vegetables consumed by those who had exactly two servings of a vegetable. The category "gardenvegetables" includes all vegetables except potatoes, salad, dried peas and beans. Examplesare green beans, carrots, and corn.When we express fat as a percent of calories, there was a small increase with increasing vegetable intake, approximately two percentage points from the lowest to the highest serving category. In contrast, with increasing fruit consumption, the percent of calories from fat fell approximately five percentage points from the lowest to the highest consumption category. Percent of calories from saturated fat behaved similarly, reaching its highest value among those who consumed no fruit and two or more vegetables, and its lowest value among those who consumed three or more servings of fruit and no vegetables (data available from authors on request).Although the percent of calories from fat increased slightly with increasing vegetable consumption, this was associated with an increase in the ratio of polyunsaturated fats to saturated fats (P/S ratio), the direction recommended by the American Heart Association'5 (data available from authors on request). This may reflect the use of unsaturated oil in salad dressings. Despite the increase in caloric intake and dietary fat with increasing numbers of servings of fruit and vegetables, there was no associated increase in obesity (data available from authors on request). A commonly used measure of obesity, the Quetelet Index (weight(kg)/height(m)2) was relatively constant across all serving categories, ranging from 24.9 (SE= .27) to 25.6 (SE = .18). This may reflect differences in energy expenditure associated with higher caloric levels.Discussion"In this land of plenty millions of Americans aren't eating wisely. Not because they haven't enough to eat, but because they eat too many of the wrong things or too little of the right,"17 according to the USDA. Based on 24-hour recall data, we found that 91 percent of the adult US population did not meet the USDA/DHHS recommendation that two to three servings of fruit and three to five servings of vegetables be eaten daily. Our method of defining a serving in terms of the number of grams eaten at any given meal, as opposed to the total number of grams consumed during the entire 24-hour period, may have resulted in some bias in the estimation of number of servings. Small portions (weighing less than an ounce) might sum to aserving over the course of a day, resulting in an underestimation. This bias is probably minimal because of the small lower limits (one ounce of fruit or vegetable) used in the estimation. Conversely, these small limits might result in an overestimation of the number of servings; our lower limit is equivalent to less than half of a serving as defined by the USDA. The second bias is likely larger than the first and, if so, the results presented in this article are unduly optimistic. While a single day's food record cannot be used to characterize an individual's usual diet, 24-hour recall data can provide estimates of group means.7 Our finding that 11 percent had no servings of either fruit or vegetables on the recall day is in close agreement with data from the NHANESII food frequency questionnaire in which 12 percent reported that they eat fruit and vegetables less frequently than daily, and with 24-hour recall data from the Nationwide Food Consumption Survey (NFCS), conducted by the USDA in 1977-78, in which 10 percent of women and 8 percent of men ages 19-50 reported eating no fruit or vegetables on the recall day.18 A comparison of 24-hour dietary recall data among adults ages 19-50 from the NFCS and from the 1985 and 1986 Continuing Survey of Food Intakes (CSFII),'92' also conducted by the USDA, suggests that there has been little change in the percentages using these foods. The proportion of men reporting eating any vegetables on the recall day decreased from 89 to 85 percent between 1977 and 1985, while the proportion reporting fruit consumption was virtually unchanged: 44 percent in 1977 and 43 percent in 1985. For women, changes were also minimal: in 1977, on the recall day, 84 percent reported eating a vegetable, compared to 83 percent in 1985; 50 percent reported eating fruit in 1977 and 47 percent in 1985. CSFII data for women in 1986 were similar. A study of food consumption trends based on NFCS and CSFII data reported that proportions of women using green and yellow vegetables and "lower-fiber" vegetables such as lettuce and tomatoes increased slightly during this period, while proportions using "higher-fiber" vegetables such as corn, green peas, and cooked cabbage decreased.22 While data from the USDA surveys are directly comparable, these surveys differ somewhat from the NHANES II survey in sampling and in data collection methods. Further, the USDA vegetable group is slightly more comprehensive than ours, andtheir fruit group excludes some citrus fruit juices, such as lemonade, that were included in our study. Recent promotion of dietary fiber may have produced some increase in the consumption of fruit and vegetables, but is unlikely to have resulted in changes of the magnitude needed to meet the Guidelines.Results of a small survey (298 adults selected by random digit dialing) conducted in two counties in California in 198723 were similar to our findings. Fifty-two percent reported that they had eaten one or more fresh fruits on the previous day*; we found that 39 percent ate whole fruit on the recall day. In the California survey, 42 percent reported eating green salad and 67 percent reported eating one or more vegetables on the recall day. In our data, 37 percent had a salad and 43 percent had at least one serving of a garden vegetable on the recall day.Dietary guidelines have emphasized the importance of a balanced and varied diet. Diets that include either no servings or very few servings of fruit and vegetables lack both balance and variety. We found that almost 50 percent of the population had at most a single serving of a vegetable; even among those who had two servings of a vegetable on the recall day,21 percent had two servings of the same vegetable (other than a garden vegetable). For fruit and fruit juice, about three- fourths had at most a single serving. Studies that have assessed health benefits from vegetable consumption found them primarily for garden vegetables.24-26 We found that less than half the population had a garden vegetable on the recall day. As in the paper on food choices,' we found that consumption of fruit and vegetables (with the exception of garden vegetables) was lower among Blacks than Whites, even when income was taken into account (data available on request to authors). Not only did fewer Blacks than Whites meet the guidelines, but larger proportions had at most a single serving on the recall day. Consumption of the recommended five servings of fruit and vegetables is consistent with a nutritionally adequate diet as well as with the health recommendations cited above. For example, diets including multiple servings of these foods provide substantial amounts of dietary fiber and vitamins A and C. While caloric intake increases with the numbers of servings of both fruit and vegetables, this increase is not associated with greater obesity. As more servings of vegetables are eaten, more grams of fat are consumed, but the P/S ratio also rises. Thefact that fruit and vegetables are important sources of dietary fiber may not be well understood by the general public. In our data, a diet that included five servings of fruit and vegetables provided approximately 17 grams of fiber; at this level, the addition of two slices of whole grain bread would bring the total to 20 or more grams. Nutrition education campaigns might well emphasize that consumption of the recommended five-a-day is important in achieving the dietary fiber goals, as well as in increasing micronutrient intake. Evidence has been accumulating on the relation of fruit and vegetable consumption to health, as is reflected in the NAS recommendations to increase consumption of these foods. Numerous studies suggest that we can help prevent several types of cancer by increasing our fruit and vegetable consumption.24-26 However, the discrepancy between the America diet and the fruit and vegetable guidelines, as shown in a one day recall, is so enormous as to call into question the societal commitment to these guidelines. The public is either unaware of the likely benefits of including these foods in the daily diet or, although aware, is unwilling or cannot afford to follow the guidelines. Fruit and vegetable consumption has never been the object of a national campaign. A recent editorial in this Journal called for "the most vigorous, collaborative nutrition campaign ever launched"27 to make the public aware of the connection between food intake and health outcome. Any such campaign should take into account the fruits and vegetables most frequently eaten, encouraging increased consumption of those already relatively popular, and targeting demographic groups where consumption is particularly low. In addition to public education, societal commitment might include actions to improve the affordability of many fruits and vegetables and to increase the numbers of servings obtainable through school lunches, meals on wheels, and other food programs, as well as industry actions to promote increased consumption of these foods.ACKNOWLEDGMENTWe wish to thank Dr. Susan B. Foerster for sharing with us results of the California Two-County Survey.REFERENCESI. Patterson BH, Block G: Food choices and the cancer guidelines. Am J Public Health 1988; 78:282-286.2. US Department of Health and Human Services, Public Health Service: The Surgeon General's Report on Nutrition and Health. DHHS (PHS) Pub. No. 88-50210. Washington, DC: Govt Printing Office, 1988.3. Committee on Diet and Health, Food and Nutrition Board, Commission onLife Sciences, National Research Council: Diet and Health: Implicationsfor Reducing Chronic Disease Risk. Washington, DC: National Academy Press, 1989.4. US Department of Agriculture, US Department of Health and Human Services: Nutrition and Your Health: Dietary Guidelines for Americans. Home and Garden Bulletin No. 232. Washington, DC: Govt Printing Office, 1980.5. Cronin FJ, Shaw AM, Krebs-Smith SM, Marsland PM, Light L: Devel- oping a food guidance system to implement the dietary guidelines. J Nutr Educ 1987; 19:281-302.6. National Center for Health Statistics: Plan and Operation of the Second National Health and Nutrition Examination Survey, 1976-1980. Vital and Health Statistics Series 1, No. 15. DHEW Pub. No. (PHS) 81-1317. Washington, DC: Govt Printing Office, 1981.7. National Center for Health Statistics: Dietary Intake Source Data: United States, 1976-1980. Vital and Health Statistics, Series 11, No. 231. DHHS Pub. No. 83-1681. Washington, DC: Govt Printing Office, 1983.8. Shah BV: SESUDAAN: Standard Errors Program for Computing of Standardized Rates from Sample Survey Data. Research Triangle Park, NC: Research Triangle Institute, 1981.9. Dresser CM: From nutrient data to a data base for a health and nutrition examination survey. Organization, coding, and values-real or imputed. Proceedings of the Eighth National Data Base Conference, Minneapolis, MN, July 1983.10. Block G, Dresser CM, Hartman AM, Carroll MD: Nutrient sources in the American diet: Quantitative data from the NHANES II survey. Am J Epidemiol 1985; 122:13-40.11. National Center for Health Statistics: Public Use Data Tape Documentation-Total Nutrient Intake, Food Frequency, and OtherRelated Dietary Data Tapes. Tape number 5701. National Health and。
年产2万吨苹果汁工厂设计实验说明书1 绪论果汁饮料综述果汁饮料是以水果为原料经过物理方法如压榨、离心、萃取等得到的汁液产品。
果汁饮料可以细分为果汁、果浆、浓缩果浆、果肉饮料、果汁饮料、果粒果汁饮料、水果饮料浓浆、水果饮料等9种类型,其大都采用打浆工艺将水果或水果的可食部分加工制成未发酵但能发酵的浆液或在浓缩果浆中加入果浆在浓缩时失去的天然水分等量的水,制成的具有原水果果肉的色泽、风味和可溶性固形物含量的制品。
果汁中含有较高的营养价值,主要包括碳水化合物、葡萄糖、果糖等易于被人体吸收的物质和维生素。
一些果汁中的有机酸也对人体正常生理活动起着重要作用,如柠檬酸能提高人体对钙的吸收能力。
因而果汁除了能补充人体需要的水分,起到消暑解渴的作用外,对人体还有着一定的营养意义。
国内外果汁饮料发展状况据权威部门统计,国外发达国家果汁人均年消费量约20升,发展中国家人均年消费量约为升,与其他国家相比,我国人均果汁的占有量却只有1升,差距十分明显。
目前全球果汁市场主要集中在美国、德国、日本等国家,同时俄罗斯、南非、中国等发展中国家市s场已经启动,将成为未来果汁市场需求的新增长点,果汁成为畅销的产品受到全球消费者的青睐和追捧。
调查表明,随着人们生活水平的提高,生活方式的改变,人们更加关注健康,果汁饮料以补充维生素、低糖的健康形象出现,自然吸引了众人的目光。
近年来我国果汁饮料迅速发展,果汁饮料更是备受欢迎。
目前,我国果汁加工业仍以生产带肉果汁为主,近10多年来,国内有些加工企业花费大量的资金引进国外浓缩果汁生产设备,生产浓缩果汁以供出口。
但由于设备投资昂贵,只有少数工厂效益较好。
利用国产设备生产具有中国特色的澄清果汁,在国内外具有广阔的市场。
随着果品产量的大幅度提高,大力发展果汁加工工业,对于稳定果品生产的发展,促进农业的产业化进程,满足人民的消费需求等方面,具有重要的意义。
苹果汁饮料营养价值和市场前景苹果中含有的“苹果酚”不仅可以抑制黑色素、酵素的产生,还可以抑制血压上升,预防高血压,抑制过敏反应,有一定的抗敏作用;苹果中含有“果胶”是一种水溶性食物纤维,能够减少肠内的不良细菌数量,帮助有益细菌繁殖;苹果中含有丰富的维生素C,是心血管的保护神、心脏病患者的健康元素。
摘要本设计主要是进行年处理100000吨浓缩果汁工厂设计。
在对我国苹果汁生产量及销售量所处情况进行分析后,拟定在西安南郊建立一苹果汁浓缩厂,首先进行厂址的选择,然后制定设计原那么,设计方案,并确定年产量。
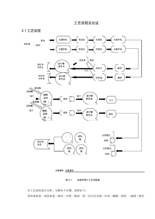
第二,进行工艺流程论证,并做出工艺流程图,进行合理性评价。
第三,进行物料衡算,选择主要设备,同时,进行热量衡算,对水电气的的用量及费用进行估算,为了解决浓缩苹果汁质量平安问题,有必要将HACCP体系原理应用于苹果汁生产中。
最后,还进行经济效益分析。
考虑到技术的开展水平,本设计应尽量采用自动化生产线,已到达高效,平安,合理的效果。
关键词:浓缩,苹果汁,工艺流程,工厂设计,HACCPAbstractThis design is mainly carried 100,000 tons of concentrated fruit juice processing plant design. In the production of apple juice and sales analysis of the situation in which to draw in the southern suburbs of Xi'an to build a plant apple juice concentrate. First, the choice of the site, then develop design principles, design, and determine the annual, Second, the process argument, and make process flow diagrams, a reasonable assessment, Third, the material balance, choice of major equipment at the same time, the heat balance, the amount of water and electrical costs were estimated,In order to solve the problem of quality and safety of apple juice concentrate, it is necessary to apply principles of HACCP system in production of apple juice. Finally, the economic benefit analysis.Taking into account the level of technological development, the design should maximize the use of automated production lines, has reached the efficient, safe, and reasonable results.Key words: concentrate, apple juice, process, plant design, HACCP第一章绪论1.1全球苹果生产现状和开展趋势1.1.1全球苹果生产现状据统计世界生产苹果的国家有80多个,年产量超过或接近100万吨的主产国有12个,即中国2050,美国390,土耳其250,意大利221,法国214,波兰210.7,德国142.9俄罗斯140,智利106,阿根廷100,日本91.2巴西82.5〔单位:万吨〕。
》目录一项目论证 (2)1 产品来源 (2)2 产品特点 (2)3市场状况 (3)4 厂址选择 (3)二样品方案与班产量 (4))1班产量 (4)2样品方案 (4)三工艺流程及论证 (5)1工艺流程 (5)2工艺论证 (5)四物料衡算 (6)五设备选型及论证 (11)六辅助生产设施的设计 (14)]七厂房总平面设计 (16)八结论 (16)参考文献 (17)$一、项目论证1.产品来源浓缩苹果汁主要以苹果为原料,今年来我国苹果在陕西的种植面积已处在上升趋势,计划把生产浓缩苹果汁的企业建立在陕西的洛川,人称洛川为“苹果之乡”,这里产的苹果以色、香、味俱佳著称,它的品质优良、果形优美、色泽艳丽、肉质脆密、含糖量高、香甜可口、硬度适中、耐储藏(采取合理的方法一般可以存放到翌年的5~6月份)等优点。
用于生产浓缩噢果汁的原料苹果必须具备含有较高的含糖量,而洛川的苹果恰能满足这一要求。
2.产品特点;“一天一个苹果,疾病远离我”是西方广为流传的一句谚语,越来越多的事实表明了苹果及加工产品如苹果汁、苹果酒的营养价值的确很高,苹果汁的营养价值在于它的营养成分能够迅速被人体吸收。
苹果汁还有一些医疗作用,苹果润肺、悦心、生津开胃、止渴、解暑除烦、止泻等作用。
苹果含较多的可溶性磷和铁,易于消化和吸收,有益于婴儿发育。
随着科学研究的不断深入,人们对苹果汁的认识较以往更加全面深刻,其保健作用主要表现在以下几方面:①苹果汁中的生物活性物质研究表明苹果汁中的黄酮类化合物与多酚化合物结合在一起具有抗癌的作用,该混合物能抑制人体内癌细胞的生长与扩散,从而起到了一定的抗癌作用。
最近,美国的临床实验表明苹果及苹果汁可以预防心脏病,苹果汁可以降低呼吸系统疾病的作用已有大量科学研究已证实,苹果汁中的某些成分可以改善呼吸系统的功能。
经常食用苹果汁的人与不食用或很少食用苹果汁的人相比,气喘病的发病可能性降低22%~23%,肺癌的发病率可能降低58%。
(此文档为word格式,下载后您可任意编辑修改!)年产10000吨复合果蔬汁饮料厂设计目录第一章可行性研究报告 (3)1.1总论 (3)项目概况 (3)问题和建议 (3)1.2市场预测 (4)市场现状分析 (4)产品供需预测 (4)价格预测 (5)竞争力分析 (5)市场风险分析 (5)1.3资源条件分析 (5)资源可利用量 (5)资源品质情况 (5)资源开发价值 (6)1.4建设规模与产品方案 (6)建议规模 (6)产品方案 (6)1.5厂址选择 (6)1.6技术方案、设备方案和工程方案 (7)技术方案选择 (7)主要设备方案选择 (8)工程方案选择 (8)1.7原材料、燃料供应 (8)主要原材料供应方案 (8)燃料供应方案 (8)1.8总图、运输与公用辅助工程 (8)总图布置方案 (8)场内外运输方案 (9)公用工程与辅助工程方案 (10)1.9节约措施与环保 (11)节约措施 (11)环境保护 (11)1.10劳动卫生、安全与消防 (12)危险因素与危害程度分析 (12)安全消防措施 (13)卫生保健措施 (13)1.11组织结构与人力资源配置 (14)组织机构 (14)人力资源配置 (14)员工培训 (14)1.12项目实施进度 (15)建设工期与实施进度安排 (15)1.13投资估算与筹资 (15)1.14财务评价 (15)财务评价基础数据与参数选取 (15)销售收入与成本费用估算 (16)财务评价总结 (16)1.15研究结论与建议 (16)研究结论 (16)问题与建议 (17)第二章设计计算书 (18)2.1生产方案 (18)产品方案 (18)产品配方 (18)2.2工艺流程 (19)2.3物料衡算 (20)2.4设备选型 (25)第三章设计图纸 (30)3.1设备流程图 (30)3.2设备结构图一 (30)3.3设备结构图二 (30)第一章可行性研究报告1.1总论项目提出的背景项目所在地为吉林省长春市,长春市果蔬资源丰富,水果蔬菜是低热量的食物。
本科毕业论文题目年产50000t苹果清汁浓缩汁厂的设计学院食品科学与工程学院专业生物工程毕业届别2010级姓名黄滕指导教师齐治国职称讲师甘肃农业大学教务处制二O一O年六月目录摘要 (5)第一章绪论 (7)1.1苹果及其营养价值 (7)1.2苹果汁的营养价值 (7)1.3我国浓缩苹果汁产业的发展现状与趋势 (7)1.4甘肃省浓缩苹果汁产业发展趋势 (8)1.5设计目的及依据 (9)1.6产品方案论证 (9)第二章厂区平面设计 (10)2.1平面设计原则 (10)2.2厂址选择 (10)2.3建筑物布置原则 (11)2.4道路与绿化 (12)第三章产品工艺流程设计 (13)3.1产品工艺选择及流程 (13)3.2生产工艺论证 (14)3.3质量指标 (16)第四章主要设备工艺衡算和选型 (18)4.1物料衡算 (18)4.2真空浓缩设备工艺衡算与选型 (18)4.3灭菌系统设备工艺衡算 (28)第五章辅助设备选型及水、电、气估算 (36)5.1生产工段 (36)5.2无菌灌装 (37)5.3CIP系统 (38)5.4全厂水量计算 (38)5.5全场用电荷性质及计算 (40)5.6全厂热负荷计算 (41)第六章辅助部门设计 (43)6.1仓储 (43)6.2机修间 (43)6.3产品化验室 (43)6.4工厂运输系统 (43)第七章污水处理系统设计 (45)7.1苹果浓缩汁厂污水对周边环境的危害 (45)7.2污水处理系统设计依据 (45)7.3污水情况分析 (45)7.4工艺流程的选择 (45)7.5工艺简述 (45)7.6A/O处理工艺 (46)7.7主要构筑物与设备选型 (46)8.1技术经济论证的程序: (47)8.2总投资 (47)8.3财务评价 (51)结论 (54)参考文献 (55)附图 (57)甘肃农业大学本科毕业设计任务书一.设计题目年产50000t苹果清汁浓缩汁厂设计。
二.完成期限2009年12月至2010年6月三.厂址选择本厂拟建于天水市国家经济开发区社堂工业园,用地代码为南区M2,北临天北高速,南抵羲皇大道。
英文文献2.5.3. Design and construction of the buildingRoofs and ceilingsWallsWindows and doorsFloorsLighting and powerWater supply and sanitationLayout of equipment and facilitiesIn general, a building should have enough space for all production processes to take place without congestion and for storage of raw materials, packaging materials and finished products. However, the investment should be appropriate to the size and expected profitability of the enterprise to reduce start-up capital, the size of any loans taken out and depreciation and maintenance charges.Roofs and ceilingsIn tropical climates, overhanging roofs keep direct sunlight off the walls and out of the building. This is particularly important when processing involves heating, to make working conditions more comfortable. Fiber-cement tiles offer greater insulation against heat from the sun than galvanized iron sheets do. High level vents in roofs both allow heat and steam to escape and encourage a flow of fresh air through the processing room. The vents must be screened with mesh to prevent insects, rodents and birds from entering the room. If heat is a serious problem, the entrepreneur could consider fitting electric fans or extractors, although this clearly increases capital and operating costs.Rafters or roof beams within the processing and storage rooms are unacceptable. They allow dust to accumulate, which can fall off in lumps to cause gross contamination of products. Similarly, insects can fall from them into products. They also allow paths for rodents and birds, with consequent risks of contamination from hairs, feathers or excreta. It is therefore essential to have a paneled ceiling fitted to any processing or store-oom, with careful attention when fitting them to ensure that there are no holes in the paneling. Care should also be taken to prevent birds, rodents and flying insects gaining access to the processing room through gaps in the roof structure or where the roof joins the walls.WallsAs a minimum requirement, all internal walls should be rendered or plastered with a good quality plaster to prevent dust forming in the processing room. An experienced plasterer should be used to ensure that no cracks or ledges remain in the surface finish, which could accumulate dirt and insects. The lower area of walls, to at least 1.08 metres (four feet) above the floor, is most likely to get dirty from washing equipment, from product splashing etc. and special attention should be paid to ensure that this area is easily cleaned. Higher areas of walls should be painted with a good quality emulsion. The lower parts of walls should be either painted with a waterproof gloss paint, preferably white, to allow them to be thoroughly cleaned, or ideally they should be tiled with glazed tiles. If tiling a process room is too expensive, it is possible to select particular areas such as behind sinks or machinery and only tile these parts. In some countries there is a legal requirement for specified internal finishes and this should be checked with the Ministry of Health or other appropriate authority (see also Section 2.4.2)Windows and doorsWindow sills should be made to slope for two reasons: to prevent dust from accumulating and to prevent operators from leaving cloths or other items lying there, which in turn can attract insects. Windows allow staff to work in natural daylight, which is preferable to and cheaper than electric lighting. However, in tropical climates there is a natural inclination for workers to open windows to allow greater circulation of fresh air. This provides easy access for flying insects, which can readily contaminate the product. Windows should therefore be fitted with mosquito mesh to allow them to be left open.Normally doors should be kept closed, but if they are used regularly there is again a tendency for them to be left open with similar consequences of animals and insects entering the plant. In this case, thin metal chains or strips of material that are hung vertically from the door lintel may deter insects and some animals, while allowing easy access for staff. Alternatively mesh door screens can be used. Doors should be fitted accurately so that there are no gaps beneath them and all storeroom doors should be kept closed to prevent insects and rodents from destroying stock or ingredients.FloorsIt is essential to ensure that the floors of processing rooms and storerooms are constructed of good quality concrete, smooth finished and without cracks. In some developing countries, it is possible to buy proprietary floor paints or vinyl based coatings, but these are usually very expensive. Generally, it is not adequate to use the red wax floor polishes that are commonly found in households, as these wear away easily and could contaminate either products or packages. Over time, spillages of acidic fruit products react with concrete andcause it to erode. Attention should therefore be paid to cleaning up spillages as they occur and to regularly monitor the condition of the floor.The comers where the floor and the walls join are places for dirt to collect. During construction of the floor, it should therefore be curved up to meet the wall. It is possible to place fillets of concrete (or 'coving') in the comers of an existing floor to fill up the right angle, but care is needed to ensure that new gaps are not created which would harbour dirt and insects.The floor should slope at an angle of approximately 1 in 8 to a central drainage channel. At the end of a day's production, the floor can be thoroughly washed and drained. Proper drainage prevents pools of stagnant water forming, which would in turn risk contamination of equipment and foods. The drainage channel should be fitted with an easily removed steel grating so that the drain can be cleaned. Where the drain exits the building, there is a potential entry point for rodents and crawling insects unless wire mesh is fitted over the drain opening. This too should be easily removed for cleaning.Lighting and powerGeneral room lighting should be minimized wherever possible. Full use should be made of natural daylight, which is both free and better quality light, especially for intricate work. Where additional lighting is needed, florescent tubes are cheaper to operate than incandescent bulbs. However, if machinery is used that has fast moving exposed parts, these should be lit with incandescent bulbs and not tubes. This is because even though the parts should have guards fitted, a rotating machine can appear to stand still if its speed matches the number of cycles of the mains electricity that powers fluorescent tubes - with obvious dangers to operators.All electric power points should be placed at a sufficiently high level above the floor that there is no risk of water entering them during washing the floor or equipment. Ideally, waterproof sockets should be used. It is important to use each power point for one application and not use multiple sockets which risk overloading a circuit and causing a fire. If there are insufficient power points for the needs of a process, additional points should be installed, even though this is more expensive. All plugs should be fitted with fuses that are appropriate for the power rating of the equipment and ideally the mains supply should have an earth leakage trip switch. If three-phase power is needed for larger machines or for heavy loads from electric heating, it is important that the wiring is installed by a qualified electrician to balance the supply across the three phases.Water supply and sanitationWater is essential in nearly all fruit and vegetable processing, both as a component of products and for cleaning. An adequate supply of potable water should therefore be available from taps around the processing area. In many countries, the mains supply is unreliable or periodically contaminated and it is therefore necessary for the entrepreneur to make arrangements to secure a regular supply of good quality water each day. This can be done byinstalling two high level, covered storage tanks either in the roof-space or on pillars outside the building. They can be filled alternately when mains water is available and while one tank is being used, any sediment in water in the other tank is settling out. As sedimentation takes several hours, the capacity of each tank should be sufficient for one day's production. The tanks should have a sloping base and be fitted with drain valves above the slope and at the lowest point. In use, water is taken from the upper valve and when the tank is almost empty, the lower valve is opened to flush out any sediment that has accumulated.Water that is included in a product should be carefully treated to remove all traces of sediment and if necessary, it should be sterilised. This is particularly important if the product is not heated after water has been mixed in as an ingredient.There are four ways of treating water at a small scale: by filtration; by heating; byultra-violet light and by chemical sterilants, such as hypochlorite (also named 'chlorine solution' or 'bleach'). Other water treatment methods are generally too expensive at a small scale of operation.Filtration through domestic water filters is slow, but having made the capital expenditure, it is relatively cheap. Larger industrial filters are available in some countries. Heating water to boiling and holding it at that temperature for 10-15 minutes is simple and has low capital costs, but it is expensive because of fuel costs and it is time consuming to do routinely. Heating sterilises the water but does not remove sediment and boiled water may therefore require filtering or standing to remove sediment.Ultra-violet light destroys micro-organisms in water and commercial water treatment units that use this principle (Figure 38) are coming down in price to the point that they can be suitable for those small scale processors that use a lot of water. Again, this method does not remove sediment from the water.Finally, chemical sterilisation using hypochlorite is fast, relatively cheap and effective against a wide range of micro-organisms. Cleaning water should contain about 200 ppm of chorine and water that is used as an ingredient should contain about 0.5 ppm to avoid giving a chlorine flavour to the product. A chlorine concentration of 200 ppm can be made by adding 1 litre of bleach to 250 litres of water and a 0.5 ppm solution is obtained by adding 2.5 ml of bleach to 250 litres of water. Although chlorine kills most micro-organisms, it also has a number of disadvantages: it can corrode aluminium equipment; it can taint foods; bleach must be handled with great care as it damages the necessary, the concentration of chlorine in water can be measured using a chemical dye that produces a colour when it reacts with chlorine. The intensity of the colour is compared to standard colours on glass discs in a 'comparator'.Good sanitation is essential to reduce the risk of product contamination and to deter insects, rodent and birds. All wastes should be placed in bins and not piled on the floor. Processes should have a management system in place to remove wastes from the building as they are produced, rather than letting them accumulate during the day. Wastes should never be left in a processing room overnight. This aspect is described further in Section 2.7.2, and summarized in Appendix I.Layout of equipment and facilitiesThe different areas required for fruit and vegetable processing are shown in Figure 39 for a drying unit and in Figure 40 for other types of production. The layouts of these processing rooms show how raw materials move through a process and through the room without paths crossing. Different stages in a process should be physically separated wherever possible. This helps prevent contamination of finished products by incoming, often dirty, raw materials and clearly identifies areas of the room where special attention to hygiene is necessary. This is particularly important to prevent contamination arising from activities such as bottle washing in which inevitable breakages produce glass splinters that could contaminate a product. This separation also reduces the likelihood of accidents or of operators bumping into each other.Perishable raw materials should be stored separately from non-perishable ingredientsand packaging materials. A separate office allows records to be filed and kept clean and provides a quieter working environment for book-keeping. Toilets should either be housed in a separate building or two doors should exist between them and a processing area. All workers should have access to hand-washing facilities with soap and clean towels. Laboratory facilities are generally not needed in fruit and vegetable processing, although a separate table for conducting quality assurance checks or check-weighing packages of finished product (Section 2.7.2) could be located in the office or in a separate area of the processing room.英文文献译文2.5.3.建筑物的设计和建造屋顶和天花板墙壁窗户和门地板照明和能源水供应和公共卫生仪器和设备的布局总的说来,一个厂房应该有足够的空间来进行产品的加工制造,避免拥堵和原料,包装材料和成品混杂储存的情况发生。