GMP口服液洗烘灌轧联动线风险评估
- 格式:doc
- 大小:166.79 KB
- 文档页数:10
方案编号:TS-71085-00设备编码:2A002、2A003、2A004项目负责人:确认领导小组审查汇签:1.主题内容本方案规定了液体制剂车间10ml口服液洗烘灌轧联动线的确认范围、方法及标准。
2.适用范围本方案适用于液体制剂车间10ml口服液洗烘灌轧联动线的确认。
3.实施确认人员及职责4.简介4.1简介10ml口服液洗烘灌轧联动线主要用于10ml口服液的灌装生产。
该联动线主要由QCL-100型立式超声波洗瓶机、GMS-800-5隧道式热风循环灭菌烘箱、DGZ16液体灌装轧盖机组成,该生产线的工艺流程为:上瓶→网带进瓶→喷淋水→超声波清洗→绞龙进瓶→提升轮送瓶→机械手夹瓶并翻转(180度)→瓶外壁喷淋水冲洗→瓶内腔第一次冲循环水→第二次冲循环水→第一次吹压缩空气→冲纯化水→第二次吹压缩空气→瓶外壁吹压缩空气驱水→机械手翻转→拔轮出瓶→烘箱预热→高温烘干灭菌→冷却→输瓶→理瓶进瓶→往复跟踪灌装→输瓶→理盖戴盖→轧盖→成品输出。
全线采用变频无极调速;各功能调节方便,结构简单,便于维修。
本机在正常运转时有无瓶不灌装,以防泄漏药液;有在位清洗功能,易清洁等优点。
为确保该设备符合GMP要求,符合工艺要求,保证产品质量,特对该生产线的性能指标进行确认。
5.确认范围本方案适用于AAA有限公司10ml口服液洗烘灌轧联动线的确认,确认内容包括:设计确认、安装确认、运行确认、性能确认。
●设计确认(DQ):考察设备的技术规格、技术参数和指标的适用性并参考设备使用说明书考察设备是否满足公司生产需求及GMP要求,经比较筛选,最终购进,整个设备预确认过程应严格执行《设备管理规程》。
●安装确认(IQ):对安装设备的外观检查;测试的步骤、文件、参考资料和合格标准,以证实设备的安装确实是按照制造商的安装规范进行的,符合设备运行前提条件。
●运行确认(OQ):按设备操作规程操作正常运行,测试并通过记录及文件证实设备技术指标符合要求,并且能在规定的生产速度限定范围和误差范围内运行,同时确认设备操作规程的适用性。
广东制药有限公司确认方案确认项目:安瓿洗烘灌联动机确认目录1.0 概述2.0 目的与范围2.1 目的2.2 范围3.0 职责4.0 相关文件5.0 确认内容5.1 设计确认5.2安装确认5.3运行确认5.4性能确认5.5 变更情况及偏差处理6.0 验证结果评定及结论7.0确认时间安排8.0拟定确认周期9.0附件1.0 概述YY/T0216安瓿洗、烘、灌、封联动机由安瓿超声波清洗机,隧道式灭菌干燥机和安瓿灌装封口机三机组成的联动设备,三机之间配有衔接装置。
QCA16/1-2安瓿超声波清洗机采用超声预清洗与水气压力喷射清洗相结合方式对安瓿进行清洗,清洗用水为注射用水,清洗用气为洁净压缩空气。
清洗过程经过水→水→气→水→气→气→气共7个冲洗工位,即进入进瓶斗的安瓿,经喷淋灌水外表冲洗,并缓慢浸入水槽中进行超声波预清洗,使粘于安瓿表面的污垢疏松,约1分钟后密集安瓿分散进入栅门通道,然后被分离并逐个定位,借助推瓶器和卧式针鼓上的引导器,使针管顺利地插入安瓿,然后在间歇回转的卧式针鼓上进行7个工位的水气冲洗,由压缩空气吹入出瓶弧形底板,由翻瓶器间歇送出,以密集排列式进入安瓿灭菌干燥机。
SZAL400/32A型安瓿隧道式灭菌干燥机主要用在针剂联动生产线上,可连续地对经过清洗的安瓿进行干燥灭菌去热源,由前后层流箱、高温灭菌仓、机架、输送带、排风以及电控箱等部件组成,前后层流箱及高温灭菌仓均为独立的空气净化系统,从而有效地保证了进入隧道的安瓿始终处在ISO4.8级单向流空气的保护下,其工作原理是洗瓶机将清洗干净的安瓿直立密排推上本机进瓶段的不锈钢输送带,依靠输送带的前行,密排安瓿进入高温灭菌段,在高温灭菌段流动的净化热空气将安瓿加温,达到干燥灭菌去热原的温度、时间,规范后进入冷却段,冷却段的单向流净化空气将安瓿冷却至接近室温再送入拉丝灌封机进行药液的灌封与封口。
DGA8/1-2安瓿灌装封口机一次可同时对8支安瓿进行灌装及封口,具有缺瓶止灌、高位停车等功能,主机及进瓶输送网带均是无级变速,并与燃汽系统配套使用,采用石油气和氧气对安瓿进行熔封,具有产量高、质量好,运行稳定可靠,操作方便等优点。
口服液体制剂车间多品种共线生产风险评估编号:FX-2016-001起草人:日期:审核人:日期:批准人:日期:口服液体制剂车间多品种共线生产风险评估1、简介本厂的口服液体制剂主要在口服液体制剂车间生产,包括合剂、糖浆剂、流浸膏剂三个剂型共6个品种。
车间配备了符合最新GMP要求的生产设备,配套了完善的GMP文件软件系统,对生产线的各个关键操作环节进行同步监控。
本厂2008年对所有口服液体制剂产品进行了工艺验证、设备确认和关键设备的清洁验证,明确了关键的工艺参数、工艺步骤、清洁程序,并于2012年、2013年对生产工艺及清洁验证进行了再验证,确认关键工艺参数和工艺指标未发生漂移。
本厂生产的口服液体制剂均为中成药,大多数为OTC药品,工艺成熟,质量稳定,不存在相互反应及配伍禁忌;共线生产的设备经严格的设备清洁验证,有完善的防止差错、防止污染和交叉污染的措施;生产操作人员和管理人员都具备相应的技术经验和技能,经过培训合格上岗。
相关共线生产的设备明细如下:2、目的对口服液体制剂车间多品种共线生产进行风险评估,通过风险识别、风险评估及风险控制,制定纠正和预防措施,以降低风险发生的可能性,提高可识别性,将风险控制在可接受水平,确保产品质量。
3、范围口服液体制剂车间多品种共线生产4、引用资料4.1《药品生产质量管理规范》(2010版)4.2《质量风险管理规定》4.3《质量风险评估标准操作程序》5、风险管理小组成员及其职责分工6、质量风险管理流程执行厂部制定的《质量风险管理规定》。
7、风险因素标准的评定7.1风险评估方法:遵循FMEA技术(失效模式效果分析)。
7.2失败模式效果分析(FMEA)由三个因素组成:风险的严重性(S)、风险发生的可能性(P)、风险的可测性(D)。
7.2.2可能性(P):测定风险产生的可能性,为建立统一基线,建立以下等级:8.风险级别评判标准8.1风险优先系数(RPN)计算公式RPN=SPD=严重性(S)×可能性(P)×可测性(D)8.2风险评价标准9.找出评估风险点11、结论通过人、机、料、法、环几方面的质量风险点排查,确定了口服液体制剂车间共线生产中存在的风险,对风险点进行评估并采取风险消减措施后,风险值均在可接受范围内,在验证时需对清洗工艺的清洗效果及设备的性能等项目进行验证,按照风险消减措施执行,确保风险被有效消减,验证结束后针对风险消减措施实施情况对各风险点进行再评估。
******制药有限公司***车间生产工艺及产品质量风险评诂(RA)SYYH/FXPG(***)—01—11起草人:起草日期:批准人:批准日期:24目录一目的 (3)二范围 (3)三参考文件 (3)四术语与缩写 (3)五评估程序 (3)1评估流程 (3)2分析方法 (4)3风险管理工具 (5)六风险评估 (6)七风险评估结论 (16)八版本控制 (16)一目的本文件是****制药有限公司***车间(口服液)生产工艺及产品质量风险评估报告。
本文件旨在通过风险评估,识别口服液生产过程中的关键工艺控制点及主要风险点,通过分析讨论找出其根本原因,从而制定有效的预防或风险调整措施,使风险水平降低到可接受水平。
通过对风险评估及风险调整措施的落实,有效地减少生产过程的中断及生产偏差的发生,保证产品质量。
二范围本文件用于***车间口服液生产全过程的质量控制,包括➢配料岗位➢洗瓶岗位➢灌封岗位➢灭菌岗位➢灯检岗位➢包装岗位三参考文件➢《药品生产质量管理规范》2010版➢ICH Q9➢《质量风险管理规程》➢《验证管理规程》➢***车间相关文件四术语与缩写GMP: Good Manufacturing Practice药品生产质量管理RA:Risk Assessment风险评估五评估程序(见下页)241 评估流程2 分析方法2.1 风险优先等级的确定分析方法:通过对各风险点的“风险发生概率”、“风险发生后的可探测性”“风险发生后的严重性”来综合评估,排序原则以下图为依据。
图一:风险发生概率与发生严重性的关系图,颜色越深代表风险越高。
图一:风险可探测性与发生严重性的关系图,颜色越深代表风险越高。
对于落在黑色区域的“风险点”应立即进行降低。
对于落在灰色区域的“风险点”应选择性的进行对策处理。
对于落在白色区域的“风险点”,可认为是低风险,可不进行风险降低工作。
3 风险管理工具3.1 FMEA:失效模式与影响分析,计算风险优先数(RPN),依据数值制定降低风险的措施,实施后重新计算RPN,重新评价风险。
纯化水系统运行风险评估报告1、目的根据《设备分类风险评估》评定结果,纯化水系统为关键设备,需对纯化水系统运行进行评估,分析设备性能及重点参数对产品质量的影响,并制定相关有效的措施降低各个风险,确保各重点参数在风险可控的范围内,保证产品的质量。
2、适用范围本风险评估适用于**********纯化水系统运行过程。
3、评估小组人员、职务及职责4内容概述依据《质量风险管理制度》对纯化水系统的生产过程可能的风险进行分析评估。
风险识别纯化水系统主要用于制备纯化水,为稳定达到规定的纯化水的各项指标,确保设备安全运行,必须对设备关键部件的进行风险评估。
风险判定评估表风险严重性(S)评估表风险可发现性(D)评估表风险发生的可能性(P)评估:测定风险产生的可能性。
根据积累的经验,工艺/操作复杂性知识或生产小组提供的其他参数,获得发生的可能性的数值。
风险发生的可能性(P)分为以下5个等级:风险发生可能性(P)评估表风险值RPN计算:将各个不同的因素相乘:严重程度(S),风险可发现性(D),风险发生的可能性(P),可获得风险系数(RPN=S×P×D)。
当RPN值为≤16时,风险等级定为低,无需采用额外的控制措施;16<RPN值<26时,风险等级定为中,视收益和支出考虑是否需要增加措施来降低风险级别;通过提高可检测性及/或降低风险产生的可能性来降低最终风险水平。
所采用的措施可以是规程或技术措施;RPN值≥26时,风险等级定为高,此为不可接受风险。
必须尽快采用控制措施,通过提高可检测性及/或降低风险产生的可能性来降低最终风险水平。
风险分析、评估5结论6风险评估小组成员签名空调系统运行风险评估报告1、目的根据《设备分类风险评估》评定结果,空调净化系统为关键设备,需对空调净化系统运行进行评估,分析设备性能及重点参数对产品质量的影响,并制定相关有效的措施降低各个风险,确保各重点参数在风险可控的范围内,保证产品的质量。
口服液体制剂车间多品种共线生产风险评估报告1 概述:本公司的口服液体制剂包括糖浆剂、煎膏剂、酊剂三个剂型共12个品种。
根据生产任务的不同,每个生产工序配备了符合GMP要求的生产设备。
配料有2 套生产设施、设备,灌装机2台,内外包装线有2条生产线。
其中酊剂有独立的一套配料、灌装、灯检、内外包装线;煎膏剂与糖浆剂共用一套配料、灌装、内外包装线。
3个剂型产品共用厂房有称量间、洁净走道及中间站、洁具清洗存放间、人流、物流通道;生产设施有纯化水系统、压缩空气、空调净化系统等设施。
每台(套)设备产品批量生产计划完成以后,才转而生产另一种产品。
口服液体制剂车间常年生产3个品种,工艺成熟,质量稳定,不存在相互反应及配伍禁忌。
2 目的:对口服液体制剂车间多品种共线生产进行风险评估,通过风险识别、风险评估及风险控制,制定纠正和预防措施,从而降低或避免这些潜在风险在执行过程中可能造成的危害,并持续地改进风险降低措施,保证产品质量,避免交叉污染。
3 范围:口服液体制剂车间多品种共线生产。
4 引用资料4.1 《药品生产质量管理规范》(2010版)4.2 公司制定的《质量风险管理规程》。
5 成立风险评估管理小组:风险评估前,公司质量管理部、工程部及口服液体制剂车间管理人员及岗位主要人员共同组建成立“口服液体制剂车间多品种共线风险评估管理小组”。
由质量保证部担任组长、口服液体制剂车间主任担任副组长,正式启动风险管理程序。
风险评估小组成员6 风险分析活动流程:6.1活动流程图6.2 现状调查:收集口服液体制剂多品种共线的相关信息,包括生产品种简介、厂房及设备布局、设备基本信息、岗位关键工艺控制项目及监控参数,各岗位人员配备及资质情况等。
6.3 风险识别:根据口服液体制剂生产线多品种共线实际情况,从人、机、物、法、环五个方面分析,分析多品种共线程序可能出现的失效模式,同时对每一项进行分析编号。
6.4 风险分析:针对潜在的失效模式进行分析,通过失效的潜在后果、失效的潜在因素、现阶段减轻风险的措施进行分析,对严重程度、发生可能性、可检测性进行评分,计算其RPN 值。
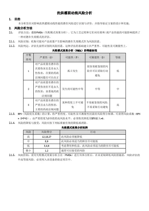
洗烘灌联动线风险分析
1.目的
本分析旨在对影响洗烘灌联动线性能的潜在风险进行识别与评价,并指导验证方案的设计和实施。
2.风险分析方法
2.1.评估方法:遵循F MEA(失败模式效果分析),它为工艺过程和它们对结果和/或产品性能的可能影响提供了
一种对潜在失效模式的评估。
2.1.1.风险识别:收集可能对产品质量产生影响的潜在失效模式作为风险因素。
2.1.2.风险判定:评估先前所识别的风险因素,这种评估的基础建立在严重性、可能性及可测量性上。
失败模式效果分析(FMEA)的等级标准
2.1.
3.RPN(风险优先系数)的计算:将严重程度、可能性及可测量性因素的风险得分相乘,可获得风险系数(RPN
= S*P*D);由严重程度为3导致的高风险水平,必须将其降低至RPN最大=6。
2.1.4.风险的降低与接受:风险应按下列标准被有效的降低或消除。
失败模式效果分析矩阵
2.1.5.风险控制:采用失败模式效果分析方法(FMEA)进行具体分析后,在未采取降低风险措施前,风险评估的
中高等级风险,必须列入该设备的验证项目中。
3.风险评估内容3.1.风险点的识别及评估:
3.2.风险的降低和重新评估(B):
4.风险评估结果
对洗烘灌联动线评估中共涉及21个潜在风险点,通过最终风险的降低,需要验证的潜在风险点包括3.2中所述各系统,该部分内容将作为洗烘灌联动线验证方案设计的重点考察项目。
洗烘灌轧联动线验证方案1. 背景介绍洗烘灌轧联动线是一种自动化生产线,用于将原料经过洗涤、烘干、灌装和轧制等处理过程,以提高生产效率和产品质量。
在洗烘灌轧联动线的设计和实施过程中,验证方案是非常重要的,可以帮助确保系统的正常运行,并提前发现潜在的问题和风险。
本文将提供一种洗烘灌轧联动线的验证方案,以确保该生产线能够按照设计要求正常运行,并满足产品质量标准。
2. 验证方案概述洗烘灌轧联动线验证方案由以下几个步骤组成:2.1 设计验证在设计验证阶段,首先对洗烘灌轧联动线进行详细的设计和评审。
确保生产线的设计符合工艺要求,能够实现预期的功能。
同时,还要对设备和工具进行评估,确保它们能够满足生产线的要求,并能够提供必要的操作界面和信息反馈。
2.2 安装验证在安装验证阶段,需要对洗烘灌轧联动线进行全面的安装检查。
检查设备的安装位置、连接方式和接线是否符合要求,确保设备能够正确地工作。
此外,还要进行设备的电气连接和接地测试,以确保系统的电气安全。
2.3 功能验证在功能验证阶段,需要对洗烘灌轧联动线的各个功能进行测试和验证。
包括洗涤、烘干、灌装和轧制等处理过程的功能是否正常,各个处理步骤间的协调配合是否良好。
通过设定不同的工艺参数和生产条件,进行多种场景下的功能测试,以验证系统的鲁棒性和稳定性。
2.4 性能验证在性能验证阶段,需要对洗烘灌轧联动线的性能进行评估和验证。
主要包括生产效率、产品质量和设备可靠性等方面的试验和测试。
例如,对生产线的产能进行验证,评估其是否满足设计要求。
对生产出的产品进行检查和测试,以确保产品质量符合标准要求。
此外,还需要对设备的可靠性进行评估,包括故障率、维修时间和保养周期等指标。
2.5 安全验证在安全验证阶段,需要对洗烘灌轧联动线的安全性进行评估和验证。
包括设备的安全控制功能是否有效,紧急停机和故障报警系统是否可靠。
同时,还需要检查工作环境的安全问题,如防火、防爆、防毒等措施是否到位。
GMP⼝服液洗烘灌轧联动线风险评估
10ml⼝服液洗烘灌轧联动线风险评估
⼀、概述:
设备10ml⼝服液洗烘灌轧联动线,安装于液体制剂车间包装间,⽤于液体制剂灌装轧盖操作。
⼆、评估⽬的:
对10ml⼝服液洗烘灌轧联动线可能存在的质量风险进⾏评估,以采取必要的风险控制措施,降低⼝服液灌装轧盖机可能存在的质量风险。
三、风险评估
应⽤失败模式影响分析(FMEA)对风险进⾏评估
风险的严重程度(S)
风险发⽣概率(P)
可检测性(D)
风险评价准则:RPN(风险优先系数)计算: RPN = S×P×D
●⾼风险⽔平:RPN≥ 9。
此为不可接受风险。
必须尽快采⽤控制措施,通过提⾼可检测性及/或降低风险产⽣的可能性来降低最终风险⽔平。
验证应⾸先集中于确认已采⽤控制措施且持续执⾏。
●中等风险⽔平: RPN=6-8。
此风险要求采⽤控制措施,通过提⾼可检测性及/或降低风险产⽣的可能性来降低最终风险⽔平。
所采⽤的措施可以是规程或技术措施,但均应经过验证。
●低风险⽔平:RPN<6。
此风险⽔平为可接受,⽆需采⽤额外的控制措施。
我们对该设备可能存在的质量风险分别进⾏评估。
详细内容见以下质量风险评估记录。
风险评估记录。
报告编号:TS-71086-00设备编码:2A002、2A003、2A004 项目负责人:确认领导小组审查汇签:10ml 口服液洗烘灌轧联动线确认报告i •概述:从2015年10_月_03日到2015年_J0月13日对10ML口服液洗烘灌轧联动线(设备编码:2A002、2A003、2A004)进行了确认。
在仔细总结、审核确认记录的基础上,根据确认方案的可接受标准,得出了确认报告。
2.结果汇总:4 •批准:确认/验证领导小组已审阅上述所有检测结果及评价分析意见,确认该设备符合确认要求,同意投入使用。
5.建议:本确认方案建议两年后再进行确认。
批准人:日期:年月日XX制药有限公司10ml 口服液洗烘灌轧联动线确认证书证书编号:TS-71086-00公司确认小组于2015年10月_03日到2015年10月13日对10ML口服液洗烘灌轧联动线(设备编码:2A002、2A003、2A004)进行了确认,验证/确认领导小组已审阅该确认数据和结果,准予合格,特授予此证书,颁发执行,批准该设备投入使用。
质量受权人:xx制药有限公司(附件)确认项目总结与分析1. 概述:10ML 口服液洗烘灌轧联动线(设备编码:2A002、2A003、2A004)安装于液体制剂车间洗瓶室、灌装间一,用于生脉饮的生产,在确认/验证领导小组的统一组织和领导下,由质量部、生产技术部、工程设备部及其它相关部门的共同合作下,依据10ML口服液洗烘灌轧联动线确认方案(TS-71085-00 )》的要求对10ML 口服液洗烘灌轧联动线进行了验证,现总结分析如下2. 验证/确认依据与参考文献《药品生产质量管理规范(2010年修订)》《药品生产质量管理规范实施指南(2010年修订)》《药品生产验证指南(2003 )》《中华人民共和国药典(2010)》《医药工业洁净室(区)沉降菌的测试方法(GBT16294-2010)》《国际标准(ISO)生物污染控制(ISO14644)》《国际制药工程协会基准指南(ISPE)》《10ML 口服液洗烘灌轧联动线方案(TS-71085-00 )》《QCL100立式超声波洗瓶机使用说明书》《GMS800-5隧道式热风循环灭菌风箱使用说明书》《DGZ16液体灌装轧盖机使用说明书》3. 验证目的:10ML 口服液洗烘灌轧联动线是生产中的重要设备,对其设计、安装、运行及性能予以验证,以确保药物质量,从而保证最终产品的质量。
口服液体制剂车间多品种共线生产风险评估编号:FX-2013-112起草人:日期:审核人:日期:批准人:日期:口服液体制剂车间多品种共线生产风险评估1、简介本厂的口服液体制剂主要在口服液体制剂车间生产,包括合剂、糖浆剂、流浸膏剂三个剂型共6个品种。
车间配备了符合最新GMP要求的生产设备,配套了完善的GMP文件软件系统,对生产线的各个关键操作环节进行同步监控。
本厂2008年对所有口服液体制剂产品进行了工艺验证、设备确认和关键设备的清洁验证,明确了关键的工艺参数、工艺步骤、清洁程序,并于2012年、2013年对生产工艺及清洁验证进行了再验证,确认关键工艺参数和工艺指标未发生漂移。
本厂生产的口服液体制剂均为中成药,大多数为OTC药品,工艺成熟,质量稳定,不存在相互反应及配伍禁忌;共线生产的设备经严格的设备清洁验证,有完善的防止差错、防止污染和交叉污染的措施;生产操作人员和管理人员都具备相应的技术经验和技能,经过培训合格上岗。
相关共线生产的设备明细如下:2、目的对口服液体制剂车间多品种共线生产进行风险评估,通过风险识别、风险评估及风险控制,制定纠正和预防措施,以降低风险发生的可能性,提高可识别性,将风险控制在可接受水平,确保产品质量。
3、范围口服液体制剂车间多品种共线生产4、引用资料4.1《药品生产质量管理规范》(2010版)4.2《质量风险管理规定》4.3《质量风险评估标准操作程序》5、风险管理小组成员及其职责分工6、质量风险管理流程执行厂部制定的《质量风险管理规定》。
7、风险因素标准的评定7.1风险评估方法:遵循FMEA技术(失效模式效果分析)。
7.2失败模式效果分析(FMEA)由三个因素组成:风险的严重性(S)、风险发生的可能性(P)、风险的可测性(D)。
7.2.2可能性(P):测定风险产生的可能性,为建立统一基线,建立以下等级:8.风险级别评判标准8.1风险优先系数(RPN)计算公式RPN=SPD=严重性(S)×可能性(P)×可测性(D)8.2风险评价标准9.找出评估风险点11、结论通过人、机、料、法、环几方面的质量风险点排查,确定了固体制剂车间共线生产中存在的风险,对风险点进行评估并采取风险消减措施后,风险值均在可接受范围内,在验证时需对清洗工艺的清洗效果及设备的性能等项目进行验证,按照风险消减措施执行,确保风险被有效消减,验证结束后针对风险消减措施实施情况对各风险点进行再评估。
口服液体制剂车间多品种共线生产风险评估编号:FX-2013-112起草人:日期:审核人:日期:批准人:日期:口服液体制剂车间多品种共线生产风险评估1、简介本厂的口服液体制剂主要在口服液体制剂车间生产,包括合剂、糖浆剂、流浸膏剂三个剂型共6个品种。
车间配备了符合最新GMP要求的生产设备,配套了完善的GMP文件软件系统,对生产线的各个关键操作环节进行同步监控。
本厂2008年对所有口服液体制剂产品进行了工艺验证、设备确认和关键设备的清洁验证,明确了关键的工艺参数、工艺步骤、清洁程序,并于2012年、2013年对生产工艺及清洁验证进行了再验证,确认关键工艺参数和工艺指标未发生漂移。
本厂生产的口服液体制剂均为中成药,大多数为OTC药品,工艺成熟,质量稳定,不存在相互反应及配伍禁忌;共线生产的设备经严格的设备清洁验证,有完善的防止差错、防止污染和交叉污染的措施;生产操作人员和管理人员都具备相应的技术经验和技能,经过培训合格上岗。
相关共线生产的设备明细如下:2、目的对口服液体制剂车间多品种共线生产进行风险评估,通过风险识别、风险评估及风险控制,制定纠正和预防措施,以降低风险发生的可能性,提高可识别性,将风险控制在可接受水平,确保产品质量。
3、范围口服液体制剂车间多品种共线生产4、引用资料4.1《药品生产质量管理规范》(2010版)4.2《质量风险管理规定》4.3《质量风险评估标准操作程序》5、风险管理小组成员及其职责分工6、质量风险管理流程执行厂部制定的《质量风险管理规定》。
7、风险因素标准的评定7.1风险评估方法:遵循FMEA技术(失效模式效果分析)。
7.2失败模式效果分析(FMEA)由三个因素组成:风险的严重性(S)、风险发生的可能性(P)、风险的可测性(D)。
7.2.2可能性(P):测定风险产生的可能性,为建立统一基线,建立以下等级:8.风险级别评判标准8.1风险优先系数(RPN)计算公式RPN=SPD=严重性(S)×可能性(P)×可测性(D)8.2风险评价标准9.找出评估风险点11、结论通过人、机、料、法、环几方面的质量风险点排查,确定了口服液体制剂车间共线生产中存在的风险,对风险点进行评估并采取风险消减措施后,风险值均在可接受范围内,在验证时需对清洗工艺的清洗效果及设备的性能等项目进行验证,按照风险消减措施执行,确保风险被有效消减,验证结束后针对风险消减措施实施情况对各风险点进行再评估。
1 概述(a):新建制剂(固体)车间设计D级洁净区域面积350平方米,区域内设置的洁净室有口服液10ml灌装间、100ml合剂灌装间和精滤间,以上洁净室受控环境洁净度需要达到ISO8级标准。
(b):新建制剂(固体)车间空调系统设计风量25000m³/h;其中新风比设计为13.9%。
气流组织形式采用非单向流的顶送侧回形式,污染控制原理采用稀释洁净的机理,洁净室设计换气次数均要求达到15次以上。
(c):洁净室和空气处理系统的设计(含二次施工设计)充分考虑了防止内饰隔断材料、地面、风管材料的表面产生、存留或释放污染的可能性。
所有施工和材料选择均遵守《建筑设计防火规范》GB50016-2006;《洁净厂房设计规范》GB50073-2010。
(e):空气过滤系统采用三个过滤段的设置,1:室外空气的预过滤。
过滤网采用100目不锈钢筛网和无纺布制作,有效防止异物和鼠虫进入组合式空调器。
2:组合式空调器设备内设置二次过滤器,设备选型中要求设备供应商提供的初效过滤器过滤效率为G3(EU),中效过滤器过滤效率为F8(EU)。
3:送风到洁净室的风管末端设置高效过滤器,施工合同中要求高效过滤器的过滤效率不低于H13(EU)。
(d):洁净室内的固体辅料称量操作只做复核称量,辅料分零发放在制粒车间称量室进行,因此车间没有设局部除尘排风,回风全部利用。
(f):该空气净化系统的空气调节处理流程示意图如下:(g):车间洁净室的主要参数表:表1:2验证目的(a):确认新建车间及及其空调系统的设计符合公司新建车间的预定生产规模以及生产工艺的环境控制要求和2011年3月实施的新版GMP规范要求。
(b):确认新建车间空调系统的设施、单元设备的建造、选型、安装符合并到达了设计标准和国家规范要求。
(c):通过对空调系统的运行确认,证明系统的设施、单元设备符合设计标准和设备选型的技术参数要求。
(e):证明该空调系统在按照拟定的操作程序和相关管理文件操作下,可以使车间洁净室的环境控制满足生产工艺和最新发布的GMP规范要求。
10ml口服液洗烘灌轧联动线风险评估
一、概述:
设备10ml口服液洗烘灌轧联动线,安装于液体制剂车间包装间,用于液体制剂灌装轧盖操作。
二、评估目的:
对10ml口服液洗烘灌轧联动线可能存在的质量风险进行评估,以采取必要的风险控制措施,降低口服液灌装轧盖机可能存在的质量风险。
三、风险评估
应用失败模式影响分析(FMEA)对风险进行评估
风险的严重程度(S)
风险发生概率(P)
可检测性(D)
➢风险评价准则:RPN(风险优先系数)计算: RPN = S×P×D
●高风险水平:RPN≥ 9。
此为不可接受风险。
必须尽快采用控制措施,通过提高可检测性及/或降低风险产生的可能性来降低最终风险水平。
验证应首先集中于确认已采用控制措施且持续执行。
●中等风险水平: RPN=6-8。
此风险要求采用控制措施,通过提高可检测性及/或降低风险产生的可能性来降低最终风险水平。
所采用的措施可以是规程或技术措施,但均应经过验证。
●低风险水平:RPN<6。
此风险水平为可接受,无需采用额外的控制措施。
五、风险评估
我们对该设备可能存在的质量风险分别进行评估。
详细内容见以下质量风险评估记录。
风险评估记录。