布袋除尘器检查表
- 格式:doc
- 大小:45.50 KB
- 文档页数:1
表B.0.7 电袋除尘器吹喷装置安装报审、报验表
工程名称:德州实华1×220t/h高效节能煤粉炉项目—脱硝电袋除尘系统安装
编号:DZSH-TXDD-YS-001-02-02-07
(电袋除尘器吹喷装置安装)分项工程质量验收表
(电袋除尘器吹喷装置安装)检验批质量验收表
工程编号:DZSH-TXDD-YS-02-02-07-01 性质:一般表 4.5.7
表B.0.7 电袋除尘器花板安装报审、报验表
工程名称:德州实华1×220t/h高效节能煤粉炉项目—脱硝电袋除尘系统安装
编号:DZSH-TXDD-YS-001-02-02-08
(电袋除尘器花板安装)分项工程质量验收表
工程编号:DZSH-TXDD-YS-001-02-02-08 性质:一般表4.2.10
(电袋除尘器花板安装)检验批质量验收表
工程编号:DZSH-TXDD-YS-001-02-02-08-01性质:一般表 4.5.8。
序号袋式除尘器专项检查表车间: 检查人: 检查日期: 年 月日检查项目检查内容检查记录处理措施通气是否有纰漏现象是 否接线是否有松动是 否电磁线圈是否烧坏、老化是 否通气喷嘴是否正常是 否各调节阀开关量大小、关闭是否有效、管路是否有泄漏是 否脉冲阀用气管油水分离是否正常是 否气缸用气管油雾器雾化效果是否正常是 否气缸阀门是否正常开启关闭是 否各电源线无损坏、老化是 否差压变送器传输信号正确是 否进出口差压设定值是否正确是 否点控柜各指示灯正常是 否手动、自动切换正常是 否各报警功能正常是 否联动模式试运转程序正常是 否灰斗检修门密封垫是否老化、漏气是 否顶盖密封条是否老化、漏气是 否压紧装置是否缺落实、螺纹是否有损坏是 否保温有否损坏、压瘪、脱落是 否
保温是否有漏水现象是 否
滤袋上是否留有积灰是 否
滤袋是否破损
是 否1脉冲阀压缩空气管路差压系统电器控制除尘器密封性保温23456
袋笼是否生锈是 否出风管内是否有太多积灰是 否花板上是否有不正常积灰是 否滤袋上粉尘是否结露是 否除尘器及风管内部7。
布袋除尘器检查表(精)布袋除尘器是目前用于工业生产中除尘和净化空气的主要设备之一。
在使用过程中,为了确保其正常运行和工作效率,需要进行定期的检查和维护。
下面是一个精细的检查表,旨在帮助您清晰地了解布袋除尘器的检查过程和重点。
维护频率维护项目维护周期清洁检查每月更换滤袋每年检查缝合线每年更换橡胶管每三年更换电机每五年清洁检查1.关闭除尘器电源2.打开检查口3.用检查灯检查过滤袋表面,判断是否有破损情况4.检查除尘器的脉冲泄压阀,是否有堵塞5.打开排气管道检查管道是否通畅6.如果发现问题,应当立即维护或更换部件7.重装检查口盖更换滤袋1.关闭除尘器电源2.打开检查口3.拆下明装式的滤袋4.清洁滤袋夹和滤袋布袋flange5.完整检查滤袋夹和滤袋布袋flange是否损坏6.更换滤袋7.检查滤袋制造日期和标识8.重装滤袋、滤袋布袋flange以及滤袋夹最后,以理正螺钉检查缝合线1.关闭除尘器电源2.打开检查口3.检查滤袋夹和滤袋布袋flange4.完整检查缝线5.发现开裂、断裂、磨损或其他问题的缝线,应进行维修或更换6.重装滤袋、滤袋布袋flange以及滤袋夹的螺钉更换橡胶管1.关闭除尘器电源2.打开检查口3.检查橡胶管,判断是否有破损、老化等情况4.如发现橡胶管损坏,应立即更换5.更换时需要仔细清洁接口,确保完美的密封效果6.重装滤袋、滤袋布袋flange以及滤袋夹的螺钉更换电机1.关闭除尘器电源2.拆卸旧电机3.安装新电机4.需要注意电机的型号与规格,以及各接口线路的正确接法5.重装检查口盖总结定期检查和维护布袋除尘器,不仅可以延长设备的寿命和提高工作效率,还可以确保生产过程中的安全和环保。
精细的检查表可以帮助您更加清晰地了解检查过程和重点,减少失误和漏检的情况。
希望这份检查表能够对您的工作有所帮助。
除尘设施检查表\检杳项目检查内容运行停运性能 参数 处理风量 是否在设计范围内:是( )否()处理气体温 度是否在设计范围内:是( )否()压缩空气压 力 是否在设计范围内:是( )否()设备阻力 是否在设计范围内:是()否()设备 零部 件 阀门 ⑴动作状态,阀门的开闭是否灵活准确;⑵驱动装置的动作; ⑶阀门的密闭性 ⑴变形和破损⑵阀门的密闭性及动作状态。
安全阀 完好性、灵活性灰斗⑴粉尘的堆积量; ⑵排尘口的密封状态。
⑴粉尘的堆积量;⑵清除灰斗壁上附着的粉尘。
卸灰阀⑴密封性是否良好;⑵有无异常声音,润滑油是否充足、排出部分 是否堵塞。
⑴叶片的磨损情况; ⑵叶片是否附着粉尘。
清 灰 机构*机械振 动清灰 ⑴根据压差计读数了解清灰状态;⑵振动机构在运行时是否产生异常声音,检查 原因并调整;⑶压缩空气的压力是否符合要求或其他停风机 构是否运行正常(本条仅适用于离线式) ; ⑷换向阀的动作是否正常及密封状况。
⑴检查并确认动作程序; ⑵清灰阀门的关闭状态; ⑶振动机构的动作状态; ⑷要注意滤袋的上、下部的安装状态和滤袋的 松弛程度是否合适。
脉冲 清灰⑴根据压差计读数了解清灰状态; ⑵压缩空气的压力是否符合要求或回转停风反 吹机构是否运行正常;⑶脉冲阀、离线阀的动作是否正常及密封状况; ⑷经常对压缩空气系统进行排污放水,在寒冷 地区应防止喷吹系统的结露和冻结。
⑴脉冲阀的动作和密封情况; ⑵离线阀的动作和密封情况; ⑶压缩空气系统的排污放水; ⑷检查滤袋的使用情况。
滤袋⑴测定阻力并记录;⑵用肉眼观察排烟口的烟尘情况⑴观察判断滤袋的使用状态及磨损程度; ⑵观察、了解清灰状况;⑶滤袋的调整;⑷检查滤袋有无变质、破损、老化的情况;⑸检查滤袋有无互相摩擦,碰撞的现象; ⑹检查滤袋或粉尘是否是否潮湿、板结的现象。
仪表⑴检查仪表的指示是否正确; ⑵仪表检测部分清扫;⑶检查压力表配管有无漏气现象; ⑷检查安全装置的动作情况。
好好学习社区
更多优惠资料下载: 德信诚培训网
安全检查分析(SCL )评价表
序 号 检查项目 标准 不符合标准 情况及后果 现有控制措施
L S R 评价级别 管控级
别 建议新增
(改进)措
施
备注 工程技术
管理措施 培训教育 个体防护 应急处置 1
通道
无障碍物
其他伤害 每班检查 2 2 4 4 黄 2 静电跨接 螺栓无松动
其他爆炸
1.每班检查
2.车间考核
2 2 4
4
黄
3 外壳接地 接地线完好
其他爆炸
1.每班检查
2.每年测量
电阻
2 2 4
4
黄
4 脉冲布袋 无树脂撒漏 其他爆炸 其他伤害 每班检查 2 2 4 4 黄
5 防爆膜 防爆膜完好 其他爆炸 每班检查 2 2 4 4 黄
6 爬梯 焊接是否牢固 高处坠落 每班检查 2 2 4 4 黄 7
安全警示标识
标识是否完好
其他爆炸
每班检查
2 2 4
4
黄
分析人: 日期: 审核人: 日期: 审定人: 日期:
填表说明:1、审核人为所在岗位负责人,审定人为上级负责人或甲醛车间主任。
2、评价级别是运用风险评价方法,确定的风险等级。
3、管控级别是指按照风险等级对照表规定的对应原则,划分的重大风险、较大风险、一般风险和低风险,分别用“红、橙、黄、蓝”标识。
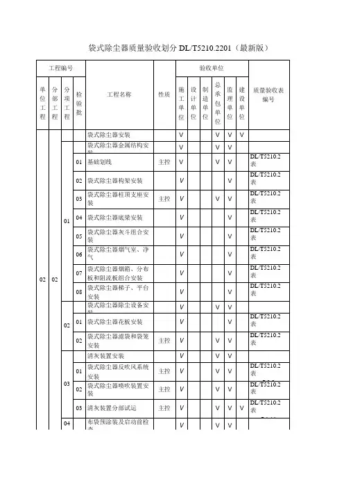
袋式除尘器质量验收划分DL/T5210.2201(最新版)
(1#除尘基础划线)检验批施工质量验收表
(1布袋除尘器柱顶支座安装)检验批施工质量验收表工程编号:XXXX-XXXX-YSSQ-l#CC-JYP-002性质:一般表7.1.1
1#袋式除尘器构架安装)检验批施工质量验收表
(1#袋式除尘器烟气室、净气室组合安装)检验批施工质量验收表
(1#袋式除尘器烟箱、分布板和阻流板组合安装)检验批施工质量验收表
1#袋式除尘器梯子、平台安装)检验批施工质量验收表工程编号:XXXX-XXXX-YSSQ-l#CC-JYP-008性质:一般表6.13.1
(1#袋式除尘器花板安装)检验批施工质量验收表工程编号:XXXX-XXXX-YSSQ-l#CC-JYP-009性质:一般表7.2.1
(1#布袋预涂装及启动前检查)检验批施工质量验收表
工程编号:XXXX-XXXX-YSSQ-l#CC-JYP-013性质:主控表7.1.11
1#除尘清灰装置分部试运)检验批施工质量验收表工程编号:XXXX-XXXX-YSSQ-l#CC-JYP-014性质:主控表7.2.5。