贝朗透析机版面详解
- 格式:doc
- 大小:158.50 KB
- 文档页数:3
贝朗Dialog+ 单泵透析机HD预冲上机操作规程一、物品准备血液透析器、血液透析管路、穿刺针、无菌治疗包、生理盐水、碘伏和棉签等消毒物品、止血带、清洁手套、透析液等。
二、护士治疗前双人核对:根据医嘱核对:患者、机号、透析方式、透析器型号、肝素剂量。
检查A、B 液包装、浓度、有效日期。
检查盐水、透析器、管路、穿刺针、治疗包等有效期。
三、开机,机器自检1、打开机器背面电源,点击“HD/HDF/HF”,进入机器自检。
2、连接A、B液,戴手套。
3、透析机自检通过,此时可按顺序安装血液透析管路:(1)检查血路管及透析器的外包装有无破损,是否在消毒有效期内,无误后打开透析器外包装,将透析器动脉端朝上安装在透析器支架上。
(2)打开血路管的外包装,取出动脉血路管,按照无菌原则进行操作,安装管路顺序按照体外循环的血流方向依次安装。
动脉壶倒立安装在透析器动脉中,关闭侧枝小管夹子,夹子在血路根部。
并将动脉压力感应器安装到位。
动脉压力检测夹子在中间。
反转透析器,静脉端向上。
(3)取出静脉血路管,并将血路管与透析器静脉端连接,静脉壶直立安装在透析机静脉壶夹中,静脉压感应器安装到位,静脉压力检测夹子在中间。
静脉壶下端管路安装进静脉壶中,集液袋正向悬挂在透析机补液架上,关闭静脉壶上面的侧支小管夹子。
夹子在血路根部。
(4)检查冲洗用生理盐水有无破损,液体有无浑浊或沉淀,检查无误后打开包装,消毒瓶口后插入输液器,排气后连接到动脉血路管的患者连接端。
(5)开泵,调节血流泵速度100ml/min,当液体充满动脉壶2/3时,将动脉壶翻转,直立安装在动脉壶夹中。
(6)打开静脉壶上的侧支小管,当液体充满静脉壶关闭侧支小管。
(7)轻轻摇动透析器排气。
4、当透析机提示“请连接透析器快接头到透析机上。
注意颜色标记!透析器蓝端在下!按┛键确认”。
连接透析液接头到透析器上,透析器静脉端朝下。
透析液开始充满透析器膜外,对膜外进行排气。
(注意:连接透析器快速接头时必须保证膜内气体排净,液体充满静脉壶)排气完毕将流量调至300ml/min进行冲洗5、液体冲洗100ml左右时透析机提示“连接耗材密闭”此时将动静脉连接,输液器连接到补液口,打开输液夹子和补液口夹子。
贝朗Dialog+ 透析机HD
回血下机操作规程
1、治疗结束,透析机提示音乐响起,机器屏幕显示“治疗时间已
完成”,检查确认本次透析治疗均已完成,点击回血标识,按确认键,血泵流速自动降至100ml/min,屏幕进入回血界面。
(根据患者具体情况可降低血泵速度)。
2、洗手,戴手套。
首先打开补液侧管,止血钳夹住补液侧管前段,
启动血泵,将残留在侧管内的血液回输到动脉壶。
3、停血泵,用止血钳夹闭血泵动脉管路,利用重力作用,使生理
盐水将动脉管路的血液回流到体内,血色变浅后关闭动脉管路上的夹子。
4、打开血泵,打开止血钳,翻转透析器使静脉端向上,将剩余的
血液回流到体内。
回输期间,操作者应轻轻转动透析器,以使透析器内的血液回输的更干净。
5、当静脉管路内血液变浅,停止血泵,关闭静脉管路和穿刺针上
的夹子。
6、将血路管与针头分离,分离后的血路管分别与静脉壶和动脉壶
上的侧枝连接,保持血路密封,以免管路内残留血液流出污染环境。
7、穿刺针末端用小帽封闭,将内瘘穿刺针拔出并压迫止血,触摸
内瘘震颤看,拔出静脉穿刺针压迫止血,观察穿刺处是否局部有渗血。
拔出的针头就近放入利器盒。
8、按透析器【排液】标志,按确认键,将透析液管路快速接头的
蓝端放回到冲洗桥上。
透析器静脉端朝上。
透析液排空后用盖帽将膜外盖紧,撤掉管路将其放入垃圾内封闭。
9、将A、B液接头接回透析器内,按透析机【消毒】标志并确认。
10、用含氯消毒剂抹布擦拭透析机表面。
11、整理床单元,更换床单,被套,枕套等。
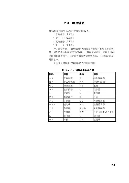
2-12.0物理描述1550机器内部可以分为4个部分如图2-1* 水路部分 2.1章* 前 门 2.2章* 电路部分 2.3章* 卡 盒 2.4章为了维修方便1550机器的大部分部件都标有相应名称或代号例如消毒控制阀标记为CD22这种标记表示法同样也用在电路图和连接图中祥见部件的参考命名代码表详细说明请见附录下面几页将描述1550机器的内部机械部件表21部件参考命名代码代码部件代码部件音响报警插件连接器桥式整流器印刷电路板控制装置电源显示信号晶体管保险管电位器水路部件开关过滤器控制传感器接地线监测监测器内联板单针连接器连接器开关在上继电器变压器母板接线端1550 SERVICE MANUAL2-2A:前视图1-前部的电路板章节2..42-水路和透析液路部分章节2.1 3-前门章节2..2B:后视图4-后部的电路板章节2..45-电源部分章节2.3图2 1 分布图2-3图路监测和控制相关的装置虽然有些装置位于前门内侧关上时则可以看成是水路的一部分下图讲述主要部件2 12.1水路部分水路部分1550 SERVICE MANUAL2-4A/B比例泵在定标Normoalize或透析Dilayze模式时从碳酸氢盐B液在消毒Disinfect模式中抽取消毒液和水W/A比例泵功能和章节2.1.1节所述的A/B比例泵一样在醋酸盐模式时吸水或在碳酸氢盐的模式中吸酸性浓缩液液醋酸盐/碳酸氢盐混合室图的下部分包括一个喷射器和一系列的腔室这些腔室的设计使得从比例泵进来的浓缩液和水充电导电池在图的顶端是一些它们的电阻变化和混合液的电导度及温度的变化成一定比例见图2.1.3A/B 比例泵CD2.1.2 水/酸化液W/A红比例泵CD142.1.3 醋酸盐/碳酸氢盐电导电池2.1.4 水/酸化液W/A混合室FC06和电导电池SC08/09和SM5/161SECTION 2, PHYSICAL DESCRIPTION 2-5 旁路电磁阀引导透析液经过透析器或者通过关闭进透析器管路使透析液绕过透析器旁路在旁路时透析器入管路关闭出管路仍处于开通状态故透析液压力仍作用于透析器以便单超 隔离电磁阀位于透析器的输出端和旁路电磁阀CD-10一起工作的阀门当动作时完全隔离透析器进和出透析器管路都被关闭 除气压力泵位于除气器和比例泵压力调节器之间除了给通过除气器和加热器的循环液流提供一定的压力还要提供除去进水中空气所需的负压除气压力调节器调节除气器中的负压水压开关SM12监测进水的压力在负压下水从除气器底部进入当水从侧边上来经除气滤芯的聚集气泡上升到除气器的顶部连接在除气器顶部的负压管路排出多余的空气在除气器外缠绕的部分是热交换器可使进水从排出的废液中获取热量从而起到预热的作用 透析液压力泵位于透析液压力调节器和热交换器输出端之间除了要维持透析液流动外还为负压管路提供高负压当1550机器自动消毒时这个阀引导消毒液到热交换器的进口端2.1.5 旁路阀CD-102.1.6隔离阀CD-162.1.7除气压力泵CD212.1.8 除气压力调节器FC03/水压开关SM 122.1.9除气器/热交换器FC04/FC022.1.10透析液压力泵CD202.1.11 进水消毒阀CD 171550 SERVICE MANUAL2-6消毒控制阀根据所选择的模式控制液流通过不同管路在自动消毒模式的情况下它打开消毒口SC03并把它连接到A/B 蓝/白冲洗口允许消毒液吸入作为安全考虑有一个排液阀CD23位于CD22的旁边CD23闭合将消毒液吸进当排液阀打开消毒液返回到适当的容器内在手动消毒时定标和透析模式的情况下CD22引导冲洗水到A/B蓝/白冲洗口流量控制器调节通过机器的透析液的流量它位于进液流量传感器2SC14和旁路阀CD10之间水从除气压力调节器经过加热器室在除气前被升温至合适温度加热器控制热敏电阻SC11安装在加热器的顶部超温保护开关SM10安装在边上高温保护水银温度计是一个备用的安全器件在透析液进入透析器之前检测透析液的温度它被安装在流量控制器CD15上祥见2.1.13节所述进水压力调节器维持进水压力在合适的范围内它安装在进水电磁阀CD19和消毒进液阀CD17之间机器停机或在压力降低到设定值之下时进水电磁阀切断进水通路2.1.12消毒控制阀CD222.1.13流量控制器CD152.1.14 加热器CD11 2.1.15 高温保护水银温度计SM082.1.16 16进水压力调节器FC012.1.17 进水电磁阀CD19SECTION 2, PHYSICAL DESCRIPTION 2-7 比例泵压力调节器调节负压环路液流压力回到正压以配比浓缩液成为透析液它位于除气压力泵CD21和W/A 混合室和电导电池SC08/09和SM15/16之间 祥见2.1.12节 进流量传感器测量进入透析器的透析液流量它和出流量传感器SC13/15共同工作以控制超滤为了讨论方便请参阅下页负压除气流程图157-1238-940负压流程开始于除气器FC04顶部通过一个130微米的过滤器在过滤器后面负压除气管路通过T 形管分叉为两个管路每一条管路接到相应比例泵CD13和CD14的底部后面负压除气管路能使被吸入泵头深部的浓缩液自行排出否则浓缩液的聚集滞留能导致结晶化而影响比例泵的正常运行从每一个比例泵CD13和CD14的底部后面出来两个负压除气管路通过T 形管合并成一条主管路从形管一至延伸到除气压力调节器FC03负压管路通过顶部再从该调节器FC03的底部后面出来负压使调节器有自动调节除气压力的能力使得除气压力适应不同海拔高度以及由于透析液压力泵CD20磨损所造成的压力不足在除气压力调节器后管路通过一单向阀它只允许空气/水向前进到负压吸入口FC08负压除气管路从这个单向阀一直到负压吸入口FC08才算结束负压吸入口FC08位于透析压力泵CD20的入口处2.1.18比例泵压力调节器FC052.1.19排液阀CD232.1.20 UF 进流量传感器SC 12/142.1.21 负压除气管路前门的内部图2-3包括支持所有前面板控制功能的电子元件下面几节描述其中的主要部件图 2-1前门血漏监测器系统门底部中央监测透析器排出液中可能存在的漏血从内部结构来说监测器包括一个灯和一个光检测器光检测器的电导是由前者提供的光量决定的透析液流出透析器经过检测器如果有漏出血的存在将减少到达光检测器的光量 1550机器透析液压力传感器门中央送出一个电压到压力监测电路该电压是和透析器出口端透析液的压力成比例的除非机器是工作在透析液隔离方式中2.2前门2.2.1 血漏检测器SM012.2.2 透析液压力传感器SM07肝素泵门内右上方从逻辑电路PC10A 接到指令并以一定速率注射肝素有关PC10A是如何工作的可参阅章节2.4.6透析液压力调节器门的中央左部可由操作者调节去抵消静脉压力的波动一旦设定了UFCPC19也能通过位于压力调器旁边的步进电机驱动机构来调节透析液的压力 空气/液面检测器夹紧机构门的中央右部包括一个弹簧机构该机构是在静脉壶进入病人之管路安装后由操作者设置好假使在静脉滴壶中有空气则会使病人受到伤害见11章此时检测器夹子会卡住静脉管路 UF 出流量传感器测量来自透析器的透析液流出量这个信息和进流量传感器的流量相比较见2.1.20节以决定超滤量 印刷电路板包括空气/液面检测器电路 用以避免病人血管出现空气栓塞等危险2.2.3肝素泵CD042.2.4 透析液压力调节器FC092.2.5 空气/液面检测器夹CD052.2.6 UF出流量传感器SC 13152.2.7 空气/液面检测器板IB 16IB05血泵接口板用做血泵和肝素泵控制的接口IB06 压力控制板包括用于显示动脉静脉和跨膜压的CPUIB07 压力显示板包括指示表和报警范围检测灯用来显示动脉静脉和跨膜压IB08系统显示板包括系统状态指示灯和模式开关 电路部分图2-4包括所有的AC 和DC电源保险丝电源滤波器电机和大多数电路板下面几节讲述其主要部件图电路仓2.2.8 控制板PCBIB05/06/07/082.3 电路部分电源滤波器从进来的交流电中除去噪声和电压扰动加热器控制继电器是一个固态继电器SSR 它给加热杆提供120v交流电压详情请见8.1 主电源变压器隔离并转换进来的交流电压为1550机器提供120VAC 在无负荷情况下为126VAC 和21.5VAC 详情请见第六章电源分配 A/B 和W/A 比例泵的驱动电路板提供稳定的电流驱动比例泵的步进电机同时检测比例泵的速度和步进电机速度是否相等检测比例泵的过速或失速开关电源安放在中央提供1550机器机型+5VDCVDC +12VDC 和12VDC 电源电路仓下部内联板IB17位于右边电源分配板IB18位于左边漏血检测器电路安装在IB17上 电导/温度板测量电导电池和热敏电阻的电阻值并转换为与温度和未补偿的电导值成比例的电压值2.3.1电源滤波器FL12.3.2加热器控制继电器K052.3.3 电源变压器T12.3.4 A/B 和W/A比例泵的驱动器IB03/042.3.5 电源和分配PS 1IB 17/182.3.6电导/温度PCB IB01/02风扇从后门下部的百页窗吸入冷空气向上经过电气部分和电路板仓经上部百叶窗排出只要1550机器电路在工作则风扇必然会工作以散热降温 当透析液管路连接在1550机器机器上时内连器开关任何时间都是关着的这个开关确认1550机器未连接到透析器上因而也可能是病人并让许多报警和音响指示器处于抑制状态 流量控制器马达是一个线性电机它由控制器PC18控制电机移动位于流量控制器内的一根螺丝杆按需要增加或减少透析液流量这些120VAC 电机是以磁方式与液体仓内的齿泵头耦合工作的 交流电源保险管是1550机器机器的主要保险管它是一个15安培慢熔保险 1550机器220V 机器出口型有二个保险管F1A 的F1B 它们是10A 的慢熔保险管 1550机器机器机器单针方式中没有机器单针方式中没有这个电阻和IB14上的达林顿管Darlilnglon 分担电流负载在单针方式中IB14A 有二个达林顿管Darlinglion 这个电阻就没有了在单针方式中这个电阻不用以便静脉血泵以更高速运行2.3.7风扇CD 182.3.8内连器开关SM112.3.9 流量控制器马达CD152.3.10除气泵和透析液压力泵电机CD20/212.3.11 交流电源保险管F 12.3.12 血泵驱动电阻R02电路板仓图2-5包括1550机器的大多数PC 板下面几节描述每个板图插槽 IB21包含微处理器和其他电路来支持侧面板的功能侧面板包括用于和其余系统相联络的电路部分以及支持病人卡盒Cartridge 的电路部分如果1550机器选择安装了百特网络通讯包则可由该板上的SW1设置使用这个板还包括4个发光二极管LED和报警音响音量控制电路2.4 电路板仓2.4.1 侧面板PCB IB21监测器I/O 电路板是监测CPU 的一个扩展PC17所有的输入和输出都经过PC16数据SW1翻页SW2和转换SW3针开关的功能在本手册中和在1550机器后门内部的标牌上都有定义用于百特联网的机器号可在双列dip开关组开关31至6针上设定 监测CPU 从控制CPU 和超滤CPU 卡盒侧面板和其它系统获取信息它分析数据并将信息输出给显示系统前面板和侧面板4位数显示器提供与配置和维修有关的信息这些信息的显示内容由监测I/O电路板PC16上的开关来选择2.4.2 监测I/O PCBPC 162.4.3 监测CPU PC 17除了与UFC 及监测CPU 通信外控制CPU分析温度流量信息以便控制加热及透析液的流量它也计算经过补偿的电导以便控制A/B 和W/A 比例泵消毒程序也由控制CPU 控制4位数显示器和数据开关在以后的内容中详细说明在1550机器机器后门内部的标志上也有说明 超滤CPU 电路板监测流量传感器并和控制CPU 及监测CPU 保持通讯它控制超滤进程并产生UFC 显示信息4位数显示器和数据开关在本手册稍后部分述及在1550机器机器后门内侧也有相应标记2.4.4 控制CPU PC 182.4.5UF CPU PC 19肝素泵控制电路板控制注入肝素它监测肝素泵开关SW14推进结束开关SW15和推进/后退开关SW13该电路板控制作为肝素泵注射器推进机构的步进电机板上的选择开关仅当设置时使用在手册中还会讲到血泵电路板包括一个CPU 去控制泵速泵速是由软件逻辑中的限制性参数和血泵电位器/开关R18决定的有关决定单针血泵控制的相关事宜请参阅章节2.4.8和章节2.4.9四位数的显示器属静态敏感性的需要特别小心不要错误的连接或反向插入插座注意标志提示这些12针的元件必须依每一个插座最上面的位置插入如果显示有故障可更换之注意拔下显示块将对1550机器机器运行没有影响但是一个有故障的显示块能使相应的电路板发生故障当1550机器机器带电时不要插拔显示块.故障显示块不要使用否则会使CPU电路板损坏单针I/O 电路板控制机器中的动脉泵和静脉泵R2控制静脉泵的转数单针CPU 电路板通过PC9E控制动脉血泵和静脉血泵母板的主要功能是完成各CPU 电路板间输入输出的通信母板也包括位于侧面板控制电路板上的三个旋转开关和机器设置EEPROM 它储备了1550机器机器所有设置和定标数据1550机器卡盒也插在母板上在1550机器机器中单针方案中母板MB1由一个单针内联板MB3代替2.4.6肝素泵PC 10A 2.4.7 血泵PC9B备注注意PC9E2.4.9 单针CPUPC8E 2.4.10母板MB 12.4.11 单针内联板MB3。
贝朗血液透析机简易操作流程开机1、打开机器电源开关,进入主画面后选择“自检",机器进入自检程序。
2、按机器提示连接AB液,待电导度稳定后按提示连接旁路接头。
3、开血泵后机器将出现“管路是否已充满盐水”等提示,此时不需急于按“确认”键.等待管路充满盐水后再确认.(此时旁路处于打开状态,只要不按动确认键将可以对透析器一直进行弥散-—可用于有消毒液的管路)管路处理完后,按动确认键;机器进行管路自检。
4、管路自检时必须确定动脉端已接上一瓶盐水,动、静脉压力监测已连接并且夹子已打开。
(管路自检时血泵泵速处于自动状态,如需停血泵可直接把血泵盖打开)血路密封自检时,管路压力会达到400mmHg以上才能通过。
5、管路自检通过后,证明机器自检已经结束。
此时如需进行冲管或弥散消毒液,自动进入“冲洗程序”(循管),可对超滤的总量及循管的时间进行设定,设定后按动“OK”键(右上方图标)进行确认。
机器将在循管时间到达后提示.6、循管结束后就可以进入“透析”.连接病人动脉端后,按动“人机连接”图标进入引血阶段;机器右下方出现“引血中安全系数下降"等提示;进入后开动血泵进行引血(此前必须把静脉压保持在20mmHg以上,防止在引血过程中由于静脉压低所引起报警)7、病人血液到达空气报警探头(SAD检测器)时,机器将会有声光提示.此时连接病人静脉端;开动血泵,调节到理想泵速后打开静脉监测的夹子;按透析图标,此时机器指示灯由黄灯变为绿灯,机器进行正常透析.下机1、机器提示结束治疗后,按动“下机"键进入回血程序;确认后把动脉端连接上盐水,打开血泵进行回血。
2、当血液回到病人体内后,分离静脉管.3、按透析器排空图标,将蓝色透析器接头放回机器上,排空膜外的透析液。
4、处理好病人后按动右下方“消毒”按键,进入消毒状态后方可拆卸管路。
5、选择消毒液,消毒方式(长时间消毒或短时间消毒),然后按动“自动关机”按键,确认后机器将在完成消毒后自动关机。
贝朗CRRT机
CVVH连续性静脉—静脉间血液透析
开机准备
1打开电源机器自检到CRC 100%
2出现S-0123456789按EQ确认
3秤空载自检,检查秤架上无任何物品后检查读数相同并按EQ键确认
4通过功能选择键(→和←)选择持续性模式用回车键确认
5通过功能选择键(→和←)选择CVVH治疗模式按EQ键确认
6在治疗方式选择好之后,系统显示出准备过程的主屏幕并开始硬件测试(在检测过程中不要碰机器),,
7在检测完毕后出现主屏幕选择前稀释并确认
8硬件自检完成后就可以安装管路
管路以不同的颜色来区分:
血液过滤器置换液管路(绿色)超滤收集袋超滤管路(黄色)动脉管路(红色)
静脉管路(蓝色)
9管路安装好并检查无误后选择预充键并确认在自动预充程序时请不要碰机器10预充结束后会发出声音提示,通过“进入治疗模式”键可以后可以设参数,设好参数并检查无误后,按EQ键确认
11在机器出于治疗状态下,用EQ键确认漏血校正,血泵开始转动进行血循环,停泵连接病人
上机:
1将血泵停止
2将动脉管路与病人动脉穿刺针相连接或者与导管的动脉侧相连接
3开泵,调血流量
4检查动脉端引血压力(PA)
5当引血将至静脉管路出口时,停血泵并且将静脉管路连接导管的静脉侧
或静脉穿刺针
6开泵,根据病人情况缓慢的调节血流速(在治疗过程中动脉壶应为50%壶高,静脉壶面为80%壶高)
下机:
治疗结束在菜单选择中可以选择结束治疗,当结束治疗被激活时,补液泵停止,但血泵仍然转动,可回水下机。
下机完毕后直接关机。
贝朗透析机版面详解
'上:操控系统、监测系统
一、正面
下:动力系统、电路部分、水路系统
上:1、显示屏;
显示屏两侧有指示灯:绿色(正常运行);黄色(自检和消毒时‘);红色(报
警)
2、机器型号:Dialog +;
“―”降低血泵速度;
“ start /
stop ”
血泵开关;“+”提升血泵速度;
“”报警消音;“”返回键
下:1、肝素泵
2、静脉压监测口;动脉压监测口;血泵;
血泵右侧:静脉壶卡槽;空气监测仪;遮光板;安全夹;
血泵左侧:动脉壶卡槽;A、B液连接管
r输液架
、左狈寸透析器支架、管路固定支架
旁路(蓝端:走透析液;红端:走废液)、消毒液连接管
、后面中:电源开关(“T开启、“0”关闭)、电源插头、细菌过滤I
器、手摇把、消毒液支架
下:进液管(红色)、排液管(黑色)
四、底座:托盘(放A、B液桶)、四个轮子(带脚刹)注:下面有显示屏介绍
状态栏
动脉压跨膜压
肝素追加 最少超滤键 日期、时间
透析液开关 上下机键 监测数据
静脉压
提升静脉壶液面
菜单键。
贝朗DIAPACT CRRT 操作培训讲义目录:一、治疗项目和示意图二、机器外观结构三、管路安装图解四、操作步骤五、报警和消除一、治疗项目和示意图参见操作手册第1.2节。
培训目的:了解机器可以做哪些治疗项目;掌握每个项目中血液、滤器、秤和其它液体(置换液、超滤液、透析液、血浆、盐水等)之间的连接关系;理解项目之间的区别和联系;理解机器的实现方法。
●连续治疗项目:SCUF、CVVH、CVVHD、CVVHFD●间隙治疗项目:HF、HD、HFD●血浆治疗项目:PEX、PAP以CVVH为例,管路连接示意图中词语中文解释如下:Air detector 静脉空气检测器AirD 补液空气检测器BLD 漏血检测器Blood flow 设定的血流量Blood side 血液侧BSSTOP 开停血泵信号From PATIENT 自病人Haemofilter 血滤器Heater feed-back control 加热反馈控制Load cell 秤Measured Fluid Balance (UF volume) 测得的液体平衡量(超滤量)MP1 血泵MP2 超滤泵MP3 补液泵PA 动脉压PBE 血液滤前压PD1 补液压力PD2 超滤负压(血滤器膜外压)Postdilution 后稀释Predilution 前稀释PV 静脉压SAD 静脉空气检测器Safety clamp 静脉夹子SSTOP 开停补液信号设定的补液流量Substitution flowSubstitution temperature 设定的补液温度Substitution side补液侧To PATIENT 去病人UF flow 要求的超滤流量UFP flow 超滤泵流量Ultrafiltration 超滤液Venous chamber 静脉壶二、机器外观结构参见操作手册第2章。
培训目的:了解机器各部件的名称和用途。
1. 前视图2. 后视图3. 右视图4. 屏幕、按键和指示灯三、管路安装图解培训目的:会安装各种治疗项目的管路。
贝朗HP操作流程(单一血泵)物品准备:动脉管路、静脉管路、灌流器、2ml普通肝素钠、NS2000ml灌流器准备:用2ml注射器将2ml普通肝素钠注射到灌流器里面,放置20-30min,间中摇晃灌流器机器准备:1.打开机器电源(不能装管路,秤上不能挂东西)机器自动进入以下自检:ROM TEST显示自检按EQ键确认秤空载自检按EQ键确认2.选择治疗模式选“持续性模式”,“CVVH”,按回车键,再按EQ键确认。
3.机器自动进入以下硬件自检(屏幕右上角显示“准备”)电源继电器自检、SAD参考自检、SAD计数自检、红色探测器自检、漏血检测器自检、压力零点自检。
4.屏幕右上角显示“硬件自检完成”,同时按机器左侧“V、BE、▲”跳过预冲5.安装管路与其它项目一样安装动静脉管路和灌流器,注意以下两点:●把2L盐水袋挂到秤上,灌流器放入透析器夹子;●连接动脉管(红色),走向:盐水袋---血泵---动脉壶(动脉管先不与灌流器相连);●连接静脉管(蓝色),走向:静脉壶---空气检测器---收集袋(收集袋挂在机器输液架上、静脉管先不与灌流器相连)。
说明:●PDl、PD2两个压力传感器无连接,任其显示数值在0附近;●BLD(漏血检测揣)不放任何管路,不会有假报警;●加温器、MP2(中间的泵)、MP3(右边的泵)也不放任何管路。
6.参数设置涂黑“参数设置”,进入参数设置画面,“置换液流量”设置为“600ml/h”,“超滤率”设置为“0”其他可不设。
完成后在温度处连按3次回车键,从而退出参数设置画面。
7.冲洗管路和灌流器1)选择“冲洗”,按“START/STOP(开/停血泵)”键启动血泵;待盐水流到动脉管接灌流器的位置时,按“START/STOP(开/停血泵)”键停血泵,将动脉管和静脉管分别跟灌流器相接,启动血泵;2)手动调节动脉壶的液面到2/3满,手动调节静脉壶的液面到2/3满;3)涂黑“进入治疗”,按EQ键,并按EQ键做漏血再定标;4)将“血流量”调到100ml/min,协助灌流器排气,并适当调节静脉壶水位。
贝朗 Dialog+型血液透析机水路原理总结随着医疗改革、患者数量多、治疗周期密,各级医院建设血液透析中心的规模越来越大。
每天2~3班治疗数量来救治肾病患者。
按规定超过20台规模的必须配备专职工程师,对县级医疗设备工程师带来不小压力。
本院贝朗Dialog+系列血液透析机占比较高,近几年对其维修维护经验总结与大家分享。
血透机工作原理:透析用浓缩液和透析用水经过透析液供给系统配制成合格的透析液,通过血液透析器(半渗透膜),与血液监护警报系统引出的病人血液进行溶质弥散、渗透和超滤作用;作用后的病人血液通过血液监护警报系统返回病人体内,同时透析用后的液体作为废液由透析液供给系统排出,带出患者体内因肾功能衰退留下的毒素和多余水分;不断循环往复,完成整个透析过程。
贝朗血透机作为进口三大血液透析设备之一。
贝朗Dialog+系列(以下简称“血透机”)主体设计改变不大,操作界面几乎没改变。
目前市面上的软件版本有8.2X版本和9.1X版本,两种版本水路设计雷同但各配件规格有变化(大部分不通用)。
主要关于水路原理和经验同大家分享,以下是血透机水路图:血透机内部采用分层设计1.机箱高层(电路层)2.机箱超滤层3.机箱配液层4.机箱进水层水路图中同一底色区域表示在同一层上。
下面我们顺水流方向来看分层介绍结构、作用及常见故障。
一、进水层纯水由进水口经过DMV(减压阀)和VVBE(进水阀)到水箱。
水箱内有NSVB(液位传感器)配合进水阀控制进水量。
日常水箱溢水液位开关损坏几率更大。
水流从下方TSHE(进水温度传感器)流向VEB(除气阀)和PE(除气压力传感器)。
(注:A和D两个接口是通向A液泵、B液泵和超滤泵上端接口形成回路,起润滑三个泵的作用。
)经过EK(除气室)、FEP(过滤器)到达EP(除气泵)。
从出气阀到除气泵构成一个负压环境,主要作用是使水中的小气体变成小气泡分离出来。
若水中有大量气体配出来的置换液会影响半透膜通透性,严重会进入患者血液若在患者体内形成大气泡就十分危险。
贝朗透析机版面详解
上:操控系统、监测系统
一、正面
下:动力系统、电路部分、水路系统
上:1、显示屏;
显示屏两侧有指示灯:绿色(正常运行);黄色(自检和消毒时);红色(报警)
2、机器型号:Dialog+;
“-”降低血泵速度;“start / stop”血泵开关;“+”提升血泵速度;
“”报警消音;“”返回键
下:1、肝素泵
2、静脉压监测口;动脉压监测口;血泵;
血泵右侧:静脉壶卡槽;空气监测仪;遮光板;安全夹;
血泵左侧:动脉壶卡槽;A、B液连接管
输液架
二、左侧透析器支架、管路固定支架
旁路(蓝端:走透析液;红端:走废液)、消毒液连接管
上:托盘
三、后面中:电源开关(“1”开启、“0”关闭)、电源插头、细菌过滤
器、手摇把、消毒液支架
下:进液管(红色)、排液管(黑色)
四、底座:托盘(放A、B液桶)、四个轮子(带脚刹)注:下面有显示屏介绍
状态栏
日期、时间
静脉压
动脉压跨膜压肝素追加
最少超滤键透析液开关上下机键
监测数据
提升静脉壶液面菜单键。
贝朗+血液透析上机操作流程
贝朗Dialog+ 单泵透析机HD
预冲上机操作规程
一、物品准备血液透析器、血液透析管路、穿刺针、无菌治疗包、生理盐水、碘伏和棉签等消毒物品、止血带、清洁手套、透析液等。
二、护士治疗前双人核对:
根据医嘱核对:患者、机号、透析方式、透析器型号、肝素剂量。
检查A、B 液包装、浓度、有效日期。
检查盐水、透析器、管路、穿刺针、治疗包等有效期。
三、开机,机器自检
1、打开机器背面电源,点击“HD/HDF/HF”,进入机器自检。
2、连接A、B液,戴手套。
3、透析机自检通过,此时可按顺序安装血液透析管路:
(1)检查血路管及透析器的外包装有无破损,是否在消毒有效期内,无误后打开透析器外包装,将透析器动脉端朝上安装在透析器支架上。
(2)打开血路管的外包装,取出动脉血路管,按照无菌原则进行操作,安装管路顺序按照体外循环的血流方向依次安装。
动脉壶倒立安装在透析器动脉中,关闭侧枝小管夹子,夹子在血路根部。
并将动脉压力感应器安装到位。
动脉压力检测夹子在中间。
反转透析器,静脉端向上。
(3)取出静脉血路管,并将血路管与透析器静脉端连接,静脉壶直立安装在透析机静脉壶夹中,静脉压感应器安装到位,静脉压力检测。
贝朗DIAPACT CRRT操作培训讲义目录:一、治疗项目和示意图二、机器外观结构三、管路安装图解四、操作步骤五、报警和消除一、治疗项目和示意图参见操作手册第1.2节。
培训目的:了解机器可以做哪些治疗项目;掌握每个项目中血液、滤器、秤和其它液体(置换液、超滤液、透析液、血浆、盐水等)之间的连接关系;理解项目之间的区别和联系;理解机器的实现方法。
●连续治疗项目:SCUF、CVVH、CVVHD、CVVHFD●间隙治疗项目:H F、HD、HFD●血浆治疗项目:PE X、PAP以CVVH为例,管路连接示意图中词语中文解释如下:Air detector 静脉空气检测器AirD 补液空气检测器BLD 漏血检测器Blood flow 设定的血流量Blood s ide 血液侧BSSTOP开停血泵信号From PATIENT 自病人H aemofilter 血滤器H eater feed-back c ontrol 加热反馈控制Load c ell 秤Meas ured Fluid Balance (UF volume) 测得的液体平衡量(超滤量)MP1血泵MP2超滤泵MP3补液泵PA动脉压PBE血液滤前压PD1补液压力PD2超滤负压(血滤器膜外压)Pos tdilution 后稀释P redilution 前稀释PV静脉压SAD 静脉空气检测器Safety c lamp 静脉夹子SSTOP 开停补液信号Subs titution flow 设定的补液流量Subs titution temperature 设定的补液温度Subs titution side补液侧To PATIENT去病人UF flow 要求的超滤流量UFP flow 超滤泵流量Ultrafiltration 超滤液Venous c hamber 静脉壶二、机器外观结构参见操作手册第2章。
培训目的:了解机器各部件的名称和用途。
1. 前视图2. 后视图3. 右视图4. 屏幕、按键和指示灯三、管路安装图解培训目的:会安装各种治疗项目的管路。
贝朗透析机版面详解
上:操控系统、监测系统
一、正面
下:动力系统、电路部分、水路系统
上:1、显示屏;
显示屏两侧有指示灯:绿色(正常运行);黄色(自检和消毒时);红色(报警)
2、机器型号:Dialog+;
“-”降低血泵速度;“start / stop”血泵开关;“+”提升血泵速度;
“”报警消音;“”返回键
下:1、肝素泵
2、静脉压监测口;动脉压监测口;血泵;
血泵右侧:静脉壶卡槽;空气监测仪;遮光板;安全夹;
血泵左侧:动脉壶卡槽;A、B液连接管
输液架
二、左侧透析器支架、管路固定支架
旁路(蓝端:走透析液;红端:走废液)、消毒液连接管
上:托盘
三、后面中:电源开关(“1”开启、“0”关闭)、电源插头、细菌过滤
器、手摇把、消毒液支架
下:进液管(红色)、排液管(黑色)
四、底座:托盘(放A、B液桶)、四个轮子(带脚刹)注:下面有显示屏介绍
状态栏
日期、时间
静脉压
动脉压跨膜压肝素追加
最少超滤键透析液开关上下机键
监测数据
提升静脉壶液面菜单键。
贝朗透析机版面详解
上:操控系统、监测系统
一、正面
下:动力系统、电路部分、水路系统
上:1、显示屏;
显示屏两侧有指示灯:绿色(正常运行);黄色(自检和消毒时);红色(报警)
2、机器型号:Dialog+;
“-”降低血泵速度; “start/ stop”血泵开关;“+”提升血泵速度;
“”报警消音;“”返回键
下:1、肝素泵
2、静脉压监测口;动脉压监测口;血泵;
血泵右侧:静脉壶卡槽;空气监测仪;遮光板;安全夹;
血泵左侧:动脉壶卡槽;A、B液连接管
输液架
二、左侧透析器支架、管路固定支架
旁路(蓝端:走透析液;红端:走废液)、消毒液连接管
上:托盘
三、后面中:电源开关(“1”开启、“0”关闭)、电源插头、细菌过滤
器、手摇把、消毒液支架
下:进液管(红色)、排液管(黑色)
四、底座:托盘(放A、B液桶)、四个轮子(带脚刹)注:下面有显示屏介绍
状态栏
日期、时间
静脉压
动脉压跨膜压肝素追加
最少超滤键透析液开关上下机键
监测数据
提升静脉壶液面菜单键。