预制构件生产过程质量检查表
- 格式:doc
- 大小:121.00 KB
- 文档页数:7
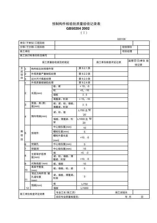
预制构件检验批质量验收记录表GB50204-2002(Ⅰ)020106单位(子单位)工程名称分部(子分部)工程名称验收部位施工单位项目经理施工执行标准名称及编号施工质量验收规范的规定1构件标志和预埋件等主控项2外观质量严重缺陷处理目3过大尺寸偏差处理1外观质量一般缺陷处理监理( 建设) 单位施工单位检查评定记录验收记录第 9.2.1条第 9.2.2条第 9.2.3条第 9.2.4条2长度 (mm)宽度、高(厚)3度 (mm)4侧向弯曲 (mm)一般5预埋件项目6预留孔7预留洞主筋保护层厚8度 (mm)9对角线差 (mm)表面平整度10(mm)预应力构件预11留孔道位置(mm)12翘曲 (mm)板、梁柱墙板薄腹梁、桁架板、梁、柱、墙板、薄腹梁、桁架梁、柱、板墙板、薄腹梁、桁架中心线位置 (mm)螺栓位置 (mm)螺栓外露长度(mm)中心线位置 (mm)中心线位置 (mm)板梁、柱、墙板、薄腹梁、桁架板、墙板板、墙板、柱、梁梁、墙板、薄腹梁、桁架板墙板+10 ,-5+5, -10±5+15, -10±5L/750且≤20L/1000且≤20105+10, -5515+5, -3+10, -51053L/750L/1000专业工长(施工员)施工班组长施工单位检查评定结果项目专业质量检查员:年月日监理(建设)单位验收结论专业监理工程师:(建设单位项目专业技术负责人):年月日。
预制构件检验批质量验收记录
(Ⅰ)
20106□□
单位(子单位)工程名称
分部(子分部)工程名称验收部位
施工单位项目经理
分包单位分包项目经理
施工执行标准名称及编号
施工质量验收规范的规定施工单位检查评定记录监理 (建设 )单位验收记录主1构件标志和预埋件等第 9.2.1 条
控2外观质量严重缺陷处理第 9.2.2 条
项
3 过大尺寸偏差处理第 9.2.3 条
目
一 1外观质量一般缺陷处理第 9.2.4 条
板、梁+10,-5mm
柱+5,-10mm
2长度
般墙板±5mm
薄腹梁、桁架+15,-10mm
板、梁、柱、
项3宽度、高(厚)度墙板、薄腹±5mm
梁、桁架
ι/ 750 且≤梁、柱、板
目
4侧向弯曲
5预埋件
6预留孔
7预留洞
主筋保护层厚
20mm
墙板、薄腹ι/ 1000且≤梁、桁架20mm
中心线位置10mm
螺栓位置5mm
螺栓外露长度+10,- 5mm 中心线位置5mm
中心线位置15mm
板+5,-3mm
8梁、柱、墙板、
度+10,-5mm
薄腹梁、桁架
9对角线差板、墙板10mm
板、墙板、柱、
10表面平整度5mm
梁
预应力构件预梁、墙板、薄
113mm
留孔道位置腹梁、桁架
板ι/750mm
12翘曲
墙板ι/1000mm
施工单位检查评定结果专业工长(施工员)施工班组长
项目专业质量检查员:年月日
监理 (建设 ) 单位验收结论
专业监理工程师:
(建设单位项目专业技术负责人)年月日。