最新四川水利工程质量备案表格填写范例
- 格式:docx
- 大小:154.41 KB
- 文档页数:52
附件3:核备(备案)意见表格式根据2017 年12 月22 日《水利部关于废止和修改部分规章的决定》(水利部令第49 号)的修改意见,以及《四川省水利工程建设项目质量监督核备工作意见》(川水质监〔2018〕8 号),结合当前对受监项目相关核备事项的具体实际,将《水利工程质量监督规程》(DB51/T 2201-2016)的相关核备(备案)意见表格进行适当的调整(详见表3-1~表3-10)。
调整事项包括:1、重要隐蔽及关键部位单元工程质量等级核备2、分部工程验收质量结论核备3、单位工程外观质量评定结论核备4、单位工程验收质量结论核备5、工程项目质量验收结论核备6、蓄水安全鉴定专家组组成情况核备7、单元工程划分结果备案8、工程质量缺陷备案9、施工质量检测计划备案10、其他未在本文中提及的核备或备案事项,参照本文制定相应的核备或备案意见表。
为便于核备或备案工作的顺利进行,以上表格可根据具体情况进行适当调整。
表3-1 重要隐蔽单元工程质量等级结论核备意见表附表:广安市广安区浓溪镇西溪河防洪治理工程广安市广安区浓溪镇西溪河防洪治理单位工程堤基开挖及处理分部工程的重要隐蔽须与核备表双面打印。
表3-2 关键部位单元工程质量等级结论核备意见表附表:广安市广安区浓溪镇西溪河防洪治理工程广安市广安区浓溪镇西溪河防洪治理单位工程堤基开挖及处理分部工程的重要隐蔽须与核备表双面打印。
表3-3 分部工程验收质量结论核备意见表表3-1 重要隐蔽单元工程质量等级结论核备意见表附表:广安市广安区浓溪镇西溪河防洪治理工程广安市广安区浓溪镇西溪河防洪治理单位工程马道以下防洪墙分部工程的重要隐蔽须与核备表双面打印。
表3-2 关键部位单元工程质量等级结论核备意见表附表:广安市广安区浓溪镇西溪河防洪治理工程广安市广安区浓溪镇西溪河防洪治理单位工程马道以下防洪墙分部工程的重要隐蔽须与核备表双面打印。
表3-3 分部工程验收质量结论核备意见表表3-1 重要隐蔽单元工程质量等级结论核备意见表附表:广安市广安区浓溪镇西溪河防洪治理工程广安市广安区浓溪镇西溪河防洪治理单位工程堤身石渣料碾压回填分部工程的重要须与核备表双面打印。
水利工程全套表格及填写范例【文档】水利工程全套表格及填写范例【文档更新日期】2022年月日【文档作者】(可选填)【文档说明】为水利工程相关表格的详细填写范例,旨在供参考使用。
具体填写时请根据实际项目需求进行相应调整和修改。
一、表格范例1. 项目立项阶段表格(1)项目申报表表格名称:项目申报表填写范例:(根据具体项目情况填写示例)- 项目名称:水库建设工程- 项目概况:项目位于地,主要目的是解决地区的水源问题。
- 建设规模:新建水库,总库容5000万立方米。
- 建设内容:包括水库大坝、溢洪道、取水工程等。
- 建设周期:预计建设周期为3年。
- 预算估算:总投资预算为1亿元。
(2)可行性研究报告表格名称:可行性研究报告填写范例:(根据具体项目情况填写示例)- 项目背景:地区水资源短缺,导致居民生活和农田灌溉困难。
- 建设目标:以新建水库为主,解决当地的水资源问题。
- 技术可行性:通过对河流域的水文数据分析,确认水源充足,建设水库可行。
- 经济可行性:通过经济指标分析,项目投资回报率较高,经济可行。
- 社会影响评价:项目建设后,能够改善当地居民的用水条件和农田灌溉条件,社会影响较大。
2. 工程实施阶段表格(1)工程设计图纸表格名称:工程设计图纸填写范例:(根据具体项目情况填写示例)- 总平面布置图:包括水库大坝、溢洪道、取水工程等布置图。
- 大坝断面图:包括大坝的断面图和高程标注等。
- 溢洪道平面图:包括溢洪道的平面布置图。
- 取水口设计图:包括取水口的设计图和水流计算等。
(2)工程施工合同表格名称:工程施工合同填写范例:(根据具体项目情况填写示例)- 合同主体:甲方(水利工程局)、乙方(施工单位)。
- 合同项目:水库建设工程。
- 合同金额:X万元。
- 工期:自合同签订之日起,预计工期为3年。
- 施工内容:包括水库大坝、溢洪道、取水工程等。
二、附件列表所涉及附件如下:1. 项目申报表范例2. 可行性研究报告范例3. 工程设计图纸范例4. 工程施工合同范例(按需其他附件)三、法律名词及注释所涉及的法律名词及注释如下:1. 水利法:指国家对水利工程管理和水资源保护的相关法律法规。
水利水电工程施工质量评定表(试行)目录填表基本规定第一部分工程项目施工质量评定表第二部分水工建筑工程单元工程施工质量评定表第九部分堤防工程外观质量及单元工程质量评定表填表基本规定《水利水电工程施工质量评定表》(试行)(以下简称《评定表》)是检验与评定施工质量的基础资料,也是进行工程维修和事故处理的重要参考。
SL223—1999《水利水电建设工程验收规程》规定,《评定表》是水利水电工程验收的备查资料。
《水利基本建设项目(工程)档案资料管理规定》要求,工程竣工验收后,《评定表》归档长期保存。
因此,对《评定表》的填写,作如下基本规定:1.单元(工序)工程完工后,应及时评定其质量等级,并按现场检验结果,如实填写《评定表》。
现场检验应遵守随机取样原则。
2.《评定表》应使用蓝色或黑色墨水钢笔填写,不得使用圆珠笔、铅笔填写。
3.文字。
应按国务院颁布的简化汉字书写。
字迹应工整、清晰。
4.数字和单位。
数字使用阿拉伯数字(1、2、3、…、9、0)。
单位使用国家法定计量单位,并以规定的符号表示(如:Mpa、m、m3、t、……)。
5.合格率。
用百分数表示,小数点后保留一位。
如果恰为整数,则小数点后以0表示。
例如:95.0%。
6.改错。
将错误用斜线划掉,再在其右上方填写正确的文字(或数字),禁止使用改正液、贴纸重写、橡皮擦、刀片刮或用墨水涂黑等方法。
例如:……表面有裂缝纹,抗压强度25.3 23.3Mpa。
7.表头填写。
①单位工程、分部工程名称,按项目划分确定的名称填写。
②单元工程名称、部位:填写该单元工程名称(中文名称或编号),部位可用桩号、高程等表示。
③施工单位:填写与项目法人(建设单位)签订承包合同的施工单位全称。
④单元工程量:填写本单元主要工程量。
⑤检验(评定)日期:年——填写4位数,月——填写实际月份(1~12月),日——填写实际日期(1~31日)。
8.质量标准中,凡有“符合设计要求”者,应注明设计具体要求(如内容较多,可附页说明)、凡有“符合规范要求”者,应标出所执行的规范名称及编号。
水利工程全套表格及填写范例【】水利工程全套表格及填写范例【简介】为水利工程项目参考文档,旨在提供最新、最全的表格及填写范例,以供工程人员参考与使用。
将涵盖水利工程项目中常见的各类表格,内容极致详细,并附有相关填写范例,使读者具备更全面和准确地填写表格的能力。
同时,结尾还了相关附件、法律名词及注释以及可能遇到的困难及解决办法,以方便读者的实际执行过程中的参考。
--【表格及填写范例】1. 项目立项审批表表格样式:(填写范例)2. 工程设计委托书表格样式:(填写范例)3. 施工图设计验收报告表格样式:(填写范例)4. 施工合同表格样式:(填写范例)5. 材料采购清单表格样式:(填写范例)6. 质量检验报告表格样式:(填写范例)7. 工程验收报告表格样式:(填写范例)8. 工程竣工结算表表格样式:(填写范例)--【附件列表】1. 项目立项审批相关文件- 附件1:项目可行性研究报告- 附件2:工程规划报告2. 工程设计相关文件- 附件3:工程设计方案- 附件4:规划许可证3. 施工图设计验收相关文件- 附件5:施工图设计审查意见书- 附件6:施工图设计变更通知书4. 施工合同相关文件- 附件7:施工合同招标文件- 附件8:中标通知书5. 材料采购相关文件- 附件9:材料供应商名单- 附件10:材料验收报告样本6. 质量检验相关文件- 附件11:质检抽检通知书- 附件12:质量问题整改报告7. 工程验收相关文件- 附件13:工程竣工验收备案表- 附件14:竣工验收成果通知书8. 工程竣工结算相关文件- 附件15:工程竣工结算审计报告- 附件16:工程结算支付申请书--【法律名词及注释】(仅部分示例)1. 招标法- 注释:指中华人民共和国法律法规中相关的招标投标方面的法律规定。
2. 建设工程质量管理条例- 注释:指中华人民共和国国家质量监督检验检疫总局颁布的涉及建设工程质量管理的法律法规。
--【可能遇到的困难及解决办法】(仅部分示例)1. 施工进度延误- 解决办法:加强施工管理,合理调配人力资源,加大工程投入。
3:核备(备案)意见表格式
根据2017 年12 月22 日《水利部关于废止和修改部分规章
的决定》(水利部令第49 号)的修改意见,以及《四川省水利工程建设项目质量监督核备工作意见》(川水质监〔2018〕8 号),结合当前对受监项目相关核备事项的具体实际,将《水利工程质量监督
规程》(DB51/T 2201-2016)的相关核备(备案)意见表格进行适当的
调整(详见表3-1~表3-10)。
调整事项包括:
1、重要隐蔽及关键部位单元工程质量等级核备
2、分部工程验收质量结论核备
3、单位工程外观质量评定结论核备
4、单位工程验收质量结论核备
5、工程项目质量验收结论核备
6、蓄水安全鉴定专家组组成情况核备
7、单元工程划分结果备案
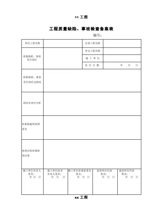
8、工程质量缺陷备案
9、施工质量检测计划备案
10、其他未在本文中提及的核备或备案事项,参照本文制定相
应的核备或备案意见表。
为便于核备或备案工作的顺利进行,以上表格可根据具体情况
进行适当调整。
表3-1 重要隐蔽单元工程质量等级结论核备意见表
编号:ZJ. GANXDF-重要隐蔽核备-DJ~001
附表:广安市广安区浓溪镇西溪河防洪治理工程
广安市广安区浓溪镇西溪河防洪治理单位工程堤基开挖及处理分部工程的重要隐蔽单元工程清单
备注:一张核备表核备单元工程数原则上不超过20个且应为同一类单元工程,同时,必
须与核备表双面打印。
表3-2 关键部位单元工程质量等级结论核备意见表
备注:一张核备表核备单元工程数原则上不超过20个且应为同一类单元工程,同时,须与核备表双面打印。
必
附表:广安市广安区浓溪镇西溪河防洪治理工程
广安市广安区浓溪镇西溪河防洪治理单位工程堤基开挖及处理分部工程的重要隐蔽单元工程清单
表3-3 分部工程验收质量结论核备意见表
(背面)
表3-1 重要隐蔽单元工程质量等级结论核备意见表
编号:ZJ. GANXDF-重要隐蔽核备-FHQ~001
附表:广安市广安区浓溪镇西溪河防洪治理工程
广安市广安区浓溪镇西溪河防洪治理单位工程马道以下防洪墙分部工程的重要隐蔽单元工程清单
须与核备表双面打印。
表3-2 关键部位单元工程质量等级结论核备意见表
备注:一张核备表核备单元工程数原则上不超过20个且应为同一类单元工程,同时,须与核备表双面打印。
必
附表:广安市广安区浓溪镇西溪河防洪治理工程
广安市广安区浓溪镇西溪河防洪治理单位工程马道以下防洪墙分部工程的重要隐蔽单元工程清单
表3-3 分部工程验收质量结论核备意见表
编号:ZJ.GANXDF-分部工程核备-002
(背面)
表3-1 重要隐蔽单元工程质量等级结论核备意见表
编号:ZJ. GANXDF-重要隐蔽核备-NYHT~001
附表:广安市广安区浓溪镇西溪河防洪治理工程
广安市广安区浓溪镇西溪河防洪治理单位工程堤身石渣料碾压回填分部工程的重要隐蔽单元工程清单
备注:一张核备表核备单元工程数原则上不超过20个且应为同一类单元工程,同时,必
须与核备表双面打印。
表3-2 关键部位单元工程质量等级结论核备意见表
附表:广安市广安区浓溪镇西溪河防洪治理工程
广安市广安区浓溪镇西溪河防洪治理单位工程堤身石渣料碾压回填分部工程的重要隐蔽单元工程清单
须与核备表双面打印。
表3-2 关键部位单元工程质量等级结论核备意见表
附表:广安市广安区浓溪镇西溪河防洪治理工程
广安市广安区浓溪镇西溪河防洪治理单位工程堤身石渣料碾压回填分部工程的重要隐蔽单元工程清单
备注:一张核备表核备单元工程数原则上不超过20个且应为同一类单元工程,同时,必
须与核备表双面打印。
表3-3 分部工程验收质量结论核备意见表
(背面)
表3-1 重要隐蔽单元工程质量等级结论核备意见表
编号:ZJ. GANXDF-重要隐蔽核备-KGHP~001
附表:广安市广安区浓溪镇西溪河防洪治理工程
广安市广安区浓溪镇西溪河防洪治理单位工程马道以上钢筋碎框格梁及生态护坡工分部工程的重要隐蔽单元工程清单
备注:一张核备表核备单元工程数原则上不超过20个且应为同一类单元工程,同时,必
须与核备表双面打印。
表3-2 关键部位单元工程质量等级结论核备意见表
附表:广安市广安区浓溪镇西溪河防洪治理工程
广安市广安区浓溪镇西溪河防洪治理单位工程马道以上框格梁及生态碎护坡分部工程的重要隐蔽单元工程清单
备注:一张核备表核备单元工程数原则上不超过20个且应为同一类单元工程,同时,必
须与核备表双面打印。
表3-3 分部工程验收质量结论核备意见表
(背面)
表3-1 重要隐蔽单元工程质量等级结论核备意见表
编号:ZJ. GANXDF-重要隐蔽核备-PLHG~001
附表:广安市广安区浓溪镇西溪河防洪治理工程
广安市广安区浓溪镇西溪河防洪治理单位工程穿堤排涝涵管(洞)工程分部工程的重要隐蔽单元工程清单
备注:一张核备表核备单元工程数原则上不超过20个且应为同一类单元工程,同时,必须与核备表双面打印。
表3-2 关键部位单元工程质量等级结论核备意见表
附表:广安市广安区浓溪镇西溪河防洪治理工程
广安市广安区浓溪镇西溪河防洪治理单位工程穿堤排涝涵管(洞)工程分部工程的重要隐蔽单元工程清单
备注:一张核备表核备单元工程数原则上不超过20个且应为同一类单元工程,同时,必
须与核备表双面打印。
表3-3 分部工程验收质量结论核备意见表
(背面)
表3-3 分部工程验收质量结论核备意见表
(背面)
表3-3 分部工程验收质量结论核备意见表
(背面)
表3-3 分部工程验收质量结论核备意见表
(背面)
表3-3 分部工程验收质量结论核备意见表
(背面)
表3-4 单位工程外观质量评定结论核备意见表
(背面)
表3-5 单位工程验收质量结论核备意见表
编号:ZJ.GANXDF-单位工程核备-001
(背面)
表3-6 工程项目质量等级结论核备意见表
(背面)
表3-7 蓄水安全鉴定专家组组成情况核备意见表。