国家标准CAD制图有关格式规定
- 格式:doc
- 大小:77.50 KB
- 文档页数:4
一、制图国家标准基本规定图样作为技术交流的共同语言,必须有统一的规范,否则会带来生产过程和技术交流中的混乱和障碍。
国家质量监督检验检疫总局、国家化管理委员会发布了《技术制图》、《机械制图》、《建筑制图》等一系列制图国家标准。
它们是工程图样绘制与使用的准绳,必须认真学习和遵守。
在标准代号GB/T 14689-2008中,“GB/T”为推荐性国家标准的代号,“14689”为标准的批准顺序号,“2008”表示标准发布的年号。
(一)图纸幅面和格式(1)图纸幅面尺寸和图框格式为使图纸幅面统一,便于装订和保存,制图样时,应优先采用基本幅面,如表1所示,从表中可以看到,A0号图纸幅面最大,如沿长边将其对裁,则可获得A1号图纸两张,以此类推,沿某号幅面的图纸的长边对裁就能获得小一号幅面的图纸。
在必要时,当基本幅面不能满足使用条件时,允许选用加长幅面,但加长后幅面的尺寸必须是由基本幅面的短边成整数倍增加后得出,如图1所示。
表1 图纸基本幅面尺寸图1 加长幅面(2)图框格式图样中的图框由内、外两框组成,如图2所示。
外框用细实线绘制,大小为幅面尺寸,内框则用粗实线绘制,图样要在内框范围内绘制。
图框格式分为留有装订边和不留装订边两种,两种格式图框周边尺寸a、c、e(具体数值见表1),同一产品的图样只能采用一种格式。
图样绘制完毕后应沿外框线裁边。
2-1 不留装订边的图框格式2-2 留装订边的图框格式图2 图框格式(3)标题栏每张技术图样中均应画出标题栏,标题栏的格式和尺寸按GB10609.1-2008的规定。
标题栏一般应位于图纸的右下角,当标题栏的长边置于水平方向并与图纸的长边平行时,则构成X型图纸,当标题栏的长边与图纸的长边垂直时,则构成Y型图纸。
看图的方向与看标题栏的方向一致,即标题栏中的文字方向为看图方向。
作业及练习中采用简化后标题栏,如图3所示。
图3 简化标题栏格式(二)比例比例是指图中图形与其实物相应要素的线性尺寸之比,分为原值比例、放大比例和缩小比例。
CAD机械制图国家标准本节主要介绍国家标准《技术制图》和《机械制图》的基本内容。
每一个工程技术人员都应该树立标准化的概念,自觉贯彻执行国家标准。
一、图纸幅面和格式二、绘图比例三、字体形式及大小四、线型为了便于图纸的装订和保存,国家标准(GB/T14689—93)对图纸幅面作了统一的规定。
必要时允许加长。
1.图纸幅面尺寸Ba cccLeeLeBe幅面代号A0A1A2A3A4尺寸B×L841×1189594×841420×594297×420210×297周边尺寸a25c105e2010BacccLeeLeBe基本幅面及图框尺寸(单位:mm)1.图纸幅面尺寸(1)需要装订的图样一般采用A4竖装或A3横装,其图框格式如下图所示。
(2)ca LcBcB图框线c纸边界线a(1)标题栏ccL留装订边图框格式2.图框格式不留装订边图框格式图框线e(3)eL标题栏e纸边界线eBeee (4)LeB(2)不需要装订的图样2.图框格式3.标题栏标题栏用来填写零部件名称、所用材料、图形比例、图号、单位名称及设计、审核、批准等有关人员的签字。
每张图纸的右下角都应有标题栏。
国家标准:(GB/T10609.1—89)在正规的图纸上,标题栏的格式和尺寸应按GB10609.1-89的规定绘制,如下图所示。
年 月 日(年 月 日)180签名分区更改文件号标记处数(签名)工艺1212审核设计批准16121216标准化(年 月 日)(签名)7101016161216(图样代号)(图样名称)(9)共 张 第 张506.5阶段标记重量910比例1820(单位名称)(材料标记)4×6.512128×7(=56)3.标题栏标题栏3.CAD中级考证一般使用下图所示的简易标题栏。
图中图形与其实物相应要素的线性尺寸之比,称为比例。
比例分原值比例、放大比例和缩小比例(见下表)。
制图规范(一)、基本要求1.每张图纸须编制图名、图号、比例、时间。
2.打印图纸按比例出图。
3.图面布置应力求紧凑有序、清晰、整洁、美观。
4.图线不得与文字、数字或符号重叠、混淆,不可避免时,应首先保证文字等的清晰。
5. 图纸上所需书写的文字、数字或符号等,均应笔画清晰、字体端正、排列整齐;标点符号应清楚正确。
6. 施工图纸,应该按图纸内容的主次关系、逻辑关系,有序排列。
7.本标准为使太兴家具绘图方式统一化,不提倡个人绘图表达方式。
图纸的表达应规范、标准、统一,图面清晰,整洁、美观。
(二)、常用制图方式。
一、常用比例1:1 1:2 1:4 1:5 1:8 1:10 1:15二、图层管理.2.1 一般制图分层 A.粗实线B.细实线C.填充线D.虚线E.文字/标注线G.点划线H.图框线制图时分清各层便于调整图纸,节省时间。
2.2 线条分色制图时将外轮廓线、填充线、文字、点划线等线条颜色区分,便于在电脑显示时一目了然。
三、线型名称线型线宽一般用途粗实线0.3mm主要可见轮廓线细实线0.15mm可见轮廓线、图例线虚线0.09mm不可见轮廓线、图例线点划线0.2mm中心线、对称线等折断线0.2mm断开界线波浪线0.2mm断开界线四、尺寸标注样式4.1 尺寸标注 尺寸标注一般以、“mm”为单位,以箭头或斜线表示尺寸界线,箭头或斜线大小为2.5mm,标注的数字高度为3mm。
(比例为1:1)4.2 文字标注文字一般采用工程字“宋体”“楷体”“simplex8”等, 字高一般为5mm 。
(比例为1:1)4.3 基本准则1.部件的真实大小应以图样上所注的尺寸数值为依据,与图形的大小及绘图的准确度无关。
,以mm 为单位时,不需标注计量单位的代号或名称,如采用其他单位,侧必须注明相应的计量单位的代号或名称。
2.图样中所标注的尺寸为该图样所标部件的最后完工尺寸,否则应另加说明。
3. 部件的每一尺寸,一般只标注一次,并应标注在反映该结构最清晰的图形上。
CAD制图规范(GB_T-)CAD制图规范【GB/T13916-1998】一、总则1、工作目标2、工作范围3、工作风格二、制图1、制图规范2、图纸目录3、图纸深度4、图纸字体5、图纸版本及修改标志7、图纸幅面8、图层及文件交换格式9、补充说明一、总则工作目标1.1规范化——有效提高建筑设计的工作质量;1.2标准化——提高建筑设计的工作效率;1.3网络化——便于网络上规范化管理和成果的共享。
工作范围本标准是建筑CAD制图的统一规则,适用于我院房屋建筑工程和建筑工程相关领域中的CAD制图及软件开发。
工作风格本标准为形成设计院绘图表达的风格的统一,不提倡个人绘图表达风格。
建筑制图的表达应清晰、完整、统一。
二、制图1、制图规范工程制图严格遵照国家有关建筑制图规范制图,要求所有图面的表达方式均保持一致。
2、图纸目录各个专业图纸目录参照下列顺序编制:建筑专业:建筑设计说明;室内装饰一览表;建筑构造作法一览表;建筑定位图;平面图;立面图;剖面图;楼梯;部分平面;建筑详图;门窗表;门窗图。
结构专业:结构设计说明;桩位图;基础图;基础详图;地下室结构图;(人防图纸);地下室结构详图;楼面结构布置;楼面配筋图;梁、柱、板、楼梯详图;结构构件详图。
电气专业:电气设计说明;主要设备材料表;平面图;详图;系统图;控制线路图。
大型工程应按强电、弱电、火灾报警及其智能系统分别设置目录。
给排水专业:给排水设计说明;总图;平面图(自下而上);详图;给水、消防、排水、雨水系统图。
暖通空调专业:暖通设计说明;主要设备材料表,平面图;剖面图;详图;系统图。
3、图纸深度工程图纸除应达到国家规范规定深度外,尚须满足业主提供例图深度及特殊要求。
4、图纸字体除投标及其特殊情况外,均应采取以下字体文件,尽量不使用TureType字体,以加快图形的显示,缩小图形文件。
同一图形文件内字型数目不要超过四种。
以下字体形文件为标准字体,将其放置在CAD软件的FONTS目录中即可。
cad建筑制图国家标准CAD建筑制图国家标准。
CAD(Computer-Aided Design,计算机辅助设计)技术在建筑行业中得到了广泛的应用,成为了建筑制图的重要工具。
为了规范和统一CAD建筑制图的标准,我国制定了一系列的国家标准,以确保建筑制图的质量和准确性。
本文将就CAD建筑制图国家标准进行详细介绍,希望能对广大建筑行业从业者有所帮助。
首先,CAD建筑制图国家标准主要包括了建筑图纸的格式、标注、符号、线型、颜色等方面的规定。
在建筑图纸的格式方面,国家标准对图幅尺寸、图幅折叠、图框、图样编号等都做出了详细的规定,以确保建筑图纸的统一和规范。
在标注方面,国家标准规定了建筑图纸上各种标注的格式、内容、大小、位置等,以确保建筑图纸的清晰和易读。
在符号、线型、颜色等方面,国家标准也做出了详细的规定,以确保建筑图纸的统一性和规范性。
其次,CAD建筑制图国家标准还包括了建筑图纸的制作流程、审查标准、质量要求等方面的规定。
在建筑图纸的制作流程方面,国家标准规定了建筑图纸的制作步骤、文件命名规范、版本控制要求等,以确保建筑图纸的制作过程有条不紊、规范有序。
在审查标准方面,国家标准规定了建筑图纸的审查程序、审查内容、审查要求等,以确保建筑图纸的质量和准确性。
在质量要求方面,国家标准规定了建筑图纸的质量标准、精度要求、完整性要求等,以确保建筑图纸的质量达到国家标准要求。
最后,CAD建筑制图国家标准的实施对于建筑行业具有重要的意义。
一方面,国家标准的实施可以提高建筑图纸的质量和准确性,减少因图纸错误而导致的建筑质量问题和工期延误。
另一方面,国家标准的实施可以促进建筑行业的规范化发展,提高建筑行业的整体水平和竞争力。
因此,建筑行业的从业者应当严格遵守CAD建筑制图国家标准,提高对国家标准的认识和理解,不断提升自身的制图能力和水平。
综上所述,CAD建筑制图国家标准是建筑行业的重要规范和标准,对于提高建筑图纸的质量和准确性具有重要的意义。
CAD工程制图规则一、规程标准标准号:GB/T18229-2000适用对象:本标准适用于机械、电气、建筑等领域的工程制图以及相关文件。
内容纲要:1范围2引用标准3术语4 CAD工程制图的基本设置要求5投影法6图形符号的绘制7 CAD工程图的基本画法8 CAD工程图的尺寸标注9 CAD工程图的管理10附录 A实施建议:园林行业可根据需要参照执行。
制定单位:机械科学研究院、中国标准化与信息分类编码研究所、中国建筑科学研究院、全国电气文件编制与图形符号标准化技术委员会。
发布日期:20001007实施日期:20010501二、规程内容1范围本标准规定了用计算机绘制工程图的基本规则。
本标准适用于机械、电气、建筑等领域的工程制图以及相关文件。
2引用标准下列标准所包含的条文,通过在本标准中引用而构成为本标准的条文。
本标准出版时,所示版本均为有效。
所有标准都会被修订,使用本标准的各方应探讨使用下列标准最新版本的可能性。
GB/T 10609.1—1989 技术制图标题栏(neq ISO 7200:1984)GB/T 10609.2—1989 技术制图明细栏(neq ISO 7573:1983)GB/T 13361—1992 技术制图通用术语GB/T 13362.4—1992 机械制图用计算机信息交换常用长仿宋矢量字体、代(符)号GB/T 13362.5—1992 机械制图用计算机信息交换常用长仿宋矢量字体、代(符) 号数据集单线单体字模集及数据集GB/T 13844—1992 图形信息交换用矢量汉字GB/T 13845—1992 图形信息交换用矢量汉字宋体字模集及数据集GB/T 13846—1992 图形信息交换用矢量汉字仿宋体字模集及数据集GB/T 13847—1992 图形信息交换用矢量汉字楷体字模集及数据集GB/T 13848—1992 图形信息交换用矢量汉字黑体字模集及数据集GB/T 14689—1993 技术制图图纸幅面和格式(eqv ISO 5457:1980)GB/T 14690—1993 技术制图比例(eqv ISO 5455:1979)GB/T 14691—1993 技术制图字体(eqv ISO 3098-1:1974)GB/T 14692—1993 技术制图投影法(eqv ISO/DIS 5456:1993)GB/T 15751—1995 技术产品文件计算机辅助设计与制图词汇(eqv ISO/TR 10623:1992)GB/T 16675.1—1996 技术制图图样画法的简化表示法GB/T 16900—1997 图形符号表示规则总则(eqv ISO/IEC 11714-1:1996)GB/T 16901.1—1997 图形符号表示规则产品技术文件用图形符号第1部分:基本规则(eqv ISO/IEC 11714-1:1996)GB/T 16902.1—1997 图形符号表示规则设备用图形符号第1部分:图形符号的形成(eqv ISO 3461-1:1988)GB/T 16903.1—1997 图形符号表示规则标志用图形符号第1部分:图形标志的形成GB/T 16675.2—1996 技术制图尺寸注法的简化表示法GB/T 17450—1998 技术制图图线(idt ISO 128-20:1996)GB/T 17451~17453—1998 技术制图图样画法(eqv ISO/DIS 11947-1~4:1995) 3术语本标准采用GB/T 13361和GB/T 15751中的有关术语。
cad制图规范标准CAD制图规范标准是为了保证CAD制图的准确性、一致性和可读性而制定的一系列标准和规范。
以下是CAD制图规范标准的一些重要内容和规定:1. 纸张尺寸和布局:根据不同的CAD制图内容和要求,选择合适的纸张尺寸和布局。
通常使用的纸张尺寸有A0、A1、A2等,布局可以是纵向或横向。
2. 图块和标题栏:每个CAD制图都应该有一个图块,用来包含制图的内容。
图块中应包含标题栏,显示制图的名称、图号、比例、日期等信息。
标题栏的位置和格式应统一。
3. 图线类型和粗细:CAD制图中的图线应使用标准的线型和线粗。
常用的线型有实线、虚线、中虚线等,线粗细应根据实际需要选择。
4. 尺寸标注和符号:CAD制图中的尺寸应使用标准的尺寸标注方法和符号。
尺寸线的位置和方向应清晰明确,尺寸符号的大小和间距应适当。
5. 图层和颜色:CAD制图中应设置不同的图层,并为每个图层指定不同的颜色。
使用图层和颜色可以方便地控制和管理制图内容,提高制图的可读性。
6. 命名和编号:CAD制图应按照一定的规则进行命名和编号。
命名应简明清晰,编号应连续有序,便于管理和查找。
7. 比例和单位:CAD制图应使用统一的比例尺和单位。
比例尺表示绘图的放大或缩小比例,单位表示绘图的长度、面积、重量等度量单位。
8. 装订和归档:CAD制图完成后应进行装订和归档,以确保制图的保存和保密。
装订可以使用钉子、线圈等方式,归档应按照一定的分类和编号规则进行。
以上是CAD制图规范标准的一些主要内容和规定。
通过遵守这些标准和规范,可以有效地提高CAD制图的质量和效率,减少错误和混乱,提高团队协作和沟通的效果,促进工程项目的顺利进行。
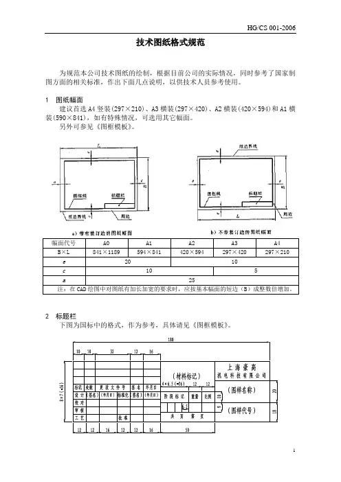
技术图纸格式规范为规范本公司技术图纸的绘制,根据目前公司的实际情况,同时参考了国家制图方面的相关标准,作出下面几点说明,以供技术人员参考使用。
1 图纸幅面建议首选A4竖装(297×210)、A3横装(297×420)、A2横装(420×594)和A1横装(590×841),如有特殊情况,可选用其它幅面。
另外可参见《图框模板》。
幅面代号A0 A1 A2 A3 A4 B×L 841×1189 594×841 420×594 297×420 297×210e 20 10c 10 5a 25注:在CAD绘图中对图纸有加长加宽的要求时,应按基本幅面的短边(B)成整数倍增加。
2 标题栏下图为国标中的格式,作为参考,具体请见《图框模板》。
由于本公司的技术图纸相对来说不算复杂,所以没有设置分区。
另外由于制图的责任不应与其它签署项一致,而且现在多数设计和制图是同一个技术员,所以在标题栏中不设置制图这一项,如果确实要将制图区分表示开来,可以在附加栏中注明。
另外应在“设计”下加上“校对”栏。
3 明细栏参见下图和《图框模板》。
4 图层见下表和《图框模板》。
考虑到实际情况,为简便起见,在《图框模板》中只规定了01~11号图层,12归入到08号里,13号归入11号里。
5 图线CAD中常用的有GB/T 18229里提到的编号为01、02、10、12的四种,见下表。
基本图线的颜色如下表规定,具体可参见《图框模板》。
考虑到彩色打印时黄色很难辨别,虚线的颜色可根据需要调成蓝色。
1:对于线宽的尺寸大小应在下列数系中选取,该数系的公比为20.13mm,0.18mm,0.25mm,0.35mm,0.5mm,0.7mm,1mm,1.4mm,2mm根据打印机的打印效果,推荐采用粗线0.25mm,细线0.13mm,建议采用黑白打印。
6 比例优先选用下表所示比例,且必须在标题栏中注明。
cad 制图国家标准CAD制图国家标准。
CAD(计算机辅助设计)是一种利用计算机软件进行设计、绘图和模拟的技术,已经成为现代工程设计领域的重要工具。
在CAD制图过程中,国家标准的制定和遵循对于保障工程设计质量、提高工作效率至关重要。
本文将就CAD制图国家标准的相关内容进行介绍。
首先,CAD制图国家标准的制定是为了规范设计和绘图过程,保证工程设计的准确性和一致性。
国家标准对CAD软件的使用、图纸格式、图形符号、尺寸标注、图框、图样抄写等方面都有详细的规定,旨在让设计人员在使用CAD软件进行绘图时能够按照统一的标准进行操作,确保绘制出的图纸符合国家标准要求,提高工程设计的质量和效率。
其次,CAD制图国家标准的遵循对于工程设计人员来说是义不容辞的责任。
只有严格遵循国家标准,才能保证绘制出的图纸在工程施工和验收中能够得到认可。
同时,遵循国家标准也能够提高图纸的可读性和传达性,减少因图纸不清晰、标注不规范等原因而导致的误解和错误。
另外,CAD制图国家标准的不断更新也是为了适应工程设计领域的发展和变化。
随着科技的进步和工程设计方法的不断更新,CAD制图国家标准也需要不断进行修订和完善,以适应新的需求和技术。
因此,设计人员需要密切关注国家标准的最新动态,及时更新自己的知识和技能,以保持与时俱进。
最后,CAD制图国家标准的执行需要全行业的共同努力。
不仅设计人员需要严格遵守国家标准,CAD软件开发商也需要确保软件的功能和操作界面符合国家标准的要求。
同时,相关的培训和教育也需要加强,让更多的从业人员了解和掌握CAD制图国家标准,从而推动整个行业朝着规范化、标准化的方向发展。
总之,CAD制图国家标准的制定和遵循对于工程设计领域来说具有重要的意义。
只有严格遵守国家标准,才能保证工程设计的质量和安全。
希望全行业能够共同努力,不断完善CAD制图国家标准,推动工程设计领域的健康发展。
cad 制图国家标准CAD制图国家标准。
CAD(计算机辅助设计)制图是现代工程设计中不可或缺的一部分,它在工程设计、建筑设计、机械制造等领域发挥着重要作用。
而国家标准则是保障CAD制图质量和统一规范的重要依据。
本文将就CAD制图国家标准进行详细介绍。
首先,CAD制图国家标准主要包括GB/T、GB、JB等标准。
GB/T是国家标准的推荐性标准,GB是国家标准的强制性标准,而JB是机械行业标准。
这些标准对CAD制图的内容、格式、符号、尺寸等方面进行了详细规定,旨在提高CAD制图的质量和统一标准。
其次,CAD制图国家标准在内容上主要包括图形符号、尺寸标注、图框、图样折叠、图样放大缩小尺寸、图样线型、文字、尺寸、视图、剖视图、轴测图等方面的规定。
这些规定旨在确保CAD制图的准确性、清晰度和一致性,使得不同工程设计人员之间能够准确理解和交流CAD制图信息。
此外,CAD制图国家标准还对CAD制图的质量要求进行了详细规定。
比如,对CAD制图的精度、完整性、一致性、标准化等方面提出了具体要求,以确保CAD制图的质量达到国家标准要求。
此外,CAD制图国家标准还对CAD制图软件的应用提出了一些要求。
比如,对CAD制图软件的版本、文件格式、打印输出、图层管理、文字样式、尺寸标注、图形符号等方面进行了规定,以确保CAD制图软件的应用符合国家标准要求。
最后,CAD制图国家标准的实施对于工程设计、建筑设计、机械制造等行业具有重要意义。
它不仅可以提高CAD制图的质量和效率,还可以促进不同行业之间的交流与合作,推动我国工程技术水平的提高。
综上所述,CAD制图国家标准是CAD制图质量和统一规范的重要依据,它对CAD制图的内容、格式、质量、软件应用等方面进行了详细规定,对于提高CAD 制图质量和促进工程技术水平的提高具有重要意义。
希望工程设计、建筑设计、机械制造等行业能够严格遵守CAD制图国家标准,不断提升CAD制图水平,推动行业发展。
CAD图纸设计规要求1.目的统一并规CAD设计图纸格式要求。
2.适用围襄阳公司所有CAD设计图纸。
3.规要求3.1 图纸幅面和格式,按照GB/T14689-1993选用“基本幅面”。
●常用A1、A2、A3、A4图幅及格式如下(图中数量标注在右下角标题栏上方):另附CAD图幅及格式。
●标题栏格式:●明细表格式:3.2图层,按以下7个图层规定执行。
●“图层特性管理器”后面的“颜色控制”、“线型控制”、“线宽控制”均要求选择“ByLayer”。
●绘制点划线、双点划线、虚线时应正确选择“线型比例因子”(命令Lts),一般默认为“1”,可根据绘图比例适当缩放,以便能输出合适的线型。
3.3文字样式:采用“工程字”样式,如下图注:使用大字体“gbcbig.shx”,高度“0”,宽度因子“1”,倾斜角度“0”。
3.4标注样式:采用GB-35样式,如下图标注样式GB-35的具体设置如下注:上述设置除以下2种情况可根据实际设置外,其余均不得随意变动。
1、设置“调整”时,其中的“标注全局比例”数值,按下表设置,依此类推标题栏标注比例2:1 1:1 1:2 1:3 1:4 1:5 1:10 标注全局比例数值0.5 1 2 3 4 5 10 2、设置“公差”时,如果无公差,则在上述图中在“方式”栏选择“无”;如果有公差,则按下图设置●选择“极限公差”时,其高度比例选择“0.7”,精度可根据实际情况选择,也可在“消零”下面选择“后续”以消除小数点后边的“0”,上偏差或下偏差为“0”时应消除前面的正负号“+”、“-”。
●选择“对称”公差时,其高度比例选择“1”,精度可根据实际情况选择,也可在“消零”下面选择“后续”以消除小数点后边的“0”。
●公差的标注也可以根据AUTOCAD2010的功能采用双击尺寸数字而选择公差3.5比例:按GB/T14690-1993选用★规定:1、CAD作图时机件和装配体的投影视图一定按照1:1的比例绘制,若图纸比例不为1:1,则在CAD中调整图框的大小,以适应所绘制视图的需要。
中华人民共和国国家标准机械工程CAD制图规则Mechanical engineering drawings rules of CADGB/T14665-1998代替GB/T14665-931.范围本标准规定了机械工程中用计算机辅助设计(以下简称CAD)时的制图规则。
本标准适用于在计算机及其处围设备中进行显示、绘制、打印的机械工程图样及有关技术文件。
2.引用标准下列标准所包含的条文,通过在本标准中引用而构成为本标准的条文。
本标准出版时,所示版本均为有效。
所有标准都会被修订,使用本标准的各方应探讨使用下列标准最新版本的可能性。
GB/T 4458.4-84 机械制图尺寸注法GB/T 10609.4-89 技术制图对缩微复制原件的要求GB/T 13362.4-92 机械制图用计算机信息交换常用长仿宋矢量字体、代(符)号GB/T 13362.5-92 机械制图用计算机信息交换常用长仿宋矢量字体、代(符)号数据集GB/T 14691-93 技术制图字体GB/T 17450-1998 技术制图图线3.基本原则3.1 凡在计算机及其外围设备中绘制机械工程图样时,如涉及本标准中未规定的内容,应符合有关标准和规定。
3.2 在机械工程制图中用CAD绘制的机械工程图样,首先应考虑表达准确,看图方便。
在完整、清晰、准确地表达机件各部分形状的前提下,力求制图简便。
3.3 用CAD绘制机械图样时,尽量采用CAD新技术。
4.图线在机械工程的CAD制图中,所用图线,除按照以下的规定外,还应遵守GB/T17450中的规定。
4.1 图线组别为了便于机械工程的CAD制图需要,将GB/T17450中所规定的8种线型分为以下几组,见表1。
一般优先采用第4组。
表1组别12345一般用途线宽mm 2.0 1.4 1.00.70.5粗实线、粗点画线1.00.70.50.350.25细实线、波浪线、双折线、虚线、细点画线、双点画线4.2 图线的结构4.2.1 双折线4.2.1.1 双折线的尺寸和表示见图1、图2、图3。
cad制图规范标准CAD制图规范标准是为了保证CAD绘图效果的统一、规范,便于绘图人员进行协作和相互理解。
下面将介绍一些常见的CAD制图规范标准。
1. 图纸格式和布局图纸格式一般采用国际标准ISO或国内标准GB,常见的有A0、A1、A2、A3和A4等。
布局时应根据绘图比例和图纸大小,合理安排视口和标题栏的位置。
2. 绘图比例绘图时应根据图纸的大小和内容的大小合理选择绘图比例。
常用的绘图比例有1:1、1:2、1:5、1:10等。
3. 字体规范字体应使用标准的宋体、楷体或黑体。
字号一般选择5号或7号字。
标题的字号可以适当增大。
4. 线型规范CAD绘图中常用的线型有实线、虚线、虚点线等,不同的图形和要素应选用合适的线型,并统一使用。
5. 图层设置CAD软件中可以设置不同的图层来管理不同的绘图对象。
应根据绘图的内容和要求设置相应的图层,并统一命名和设置颜色。
6. 标注规范标注应准确明确,字体清晰可读。
标注文本的位置应与要标注的对象相对应,不得重叠或遮挡。
7. 偏差和公差对于涉及尺寸和形状的绘图,应标注清楚允许偏差和公差范围,以保证产品的质量要求。
8. 图例和比例尺图例是对图中符号和标示的解释,应标明图形与实物之间的对应关系。
比例尺应根据绘图的实际大小和绘图比例选择合适的比例尺。
9. 图框和标题栏图框和标题栏应包括图纸名称、编制单位、日期、版本号等信息,以方便查阅和管理。
10. 标准符号和图样CAD制图中常用的标准符号和图样应按照相关标准进行绘制,且符号应尽量统一、一致。
综上所述,CAD制图规范标准对于保证绘图质量和统一标准至关重要。
在进行CAD制图时,应严格按照相关规范进行操作,以确保绘图结果的准确性和可读性。
同时,不同行业和领域可能还有一些特定的细节和要求,绘图人员应根据实际需要进行相应的调整和补充。
CAD制图统一规则(国标)汉字,字符和数字:1.图样中汉字,字符和数字应做到排列整齐。
清楚正确,尺寸大小协调一致。
当三者并列书写时,汉字字高略高于字符和数字。
2.汉字的高度应≥2.5mm字母与数字≥1.8mm3.图及说明中的汉字应采用长仿宋体,比例设为0.67。
大标题,图册封面,目录,图名,标题栏中设计单位名称,工程名称,地形图等汉字,4.汉字行距≥2mm字符与数字行距≥1mm如是混合使用,则按汉字规定。
轴线:轴线由定位线和定位轴线标记组成。
定位线应用细点画线绘制轴线编号在8mm圆中的定位定位点:圆心点,中心对齐标注:1.尺寸界限的一端距图样轮廓Xo不应小于2mm另一端Xe宜为3mm平行排列尺寸线间距Li宜为7mm文本距尺寸线距离≥1mm2.标注包括:直线段尺寸标注半径,直径,尺寸标注角度,狐长,弦长,尺寸标注标高,坡度,尺寸标注(1)直线段尺寸标注通常应采用(a)方式,必要时可采用(b)方式(2)圆弧、半径的尺寸标注:应包括半径的尺寸线和半径的标注文本(a)小圆弧半径标注法(b)大圆弧标注法(3)圆和球直径尺寸标注:应包括直径的尺寸线和直径的标注文本填充图案:1.应符合GBJ1中规定的常用建筑材料图例中的图案2.若该标准的图例中未包括的图案,应采用国内、国际通用和专业的图案标准。
3.自编填充图案宜:(1)醒目,清晰,易懂,易记,易辨和易制;(2)不应与GBJ1中所列图例的图案重复;(3)使用是应在图纸上适当位置画出该图案的图例;(4)图案中的线一般宜采用细线绘制;(5)每个图案应定义为1×1单位图块,并可通过调整比例,旋转角度来满足不同图样大小的要求,但在同一张图纸内相同比例的图样填充图案比例应一致。
AutoCAD绘图国家标准规范总结1图纸幅面和格式GB/T 14689-20081.1基本幅面(第一选择,加长幅面可查看国标)1.2图框格式在图纸上必须用粗实线画出图框,其格式分为不留装订边和留有装订边两种。
其尺寸如下表所示。
2表面粗糙度符号、代号及其注法GB/T 131-93 2.1图样上表示零件表面粗糙度的符号2.2普通表面粗糙度代号中数字方向及代号方向2.3带有横线的表面粗糙度代号中数字方向及代号方向2.4表面粗糙度符号的比例及尺寸3图样画法图线GB/T 4457.4-20023.1粗虚线:允许表面处理的表示线;粗点画线:限定范围表示线。
3.2图线宽度和图线组别粗线宽度为细线宽度的两倍。
4剖面符号GB/T 4457.5-84(已作废,但没有找到最新标准)4.1剖面符号金属材料;非金属材料4.2图形中的主要轮廓线与水平成45°时,该图形的剖面线应画成与水平成30°或60°的平行线。
5字体GB/T 14691-935.1字号(字体高度):1.8,2.5,3.5,5,7,10,14,20mm,一共8种,等比数列,,如需要书写更大的字,可按公比递增。
汉字应写成长仿宋体字,汉字高度h不应小于。
3.5mm,其字宽为25.2字母和数字可写成斜体和直体,斜体字字头向右倾斜,与水平基准线成75°。
6尺寸注法GB/T 4458.4-20036.1尺寸界线一般应与尺寸线垂直,必要时才允许倾斜。
6.2尺寸线终端箭头6.3数字应按图18所示的方向注写,并尽可能的避免在图示30°范围内标注尺寸,当无法避免时可按图19的形式标注。
6.4角度的数字一律写成水平方向,一般注写在尺寸线的中断处(图22)。
必要时也可按图23的形式标注。
6.5尺寸数字不可被任何图线所通过,否则应将该图线断开(图24)。
6.6标注参考尺寸时,应将尺寸数字加上圆括号。
6.7斜度标注示例锥度标注示例6.8标注尺寸的符号及缩写词6.9标注符号的比例画法7CAD制图规则GB/T 14665-20127.1为了便于CAD制图,将GB/T 4457.4中规定的线型分为5组7.2双折线的尺寸表示7.3图线的颜色7.4字体与图纸幅面之间的选用8CAD工程制图规则GB/T 18229-2000 8.1CAD中常用的图形绘制比例8.2标题栏一般由更该区、签字区、其他区、名称及代号区组成,见图6。
关于CAD制图有关格式规定
图纸是毕业设计成果不可或缺的一个重要环节,是设计成果的直观体现。
但
是制图过程繁琐,形式多样,目前绝大多数的制图都是由计算机软件绘制而成,为了规范毕业设计的制图过程,现对毕业设计的CAD制图有关格式进行统一规定,并绘制了毕设图幅模板(见附件),今详细说明如下。
1.图纸幅面
根据GB/T 14689—1993,标准幅面共有五种,其尺寸见表1,绘制图样时应
优先采用这些幅面尺寸。
表1 图纸幅面及图框尺寸mm 幅面代号A0 A1 A2 A3 A4 尺寸B×L841×1189 594×841 420×594 297×420 210×297 附件中已提供标准毕设图纸幅面模板,共五种尺寸,每个图幅模板文件中均
有四个幅面,上下幅面不同处为是否带装订线,左右幅面的不同处为横向和纵向。
可根据需要酌情选用。
此外,总装配图必须采用A0或A1号图纸绘制,零件图建议采用A2-A4号
图纸绘制。
相关图纸的标题栏已经调整完毕,可以直接调用。
如果特殊情况下,需要采用A1号图纸绘制零件图,可自行替换标题栏。
2.字体
1)字体:汉字统一采用“gbcbig.shx”字体,数字和字母统一采用“Romans.shx”
字体。
2)字体高度:根据GB/T 18229—2000规定,不论图幅大小,图样中字母和
数字一律采用3.5号字,汉字一律采用5号字(这是新标准,旧标准是
A0和A1采用5号字,其它图幅采用3.5号字)。
3)字体宽度:汉字宽度为高度0.7。
字母和数字不改动。
4)字体倾斜:汉字一般不倾斜,字母和数字可以写成斜体和直体,斜体字
的字头向右倾斜,与水平基准线成75°。
3.图线
1)线宽:根据GB4457.4-84 中规定,工程制图的图线分为粗、细两种线宽。
图线种类一共有粗实线、细实线、波浪线、双折线、虚线细点划线、粗
点划线、双点划线八种。
其中粗实线和粗点划线的线宽为b,其余为b/3。
结合CAD制图的实际输出效果,参照GB/T 14665-1998对线宽的规定,
毕业设计图纸绘制时,粗线的宽度取0.7mm,细线宽度取0.25mm(还
有一种建议,就是A0和A1图幅中,粗线取1mm,细线取0.35mm)。
2)图线颜色:图线颜色是图线在屏幕上的颜色,它影响到图线的层次感和
视觉效果。
GB/T18299-2000中对图线颜色有明确规定,如表2。
建议按
照新建不同的图层来分别设置图线的颜色、线型和线宽。
表2 图线颜色
序号图线类型颜色
1 粗实线白色
2 细实线绿色
3 波浪线绿色
4 双折线绿色
5 虚线黄色
6 细点划线红色
7 粗点划线棕色
8 双点划线粉红色
一般情况下,除非特殊要求,图纸全部按照黑白颜色进行打印,不保留颜色深浅。
可将打印样式改成“monochrome.ctb”。
4.尺寸注法
参照GB4458.4-84中对尺寸标注的规定,今对尺寸标注规定如下:可对AutoCAD中缺省设置的尺寸标注类型ISO-25进行部分修改后使用,修改内容如下(以AutoCAD2012为例):
1)对于一般的类型尺寸:
在“标注样式管理器”中,将ISO-25样式设为当前标注样式,并对其进
行如下修改:
a)对“文字”选项卡中的“文字样式”进行调整,调整为本文前面对
数字和字母的规定样式。
b)在“线”选项卡中将“起点偏移量”设置为0。
c)在“主单位”选项卡中将“小数分隔符”由逗号改为句点。
2)对于角度类型尺寸:
在“标注样式管理器”中,在总尺寸类型下,新建“角度尺寸”标注样式(以ISO-25为基础样式),并对其进行如下调整:
对“文字”选项卡中的“文字对齐”进行调整,调整为“水平“。
3)对于半径和直径类型尺寸:
在“标注样式管理器”中,在总尺寸类型下,新建“半径和直径尺寸”标注样式(以ISO-25为基础样式),并对其进行如下修改:
对“调整”选项卡中的“文字位置”进行调整,调整为“尺寸线上方,不带引线“。
5.绘图比例
机械图纸常用比例见表6,可根据具体情况酌情选用。
但是具体绘图时,需注意以下的问题:
1)CAD作图时机件和装配体的投影视图一定按照1:1的比例绘制,若图纸
比例不为1:1,则在CAD中调整图框的大小。
例如某零件图决定用A4
图幅1:2的图纸比例,则在CAD中插入放大了2倍的A4图框;反之若
是2:1的图纸比例,则在CAD中插入缩小0.5倍的A4图框。
这样在输
出的时候打印成标准A4(297X210)的大小,即实现了对图形的缩小或
是放大。
2)在上述过程中还牵连到相应的尺寸标注样式,文字高度等。
例如A4图幅
1:2的图纸比例,CAD中插入放大了2倍的A4图框后进行尺寸标注时,标注样式的“使用全局比例”一项也应设为2,文字命令写文字时,高
度也应乘以2,这一切都缘于打印过程中所有对象会缩小0.5倍。
反之亦
然。
6.图纸打印和其他问题的说明
1)一般情况下,图纸出图要按1:1输出,如果使用的是绘图仪(大型打印
机),其使用的是卷筒打印纸(其宽度略大于标准图幅尺寸),则能够完
全打印出图幅的内外所有边框。
但是对于小型的普通打印机,使用的是
剪裁好的标准打印纸,那么标准图幅的外边框是打印不到的,想要得到
完整的内外边框,只能做缩小打印处理。
2)要善于使用图层,合理利用图层,可以事半功倍。
一开始画图,就预先
设置一些基本层。
每层有自己的专门用途,需要修改时也可针对某特定
图层进行。
3)计算机绘图软件使用AutoCAD,尽量采用2012版本,AutoCAD图形在保
存的时应存成2004及以下版本,以方便CAD文件交流、打印。