地形图常用图例
- 格式:doc
- 大小:133.00 KB
- 文档页数:4
地形图图例,测绘人识图绘图必备
地形图(topographic map)指的是地表起伏形态和地理位置、形状在水平面上的投影图。
具体来讲,将地面上的地物和地貌按水平投影的方法(沿铅垂线方向投影到水平面上),并按一定的比例尺缩绘到图纸上,这种图称为地形图。
我们知道,地面上任何地貌和地物的描绘都可用其变换点所组成的线条反映出来。
地貌可用等高线反映出其高低和形态变化;地物如房屋、道路、河流等均可用其变换特征点所构成的线条表示出来;有不少特殊的地貌和地物还有专门的图例符号来表示。
因此,测绘地形图的工作实际上就是测定并表示地面上所有地貌和地物的特征点。
当然,不同比例尺的地形图,也还有个对特征点的取舍和繁简综合问题。
随着测绘科学技术的发展和进步,现代地形图的大量艰巨的测绘工作也已由传统的野外白纸测图转向室内的航空摄影测绘和航天遥感测绘,并已逐渐迈向全数字化、自动化测图。
常用图例如下:。
若干城镇规划设计中必知的地形图图例地形图:通过实地测量,将地面上各种地物、地貌的平面位置,按一定的比 例尺,用“地形图图式”统一规定的符号和注记,缩绘在图纸上的平面图形,既 表示地物的平面位置又表示地貌形态。
准确判读地形图,是我们城镇规划中所需的必备能力。
下面就是金山在城镇规划设计中整理的一些常用地形图图例。
希望对刚步入城镇 规划这行业的各同行有所帮助。
地形图判读可从测量控制点、居民地、独立地物、交通设施、管线设施、水 系、地貌土质、植被园林、等高线、疆域边界这些方面着手。
做到见图知物,就必须了解各图符所代表的实物。
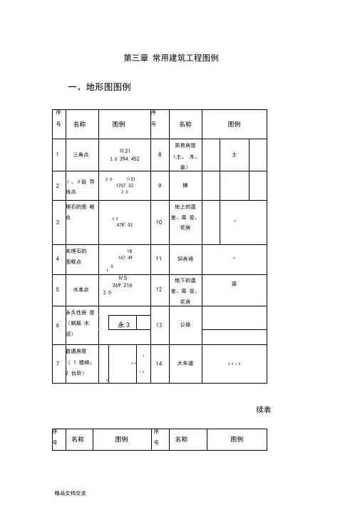
1、 控制点标注:2、 居民地:名称符号 名称 符号名称 符号三角点土堆上的三角 点小三角 点土堆上 的小三 角点导线点土堆上的导线 点埋石图 根点不埋石图根点 水准点GPS 控 制点天文点名称 符号 名称 符号 名称 符号多点一 般房屋四点房 屋阳台依比例围墙多点简单房屋四点简单房屋多点建筑中房屋四点建筑中房屋多点破坏房屋四点破坏房屋多点棚房四点棚房多点砼房屋四点砼房多点砖房屋四点砖房屋多点混房屋四点混房屋多点铁房屋四点铁房屋多点钢房屋四点钢房屋多点木房屋四点木房屋小比例尺房屋架空房屋廊房无墙壁柱廊柱廊有墙壁边门廊檐廊悬空通廊建筑物下的通道台阶室外楼梯不规则楼梯地下室的天窗地下建筑物的通风口围墙门有门房的院门依比例门墩不依比例门墩注意各性质的居民地类中特有的图符识别标记。
如,木3代表木结构3层居民楼。
3、 独立地物:门顶虚线依比例支 柱方形依比 例支柱圆形依 比例支 柱方形不按比例 支柱圆形不依 比例支柱不依比 例围墙 栅栏栏 杆篱笆活树篱 笆铁丝网名称 符号名称 符号名称 符号路灯杆式照射灯厕所打谷场球场饲养场温室花房高于地面水池低于地面水池有盖的水池游泳池宣传橱窗钻孔塔形建筑物 塔形建筑物水塔水塔范围水塔烟囱水塔烟囱范围烟囱烟囱范围烟道架空烟道露天设备非圆露天设备圆形露天设备依比例粮仓不依比例粮仓粮仓群风车水磨房抽水机站依比例肥气池不依比例肥气池气象站雷达站环保监测站水文站学校卫生所有看台露天体育场露天体育场司令台露天体育场门洞无看台露天体育场露天舞台加油站桥式照射灯基塔桥式照射灯虚线塔式照射灯喷水池喷水池范围假石山假石山范围垃圾台岗亭岗楼无线电杆塔范围无线电杆塔电视发射塔避雷针纪念碑依比例纪念碑碑柱墩依比例碑柱墩塑像4、 交通设施:依比例塑像 旗杆亭依比例亭钟楼鼓楼城楼依比例钟楼旧碉堡依比例碉堡宝塔经塔依比例宝塔烽火台庙宇依比例庙宇土地庙依比例土地庙教堂依比例教堂清真寺依比例清真寺过街天桥过街地道过街地道入口依比例地下 建筑物出入口不依比例地 下建筑物出 入口窑台式窑独立坟独立坟范围坟群散坟堆式窑地磅有平台露天货栈名称 符号名称 符号名称 符号平行高速 公路粗平行等级 公路中平行等外 公路细(0.2mm)(0.15mm)(0.1mm)平行在建高速公路(0.2mm)平行在建等级公路(0.15mm)平行在建等外公路(0.1mm)依比例一般铁路不依比例一般铁路依比例电气化铁路不依比例电气化铁路依比例电线架不依比例电线架依比例窄轨铁路不依比例窄轨铁路依比例建筑铁路不依比例建筑铁路依比例轻便铁路不依比例轻便铁路电车轨道电车轨道电杆依比例缆车轨道不依比例缆车轨道依比例架空索道架空索道柱架不依比例架空索道有雨棚的站台站台雨棚露天的站台天桥天桥台阶地道高柱色灯信号机矮柱色灯信号机臂板信号机水鹤车挡转车盘高速公路粗(0.2mm)收费站等级公路主线(0.2mm)等级公路边线(0.1mm)等外公路(0.1mm)建筑高速公路(0.2mm)建筑等级公路(0.15mm)建筑等外公路(0.1mm)大车路虚线边(0.1mm)大车路实线边(0.1mm)乡村路虚线边(0.1mm)乡村路实线边(0.1mm)不依比例乡村路(0.15mm)小路(0.15mm)内部道路(0.1mm)阶梯路(0.1mm)高架路(0.15mm)依比例涵洞不依比例涵洞遂道内铁路线依比例遂道入口不依比例遂道入口已加固路垫未加固路垫已加固路堤未加固路堤明峒明峒内铁路线里程碑坡度表路标汽车站挡土墙有栏木铁路平交口栏木无栏木铁路平交口铁路在上面的立体交叉路铁路在下面的立体交叉路铁路桥铁路桥桥墩公路桥桥墩一般公路桥有人行道公路桥公路桥人行道有输水槽公路桥双层桥双层桥引桥双层桥桥墩依比例人行桥不依比例人行桥依比例级面桥不依比例级面桥铁索桥亭桥渡口漫水路面虚线漫水路面实线徒涉场跳墩过河缆顺岸式固定码头堤坝式固定码头浮码头浮码头架空过道停泊场航行灯塔航行灯桩航行灯船左岸浮标右岸浮标立标岸标系盘浮筒过江管线标信号杆通航起迄点露出的沉盘淹没的沉船沉船范围线急流急流范围线注:道路图符中粗细代表道路等级。
地形图图例序号名称图例说明1-1 房屋1-2 在建房屋1-3 破环房屋1-4 窑洞1-5 蒙古包1-6 悬空通廊说序号名称图例明1-7 建筑物下通道1-8 台阶1-9 围墙1-1围墙大门1-1长城及砖石城堡(小比例)11-1长城及砖石城堡(大比例)2序号名称图例说明1-13 栅栏、栏杆1-14 篱笆1-15 铁丝网1-16 矿井1-17 盐井1-18 油井序号名称图例说明1-19 露天采掘场1-20 塔形建筑物1-21 水塔1-22 油库1-23 粮仓1-24 打谷场(球场)说序号名称图例明1-2饲养场(温室、花房)51-2高于地面的水池61-2低于地面的水池71-2有盖的水池81-2肥气池91-3雷达站、卫星地面接收站序号名称图例说明1-31 体育场1-32 游泳池1-33 喷水池1-34 假山石1-35 岗亭、岗楼1-36 电视发射塔序号名称图例说明1-37 记念碑1-38 碑、柱、墩1-39 亭1-40 钟楼、鼓楼、城楼1-41 宝塔、经塔1-42 烽火台1-43 庙宇1-44 教堂1-45 清真寺1-46 过街天桥1-47 过街地道1-48 地下建筑物的地表入口1-49 窑1-50 独立大坟1-51 群坟、散坟1-52 一般铁路1-53 电气化铁路1-54 电车轨道序号名称图例说明1-55 地道及天桥1-56 铁路信号灯z 1-57 高速公路及收费站1-58 一般公路1-59 建设中的公路1-60 大车路、机耕路序号名称图例说明1-61 乡村小路1-62 高架路1-63 涵洞1-64 隧道、路堑与路堤1-65 铁路桥1-66 公路桥序号名称图例说明1-67 人行桥1-68 铁索桥1-69 漫水路面1-70 顺岸式固定码头1-71 堤坝式固定码头1-72 浮码头序号名称图例说明1-73架空输电线可标注电压1-74埋式输电线1-75电线架1-76电线塔1-77电线上的变压器1-78有墩架的架空管道图示为热力管道序号名称图例说明1-79 常年河1-80 时令河1-81 消失河段1-82 常年湖1-83 时令湖1-84 池塘序号名称图例说明1-85 单层堤沟渠1-86 双层堤沟渠1-87 有沟堑的沟渠1-88 水井1-89 坎儿井1-90 国界说序号名称图例明1-91省、自治区、直辖市界1-9 2 地区、自治州、盟、地级市界1-93县、自治县、旗、县级市界1-94乡镇界1-95坎1-96山洞、溶洞序号名称图例说明1-97 独立石1-98 石群、石块地1-99 沙地1-100 砂砾土、戈壁滩1-101 盐碱地1-102 能通行的沼泽序号名称图例说明1-103不能通行的沼泽1-104 稻田1-105 旱地1-106水生经济作物图示为菱1-107 菜地1-108 果园果园及经济林一般符号可在其中加注文字,以表示果园的类型,如苹果园、梨园等,也可表示加注桑园、茶园等表示经济林,与7-109至7-111共用序号名称图例说明1-109 桑园1-110 茶园1-111 橡胶园1-112 林地1-113 灌木林序号名称图例说明1-114 行树1-115 阔叶独立树1-116 针叶独立树1-117 果树独立树1-118 棕榈、椰子树1-119 竹林序号名称图例说明1-120 天然草地1-121 人工草地1-122 芦苇地1-123 花圃1-124 苗圃。
测量地形图图例Document serial number【UU89WT-UU98YT-UU8CB-UUUT-UUT108】地形图图例序号名称图例说明1-1房屋1-2在建房屋1-3破环房屋1-4窑洞1-5蒙古包1-6悬空通廊序号名称图例说明1-7建筑物下通道1-8台阶1-9围墙1-10围墙大门1-11长城及砖石城堡(小比例)1-12长城及砖石城堡(大比例)序号名称图例说明1-13栅栏、栏杆1-14篱笆1-15铁丝网1-16矿井1-17盐井1-18油井序号名称图例说明1-19露天采掘场1-20塔形建筑物1-21水塔1-22油库1-23粮仓1-24打谷场(球场)序号名称图例说明1-25饲养场(温室、花房)1-26高于地面的水池1-27低于地面的水池1-28有盖的水池1-29肥气池1-30雷达站、卫星地面接收站序号名称图例说明1-31体育场1-32游泳池1-33喷水池1-34假山石1-35岗亭、岗楼1-36电视发射塔序号名称图例说明1-37记念碑1-38碑、柱、墩1-39亭1-40钟楼、鼓楼、城楼1-41宝塔、经塔1-42烽火台序号名称图例说明1-43庙宇1-44教堂1-45清真寺1-46过街天桥1-47过街地道1-48地下建筑物的地表入口序号名称图例说明1-49窑1-50独立大坟1-51群坟、散坟1-52一般铁路1-53电气化铁路1-54电车轨道序号名称图例说明1-55地道及天桥1-56铁路信号灯1-57高速公路及收费站z??1-58一般公路1-59建设中的公路1-60大车路、机耕路序号名称图例说明1-61乡村小路1-62高架路1-63涵洞1-64隧道、路堑与路堤1-65铁路桥1-66公路桥序号名称图例说明1-67人行桥1-68铁索桥1-69漫水路面1-70顺岸式固定码头1-71堤坝式固定码头1-72浮码头序号名称图例说明1-73架空输电线可标注电压1-74埋式输电线1-75电线架1-76电线塔1-77电线上的变压器1-78有墩架的架空管道图示为热力管道序号名称图例说明1-79常年河1-80时令河1-81消失河段1-82常年湖1-83时令湖1-84池塘序号名称图例说明1-85单层堤沟渠1-86双层堤沟渠1-87有沟堑的沟渠1-88水井1-89坎儿井1-90国界序号名称图例说明1-91省、自治区、直辖市界1-92地区、自治州、盟、地级市界1-93县、自治县、旗、县级市界1-94乡镇界1-95坎1-96山洞、溶洞序号名称图例说明1-97独立石1-98石群、石块地1-99沙地1-100砂砾土、戈壁滩1-101盐碱地1-102能通行的沼泽序号名称图例说明1-103不能通行的沼泽1-104稻田1-105旱地1-106水生经济作物图示为菱1-107菜地1-108果园果园及经济林一般符号?可在其中加注文字,以表示果园的类型,如苹果园、梨园等,也可表示加注桑园、茶园等表示经济林,与7-109至7-111共用序号名称图例说明1-109桑园1-110茶园1-111橡胶园1-112林地1-113灌木林序号名称图例说明1-114行树1-115阔叶独立树1-116针叶独立树1-117果树独立树1-118棕榈、椰子树1-119竹林序号名称图例说明1-120天然草地1-121人工草地1-122芦苇地1-123花圃1-124苗圃。