地铁车站侧墙单双墙结构技术经济对比分析_汪兰
- 格式:pdf
- 大小:419.70 KB
- 文档页数:4
质量安全节能环保PROJECT MANAGEMENT地铁车站侧墙不同类型模板施工优劣浅析黄程龙,王涛(浙江江南工程管理股份有限公司,浙江杭州310007)摘要:地铁车站侧墙施工釆用的模板类型众多,在城镇范围内存在围护结构的施工环境下施做侧墙比在无支护大开挖情况下的难度更大。
以前者为分析对象,简述不同类型模板施工侧墙的优劣,分析现场质量控制要点,希冀为监理工作提供一定程度的帮助。
关键词:地铁车站侧墙;钢模;后背支架;二力杆;支撐体系;监理中图分类号:TU712文献标识码:B文章编号:1007-4104(2019)02-0076-030引言根据近几年的安全事故类型分析统计,在建筑施工领域,坍塌事故占据很大的比重。
其中又以模板支撑体系坍塌最为典型。
施工组织设计、专项施工方案及验收规范等文件,对支架搭设的质量及验收提出了许多具体要求,为此也设定了各种检验指标。
然而,施工单位对侧墙模板安装质量不够重视,甚至擅自变更专项施工方案规定的模板材质属性,导致支架的强度、刚度及稳定性无法得到保证,极易在施工过程中发生各种事故。
轻则出现模板拼缝、错台之类的问题,重则引起模板支撑体系坍塌。
前者或许只影响到结构外观,通过凿除修补等方法就能得以解决;后者不仅给企业造成一定的经济损失,甚至还会酿成群死群伤事故。
因此,包括施工单位、监理单位在内的参建各方,必须高度重视侧墙模板的安装质量。
虽然模板工程属于措施项目,但是施工方案的可行性仍需要经过合法的程序审批,甚至应组织专家进行评审论证。
作为项目管理及咨询人员,还应增加对模板方案的经济性评审,以利于向业主及施工单位提出建设性建议。
1地铁车站功能结构分区1.1地铁车站类型根据市政工程分类,城市轨道交通由地铁、轻轨、有轨电车等功能系统组成。
地铁车站按与地面相对位置可分为地下车站、地面车站及高架车站。
按运营性质可分为始发站、中间站'终点站、换乘站、联运站、区域站、枢纽站等。
一般地铁车站设计年限为100a,具有抗渗功能。
单侧支架侧墙大模板在地铁车站的应用与成品质量问题分析发布时间:2022-09-19T01:54:15.599Z 来源:《工程管理前沿》2022年10期作者:陈许明1马佳2靳华新3秦悦翔4张开5[导读] 本文以两层地下地铁车站为背景案例,根据车站主体结构侧墙使用单侧支架侧墙大模板施工情况,陈许明1马佳2靳华新3秦悦翔4张开5中建二局轨道交通分公司河南郑州 450000【摘要】本文以两层地下地铁车站为背景案例,根据车站主体结构侧墙使用单侧支架侧墙大模板施工情况,对单侧支架侧墙大模板体系的施工应用、成品质量进行简要的阐述,通过对该工艺的实际应用情况进行总结,分析单侧支架侧墙大模板在使用过程中出现的应用及质量问题,分析总结如何提高单侧支架侧墙大模板的适用性及成品质量,提高周转率,减少修复。
【关键词】地铁车站单侧支架大模板质量问题0 引言地铁车站侧墙具有单层结构高、墙体厚度大等特点,对侧墙支架体系强度要求高,传统“钢管架+胶合板”体系因机械化程度低、工期长、材料周转率低、外观质量难以保证等原因,在实际应用中已逐步淘汰,仅在端头井、区间风井洞门预埋钢环等位置作为大模板的补充措施。
本文以地铁两层车站为应用背景,结合工程实际介绍了单侧支架侧墙大模板在地铁车站侧墙施工中的应用与成品质量分析,分析地铁车站侧墙施工中常见的质量问题,针对性采取技术、管理等措施提高成品质量。
1 工程概况1.1 应用工程背景本文以地铁地下车站为工程背景,车站设计为地下两层岛式站台车站。
两端均为盾构始发端。
车站主体结构长约225.6m,标准段宽21.1m,岛式站台宽9.3m,标准段深约17.14m,端头井深18.78m。
站址处地面标高约100.12~97.36m;顶板覆土厚度约为3.1m。
车站主体结构采用钢筋混凝土箱型结构,围护结构采用1000mm@1300钻孔灌注围护桩。
结构防水采用柔性全包防水层,顶板防水采用P8抗渗混凝土、2.5mm厚单组分聚氨酯防水涂料及纸胎油毡隔离层,底板及侧墙防水采用防水卷材和P10抗渗混凝土,结构环向施工缝防水采用钢边橡胶止水带,纵向施工缝防水采用镀锌钢板。
地铁车站侧墙组合式定型钢模施工工法地铁车站侧墙组合式定型钢模施工工法一、前言地铁车站侧墙的建设需要使用一种高效、安全、可靠的施工工法来确保工程质量和进度,地铁车站侧墙组合式定型钢模施工工法应运而生。
本文将对该工法进行详细的介绍和分析,以便读者对其有更全面的了解。
二、工法特点该工法的特点主要包括:采用定型钢模,可以确保施工质量;采用组合式施工,可以提高施工速度;适用范围广,可以应用于各类地铁车站侧墙的施工;施工过程安全可靠,可以减少人员伤害风险。
三、适应范围地铁车站侧墙组合式定型钢模施工工法适用于各类地铁车站侧墙的施工,不受地形、地质等因素的限制。
无论是在平地、丘陵还是山坡等地形条件下,都可以使用该工法进行施工。
四、工艺原理该工法的施工工艺原理主要包括:通过对施工工法与实际工程之间的联系进行分析和解释,可以让读者了解该工法的理论依据和实际应用。
采取的技术措施包括定型钢模的设计与制作、钢筋的加工与安装、混凝土的浇筑与养护等。
这些技术措施的采取可以确保施工过程的稳定性和施工质量的可控性。
五、施工工艺地铁车站侧墙组合式定型钢模施工工法的施工工艺包括以下几个阶段:1. 定型钢模的制作:根据设计要求,制作出适合地铁车站侧墙施工的定型钢模板。
2. 钢筋加工与安装:根据设计要求,将钢筋进行加工,并安装在定型钢模板中。
3. 混凝土浇筑与养护:在定型钢模板内部浇筑混凝土,并进行养护,待混凝土达到设计强度后,取出定型钢模板。
4. 后续工程处理:对混凝土表面进行修整,进行后续工程的处理,如防水、涂料等。
六、劳动组织地铁车站侧墙组合式定型钢模施工工法的劳动组织包括:施工人员、作业班组、项目管理人员等。
根据工程规模和施工要求,科学合理地组织劳动力,确保施工进度和质量。
七、机具设备该工法所需的机具设备包括:定型钢模板、钢筋加工设备、混凝土搅拌机、施工机械等。
这些机具设备的特点、性能和使用方法将在工法实施过程中得到详细介绍和应用。
地铁车站墙体单侧支模施工技术摘要:随工程科技的发展,单侧支模施工技术作为地铁车站墙体施工中的常用技术,在具体运用中必须要注重其强度、拼装及加固等均要满足要求,基于此,文章以某地铁站为例,针对性介绍分析了墙体单侧支模施工的过程,以期为类似地铁车站墙体施工提供帮助。
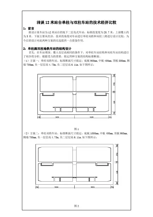
关键词:地铁车站;墙体施工;单侧支模技术1工程概况油坊街地铁车站形式属于是两层单柱岛式站台车站,采用明挖法施工,起点里程是:DK18+269.311,终点里程为:DK18+486.711,全长217.4m,基坑深约17.95m,标准段宽19.7米。
围护结构选择的是围护桩形式,该地铁车站总共设置了四个出入口,两组风亭,一条用于疏散的通道。
2模板结构侧墙模板均采用全钢模板,竖肋为8号槽钢,模板主肋为8号槽钢,横肋为10号双槽钢,横边框为8号槽钢,面板为h=6mm厚钢板。
支架为14号双槽钢,间距900mm。
勾头螺栓直径为25mm,具体布置见下图1。
图1侧墙模板平面布置图3墙体单侧支模施工3.1施工准备工作(1)为了控制大模板下口不出现跑浆问题,应在大模板安装之前,将墙中的杂物全都清理掉。
并严控砂浆找平层施工质量,不可使其侵入墙内。
同时也要往大模板下口及其左右端处贴上密封条。
(2)待模板进入施工现场的时候,要依据图纸认真核对模板的编号。
并在就位之前,将脱模剂在模板上涂好。
要注意脱模剂不可在就位后再进行刷涂,以免对钢筋及混凝土接触面造成污染,脱模剂要涂的足够均匀且全面,不能有漏刷的地方。
3.2工艺流程首先是绑扎好底板及中板的钢筋,再测量并放置地脚螺栓的位置线,再对地脚螺栓进行焊接及固定,再绑扎墙体钢筋并做验收工作,再谈好侧墙的边线,再使模板就位,接着进行临时支护钢管组装,再吊装单侧支架到指定位置,再安好压梁槽钢并将所有螺母拧牢固,再对垂直度进行校正,再安装模板上口的操作平台,并检查及验收对地脚螺栓螺母,待都符合要求标准之后,实施混凝土浇筑,待混凝土强度达到设计标准后,再对架体及模板实施拆除作业,并清理和检修模板,接着再进入下一循环(如图2所示)。
技术平台72017年第9期地铁车站墙体单侧钢模施工技术王航飞(北京市市政四建设工程有限责任公司,北京 100176)摘 要:地铁车站主体结构侧墙施工单层结构高,混凝土浇筑量大,存在施工缝处错缝、混凝土表面蜂窝麻面、露筋、裂缝、色泽不易、表面波浪不平整等常见混凝土质量通病,对混凝土外观质量造成较大影响。
辽宁大学站应用墙体单侧定型钢模支撑体系,消除车站混凝土质量通病,形成了较为成熟的施工实践,对提高明挖地铁车站主体结构外观质量和加快施工进度具有较好的作用,可为今后类似的工程施工提供借鉴指导。
关键词:沈阳地铁;钢制模板;结构施工;明挖车站1 工程概况辽宁大学站为地下双层单柱二跨岛式站台车站,车站主体围护结构采用机械成孔灌注桩和钢支撑支护,采用从两端盾构井同时开挖的明挖顺做法施工。
2 侧墙模板施工技术2.1 模板体系设计经荷载计算,侧墙模板采用6mm厚钢板,每仓侧(端)墙,墙的最大高度为7650mm,次楞采用63mm槽钢,中板(顶板)分开浇筑,最大浇筑高度为5900mm,规格为320mm/节;贴边处采用63mm角钢,距槽钢240mm,主楞采用10槽钢双拼,间距750mm。
2.2 支架体系设计为保证支撑体系的整体性,侧墙单侧支架由埋件系统和架体两部分组成,为防止模板体系向内产生过大变形,在架体外侧架子管设置拉杆,采用单侧三角支架支撑体系,架体系统包括:架体标准块、外连杆、蝶形螺母、横梁等;埋件体系包括:连接螺母、地脚螺栓;采用架子管与架体上的连接管进行连接,站厅层纵向间距2000mm,架体高度站台层为4900和5900mm。
水平方向为4700mm,与距支撑体系600mm处设置的φ25预埋钢筋连接。
2.3 侧墙模板安装2.3.1 模板安装流程首先对钢筋绑扎进行验收,然后检查单侧支架吊装、弹外墙边线、合外墙模板的安装到位情况,安装单侧支架、加强钢管的时候,注意要在单侧支架斜撑部位进行附加钢管的现场自备,安装压梁槽钢以及埋件系统的时候,要注意调节支架垂直度,安装上操作平台的时候注意紧固检查埋件系统,对上述步骤进行验收,合格后砼浇筑。
地铁车站复合墙结构受力模型浅析随着城市化进程的不断加快,城市公共交通成为人们日常生活中的重要组成部分。
地铁作为其中的重要交通工具,深受城市居民的欢迎。
在地铁站内部,车站墙体是一个非常重要的结构。
地铁车站复合墙结构代表了一种先进的技术和设计理念,它能够有效地抵抗各种外部力的作用,保证车站的安全性和可靠性。
本文将从复合墙结构构成、受力特点和分析方法等方面对地铁车站复合墙结构受力模型进行浅析。
一、复合墙结构构成地铁车站复合墙结构由内外两层,中间夹一层混凝土墙板。
内层钢筋柱、钢梁和方钢管等构成框架结构,外层是钢管桁架与玻璃幕墙相连。
这种结构具有双重保护作用,一方面可以抵抗高强度的风压和温差,另一方面可以有效解决地震可能带来的影响。
复合墙结构的设计更能够满足地铁车站的空间需求和功能需求。
此外,在建筑美学、空气质量和耐火性等方面,复合墙结构也占有较高的优势。
二、受力特点地铁车站复合墙结构的受力特点有以下几个方面:1.荷载系数较大。
地铁车站是一个公共交通场所,存在着大量的人流、车流和货流,所以复合墙结构需要承受更大的荷载,确保车站的安全性和稳定性。
2.荷载类型多样。
除了人流、车流和货流外,地铁车站还需要抵抗外部环境因素带来的荷载。
例如,地震、风压、温差等都会对车站的稳定性和可靠性造成很大的影响。
3.荷载受力点不确定。
由于地铁车站复合墙结构在实际建造中受到许多因素的影响,所以荷载的受力点并不是确定的,这给设计、施工和检测带来了很大的难度。
三、分析方法在设计和建造地铁车站复合墙结构时,需要进行系统的受力分析,以确保车站的稳定性和可靠性。
在受力分析中,常用的方法有以下几种:1.刚度分析法。
刚度分析法是一种较为常见的受力分析方法,它可以计算出墙板的刚度,从而确定墙板所受荷载的大小和受力点的位置。
2.有限元分析法。
有限元分析法是一种应力分析方法,它可以对墙板的应变情况进行较为精确的计算,有效地解决了受力分析的难题。
3.参数化分析法。
浅谈中国地铁分块侧墙车体组对关键技术发表时间:2017-12-24T16:19:13.690Z 来源:《建筑学研究前沿》2017年第19期作者:刘君周晶辉李栋梁[导读] 其性能直接与列车的安全性、可靠性、舒适性、环保性密切相关,因此车体技术是地铁的关键技术之一。
中车长春轨道客车股份有限公司吉林长春 130062摘要:地铁是一种独立的有轨交通系统,其正常运行不受地面道路拥挤的影响,能快捷、安全、舒适地运送旅客,是现代城市交通的主流和方向。
而铝合金车体是地铁车最主要的部件之一,其性能直接与列车的安全性、可靠性、舒适性、环保性密切相关,因此车体技术是地铁的关键技术之一。
地铁车运输量大,其主要承重载荷在底架,这就要求在底架生产中严格控制底架挠度和强度。
地铁车门口较多,各个门口通过侧墙组装而成,所以分块侧墙车体组对非常重要,它的宽度,高度,垂直度控制都对车体有着重要的影响。
引言:地铁是地下铁道交通的简称,属于轨道交通行业。
其运量大,速度快,干扰小,能耗低,被誉为现代城市的大动脉。
车体又是轨道车辆的基石,铝合金作为一种新兴材料具有重量轻,耐腐蚀,密封性好,外观平整度好,易于制造复杂曲面车体,从而受到世界各城市交通公司和铁道运输部门的欢迎。
铝合金车体主要以长大中空铝型材为主,包括底价、侧墙、车顶、端墙及车体附件,它们连接在一起使车体成为刚性筒形结构,保证了整个车体的强度,同时保证了车体外侧美观性和车内舒适度。
本文就对中国地铁分块侧墙车体组对的关键技术作简单介绍。
一、底架的生产制造地铁底架地板组对方法与CRH5型车相似,均是将边梁与地板型材组对后整体焊接。
1、对铝合金型材进行打磨处理铝在空气中及焊接时极易氧化,生成的氧化铝(Al2O3)熔点高、非常稳定,不易去除。
阻碍母材的熔化和熔合,氧化膜的比重大,不易浮出表面,易生成夹渣、未熔合、未焊透等缺陷。
所以对铝合金型材进行打磨处理是动车组生产中特别重要的步骤。
首先用干净擦布将料件表面的灰尘擦拭干净,若料件上有油污,则用擦布蘸取酒精进行擦拭,然后利用风动角磨机配合不锈钢丝碗刷对料件焊缝进行打磨,打磨宽度为15-25mm,要求打磨后保证无氧化膜,打磨纹路与焊接方向平行且均匀,漏出金属光泽,打磨深度不超过0.2mm,如工件打磨后超过8小时未进行焊接则重新打磨。
地铁区间墙体单侧模板施工关键技术摘要:文章以浦东中部地区公共交通配套工程为主要研究对象,阐述了地铁区间墙体单侧模板施工关键技术,希望有所帮助。
关键词:地铁区间;墙体单侧模板施工;关键技术;研究引言:地铁区间墙体单侧模板施工技术的合理应用,能够确保工程项目施工质量满足标准要求。
所以,在施工建设的过程中,应结合具体情况,采用必要的施工技术,只有这样,才能够促进工程项目的顺利开展。
由此可见,深入研究并分析地铁区间墙体单侧模板施工关键技术具有一定的现实意义。
一、案例分析浦东中部地区公共交通配套工程设计起点是11号线北段工程终点站,即罗山路站(不含),终点为迪士尼乐园站。
工程项目的线路全长在9.2km左右,其中,高架段长度约7.5km,敞开段长度约0.265km,地下段长度约1.43km。
在此工程项目建设的过程中,新设3座车站。
有2座是高架站,即康桥东站与横新路站,1座地下站,即迪士尼站。
最大站的间距为5086m,最小站的间距为1779m。
而ULMA公司设计并采用了单侧墙支撑系统和Enkoform V-100大墙模板体系,兼顾了质量稳定,安装快捷以及高效实用的基本特点,充分彰显出时代前沿的建筑水平。
二、地铁区间墙体单侧模板施工关键技术(一)模板配制及周转综合考虑施工现场的具体情况,将DS51—DS29结构施工分成2条流水线落实施工,而单侧模板则以24米标准段为参考依据,配置1套用于周转使用。
对于DS28—DS22、YL01—YL04、DS21—DS17结构同样分成2条流水线落实施工,而单侧模板同样以24米标准段为参考,配置1套用于周转。
在施工现场配置了2套单侧模板,且各套模板的长度确定为48米,需结合实际的施工进度情况采取必要的调整措施。
(二)模板系统安装1.预埋件的施工在此工程项目中,单侧模板系统选择使用的是10.9级SCM435钢Φ27高强预埋螺栓,螺栓的长度设计成650mm,如图一所示:图一 10.9级SCM435钢Φ27高强预埋螺栓在实施预埋件施工的过程中,需结合设计图纸的内容,对各段单侧模板长度进行计算,并结合具体的长度绘制出各段模板的排列图与预埋螺栓尺寸图。
对地铁车站围护结构的分析摘要:随着地铁在全国范围内的蓬勃发展,地铁车站的围护结构也多种多样,本文主要就几种常见的围护形式进行分析比较,尤其是近几年研发出来的新的围护结构形式,从而了解它们之间的差异性及各自的适用性,对以后围护结构的设计有很大的帮助。
关键词:围护结构、地下连续墙、排桩、TRD、SMW桩、钻孔咬合桩1.概述地下铁道是城市公共交通的骨干。
它具有节能、省地、运量大、全天候、无污染又安全等特点,特别适应于大中城市。
中国主要城市对地下铁道有较大需求,建设积极性较高,地下铁道交通发展迅猛,已有30多座城市建成了或正在新建、或拟就了建设规划。
2.对地铁车站的围护结构进行分析比较:2.1地下连续墙地下连续墙,一般定义为利用各种挖槽机械,借助于泥浆的护壁作用,在地下挖出窄而深的沟槽,并在其内浇注适当的材料而形成一道具有防渗水、挡土和承重功能的连续的地下墙体。
作为地铁车站围护结构的最常用的支护形式,在承载力和防水等方面有着巨大的优势,因此一直以来在地铁建设中有着广泛的应用,尤其是在沿海地区,有效的处理了软弱土的地基问题。
但是这种围护结构也有自身缺陷,主要是建设成本太高和对城市的市政管线建设有比较大的影响。
2.2 排桩排桩是以某种桩型按队列式布置组成的基坑支护结构。
排桩的应用也非常广泛,同时技术也很成熟,在许多内陆城市,包括西安等黄土地区中有着广泛的应用,最常使用的就是钻孔灌注桩。
排桩的承载力比较高,施工较地下连续墙容易,但不能解决防水的问题,一般施工中需在排桩的间隙处喷射桩间网喷混凝土,以解决防水问题。
排桩的缺点也同样是成本比较高,不是很经济。
下图1是西安某地铁车站的围护结构图,采用的就是排桩的型式。
图1图2是桩间网喷混凝土大样图,采用的是150x150的钢筋网,喷射100mm 厚的素混凝土。
图22.3 SMW桩SMW工法是以多轴型钻掘搅拌机在现场向一定深度进行钻掘,同时在钻头处喷出水泥系强化剂而与地基土反复混合搅拌,在各施工单元之间则采取重叠搭接施工,然后在水泥土混合体未结硬前插入H型钢或钢板作为其应力补强材,至水泥结硬,便形成一道具有一定强度和刚度的、连续完整的、无接缝的地下墙体。
地铁车站单侧墙模板支架施工工法一、前言地铁车站单侧墙模板支架施工工法是指在地铁车站建设过程中,为单侧墙的模板施工提供支撑的一种施工工法。
其通过采取特定的技术措施和使用相关的机具设备,能够有效地完成单侧墙的模板支架工作,确保施工的质量和安全。
二、工法特点地铁车站单侧墙模板支架施工工法具有以下几个特点:1. 灵活性强:该工法能够适应不同地铁车站单侧墙的形状和尺寸要求,具有较大的适用范围。
2. 施工效率高:采用这种工法可以实现模板施工过程的机械化和自动化,提高施工效率。
3. 质量可控性强:通过施工工艺和质量控制的手段,能够确保施工过程的质量达到设计要求。
4. 安全性高:工法中设置了相应的安全措施,在施工过程中能够有效地保障作业人员的安全。
三、适应范围地铁车站单侧墙模板支架施工工法适用于不同尺寸和形状的地铁车站单侧墙的施工,无论是长墙面还是曲线墙面都可以采用这种工法进行模板支撑。
四、工艺原理该工法的工艺原理主要包括与实际工程的联系和采取的技术措施。
施工工法的实际应用通过对工程的具体分析和解释,可使读者了解该工法的理论依据和实际应用。
其中包括了使用钢支撑杆和脚手架、搭建模板支架、定位和固定模板等关键步骤。
具体来说,施工工艺需要先根据地铁车站的设计要求,确定模板的尺寸和形状,然后使用钢支撑杆和脚手架搭建模板支架。
在搭建过程中需要对支撑杆和脚手架进行定位,以确保模板支撑的稳定性。
最后,将模板固定在支架上,完成单侧墙的施工。
五、施工工艺地铁车站单侧墙模板支架施工的具体过程如下:1. 确定模板尺寸和形状。
2. 使用钢支撑杆和脚手架搭建模板支架。
3. 对支撑杆和脚手架进行定位。
4. 将模板固定在支架上。
5. 进行模板的拆除和清理。
六、劳动组织地铁车站单侧墙模板支架施工需要组织合理的劳动力,包括施工人员和管理人员。
在施工过程中,需要根据实际情况合理分配工作任务,确保施工的顺利进行。
七、机具设备该工法所需的机具设备包括钢支撑杆、脚手架、模板等。
地铁车站侧墙模板设计及验算作者:齐亮李健健来源:《科学导报·学术》2020年第19期摘 ;要:通过对沈阳地铁9号线车站主体结构模板支架荷载分析,分别对主体结构板、墙、梁等结构部位模板支撑体系的强度及稳定性验算,使其满足模板支架设计计算正常的使用要求,为现场施工提供了安全可靠的指导性技术服务。
关键词:侧墙;高支模;侧压力;钢支架;精确计算1工程概况北一路站为地下双层岛式站台车站,车站主体长179.4m。
车站为明挖岛式站台车站,有效站台宽度12m,采用双层三跨的箱形框架结构,车站主体总长度为179.4m,标准段宽度20.5m。
顶板覆土厚度约为3.0m,底板埋深约16.4m,基坑采用钻孔桩加坑内钢支撑的支护形式。
2.模板、支架构造2.1 侧墙模板支架构造车站侧墙采用组合钢模加三角单侧支架支撑体系。
2.2三角单侧支架原理⑴单侧支架的组成单侧支架由预埋件系统部分和架体部分组成。
预埋件系统包括:地脚螺栓、连接螺母、外连杆和压梁等。
架体按高度采用不同的梯形加高节和标准三角组成。
⑵单侧支架工作原理单侧支架为单面墙体模板的受力支撑系统,当墙体模板采用单侧支架后,模板无需再拉穿墙螺栓。
单侧支架通过45度的高强受力螺栓,一端与地脚螺栓连接,另一端斜拉住单侧模板支架,因斜拉螺栓受斜拉锚力后分为一个垂直方向的分力和一个水平方向的分力,其中垂直方向的分力抵抗了支架的上浮力,水平方向分力则保证了支架不会产生侧移,即抵抗混凝土的侧压力。
2.3侧墙模板支架构造地下结构外墙采用三角支架支撑钢模的单侧支模体系,具体为:面板采用6mm厚钢板,次楞采用[8号槽钢,主楞采用双拼[10槽钢。
三角支架支撑体系采用[14槽钢及连接件等组成的单侧支撑体系。
2.4 模板支架的安装2.4.1支架安装⑴模板支撑架应根据所承受的荷载选择立杆的间距和步距,底层纵、横向水平杆作为扫地杆,距地面高度应小于或等于200mm,立杆上端包括可调螺杆伸出水平杆的长度不得大于700mm,且不得大于立杆计算长度公式L=h+2a中a值。
地铁车站含暗柱复合式侧墙裂缝成因及应对措施黄㊀勇(厦门轨道交通集团有限公司㊀福建厦门㊀361004)[摘㊀要]㊀本文简要归纳了明挖地铁车站主体结构中含暗柱复合式侧墙裂缝特征ꎬ通过试验监测和模拟计算ꎬ分析其裂缝产生原因ꎬ包括围护桩蠕变㊁外包防水层结构变形和含暗柱侧墙温度应力场的影响等ꎮ采取针对性的施工保证措施ꎬ减少裂缝数量ꎬ保证复合式侧墙的施工质量ꎮ研究结果可为地铁车站裂缝控制提供参考ꎮ[关键词]㊀地铁车站ꎻ复合式侧墙ꎻ裂缝分析ꎻ监测ꎻ措施ThecausesandcountermeasuresofcrackinthecompositesidewallwithhiddencolumnsofthethemetrostationAbstract:Thispapersummarizesthecrackcharacteristicsofcompositesidewallwithhiddencolumnsinthemainstructureofopen-cutmetrostationbrieflyꎬandanalyzesthecausesofthecracksꎬincludingthecreepofretainingpileꎬstructuraldeformationofouterwaterprooflayerandtheinfluenceoftemperaturestressfieldonthesidewallwithhiddencolumnsꎬbytestmonitoringandanalogcomputation Targe ̄tedconstructionmeasuresweretakentoreducethenumberofcracksandtoensuretheconstructionqualityofcompositesidewall There ̄sultsofresearchcanprovidereferenceforcrackcontrolinmetrostationKeywords:metrostationꎬcompositesidewallꎬcrackanalysisꎬmonitoringꎬmeasures0㊀引言城市地铁车站是大型地下混凝土框架结构ꎬ由侧墙㊁底板和顶板等结构组成ꎬ具有很高的抗渗防水要求ꎬ但侧墙开裂渗水一直是设计施工中的难题[1]ꎮ对早期地铁车站结构裂缝进行有效控制ꎬ从而使混凝土自身具有良好的防水性能ꎬ对于地铁施工而言至关重要[2]ꎮ地铁车站侧墙型式主要有分离式ꎬ复合式㊁叠合式ꎮ目前主流设计形式是复合式结构侧墙ꎬ即围护结构(桩或地连墙)+全外包防水层+内衬侧墙ꎬ围护结构承受土压力ꎬ内衬墙承受水压力和围护结构的传递力[3]ꎮ在侧墙的设计形式中ꎬ复合式墙多含有暗柱ꎬ这使其裂缝分布和裂缝成因与一般复合式墙有所不同ꎮ本文简要归纳了含暗柱的复合式侧墙裂缝特征ꎬ通过试验监测和模拟计算ꎬ分析其裂缝产生的原因ꎬ并采取针对性的施工保证措施ꎬ减少裂缝数量ꎬ保证复合式侧墙的施工质量ꎮ1㊀工程背景车站为地下两层岛式车站ꎬ全长196mꎬ建筑面积12035m2ꎬ标准基坑宽度19 7mꎬ开挖深度约为15 6~18 4mꎬ有效站台长度118mꎬ车站埋深3 6mꎮ车站主体围护结构采用ϕ1000@1200mm钻孔灌注桩+ϕ800的旋喷桩止水+内支撑体系ꎬ与主体形成复合式结构ꎮ其结构布置如图1所示ꎮ作者简介:黄勇(1980.11-)ꎬ男ꎬ大学本科ꎬ工程师ꎬ研究方向:工程管理及混凝土裂缝控制ꎬ264281353@qq.comꎮ图1㊀车站主体结构剖面图㊀㊀主体结构底板㊁底梁㊁顶板㊁顶梁㊁侧墙和暗柱采用C45防水混凝土ꎮ主体结构施工期间不需要拆除主体围护结构冠梁ꎮ主体结构侧墙为含暗柱的复合式侧墙ꎬ厚度700mmꎬ暗柱宽600mm且与侧墙等厚ꎬ配筋密度是侧墙的2倍ꎮ2㊀含暗柱复合式侧墙裂缝分析2 1㊀含暗柱复合式侧墙裂缝实际情况及规律(1)侧墙上的裂缝特征无暗柱复合式侧墙竖向裂缝一般等距或成倍距出现ꎬ与侧墙内钢筋分布无直接关系ꎻ而含有暗柱的主体复合式侧墙ꎬ裂缝一般出现紧临暗柱的一侧或两侧约30cm处ꎬ其它裂缝成等距或成倍距向外有规律分布ꎬ裂缝形态基本呈现竖向发展且互相平行ꎬ裂缝沿结构厚度方向贯通并伴有渗水现象ꎬ如图2所示ꎮ图2㊀复合式侧墙裂缝位置图图3㊀侧墙应变计布置示意图(单位:mm)(2)复合式侧墙体自体及环境因素监测由于复合式结构侧墙是由围护桩(地连墙)+全外包防水层+内衬侧墙组成ꎬ所以要分析复合式侧墙的裂缝渗漏ꎬ要从其三个组成要素进行资料收集ꎮ围护结构由于承受土压力ꎬ其在施工工况变化中产生的变形ꎬ将不可避免地影响其向侧墙传递力[4]ꎮ故进行围护结构桩体变化监测ꎬ特别是监测在施工变化前后时间内(特别是侧墙混凝土施工期间)的变形ꎮ外包防水层的完整性是防水渗漏的重要组成ꎬ由于其在混凝土浇筑后ꎬ属于隐蔽工程ꎬ不能直观进行监测ꎬ故利用车站的部分侧墙预留接口进行间接观测等ꎮ定时观察预留接口处外露防水层变化ꎮ内衬侧墙(含暗柱)是裂缝成因的关键部分ꎬ需要对其温度㊁应变进行监测ꎮ监测采用金码JMZX-215HT传感器既能测试混凝土内部测点温度ꎬ也能测试该测点混凝土应力ꎬ测点位置应能全面准确地反映大体积混凝土温度的变化情况以及应变较大位置的变化ꎮ布置方式采用六等分点ꎬ间距约2 9mꎻ至上而下分别布设3个测点ꎬ间距约1mꎻ由前至后依次布置3个测点ꎬ两端测点与侧墙主筋间距50mmꎮ测点布置如图3至图5所示ꎮ图4㊀应变计实物图图5㊀应变计现场布置图2 2㊀含暗柱的主体复合式侧墙裂缝因素分析通过对复合式结构侧墙体系中ꎬ围护结构㊁全外包防水层和内衬侧墙的监测数据进行分析ꎬ并结合现场实际工程情况ꎬ可分析得出含暗柱的主体复合式侧墙裂缝的三个主要控制因素:围护桩蠕变引起设计工况与实际不符㊁外包防水层受复合内外结构变形及位移破坏和含暗柱侧墙温度应力场对裂缝的影响等ꎮ2 2 1㊀围护桩蠕变引起设计工况与实际不符(1)监测数据分析根据现场监测实例发现ꎬ在基坑的深度方向上ꎬ包络结构的最大水平位移发生在基坑的底面附近ꎮ在基坑边缘的方向上ꎬ基坑拐角处的包络结构水平位移很小ꎬ然后逐渐增大ꎬ直到基坑的中间达到最大值ꎮ然而ꎬ位移变化率存在显著差异:在基坑角落附近约L/4时ꎬ由于围护结构另一侧的约束ꎬ水平位移缓慢增长:在L/4~3L/4ꎬ约束效果减弱ꎬ位移急剧增加ꎻ在3L/4~L时ꎬ位移逐渐增加到一定值然后逐渐稳定ꎮ主动土压力和水平位移的分布表现出相反的规律:基坑角附近的主动土压力最大ꎬ然后逐渐减小ꎬ达到基坑中间的最小值ꎮ被动土压力的反面ꎮ随着基坑纵横比的增加ꎬ包络结构长边的最大水平位移不断增大ꎬ空间效应减弱[5]ꎮ在时间效应上ꎬ当底板(或中板)完成后进行拆撑ꎬ可以明显监测到ꎬ拆撑点在15d内呈剧烈变化期ꎬ拆撑后15d为变形收敛期ꎮ(2)综合工程实例分析根据地下车站的设计和施工方案ꎬ底板施工完成后必须拆除底部钢支架ꎬ然后构造中板或顶板ꎮ在拆卸内支撑构件的过程中ꎬ由于支撑结构的应力变形ꎬ支撑桩的应力不可避免地发生变化ꎬ并且产生向基坑内侧的位移蠕变ꎮ由于综合地下工作站的主要结构是框架剪切结构ꎬ侧板构件只能在中板完工后才能达到预期的受力状态ꎬ并且不可避免地受到保持桩的位移蠕变影响ꎬ特别是在混凝土之后由于混凝土尚未到达ꎬ侧壁刚刚施工ꎮ混凝土受两侧土压力的影响其侧壁容易产生垂直裂缝ꎮ2 2 2㊀外包防水层受复合内外结构变形及位移破坏(1)受粗糙围护结构突起破坏防水层的基面一般为围护结构的临空面ꎬ通常采用喷身混凝土+抹面处理ꎬ但还是会存在少量突起ꎮ而且在浇筑混凝土过程中ꎬ受混凝土侧压力作用ꎬ可能出现抹面压碎突起情况ꎮ这些均会造成防水层破坏ꎮ(2)受内外结构沉降差引起的剪切撕裂ꎮ目前地下车站的侧墙防水层ꎬ一般夹在2个刚性结构中(即围护结构和车站侧墙)ꎬ2个刚性接触面粗糙且密贴ꎬ这造成夹在其中的柔性防水层处于摩擦受剪状态中ꎮ车站结构从施工到运营过程中ꎬ均存在下沉或上浮ꎬ此时防水层可能受到剪切撕裂而失去效果ꎮ2 2 3㊀含暗柱侧墙温度应力场对裂缝的影响(1)通过ANSYS对强约束(暗柱或旧墙)对新浇侧墙的应力场模拟通过建立混凝土侧墙几何模型参数为:长20mꎬ高6mꎬ厚0 7mꎻ地下连续墙厚0 7mꎻ先浇筑好的侧墙部分宽度取为1mꎬ先浇筑好的底梁部分高度取为1mꎮ新老混凝土界面导热系数默认为混凝土间的导热系数ꎻ新混凝土上表面无覆盖ꎬ与空气接触ꎬ正面与侧面50h前与钢模板接触ꎬ第50h拆模后ꎬ边界条件换为与空气接触ꎮ由于在实际施工中ꎬ除了第一块侧墙是两端无约束状态ꎬ后面所浇筑的侧墙ꎬ都是在其中一端存在先浇侧墙的约束ꎬ其对新浇混凝土墙的约束与暗柱等构件有较大的相似性ꎮ因此我们认为这种建模方式是比较接近实际情况的ꎮ假定侧墙混凝土湿度单调下降进行模拟试算ꎬ得到其干缩应力变化基本规律ꎮ从试算结果看ꎬ混凝土湿度曲线变化比较缓慢ꎬ但混凝土表面有较大的湿度梯度ꎬ容易形成干缩裂缝ꎮ图6为湿度变化引起的混凝土应力分布云图及其随时间的变化规律ꎮ由于假定混凝土湿度单调下降ꎬ可以看到随着混凝土的湿度降低ꎬ新浇混凝土整体呈现收缩ꎮ从数值上看ꎬ到第108hꎬ最大拉应力已接近抗拉强度ꎬ拉应力较大区(黄色部分)主要集中在有先浇老混凝土侧墙的一侧ꎬ靠近底梁的部分也出现了较大的拉应力ꎬ这与实际工程中有较强约束部位更容易出现裂缝的现象相符合ꎮ保持空气对流面的环境湿度有利于降低混凝土的湿度梯度ꎬ减小拉应力和开裂风险ꎮ这也从侧面证明了加强和改善养护措施的必要性ꎮ(2)现场实际监测情况分析侧墙应变测试结果如图7所示ꎬ以第二组下部沿墙体截面长度方向的三个测点为例(暗柱右侧)所示ꎮ根据监测应变数据ꎬ可以看到位于近柱的应变数值明显较大ꎬ说明该位置在混凝土硬化过程中发生了较大的变形ꎬ内部可能出现混凝土裂缝ꎮ离柱位置越远的且应变变小ꎬ开裂可能性较低ꎮ3㊀含暗柱复合式侧墙裂缝控制措施结合以上理论㊁监测及实际情况综合分析ꎬ含暗柱复合式侧墙裂缝成因可分成外部因素(如外部变形ꎬ外约束作用ꎬ防水层失效)和内部因素(如温度ꎬ钢筋接头位置等)共同作用下产生ꎮ其原因详细可描述如下:含暗柱复合式侧墙施工工况不能单一地划分为 钢筋-模板-混凝土浇筑 这种常规工况ꎬ含暗柱复合式侧墙应从其受力特点和构成形式上ꎬ从以下工况特点原因入手ꎬ采取措施来避免渗漏裂缝的产生:图6㊀湿度场最大主应力云图图7㊀侧墙应变值(1)在含暗柱复合式侧墙混凝土浇筑开始至抗拉强度大于50%时ꎬ应避免围护结构侧向变形对侧墙的不利作用力ꎬ如可能ꎬ可在围护结构与防水层间加设变压缓冲层ꎬ减小应变地侧墙的作用[6]ꎮ(2)保证外包防水层的基面平整和粘接质量ꎬ减少突刺和竖向摩擦力对防水层的破坏ꎮ(3)在侧墙内如存在有较强约束构件时(如暗柱等)ꎬ其部位更容易出现裂缝[7]ꎬ应适当留置施工缝ꎬ以减少应力突变ꎮ4㊀结论本文针对厦门地铁部分含暗柱复合式侧墙的地下车站结构混凝土开裂问题展开分析ꎬ认为目前对于厦门地铁以及全国地铁日前常用的复合式侧墙裂缝的控制ꎬ不能单一地保持以前改良混凝土的手段ꎬ应从更宏观和更微观的方面进行分析ꎬ从而减少成本ꎬ提高质量ꎮ参考文献[1]马宏旺ꎬ王益群ꎬ陈晓宝ꎬ吴永祥.预应力技术在地铁车站混凝土车站顶板抗裂防渗中的应用研究[J].建筑结构ꎬ2012ꎬ42(03):128-131.[2]占建军.地铁车站侧墙混凝土裂缝影响因素分析及控制研究[J].路基工程ꎬ2018(03):113-116.[3]张耀东.地铁车站复合墙与叠合墙的结构体系分析[J].科技创业月刊ꎬ2013ꎬ26(07):167-169.[4]孙勇ꎬ常绍杰ꎬ杨振平.围护结构变形与相邻建筑物沉降控制措施[J].中国港湾建设ꎬ2011(05):63-67.[5]翁春惠.软土地区深基坑施工引起的变形及控制分析[J].房地产导刊ꎬ2013ꎬ(2):160-160.[6]贺玉.地铁车站渗漏成因及合理化渗漏治理方案[J].珠江水运ꎬ2019(07):35-36.[7]张延鹏ꎬ袁宝华.城市地道桥侧墙裂缝成因分析及处治[J].江西建材ꎬ2017(16):133+136.。
文章编号:1009-4539(2021)增1-0170-04地铁车站与风亭共用侧墙与围护桩施工技术研究龙华东(中铁十一局集团城市轨道工程有限公司湖北武汉430074)摘要:以沈阳4号线1标望花街站双层地铁车站的单层风亭施工为背景,研究了风亭结构与地铁车站共用侧墙及围护桩施工技术。
针对现共用侧墙与车站围护桩之间空隙狭窄,模板无法安装以及破除共用侧墙围护桩过程中易出现风亭围护结构桩体位移、基坑不稳等问题,提出了一种狭窄空间侧墙混凝土模板和分阶段间隔破除围护桩的施工方法,顺利完成了车站风亭结构的施工,隔断了侧墙混凝土和桩间混凝土喷射的粘结,保证了共用侧墙现浇结构混凝土的表观质量,避免了基坑失稳事故的发生。
该风亭结构施工技术实用性强,工序衔接有序,交叉作业影响小,可广泛用于车站与风亭共用侧墙时风亭结构的施工。
关键词:地铁车站风亭结构侧墙模板围护桩狭窄空间间隔破除中图分类号:U231.3文献标识码:A DOI:10.3969/j.issn.1009-4539.2021.S1.041Research on the Construction Technology of Sidewall and Retaining PileShared by Subway Station and Wind PavilionLONG Huadong(China Railway11t h Bureau Group Cith Rait Engineering Co.Ltd.,Wuhan Hubei430074$China)Abstrach:Based on the construction of single-layao wind pavilion in double-layao subway station of Wanghuajia Station in Lot1of Shenyang Metro Line4,this papao studies the construction technoWga of the side wal l and retaining pile shared by the wind pavilion structure and the subway station.Aiming at the narrow gap between the existing common side wall and the station retaining pile,the formwork could not be instated,and in the process of removing the common side wall retaining pie,itiseasytocausethepiedisp/acementotthewind paviion oetainingstouctuoeand theinstabiityotthetoundation pit.This paper puts forward a construction method of narrow space side wall concrete formwork and breaking the retaining pil bystags,which succssou l ycompltsthDconsteuction oothDstation wind pavilion steuctue,and ussthDdoublsidD ooemwoek steuctue tocuto o thDooundation pit.ThDbondingbDtwDn thDsidDwa l concetand thDconcet bDtw Dn pils ensures the apparent qualith of the cast-in-place structural concrete and avoids the occurrence of foundation pit instabilith accidents.Thewind pavilion steuctueeconsteuction technologyhassteongpeacticability,oedeelypeoce s connection and little influence of cross operation.It can be widely used in the construction of wind pavilion structure when the station and wind pavilion share the side wall.Key worUt:subway station;wind pavilion structure;sidewall formwork;retaining pile;narrow space;gap breaking1前言分阶段建设[1-2],即风亭结构侧墙和围护桩与地铁刖言车站分别单独设置,待车站主体结构施工完成后,目前,城市地铁车站与附属风亭结构大多采用再施工风亭结构。
浅谈地铁车站结构侧墙裂缝控制的施工技术发表时间:2020-12-09T13:34:08.703Z 来源:《工程管理前沿》2020年9月25期作者:郏江南[导读] 随着轨道交通的日益发展,车站结构混凝土开裂成为一个普遍存在的质量通病郏江南中铁七局集团郑州工程有限公司摘要:随着轨道交通的日益发展,车站结构混凝土开裂成为一个普遍存在的质量通病,主要是因为,结构混凝土在硬化过程中产生的温度应力、收缩徐变引起的变形,以及变形受到约束体的约束而导致的开裂,开裂的原因很多,分析的理论也很多,但目前为止,还没有一种材料、技术、工艺能彻底解决这个问题。
基于此,本文对地铁车站结构侧墙裂缝控制的施工技术进行深入研究,以期对以后我国城市地铁车站结构侧墙裂缝控制起到一定的帮助和指导。
关键词:地铁车站;结构侧墙;裂缝控制;施工技术前言现在许多城市为了促进城市交通发展以及提升人民生活水平,大量修建地铁,然而在地铁工程建设中,地铁车站结构侧墙混凝土裂缝一直是困扰业界建设者的一道难题,由于过程中的多种原因,往往使车站结构侧墙混凝土出现斜竖向弯曲不规则裂缝。
因此,要重视地铁车站结构侧墙裂缝控制的施工技术的合理运用。
1地铁车站引发裂缝的主要原因分析1.1混凝土材料本身质量原因在进行混凝土的配比过程当中,需要在水泥当中加入一定量的水来对水泥进行水化,在这个过程中会产生较大的热量,这一热量的散发会导致混凝土当中的温度产生一定的升高,且在混凝土配比过程当中用到的水泥量越大,则混凝土内部的温度就会越高,并且由于在进行侧墙结构施工当中,由于侧墙结构的厚度会影响水泥水化过程热量的散发,所以结构侧墙的厚度越厚也会导致混凝土的内部热量积聚的越多。
而当内部的热量积聚到一定的程度时,会使得混凝土的表面和内部温度差别较大,这种情况会产生温度变形和温度应力,且随着混凝土表面和内部的温度差异的增高,这种温度应力和温度变形情况也会变得更加严重,如果内部的温度应力超过了混凝土所能承受的内外约束力时,就会在混凝土结构上产生裂缝。