(线塔1)自立式铁塔组立 分项工程质量验收记录表
- 格式:doc
- 大小:45.50 KB
- 文档页数:3
附录A:复测、分坑、验槽及杆塔号对照表Q/CSG表1-A.1路径复测记录表(线记1)工程编号: Q/CSG表1-A.1设计桩号杆塔型式档距(m)线路转角塔位高程(m)直线桩横线路偏移(mm)备注设计值实测值偏差值设计值实测值方向偏移值备注1.请注明直线转角。
2.仪器名称:仪器编号:检验证书号:监理:质检员:施工负责人:检查人:Q/CSG表1-A.2被跨越物及地形凸起点测量记录表(线记2)工程编号:Q/CSG表 1-A.2跨越档档距m被跨越物(或地形凸起点)名称高程m与邻近桩位最近距离备注设计桩位距离m监理:质检员:施工负责人:检查人:Q/CSG 表1-A.3普通 (掏挖) 基础和拉线基础分坑及开挖检查记录表(线记3)工程编号: Q/CSG 表1-A.3监理: 质检员: 施工负责人: 检查人:Q/CSG 表1- A.4 地基基坑(槽)检查记录表(线记4)设计桩号杆塔型基础型施工日期年 月 日 呼称高施工基面检查日期年 月 日序号 检查项目 允许偏差 检查结果备注1 转角杆塔角度 设计值0°1′30″ 2直线杆塔桩位置mm横线路:503基础根开及对角线尺寸mm设计值ABBCCDABBCAC DABDCDDA±2‰AC BD4基础坑深 mm 设计值:A B+100,-50C D 5基础坑底板断面尺寸mm设计值:A B-1%CD6拉线基础坑位置mm设计值:A CE±1%LB DF7拉线基础坑深mm设计值:A BC+100,不允许有负偏差D EF8 拉线坑马道坡度及方向 符合设计要求 AB C D E F备注1. L 为拉线基础坑中心至拉线固定总水平的距离。
2. 仪器名称: 仪器编号: 检验证书号:3. 掏挖基础的尺寸不允许有负偏差。
工程编号:Q/CSG表1- A.4设计桩号杆塔型基础型施工日期年月日呼称高施工基面检查日期年月日序号检查(检验)项目性质质量标准(允许偏差) 检查结果评定1 基坑(槽)底土质类别关键符合设计要求ABCD2 地质基坑草图:施工单位代表:年月日3 监理鉴定意见:监理代表:年月日设计核查意见:设计代表:年月日备注设计有验槽要求的基础填写本表。
自立式铁塔组立检查及评级记录表(线塔1)
监理:专职质检员:施工负责人:检查人:
填写说明
1.所有数值应按法定计量单位填写;
2.施工桩号:填写设计桩号或设计杆塔号;
3.运行塔号空栏不填;
4.塔型:填写设计塔型;
5.呼称高只填1个值,对有长短腿的铁塔,只填铁塔最长腿的呼称高;
6.施工日期:填写实际最后完成日期(最后组塔完成时间);
7.检查日期:填写班组检查日期;
8. 对于转角塔,需在备注栏内注明转角方向、角度(如:右转22°18′30″);9.评级栏:填写由监理公司和施工单位共同评审的评审意见结果,如“不合格”、“合格”、“优良”;要求检查项目对应的评级栏的“优良”或“合格”用打印字,备注对应的评级栏的“优良”或“合格”用手写。
10.无此项内容或不需要检查的内容:填写“/”;
11.签字栏:
检查人:施工班组自检人员;
施工负责人:班组长或队长;
专职质检员:项目部质检人员;
监理:监理人员;
12.装订线要求保证左边30mm;右边没有明确要求;个别栏内如字节过多,允许调整字体大小、栏目大小及行宽。
13.要求本检查与评级记录最终形成手写原始版记录1份,由施工单位保存备查,打印版记录根据归档需要做若干套份.。
线塔1监理:专职质检员:施工负责人: 检查人:线塔1监理:专职质检员: 施工负责人: 检查人:线塔1监理:专职质检员: 施工负责人:检查人:线塔1监理:专职质检员:施工负责人: 检查人:线塔1监理:专职质检员:施工负责人:检查人:线塔1监理: 专职质检员: 施工负责人:检查人:线塔1监理:专职质检员:施工负责人:检查人:线塔1监理:专职质检员:施工负责人: 检查人:线塔1监理:专职质检员:施工负责人:检查人:线塔1监理:专职质检员:施工负责人:检查人:线塔1监理:专职质检员: 施工负责人:检查人:线塔1监理: 专职质检员:施工负责人:检查人:线塔1监理:专职质检员: 施工负责人:检查人:线塔14监理:专职质检员: 施工负责人: 检查人:线塔15监理:专职质检员:施工负责人: 检查人:线塔16监理:专职质检员:施工负责人:检查人:线塔17监理: 专职质检员:施工负责人:检查人:线塔18监理:专职质检员:施工负责人:检查人:线塔19监理:专职质检员: 施工负责人:检查人:线塔1监理:专职质检员:施工负责人:检查人:线塔1监理:专职质检员:施工负责人:检查人:线塔1监理:专职质检员:施工负责人:检查人:线塔1监理:专职质检员: 施工负责人:检查人:线塔1监理: 专职质检员:施工负责人:检查人:线塔1监理: 专职质检员:施工负责人: 检查人:线塔1监理: 专职质检员:施工负责人:检查人:线塔1监理: 专职质检员:施工负责人:检查人:线塔1监理: 专职质检员:施工负责人:检查人:线塔1监理:专职质检员:施工负责人:检查人:线塔1监理:专职质检员:施工负责人:检查人:线塔1监理: 专职质检员:施工负责人:检查人:线塔1监理: 专职质检员:施工负责人: 检查人:线塔1监理:专职质检员:施工负责人:检查人:线塔1监理:专职质检员:施工负责人:检查人:线塔1监理:专职质检员: 施工负责人:检查人:线塔1监理:专职质检员:施工负责人:检查人:线塔1监理:专职质检员:施工负责人: 检查人:线塔1监理:专职质检员:施工负责人:检查人:线塔1监理: 专职质检员:施工负责人:检查人:线塔1监理:专职质检员:施工负责人: 检查人:线塔1监理: 专职质检员:施工负责人: 检查人:线塔1监理: 专职质检员: 施工负责人:检查人:线塔1监理: 专职质检员: 施工负责人:检查人:线塔1监理:专职质检员:施工负责人: 检查人:线塔1监理:专职质检员:施工负责人:检查人:线塔1监理:专职质检员:施工负责人:检查人:线塔1监理:专职质检员: 施工负责人:检查人:线塔1监理: 专职质检员: 施工负责人: 检查人:线塔1监理:专职质检员:施工负责人:检查人:线塔1监理:专职质检员:施工负责人:检查人:。
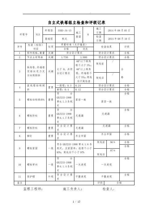
表B.0.8 自立式铁塔组立检查及评定记录表(线塔1)桩号塔号塔型呼称高(m)施工日期塔全高(m)检查日期序号检查(检验)项目性质评定标准(允许偏差)检查结果评定1 部件规格、数量主控符合设计要求2 节点间主材弯曲主控1/7503 转角塔、终端塔倾斜主控符合设计要求架线前架线后4 直线塔结构倾斜(%)一般一般塔:0.3高塔a:0.155 螺栓与构件面接触及出扣情况一般符合现行GB 50233-2014《110kV~750kV架空输电线路施工及验收规范》第7.1.3条规定6 螺栓防松一般符合设计要求7 螺栓防卸一般符合设计要求8 脚钉一般符合设计要求9 螺栓紧固一般符合现行GB 50233-2014《110kV~750kV架空输电线路施工及验收规范》第7.1.6条规定,且紧固率:组塔后不小于95%;架线后不小于97%架线前架线后10 螺栓穿向一般符合现行GB 50233-2014《110kV~750kV架空输电线路施工及验收规范》第7.1.4条规定11 保护帽一般符合设计要求注:a 高塔指塔高在100m以上的铁塔。
评定桩号2塔号2塔型2B7-JC1呼称高(m)24 施工日期2017年6月18日塔全高(m)33.5检查日期2017年6月25日序号检查(检验)项目性质评定标准(允许偏差)检查结果评定1 部件规格、数量主控符合设计要求符合设计要求优良2 节点间主材弯曲主控1/750 1/800优良3 转角塔、终端塔倾斜主控符合设计要求架线前优良架线后4 直线塔结构倾斜(%)一般一般塔:0.3高塔a:0.150.24 优良5 螺栓与构件面接触及出扣情况一般符合现行GB 50233-2014《110kV~750kV架空输电线路施工及验收规范》第7.1.3条规定紧密一致优良6 螺栓防松一般符合设计要求符合设计要求优良7 螺栓防卸一般符合设计要求符合设计要求优良8 脚钉一般符合设计要求符合设计要求优良9 螺栓紧固一般符合现行GB 50233-2014《110kV~750kV架空输电线路施工及验收规范》第7.1.6条规定,且紧固率:组塔后不小于95%;架线后不小于97%架线前98%优良架线后99%10 螺栓穿向一般符合现行GB 50233-2014《110kV~750kV架空输电线路施工及验收规范》第7.1.4条规定一致美观优良11 保护帽一般符合设计要求平整美观优良注:a 高塔指塔高在100m以上的铁塔。
监理工程师:施工负责人:检查人:
监理工程师:施工负责人:检查人:
监理工程师:施工负责人:检查人:
监理工程师:施工负责人:检查人:
监理工程师:施工负责人:检查人:
监理工程师:施工负责人:检查人:
监理工程师:施工负责人:检查人:
监理工程师:施工负责人:检查人:
监理工程师:施工负责人:检查人:
监理工程师:施工负责人:检查人:
监理工程师:施工负责人:检查人:
监理工程师:施工负责人:检查人:
监理工程师:施工负责人:检查人:
监理工程师:施工负责人:检查人:
监理工程师:施工负责人:检查人:。
2 送电表格目录 (2008-5-1)序表格名称号1表 A.1 路径复测记录表( 线记 1)2表 A.2 被超越及地形突出点丈量记录表( 线记 2)3表 A.3 一般( 掏挖) 基础和拉线基础分坑及开挖检查记录表 ( 线记 3)4表 A.4 地基基坑( 槽) 检查记录表( 线记 4)5表 A.5 杆塔号比较表 ( 线记 5)6表 B.1 现浇、掏挖( 等高) 铁塔基础检查及评级记录( 线基 1)7表 B.2 现浇、掏挖( 不等高) 铁塔基础检查及评级记录( 线基 2)8表 B.3 铁塔拉线( 含锚杆) 基础检查及记录( 线基 3)9表 B.4 岩石铁塔基础检查及评级记录(线基 4)10表 B.5 混凝土电杆基础检查及评级记录(线基 5)11表 B.6 角钢插入式( 等高) 基础检查及评级记录( 线基 6)12表 B.7 角钢插入式( 不等高) 基础检查及评级记录( 线基 7)13表 B.8 灌输桩基础桩身检查及评级记录( 线基 8)14表 B.9 灌输桩基础承台、连梁检查及评级记录( 线基 9)15表 B.10 贯入桩基础检查及评级记录( 线基 10)16表 B.11 挖孔桩基础检查及评级记录( 线基 11)17表 B.12 自立式铁塔组立检查及评级记录( 线塔 1)18表 B.13 拉线铁塔组立检查及评级记录( 线塔 2)19表 B.14 铁塔拉线压接收施工检查及评级记录( 线塔 3)20表 B.15 混凝土电杆组立检查及评级记录(线塔 4)21表 B.16 自立式钢管杆组立检查及评级记录( 线塔 5)22表 B.17 导、地线展放施工检查及评级记录表(线线 1)23表 B.18 导、地线直线液压管施工检查及评级记录(线线 2)24表 B.19 导、地线耐张液压管施工检查及评级记录(线线 3)25表 B.20 导地线紧线施工检查及评级记录(线线 4 )26表 B.21 导地线附件安装施工检查及评级记录(线线 5)27表 B.22 对地、风偏开方对地距离检查及评级记录(线线 6)28表 B.23 交错超越检查及评级记录(线线 7)29表 B.24 复合光缆 OPGW展放施工检查及评级记录(线光 1)30表 B.25 复合光缆 OPGW紧线施工检查及评级记录(线光 2)31表 B.26 复合光缆 OPGW附件安装施工检查及评级记录(线光 3)32表 B.27 复合光缆 OPGW现场开盘测试报告(线光 4)33表 B.28 复合光缆 OPGW接头衰减测试报告(线光 5)34表 B.29 复合光缆 OPGW纤芯衰减测试报告(线光 6)35表 B.30 接地装置施工检查及评级记录( 线地 1)36表 B.31 线路防备设备一览表( 线防 1)37 表分部工程质量评级统计(线统 1)38 表单位工程质量评级统计( 线统 2)表 A.1 路径复测记录表 ( 线记 1)档距线路转角直线桩横线路偏m 塔位移 m m设计桩高程备注杆塔形式号m设计值实测值误差值设计值实测值方向位移值备注1、注明直线转角2、仪器名称仪器编号:查考证书号:监理:质检员:施工负责人:检查人:表 A.2 被超越物及地形突出点丈量记录表(线记 2)与周边桩位挡距近来距离被超越物高程备注超越挡m设计(或地形突出点)名称距离m桩位m备注仪器名称仪器编号:查考证书号:监理:质检员:施工负责人:检查人:表 A.3 一般(掏挖)基础和拉线基础分坑及开挖检查记录表( 线记 3)设杆塔型计塔呼称高号序检查项目号1转角杆塔角度直线杆塔桩角度2m m基础型年月日施工日期施工基面 (m)年月日检查日期同意误差检查结果备注设计值0° 1′ 30″横线路: 50基础根开及对角线尺3寸m m4基础坑深m m基础坑底板断面尺寸5m m6拉线基础坑地点m m7拉线基础坑深m m8拉线坑马道坡度及方向AB BC设计AC DA值± 2‰设计值:+100, -50设计值:-1%设计值:-1%L设计值:+100,不同意有负误差切合设计要求CD AB BCBD CD DAAC BDA BC DA BC DA B CD E FA B CD E FABCDEF备 1、 L 为拉线基础坑中心至拉线固定总水平的距离。
杆塔组立检验批质量验收记录
表
(可以直接使用,可编辑实用优秀文档,欢迎下载)
分项工程检验批质量验收记录表
格文本及填写说明》填写。
分项工程质量验收记录表
编号:SPMC-69-
分部(子分部)工程验收记录
编号:SPMC-70-
单位(子单位)工程质量竣工验收记录表
编号:SPMC-71-
单位(子单位)工程质量控制资料核查记录
编号:SPMC-72(1)-
续表
SPMC-72(2)-
单位(子单位)工程安全和功能检验
资料核查及主要功能抽查记录
编号:SPMC-73-
单位(子单位)工程观感质量检查记录
编号:SPMC-74-
QESMR/F5120211207侧石工程检验批质量验收记录表。
自立式铁塔组立检查及评级记录表表号:DL/T5168-2002线塔1 工程名称:方家风电场35KV线路工程编号:07-03-01-001监理:专职质检员:施工负责人:检查人:自立式铁塔组立检查及评级记录表表号:DL/T5168-2002线塔1 工程名称:方家风电场35KV线路工程编号:07-03-01-002监理:专职质检员:施工负责人:检查人:自立式铁塔组立检查及评级记录表表号:DL/T5168-2002线塔1 工程名称:方家风电场35KV线路工程编号:07-03-01-003监理:专职质检员:施工负责人:检查人:自立式铁塔组立检查及评级记录表表号:DL/T5168-2002线塔1 工程名称:方家风电场35KV线路工程编号:07-03-01-004监理:专职质检员:施工负责人:检查人:自立式铁塔组立检查及评级记录表表号:DL/T5168-2002线塔1 工程名称:方家风电场35KV线路工程编号:07-03-01-005监理:专职质检员:施工负责人:检查人:自立式铁塔组立检查及评级记录表表号:DL/T5168-2002线塔1监理:专职质检员:施工负责人:检查人:自立式铁塔组立检查及评级记录表表号:DL/T5168-2002线塔1监理:专职质检员:施工负责人:检查人:自立式铁塔组立检查及评级记录表表号:DL/T5168-2002线塔1 工程名称:方家风电场35KV线路工程编号:07-03-01-008监理:专职质检员:施工负责人:检查人:自立式铁塔组立检查及评级记录表表号:DL/T5168-2002线塔1 工程名称:方家风电场35KV线路工程编号:07-03-01-009监理:专职质检员:施工负责人:检查人:自立式铁塔组立检查及评级记录表表号:DL/T5168-2002线塔1监理:专职质检员:施工负责人:检查人:自立式铁塔组立检查及评级记录表表号:DL/T5168-2002线塔1 工程名称:方家风电场35KV线路工程编号:07-03-01-011监理:专职质检员:施工负责人:检查人:自立式铁塔组立检查及评级记录表表号:DL/T5168-2002线塔1监理: 专职质检员: 施工负责人: 检查人:自立式铁塔组立检查及评级记录表表号:DL/T5168-2002线塔1工程名称:方家风电场35KV 线路工程编号:07-03-01-013监理:专职质检员:施工负责人:检查人:自立式铁塔组立检查及评级记录表表号:DL/T5168-2002线塔1监理:专职质检员:施工负责人:检查人:自立式铁塔组立检查及评级记录表表号:DL/T5168-2002线塔1 工程名称:方家风电场35KV线路工程编号:07-03-01-015监理:专职质检员:施工负责人:检查人:自立式铁塔组立检查及评级记录表表号:DL/T5168-2002线塔1 工程名称:方家风电场35KV线路工程编号:07-03-01-016监理:专职质检员:施工负责人:检查人:自立式铁塔组立检查及评级记录表表号:DL/T5168-2002线塔1 工程名称:方家风电场35KV线路工程编号:07-03-01-017监理:专职质检员:施工负责人:检查人:自立式铁塔组立检查及评级记录表表号:DL/T5168-2002线塔1 工程名称:方家风电场35KV线路工程编号:07-03-01-018监理:专职质检员:施工负责人:检查人:自立式铁塔组立检查及评级记录表表号:DL/T5168-2002线塔1 工程名称:方家风电场35KV线路工程编号:07-03-01-019监理:专职质检员:施工负责人:检查人:自立式铁塔组立检查及评级记录表表号:DL/T5168-2002线塔1监理:专职质检员:施工负责人:检查人:自立式铁塔组立检查及评级记录表表号:DL/T5168-2002线塔1 工程名称:方家风电场35KV线路工程编号:07-03-01-021监理:专职质检员:施工负责人:检查人:自立式铁塔组立检查及评级记录表表号:DL/T5168-2002线塔1 工程名称:方家风电场35KV线路工程编号:07-03-01-022监理:专职质检员:施工负责人:检查人:自立式铁塔组立检查及评级记录表表号:DL/T5168-2002线塔1监理:专职质检员:施工负责人:检查人:自立式铁塔组立检查及评级记录表表号:DL/T5168-2002线塔1监理:专职质检员:施工负责人:检查人:监理:专职质检员:施工负责人:检查人:监理:专职质检员:施工负责人:检查人:自立式铁塔组立检查及评级记录表表号:DL/T5168-2002线塔1监理:专职质检员:施工负责人:检查人:自立式铁塔组立检查及评级记录表表号:DL/T5168-2002线塔1 工程名称:方家风电场35KV线路工程编号:07-03-01-028监理:专职质检员:施工负责人:检查人:自立式铁塔组立检查及评级记录表表号:DL/T5168-2002线塔1 工程名称:方家风电场35KV线路工程编号:07-03-01-029监理:专职质检员:施工负责人:检查人:自立式铁塔组立检查及评级记录表表号:DL/T5168-2002线塔1 工程名称:方家风电场35KV线路工程编号:07-03-01-030监理:专职质检员:施工负责人:检查人:自立式铁塔组立检查及评级记录表表号:DL/T5168-2002线塔1 工程名称:方家风电场35KV线路工程编号:07-03-01-031监理:专职质检员:施工负责人:检查人:自立式铁塔组立检查及评级记录表表号:DL/T5168-2002线塔1监理:专职质检员:施工负责人:检查人:自立式铁塔组立检查及评级记录表表号:DL/T5168-2002线塔1监理:专职质检员:施工负责人:检查人:自立式铁塔组立检查及评级记录表表号:DL/T5168-2002线塔1监理:专职质检员:施工负责人:检查人:自立式铁塔组立检查及评级记录表表号:DL/T5168-2002线塔1监理:专职质检员:施工负责人:检查人:自立式铁塔组立检查及评级记录表表号:DL/T5168-2002线塔1 工程名称:方家风电场35KV线路工程编号:07-03-01-036监理:专职质检员:施工负责人:检查人:自立式铁塔组立检查及评级记录表表号:DL/T5168-2002线塔1 工程名称:方家风电场35KV线路工程编号:07-03-01-037监理:专职质检员:施工负责人:检查人:自立式铁塔组立检查及评级记录表表号:DL/T5168-2002线塔1监理:专职质检员:施工负责人:检查人:自立式铁塔组立检查及评级记录表表号:DL/T5168-2002线塔1 工程名称:方家风电场35KV线路工程编号:07-03-01-039监理:专职质检员:施工负责人:检查人:自立式铁塔组立检查及评级记录表表号:DL/T5168-2002线塔1监理: 专职质检员: 施工负责人: 检查人:自立式铁塔组立检查及评级记录表表号:DL/T5168-2002线塔1工程名称:方家风电场35KV 线路工程编号:07-03-01-041监理:专职质检员:施工负责人:检查人:自立式铁塔组立检查及评级记录表表号:DL/T5168-2002线塔1监理:专职质检员:施工负责人:检查人:自立式铁塔组立检查及评级记录表表号:DL/T5168-2002线塔1 工程名称:方家风电场35KV线路工程编号:07-03-01-043监理:专职质检员:施工负责人:检查人:自立式铁塔组立检查及评级记录表表号:DL/T5168-2002线塔1 工程名称:方家风电场35KV线路工程编号:07-03-01-044监理:专职质检员:施工负责人:检查人:自立式铁塔组立检查及评级记录表表号:DL/T5168-2002线塔1 工程名称:方家风电场35KV线路工程编号:07-03-01-045监理:专职质检员:施工负责人:检查人:自立式铁塔组立检查及评级记录表表号:DL/T5168-2002线塔1 工程名称:方家风电场35KV线路工程编号:07-03-01-046监理:专职质检员:施工负责人:检查人:自立式铁塔组立检查及评级记录表表号:DL/T5168-2002线塔1 工程名称:方家风电场35KV线路工程编号:07-03-01-047监理:专职质检员:施工负责人:检查人:自立式铁塔组立检查及评级记录表表号:DL/T5168-2002线塔1监理:专职质检员:施工负责人:检查人:自立式铁塔组立检查及评级记录表表号:DL/T5168-2002线塔1 工程名称:辽宁法库叶茂台(49.5MW)风电项目送出线路工程编号:07-03-01-049。
路径复测、基础分坑及开挖检查记录表1、线记1 路径复测记录表 (33)2、线记2 普通基础和拉线基础分坑及开挖检查记录表 (34)线路工程施工质量检查及评级记录表1、线基1 现浇铁塔基础检查及评级记录表 (35)线基1—1 高低腿现浇铁塔基础检查及评级记录表 (36)线基1—2 高低腿插入钢式现浇铁塔基础检查及评级记录表 (37)线基1—3 现浇钢管杆基础检查及评级记录表(暂缺)线基1—4 现浇框架(连梁)基础检查及评级记录表 (38)2、线基2 现浇铁塔拉线基础检查及评级记录表 (39)3、线基3 装配式基础检查及评级记录表 (40)4、线基4 混凝土电杆基础检查及评级记录表 (41)5、线基5 岩石/掏挖铁塔基础检查及评级记录表 (42)6、线基6 灌注桩基础检查及评级记录表 (43)7、线基7 贯入桩基础检查及评级记录表 (44)8、线塔1 自立式铁塔组立检查及评级记录表 (45)线塔1—1钢管杆组立检查及评级记录表(暂缺)9、线塔2 拉线铁塔组立检查及评级记录表 (46)10、线塔3 混凝土电杆组立检查及评级记录表 (47)11、线塔4 杆塔拉线压接管施工检查及评级记录表 (48)12、线线1 导、地线展放施工检查及评级记录表 (49)13、线线2 导、地线直线爆压管施工检查及评级记录表 (50)14、线线3 导、地线耐张爆压管施工检查及评级记录表 (51)15、线线4 导、地线直线液压管施工检查及评级记录表 (52)16、线线5 导、地线耐张液压管施工检查及评级记录表 (53)17、线线6 紧线施工检查及评级记录表(耐张段) (54)18、线线7 附件安装施工检查及评级记录表 (55)19、线线8 对地、风偏开方对地距离检查及评级记录表 (56)20、线线9 交叉跨越检查及评级记录表 (57)21、线地1 接地装置施工检查及评级记录表 (58)22、线防1 线路防护设施检查及评级记录表 (59)线路工程施工质量评级统计表23、线统1 分部工程(分项工程)评级统计表 (60)24、线统2 单位工程质量评级统计表 (61)OPGW复合光纤施工质量检验评定表25、线线1(光)OPGW展放施工质量检查评级记录表 (62)26、线线2(光)OPGW光纤接续质量检查评级记录表 (63)27、线线6(光)OPGW紧线质量检查评级记录表 (64)28、线线7(光1)OPGW附件安装质量检查评级记录表 (65)29、线线7(光2)OPGW接头盒、引下线附件安装施工质量评级记录表 (66)30、——OPGW全程光纤接续损耗检查评级记录表 (67)31、——OPGW全程光纤传输损耗检查评级记录表 (68)线记1 路径复测记录表监理工程师:专职质检员:施工负责人:检查人:线记2 杆塔基础和拉线基础分坑及开挖检查记录表线基1 现浇铁塔(等高斜柱式)基础检查及评级记录表监理工程师:专职质检员:施工负责人:检查人:监理工程师:专职质检员:施工负责人:检查人:监理工程师:专职质检员:施工负责人:检查人:线基1-3 现浇钢管杆基础检查及评级记录表监理工程师:专职质检员:施工负责人:检查人:线基1—4 现浇框架(连梁)基础检查及评级记录表监理工程师:专职质检员:施工负责人:检查人:线基2 现浇铁塔拉线基础检查及评级记录表监理工程师:专职质检员:施工负责人:检查人:线基3 装配式基础检查及评级记录表监理工程师:专职质检员:施工负责人:检查人:线基4 混凝土电杆基础检查及评级记录表监理工程师:专职质检员:施工负责人:检查人:线基5 岩石、掏挖铁塔基础检查及评级记录表监理工程师:专职质检员:施工负责人:检查人:线基6 灌注桩基检查及评级记录表监理工程师:专职质检员:施工负责人:检查人:线基7 贯入桩基础检查及评级记录表监理工程师:专职质检员:施工负责人:检查人:线塔1 自立式铁塔组立检查及评级记录表监理工程师:专职质检员:施工负责人:检查人:线塔2 拉线铁塔组立检查及评级记录表监理工程师:专职质检员:施工负责人:检查人:线塔3 混凝土电杆组立检查及评级记录表监理工程师:专职质检员:施工负责人:检查人:线塔4 杆塔拉线压接管施工检查及评级记录表外观检查包括管弯曲、烧伤、裂纹等项目。
2送电表格目录(2008-5-1)Q/CSG10017.1--2007 表A.1路径复测记录表(线记1)监理:质检员:施工负责人:检查人:表A.2被跨越物及地形凸起点测量记录表(线记2)监理:质检员:施工负责人:检查人:表A.3普通(掏挖)基础和拉线基础分坑及开挖检查记录表(线记3)监理:质检员:施工负责人:检查人:表A.4地基基坑(槽)检查记录表 (线记4)监理:质检员:施工负责人:检查人:表A.5杆塔号对照表 (线记5)监理:质检员:施工负责人:检查人:表B.1 现浇、掏挖(等高)铁塔基础检查及评级记录 (线基1)监理:质检员:施工负责人:检查人:Q/CSG10017.1—2007监理:质检员:施工负责人:检查人:表B.3铁塔拉线(含锚杆)基础检查及记录(线基3)监理:质检员:施工负责人:检查人:表B.4 岩石铁塔基础检查及评级记录(线基4)监理:质检员:施工负责人:检查人:表B.5混凝土电杆基础检查及评级记录(线基5)监理:质检员:施工负责人:检查人表B.6 角钢插入式(等高)基础检查及评级记录(线基6)监理:质检员:施工负责人:检查人:表B.7 角钢插入式(不等高)基础检查及评级记录(线基7)监理:质检员:施工负责人:检查人:表B.8 灌注桩基础桩身检查及评级记录(线基8)监理:质检员:施工负责人:检查人:表B.9 灌注桩基础承台、连梁检查及评级记录(线基9)监理:质检员:施工负责人:检查人:表B.10 贯入桩基础检查及评级记录(线基10)监理:质检员:施工负责人:检查人:表B.11挖孔桩基础检查及评级记录(线基11)监理:质检员:施工负责人:检查人:表B.12自立式铁塔组立检查及评级记录(线塔1)监理:质检员:施工负责人:检查人:Q/CSG10017.1—2007 表B.13拉线铁塔组立检查及评级记录(线塔2)监理:质检员:施工负责人:检查人:Q/CSG10017.1—2007表B.14铁塔拉线压接管施工检查及评级记录(线塔3)d监理:质检员:施工负责人:检查人:表B.15混凝土电杆组立检查及评级记录(线塔4)监理:质检员:施工负责人:检查人:表B.16自立式钢管杆组立检查及评级记录(线塔5)监理:质检员:施工负责人:检查人:表B.17 导、地线展放施工检查及评记录表(线线1)监理:质检员:施工负责人:检查人:表B.18 导、地线直线液压管施工检查及评级记录(线线2)设计耐张段号号至号导线规格地线规格施工日期年月日压接管设计桩号相别线别压前铝管mm压前钢管mm 压后铝管mm压后钢管mm外观检查压接人钢印代号评定外径d2 需压长度外径d1 需压长度对边距压接长度对边距压接长度最大最小最大最小最大最小1 2 最大最小注1:d1 d2分别为压前钢管和铝管外径。
铁塔基础检验
测试人员:
验收结论:
存在问题:
验收小组人员(签字):
年月日
铁塔主体检验(一)
分公司基站名称基站代号
测试人员:
验收结论:
存在问题:
验收小组人员(签字):
年月日铁塔主体检验(二)
分公司基站名称基站代号
测试人员:
验收结论:
存在问题:
验收小组人员(签字):
年月日
焦作移动公司铁塔建设工程验收要求
一、初验依据
1、施工图设计
2、移动公司与施工单位签订的合同
3、移动公司与厂商签订的合同
4、移动公司的相关技术要求
二、执行标准
1、建筑工程施工质量验收统一标准(GB50300-20XX)
2、塔桅钢结构施工及验收规程(CECS80:96)
3、微波铁塔技术条件(YD/T757-95)
4、钢结构工程施工质量验收规范(GB50205-20XX)
5、砌体工程施工质量验收规范(GB50203-20XX)
6、混凝土结构工程施工质量验收规范(GB50204-20XX)
7、移动通信基站防雷与接地设计规范(YD5068-98)
8、建设工程监理规范(GB50319-2000)
三、由业主、施工单位、厂商、设计、监理共同组成验收小组,按照要
求逐座逐项检查,并应由业主或施工单位提供相应的测量仪器,如:经纬仪,地阻仪、钢尺、卡尺等。
四、验收时间由各方协商共同确定(当试运行三个月后进行)。
北京诚公监理公司四分公司
20XX年10月10日
附:检验表格
焦作移动公司铁塔建设工程
验收要求
北京诚公监理公司四分公司
20XX年10月10日。