13 iPACS-5765电压并列装置技术说明书V2.01
- 格式:doc
- 大小:239.00 KB
- 文档页数:4
iPACS-5961-NW母线成套保护装置技术说明书符合南网标准化要求《南方电网220kV母线保护技术规范-Q/CSG-2011》及《南方电网10 kV~110 kV 元件保护技术规范-Q/CSG-2011》中母线保护相关要求江苏金智科技股份有限公司Wiscom System Co.,Ltd.iPACS-5961-NW母线成套保护装置技术说明书编制: 王勇博校核:王广领审定:高亮版本号: V1.03发布日期:2015年09月前言为了指导专业管理人员和整定人员,江苏金智科技股份有限公司研发部编写了《iPACS-5961-NW母线成套保护装置技术说明书》,本手册力求实用,涵盖了设备的技术条件、软硬件原理、逻辑框图、定值清单及整定说明等编写本手册的主要目的是为保护运维人员、整定人员、技术管理等人员提供一本实用工具书,当现场遇到疑问时能通过查找手册相关内容解决大部分的工程问题。
因时间紧迫且平时支持工作繁重,可能有些地方内容不够详尽或者存在错误,欢迎大家批评指正,我们将在今后继续完善,为工程的顺利实施及产品的安全、可靠运行提供技术保障。
最后,衷心感谢江苏金智科技股份有限公司工程服务部门在手册编制过程中给予帮助。
在手册编制过程中给予帮助。
目录前言 (3)目录 (4)第一章概述 (1)1.1手册内容介绍 (1)1.1.1整套手册说明 (1)1.1.2技术说明书说明 (1)1.2适用范围及主要功能配置 (2)第二章安全须知 (4)2.1安全标识符号 (4)2.2标识举例 (4)2.2.1警告标识 (4)2.2.2小心标识 (5)2.2.3注意标识 (5)2.2.4防静电标识 (5)2.2.5接地标识 (6)第三章装置介绍 (7)3.1概述 (7)3.1.1适用范围及主要功能配置 (7)3.1.2产品版本变更 (7)3.1.3产品主要特点 (7)3.1.4装置执行的标准 (8)3.2技术条件 (8)3.2.1环境条件 (8)3.2.2电气绝缘性能 (9)3.2.3机械性能 (9)3.2.4电磁兼容性 (9)3.2.5安全性能 (10)3.2.6热性能(过载能力) (10)3.2.7功率消耗 (10)3.2.8输出触点容量 (10)3.3装置主要技术参数 (11)3.3.1额定参数 (11)3.3.2交流回路精确工作范围 (11)3.3.3主要技术指标 (11)3.4订货须知 (12)第四章装置硬件 (13)4.1装置功能组件概述 (13)4.2装置硬件系统框图 (15)4.3装置插件说明 (15)4.3.1交流插件 (19)4.3.2 CPU插件 (19)4.3.3通讯插件(COM) (19)4.3.4开入插件(DIN) (19)4.3.5开出插件(DOUT) (20)4.3.6信号接点输出插件(SIG) (20)4.3.7电源插件(PWR) (20)4.3.8显示面板(LCD) (20)第五章装置软件及保护功能 (22)5.1母线差动保护 (22)5.1.1电流突变量启动元件 (22)5.1.2比率差动元件 (22)5.1.3电压闭锁元件 (23)5.1.4 CT饱和检测元件 (24)5.1.5故障母线选择逻辑 (24)5.1.6母联(分段)充电状态自动识别和闭锁差动 (25)5.1.7差动回路和出口回路的切换 (26)5.1.8母线各接线方式下的支路分配 (29)5.2母联(分段)死区保护 (30)5.3母联(分段)失灵保护 (31)5.4启动分段失灵和分段失灵保护 (31)5.5断路器失灵保护 (32)5.5.1断路器失灵电压闭锁元件 (32)5.5.2线路单元断路器失灵保护 (32)5.5.3主变单元断路器失灵保护 (33)5.6母联代路运行方式 (34)5.7母联(分段)过流保护 (34)5.8母联(分段)非全相保护 (34)5.9CT断线告警及闭锁 (35)5.10PT断线告警 (35)5.11母线运行方式识别及刀闸辅助接点异常时的处理 (36)5.12500K V站变压器低压侧母线主变变低断路器跳闸联跳母线功能 (36)第六章定值清单及整定计算说明 (39)6.1 I PACS-5961定值清单及整定计算说明 (39)6.1.1系统参数与整定说明 (39)6.1.2母线保护定值与整定说明 (41)6.1.3母联/分段保护定值与整定说明(选用功能) (43)6.1.4 500kV站低压母线变低跳闸联跳功能定值(选用功能) (45)6.1.5保护压板定值与整定说明 (45)6.1.6母线编号整定说明 (46)附录 (47)附录1:字符和中文字符集 (47)附录2:模拟盘I PACS-5963简介 (52)附录3:装置调试与运行 (53)附录4:I PAC-5961母线成套保护装置操作说明 (60)1.1面板布置图 (60)1.2 液晶显示说明 (61)1.3命令菜单使用说明 (62)第一章概述摘要:本章向用户介绍手册内容1.1 手册内容介绍1.1.1整套手册说明技术说明书设计安装手册测试检修手册运行操作手册一书三册所包含内容如下:●技术说明书:包含原理说明和整定要求的内容,如装置功能配置、原理说明、保护逻辑框图、定值清单、整定说明等●设计安装手册:保护装置设计、安装及相关检查的指导说明。
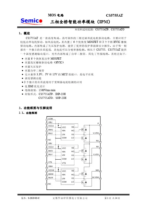
MOS电路CS5755AT三相全桥智能功率模块(IPM)1、概述CS5755AT是一款高度集成、高可靠性的三相无刷直流电机驱动电路,主要应用于较低功率电机驱动,如风扇电机。
其内置了6个快恢复MOSFET和3个半桥HVIC栅极驱动电路。
内部集成了欠压保护电路,提供了优异的保护和故障安全操作。
由于每一相都有一个独立的负直流端,其电流可以分别单独检测。
相比于CS5755,CS5755AT提供一个温度感测输出端口,另外内部集成了自举二极管,简化了外围线路。
其特点如下:●内置6个快恢复功率MOSFET●内置高压栅极驱动电路(HVIC)●内置欠压保护●内置自举二极管●完全兼容3.3V、5V和15V的MCU的接口,高电平有效●温度感测功能● 3个独立的负直流端用于变频器电流检测的应用●低EMI优化设计●绝缘级别:1500Vrms/min● 封装形式:CS5755ATP:DIP-23HCS5755ATO:SOP-23H2、功能框图与引脚说明2. 1、功能框图2. 2、功能描述该电路内置了6个快恢复MOSFET 和3个半桥HVIC 栅极驱动电路,如上图所示。
每一个半桥HVIC 栅极驱动电路功能框图及描述如下:该HVIC 栅极驱动主要由高低电平转换器、互锁逻辑、延时逻辑、脉冲发生器、脉冲过滤器、欠压保护逻辑和高低侧端驱动级等模块构成。
LIN 输入信号通过一个由内部稳压供电(门限电压不受外压影响)的施密特触发器后输入给内部稳压-外部低压供电VCC 之间的电平转换,再通过用于控制死区时间的延时电路,最后输入到驱动级。
HIN 输入信号同样通过一个由内部稳压供电的施密特触发器后输入给内部稳压-外部低压供电VCC 间进行电平转换,然后输入延时电路,输出由低压通道欠压保护模块的输出信号控制产生两路固定相位差的定频短脉冲,然后通过VCC-VS 电平转换将脉冲电平变换为VB-VS 之间,再通过脉冲过滤模块,和高压通道欠压保护模块的输出信号一起输入给RS 触发器,最后输出控制高压通道的驱动级。
iPACS-5792通讯装置技术和使用说明书版本:V2.01江苏金智科技股份有限公司目录1. 概述 (1)2. 特点 (1)3. 硬件介绍 (2)3.1.硬件模块介绍 (2)3.2.硬件接线说明 (2)4. 软件功能 (4)5. 主要技术指标 (5)6. 结构视图及安装尺寸 (6)6.1.视图 (6)6.2.安装尺寸 (7)6.3.端子定义 (7)7. 菜单操作说明 (8)7.1.菜单结构 (8)7.2.菜单界面 (9)7.2.1. 首页界面 (9)7.2.2. 首页界面 (9)7.2.3. 主菜单 (10)7.2.4. 通讯状态菜单 (10)7.2.5. “实时数据” (11)7.2.6. “历史数据” (12)7.2.7. “参数设置” (12)7.2.8. 版本信息 (17)1.概述i PACS-5792作为变电站自动化系统中通信和规约转换设备,用于和各继电保护装置及其它智能设备与当地监控、保护信息管理装置等通信。
iPACS-5792具有多重类型的通信接口和协议与保护、故障录波器、电度表、直流屏等装置进行通信,将这些信息经规约转换后通过网络或者串口上送到当地监控或保护信息管理系统。
iPACS-5792可以提供多种通讯接口:以太网(10/100Base-TX、100Base-FX)、串口(RS-232/485/422)以及其它的现场总线接口。
同时在这些接口上可以运行多种规约(IEC 60870-5-103等)。
iPACS-5792可以单机使用,也可以配置成电气完全独立的双机。
双机之间(包括对内、对外接口)互作冗余备用。
2.特点●iPACS-5792采用自主研发的CPU主板,功能强大、外设丰富。
●iPACS-5792采用嵌入式工业网络处理器,主频最高可以达到533MHZ;该处理器功耗低、温度范围可以达到-40~+85度。
●iPACS-5792的内存可以到达256Mbytes,同时CPU板上还有最大2Gbytes的固态非易失性存储器。
iPACS-5761简易母差保护装置技术说明书版本:V2.04江苏金智科技股份有限公司iPACS-5761简易母差保护装置技术说明书(V2.04)目录1 概述 (1)1.1 应用范围 (1)1.2 保护配置和功能 (1)1.2.1 保护配置 (1)1.2.2 保护信息功能 (1)2 技术参数 (2)2.1 机械及环境参数 (2)2.1.1 工作环境 (2)2.1.2 机械性能 (2)2.2 电气参数 (2)2.2.1 额定数据 (2)2.2.2 功率消耗 (2)2.2.3 过载能力 (2)2.3 主要技术指标 (2)2.3.1 过流保护 (2)2.3.2 遥信开入 (3)2.3.3电磁兼容 (3)2.3.4 绝缘试验 (3)2.3.5 输出接点容量 (3)3 软件工作原理 (4)3.1 保护程序结构 (4)3.2 装置起动元件 (4)3.3 过流保护 (5)3.4 装置自检 (6)3.5 装置运行告警 (6)3.5.1 TV断线 (6)3.5.2 TA断线 (6)3.6 对时功能 (7)3.7 逻辑框图 (7)4 定值内容及整定说明 (8)4.1 系统定值 (8)4.2 保护定值 (8)4.3 通讯参数 (9)4.4 软压板 (9)5装置接线端子与说明 (10)5.1 模拟量输入 (10)5.2 背板接线说明 (10)5.3 装置结构及安装参考尺寸 (12)1 概述1.1 应用范围iPACS-5761适用于35kV以下电压等级的非直接接地系统或小电阻接地系统中的母线保护,可组屏安装,也可在开关柜就地安装。
1.2 保护配置和功能1.2.1 保护配置1)三段可经复压闭锁的过流保护。
1.2.2 保护信息功能1)装置描述的远方查看。
2)系统定值的远方查看。
3)保护定值和区号的远方查看、修改功能。
4)软压板状态的远方查看、投退、遥控功能。
5)装置保护开入状态的远方查看。
6)装置运行状态(包括保护动作元件的状态、运行告警和装置自检信息)的远方查看。
5700A/5720AII系列多功能校准器用户手册PN 601622May 19961996年5月© 1998 福禄克公司, 所有权利保留。
美国印刷所有产品名称都为各自公司的商标.安全须知警告高压该设备在工作时会使用到高电压致人伤亡的电压在设备的端钮上会出现致人伤亡的电压,请检查所有保护措施!为避免电击,使用者不可带电接触输出Hi 或Sense Hi接线柱。
在工作期间,在这些端钮上可能会出现能导致人身伤亡的1100V 交流或直流电压。
无论在何种操作条件下,请保持一只手远离设备,以降低电流流经身体生命器官的危险。
本手册中的术语本设备的设计和测试符合本手册第1章“技术参数”部分中“通用技术参数”中所列的安全标准。
本手册包括的信息和警告均是保证设备处于安全状态和确保安全操作必需遵守的。
警告:指示会造成人员伤害或死亡的危险操作或条件。
注意:指示会造成仪器损坏的操作或条件。
标注在仪器上的标志危险――高压保护地(大地)端钮。
注意:请参阅使用手册。
手册中有正确使用此功能的信息。
电源5700A II系列和5720A II系列应该工作于不高于264V真有效值电压的交流电源,对地电压亦不得高于264V。
为仪器安全工作,电源电缆中的连接地线必须可靠接地。
使用合适的保险丝为防止火灾,必须使用电压选择开关标签上指定的,与所使用的电源具有相同的额定电压和额定电流的保险丝。
5700A II 系列或5720A II系列校准器的接地5700A II系列和5720A II 系列校准器属于IEC 348中规定的I类安全(机箱接地)设备。
机箱通过电源电缆中的接地导线进行接地。
为避免电击,在将任何信号连接至5700A II系列和5720A II 系列校准器的端钮之前,请将电源插头连接至具有适当接地措施的插座内。
使用正确的电源线必须使用符合本国规定,能够使5700A II系列和5720A II 系列校准器正常工作的电源电缆以及插头和插座。
iPACS-5792通讯装置技术和使用说明书版本:V2.01江苏金智科技股份有限公司目录1. 概述 (1)2. 特点 (1)3. 硬件介绍 (2)3.1.硬件模块介绍 (2)3.2.硬件接线说明 (2)4. 软件功能 (4)5. 主要技术指标 (5)6. 结构视图及安装尺寸 (6)6.1.视图 (6)6.2.安装尺寸 (7)6.3.端子定义 (7)7. 菜单操作说明 (8)7.1.菜单结构 (8)7.2.菜单界面 (9)7.2.1. 首页界面 (9)7.2.2. 首页界面 (9)7.2.3. 主菜单 (10)7.2.4. 通讯状态菜单 (10)7.2.5. “实时数据” (11)7.2.6. “历史数据” (12)7.2.7. “参数设置” (12)7.2.8. 版本信息 (17)1.概述i PACS-5792作为变电站自动化系统中通信和规约转换设备,用于和各继电保护装置及其它智能设备与当地监控、保护信息管理装置等通信。
iPACS-5792具有多重类型的通信接口和协议与保护、故障录波器、电度表、直流屏等装置进行通信,将这些信息经规约转换后通过网络或者串口上送到当地监控或保护信息管理系统。
iPACS-5792可以提供多种通讯接口:以太网(10/100Base-TX、100Base-FX)、串口(RS-232/485/422)以及其它的现场总线接口。
同时在这些接口上可以运行多种规约(IEC 60870-5-103等)。
iPACS-5792可以单机使用,也可以配置成电气完全独立的双机。
双机之间(包括对内、对外接口)互作冗余备用。
2.特点●iPACS-5792采用自主研发的CPU主板,功能强大、外设丰富。
●iPACS-5792采用嵌入式工业网络处理器,主频最高可以达到533MHZ;该处理器功耗低、温度范围可以达到-40~+85度。
●iPACS-5792的内存可以到达256Mbytes,同时CPU板上还有最大2Gbytes的固态非易失性存储器。
WORD整理版iPACS-5779测控装置技术说明书版本:V2.02江苏金智科技股份有限公司WORD整理版目录1 概述 (1)1.1 应用范围 (1)1.2 主要功能 (1)1.3 硬件结构 (1)2.1 机械及环境参数 (1)2.2 电气参数 (1)2.3 主要技术指标 (2)3功能介绍 (3)3.1遥控、遥测、遥信功能 (3)3.2 装置自检 (3)3.3 对时功能 (3)4 装置参数及整定说明 (3)4.1 监控参数 (3)4.2 直流参数 (4)4.3 遥信参数 (4)4.4 遥控配置参数 (6)4.5 装置初始化 (7)5装置信息显示 (7)5.1测量值显示 (7)5.2数字量显示 (8)5.3报告显示 (8)5.4通信信息显示 (9)5.5程序版本显示 (9)6手控操作 (9)7时间设置 (10)8报告清除 (10)9特殊功能开入说明 (10)10装置产生的虚遥信说明 (10)11遥控信号说明 (10)12遥控板配置说明 (11)13装置接线端子与说明 (11)13.1 模拟量输入 (11)14 跳线说明 (11)1 概述1.1 应用范围iPACS-5779测控装置主要用于配电网、开闭站及配电变压器监视与控制。
1.2 主要功能1)112路开关量变位遥信,开关量输入为220V/110V光电隔离输入;2)24路电压、12路电流的模拟量输入。
其基本内容有电流、电压、电度计算、频率、功率及功率因素;3)遥控输出可配置为16路遥控分合,遥控出口为空接点,遥控分合闸无公共点,出口动作保持时间可程序设定;4)遥控事件记录及事件SOE;5)支持电力行业标准DL/T667-1999(IEC60870-5-103标准)通讯规约,配有以太网通讯(100Mbps),双网,超五类线或光纤通讯接口。
6)8路变送器接口单元。
1.3 硬件结构本装置主要包括:1.交流采样板:交流输入;2.CPU板;3.电源板:电源,遥信输入;4.数字输入接口板:遥信;5.遥控接口板:遥控;2 技术参数2.1 机械及环境参数2.1.1 工作环境温度:-25℃~+60℃保证正常工作湿度、压力符合DL478的要求2.1.2 机械性能能承受严酷等级为Ⅰ级的振动响应,冲击响应2.2 电气参数2.2.1 额定数据交流电压:57.7V/220V(相电压),100V/380(线电压)交流电流:5A,1A频率:50Hz2.2.2 功率消耗交流电压:< 0.5VA/相交流电流:< 1.0VA/相(In =5A)< 0.5VA/相(In =1A)2.2.3 过载能力交流电压: 1.2倍额定电压:连续工作;1.4倍额定电压:允许10秒。
iPACS-5612配电终端技术说明书版本:V2.00江苏金智科技股份有限公司前言非常感谢您选用江苏金智科技股份有限公司(简称金智科技,股票代码002090)生产的iPACS-5612配电终端使用说明书。
本手册是该系列保护测控装置说明书,期望它能为您的工作带来帮助。
本说明书仅供设计选型参考,与实际产品可能存在细微差别,因此不建议作为工程设计依据。
建议工程设计时向我公司设计人员索取相关设计图纸。
如需相关产品、服务和支持的更多信息,请访问金智科技网站/。
本公司有权对本说明书的内容进行定期变更,恕不另行通知。
变更内容将会补充到新版本的说明书中。
如您需要更新版本,敬请与我公司联系。
_____________________________________________________________版权所有,请勿翻印、复印说明书版本号:V2.00目录一、 iPACS-5612D配电终端技术说明书二、 iPACS-5612T配电终端技术说明书三、 iPACS-5612F配电终端技术说明书iPACS-5612D配电终端技术说明书版本:V2.00江苏金智科技股份有限公司目录1 概述 (1)1.1应用范围 (1)1.2主要功能 (1)1.3硬件结构 (1)1.4主要特点 (1)2 技术参数 (2)2.1机械及环境参数 (2)2.2电气参数 (2)2.3主要技术指标 (2)3 电磁兼容及绝缘试验 (3)3.1电磁兼容 (3)3.2绝缘试验 (5)4 功能介绍 (5)4.1遥控、遥测、遥信功能 (5)4.2参数设置功能 (5)4.3装置自检 (5)4.4电源失电保护功能 (5)4.5对时功能 (6)4.6手动操作功能 (6)4.7SOE纪录及上报功能 (6)4.8故障检测及故障判别功能 (6)4.9遥测越限检测及判别功能 (6)4.10馈线停电自动上传数据功能 (6)4.11通信功能 (6)4.12当地调试功能 (7)4.13输入输出回路安全防护功能 (7)5 装置参数及整定说明 (7)5.1监控参数 (7)5.2遥信参数 (9)5.3保护定值 (10)5.4遥测配置参数 (11)5.5直流参数 (11)5.6串口通讯参数设定 (11)5.7电度精度调整 (12)5.8交流调整 (12)5.9交流精度参数设定 (12)5.10直流精度自动调整 (12)5.11直流精度参数设定 (12)5.12装置初始化 (12)6 装置信息显示 (12)6.1测量值显示 (12)6.2数字量显示 (14)6.3报告显示 (15)6.4通信状态显示 (16)6.5程序版本显示 (16)7 手控操作 (16)8 时间设置 (17)9 报告清除 (17)10 特殊功能开入说明 (17)11 装置产生的虚遥信说明 (17)12 遥控信号说明 (18)13 遥控板配置说明 (18)14 液晶板说明 (18)15 装置接线端子与说明 (18)15.1模拟量输入 (19)1 概述1.1 应用范围iPACS-5612D为用于10KV开闭所内馈线自动化终端单元,可就地在开关柜安装亦可集中组屏。
iPACS-5775线路测控装置技术说明书版本:V2.01江苏金智科技股份有限公司目录1 概述 (1)1.1应用范围 (1)1.2主要功能 (1)1.3硬件结构 (1)2 技术参数 (2)2.1机械及环境参数 (2)2.1.1 工作环境 (2)2.1.2 机械性能 (2)2.2电气参数 (2)2.2.1 额定数据 (2)2.2.2 功率消耗 (2)2.2.3 过载能力 (2)2.3主要技术指标 (3)2.3.1 遥测量精度 (3)2.3.2 遥信开入 (3)2.3.3 遥控输出 (3)2.3.4 电磁兼容 (3)2.3.5 绝缘试验 (3)2.3.6 输出接点容量 (3)3功能介绍 (4)3.1遥控、遥测、遥信功能 (4)3.2同期功能 (4)3.3逻辑闭锁功能 (4)3.4程序化操作功能 (5)3.5装置自检 (5)3.6交流电压断线 (5)3.7线路电压断线 (5)3.8对时功能 (5)4 装置参数及整定说明 (6)4.1监控参数 (6)4.2遥信参数 (7)4.3同期参数 (9)4.4遥控配置参数 (10)4.5交流精度自动调整 (11)4.6交流精度手动调整 (11)5装置信息显示 (11)5.1测量值显示 (11)5.1.1交流遥测基本数据 (11)5.1.2功率数据 (12)5.2数字量显示 (13)5.2.1开关量状态 (13)5.2.2电度显示 (13)5.2.3联锁信息 (13)5.3报告显示 (14)5.3.1时间顺序记录显示(SOE) (14)5.3.2操作报告 (14)5.4通信信息显示 (14)5.5程序版本显示 (15)6手控操作 (15)7时间设置 (15)8报告清除 (16)9特殊功能开入说明 (16)10装置产生的虚遥信说明 (16)11遥控信号说明 (16)12遥控板配置说明 (16)13装置接线端子与说明 (17)13.1模拟量输入 (17)1.概述1.1.应用范围iPACS-5775线路测控装置主要用于站内线路测控,装置拥有单断路器测控。
iPACS-5791远动装置技术和使用说明书版本:V2.01江苏金智科技股份有限公司目录1. 概述 (1)2. 特点 (1)3. 硬件介绍 (2)3.1.硬件模块介绍 (2)3.2.硬件接线说明 (2)4. 软件功能 (5)5. 主要技术指标 (6)6. 结构视图及安装尺寸 (7)6.1.视图 (7)6.2.安装尺寸 (8)6.3.端子定义 (8)7. 菜单操作说明 (9)7.1.菜单结构 (9)7.2.菜单界面 (10)7.2.1. 首页界面 (10)7.2.2. 首页界面 (10)7.2.3. 主菜单 (11)7.2.4. 通讯状态菜单 (11)7.2.5. “实时数据” (11)7.2.6. “历史数据” (13)7.2.7. “参数设置” (13)7.2.8. 版本信息 (18)1.概述iPACS-5791远动装置作为变电站自动化系统中远动设备,是变电站内的智能设备和调度系统信息交互的桥梁。
在变电站自动化系统中,iPACS-5791对内通过各种通讯接口收集间隔层的保护、监控、电度、等智能设备的信息,对外通过网络、模拟或者数字通道将这些信息传送到调度;同时将调度的命令传递给站内的各智能设备,实现调度对变电站内智能设备的控制。
iPACS-5791对内可以提供多种通讯接口:以太网(10/100Base-TX、100Base-FX)、串口(RS-232/485/422)以及其它的现场总线接口。
同时在这些接口上可以运行多种规约(IEC 60870-5-103等)。
iPACS-5791对外可以提供多个以太网(10/100Base-TX、100Base-FX)、数字RS-232以及模拟通道接口。
同时可以适用多种协议(60870-5-101、IEC 60870-5-104、DNP3.0等)。
iPACS-5791包含了电气完全独立的双机。
双机之间(包括对内、对外接口)互作冗余备用。
2.特点●iPACS-5791采用自主研发的CPU主板,功能强大、外设丰富。
iPACS-5765电压并列装置
技术说明书
版本:V2.01
江苏金智科技股份有限公司
目录
1基本配置及规格 (1)
1.1基本配置 (1)
1.2技术数据 (1)
2装置逻辑框图 (1)
iPACS-5765电压并列装置
1基本配置及规格
1.1基本配置
iPACS-5765装置为变电站中用于PT电压并列的装置。
装置采用直插式结构,无背板连线,增加可靠性和通用性。
每一个装置设有四个完全独立的电压并列插件,根据工程需要可配置1-4个并列插件,
1.2技术数据
输出接点容量:出口继电器接点最大导通电流为5A
正常工作温度: -25~60℃
抗干扰及绝缘:抗干扰能力符合标准
绝缘耐压符合标准
2装置逻辑框图
iPACS-5765电压并列装置技术说明书(V2.01)
2。