电压并列测量装置及其回路之我见
- 格式:doc
- 大小:33.00 KB
- 文档页数:6
常规站电压切换、并列回路分析摘要:多段式母线上所连接的电气设备,其保护装置的电压取自母线PT,所接的母线电压通过电压切换回路随该间隔一次回路一起进行切换。
在某段母线PT单独停役时,设置母线电压并列回路,保证其PT二次电压小母线上电压不间断,该段母线所接的保护和计量元件可正常运行。
但在电压切换或并列操作过程中,由于各种原因可能发生PT反充电的情况,造成事故的发生。
本文以常规站220kV电压等级间隔为例,深入分析电压切换回路与电压并列回路,并探究PT反充电的原因,提出几点倒闸操作过程中防止PT反充电的措施。
关键词:电压切换回路、电压并列回路、PT反充电、倒闸操作1 引言“PT反充电”是指通过电压互感器二次侧向不带电的母线充电。
电压互感器类似一台小容量的变压器,变电站二次回路严禁将二次电压反送电至停止运行的电压互感器,一旦出现因为电压切换回路故障造成反送电,会直接影响检修人员的人身安全和设备安全,而且反送电瞬间的励磁涌流造成二次电压空开跳闸,造成保护及自动装置失去母线电压采集,引起保护误动或拒动。
掌握电压切换回路与电压并列回路的原理,有助于运维人员在倒闸操作过程中防止PT反充电事故的发生。
2 电压切换回路2.1电压切换继电器与电压切换回路220kV线路保护装置所需的电压,通过电压切换继电器及该间隔的隔离开关辅助节点进行切换,本节以双位置继电器为例进行介绍。
如图1所示,1YQJ4-1YQJ7、2YQJ4-2YQJ7为双位置继电器,刀闸辅助常开节点使其动作,常闭节点使其返回。
图1 电压切换回路原理图如果220kV线路母线侧两把刀闸均处于合闸位置,则1YQJ4-1YQJ7、2YQJ4-2YQJ7继电器均动作,其常开节点闭合,两段母线电压均进入线路保护装置,在线路保护装置的操作箱中两段母线电压实现二次并列。
此时监控后台220kV线路间隔会报出“切换继电器同时动作”信号,如图2所示,此信号是用于监视PT二次回路是否存在并列现象。
电压并列及切换装置原理与PT常见故障张勇;肖启露【摘要】当母线PT退出运行或者倒闸操作后,如果母线电压不能跟随设备运行方式的调整正确切换,运行过程中可能导致保护装置误动、拒动.为防范因电压切换或PT故障,本文详细分析了电站电压并列及切换装置的原理和PT的常见故障,有助于及时准确判断故障原因.【期刊名称】《水电与新能源》【年(卷),期】2018(032)010【总页数】4页(P61-64)【关键词】电压并列;电压切换;PT故障【作者】张勇;肖启露【作者单位】雅砻江流域水电开发有限公司,四川成都 610021;雅砻江流域水电开发有限公司,四川成都 610021【正文语种】中文【中图分类】TV734.4某水电站主接线采用双母线接线方式(图1)。
正常运行时,212、2121、2122均在合闸位置,Ⅰ母和Ⅱ母并列运行;各母线PT及避雷器随母线投入运行。
在开关站保护室内装有PT并列及切换装置,该套装置用于母线电压的并列与切换,包括并列屏(MPTBL)、切换屏(MPTQH)。
图1 某水电站220 kV部分主接图根据运行经验发现,母线电压切换与PT故障原因主要集中在:PT 回路断线、母联断路器辅助接点/隔离刀闸辅助接点/二次回路接触不良、人为误操作等,造成保护装置发“PT断线”信号、保护拒动或误动、PT反充电、PT异常并列、设备损坏等情况发生。
1 电压并列及切换装置原理1.1 电压并列装置电压并列含义:对于双母线接线方式,每段母线上装有一台PT,当某一母线上的PT 因检修、故障等原因需要停运时,母联开关在合闸位置,待停PT所在母线上的所有负载将继续运行,考虑到因母线失压,保护装置很可能发生误动。
此时,需要采集正常运行的母线电压供待停PT所在母线上的负载保护装置用,这个就是电压并列。
如图2所示,正常运行方式下,从图中可以看出1MYH采集I母母线电压后,经母线PT汇控屏内三个空开XDL4、XDL5、XDL6分别送至并列屏(MPTBL)、切换屏(MPTQH)。
10kV单母分段电压并列二次回路分析与改进唐善文【摘要】在如今的电网的运行方式下,电压切换正确对保护可靠动作及电站的正常供电都具有十分重要的意义.为了解决10kV单母分段52APT与52BPT的误并列、无法并列问题,对10kV分段电压并列经典回路进行了改正,通过2#主变10kV变低502A和502B开关的辅助触点串联接入电压二次并列回路实现10kV 52APT与52BPT的电压二次并列,并且可以保证10kV分段备自投在投入位置,避免了10kV 52BPT检修时10kV IIB母线失压情况的出现,提高了设备运行的稳定性和可靠性.【期刊名称】《中国设备工程》【年(卷),期】2018(000)024【总页数】2页(P75-76)【关键词】电压并列;10kV52APT;10kV分段备自投;10kV52BPT【作者】唐善文【作者单位】广东电网责任有限公司阳江供电局,广东阳江 529500【正文语种】中文【中图分类】TM63电力系统随着国民经济的发展也在快速的发展,目前设计、建设变电站时都会为电站日后的扩建留下裕度。
所以很多变电站出现了两主变三个变低、三段母线三个电压互感器,并且临时跳通了10kV IIA、II B 母线的10kV 接线方式(如图1)。
该接线方式下的PT 并列与以前的PT 并列存在一定的区别,设备运行人员如不注意很有可能会误认为10kV 52APT 和52BPT 可以并列,并按常规方法进行操作并列,这样就会出现误并列,从而造成事故事件的发生。
本文通过对典型10kV PT 并列二次回路就行改进,从而解决了10kV 多分段临时跳通接线方式下容易出现误并列问题。
图1 10kV 多分段临时跳通接线图1 并列原理说明电压并列,一般用于双母线或者单母分段接线的变电站。
比如两段母线,每段母线一台PT,当I 母PT预试时,需要退出运行,而此时I 母的保护继续运行(考虑到带低压闭锁功能),保护失去电压会发生误动,此时需要用II 母PT 维持两段母线上的保护电压,同时将II 母PT 的电压提供给挂在I 母上的线路的测控装置使用。
双母接线的电压并列、切换回路分析一、电压并列、切换、重动概念(一)电压并列两段母线,每段母线一台PT,当I段母PT因检修等原因需要退出运行,分段开关在合位,I段母线上的保护将继续运行,考虑到保护低压闭锁功能,失去I段母线电压的保护很可能发生误动。
此时需要用II段母线电压代替I段母线的保护电压,这就是电压并列。
电压并列是为了在某一段母线PT检修时,将两段母线置于并列运行状态,用另一条母线PT为该段母线上的设备提供电压;(二)电压切换双母接线时,某条线路运行在哪条母线上,二次就相应使用哪条母线PT的电压。
当运行人员对一次隔离开关进行切换时,二次电压也要能自动切换,这就是电压切换,通过电压切换装置来实现。
电压切换是为了在双母线接线下,使装置二次电压取哪条母线电压与一次实际运行方式相对应。
主要用开关辅助触点实现切换。
(三)电压重动使PT二次电压的有/无和压变一次的运行状态(投入/退出)保持对应关系,防止当PT一次退出运行而二次绕组向一次反送电,造成人身设备事故。
电压重动是电压进入二次设备前必经的过程,主要是为了保证与PT一次运行状态一致。
二、电压切换回路原理(一)电压切换回路1. 单位置启动方式电压切换回路图1 单位置启动方式电压切换回路原理图电压切换装置内包含两组电压切换继电器(1YQJ、2YQJ),分别对应两段母线电压。
此电压切换装置集成于开关操作机构箱内,与保护装置共用一组电源。
图1所示为以单位置电压切换装置为例的原理图。
当Ⅰ母隔离开关合上,辅助触点接通,1YQJ第一组继电器线圈得电,1YQJ常开触点闭合,此间隔运行于I母的指示灯亮(1XD),保护/测控/计量二次回路分别通过各自的空开(图中1ZKK为例)接入I母PT二次侧;当Ⅰ母隔离开关合上时,第二组切换继电器2YQJ动作,保护/测控/计量装置接至Ⅱ母电压互感器。
以上为单位置启动方式电压切换回路,采用非自保持继电器,倒母线时,拉开母线刀闸,对应的二次触点断开,不会出现二次回路并列,避免了母联断开时,二次电压回路非等电位跨电压等级并列,避免造成二次回路/空开烧损。
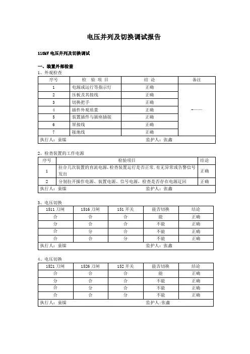
电压并列及切换调试报告110kV电压并列及切换调试
一、装置外部检查
2、检查装置的工作电源
二、Ⅰ、Ⅱ母电压就地并列试验
1、切换开关切至就地并列,母联开关和刀闸只有一个在合位或者均不在合位,不能并列.
2、切换开关切至就地并列,母联开关和刀闸只有同时在合位时,才能完成并列。
观察并列灯是否亮:亮
10kV电压并列调试一、装置外部检查
2、检查装置的工作电源
二、Ⅰ、Ⅱ电压就地并列试验
1、切换开关切至就地并列,母联开关和刀闸只有一个在合位或者均不在合位,不能并列。
注:“通”用“1”表示“不通”用“0”表示
2、切换开关切至就地并列,母联开关和刀闸只有同时在合位时,才能完成并列.
观察并列灯是否亮:亮。
科技与创新┃Science and Technology & Innovation·154·文章编号:2095-6835(2017)02-0154-02压变并列回路设计存在的问题分析与改进徐海东,岳文超(国网连云港供电公司,江苏 连云港 222004)摘 要:主要介绍了在对开泰变110 kV 压变并列回路验收过程中发现的问题,并对发现的问题对照原图纸展开了分析,找到了问题的根源,提出了解决问题的方法。
关键词:二次母线;分段开关;电压;解列位置中图分类号:TM63 文献标识码:A DOI :10.15913/ki.kjycx.2017.02.154电压回路作为变电站的基础回路之一,随着最近二次反送电现象的发生,已引起了多方面的关注,尤其是在YQJ 自动切换回路的各种缺陷已在多篇文章中出现,但二次母线的手动并列回路易被忽视。
本文分析了新建变电站的电压并列回路验收中出现的问题,并提出了整改建议。
1 问题的提出贾圩变电运维班管辖的开泰变110 kV 主接线为单母线三分段和2个分段开关。
110 kV 的I ,III 段母线接有压变,110 kV 的II 段母线上不设压变。
为了110 kV 的II 段母线上的设备保护、测量、计量取到电压,设计可110 kV 的I ,II 母压变并列回路和110 kV 的I 母、III 母并列回路。
2016-03,开泰变新设备安装调试结束后,开始对设备初验收。
在对110 kV 压变并列回路的检查中发现,1QK (110 kV的I ,II 母压变并列切换开关)在并列位置时,如果110 kV 的I ,II 母分段开关710开关处于合闸位置,则装置面板上的并列灯亮;如果110 kV 的I ,II 母分段开关处于分位时,装置面板上并列灯熄灭。
检查中还发现,当1QK 在解列位置时,如果110 kV 的I ,II 段分段开关710开关处于合闸位置时,装置面板上并列灯亮;如果710开关处于分闸位置时,装置面板上并列灯自动熄灭。
电压并列装置的原理及其作用
电压并列装置是一种电路结构,由多个电源或电压源并联连接而成。
它的主要作用是提供稳定的电压输出,以满足电路中各个元器件的供电需求。
在实际工程应用中,电压并列装置被广泛地应用于电子设备、通信系统、工业自动化和航空航天等领域。
电压并列装置的原理是将多个电源或电压源按并联连接的方式组成一个电路。
在并联连接的电路中,各个电源或电压源的电压值相同,但它们的电流值则根据负载的不同而各不相同。
这种并联方式可以有效地提高电路的输出功率和稳定性,同时也可以增加电路的容错能力。
电压并列装置的作用主要是提供稳定的电压输出。
在电路中,各个元器件需要不同的电压供电,而电源或电压源的电压值往往无法直接满足这些要求。
因此,使用电压并列装置可以将多个电源或电压源并联连接,以提供更稳定、更可靠的电压输出。
电压并列装置还可以提高电路的功率输出。
在并联连接的电路中,各个电源或电压源可以共同为电路提供电流,从而增加电路的输出功率。
这种方式在一些高功率电子设备和工业自动化系统中得到广泛应用。
电压并列装置还可以增加电路的容错能力。
在实际应用中,由于各种原因,电源或电压源可能会出现故障或失效。
而使用电压并列装
置可以将多个电源或电压源并联连接,一旦某个电源或电压源出现故障,其他电源或电压源可以及时替代,从而保证整个电路的正常工作。
电压并列装置是一种重要的电路结构,它可以提供稳定的电压输出,增加电路的功率输出和容错能力。
在实际应用中,我们需要根据具体的需求和实际情况选择合适的电压并列装置,并严格按照电路设计要求进行连接和调试,以确保电路的正常工作。
电压并列装置原理今天就来好好唠唠电压并列装置的原理。
这电压并列装置啊,在电力系统中那可是有着相当重要的作用呢。
咱得明白啥是电压并列装置。
它就是一种能把两段或多段母线的电压进行并列操作的设备。
为啥要进行电压并列呢?这是因为在一些情况下,比如当一段母线需要检修或者出现故障的时候,我们就得把这段母线上的设备切换到另一段母线上运行。
这时候,如果没有电压并列装置,那切换过去的设备就没有电压了,没法正常工作。
所以呢,电压并列装置就像是一个电力系统中的“桥梁”,能让不同母线的电压连接起来,保证设备的正常运行。
那么,这电压并列装置是怎么工作的呢?它的原理其实也不太难理解。
一般来说,电压并列装置主要由一些继电器、切换开关和指示灯等组成。
当需要进行电压并列操作的时候,操作人员会通过切换开关发出指令。
这个指令会传达到继电器那里,继电器就会根据指令进行动作。
比如说,当一段母线需要检修,要把设备切换到另一段母线上时,操作人员会把切换开关打到“并列”位置。
这时候,继电器就会动作,把两段母线的电压互感器二次侧连接起来。
这样,原本在检修母线上的设备就能够通过另一段母线的电压互感器获得电压,从而继续正常工作。
在这个过程中,还有一些重要的细节需要注意。
比如说,电压并列装置必须要保证两段母线的电压是相同的相位和幅值。
如果两段母线的电压相位不同或者幅值不同,那么并列起来就会出现问题,甚至可能会损坏设备。
所以,在进行电压并列操作之前,通常会先对两段母线的电压进行测量和比较,确保它们满足并列的条件。
另外,电压并列装置还需要有一些保护功能。
比如说,如果在并列过程中出现了故障,比如短路或者接地等情况,电压并列装置就需要能够及时切断连接,保护设备和人员的安全。
电压并列装置的原理就是通过继电器和切换开关等设备,把两段或多段母线的电压互感器二次侧连接起来,实现电压的并列操作。
它在电力系统中起着非常重要的作用,能够保证设备的正常运行和电力系统的稳定可靠。
电压并列测量装置及其回路之我见
[摘要] 本文对以前和现在采用的电压并列装置及其回路,作了一些分析。
对现在常采用的电压并列测量综合一体化装置的不完善之处提出了一些看法和笔者的建议。
并希望电压并列测量一体化装置生产厂家多了解一下用户使用情况的优劣,以便于使装置及接线更加完善。
[关键词] 电压并列装置电压回路
1 前言
众所周知,电压回路是变电站、发电厂内各间隔完成正常测量功能和保护功能的重要回路,其电压并列也是在某些特殊情况下能保证某些回路的电压负载继续正常工作的手段。
例如站内两段母线上的电压互感器(PT)、其中有一台需要检修或出了故障,但该段母线上的出线还必须继续运行。
此时,在一次回路完成两段母线并列的情况下,二次电压回路可以实现并列,由完好的PT向故障PT所供的二次电压负载进行供电。
以保证该段母线上的出线继续运行,不会向用户停电。
2电压并列装置的工作说明
电压并列装置实际是很简单的设备,基本上可以由一个继电器完成。
继电器的起动回路由人为远方或就地控制。
其必须条件是在一次回路两段母线连成一段的情况下(即分段<母联>和两侧刀闸均应合上)才允许实行电压并列。
该继电器的数付接点把
两段二次电压回路接通,也就完成了电压并列。
二次电压并列过去习惯做法是将电压并列继电器安装在中信继电屏上。
如配电装置采用开关柜,也可装在分段(母联)隔离柜上,由于两段电压小母线均在中信继电屏上集中或延伸到分段隔离柜顶,所以完成并列是很方便的,接线回路清晰明瞭,不会造成绕来绕去。
3电压并列装置及回路的习惯作法
图1表示了电压并列的习惯作法。
为了人身及设备安全,在电压回路二次出口必须串接PT刀闸接点G闭锁和短路保护。
由图1可以看出,短路保护空开ZKK和G接点(或重动继电器J,如为手车柜,一般都装S9的重动继电器J扩展接点数量)都在PT柜上,由G(J)接点输出,即才是电压小母线。
可以直接引上柜顶或引到其它有关回路,以供相关的电压装置采样用。
在本柜面板上还安装该段电压测量表计,完成测量功能。
如需将数据上传,可采用数字式测量装置,其数据输出可传送后台或远方。
另外,在隔离柜上安装电压并列继电器、电压并列的起动回路条件取自本柜和相邻分段(母联)开关柜,并列电压由本柜顶两侧电压引下来接并列接点,即可完成并列。
本作法的优点:1#PT 柜和2#PT柜内二次接线完全相同,仅是变电站现场出线电缆芯和部分引出线编号稍有差异,在工厂生产时因接线完全一致,可以不考虑差异的影响,在现场安装PT柜时,两台PT柜互换了也没有什么问题。
两PT柜及并列装置只由三个继电器(2个J 和YBJ)和二台数字表构成。
接线清晰明瞭便于生产,便于运行
维护。
图中电压回路仅用的单线示出,实际电压有8根线。
由于回路没有绕来绕去,即使有8根线还是相对简单明白。
4现在常遇到的电压并列装置及回路的作法
考虑到使用手车柜的配电装置越来越多及微机技术的发展,许多厂家将两个PT柜的G(S9,接点很少)接点重动扩展,电压测量和电压并列集成在一台装置内(综合一体化装置),似乎满足了小型化、技术现代化,资源共享和降低成本的要求,但由此造成了安装的不合理、造成接线复杂。
运行维护易造成错误的问题。
1)采用本装置的作法如图2所示,因为只有一台装置,要么装于1#PT柜,要么装于2#PT柜,或者装于分段隔离柜。
现图2为装于1#PT柜上(桐梓地区35kV官仓变电站就是采用图2方式布置),说明如下:因2#PT柜的重动继电器在1#PT柜上,所以2#PT的刀闸接点2G(S9)要引到1#PT柜去,而且2#PT
柜的输出电压U II’也要引到1#PT柜去经过重动继电器2J接点才是实际的Ⅱ段电压小母线。
一方面接入Ⅱ段电压测量模块,一方面还得返回2#PT柜再引上Ⅱ段母线配电装置柜顶,供Ⅱ段母线上的出线保护装置和电能表采样用。
至于1#PT柜的电压,因为测量模块和重动继电器1J就在本柜上,就不须拉过来拉过去了。
1#PT柜上已有了两段电压小母线U I和U II、电压并列在1#PT 柜完成。
由图2可以看出电缆芯线要绕来绕去,来回往返。
因此接线繁琐复杂。
图2中电压回路还只表示的单线,实际8根线,可想而知有多繁杂了。
厂家生产、施工单位安装都很容易造成错误,给今后运行维护也会造成麻烦。
而且两个PT柜接线不同,其中1#PT柜又岔入了另一安装单位(2#PT)数量众多的接线,安装单位的独立性受到破坏,从对电力生产的设计安装运行要求而言,应该说也不满足要求。
两个PT柜接线不相同,还要求施工单位在现场安装柜体时不能搞错。
如果两个PT柜安装有误再来互换位置也是很麻烦的事。
2)有的将综合一体化装置安装在主控室电屏上,因为PT柜
G (S9)接点的重动继电器在装置上,很显然PT出口电压先接至主控室该装置,然后经G(S9)接点重动继电器接点后才形成电压小母线,又返回到35kV或10kV配电装置柜上(两处相隔较远),作为各回路保护装置和测量装置及电能表采用。
毫无疑问,电压主干回路电缆无形中增长了一百多二百米,电压降增大,测量误差必定增加。
实际上,由于该装置的不利组合,对电压回路而言,明显不甚合理。
而且据我所知,采用此布置方式的变电站不在少数。
5笔者之建议
1)将电压并列测量综合一体化装置,分成三个独立部分,电压并列专门为一部分。
每个PT柜的电压测量及重动继电器为一个独立部分(共两个),生产厂家这样分拆开后、用户安装就很灵活,可以方便地解决上述问题。
2)即使仍采用综合一体化装置,建议开关柜生产厂家设计人员将该装置装于分段隔离柜上。
也将使接线比图2要简单清晰一些。
同时两个PT柜内部接线就完全相同,也可少一些不必要的
麻烦。
其接线见图3.
6结束语
我们对上述(图1、2、3)接线的分析及建议似乎有绕舌之嫌。
不过我们认为综合一体化装置在现场的安装、试验、运行维护中确有不完善不完美之处。
有关生产厂家或设计人员可以多多走访一下现场,听听安装试验运行人员的意见,以使装置更加完善,安装点更加合理、更方便安装运行及今后的维护检修。